建筑电气照明安装工程监理细则概述(doc 16页)
- 格式:doc
- 大小:2.22 MB
- 文档页数:35
×××××工程电气照明安装施工监理实施细则(示范本)审核人:编制人:电气照明安装施工监理实施细则一. 工程特点熟悉设计施工图中对如下各项内容的描述:工程规模:面积、层数、建筑高度、结构型式照明电源要求照明标准要求光源及灯具选择事故照明及疏散指示灯人防照明二. 编制依据1.已批准的监理规划;2.工程设计图纸;3.已批准的施工组织设计;4.《建筑工程监理规程》DBJ 01-41-2002;5.《建筑工程资料管理规程》DBJ 01-51-2003;6.《建筑工程施工质量验收统一标准》GB 50300-2001;7.《建筑电气工程施工质量验收规范》GB 50303-2002;8.《建筑安装分项工程施工工艺规程》DBJ 01-26-96;9.《工程建设标准强制性条文》(房屋建筑部分)2002年版;《建筑设计防火规范》GBJ 16-87(2001年局部修订)《高层民用建筑设计防火规范》GB 50045-95(2001年局部修订)10.《住宅装饰装修工程施工规范》GB 50327-2001;11.国家及地方有关工程建设法令、法规及技术规范;三. 工程监理工作的流程四. 监理控制要点和措施五. 质量通病及防治措施质量通病1.钢管内壁不光滑、毛刺大,提供质量证明书不及时。
2.套管连接时,焊接不严密。
3.和土建协调不好,盒位误差大、剔凿量大、二次污染。
4.穿线不分色,多股线不搪锡。
5.地线串接,压接缺防松垫,地线连接不完整。
6.有接地要求的灯具,未设专用接地螺钉,大型灯具未做预埋件。
7.配电箱配线无序,标识不完整,压头虚接。
防治措施:1.在管道多的部位,根据各种管线定向,深化设计绘制综合排列图。
2.推广样板引路,理顺工序配合。
3.加强技术交底,明确质量标准。
4.明确订货技术条件,样品封存。
建筑电气照明安装工程监理细那么1、适用范围:本监理细那么适用于一般工业与民用建筑电气照明安装工程施工及验收的监控理。
2、工程特点:〔监理部根据详细工程工程情况编写〕3、监理细那么编制的根据:A、监理规划B、施工安装报送的施工组织设计〔或施工安装方案〕C、有关的、规定和:1.电气装置安装工程电气照明装置施工及验收GB50259-96。
2.电气装置安装工程1KV及以下配线工程施工及验收GB50258-96。
3.电气装置安装工程接地装置施工及验收GB50169-92。
4.电气装置安装工程低压电器施工及验收GB50254-96。
5.电气装置安装工程电气设备交接试验GB50150-91。
6.电气装置安装工程盘、柜及二次回路结线施工及验收GB50171-92。
7.套接扣压式薄壁钢导电线施工及验收CECS100:988.?民用建筑电气设计?JGJ/T 16-92。
9.建筑安装工程质量检验评定统一GBJ300-8810.建筑电气安装工程质量检验评定GBJ303-88。
11.建筑设备安装分项工程施工工艺〔中国建筑工业 1999年版〕。
12.建筑电气安装分项工程施工工艺〔中国建筑工业 1996年版〕。
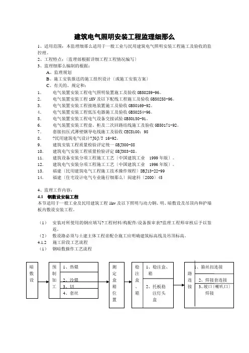
13.福建〔民用建筑电气工程施工技术操作规程〕DBJ13-22-9914.福建〔住宅设计电气专业施行细那么〕闽建科〔2000〕454、监理工作内容:4.1 钢敷设安装工程本节适用于一般工业及民用建筑工程1kv及以下照明与动力钢、明、暗敷设及吊顶内和护墙板内敷设安装工程。
(1)安装对所使用的钢应填写?工程材料/构配件/设备报审表?监理工程师审核后予以签返。
(2)敷设路必须与土建主体工程亲配合施工应明确建筑标高线及吊顶标高。
4.1.2施工阶段工艺流程(1)钢暗敷操作工艺流程〔2〕明、吊顶内、护墙板内路敷操作工艺流程(1) 施工过程中测定盒、箱位置后施工必须监理人员到场按图复测认可后才能进展后续工序。
(2) 路连接好后监理人员应按抽查其连接情况。
建筑电气安装工程监理细则前言建筑电气安装工程是一个复杂的系统,监理工作的开展对保证工程顺利进行和质量优良至关重要。
为了规范建筑电气安装工程的监理工作,提高监理工作质量,制定并实施本细则。
一、监理方案1.建立监理机构监理机构应当有一定的规模和实力,可以对工程进度、质量、安全进行全面监督。
监理机构应当具备以下条件:–具有独立法人资格,能够独立开展业务;–拥有合格的一线监理人员,可以提供质量监督、技术支持等服务;–拥有完备的监理设备和软硬件条件,可以实现工程现场实时监督和数据存储等功能。
2.制定监理方案监理方案应当综合考虑工程性质、规模、技术难度、工期等因素,详细阐述监理内容、任务、方式和周期等。
监理方案应当包括以下内容:–工程范围;–监理目标和要求;–监理工作的内容、方式和周期;–监理人员的配备和工作要求;–监理报告的编制和提交方式;–监理费用的结算方式。
二、监理人员1.监理人员的资格要求监理人员应当具有下列条件:–具有相关专业的教育背景或职业资格;–拥有一定的实际工作经验,在工程建设和施工方面具备一定的实践能力;–掌握工程建设和施工的相关技术和法律法规等知识;–具有较强的团队协作能力和沟通能力,能够与其他工程参与方进行有效的沟通和协商。
2.监理人员的工作要求监理人员应当具备下列职责:–对工程质量、工程进度、安全等方面进行监督;–检查工程变更、材料采购、质量验收等工作,进行记录和报告;–对施工现场进行监督和检查,切实维护工程建设的安全和顺利进行;–对施工单位进行指导和协调,解决工程建设中出现的问题。
三、监理工作1.施工前的监理工作在施工前,监理人员应当按照监理方案,对施工企业进行现场审核和人员资质核查。
审核程序应当包括检查施工企业资格证书、工人上岗证、质量管理体系认证等情况。
2.施工中的监理工作在施工过程中,监理人员应当及时对施工现场进行监理和检查,遵守监理方案,进行记录和汇报,切实保证工程建设顺利进行。
电气(照明、动力)工程监理细则一、总则1.监理依据1.1.承包合同1.2.监理合同1.3.设计文件及设计施工图1.4.图纸会审记录及设计变更1.5.现行《电气装置安装工程施工及验收规范》1.6.《建筑电气安装工程质量检验评定标准》GBJ303-88之规定1.7.地方主管部门和质量监督部门的各项有关规定1.8.业主的特殊要求或标准1.9.项目的监理大纲或监理规划2.监理目标:根据已经业主批准的监理大纲或监理规划之目标要求,根据项目监理组织机构之分工,将目标、责任分解落实到位、到人,并明确本专业(或责任人)之工期目标、质量目标、投资目标。
二、照明作业指导书1、防雷、接地装置质量控制1.1接地体制作:一般用基础桩主筋、基础承台或板钢筋、人工打入地基中的角钢、钢管等做为接地体,造价人才网接地体的结点距离、埋设深度、联结方法、引出线、测试点等应按照设计或规范要求。
1.2监理人员应检查接地体的材料、焊接质量、布置和联结,并参与接地电阻的测试和检查。
1.3接地引下线一般利用柱子钢筋,做引下线的柱子钢筋应做好标记以防止错联,遇焊接接头应进行跨接;引下线应按照有关要求进行环形联结;引下线若敷设在外墙时应进行镀锌工程监理或镀漆防腐,并安装牢固。
1.4接闪器如避雷针、避雷带、避雷网的制作应符合设计和规范要求。
1.5质量验收:接地电阻应符合设计要求,材质和规格符合规定,联接正确,环联不开口;焊接搭接长度、焊接部位防腐处理符合要求。
2.配管及管内穿线工程2.1.基本项目2.1.1.敷设在多尘或潮湿场所的电线管,管口及其各连接处均应密封。
2.1.2.当线路暗配时,电线保护管宜沿最近的线路敷设,并应减少弯曲。
2.1.3.埋入建筑物、构筑物内的电线保护管,与建筑物、构筑物表面的距离不应小于15mm。
2.1.4.进入落地式配电箱的电线管,排列应整齐,管口宜高出配电箱基础面50-80mm。
2.1.5.电线管不宜超过建筑物、构筑物的基础;当必须穿过时,应采取保护措施。
建筑电气工程监理细则建筑电气工程监理细则建筑电气工程监理是指在建筑电气工程施工过程中,由一定的监理组织或个人对电气工程施工过程进行全面协调、监督、检查和控制的工作。
本文档将介绍建筑电气工程监理的细则。
一、监理岗位设置1.主监理:主要负责电气工程施工全过程的协调、管理和监督工作。
2.现场监理:主要负责现场施工的具体监督和管理工作。
3.技术监理:主要负责工程施工技术方案审查及协调、技术质量检查工作。
4.材料监理:主要负责材料的采购、验收及质量检查。
二、监理范围1.监理人员应通过相关资格证书,并掌握各种电气工程施工技术和管理知识。
2.监理人员应参与电气工程施工的各个阶段,包括前期设计评审、施工图设计、招投标、施工过程管理等。
3.在施工中,监理人员应定期进行现场检查,及时发现和解决施工中存在的问题,确保电气工程施工符合工程质量标准和法律法规。
1.监理人员应根据电气工程的施工图纸,对施工过程中的各项操作进行质量监督和技术检查。
2.监理人员应对施工合同、计划进度、施工过程的质量、安全、环保等方面进行全方位的监督和管理。
3.监理人员应根据施工工序和施工计划,对施工现场进行现场检查和记录,并报告施工单位。
4.监理人员应参与施工单位的现场协调会议,并出具监理现场会议纪要。
5.监理人员应对施工过程中涉及土建及机电设备等其他工程,进行了解和掌握,并参与联合验收和联合检查工作。
四、监理验收1.验收标准:建筑电气工程监理验收应符合国家和地方相关法律、法规的规定,符合施工图纸和合同规定要求。
2.验收流程:(1) 施工验收:监理人员应对施工单位提交的施工报告进行逐一检查,对施工报告中存在的不符合项,提出整改意见,直至全部符合验收标准。
(2) 现场验收:监理人员应对施工现场进行现场检查,对现场存在的不符合项提出整改意见,直至全部符合验收标准。
(3) 联合验收:建筑电气工程监理验收,需与设计单位、施工单位及其他有关单位进行联合验收。
建造电气工程监理实施细则一、引言建造电气工程监理实施细则是为了确保建造电气工程施工过程中的质量和安全,规范监理工作的进行而制定的。
本细则旨在明确建造电气工程监理的职责、要求和程序,以保证工程的顺利进行和质量的达标。
二、监理单位的职责1. 监理单位应具备相关资质,并派遣具备相应专业知识和经验的监理人员进行工程监理。
2. 监理单位应在工程施工前进行现场勘察,并编制详细的监理计划和监理方案。
3. 监理单位应对施工图纸、设计文件以及施工合同进行审核,确保其符合相关法规和标准。
4. 监理单位应对施工现场进行巡视,监督施工队伍的作业情况,及时发现和纠正存在的问题。
5. 监理单位应对施工过程中的关键节点进行检查和验收,确保施工质量符合要求。
6. 监理单位应及时向建设单位和施工单位报告工程发展情况和存在的问题,并提出相应的建议和措施。
7. 监理单位应对竣工验收进行监督,并出具相应的监理报告。
三、监理人员的要求1. 监理人员应具备相关的电气工程专业知识和技能,熟悉电气工程的设计、施工和验收标准。
2. 监理人员应具备良好的沟通能力和团队合作精神,能够与建设单位、施工单位和设计单位保持良好的合作关系。
3. 监理人员应具备较强的问题解决能力和判断力,能够及时发现和解决工程中存在的问题。
4. 监理人员应遵守相关法规和监理规定,保持职业操守和道德品质。
四、监理工作的程序1. 建设单位与监理单位签订监理合同,并明确双方的权利和义务。
2. 监理单位进行现场勘察,编制监理计划和监理方案,并与建设单位和施工单位进行沟通和确认。
3. 监理单位对施工图纸、设计文件和施工合同进行审核,确保其符合相关法规和标准。
4. 监理单位进行施工现场巡视,监督施工队伍的作业情况,及时发现和纠正存在的问题。
5. 监理单位对施工过程中的关键节点进行检查和验收,确保施工质量符合要求。
6. 监理单位及时向建设单位和施工单位报告工程发展情况和存在的问题,并提出相应的建议和措施。
建筑电气安装工程监理细则
建筑电气安装工程监理细则?以下带来关于建筑电气安装工程监理细则电气安装工程质量三大因素,相关内容供以参考。
1.建筑电气安装工程监理细则的电气安装施工企业的资质和管理
从事电气安装工程施工的企业,必须有健全的质量保证体系和技术管理体系,并对安装质量负责。
施工现场必须明确电气工程负责人,对工程质量全面负责,并负责指定施工组织,管理措施,安全措施。
施工现场设有电气技术人员担任技术负责人,熟悉电气安装的施工工艺和技术指标,对安装质量直接负责。
施工现场设有专职质量检查人员,坚持三检制度。
2.电气安装工程设备的认定:
采用的设备均应符合国家现行技术标准的规定,审核出场证明,技术合格证,检测报告,3C认证及相关安全认证。
落实设备订货时间,交货条件及附加技术条件,了解掌握对重要设备的质量控制,检测手段,安装工艺,必要时到生产厂家实地考察。
设备运输,保管应符合规范要求,开箱清点做好记录,规格应符合设计要求,附件、备件应齐全。
按规范要求做外观检查,需做试验的,应到具有试验资质的部门检测。
电线、电缆包装完好,抽检的电线绝缘层完整无损,电缆无压扁,
扭曲,铠装不松卷。
耐火、阻燃的电缆外护层有明显标识和制造厂标。
3.与土建单位配合,与供电部门建立联系。
预埋件及预留孔符合设计要求。
按土建提供内墙水平线,墙面线,查找核实孔洞及预埋管路。
加强与供电部门联系,做高压计量PT的等级。
以上是下面为建筑人士收集整理的关于“建筑电气安装工程监理细则”等建筑相关的知识可以登入建设通进行查询。
建筑电气安装工程监理细则(强电、消防报警、弱电)一、工程概况二、监理范围2.1电力系统;2.2照明系统(包括室外照明系统);2.3防雷及接地系统;2.4消防自动报警与联动控制系统。
三、监理依据3.1政府批准的建设计划、规划、设计文件与工程建设相关的文件。
3.2国家和政府有关部门,省、市有关工程建设监理的法律、法规、规范、标准及规程。
3.3设计图纸。
3.4依法签订的监理委托合同和工程建设承包合同及有关附件;3.5业主、监理方和承包商在工程实施过程中有关的会议记录、函电和其它文字记载,监理方发出的所有指令可作为监理依据的补充。
3.6有关质量检验与控制的专门技术法规性文件。
(技术标准:国际标准、国家标准、行业标准、地方标准、企业标准)具体标准如下:(1)建筑电气工程施工质量验收规范(GB50303-2002)(2)电气装置安装工程1KV及以下配线工程施工验收规范;(3)电气装置安装工程接地装置工程施工验收规范;(4)电气装置安装工程低压电器工程施工验收规范;(5)电气装置安装工程电缆线路施工验收规范;(6)电气装置安装工程电器照明装置工程施工验收规范;(7)火灾自动报警系统施工及验收规范;(8)国家及地方有关对电气安装工程质量验收补充规定。
四、电气安装质量控制4.1施工准备阶段质量控制4.1.1熟悉工程图纸,参加图纸会审,认真听取设计人员的技术交底,做好会审纪要、鉴证等工作。
4.1.2针对该工程质量标准、施工要求,制定质量控制点,完善具体的验收内容、标准及方法。
4.1.3对技术要求高,施工难度大以及可能产生质量隐患关键部位,提出具体的预控措施,以确保工程质量。
4.1.4审定安装施工单位提交的施工方案。
4.1.5审核施工方的质量保证体系、管理人员、劳动力配备及机具、设备配置。
4.2电气设备、材料质量控制4.2.1明确设备、材料采购者的质量责任,以及审批者、执行者、材料领用者的职权和权限。
建立设备、材料入、出库的复验制度。
建筑电气工程监理细则1. 简介建筑电气工程监理细则是为了规范和指导建筑电气工程的监理活动,确保工程质量和安全,保证项目按时、按质、按量完成。
本细则根据国家有关标准和规范,结合建筑电气工程监理的实际情况制定,并作为监理合同的重要附件。
2. 监理人员要求2.1 监理人员应具备相关电气工程专业知识和技能,并持有有效的监理工程师证书。
2.2 监理人员应对工程施工过程中的电气设备和系统进行全面监控和检查,确保设备安装符合设计要求,且符合相关安全标准。
2.3 监理人员应具备良好的沟通能力和团队合作精神,能与施工单位及其他相关人员保持良好的合作关系。
3. 监理责任和权利3.1 监理人员有责任监督施工单位按照设计文件和合同要求进行工程施工,确保工程质量和安全。
3.2 监理人员有权利要求施工单位提供必要的资料和文件,包括设计图纸、施工方案、材料出厂合格证明等。
3.3 监理人员有权利对施工单位提出合理的监理意见和建议,并要求及时整改不符合要求的工程质量问题。
3.4 监理人员有责任向业主报告工程进度和质量情况,及时反馈施工进展和存在的问题。
4. 监理程序4.1 监理人员应在工程开始前参与设计文件的审查,并提出必要的修改和补充意见。
4.2 监理人员应对施工单位提交的质量保证文件进行审核,并根据实际情况进行现场检查和验收。
4.3 监理人员应每周进行定期巡视和检查,并记录巡视过程中的问题和整改情况。
4.4 监理人员应定期组织召开监理会议,与业主、施工单位和设计单位进行沟通和协调,解决存在的问题。
5. 监理报告监理人员应及时向业主提交监理报告,内容包括但不限于以下方面:5.1 工程进度情况,包括工期安排、施工进展、关键节点的完成情况等。
5.2 工程质量情况,包括施工过程中的质量问题、整改情况及验收结果等。
5.3 潜在风险和安全问题,包括施工现场存在的安全隐患、违规行为等。
5.4 合同履行情况,包括施工单位是否按照合同约定提供相关材料和文件等。
建筑电气照明安装工程监理细则概述建筑电气照明安装工程监理细则概述建筑电气照明安装工程是建筑工程中不可或缺的一个环节,它涉及到我们的生活、工作和生产等方面。
随着科技的不断进步,现代建筑照明设计也越来越注重灯光的艺术感和环保性。
而为了确保工程质量,保证用户的安全与使用体验,建筑电气照明安装工程在进行时需要进行监理,以期能够达到标准化、科学化和规范化的施工。
一、监理工作内容建筑电气照明安装工程监理的工作内容如下:1. 监督和检查照明工程项目的施工质量和工程进度。
2. 组织照明工程项目设计文件的审查和技术要求的落实情况。
审查照明施工图纸、技术设计和施工方案等。
3. 验收施工现场的安全环保措施和安全生产标准,包括用电安全、现场卫生等。
4. 对照明设备的采购、实施和验收过程进行管理和监督。
对灯具、球壳、电路等设备的验收、现场安装过程进行跟踪和监督。
5. 监督施工单位进行现场质量管理,对验收不合格的情况进行整改;对照明工程项目管理不当、施工技术和要求不达标的进行采取纠正措施。
6. 跟踪维护施工工作,协调解决施工中遇到的问题。
7. 配合建设单位的各项有关工程要求做好工作,充分发挥监理的作用。
二、监理应遵守的规范1. 对建筑电气照明安装工程施工项目应按照国家有关标准进行监理,确保工程施工全部符合标准的要求。
2. 监理应按照各级工程质量标准及法律、法规和监理职责所规定的检验程序进行工程质量监督检验,严格按照施工项目的监理要求,加强对施工工作的监督力度。
3. 对工程变更,监理应认真审查、记录和报送有关手续。
4. 监理机构应按照合同约定完成工作内容,并严格保密有关技术文件和资料。
三、监理机构应持相应证件建筑电气照明安装工程监理机构需要持有以下证件:1. 监理机构的营业执照;2. 监理人员行业资格合格证书;3. 监理人员居民身份证或护照的原件和复印件,或其他国家规定的有效身份证件。
四、总结建筑电气照明安装工程的监理工作是工程施工过程中必不可少的一个部分。
建筑电气工程监理细则建筑电气工程监理细则是建设工程的重要管理规定之一,它具有承担监理职责、保证工程质量、维护环境安全、提高工作效率等多重作用。
本文将从建筑电气工程的监理流程、主要监理内容以及监理人员的职责等方面,对电气工程监理细则进行讲解,以期能够为广大工程师提供一些参考。
一、建筑电气工程监理流程1、工程前期准备建筑电气工程准备阶段,首先需要对工程项目进行了解和研究,在项目前期进行可行性研究和方案评审。
此外,还需对工程施工单位、技术人员、材料供应商等各方进行审核,并确定监理的时间安排、任务分配和业务范围等。
2、施工过程监督在电气工程施工过程中,监理人员要负责对施工人员和材料使用情况实施监督和检查,确保工程安全、优质、高效地运行。
此外,监理人员还要时刻保持沟通,在保证工程质量的同时,了解施工进展情况、协调处理合同变更、工程变更等事项。
3、工程验收电气工程验收是监理的重中之重。
监理人员作为专业技术监督部门的代表,需要全面考察工程的实际情况并进行检查,审查施工和材料的质量,确保工程质量符合国家标准,并对工程完成情况进行评估,出具书面验收报告。
二、建筑电气工程监理主要内容1、贯彻施工规范电气工程建设必须严格按照国家规范和相关规定进行。
监理人员应根据相关规范和设计附图进行检查和验收,严格审核材料和施工过程中的问题并提出处理建议,确保电气工程的质量和安全。
2、防范工程质量事故在电气工程监理过程中,应特别注意防范施工中出现的危险和质量问题,及时发现和处理工程质量事故。
如发现主要设备、重要材料的损坏和变形、交叉干扰等问题,应及时向建设单位和施工单位反映。
3、合理把握工程用料电气工程建设过程中,材料的使用是决定工程质量和运行效果的重要因素。
监理人员需要通过检查和审核材料的质量和进货记录等内容,确保材料的质量符合要求并避免不必要的浪费。
三、建筑电气工程监理人员职责1、严格遵守相关法规和规定监理人员需要遵守国家相关法律法规和规章制度,维护公正和专业的监管标准,维护建筑电气工程建设的合法权益和利益。
建筑电气工程监理细则一、监理基本原则建筑电气工程监理应坚持以下基本原则:守法原则:严格遵循国家相关法律法规、行业标准及地方规范,确保电气工程监理的合法性。
公正原则:保持中立,不偏袒任何一方,确保监督工作的公正性。
科学原则:以科学的态度和方法,依据工程实际情况,进行合理的监理工作。
服务原则:为电气工程的建设提供专业服务,确保工程的高质量实施。
二、主要监理任务电气工程监理的主要任务包括:审核电气工程设计文件,确保其满足相关标准和要求。
监督电气工程施工过程,确保施工质量符合设计要求。
检查电气设备及材料的质量,确保其符合国家标准和合同约定。
评估电气工程的安全性、可靠性和经济性。
三、监理过程与方法过程监督:从电气工程开工至竣工,全过程进行质量监督。
定期检查:按照合同约定,定期对工程进行检查和评估。
不定期抽查:根据需要,对工程进行随机抽查,确保施工质量稳定。
问题处理:发现问题及时通知相关单位,并监督其整改。
四、沟通与协调监理单位应与建设单位、设计单位、施工单位等各方保持密切沟通,协调解决工程中的问题,确保电气工程顺利进行。
五、监理报告与评估监理单位应定期提交监理报告,对电气工程的质量、进度、安全等方面进行评估,为建设单位提供决策依据。
六、质量验收与总结质量验收:参与电气工程的竣工验收,确保工程质量符合设计要求。
总结报告:在工程竣工后,编写总结报告,对监理过程进行回顾和总结,为后续工作提供参考。
七、公正、公开、透明监理单位应确保监理工作的公正、公开、透明,接受社会各界的监督,维护监理工作的信誉和权威。
八、独立自主与替代性监理单位应保持独立自主性,不受任何单位的干预和影响。
同时,监理单位应具备一定的替代性,确保在需要时能够替代其他监理单位,保证电气工程的顺利进行。
建筑电气安装监理细则1.前言本文档旨在规定建筑电气安装监理的具体细则,包括监理责任、监理内容、监理流程等方面,以确保建筑电气安装符合国家相关安全规定和标准,保证建筑质量和居民生活安全。
2.监理责任2.1 监理单位建筑电气安装工程的监理单位应依法注册、符合资质要求,具备相关从业人员和设备,能够熟练运用电气监理和检测设备,并全面掌握建筑电气安装的技术和管理要求。
2.2 监理人员建筑电气安装工程的监理人员应具备从业资格证书,熟练掌握安装质量标准和安全技术要求,具备电气专业知识和监理经验,能够独立承担建筑电气安装工程的监理任务。
3.监理内容3.1 设计文件的审核监理单位应审核建筑电气设施的设计文件,核对建筑电气设施的设计参数、施工图纸、技术说明书等是否符合相关国家标准和规范要求;如发现设计文件中存在问题,应及时向建设单位提出专业意见和建议。
3.2 施工单位的管理监理单位应对建筑电气安装施工单位进行监督和管理,审查施工单位人员的资格证明、工程技术标准、质量验收等相关资料,监督施工单位在施工过程中严格按照设计要求和规定施工,确保施工质量和进度符合要求。
3.3 工程验收的检查监理单位应全面检查建筑电气安装工程施工质量、技术要求、验收标准等方面,认真处理验收过程中出现的问题,确保建筑电气设施的安全性、可靠性和稳定性符合要求。
3.4 运行维护的监督监理单位应对建筑电气设施的运行和维护进行监督和管理,跟踪建筑电气设施的使用情况,及时发现和解决存在的问题,确保设施的正常运行和使用寿命。
4.监理流程4.1 施工前期建筑电气设施施工前,监理单位应对设计方案进行审核,并对施工单位进行资质审查和施工方案审核。
4.2 施工中期在施工过程中,监理单位应每日巡视一次,检查施工单位的施工质量,如果发现施工质量不符合要求,应及时提示施工方进行调整。
4.3 施工后期在施工结束后,监理单位应对工程进行全面验收,并在验收合格后进行竣工验收,最终为建设单位提供安全、可靠、高质量的建筑电气设施。
修建电气照明安装工程监理细则1、适用范畴:本监理细则适用于一般产业与民用修建电气照明安装工程施工及验收的监控治理。
2、工程特点:(监理部凭据具体工程项目情况编写)3、监理细则体例的凭据:A、监理计划B、施工安装单元报送的施工组织设计(或施工安装方案)C、有关的范例、划定和尺度:1.电气装置安装工程电气照明装置施工及验收范例GB50259-96。
2.电气装置安装工程1KV及以下配线工程施工及验收范例GB50258-96。
3.电气装置安装工程接地装置施工及验收范例GB50169-92。
4.电气装置安装工程低压电器施工及验收范例GB50254-96。
5.电气装置安装工程电气设备交代试验尺度GB50150-91。
6.电气装置安装工程盘、柜及二次回路结线施工及验收范例GB50171-92。
7.套接扣压式薄壁钢导管电线管施工及验收范例CECS100:988.《民用修建电气设计范例》JGJ/T 16-92。
9.修建安装工程质量查验评定统一尺度GBJ300-8810.修建电气安装工程质量查验评定尺度GBJ303-88。
11.修建设备安装分项工程施工工艺尺度(中国修建产业出书社 1999年版)。
12.修建电气安装分项工程施工工艺尺度(中国修建产业出书社 1996年版)。
13.福建省尺度(民用修建电气工程施工技能操纵规程)DBJ13-22-9914.福建省(住宅设计范例电气专业实施细则)闽建科(2000)454、监理事情内容:4.1 钢管敷设安装工程本节适用于一般产业及民用修建工程1kv及以下照明与动力钢管、明、暗敷设及吊顶内和护墙板内敷设安装工程。
4.1.1 准备阶段(1)安装单元对所使用的钢管应填写《工程质料/构配件/设备报审表》,监理工程师审核后予以签返。
(2)敷设管路必须与土建主体工程密切配合施工,应明确修建标高线及吊顶标高。
4.1.2施工阶段工艺流程(1)钢管暗敷操纵工艺流程4.1.3 监控要点(1)施工历程中,测定盒、箱位置后,施工必须通知监理人员加入,按图复测认可后,才气进行后续工序。
建筑电气安装监理细则建筑电气安装监理细则一、前言建筑电气安装工程是建筑工程的一个紧要构成部分,它的质量和安全直接影响到建筑物的使用效果和人员的生命财产安全。
因此,在建筑电气工程安装过程中,为了保证工程质量,必需进行监理工作。
二、监理任务①质量监理电气安装监理人员应对工程质量进行全过程监督。
监理过程中要重点查看电气设备和线路的运行情况以及设备的安装质量,不能显现电路短路、漏电等情况。
若显现问题,应适时指出并调整、改正错误。
②安全监理电气安装监理人员应对电气安全进行独立评估,评估标准要依据国家相关法律法规和规范要求,并结合工程实际情况,订立出整体安全保障方案和对应的防备措施。
在电气工程建设过程中要严格依照这些安全保障方案和防备措施执行,并对施工单位进行持续的监督和管理,确保安全施工。
③成本监理电气安装监理人员应对工程成本进行防患于未燃的过程协同其余监理任务进行判别。
在进行成本监理时,应侧重注意工程的质量和安全,不能由于努力探求低成本而降低工程质量和安全。
④文件监理电气安装监理人员应对工程相关文件进行反复地审查,确保所审核的文件符合国家有关标准和规范要求以及施工图纸要求。
检查文件中的建筑电气设计方案和安装说明书的合理性和严谨性,防止在后期建设和使用过程中显现质量和安全问题。
⑤现场监理电气安装监理人员应在施工现场实施日常监督巡察,定期检查施工质量和安全等问题,并尽早发觉和解决显现问题,避开引起较大的质量和安全隐患。
三、监理流程监理工作应依照完整的流程进行,这是保证监理工作顺当完成的关键。
监理流程包括如下几个方面:①前期准备工作在工程施工前,建筑电气监理人员应在施工单位地点进行前期准备工作。
重要工作包括与建筑施工单位负责人沟通,明确责任和职责,对施工单位的基本情形进行了解和评估。
此外,还需要对施工现场的施工方案、计划和资料进行审核以及对施工场地进行现场实地考察,了解现场施工环境和施工进度。
②施工监理电气安装监理人员应在施工单位地点对施工进行过程监督、质量监测等工作,对工程施工的各个环节进行检查、验收和评估,切实维护工程质量和安全。
建筑电气照明安装工程监理细则概述(doc 16页)建筑电气照明安装工程监理细则1、适用范围:本监理细则适用于一般工业与民用建筑电气照明安装工程施工及验收的监控管理。
2、工程特点:(监理部根据具体工程项目情况编写)3、监理细则编制的根据:A、监理规划B、施工安装单位报送的施工组织设计(或施工安装方案)C、有关的规范、规定和标准:1.电气装置安装工程电气照明装置施工及验收规范GB50259-96。
2.电气装置安装工程1KV及以下配线工程施工及验收规范GB50258-96。
3.电气装置安装工程接地装置施工及验收规范GB50169-92。
4.电气装置安装工程低压电器施工及验收规范GB50254-96。
5.电气装置安装工程电气设备交接试验标准GB50150-91。
6.电气装置安装工程盘、柜及二次回路结线施工及验收规范GB50171-92。
(1)(2) 料/构配件/设备报审表》,监理工程师审核后予以签返。
(3)敷设管路必须与土建主体工程密切配合施工,应明确建筑标高线及吊顶标高。
4.1.2 施工阶段工艺流程 (1) 钢管暗敷操作工艺流程(2)明管、吊顶内、护墙板内管路敷操作工艺暗管敷预 1、热煨管 制测定盒箱稳 1、稳注盒、 注 箱 盒管 1、管箍丝扣连接路 连 2、焊变 1、地板部 形 做暗 1、随墙(砌体)配管 管地 1、跨接地线 线流程4.1.3 监控要点(1) 施工过程中,测定盒、箱位置后,施工必须通知监理人员到场,按图复测认可后,才能进行后续工序。
(2) 管路连接好后,监理人员应按标准抽查其连接情况。
(3) 暗管埋入墙体前应检查其位置是否与图 盒箱固定变形 1、地板上部做法地线 1、跨接地线相符,施工方必须按图施工。
(4)2地线的焊接和防腐处理,必须按规范施工,应通知监理人员对此道工艺逐一查验和检测,待合格后方能进行后续工序。
(5)理工程师每日将监理工作记录于《监理日记》中,对施工监理过程中发现的不符合施工规范及不合格问题,签发《监理通知单》,要求施工安装单位及时整改,经整改后确认《整改复查报审表》。
对需向业主专业项说明的事项或需确认存证事项,报《监理工作联系单》。
4.1.3验收阶段(1)质量标准执行GBJ303-88《建筑电气安装工程质量检验评定标准》第二章第三节(2)检验方法::观察尺量和检查隐蔽工程记录(3)检查数量:按施工单位抽查数抽查其中的30%,但均不少于3处,或与施工单位共同检查,监督施工单位的评定结果。
(4)验收顺序:施工单位先自检,填写《分项工程质量检验评定表》,后报检,报送《工程报验单》。
(5)检验结果:对合格者,签署《工程报验单》;对不合格者,退回《工程报验单》,签发《不合格通知》;整改后报送《整改复查报审表》,监理再次检查验收。
4.2 硬质阻燃塑料管PVC 敷设安装工程 本节适用于一般民用建筑内电气动力和照明、弱电系统明敷或在混凝土结构内及砖混结构暗敷安装工程。
4.2.1 准备阶段:(1) 安装单位对所使用管材应填报《工程材料/构配件/设备报审表》,监理工程师师审核后予以签返。
(2) 敷设管路须与土建工程密切配合施工,土建主体工程施工时,应及时给出建筑标高线。
4.2.2 施工阶段工艺流程 (1) PVC 管敷设工艺流程:4.2.3 监控要点:(1) 施工单位在弹线定位并进行了自检后,通知现场监理人员进行复检,按图查对无误后,方可进行下道工序。
弹线盒、箱管路变形扫管(2)盒箱固定,应做到平正、牢固。
(3)管路敷设:管段的连接采用套管粘接法;敷设管子,应尽量减少弯曲;管路经过变形缝处,应设补偿装置;管入盒、箱时,管口应平齐,管口露出盒,箱应不大于5mm,一管一孔。
(4)扫管应使用带扫管方法,清除管内杂物、积水。
扫管过程中,必须将管路与施工图进行认真核对。
(5)理工程师每日将监理工作记录于《监理日记》中,对施工监理过程中发现的不符合施工规范及不合格问题,签发《监理通知单》,要求施工安装单位及时整改,经整改后确认《整改复查报审表》。
对需向业主专业项说明的事项或需确认存证事项,报《监理工作联系单》。
4.2.4 验收阶段(1)质量标准执行GBJ303-88《建筑电气安装工程质量检验评定标准》第二章第三节(2)检验方法:观察、尺量检查及检查隐蔽工程记录。
(3)检查数量:按施工单位抽查数抽查其中的30%,但均不少于3处,或与施工单位共同检查,监督施工单位的评定结果。
(4)验收顺序:施工单位先自检,填写《分项工程质量检验评定表》,后报检,报送《工程报验单》。
(5)检验结果:对合格者,签署《工程报验单》;对不合格者,退回《工程报验单》,签发《不合格通知》;整改后报送《整改复查报审表》,监理再次检查验收。
4.3 扣压式薄壁钢管敷设安装工程本节适用于一般工业、民用建筑工程1KV及以下照明与动力配线采用扣压式薄壁钢管敷设及吊顶内和护墙板内敷设安装工程。
4.3.1准备阶段(1)安装单位对所用扣压式薄壁钢管填写《工程材料/构配件/设备报审表》,监理工程师审核后予以签返。
(2)敷设管路必须与土建主体工程密切配合施工,应明确建筑标高线及吊顶标高。
4.3.2施工阶段工艺流程(1)薄壁钢管暗敷、明敷及在吊顶内敷设的工艺流程:① 薄壁钢管暗敷操作工艺流程:② 薄壁钢管明敷操作工艺流程:③ 薄壁钢管吊顶内敷设工艺流程 弯管、箱、测剔爪型螺纹管接箱、盒稳管路断管路压接管路弯管箱、测爪型螺纹管接箱、盒支管路断管、管路压接管路弯管、箱、测爪型螺纹管接箱、盒支断管、压接管路管路4.3.3(1)在施工过程中,测定盒、箱位置后,施工方必须通知监理人员到场,按图复测认可后,方能进行后续工序。
(2)使用压接器连接直管时,其扣压点不少于两点,电气性能应符合行业标准。
(3)管入箱、盒应采用爪型螺纹管接头。
(4)明敷管及其支架、吊架应平直牢固、排列整齐。
(5)扣压式钢管、箱、盒,在整个线路中采用插接入式形成完整接地,不得使用熔焊连接。
、(6)监理工程师每日将监理工作记录于《监理日记》,对施工监理过程中发现的不符合施工规范及不合格问题,签发《监理通知单》,要求施工安装单位及时整改,经整改后确认《整改复查报审表》。
对需向业主专业项说明的事项或需确认存证事项,报《监理工程联系单》4.3.4 验收阶段(1)质量标准执行:扣压式薄壁钢管安装行业标准GBJ303-88《建筑电气安装工程质量检验评定标准》第二章第三节。
(2)检验方法:观察尺量,检查隐蔽工程记录。
检查数量:按施工单位抽查数抽查其中的30%,但均不少于3处,或与施工单位共同检查,监督施工单位的评定结果。
(3)验收顺序:施工单位先自检,填写《分项工程质量检验评定表》,后报检,报送《工程报验单》。
(5)检验结果:对合格者,签署《工程报验单》;对不合格者,退回《工程报验单》,签发《不合格通知》;整改后报送《整改复查报审表》,监理再次检查验收。
4.4 可挠金属电线管敷设安装工程本节适用于工业、民用建筑工程1KV及以下照明,动力、弱电的可挠金属电线管的明、暗敷及吊顶内和护墙内敷设安装工程4.4.1准备阶段(1)根据设计图纸要求,配合土建结构施工,对于明敷、暗敷和吊顶内敷设,应分别留好预埋件,预留孔、配管稳盒。
在吊顶内龙骨施工时进行配管稳盒。
(2)安装单位对所用可挠金属电线管应填写《工程材料/构配件/设备报审表》,监理工程师审核后予以签返。
4.4.2施工阶段工艺流程(1)暗敷工艺流程:备管件、箱测箱盒管路断(2)明敷工艺流程4.4.3 监控要点(1) 进入落地配电箱的可挠金属电线管,除应高出配电箱基础面不少于50mm 外,还宜做排管的固定支架。
(2) 可挠金属电线管与管、箱盒等连接处,必须采用配套的接地夹子进行连接,其接地跨接线不小于4mm 铜线,并应连接成一体可靠接地。
不得采用熔焊连接地线。
(3) 可挠金属电线管不得作为电气接地线。
(4) 监理工程师每日将监理工作记录于《监理日记》,对施工监理过程中发现的不符合施工规范及不合格问题,签发《监理通知单》,管与管与箱备管测箱盒支架断管、安管与管与箱卡接地管路卡接地管路要求施工安装单位及时整改,经整改后确认《整改复查报审表》。
对需向业主专业项说明的事项或需确认存证事项,报《监理工作联系单》。
4.4.4验收阶段(1)质量标准执行:GBJ303-88《建筑电气安装工程质量检验评定标准》第二章第三节。
(2)检验方法:观察、尺量检查隐蔽工程记录。
(3)检查数量:按施工单位抽查数抽查其中的30%,但均不少于3处,或与施工单位共同检查,监督施工单位的评定结果。
(4)验收顺序:施工单位先自检,填写《分项工程质量检验评定表》,后报检,报送《工程报验单》。
(5)检验结果:对合格者,签署《工程报验单》;对不合格者,退回《工程报验单》,签发《不合格通知》;整改后报送《整改复查报审表》,监理再次检查验收。
4.5 塑料阻燃型可挠(波纹)管暗敷设工程本节适用于建筑物内电气照明的塑料阻燃型可挠(波纹)管暗敷设工程。
不得在高温场所,易受机械损伤的场所及顶棚内敷设。
4.5.1准备阶段(1)跟土建施工紧密配合,土建应给出标高和弹好建筑水平线。
(2)安装单位对所用可挠塑料(波纹)管,应填写《工程材料/构配件/设备报审表》,监理工程师审核后予以签证。
4,5.2 施工阶段工艺流程暗敷工艺流程:预制加工盒、箱定位管路敷设预扫管 4.5.3 监控要点:(1)料阻燃型(波纹)管及其附件必须是阻燃的,管壁厚度均匀。
(2)连接波纹管的管箍应处于两段连接管的对口正中位置。
(3)管子的弯曲不应大于90°,弯曲处不应有折皱,凹穴和裂缝。
(4)管路经过建筑物变形缝时,应设置补偿装置。
(5)管路敷设及盒、箱安装允许偏差如下表所示:项次项目允许偏差检验方法1 管子最小弯曲半径≥6D 尺量检查及检查安装记录2 管子弯曲处的弯扁度≤0.1D尺量检查3 箱垂直度高50cm以下1.5mm吊线、尺量检查高50cm以上3mm4 箱高度5mm 尺量检查5 盒垂直度0.5mm吊线、尺量检查6 盒高度并列安装高差0.5mm尺量检查同一场所高差5mm7 盒箱凹进墙面深度10mm 尺量检查(6) 监理工程师每日将监理工作记录于《监理日记》,对施工监理过程中发现的不符合施工规范及不合格问题,签发《监理通知单》,要求施工安装单位及时整改,经整改后确认《整改复查报审表》。
对需向业主专业项说明的事项或需确认存证事项,报《监理工程联系单》。
4.5.4验收阶段(1)质量标准执行:GBJ303-88《建筑电气安装工程质量检验评定标准》第二章第三节。
(2)检验方法:观察、尺量、检查隐蔽工程记录(3)检查数量:按施工单位抽查数抽查其中的30%,但均不少于3处,或与施工单位共同检查,监督施工单位的评定结果。