拉深模设计实例
- 格式:pptx
- 大小:1.86 MB
- 文档页数:14
拉深模具的设计拉深模具的分类及典型结构拉深模按其工序顺序可分为首次拉深模和后续各工序拉深模,它们之间的本质区别是压边圈的结构和定位方式上的差异。
按拉伸模使用的冲压设备又可分为单动压力机用拉深模、双动压力机用拉深模及三动压力机用拉深模,它们的本质区别在于压边装置的不同(弹性压边和刚性压边)。
按工序的组合来分,又可分为单工序拉深模、复合模和级进式拉深模。
此外还可按有无压边装置分为无压边装置拉深模和有压边装置拉深模等。
下面将介绍几种常见的拉深模典型结构。
1一凸模;2一定位板;3一凹模;4一下模座图 1 无压边装置的首次拉深模1.首次拉深模(1)无压边装置的首次拉深模(图1)此模具结构简单,常用于板料塑性好,相对厚度时的拉深。
工件以定位板 2 定位,拉深结束后的卸件工作由凹模底部的台阶完成,拉深凸模要深入到凹模下面,所以该模具只适合于浅拉深。
(2)具有弹性压边装置的首次拉深模这是最广泛采用的首次拉深模结构形式(图2)压边力由弹性元件的压缩产生。
这种装置可装在上模部分(即为上压边),也可装在下模部分(即为下压边)。
上压边的特征是由于上模空间位置受到限制,不可能使用很大的弹簧或橡皮,因此上压边装置的压边力小,这种装置主要用在压边力不大的场合。
相反,下压边装置的压边力可以较大,所以拉深模具常采用下压边装置。
(3)落料首次拉深复合模图 3 为在通用压力机上使用的落斜首次拉深复合模。
它一般采用条料为坯料,故需设置导料板与卸料板。
拉深凸模 9 的顶面稍低于落料凹模 10 ,刃面约一个料厚,使落料完毕后才进行拉深。
拉深时由压力机气垫通过顶杆 7 和压边圈 8 进行压边。
拉深完毕后靠顶杆 7 顶件,卸料则由刚性卸料板 2 承担。
1一凸模;2一上模座;3一打料杆;4一推件块;5一凹模;6一定位板;7一压边圈;8一下模座;9一卸料螺钉图 2 有压边装置的首次拉深模(4)双动压力机上使用的首次拉滦模(图4)因双动压力机有两个滑块,其凸模 1 与拉深滑块(内滑块)相连接,而上模座2(上模座上装有压边圈3)与压边滑块(外滑块)相连。
无凸缘一次拉深无凸缘圆筒形工件的拉深模设计案例任务:无凸缘筒形件拉深模设计(一次拉深)工件图:如图1所示生产批量:大批量材料:10钢板料厚:1mm图1工件图设计步骤:1.工艺分析该工件为无法兰圆柱形工件,要求内部尺寸,且厚度不恒定。
该工件的形状符合拉深工艺要求,可以进行拉深加工。
工件底部圆角半径r=8mm,大于拉深凸模圆角半径r凸=4~6mm(查表首次拉深凹模的圆角半径r凹=6t=6mm,而r凸=(0.6~1)r凹=4~6mm,r>r凸),满足首次拉深对圆角半径的? 0.7要求。
大小72.70mm,公差表为IT14,满足拉深工艺中工件公差等级的要求。
判断拉深次数。
(1)计算毛坯直径D如图1所示,料厚为1mm,按中径计算。
h=(29.5-0.5)毫米=29毫米d=(72.7+0.35(△/2)+1)mm=74mm工件的相对高度H/D=29mm/74mm=0.4。
根据相对高度,检查修边余量△ H=2mm。
检查无凸缘圆筒形拉深件的毛坯尺寸计算公式如下:d?d2?4dh?1.72rd?0.56r2D=74毫米,H=H+△ H=(29+2)毫米=31毫米,r=(8+0.5)=8.5毫米,代入上式得毛坯的直径为116mm。
(2)判断绘画时间工件总的拉深因数m总=d/d=74mm/116mm=0.64。
毛坯的相对厚度t/d=1mm/116mm=0.0086。
用式t/d≥0.045(1-m)判断拉深时是否需要压边(1米)?0.045(1?0.64)? 0.0162至0.0451T/D呢?0.0086? 0.045(1米)?0.0162,因此有必要对侧环加压。
由相对厚度查表(无凸缘圆筒件用压边圈拉伸时的拉伸系数)得首次拉深的极限拉深因数m1=0.54。
由于m始终大于m1,工件只需一次拉深。
2.确定工艺方案本工件首先需要落料,制成直径d=116mm的圆片(由冲裁工艺完成),然后以d=116mm? 待拔坯料的内径为0.7?72.70mm无法兰圆筒,内圆角r为8mm,最后压入h=29.5mm进行修边。
拉深工艺及拉深模具的设计拉深是利用拉深模具将冲裁好的平板毛坯压制成各种开口的空心件 , 或将已制成的开口空心件加工成其他形状空心件的一种加工方法。
拉深也称为拉延。
图 4.0.1 所示即为平板毛坯拉成开口空心件的拉深。
其变形过程是 : 随着凸模的不断下行 , 留在凹模端面上的毛坯外径不断缩小 , 圆形毛坯逐渐被拉进凸、凹模间的间隙中形成直壁 , 而处于凸模下面的材料则成为拉深件的底 , 当板料全部进入凸、凹模间的间隙时拉深过程结束 , 平板毛坯就变成具有一定的直径和高度的开口空心件。
与冲裁相比 , 拉深凸、凹模的工作部分不应有锋利的刃口 , 而应具有一定的圆角 , 凸、凹模间的单边间隙稍大于料厚。
用拉深工艺可以制得筒形、阶梯形、球形、锥形、抛物线形等旋转体零件 , 也可制成方盒形等非旋转体零件, 若将拉深与其他成形工艺(如胀形、翻边等)复合 , 则可加工出形状非常复杂的零件 , 如汽车车门等 , 如图4.0.2 所示。
因此拉深的应用非常广泛 , 是冷冲压的基本工序之一。
1—凸模; 2—压边圈; 3—凹模;4—坯料; 5—拉深件图 4.0.1 圆筒件的拉图 4.0.2 拉深件示意图a) 轴对称旋转体零件 ;b) 轴对称盒行件 ;c) 不对称复杂件4.1 拉深变形过程的分析4.1.1 拉深变形的过程及特点如果不用模具 , 则只要去掉图 4.1. 中的阴影部分 , 再将剩余部分沿直径 d 的圆周弯折起来 , 并加以焊接就可以得到直径为 h, 高度为 h=(D-d)/2, 周边带有焊缝 , 口部呈波浪的开口筒形件 . 这说明圆形平板毛坯在成为筒形件的过程中必须去除多余材料。
但圆形平板毛坯在拉深成形过程中并没有去除多余材料,因此只能认为多余的材料在模具的作用下产生了流动。
为了了解材料产生了怎样的流动,可以作坐标网格试验。
即拉深前在毛坯上画一些由等距离的同心圆和等角度的辐射线组成的网格( 图 4.1.2) ,然后进行拉深,通过比较拉深前后网格的变化来了解材料的流动情况。
冲压模具设计落料拉深复合模冲压模具设计落料拉深复合模的背景与重要性冲压模具设计是现代制造业中一项关键的技术工艺,广泛应用于金属板材的加工过程中。
冲压过程中,为了满足不同产品的需求,常常需要进行复杂的成型操作,如拉深、压扣、冲孔等。
而冲压模具的设计是冲压工艺中的核心部分,直接影响到产品的质量和生产效率。
而落料拉深复合模则是冲压模具设计中的一种重要类型。
它采用多步冲压工艺,在冲压过程中先进行拉深操作,然后对拉深成型后的零件进行进一步的冲压加工,以获得所需的形状和尺寸。
相比于传统的单步冲压模具,落料拉深复合模具能够实现更复杂的成型操作,提高产品的加工精度和成形性能。
因此,冲压模具设计落料拉深复合模的研究和应用具有重要意义。
通过精确的模具设计和合理的工艺参数选择,可以提高产品的制造质量,降低生产成本,提高生产效率,从而促进制造业的发展。
了解冲压模具设计落料拉深复合模的背景和重要性,有助于我们深入了解该领域的研究方向和技术挑战,为进一步的研究和应用提供有益的参考。
冲压模具设计是指根据工件的形状、尺寸和加工要求,设计出能够完成冲裁、拉深等工艺过程的模具。
冲压模具设计的目标是使模具能够高效、精确地完成工件的加工,提高生产效率和质量。
冲压模具设计的原理是根据工件的形状和尺寸要求,确定模具的结构和工作方式。
冲压模具一般包括上模(上模板、上模座)、下模(下模板、下模座)、顶针、导向柱等部分。
通过上模和下模的配合运动,完成对工件的冲裁、拉深等加工过程。
分析工件:对要加工的工件进行形状、尺寸和材料等方面的分析,确定加工要求。
确定模具结构:根据工件的形状和加工要求,设计出合适的模具结构,包括上模、下模、顶针等部分。
绘制模具图纸:根据模具结构设计,进行模具构造的绘制,绘制各零部件的图纸和总装图纸。
制作模具:根据图纸制作模具的各零部件,并进行装配、调试。
试模与调试:进行模具的试模、调整和修正,保证模具能够正常运行。
批量生产:模具调试通过后,可以进行批量生产工件。
拉深模设计零件名称:180柴油机通风口座子生产批量:大批量材料:08酸洗钢板零件简图:如图17所示图17通风口座子设计步骤按如下程序进行(一)分析零件的工艺性这是一个不带底的阶梯形零件,其尺寸精度、各处的圆角半径均符合拉深工艺要求。
该零件形状比较简单,可以采用:落料一拉深成二阶形阶梯件和底部冲孔一翻边的方案加工。
但是能否一次翻边达到零件所要求的高度,需要进行计算。
1. 翻边工序计算一次翻边所能达到的高度:按相关表取极限翻边系数K最小=0.68由相应公式计算得:H最大=D/2(1-K最小)+0.43r+0.72δ=56/2(1-0.68)+0.43*8+0.72*1.5=13.48(mm)而零件的第三阶高度H=21.5>H最大=13.48。
由此可知一次翻边不能达到零件高度要求,需要采用拉深成三阶形阶梯件并冲底孔,然后再翻边。
第三阶高度应该为多少,需要几次拉深,还需继续分析计算。
计算冲底孔后的翻边高度h(见图18):取极限翻边系数K最小=0.68拉深凸模圆角半径取r凸=2σ=3mm由相关公式得翻边所能达到的最大高度:h最大=D/2(1-K最小)+0.57r凸=56/2(1-0.68)+0.57*3=10.67(mm)取翻边高度 h=10(mm)计算冲底孔直径d:d=D+1.14r凸-2h=56+1.14×3-2×10=39.42(mm) 图18拉深后翻边实际采用Ф39mm。
计算需用拉深拉出的第三阶高度h´h´=H-h+r凸+δ=21.5-10+3+1.5=16(mm)根据上述分析计算可以画出翻边前需拉深成的半成品图,如图19所示。
2.拉深工序计算图19所示的阶梯形半成品需要几次拉深,各次拉深后的半成品尺寸如何,需进行如下拉深工艺计算。
计算毛坯直径及相对厚度:先作出计算毛坯分析图,如图20所示。
为了计算方便,先按分析图中所示尺寸,根据弯曲毛坯展开长度计算方法求出中性层母线的各段长度并将计算数据列于表6中。
拉深模设计案例拉深图所示带凸缘圆筒形零件,材料为08钢,厚度t =1mm ,大批量生产。
试确定拉深工艺,设计拉深模。
1.零件的工艺性分析该零件为带凸缘圆筒形件,要求内形尺寸,料厚t =1mm ,没有厚度不变的要求;零件的形状简单、对称,底部圆角半径r =2mm >t ,凸缘处的圆角半径R =2mm=2t ,满足拉深工艺对形状和圆角半径的要求;尺寸φ2.001.20+mm 为IT12级,其余尺寸为自由公差,满足拉深工艺对精度等级的要求;零件所用材料08钢的拉深性能较好,易于拉深成形。
综上所述,该零件的拉深工艺性较好,可用拉深工序加工。
2.确定工艺方案为了确定零件的成形工艺方案,先应计算拉深次数及有关工序尺寸。
(1) 计算坯料直径D 根据零件尺寸查表5-5得切边余量∆R =2.2mm ,故实际凸缘直径d t =(55.4+2×2.2)=59.8mm 。
由表5-6查得带凸缘圆筒形件的坯料直径计算公式为D =2324222212156.428.64828.6d d R Rd h d r rd d -++++++依图5-23,d 1=16.1mm ,R =r =2.5mm ,d 2=21.1mm ,h =27mm ,d 3=26.1mm ,d 4=59.8mm ,代入上式得D =28953200+≈78(mm)(其中3200×π/4为该拉深件除去凸缘平面部分的表面积)(2) 判断可否一次拉深成形 根据t /D =1/78 = 1.28 % d t /d = 59.8/21.1 = 2.83 H /d = 32/21.1 =1. 52 m t =d /D =21.1/78=0.27查表5-12、表5-13,[m 1]=0.35,[H 1/d 1]=0.21,说明该零件不能一次拉深成形,需要多次拉深。
(3) 确定首次拉深工序件尺寸 初定d t /d 1=1.3,查表5-12得[m 1]=0.51,取m 1= 0.52,则d 1= m 1 ×D = 0.52×78 = 40.5(mm)取r 1=R 1= 5.5 mm为了使以后各次拉深时凸缘不再变形,取首次拉入凹模的材料面积比最后一次拉入凹模的材料面积(即零件中除去凸缘平面以外的表面积3200×π/4)增加5%,故坯料直径修正为D =2895%1053200+⨯≈79(mm)按式(5-9),可得首次拉深高度为 H 1 =)(14.0)(43.0)(25.02121111221R r d R r d D d t -+++- =)5.55.5(43.0)8.5979(5.4025.022+⨯+-⨯=21.2(mm) 验算所取m 1是否合理:根据t /D =1.28 %,d t /d 1 = 59.8/40.5=1.48,查表5-13可知[H 1/d 1]=0.58。
《塑性成形工艺》课程设计题目:圆筒拉深模设计姓名:灬焚书灬学号:211201182系别:材料工程系专业:材料成型及控制工程年级:2012级指导教师:2015年7月6日目录1 课程设计任务书 (3)2 冲压工艺分析 (3)2.1 结构与尺寸 (3)2.2 精度 (3)2.3 材料 (4)3 冲压工艺方案的确定 (4)4 必要工艺计算 (4)4.1 判断拉深次数 (4)4.1.1 确定零件修边余量 (4)4.1.2 确定坯料尺寸 (5)4.1.3 判断是否采用压边圈 (5)4.1.4 确定拉深次数 (5)4.2 凸模和凹模尺寸计算 (6)4.2.1 拉深模的间隙 (6)4.2.2 拉深模的圆角半径 (6)4.2.3 凸、凹模工作部分的尺寸和公差 (6)4.3 拉深力的计算 (7)4.3.1 拉深力的计算 (7)4.3.2 压力机的公称压力的计算 (8)4.3.3 压力中心的确定 (8)5 主要零件的计算 (9)5.1 凹模的尺寸 (9)5.2 凸模的尺寸 (9)5.3 凸模固定板的尺寸 (10)5.4 垫板的尺寸 (10)5.5 弹性元件的尺寸 (11)5.6 辅助零件与结构的设计 (11)5.6.1 螺钉的选择 (11)5.6.2 销钉的选择 (11)5.7 模架的选择 (11)5.7.1 上、下模座的选择 (11)5.7.2 导柱、导套的选择 (11)5.8 模柄的选择 (12)6 闭合高度的确定 (12)7 压力机设备的选用 (12)参考文献 (14)1 课程设计任务书设计题目:筒形件拉深模具设计工件图:如图1毛坯直径:56mm材料:1060铝合金厚度:1mm技术要求:零件公差按IT14级选取图1 零件尺寸图2 冲压工艺分析2.1 结构与尺寸该零件为无凸缘圆筒类拉深件,形状对称。
工件要求内形尺寸,对厚度变化没有要求。
1060铝合金材料被自由凸模反拉深,工件内圆角半径R为3mm最后按h =18mm进行修边。
拉深模设计实例(课程设计)(毕业设计)如图4.11.1所示阶梯形盖,大批量生产,材料为08钢板,料厚为1.5mm ,试进行冲压工艺分析,确定工艺方案,并设计拉深模具。
设计步骤如下:1. 零件的工艺性分析这是一个阶梯形零件,形状简单,没有厚度不变的要求,零件的各处的圆角半径满足拉深对圆角半径的要求。
其尺寸公差为自由公差,满足拉深工序对工件公差等级的要求。
材料10钢的拉深性能较好。
(1)计算毛坯直径及相对厚度毛坯计算方法有多种,下面用解析法求坯料尺寸。
先作出计算毛坯分析图,如图4.11.2所示。
为了计算方便,先按分析图中所示尺寸,计算出中性层母线的各段长度i L 及母线形心到旋转轴线的距离xi R,并将计算数据列于表4-23中。
图4.11.1 阶梯形盖 图4.11.2 毛坯计算分析图表4-23 毛坯计算汇总表 (mm )根据公式(4-11)计算得毛坯直径:D 206mm坯料的尺寸也可以根据拉深前后表面积不变,借助pro/E 等CAD 软件求出。
过程如下:(1) 先在pro/E 软件中进行造型, 如图4.11.3所示,因为零件的内、外表面积的不同,造型过程要注意,把零件的中间层设为实体的外表面或内表面,以便于测量;(2) 复制曲面,点击菜单中分析→ 测量;(3) 选择类型为“面积”,曲线/边为“面组”,投影方向选择为“无”,即可计算出被选中曲面的表面积,如图4.11.4所示。
由图4.11.4可知,零件的表面积A=33434.8mm 2,坯料的直径:206mm D ==≈计算相对厚度: 1.52060.72%t D == (2)确定拉深次数54.557.50.95n h d ==;根据公式(4-21),查表4-11,得拉深次数为2。
(3)计算第一次拉深工序尺寸 为了计算第一次拉深工序尺寸,利用等面积法,求出第一次拉深后工序件的直径和深度。
由于参与第二次拉深变形的区域是从图4.11.2中的L 5开始,因此以L 5开始计算面积,并求出相应的直径。
直壁旋转体零件拉深工艺的设计圆筒形零件是最典型的拉深件,掌握了它的工艺计算方法后,其它零件的工艺计算可以借鉴其计算方法。
下面介绍如何计算圆筒形零件毛坯尺寸、拉深次数、半成品尺寸,拉深力和功,以及如何确定模具工作部分的尺寸等。
4.2.1 圆筒形拉深件毛坯尺寸计算1.拉深件毛坯尺寸计算的原则(1)面积相等原则由于拉深前和拉深后材料的体积不变,对于不变薄拉深,假设材料厚度拉深前后不变,拉深毛坯的尺寸按“拉深前毛坯表面积等于拉深后零件的表面积”的原则来确定(毛坯尺寸确定还可按等体积,等重量原则)。
(2)形状相似原则拉深毛坯的形状一般与拉深件的横截面形状相似。
即零件的横截面是圆形、椭圆形时,其拉深前毛坯展开形状也基本上是圆形或椭圆形。
对于异形件拉深,其毛坯的周边轮廓必须采用光滑曲线连接,应无急剧的转折和尖角。
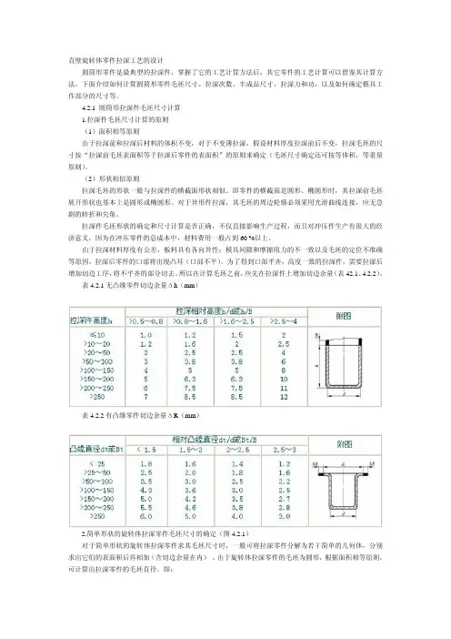
拉深件毛坯形状的确定和尺寸计算是否正确,不仅直接影响生产过程,而且对冲压件生产有很大的经济意义,因为在冲压零件的总成本中,材料费用一般占到60 %以上。
由于拉深材料厚度有公差,板料具有各向异性;模具间隙和摩擦阻力的不一致以及毛坯的定位不准确等原因,拉深后零件的口部将出现凸耳(口部不平)。
为了得到口部平齐,高度一致的拉深件,需要拉深后增加切边工序,将不平齐的部分切去。
所以在计算毛坯之前,应先在拉深件上增加切边余量(表42.1、4.2.2)。
表4.2.1无凸缘零件切边余量Δh(mm)表4.2.2有凸缘零件切边余量ΔR(mm)2.简单形状的旋转体拉深零件毛坯尺寸的确定(图4.2.1)对于简单形状的旋转体拉深零件求其毛坯尺寸时,一般可将拉深零件分解为若干简单的几何体,分别求出它们的表面积后再相加(含切边余量在内)。
由于旋转体拉深零件的毛坯为圆形,根据面积相等原则,可计算出拉深零件的毛坯直径。
即:圆筒直壁部分的表面积:(4.2.1)圆角球台部分的表面积:(4.2.2)底部表面积为:(4.2.3)图4.2.1毛坯尺寸的确定工件的总面积:则毛坯直径为:(4.2.4)(4.2.5)式中D为毛坯直径(mm);∑Ai为拉深零件各分解部分表面积的代数和(mm 2),对于各种简单形状的旋转体拉深零件毛坯直径D,可以直接按表4.2.3所列公式计算。
5.1拉深模设计实例——保护筒拉深模的设计5.1.1设计任务图5-3- 1所示是一金属保护筒,材料为08钢,材料厚度2mm,大批量生产。
要求设计该保护筒的冲压模具。
图5-3- 1 保护筒零件图5.1.2零件工艺性分析1.材料分析08钢为优质碳素结构钢,属于深拉深级别钢,具有良好的拉深成形性能。
2. 结构分析零件为一无凸缘筒形件,结构简单,底部圆角半径为R3,满足筒形拉深件底部圆角半径大于一倍料厚的要求,因此,零件具有良好的结构工艺性。
3. 精度分析零件上尺寸均为未注公差尺寸,普通拉深即可达到零件的精度要求。
5.1.3工艺方案的确定零件的生产包括落料、拉深(需计算确定拉深次数)、切边等工序,为了提高生产效率,可以考虑工序的复合,本例中采用落料与第一次拉深复合,经多次拉深成形后,由机械加工方法切边保证零件高度的生产工艺。
5.1.4 零件工艺计算1.拉深工艺计算零件的材料厚度为2mm ,所以所有计算以中径为准。
(1)确定零件修边余量 零件的相对高度63.230180=-=d h ,经查得修边余量mm h 6=∆,所以,修正后拉深件的总高应为79+6=85mm 。
(2)确定坯料尺寸D由无凸缘筒形拉深件坯料尺寸计算公式得mm105mm 456.043072.1853043056.072.142222≈⨯-⨯⨯-⨯⨯+=---=r dr dh d D (3)判断是否采用压边圈 零件的相对厚度9.11001052100=⨯=⨯D t ,经查压边圈为可用可不用的范围,为了保证零件质量,减少拉深次数,决定采用压边圈。
(4)确定拉深次数查得零件的各次极限拉深系数分别为[ m 1]=0.5,[ m 2]=0.75,[ m 3]=0.78,[ m 4]=0.8。
所以,每次拉深后筒形件的直径分别为mm 5.52mm 1055.0][11=⨯==D m d mm 38.39mm 5.5275.0][122=⨯==d m d mm 72.30mm 38.3978.0][233=⨯==d m d mm 30mm 58.24mm 72.308.0][344<=⨯==d m d由上计算可知共需4次拉深。
拉深模设计与制造实例零件简图:如图8.2.7所示。
生产批量:大批量材料:镀锌铁皮材料厚度:1mm1.冲压件工艺性分析该工件属于较典型圆筒形件拉深,形状简单对称,所有尺寸均为自由公差,对工件厚度变化也没有作要求,只是该工件作为另一零件的盖,口部尺寸φ69可稍作小些。
而工件总高度尺寸14mm可在拉深后采用修边达要求。
2.冲压工艺方案的确定该工件包括落料、拉深两个基本工序,可有以下三种工艺方案:方案一:先落料,后拉深。
采用单工序模生产。
方案二:落料-拉深复合冲压。
采用复合模生产。
方案三:拉深级进冲压。
采用级进模生产。
方案一模具结构简单,但需两道工序两副模具,生产效率低,难以满足该工件大批量生产的要求。
方案二只需一副模具,生产效率较高,尽管模具结构较方案一复杂,但由于零件的几何形状简单对称,模具制造并不困难。
方案三也只需一副模具,生产效率高,但模具结构比较复杂,送进操作不方便,加之工件尺寸偏大。
通过对上述三种方案的分析比较,该件若能一次拉深,则其冲压生产采用方案二为佳。
3.主要设计计算(1)毛坯尺寸计算根据表面积相等原则,用解析法求该零件的毛坯直径D,具体计算见表8.2.7。
(2)排样及相关计算采用有废料直排的排样方式,相关计算见表8.2.7。
查板材标准,宜选750mm×1000mm 的冷轧钢板,每张钢板可剪裁为8张条料(93mm×1000mm),每张条料可冲10个工件,故每张钢板的材料利用率为68%。
(3)成形次数的确定该工件底部有一台阶,按阶梯形件的拉深来计算,求出h/dmin=15.2/40=0.38,根据毛坯相对厚度t/D=1/90.5=1.1,查表4.4.3发现h/dmin小于表中数值,能一次拉深成形。
所以能采用落料-拉深复合冲压。
(4)冲压工序压力计算该模具拟采用正装复合模,固定卸料与推件,具体冲压力计算见表8.2.7所示。
根据冲压工艺总力计算结果并结合工件高度,初选开式双柱可倾压力机J23-25。