桥(门)式起重机主梁挠度的检测
- 格式:doc
- 大小:18.00 KB
- 文档页数:4
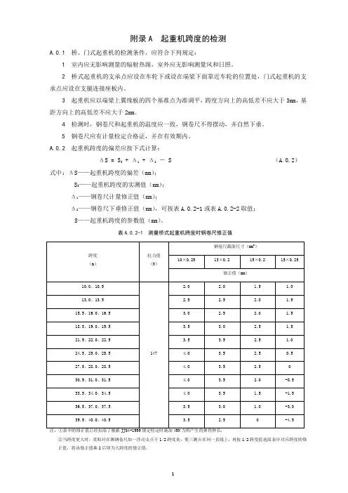
附录A 起重机跨度的检测A.0.1 桥、门式起重机的检测条件,应符合下列规定:1 室内应无影响测量的辐射热源,室外应无影响测量风和日照。
2 桥式起重机的支承点应设在车轮下或设在端梁下面靠近车轮的位置处,门式起重机的支承点应设在支腿连接座板内。
3 起重机应以端梁上翼缘板的四个基准点为准调平,跨度方向上的高低差不应大于3mm,基距方向上的高低差不应大于2mm。
4 检测时,钢卷尺和起重机的温度应一致,钢卷尺不得摆动,并自然下垂。
5 钢卷尺应有计量检定合格证,并在有效期内。
A.0.2 起重机跨度的偏差应按下式计算:ΔS =S3 + Δ1 + Δ2- S (A.0.2)式中:ΔS——起重机跨度的偏差(mm);S3——起重机跨度的实测值(mm);Δ1——钢卷尺计量修正值(mm);Δ2——钢卷尺下垂修正值(mm),可按表A.0.2-1或表A.0.2-2取值;S——起重机跨度的参数值(mm)。
表A.0.2-1 测量桥式起重机跨度时钢卷尺修正值②当跨度更大时,采取对在测钢卷尺加一浮动支点于1/2跨度处,使三测点在同一直线上,再按1/2跨度值选取表中对应跨度的修正值,将该修正值乘2后即为大跨度的修正值。
表A.0.2-2 测量门式起重机跨度时的钢卷尺修正值②当跨度更大时,采取对在测钢卷尺加一浮动支点于1/2跨度处,使三测点在同一直线上,再按1/2跨度值选取表中对应跨度的修正值,将该修正值乘2后即为大跨度的修正值。
A.0.3 起重机跨度的检测位置应符合图A.0.3-1~A.0.3-4所示的要求。
图A.0.3-1 电动单梁起重机跨度检测S3—起重机跨度的实测值图A.0.3-2 电动悬挂起重机跨度检测S3—起重机跨度的实测值图桥式起重机跨度检测S3—起重机跨度的实测值图A.0.3-4 门式起重机跨度检测S3—起重机跨度的实测值A.0.4 起重机轨道跨度的偏差应按下式计算:ΔS0 =S03 + Δ1 + Δ2 + Δ3– S0(A.0.4)式中:ΔS0——轨道跨度的偏差(mm);S03——轨道跨度的实测值(mm);Δ3——温度修正值(mm);S0——轨道跨度的参数值(mm)。
桥、门式起重机检验规程1、主梁跨中上拱度的检验(1)桥式起重机主梁跨中上拱度的检验①检验内容对桥式起重机主梁跨中上拱度进行检验。
②检验方法用直径为φ0.49-0.52mm钢丝,150N拉力按图一拉好,其位置应在主梁上盖板宽度中心。
当小车轨道铺设完时,钢丝允许偏离一段距离,但以避开轨道压板为宜。
然后在将两根等高的测量棒分别置于端梁中心处,并垂直于端梁盖板和钢丝,测量主梁在筋板处的上盖板表面与钢丝之间的距离,找出拱度最高点,该点测量值为h1,测量棒长度为h,钢丝自重修正值为Δ(见表1),则实测拱度值为F=h-h1-Δ图一拉钢丝法测量拱度示意图1.拉力150N2.滑轮3.等高测量棒4.φ0.49-0.52钢丝5.钢丝固定器表1 钢丝自重修正值起重机跨度m 10.51013.51316.51615.519.51918.522.52221.525.52524.528.52827.531.53130.534.53433.5此外,检测上拱度还可采用水准仪或激光直线仪。
水准仪法测量仪器本身精度高,可做到用一种仪器,同一放置位置测量多项指标,如大、小车轨道高低差、拱翘度等。
特别是对单梁起重机(在用)用其他方法不能测量,只能用水准仪测量。
其缺点是测量时有盲区,受支架振动影响大。
激光直线仪一般由激光器、望远镜、支座、高度位移传感器等组成。
其工作原理是把激光发射管的单色激光束射入望远镜内,经缩小发散角聚焦后,发射到接受靶(传感器)上。
测量时,将光靶置于被测位置,由位移传感器的触头跟踪激光光点,将测量信号经应变仪输入光标示波器记录,或输入微机分析计算,打印出测量数据并绘制测量曲线。
使用这种仪器,可以测量主梁上拱度、上翘度、下挠度、大小车轨道直线度、同一截面轨道高低差、小车轨道局部平面度等多项指标。
这种方法与拉钢丝测量法和水准仪测量法比较,具有不必考虑修正值、不受使用环境光线影响、支架底座容易位移等影响。
③ 检验标准 F=(10004.1~10009.0)S (mm ) 最大上拱度在跨中S/10的范围内。
桥门式起重机主梁挠度测量方法讨论与研究作者:白星许智宋真范亚辉来源:《中国科技博览》2019年第04期[摘要]综合阐述了经纬仪法、激光测距仪法在桥门式起重机主梁挠度测量中的应用,提出了运用全站仪测量桥门式起重机主梁挠度的理论。
全站仪法能够有效消除重载引起起重机承载结构的变形对挠度测量的影响,得到更为精准的测量结果。
阐述了运用全站仪法测量桥门式起重机主梁挠度的方法及计算步骤,为大型桥门式起重机、多点悬挂起重机主梁挠度的测量,提供一种更为精准的测量方法。
[关键词]挠度;全站仪;精准测量中图分类号:TH215 文献标识码:A 文章编号:1009-914X(2019)04-0046-020 引言挠度是指弯曲变形时横截面形心沿与轴线垂直方向的线位移。
起重机承载挠度是以作用在主梁的每个静轮压对主梁中部产生的挠度总和。
[1]作为桥门式起重机载荷试验的主要指标,对由于载荷重量、小车重量引起的挠度进行测量,在起重机的验收检验、安全使用、报废判定中有重要意义。
[2]《起重机械定期检验规则》及《起重机械安装改造重大修理监督检验规则》中对起重机主梁静载挠度作出明确要求:调速控制系统和定位精度根据该产品设计文件确定,对设计文件对该要求不明确的,对A1~A3级,挠度不大于S/700;对A4~A6级,挠度不大于S/800;对A7、A8级,挠度不大于S/1000;悬臂端不大于L1/350或者L2/350(S为起重机跨度,L为悬臂梁长度)。
[3][4]1 测量方法垂直静挠度测量的标准方法是拉钢丝法,但由于拉钢丝法可操作性差,因自重及风振引起的误差大等原因,在目前的实际检验操作中却很少采用。
[1]在检验工作中,测量主梁载荷挠度的方法主要有经纬仪法、激光测距仪法等。
经纬仪法,是预先在起重机主梁跨中位置的腹板上贴钢直尺,在地面利用经纬仪观察在钢直尺上选定观测基准刻度,通过计算加载前后基准点刻度值的差值,即为所测垂直静挠度。
激光测距仪法,是利用激光测距仪从固定平面向起重机主梁下翼缘板的跨中位置打点,测量计算起重机从空载及额载工况下,同一点到激光测距仪的距离变化值,则该值即为所测垂直静挠度。
桥式起重机主梁下挠变形的测量技术与方法李晓玲【摘要】Combined with practical work, this article introduces several measurement methods of the measurement of crane girder downwarping deformation in detail: wire measurement method, water level (transit) method, laser automatic quashed simple measuring method, total station measuring method and simple measuring method, etc. At the same time, the applicability and shortcomings of the methods are analyzed. A new method to test the electric single-girder crane girder downwarping deformation is proposed, and its feasibility is analyzed. It has practical significance for studying the measurement of the crane girder downwarping deformation.%本文结合实际工作,详细介绍了在测量起重机主梁下挠变形中所用到的几种测量方法:拉钢丝测量法、水准仪(经纬仪)测量法、激光自动扫平仪测量法、全站仪测量法以及简易测量法等。
同时总结、分析了各种方法的适用性和不足之处,提出了一种自创的检验电动单梁起重机主梁下挠变形的新方法,并分析比较了其可行性。
对研究测量起重机主梁下挠变形方法具有实际意义。
桥(门)式起重机定期检验大纲定期检验前,使用单位应当按《定检规则》第十一条要求做好准备工作。
B1 技术文件审查根据使用单位提供的技术文件,审查是否符合以下要求:(1)上一个周期定期检验报告,以及使用单位使用记录(包括日常使用状况记录、自行检查记录、日常维护保养记录、运行故障和事故记录等)齐全,符合规定,并且存档保管;(2)存在雷击可能的起重机械有避雷系统有效的证明。
B2 作业环境和外观检查检查桥(门)式起重机的作业环境和外观是否符合以下要求:(1)起重机明显部位标注的额定起重量标志和安全检验合格标志清晰,符合规定;(2)起重机运动部分与建筑物、设施、输电线的安全距离符合相关标准;(3)防爆起重机上的安全保护装置、电气元件、照明器材等需要采用符合防爆要求的,应当采用防爆型。
注B-1:以下各个检验内容中的所指的检查,对检查方法没有明确规定的,一律为宏观检查。
B3司机室检查对于设置司机室的桥(门)式起重机,应当检查司机室是否符合以下要求:(1)有良好的视野;(2)司机室配有灭火器和绝缘地板,各操作装置标志完好、醒目;(3)司机室的固定连接牢固,无明显缺陷,在露天工作设置防风、防雨、防晒等防护装置。
B4 金属结构检验检查是否符合以下要求:(1)主要受力构件无明显变形,发现不能满足安全技术规范及其相应标准等要求时,应当予以报废;(2)金属结构的连接焊缝无明显可见的焊接缺陷,螺栓和销轴等连接无松动,无缺件、损坏等缺陷;B5 轨道检查检查桥(门)式起重机大车、小车轨道是否存在明显松动,是否影响其运行。
B6 主要零部件检查B6.1 总的要求:对各类桥(门)式起重机的主要零部件(包括吊具、钢丝绳、滑轮、开式齿轮、车轮、卷筒、环链等),应当按照相关安全技术规范及其相应标准检查是否磨损、变形、缺损,并且判断是否达到报废要求。
另外对吊具、钢丝绳、滑轮、导绳器还应当检查是否满足以下的要求。
B6.2 吊具(1)电磁吸盘、抓斗、吊具横梁等吊具悬挂牢固可靠(适用于固定使用的);(2)吊钩按照规定设置防脱钩装置,并且有效;(3)吊钩不应当焊补,铸造起重机钩口防磨保护鞍座完整。
桥(门)式起重机主梁挠度的检测在桥(门)式起重机安全技术检验中,主梁拱度的检测是一项十分重要的内容。
JB1036-82(通用桥式起重机技术条件)中明确规定:主梁跨中上拱度F=L(0.9-1.4)/1000。
且最大拱度应控制在跨度中部的L/10范围内。
目前常用的检测方法有传统拉钢丝法和现行吊钩悬尺法,以及磁铁悬尺法。
1.1 拉钢丝法拉钢丝法要求三名检测人员必须爬到起重机的主梁上,使φ0.5mm细钢丝的一头固定于主梁的一端(钢丝通过上盖板上的等高块),另一头与主梁另一端的15kg弹簧秤相接。
然后选取测量点,测量钢丝至主梁上表面的垂直距离,再计算出拱度值。
此方法有较大的局限性和检测人员登高作业的危险性,仅应用于部分箱形双梁桥式起重机主梁拱度的检测,而不适合单梁桥(门)式起重机以及带裙板的箱形双梁桥式起重机主梁拱度的检测。
1.2 吊钩悬尺法吊钩悬尺法是将300mm钢板尺倒挂在吊钩上,开动小车(电动葫芦)沿着工字钢轨道运行,通过架设在地面上的水准仪,依次测取主梁各点的标高值。
然后计算出其拱度值。
这种测量方法误差大,有时可能会得出相反的结果。
影响测量精度的因素是:小车行走轮半径误差和轨道踏面形状误差以及小车三条腿等都会直接反映在标高值上,致使测取的标高值不真实,最后计算出的拱度值便不准确了。
1.3 磁铁悬尺法磁铁悬尺法是用一根0.5m的细钢丝,一端固定在磁铁上,另一端固定于一个0.5kg的重锤。
在细钢丝上安装一个可以调节位置的300mm钢板尺,用一根专用绝缘杆将磁铁吸附于主梁下盖板或工字钢轨道的下表面上。
然后选取主梁两端和梁中三个测量点,通过架设在地面上的水准仪读取被磁铁悬挂标尺上的数值,从而计算出主梁跨中的拱度值。
即主梁跨中拱度值=跨中标高值-1/2(较高端跨端标高值+较底端跨端标高值)。
钢板尺正向固定于细钢丝上,测得结果是正值时为上拱,反之为下挠。
利用此法可检测各种型式起重机主梁拱度,方法简捷,结果准确,省时省力。
桥(门)式起重机主梁挠度的检测在桥(门)式起重机安全技术检验中,主梁拱度的检测是一项十分重要的内容。
JB1036-82(通用桥式起重机技术条件)中明确规定:主梁跨中上拱度F=L(0.9-1.4)/1000。
且最大拱度应控制在跨度中部的L/10范围内。
目前常用的检测方法有传统拉钢丝法和现行吊钩悬尺法,以及磁铁悬尺法。
1.1 拉钢丝法拉钢丝法要求三名检测人员必须爬到起重机的主梁上,使φ0.5mm细钢丝的一头固定于主梁的一端(钢丝通过上盖板上的等高块),另一头与主梁另一端的15kg弹簧秤相接。
然后选取测量点,测量钢丝至主梁上表面的垂直距离,再计算出拱度值。
此方法有较大的局限性和检测人员登高作业的危险性,仅应用于部分箱形双梁桥式起重机主梁拱度的检测,而不适合单梁桥(门)式起重机以及带裙板的箱形双梁桥式起重机主梁拱度的检测。
1.2 吊钩悬尺法吊钩悬尺法是将300mm钢板尺倒挂在吊钩上,开动小车(电动葫芦)沿着工字钢轨道运行,通过架设在地面上的水准仪,依次测取主梁各点的标高值。
然后计算出其拱度值。
这种测量方法误差大,有时可能会得出相反的结果。
影响测量精度的因素是:小车行走轮半径误差和轨道踏面形状误差以及小车三条腿等都会直接反映在标高值上,致使测取的标高值不真实,最后计算出的拱度值便不准确了。
1.3 磁铁悬尺法磁铁悬尺法是用一根0.5m的细钢丝,一端固定在磁铁上,另一端固定于一个0.5kg的重锤。
在细钢丝上安装一个可以调节位置的300mm钢板尺,用一根专用绝缘杆将磁铁吸附于主梁下盖板或工字钢轨道的下表面上。
然后选取主梁两端和梁中三个测量点,通过架设在地面上的水准仪读取被磁铁悬挂标尺上的数值,从而计算出主梁跨中的拱度值。
即主梁跨中拱度值=跨中标高值-1/2(较高端跨端标高值+较底端跨端标高值)。
钢板尺正向固定于细钢丝上,测得结果是正值时为上拱,反之为下挠。
利用此法可检测各种型式起重机主梁拱度,方法简捷,结果准确,省时省力。
第3期机电技术47桥式起重机主梁挠度和强度有限元分析柳柏魁'禹杰$(1.福建省特种设备检验研究院漳州分院,福建漳州363000;2.福州大学,福建福州35OOOO)摘要:以某厂LD20-23.05A3D电动单梁桥式起重机为研究对象,采用试验与仿真计算相结合的方式来分析桥式起重机主梁的静挠度;结果表明,实测值与仿真结果均小于起重机安全标准,而且两者误差较小,验证了仿真计算的准确性。
通过模拟起升额定载荷以及起升125倍额定载荷,对主梁的强度进行有限元分析;结果表明,起重机主梁的最大Mises等效应力值均小于材料的屈服强度,不会发生永久性变形。
基于仿真分析结果,寻找主梁的结构的薄弱点,并通过适当增加工字钢和加强钢板的厚度,达到提高起重机刚度、改善局部受力的目的。
关键词:桥式起重机;仿真;静挠度;强度中图分类号:TH215文献标识码:A文章编号:1672-4801(2019)03-047-03001:10.19508/ki.l672-4801.2019.03.014桥式起重机是一种重要的起重设备,广泛运用于工业运输,其起重载荷大、工作环境恶劣。
起重机作业过程中某一环节出现问题,都会导致作业中断,从而影响工程进度,造成巨大的经济损失,严重时还会引发结构失效、主梁断裂等一系列事故,造成人身伤亡。
所以有必要对桥式起重机主梁的挠度和强度进行分析,验证其是否符合安全使用要求。
采用传统的理论计算方法对起重机进行结构分析叫需要将起重机简化为简支梁;但是桥式起重机主梁内部加强板分布复杂,所以理论计算结果不是很准确。
有限元方法通过建立模型可以处理复杂的内部结构,且计算结果较为理想。
本文借助有限元分析软件对某厂LD20-23.O5A3D电动单梁桥式起重机主梁进行挠度和强度分析,并对桥式起重机的结构优化提出了意见和建议。
1桥式起重机主梁静挠度的测量试验本文以某厂LD20-23.05A3D电动单梁桥式起重机为研究对象;其工作等级为A3,额定载重量为20t,跨度为23.05m。
桥、门式起重机检验规程1、主梁跨中上拱度的检验(1)桥式起重机主梁跨中上拱度的检验①检验内容对桥式起重机主梁跨中上拱度进行检验。
②检验方法用直径为φ钢丝,150N拉力按图一拉好,其位置应在主梁上盖板宽度中心。
当小车轨道铺设完时,钢丝允许偏离一段距离,但以避开轨道压板为宜。
然后在将两根等高的测量棒分别置于端梁中心处,并垂直于端梁盖板和钢丝,测量主梁在筋板处的上盖板表面与钢丝之间的距离,找出拱度最高点,该点测量值为h1,测量棒长度为h,钢丝自重修正值为Δ(见表1),则实测拱度值为F=h-h1-Δ图一拉钢丝法测量拱度示意图1.拉力150N2.滑轮3.等高测量棒4.φ此外,检测上拱度还可采用水准仪或激光直线仪。
水准仪法测量仪器本身精度高,可做到用一种仪器,同一放置位置测量多项指标,如大、小车轨道高低差、拱翘度等。
特别是对单梁起重机(在用)用其他方法不能测量,只能用水准仪测量。
其缺点是测量时有盲区,受支架振动影响大。
激光直线仪一般由激光器、望远镜、支座、高度位移传感器等组成。
其工作原理是把激光发射管的单色激光束射入望远镜内,经缩小发散角聚焦后,发射到接受靶(传感器)上。
测量时,将光靶置于被测位置,由位移传感器的触头跟踪激光光点,将测量信号经应变仪输入光标示波器记录,或输入微机分析计算,打印出测量数据并绘制测量曲线。
使用这种仪器,可以测量主梁上拱度、上翘度、下挠度、大小车轨道直线度、同一截面轨道高低差、小车轨道局部平面度等多项指标。
这种方法与拉钢丝测量法和水准仪测量法比较,具有不必考虑修正值、不受使用环境光线影响、支架底座容易位移等影响。
③ 检验标准F=(10004.1~10009.0)S (mm ) 最大上拱度在跨中S/10的范围内。
(2)门式起重机主梁跨中上拱度的检验 ①检验内容对门式起重机主梁跨中的上拱度进行检验 ②检验方法用垫架将主梁垫平,使两端座板处上盖板的标高相互差Δh ≤2mm 。
如果是双主梁结构,垫架应置于主梁座板正下方,如图2所示。
桥门式起重机检验规程文件编号:EJGS/W-J-MGQD-03受控标识:编制:审核:批准:2013年1月发布2013年1月实施目录一、桥门式起重机检验规程 1二、金属结构部分 4三、机械加工部分16四、热处理部分23五、装配部分25六、起重机油漆36七、起重机整机性能试验37八、起重机包装40九、电气生产过程检验规程41一、桥门式起重机检验规程1、检测量具必须经鉴定合格后方可使用,根据起重机行业对各2、桥式机所用的原材料进厂时,采购部门应将材质报告书(或合格证明)送技术质管部检验,经检验合格后方可进仓,并做好检验记录3、外购件检验:a.外购件进厂时,必须由质检员检验合格后,才能进仓,不合格的外购件,应由供应部门退货。
b.带有产品技术参数的外购件,供应部应提供产品说明书,合格证有关技术参数资料,供质检员检验。
c.特殊的配套外购件,必须提供配套清单或图样,才能进行检验。
d.其余按公司技术标准及有关规定处理。
4、外协件检验a.重要的金属结构部件(主梁、端梁、小车架),原则上不予外协加工,只能在公司内生产,以利质量控制。
b. 外协件的进厂检验前,外协厂家必须提供对构件检测的检验单,以利公司质检部质检人员进行复检。
对合格的可进仓,不合格的退回原外协件厂家。
c. 外协件的进厂检验,零部件应以工作图上所有完工为依据,并除锈,涂装两道底漆。
(另有约定要求除外)d. 其余按公司技术标准和有关规定处理。
5、金属结构非加工表面,检验使用测量单位均匀为0.5mm,不足部分超过部分按0.5mm递增(特殊规定除外),其允许误差为0.5mm。
6、测量粗糙度采用粗糙度样板与实物对比来确定,未达样板要求,视为样板定义的下一级。
7、钢卷尺测量检验产品,由于视觉原因及环境因素的影响,允许误差1mm。
8、检测时被测产品(零件)与量器具温度一致,零件热态时,不作测量。
9、机加工件的机加工平面损伤,下降2倍的粗糙度值,按不合格处理。
10、金属结构非加工表面,检验测量允许误差为0.5mm。
桥(门)式起重机主梁挠度的检测
在桥(门)式起重机安全技术检验中,主梁拱度的检测是一项十分重要的内容。
JB1036-82(通用桥式起重机技术条件)中明确规定:主梁跨中上拱度F=L(0.9-1.4)/1000。
且最大拱度应控制在跨度中部的L/10范围内。
目前常用的检测方法有传统拉钢丝法和现行吊钩悬尺法,以及磁铁悬尺法。
1.1 拉钢丝法
拉钢丝法要求三名检测人员必须爬到起重机的主梁上,使φ0.5mm细钢丝的一头固定于主梁的一端(钢丝通过上盖板上的等高块),另一头与主梁另一端的15kg弹簧秤相接。
然后选取测量点,测量钢丝至主梁上表面的垂直距离,再计算出拱度值。
此方法有较大的局限性和检测人员登高作业的危险性,仅应用于部分箱形双梁桥式起重机主梁拱度的检测,而不适合单梁桥(门)式起重机以及带裙板的箱形双梁桥式起重机主梁拱度的检测。
1.2吊钩悬尺法ﻫ吊钩悬尺法是将300mm钢板尺倒挂在吊钩上,开动小车(电动葫芦)沿着工字钢轨道运行,通过架设在地面上的水准仪,依次测取主梁各点的标高值。
然后计算出其拱度值。
这种测量方法误差大,有时可能会得出相反的结果。
影响测量精度的因素是:小车行走轮半径误差和轨道踏面形状误差以及小车三条腿等都会直接反映在标高值上,致使测取的标高值不真实,最后计算出的拱度值便不准确了。
1.3 磁铁悬尺法
磁铁悬尺法是用一根0.5m的细钢丝,一端固定在磁铁上,另一端固定于一个0.5kg的重锤。
在细钢丝上安装一个可以调节位置的300mm钢板尺,用一根专用绝缘杆将磁铁吸附于主梁下盖板或工字钢轨道的下表面上。
然后选取主梁两端和梁中三个测量点,通过架设在地面上的水准仪读取被磁铁悬挂标尺上的数值,从而计算出主梁跨中的拱度值。
即主梁跨中拱度值=跨中标高值-1/2(较高端跨端标高值+较底端跨端标高值)。
钢板尺正向固定于细钢丝上,测得结果是正值时为上拱,反之为下挠。
利用此法
2桥(门)可检测各种型式起重机主梁拱度,方法简捷,结果准确,省时省力。
ﻫ
式起重机主梁变形的矫正方法ﻫ桥(门)式起重机主梁在自重和载荷作用下会产生弹性下挠变形,给承载小车增加运行阻力。
为了补偿主梁的下挠变形,设计
要求将主梁做成有拱度的梁。
因此上拱度是起重机主梁设计与制造中的主要问题,必须保证其规定的上拱值,不得过大或过小。
但桥(门)式起重机的主梁在制造和使用过程中,都会产生不同程度的永久变形。
例如:主梁在制造过程中,由于主梁下料拱翘值预留量的不合理、气温的影响、焊接工艺的实施误差等因素的影响,主梁焊接后其拱度、翘度、水平旁弯及腹板的垂直度(主梁扭曲变形)等不一定都符合要求,此时需要对主梁进行矫正;当一台桥式起重机的两片主梁在同一截面高度不一致时,也需要进行矫正。
起重机在使用过程中,由于主梁刚性不足、长期满负载工作或起重机工作环境恶劣等诸因素影响,也会使主梁产生永久变形。
当拱、翘值降到一定程度时,就必须进行修理矫正。
按国标G136067-85(起重机械安全规程)中1、4、10条的规定:“对于一般桥式类型起重机,当小车处于跨中并且在额定载荷下,主梁跨中的下挠值在水平线下、达到跨度的1/700时,如不能修复,应报废。
”ﻫ综上所述,桥(门)式起重机在制造和使用过程中,主梁的矫正是必不可少的。
采取什么方法进行矫正,将直接影响到起重机主梁变形的矫正效果、矫正费用、主梁外观质量及起重机的安全使用等。
因此,合理正确的矫正方法至关重要,不可忽视。
目前,主梁变形的矫正方法有“火焰矫正法”、“预应力法”、“重复施焊法”、“切割法”及“局部切垫法”等,具体采用什么方法,要看情况而定。
只有掌握各种方法的特点、适用范围等才能正确、合理地选择矫正方案,取得较为理想的矫正效果。
ﻫ 2.1火焰矫正法ﻫ火焰矫正法的原理是在金属结构上局部加热,使金属结构的某些部位被“塑性压缩”,冷却后由残余的局部收缩应力达到矫正变形的目的。
主梁拱翘矫正的加热区见图1。
ﻫ图1主梁拱翘矫正的加热区
拱度不足时加热板下侧三角区及下盖板矩形区,翘度不足时加热悬臂腹板上侧三角形区及上盖板矩形区。
烤点的大小和烤点的多少及位置,要根据变形的具
1)最适合的加热温度为700-800℃,体情况制定。
但必须注意以下几点:ﻫ
加热温度不应过高或过低。
因为加热到此段温度时金属(低碳钢)的屈服极限趋进于零,金属处于“热碳钢”状态,矫正效果最好。
ﻫ 2)同一位置不能重复加热。
否则不但效果不好,对金属的金相组织也有损害。
3)加热点应放在隔板处,可减小腹板的波浪度。
4)加热点应避开危险截面。
经加热矫正后烤点部位应力加大,因此危险截面的负荷应力也加大,容易使矫正变形失效。
ﻫ5)主梁变形后主梁应加固。
因为矫正后主梁应力很大,再加上多年使用,金属材料逐渐疲劳,刚性不足。
如不加固,不但矫正效果保持不住,反而变形会更加严重。
一般加固的方法是在主梁跨度内下盖板两侧用槽钢做腹板,再加一层下盖板,以增加主梁断面。
火焰矫正法的优点是:矫正效果较好,特别是有较硬的弯处也起作用;施工工艺也较为简单。
因此,火焰矫正法被广泛应用。
但这种矫正方法也有以下不足之处:在火焰矫正时,为产生“压塑”效果,须将主梁矫正部位顶起(使烤区受压应力),否则无效果,这样就增加了施工的难度;尽管火焰加热在隔板处,仍能造成腹板及盖板较大的波浪度;火焰矫正后须将主梁加固,否则,将产生更严重的变形。
ﻫ鉴于以上分析,一般情况下(除局部矫正硬弯外),不主张采用火焰矫正法。
但是,大型工字钢、槽钢等的调直以及作反变形时,用火焰矫正法最理想。
既不用大型压力机,又不需要太宽敞的场地。
根据型钢弯曲的程度,适当的选几个烤点,立面烤三角形、平面烤矩形。
烤点大小、多少根据变形程度决定,可立即调好,既省力又快。
ﻫ
2.2预应力法ﻫ预应力法矫正主梁下挠的原理是,在主梁的下盖板两端通过固定支座,用预应力张拉多根钢筋或钢丝绳,使主梁受到一个弯矩(主梁上半部受拉应力,下半部受压应力),在这弯矩作用下主梁恢复上供(工装结构见图2)。
当主梁承受载荷作用时,工作压力恰好和钢筋预应力相反,这样钢筋预应力就可以抵消部分工作压应力,从而提高了主梁的负载能力。
ﻫ
图2预应力法工装结构
预应力法是一种主梁下挠矫正的有效方法,它具有以下优点:矫正后上拱值准确而稳定,根据运用中的变化还可以随时调整;矫正后主梁的强度和刚度能得到加强;矫正工艺简单,周期短,费用低等。
但它有以下不足:只适用于桥(门)式起重机箱形主梁拱度下挠的矫正,不适宜主梁的水平弯及局部变形,门式起重机悬臂的翘度矫正等不能采用;矫正后的外形不美观等。
ﻫ起重机有如下情况时,采用预应力法最为适合:运用多年的起重机;主梁刚性不足,承载能力差;起重机长期满负载工作;工作环境恶劣等。
ﻫ 2.3 重复施焊法ﻫ重复施焊法
的原理是,将主梁焊缝用大电流重复施焊的方法,用产生的焊接变形来矫正原变形。
如须增加主梁的拱度时,在主梁的下盖板与腹板的两条角焊缝重复施焊。
由于焊缝冷却收缩,产生的应力使上拱增大。
如须减小水平旁弯时,在凸面腹板与上下盖板的两条角焊缝重复施焊,就可以减小水平旁弯。
施焊的电流、重复施焊的长度,要根据矫正的程度而定。
避免超过,再反向矫正。
实践证明,这种矫正方法最优,准确有效、变形平滑,又不会带来外观缺陷。
这种方法用于拱翘值的矫正、水平旁弯的矫正及桥式起重机两片主梁同一截面高低差偏大的矫正等更具有实用、经济、简单、质好、速快等优点。
但对主梁某处有硬弯、长期使用后主梁刚性不足有较大变形等不适用。
ﻫ 2.4 切割法ﻫ在某些情况下可以利用主梁自重对拱翘度的影响。
对主梁的上盖板进行切割处理,使切割部位主梁的截面抗弯模数减小、主梁的抗弯能力减弱,在主梁自重的作用下产生机械变形,跨中上拱值减小,悬臂端上翘值增大。
采用此方案比较容易控制整个修正过程及变形量的大小,但需要注意的是,切割部位周围的主、副腹板由于主梁沿垂直于腹板方向的轴旋转变形,可能造成腹板波浪超差,必须加以防止。
ﻫ实践证明,切割法操作简单、易控制,在主梁经过永久变形后一般能较好地保持其原有的技术数据,不会因时效的缘故在内应力或热变形释放后引起技术参数的较大变动。
因此,切割法在主梁拱翘度超差较大时是一种较好的新造主梁修正方法。
此种方法也可用于修正悬臂过高(跨内合格)、跨内过高(悬臂合格)或其他的一些上拱上翘方面的缺陷,只要悬空支撑主梁时选择不同支撑位置、选取不同的切割部位就能达到预定的目的。
必须注意的是,校正量较大时一定要注意采取工艺措施,以防止腹板变形。
除了以上四种方法外,其他如局部加热法等不再详述。
总之,各种矫正方法的选用,必须经过对需矫正设备的具体情况作全面认真的分析,决定采取哪种方案或是将几种方案结合使用,用最短的周期、最低的费用完成主梁变形的矫正,并取得最佳的效果。