主变有载调压说明书
- 格式:doc
- 大小:256.00 KB
- 文档页数:16
ABB干式变压器有载调压控制器说明书一、产品概述变压器有载分接开关,是一种为变压器在负载变化时,提供恒定电压的开关装置。
其基本原理是在保证不中断负载电流的情况下,实现变压器绕组中分接头之间的切换,从而改变绕组的匝数,即变压器的变比,最终实现调压的目的。
有载分接开关承担着带负载变更分接位置的任务,在运行中承受着电气和机械的双重考验,因此对分接开关的定期检修,对能否确保安全运行是十分重要的。
由于目前国内的变压器检修大部分是在停电状态下进行,而且分接档位大部分是十几个到二十几个,通过手动方式变换十几个或二十几个分接档位来满足测试条件,具有以下问题:1、有载分接开关每调节一个分接档位,需要手动转动操作机构几十圈,而且有的手动操作机构很沉,连续手动变换十几个或二十几个分接档位,操作机构要转几百圈,劳动强度非常大,很多工作人员操作完一台变压器后会累的胳膊酸疼。
2、操作机构位置比较高,人站在地面操作不方便。
3、手动调节过程中速度不匀,可能影响测试数据。
4、在调节过程中必须两个人,一位操作仪器,一位调节分接开关。
而且得通过喊话来确认调解开始和结束时间、调节档位、向上调节还是向下调节。
为了解决以上问题,本公司经过对变压器厂及变电站现场调研试验,研制出了本款带遥控、遥视的有载分接开关调压控制器。
二、功能特点本仪器可在停电状态下,对有载分接开关进行档位调节,实现快速,匀速调节档位,满足变压器各种试验的需要;测试时本仪器显示屏显示有载分接开关所在的档位,有载分解开关的调节过程和进度;仪器采用高清摄像头进行采样,高分辨率高清航拍雪花屏显示器显示,操作简便;仪器采用交直流两种工作方式供电,仪器内置大容量锂电池,在不用外接电源的情况下,可连续调节多台变压器有载分接开关;仪器试验电源具有过流保护功能:电源输出短路不会损坏仪器;本仪器还有自动识别分接位置功能,实现每个档位调节的自动停止功能。
110kv 马泰壕变电站设备型号说明 一、主变压器额定容量:25/25MVA 额定电压:110/10.5Kv分接范围:110±(8x1.25%)/10.5kV 额定电流:131.2/1374.6A 连接组别:YNd11 额定频率:50Hz 相数:3 冷却方式:ONAN [1、油浸自冷(ONAN); 2、油浸风冷(ONAF); 3、强迫油循环风冷(OFAF); 4、强迫油循环水冷(OFWF);5、强迫导向油循环风冷(ODAF);6、强迫导向油循环水冷ODWF) ]。
绝缘水平:h.v.线路端子 LI/AC 480/200KV h.v.中性点端子 LI/AC 325/140KV l.v. 线路端子 LI/AC 75/35KV 二、主变试验项目1、电压比测量及联结组别标号检定;(变比测试仪)2、绕组电阻测量;(电阻测试仪)3、绝缘电阻、电容、介损测量、外施耐压试验;4、空载电流、空载损耗;5、负载损耗、阻抗电压测量;6、雷电冲击试验;7、感应耐压试验;8、声级测定;9、空载电流电压谐波; 10、零序阻抗;11、油试验、密封试验、有载分接开关试验; 三、主变使用说明1、安装及装配注意事项1.1装水银温度计、温度指示控制器,在安装的同时要将温度计座内注入变压器油,油量要能完全侵泡温包,以保证温度计反应准确。
1.2有密封胶条的法兰安装时,螺栓要均匀施力,使得密封条均匀受力。
1.3变压器注油时所有放气塞必须打开,冒油是再密封好。
1.4注入变压器油后,将散热器、气体继电器、套管(密封式套管除外)、观察窗、高压套管一次侧额定电压110KV 额定容量25000 损耗等级10 有载调压 三相升高座等的放气塞密封好,并检查所有密封面,检查其是否有渗油现象,并再次放出气体继电器内的气体。
在补注变压器油时,须注意补充变压器油的型号、产地或油基应与变压器主体内油相同并检查合格。
不同型号、产地或油基的变压器油一般不得混合使用,若必须混合使用时,须经混油试验合格后,方可使用。
500kV变电站有载调压有载调压5.1.本站有载调压操作办法:1.主动调压:由核算机监控体系根据220kV母线电压值作为调度方针和参看值进行主动升、降压操控。
2.远方同进程压:在操控室内操控,#1主变和#2主变同进程压。
3.远方独自调压:在操控室内操控,#1、#2主变独自调压。
4.现场电气调压操作:(一般在主变修补状况下用于检查、修补和实验)(1)在现场对每相变压器进行电气调压操作;(2)在现场的变压器操控柜内,对三相变压器进行同步电气调压操作;5.现场手动操作:在现场对每相变压器可独自进行人工手摇操作,一般主变在修补状况下用于检查、修补和实验,手动操作前有必要堵截有载调压设备电源Q1和F1。
6.正常作业状况下,只能选用远方同进程压或远方独自调压办法,选用远方独自调压办法在作业中进行有载调压时,主变之间的档位相差不能跨过一档。
电动操作失效(失灵)时可选用现场手动操作,此刻有必要留神三相变压器相间和主变间相差不能跨过一档,须逐相逐档手动操作。
7.主控屏有载调压操作办法的挑选挑选开关2CK方位自着手动停操作办法远方主动调压远方同步或独自调压现场电气或手动调压8.容许的工频过电压作业时刻:作业办法过电压倍数容许作业时刻满负荷1.2150秒1.120分钟1.05继续空载1.45秒1.31分钟1.2非常钟1.1继续5.2.有载调压闭锁:满意下列条件之一,即闭锁主变有载调压:1.主变过负荷;公共绕组电流跨过十00A;2.远方调压或就地电气调压时,任一相失步;3.变高侧刀闸或断路器在电气上处于开断状况;5.3.#1主变有载调压滤油:1.主动滤油:每相主变本体均有一个有载调压滤油柜,合上柜内端子箱内的开关MB01,则每次抽头调整的进程中会主动起动滤油泵对有载调压本体油进行过滤,调压接连会主动接连滤油。
此外,每隔24小时滤油泵会主动主张一次进行滤油,必定延时后主动接连。
2.手动滤油:按下柜内主翻开关,则会起动滤油泵进行滤油直至主动接连。
有载调压开关检修作业指导书1 目的为规范电力变压器有载调压开关检修的工作人员的作业程序,确保检修质量达到规定标准,结合广西电力系统多年来的有载调压开关检修经验,制定本作业指导书。
2 适用范围适用于电力变压器有载调压开关检修的过程指导。
3 规范性引用文件DL/408-91 电业安全工作规程DL/T574-95 有载调压开关检修导则ISO14001-1996环境管理体系规范及使用指南ISO9000-2000 质量管理体系基础和术语ISO9001-2000 质量管理体系要求GB/T 1-1—2000 标准化工作导则GB/T28001-2001 职业健康安全管理体系规范DL/T600-1996 电力标准编写的基本规定中电联技经[2002]12号文电力建设工程预算定额第三册电气设备安装工程(2002年版)4技术术语逐级分接变换:不管指令的发出方式如何,在一个指令发出之后,都只能可靠地完成一个分接变换。
连动:发出一个指令,失控地连续完成一个以上分接变换。
5安全措施5.1安全注意事项5.1.1 认真执行安全规程及工作票所列安全注意事项。
5.1.2 使用低压电源及直流时,做好防止短路及人身触电措施。
5.1.3 工作现场保持清洁,不准吸烟。
5.1.4 进入现场必须穿工作服、绝缘鞋、戴安全帽、高处作业必须系安全带。
5.1.5 严禁上下抛掷工、器具。
5.1.6 必要时采取防静电感应地措施。
5.1.7 起重工作应分工明确,专人指挥,并有统一信号。
5.1.8 起重前应先拆除影响起重工作的各种连接。
5.1.9 起吊时钢丝绳的夹角不应大于60度,否则应采用专用吊具或调整钢丝绳套。
5.1.10 起吊或降落速度应均匀,掌握好重心,防止倾斜。
5.1.11 吊车起重时,应检查支撑稳定性,注意起重臂伸张的角度、回转范围与邻近带电设备的安全距离,并设专人监护。
5.2 危险点及控制措施(见表1)表1 危险点及控制措施序号作业内容危险点控制措施制订依据一吊装有载调压开关作业人员从器身顶部掉下1)在器身顶部作业的人员必须使用安全带。
YK-3有载分接开关自动控制器(7 档)使用说明书贵州长征电器股份有限公司高压电器事业部(长征电器一厂)1.概述1.1主要用途YK-3 有载分接开关自动控制器(以下简称控制器)主要用来控制35KV 有载调压分接开关与有载调压变压器组成自动调压系统。
控制器能与国内绝大多数开关生产厂家产品兼容,可作为升级换代产品使用。
1.2适用范围控制器作为一种自动控制装置通过有载分接开关附带的电动操作机构来控制有载分接开关的切换操作,实现有载调压的自动控制。
控制器可通过轻触按键进行整定电压、调压精度、延时时间、单元地址等参数的设置。
控制器可显示取样电压、操作次数及分接位置。
控制器设有欠电压保护、过电流闭锁功能,以确保有载分接开关的安全操作。
控制器具有防滑档功能,一个操作指令开关动作且只动作一档。
确保有载调压的安全进行。
控制器有着完善的接口:A )触点方式:位置信号输出可以是BCD 码或者一一对应的无源触点(通过控制器内拨码开关选择)。
远动信号可通过常开无源触点输入。
综合自动化系统通过上述触点实现有载分接开关的远端监视与控制。
B)RS485 通讯接口:综合自动化系统通过该接口可对控制器(仅限于工作在单独模式下)进行遥控、遥测、遥信,实现有载分接开关的无触点的远端监视与控制。
控制器通过RS485 通讯接口,可实现无需上位机干预的任意台有载开关并联运行。
(常规配置无此功能,若需要请在定货时说明)2.工作环境2.1周围空气温度不低于-10C,不高于+40C; 2.2空气相对湿度不大于85%;2.3海拔高度不大于2000m;2 .4无显著振动和冲击场所;2.5无爆炸危险的介质,周围介质不含有腐蚀金属及破坏绝缘的气体或导电尘埃;2.6无雨雪侵蚀的场所。
3.外形及安装尺寸4.1 额定参数 4.1.1 电源电压:4.1.2 额定频率: 4.1.3 取样电压:3.1 安装尺寸见下图。
3.2 外形尺寸见下图:4 主要技术参数控制器采用金属机箱,外形美观大方,且为内部电路提供了电磁屏蔽良好的 工作环境;控制器控制单元为8位MCU 并采用了薄膜面板和轻触按键,用户可 在面板上通过轻触按键进行参数设置及手动操作,由于参数设置及显示均数字 化,因此,参数设置方便、快捷、准确、直观,人机对话界面好。
10kv有载调压变压器说明书一、产品概述10kv有载调压变压器是一种可以在不停电的情况下,根据实际需求进行电压调节的变压器。
它广泛应用于电力系统、工业生产和科研实验等领域,是保障电力稳定供应的重要设备。
二、使用条件1.电源电压:10kv。
2.环境温度:-20℃至+40℃。
3.相对湿度:≤90%。
4.无腐蚀性气体、无导电尘埃、无剧烈震动。
三、工作原理10kv有载调压变压器通过有载分接开关,在保证不间断供电的情况下,调节一次侧线圈的匝数,从而改变二次侧的电压。
有载分接开关采用过渡电阻限制切换时的电流,以减小对电网的冲击。
四、主要技术参数1.额定容量:根据实际需求选择。
2.额定电压:10kv。
3.额定电流:根据实际需求选择。
4.阻抗电压:≤6%。
5.调压范围:根据实际需求选择。
五、结构特点1.变压器主体采用优质绝缘材料和先进的制造工艺,保证了产品的电气性能和机械强度。
2.有载分接开关采用进口品牌,保证了调节的准确性和稳定性。
3.变压器设有温度保护装置,当温度超过设定值时,会自动切断电源,防止设备损坏。
4.产品外观采用防腐处理,适应各种恶劣环境。
六、安全操作规程1.操作前应检查变压器是否正常,确认无异常声音和气味。
2.操作时应先断开电源,然后进行电压调节。
调节过程中应观察有载分接开关的位置和电压电流的变化,确保调节准确。
3.操作完成后应检查变压器是否工作正常,如有问题应立即停止使用并联系专业人员进行检修。
七、保养与维护1.定期检查变压器是否有异常声音、气味或发热现象。
2.定期清理变压器周围的灰尘和杂物,保持清洁。
3.定期检查变压器油位是否正常,如油位过低应及时补充。
4.定期进行变压器的预防性试验,确保其性能正常。
5.保持设备良好的通风和散热环境,避免过热。
八、常见问题与解决方案1.变压器过热:可能是由于变压器过载、通风不良或线圈故障引起。
解决方案是调整负载、清理通风口或检查并修复线圈。
2.变压器噪声:可能是由于内部零件松动或变压器不平衡引起。
66kV、110kV级有载调压电力变压器安装使用说明书目录1.变压器型号说明2. 适用范围3. 变压器主体的起吊4. 运输5. 验收6. 存放7. 安装前的工作8. 现场干燥处理9. 总体复装10. 注油11. 补油、静放及密封试验12. 变压器外表面清理及补漆13. 变压器投运前的检查14. 变压器投入运行前的各项试验15. 运行与维护1 变压器型号说明S F S Z□ - □ / □高压电压等级(kV)额定容量(kV A)性能水平代号调压方式:有载调压绕组数:有表示三绕组,无表示双绕组冷却方式:有表示风冷,无表示自冷三相2适用范围本说明书作为66kV、110kV级油浸有载调压电力变压器(以下简称变压器)安装使用方面的通用性技术指导文件,不包括由于产品具体结构而确定的特殊部分(此部分见产品的补充安装使用说明书),本说明书中的内容只包括变压器本体部分,各组件、部件有单独的安装使用说明书,相关文件代号请查阅《出厂技术文件目录》。
产品在进行运输、安装、检修等项目之前,必须详细阅读本说明书及有关的组部件安装使用说明书。
若在实际工作中涉及到说明书中未详尽说明的内容或资料,应及时与制造厂联系。
对于不合理操作所引起的设备损害应由用户自己负责。
3 变压器主体的起吊主体起吊时应按变压器总装配图的要求,使用油箱上设置的全部吊轴,而且钢丝绳与垂线间的夹角不得大于30°,起吊时高度尺寸见变压器的总装配图。
油箱下部设有千斤顶支架,使用时,所有千斤顶支架必须同时均匀受力,使其同步起升。
4 运输4.1变压器的主体运输应按运输尺寸图的要求采用带油运输方式或充氮运输方式。
4.1.1采用带油运输方式时,变压器油箱内注入合格的变压器油,油面高度应保证铁心全部浸在油中,不得有渗漏油现象。
4.1.2采用充氮运输时,本体在发运前将油箱内的油排尽,与此同时向油箱内注入纯度大于99%,露点不高于-30℃的纯氮气,其压力应在20kPa-30kPa之间。
1.维护内容和要求(1)有载分接开关投运前,应对油枕进行检查,其油位应正常,应无渗漏油,控制箱要防潮良好。
手动操作一个循环(即升降一个周期),档位指示器与计数器应正确动作,极限位置的闭锁应可靠,手动与电动控制的联锁也应可靠。
(2)有载分接开关的瓦斯保护,重瓦斯投入跳闸,轻瓦斯发信号。
这跟变压器本体的瓦斯保护要求一样。
我们通常称本体的瓦斯继电器为"大瓦斯",称有载分接开关的瓦斯继电器为"小瓦斯"。
瓦斯继电器应安装在运行中便于安全放气的位置。
新投运的有载分接开关瓦斯继电器安装后,运行人员有必要时(筒体内有气体)应适时放气。
(3)有载分接开关的电动控制应正确无误,电源可*,各接线端子接触良好。
驱动电动机转动正常,转向正确,其熔断器额定电流按电动机额定电流的2~2.5倍配置。
(4)有载分接开关的电力控制回路,安装在控制屏上的电动操作按钮,与安装在变压器本体上的有载分接开关控制箱上的按钮应完好,电源指示灯和档位指示器应完好,极限位置的电气闭锁应可*。
(5)有载分接开关的电动控制回路应设置电流闭锁装置,其整定值为主变压器额定电流的1.2倍,电流继电器返回系数大于或等于0.9。
当采用自动调压时,主变控制屏上必须有动作记数器,自动电压调节器的电压互感器二次断线闭锁应正确可*。
(6)新装或大修后有载分接开关,应在变压器空载运行时,在主控制室用远方电动操作按钮及在变压器现场的手动设备,试操作一个循环,档位和电压等各项指示正确,极限位置的电气闭锁可*,方可调至调度要求的分接档位以带负荷运行,并加强监视。
(7)值班员根据调度下达的电压曲线及电压信号,自动调压操作。
每次操作应认真检查分接头动作电压电流变化情况(每调一档计为一次),并做好记录。
(8)两台有载调压变压器并列运行时,允许在变压器85额定负荷电流下进行分接头变换操作。
但不能在单台变压器上连续进行两个分接头变换操作。
需在一台变压器的一个分接头变换操作完成后,再进行另一台变压器的一个分接头变换操作。
文件级别:文件编号:DMP-300系列微机主变有载调压装置说明书3.0版编制:胡浩校核:胡轶波、邓东红审定:批准:长沙华能自控集团有限公司前言感谢您使用长沙华能自控集团有限公司研制生产的DMP系列微机保护产品,本说明书为微机有载调压装置技术说明书,操作请参考使用指南。
由于编写水平有限,难免存在一些缺点和错误,敬请批评指正。
长沙华能自控集团有限公司保留对本说明书进行修改、解释的权利,由于产品生产时间或产品改进等原因,如果说明书与产品不符者,以实际产品为准,恕不另行通知。
目录1概述错误!未定义书签。
1.1主要特点错误!未定义书签。
1.2微机主变有载调压装置主要功能错误!未定义书签。
2技术指标错误!未定义书签。
2.1交流电源错误!未定义书签。
2.2直流电源错误!未定义书签。
2.3输出继电器触点容量错误!未定义书签。
2.4绝缘性能错误!未定义书签。
2.5耐湿热性能错误!未定义书签。
2.6振动错误!未定义书签。
2.7冲击错误!未定义书签。
2.8碰撞错误!未定义书签。
2.9抗电气干扰性能错误!未定义书签。
2.10环境条件错误!未定义书签。
3硬件说明错误!未定义书签。
3.1硬件结构错误!未定义书签。
3.2CPU插件错误!未定义书签。
3.3人机接口错误!未定义书签。
3.4遥信插件错误!未定义书签。
3.5继电器出口插件错误!未定义书签。
4技术说明错误!未定义书签。
4.1档位采集遥信量采集错误!未定义书签。
4.2档位控制与遥控操作错误!未定义书签。
4.3事件顺序记录错误!未定义书签。
4.4RTU功能错误!未定义书签。
5附表附图错误!未定义书签。
5.1定值清单错误!未定义书签。
5.1.1DMP-375主变有载调压单元保护投退清单错误!未定义书签。
5.1.2系统定值清单错误!未定义书签。
5.2单元箱及其附件开孔尺寸错误!未定义书签。
5.3DMP375背面端子图错误!未定义书签。
5.4档位遥信采集、通讯接线原理图错误!未定义书签。
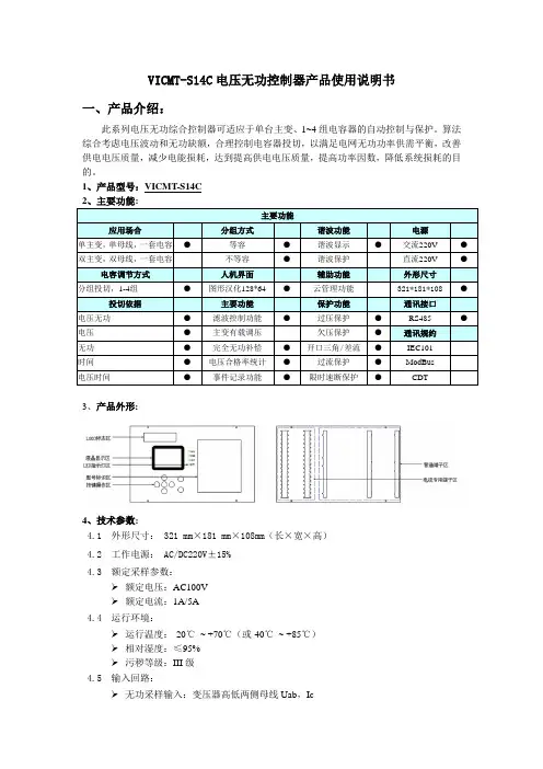
VICMT-S14C电压无功控制器产品使用说明书一、产品介绍:此系列电压无功综合控制器可适应于单台主变、1~4组电容器的自动控制与保护。
算法综合考虑电压波动和无功缺额,合理控制电容器投切,以满足电网无功功率供需平衡,改善供电电压质量,减少电能损耗,达到提高供电电压质量,提高功率因数,降低系统损耗的目的。
1、产品型号:VICMT-S14C2、主要功能:主要功能应用场合分组方式谐波功能电源单主变,单母线,一套电容●等容●谐波显示●交流220V●双主变,双母线,一套电容不等容●谐波保护直流220V●电容调节方式人机界面辅助功能外形尺寸分组投切,1-4组●图形汉化128*64●云管理功能321*181*108 ●投切依据主要功能保护功能通讯接口电压无功●滤波控制功能●过压保护●RS485 ●电压●主变有载调压欠压保护●通讯规约无功●完全无功补偿●开口三角/差流●IEC101时间●电压合格率统计●过流保护●ModBus电压时间●事件记录功能●限时速断保护●CDT3、产品外形:4、技术参数:4.1外形尺寸: 321 mm×181 mm×108mm(长×宽×高)4.2工作电源: AC/DC220V±15%4.3额定采样参数:额定电压:AC100V额定电流:1A/5A4.4运行环境:运行温度:-20℃~ +70℃(或-40℃~ +85℃)相对湿度:≤95%污秽等级:III级4.5输入回路:无功采样输入:变压器高低两侧母线Uab,Ic保护采样输入:开口三角电压/差流、电容器三相电流PT输入:0~120VCT输入:0~1A/5A综合误差:<0.5%4.6输出回路:输出路数:4组合闸输出、4组分闸输出、4组闭锁输出1路跳总闸输出、1路保护告警输出继电器容量:AC250V,16A(标准款)DC220V,5A(非标款)继电器脉冲保持:2S4.7开入量:4路电容器的投切状态开入4路电容闭锁开入1路电容出线柜开关位置信号1路调容转换开关位置信号1路主变低压开关位置信号二、操作说明从图1可以看出,在设备面板上有7个按键、4个LED指示灯和1个液晶显示屏。
主变压器的有载调压开关操作规程主变压器的有载调压开关是电力系统中重要的电力设备,对保证电网电压稳定和正常供电具有重要作用。
为了保证其安全、可靠、高效的运行,制定规范化的操作规程是必要的。
一、设备准备1. 检查开关、仪表及接线,确保设备正常运行。
2. 对设备进行绝缘试验,保证绝缘性能良好。
3. 清理设备周围环境,确保设备通风良好。
二、开关操作1. 开始操作前,应先在台账上填写好操作记录,并在设备上进行标记。
2. 对开关进行检查,确保开关运行正常,无异常噪音和振动。
3. 在对负载进行切换前,应先调节开关至合适的位置,调节至负载功率为常规功率时不得超过额定电流的85%。
4. 操作人员应先向系统操作中心申请调整负载,并经过授权后方可进行操作。
5. 操作人员应在开关上方的操作台进行操作。
先将手柄扳至断开位置,尤其要注意避免突然断电引起的反向冲击。
6. 等待开关完全断开后,将合适的负载切换过来,切换后等待5~10分钟进行观测,确认负载正常运行。
7. 在确认负载正常运行后,将手柄扳至合闸位置,等待开关完全合上后,等待5~10分钟进行观测,确认负载正常运行。
三、安全措施1. 在进行操作前,应对设备进行检查,确保开关和接线正常运行。
2. 在操作过程中,应注意避免出现操作失误。
下操作时应先将设备与系统断开。
3. 当设备发生故障时,应立即停止操作,并进行排除故障。
4. 操作人员应佩戴防护用品,特别是安全手套,以防电击伤。
5. 操作前,应先向系统操作中心报告。
所有操作应在指定的操作票上填写。
以上为主变压器有载调压开关操作规程,希望能对电力系统运行工作有所帮助。
主变有载调压装置更换说明主变有载调压装置更换,这可不是小事。
说实话,换这个东西就像是给机器换心脏,得谨慎点儿,别马虎。
想象一下,你的电力系统就像一辆跑车,调压装置就是那个让你加速、减速的踏板。
没了它,哎呀,车子就得慢悠悠地爬坡,简直让人心急如焚。
先说说这主变有载调压装置是个啥。
它主要负责在负荷变化的时候,调整变压器的输出电压。
就像你在做饭时,火力不够了,赶紧调调灶台的火,才能让菜熟得刚刚好。
不然,电压不稳,设备就得遭殃,烧坏了可就得不偿失了。
所以,换这个调压装置,就像给变压器做了个大保健,确保它能一直健康运转。
更换的时候,首先得准备好工具,像螺丝刀、扳手这些,这都是小儿科,动手能力强的小伙伴们应该没问题。
然后,把电源切断,这点儿非常重要。
咱们可不想在换的时候来个“电击疗法”,这可不是啥好玩的事情。
想象一下,一个电工哥们,正埋头苦干,突然来个电流蹦出来,简直比过山车还刺激。
换装置之前,再仔细检查一下现场,确保没有漏电、短路的隐患,咱们的安全第一嘛。
拆卸的时候,先把旧的调压装置轻松卸下来,别心急,慢慢来。
就像剥洋葱,一层一层剥,别一下子给剥光了,万一有啥东西卡住,那可就麻烦了。
卸下来的时候,记得拍几张照片,留个念想,说不定下次再换的时候,这些照片能帮你回忆起当年的“辉煌”。
装新装置的时候,跟拼乐高似的,得找对位置。
每个螺丝、每个接线都得对上号。
小心别把电线搞错了,搞不好,接上去以后,结果就像电视机调错了频道一样,让你看不懂。
接好线后,检查一下,确保每个连接都牢固,别到时候变压器一开机,像个断线风筝一样飞了出去,那就真是笑不出来了。
然后,接通电源,心里那一阵忐忑,真是五味杂陈。
毕竟,这可是新装置上阵啊。
看着仪表盘,电压稳稳地保持在正常范围内,心里那叫一个舒坦。
就像在比赛中,看到自己喜欢的队伍进了决赛,兴奋得几乎要跳起来。
可是,别高兴得太早,还是得做个全面检查,看看系统的运行情况,确保一切都在正轨上。
别忘了整理工具,别让现场变成一片狼藉。
主变有载调压标准化操作卡一、危险点分析与预防控制措施二、工器具及材料4 / 5三、作业流程序号流程图示作业方法作业标准1 运行工况检查查看变电站监控界面检查高低压侧电压、主变所带负荷、检查保护装置有无闭锁调压、检查主变运行工况以下情况不允许调节变压器有载调压开关:1、变压器过负荷运行时(特殊情况除外)。
2、有载调压装置的轻瓦斯动作报警时。
3、有载调压装置的油耐压不合格或油标中无油时。
4、调压次数超过规定时。
5、调压装置发生异常时。
6、当负荷大于额定值80%以上时,禁止操作有载调压开关。
2 申请向当值调度值班人员申请主变档位调节按照当前电压曲线申请升档或者降档3 告知向集控报备调节档位操作3在监控界面上进行远程调节主变档位可在自动化监控界面进行主变档位升降档操作1、运行现场应具备下列技术资料:产品安装使用说明书、技术图纸、自动控制装置整定书、绝缘油试验记录、检修记录、缺陷记录、分接变换记录及分接变换次数运行记录等。
2、有载调压装置及其自动控制装置,应经4 / 5在档位变送器上远程调节主变档位可在档位变送器上升降档常保持在良好运行状态。
故障停用,应立即汇报,同时通知检修单位检修。
3、有载调压装置的分接变换操作,由运行人员按调度部门确定的电压曲线或调度命令,在电压允许偏差范围内进行。
为保证用户受电端的电压质量和降低线损,220kV及以下电网电压的调整宜采用逆调压方式。
4、电力系统各级变压器运行分接位置应按保证发电厂和变电所及各用户受电端的电压偏差不超过允许值,并在充分发挥无功补偿设备的经济效益和降低线损的原则下,优化确定。
5、正常情况下,一般使用远方电气控制。
当检修、调试、远方电气控制回路故障和必要时,可使用就地电气控制或手摇操作。
当分接开关处在极限位置又必须手摇操作时,必须确认操作方向无误后方可进行。
就地操作按钮应有防误操作措施。
6、分接变换操作必须在一个分接变换完成后方可进行第二次分接变换。
操作时应同时观察电压表和电流表的指示,不允许出现回零、突跳、无变化等异常情况,分接位置指示器及动作计数器的指示等都应有相应变动。
110KV主变有载调压开关带满负荷换油检修作业指导书1. 危害辨识1.1 误入安全范围以内而被电伤(本次作业为带电作业,最小安全距离1.5m);1.2 有载调压开关油箱轻瓦斯保护连片未解除,换油过程中轻瓦斯保护动作报警;1.3 闭锁有载调压保护连片未解除,换油过程中调压时引起分接开关油箱内绝缘击穿;1.4 换油速度过快或注油和放油方向弄反,导致有载调压开关油箱内油隙击穿。
2. 准备阶段2.1 物资:合格的变压油170kg,空油桶1个;2.2 工具:10寸活动扳手2把、真空滤油机1台,输油管3根(带专用法兰2个);2.3 人员:3名电工(其中至少1名校验班长以上的专业管理人员);2.4 作业前的联系工作:在总降运行班长记录本上记录以下项目:2.4.1 联系调度稳住本主变的负荷,避免大负荷冲击引发电气故障。
2.4.2 通知总降值班班长注意主变运行电压,如需调压,及时联系停止换油操作,并申请在电力局侧进行调压。
2.4.3 解除变压器分接开关油箱的轻瓦斯保护、闭锁有载调压。
2.5 方案:根据以上内容制定详细检修方案;2.6 安全学习:根据检修方案,组织参与检修的人员进行安全学习。
3. 实施阶段3.1 确认变压器有载调压开关油箱的轻瓦斯保护连片已解除、闭锁有载调压保护连片已连接;3.2 清洗输油管,将二根输油管的一端分别与专用法兰连接、紧固,分别作为放油管和注油管;3.3 拆除有载调压开关油箱放油阀和注油阀的盲板,将3.2中已连接好的专用法兰分别与放油阀和注油阀连接;3.4 打开放油阀,将有载调压开关中变压器油缓慢放入空油桶中,直到油位降至0.5左右;3.5 通过真空滤油机缓慢向分接开关中加注变压器油,直到油位至7左右;3.6 重复以上第“3.4”、第“3.5”项N次;3.7 取分接开关中变压器油试验,直到耐压达到25KV以上,否则,再重复第3.4及以下项目;3.8 停止以上操作,关闭放油阀和注油阀,拆除输油管,恢复变压器现场;3.9 打开有载调压开关油箱瓦斯继电器放气咀,放出其中空气直至冒油。
主变压器有载调压开关操作规程主变压器有载调压开关操作规程一、概述主变压器的有载调压任务是实现电压调节,以使正常运行的输电线路或配电系统的负荷能够获得稳定的电力供应。
该操作规程旨在保障主变压器的安全运行,避免运行中发生问题,保持电力系统的可靠性。
二、作业原则1.有载调压操作必须在低负荷或无负荷条件下进行,调压范围按照生产厂家提供的额定值范围进行。
在调压过程中,必须注意变压器中的短路阻抗,防止因过大的调压导致电压崩溃或电流增大导致设备损坏。
2.在现场操作时,必须按照标准程序依次操作,严禁随意变更程序,确保安全可靠。
3.在操作前,必须对关键设备进行检查、清洁和维护,确保设备运行正常。
操作人员必须穿戴防护用具,并经过必要的操作培训和岗前知识考核。
4.操作完成后,必须按照清理程序深入清理现场,保持场地整洁,不得将操作材料、工具随意丢弃。
三、操作流程1.打开变电站前部开关箱门,进行加装操作开关接线,并确认接线牢固可靠。
根据使用情况选择分接开关位置,调节按操作界面要求操作。
2.合上分接开关,打开调压开关箱门。
查看开关箱内的接线是否正确、牢固,操作面板的显示是否正常。
根据实际需求选择调压档位,观察操作面板上的电流、电压等参数指示,确保调节正确。
3.调节完毕后,根据操作程序依次关闭操作开关、分接开关,检查关门是否妥善,确保现场安全。
4.记录操作情况,并将操作记录上报至主变压器管理系统,用于设备运行状态评估。
四、紧急处理1.如在操作过程中发现音响警报和其他异常情况,首先应按紧急处理程序立即停止操作,切勿冒然操作。
2.及时进行故障排除,如无法恢复,应联系设备管理人员进行处理。
3.在紧急情况下需立即断电,但操作人员必须按照断电程序严格操作。
若突发事件未能控制,应及时报警。
必要时引导相关人员进行疏散,并采取必要的安全防护措施。
五、注意事项1.操作人员必须温柔操作,避免在操作过程中出现短路、过压等情况。
2.操作人员必须时刻保持注意力集中,不得在操作过程中分心、玩耍、讲话或接打电话。
文件级别:文件编号:
DMP-300系列
微机主变有载调压装置
说明书
3.0版
编制:胡浩
校核:胡轶波、邓东红
审定:
批准:
长沙华能自控集团有限公司
前言
感谢您使用长沙华能自控集团有限公司研制生产的DMP系列微机保护产品,本说明书为微机有载调压装置技术说明书,操作请参考使用指南。
由于编写水平有限,难免存在一些缺点和错误,敬请批评指正。
长沙华能自控集团有限公司保留对本说明书进行修改、解释的权利,由于产品生产时间或产品改进等原因,如果说明书与产品不符者,以实际产品为准,恕不另行通知。
目录
1概述错误!未定义书签。
1.1主要特点错误!未定义书签。
1.2微机主变有载调压装置主要功能错误!未定义书签。
2技术指标错误!未定义书签。
2.1交流电源错误!未定义书签。
2.2直流电源错误!未定义书签。
2.3输出继电器触点容量错误!未定义书签。
2.4绝缘性能错误!未定义书签。
2.5耐湿热性能错误!未定义书签。
2.6振动错误!未定义书签。
2.7冲击错误!未定义书签。
2.8碰撞错误!未定义书签。
2.9抗电气干扰性能错误!未定义书签。
2.10环境条件错误!未定义书签。
3硬件说明错误!未定义书签。
3.1硬件结构错误!未定义书签。
3.2CPU插件错误!未定义书签。
3.3人机接口错误!未定义书签。
3.4遥信插件错误!未定义书签。
3.5继电器出口插件错误!未定义书签。
4技术说明错误!未定义书签。
4.1档位采集遥信量采集错误!未定义书签。
4.2档位控制与遥控操作错误!未定义书签。
4.3事件顺序记录错误!未定义书签。
4.4RTU功能错误!未定义书签。
5附表附图错误!未定义书签。
5.1定值清单错误!未定义书签。
5.1.1DMP-375主变有载调压单元保护投退清单错误!未定义书签。
5.1.2系统定值清单错误!未定义书签。
5.2单元箱及其附件开孔尺寸错误!未定义书签。
5.3DMP375背面端子图错误!未定义书签。
5.4档位遥信采集、通讯接线原理图错误!未定义书签。
5.5有载调压操作与控制输出原理图错误!未定义书签。