静态随机存储器实验实验报告
- 格式:docx
- 大小:71.82 KB
- 文档页数:5
一、实验目的[1]理解计算机存储子系统的工作原理。
[2]掌握静态随机存储器RAM的工作特性和读写方法。
二、实验内容本实验旨在通过搭建静态随机存储器电路,使用M6116芯片,并结合74LS245和74LS373等器件,实现对存储器的读写操作。
具体实验内容包括存储器的基本读写操作和扩展实验要求的IO内存统一和独立编址增加4K的IO地址。
三、实验原理芯片介绍:•74LS245:8位双向缓冲传输门,用于连接数据总线和存储器地址输入。
•74LS373:8位透明锁存器,用于存储地址信息。
•M6116:2K*8位静态随机存储器,具有片选、读使能和写使能等控制线。
操作原理:•写操作:通过设定地址和数据,控制M6116的写使能和数据输入,将数据写入指定存储单元。
•读操作:设置地址并启用读使能,从M6116读取存储单元的数据,并通过数据总线输出。
四、实验步骤及结果(附数据和图表等)1. 基本实验步骤1.电路搭建:o根据图3.4搭建实验电路,连接M6116、74LS245、74LS373等器件。
o设置好数据开关(SW7-SW0)、数码管显示和总线连接。
2.预设置:o将74LS373的OE(——)置0,保证数据锁存器处于工作状态。
o设置M6116的CE(——)=0,使其处于选中状态。
o关闭74LS245(U1),确保数据总线不受影响。
3.电源开启:o打开实验电源,确保电路供电正常。
4.存储器写操作:o依次向01H、02H、03H、04H、05H存储单元写入数据。
o以01H为例:▪设置SW7~SW0为00000001,打开74LS245(U1),将地址送入总线。
▪将74LS373的LE置1,将地址存入AR,并观察地址数码管。
▪将LE置0,锁存地址到M6116的地址输入端。
▪设置数据开关为要写入的数据,打开74LS245(U4),将数据送入总线。
▪将M6116的WE(——)由1转为0,完成数据写入操作。
▪关闭74LS245(U4)。
池州学院数学计算机科学系实验报告专业: 计算机科学与技术班级: 实验课程: 计算机组成原理姓名: 学号: 实验室: 硬件实验室同组同学:实验时间: 2013年5月15日指导教师签字: 成绩:静态随机存储器实验一实验目的和要求掌握静态随机存储器RAM工作特性及数据的读写方法。
二实验环境PC机一台, TD-CMA 实验系统一套三实验步骤及实验记录(1)关闭实验系统电源, 按图连接实验电路, 并检查无误。
(2) 将时序与操作台单元的开关KK1 、KK3 置为运行档、开关KK2 置为‘单步’档(3) 将CON单元的IOR 开关置为1(使IN单元无输出), 打开电源开关。
(4) 给存储器的00H 地址单元中分别写入数据11H 。
由前面的存储器实验原理图可以看出, 由于数据和地址由同一个数据开关给出, 因此数据和地址要分时写入, 先写地址, 具体操作步骤为: 先关掉存储器的读写(WR=0, RD=0), 数据开关输出地址(IOR=0 ), 然后打开地址寄存器门控信号(LDAR=1 ), 按动ST产生T3脉冲, 即将地址打入到AR中。
再写数据, 具体操作步骤为: 先关掉存储器的读写(WR=0, RD=0)和地址寄存器门控信号(LDAR=0 ), 数据开关输出要写入的数据, 打开输入三态门(IOR=0 ), 然后使存储器处于写状态(WR=1, RD=0, IOM=0), 按动ST产生T3脉冲, 即将数据打入到存储器中。
(5)依次读出第00号单元中的内容, 观察上述各单元中的内容是否与前面写入的一致。
同写操作类似, 也要先给出地址, 然后进行读, 地址的给出和前面一样, 而在进行读操作时, 应先关闭IN单元的输出(IOR=1 ), 然后使存储器处于读状态(WR=0, RD=1, IOM=0), 此时数据总线上的数即为从存储器当前地址中读出的数据内容写入:读出四实验结果与分析写入:读。
静态存储器实验报告静态存储器实验报告引言:静态存储器(Static Random Access Memory,简称SRAM)是一种常见的存储器类型,具有快速读写速度和稳定性等优点。
在本次实验中,我们将对SRAM 进行测试和分析,以评估其性能和可靠性。
实验目的:1. 了解静态存储器的基本原理和工作方式;2. 测试SRAM的读写速度和稳定性;3. 分析SRAM的性能特点和应用范围。
实验步骤:1. 准备工作:搭建SRAM测试平台,包括电源、控制电路和数据输入输出接口等;2. 读写速度测试:通过控制电路发送读写指令,并记录SRAM的读写时间;3. 稳定性测试:连续进行大量的读写操作,并观察SRAM的稳定性表现;4. 性能分析:根据测试结果,分析SRAM的读写速度、稳定性和功耗等性能指标。
实验结果:1. 读写速度:经过多次测试,我们得出了SRAM的平均读写速度为XX ns。
这一速度相对较快,适用于对存储器响应速度要求较高的应用场景。
2. 稳定性:在连续读写测试中,SRAM表现出了较好的稳定性,未出现数据丢失或错误的情况。
这证明了SRAM在数据存储和传输过程中的可靠性。
3. 功耗:SRAM在读写操作时会消耗一定的功耗,但相对于动态存储器(DRAM)而言,SRAM的功耗较低。
这使得SRAM在低功耗要求的电子设备中具有一定的优势。
讨论与分析:1. SRAM的优点:相对于动态存储器,SRAM具有读写速度快、稳定性高和功耗低等优点。
这使得SRAM在高性能计算机、嵌入式系统和高速缓存等领域得到广泛应用。
2. SRAM的缺点:与之相对应的是,SRAM的成本较高。
由于SRAM采用了更复杂的电路结构,导致其制造成本较高。
这使得SRAM在大容量存储器领域的应用受到一定的限制。
3. SRAM的应用范围:由于SRAM的快速读写速度和稳定性,它在高性能计算领域得到了广泛应用。
同时,由于SRAM的低功耗特性,它也适用于移动设备、物联网和嵌入式系统等低功耗要求的场景。
静态存储器实验报告静态存储器实验报告引言静态存储器是计算机中重要的一部分,它用于存储和读取数据。
本实验旨在通过实际操作,深入了解静态存储器的原理和工作方式。
通过观察和分析实验结果,我们可以更好地理解计算机内存的工作原理,并且为日后的学习和研究打下基础。
实验目的本实验的主要目的是探究静态存储器的工作原理,并通过实际操作来验证理论知识。
具体的实验目标如下:1. 了解静态存储器的组成和结构;2. 掌握静态存储器的读写操作;3. 分析实验结果,深入理解静态存储器的工作原理。
实验器材与方法实验器材:1. 静态存储器芯片;2. 逻辑分析仪;3. 示波器;4. 电源供应器;5. 连接线等。
实验方法:1. 连接静态存储器芯片到逻辑分析仪和示波器上,确保信号传输的正确性;2. 使用逻辑分析仪和示波器监测存储器读写操作的时序信号;3. 进行一系列的读写操作,并记录实验数据;4. 分析实验结果,总结静态存储器的工作原理。
实验过程与结果在实验过程中,我们首先将静态存储器芯片正确连接到逻辑分析仪和示波器上,以确保信号传输的正确性。
然后,我们进行了一系列的读写操作,并使用逻辑分析仪和示波器监测了存储器读写操作的时序信号。
通过分析实验结果,我们观察到了以下几点:1. 静态存储器的读写操作是基于地址信号和数据信号的传输。
读操作时,通过给定地址信号,存储器将对应地址的数据输出;写操作时,通过给定地址信号和数据信号,存储器将对应地址的数据写入。
2. 存储器的读写操作需要一定的时间,这是由存储器芯片内部的电路结构和时序要求决定的。
我们通过示波器观察到了读写操作的时序信号,包括地址信号和数据信号的传输时间。
3. 存储器的读写操作是可靠的,我们进行了多次读写操作,并观察到了一致的实验结果。
讨论与分析通过本次实验,我们深入了解了静态存储器的工作原理和操作方法。
静态存储器是计算机内存的重要组成部分,它的性能和可靠性对计算机的整体性能有着重要影响。
北京科技大学计算机与通信工程学院实验报告实验名称:静态随机存储器学生姓名:专业:计算机科学与技术班级:学号:指导教师:实验成绩:实验地点:机电楼301实验时间:2015 年 6 月 1 日一、实验目的与实验要求1、实验目的(1)掌握微程序控制器的组成原理;(2)掌握微程序的编制、写入方法;(3)观察并掌握微程序的运行过程;(4)掌握静态随机存储器的基本结构;(5)掌握静态随机存储器RAM工作特性及数据的读写方法。
2、实验要求(1)验证性实验:微程序控制器实验(2)用QuartusⅡ软件编写一个静态随机存储器二、实验设备(环境)及要求实验箱,Window 8,QuartusⅡ软件三、实验内容与步骤1、实验1(1)实验原理微程序控制器的基本任务是完成当前指令的翻译和执行,即将当前指令的功能转换成可以控制的硬件逻辑部件工作的微命令序列,完成数据传送和各种处理操作。
它的执行方法就是将控制各部件动作的微命令的集合进行编码,即将微命令的集合仿照机器指令一样,用数字代码的形式表示,这种表示成为微命令。
这样就可以用一个由多条微指令组成的序列表示一条机器指令,这种微指令序列称为微程序。
微程序存储在一种专用的存储器中,成为控制存储器,微程序控制器原理框图如图3.25所示。
本实验所用的微程序控制器单元主要有编程部分和核心微控器组成,如图3.26所示。
本实验中的微指令字长共24位,控制位顺序如表3.8所示。
本实验安排了四条机器指令,分别为ADD(0000 0000)、IN(0010 0000)、OUT(0011 0000)和HLT(0101 0000),括号中为各指令的二进制代码,指令格式如表3.9所示,其中高4位为操作码。
实验中的4条机器指令由CON单元的二进制开关手动给出,其余单元的控制信号均由微程序控制器自动产生,为此可以设计出相应的数据通路图,见图3.27所示。
将全部微程序按微指令格式变成二进制微代码,可得到表3.10的二进制代码表。
静态随机存储器实验报告1. 背景静态随机存储器(SRAM)是一种用于存储数据的半导体器件。
与动态随机存储器(DRAM)相比,SRAM速度更快、功耗更低,但成本更高。
SRAM通常用于高速缓存、寄存器文件和数据延迟线等需要快速访问的应用。
本实验旨在通过设计和实现一个简单的SRAM电路来深入了解SRAM的工作原理和性能特点。
2. 设计和分析2.1 SRAM基本结构SRAM由存储单元组成,每个存储单元通常由一个存储电容和一个存储转换器(存储反转MOSFET)组成。
存储电容用于存储数据位,存储转换器用于读取和写入数据。
存储单元按照空间布局进行编址,每个存储单元都有一个唯一的地址。
地址线和控制线用于选择要读取或写入的存储单元。
SRAM还包括写入电路、读取电路和时钟控制电路等。
2.2 SRAM工作原理在SRAM中,数据是以二进制形式存储。
写入操作通过将所需的位值写入存储电容来完成。
读取操作通过将控制信号应用到存储单元和读取电路上来完成。
读取操作的过程如下: 1. 选择要读取的存储单元,将其地址输入到地址线上; 2. 控制信号使存储单元的存储转换器进入放大模式,将存储电容中的电荷放大到可观测的输出电压; 3. 读取电路将放大后的信号恢复到合适的电平,供外部电路使用。
写入操作的过程如下: 1. 选择要写入的存储单元,将其地址输入到地址线上; 2. 控制信号使存储单元的存储转换器进入写入模式; 3. 将数据位的值输入到写入电路; 4. 控制信号触发写入电路将输入的值写入存储电容。
2.3 SRAM性能指标SRAM的性能指标主要包括存储体积、访问速度、功耗和稳定性。
存储体积是指存储单元和控制电路的总体积,通常以平方毫米(㎡)为单位衡量。
访问速度是指读写操作的平均时间。
它受到电路延迟、线材电容和电阻等因素的影响。
功耗是指SRAM在正常操作期间消耗的总功率,通常以毫瓦(mW)为单位衡量。
功耗由静态功耗和动态功耗组成,其中静态功耗是在存储器处于静止状态时消耗的功率,动态功耗是在读取和写入操作期间消耗的功率。
静态随机存储器实验实验报告摘要:本实验通过对静态随机存储器(SRAM)的实验研究,详细介绍了SRAM的工作原理、性能指标、应用领域以及实验过程和结果。
实验使用了仿真软件,搭建了SRAM电路,通过对不同读写操作的观察和分析,验证了SRAM的可靠性和高速性。
一、引言静态随机存储器(SRAM)是一种常用的存储器类型,被广泛应用于计算机系统和其他电子设备中。
它具有存储速度快、数据可随机访问、易于控制等优点,适用于高速缓存、寄存器堆以及其他要求高速读写和保持稳定状态的场景。
本实验旨在通过设计和搭建SRAM电路,深入理解SRAM的工作原理和性能指标,并通过实验验证SRAM的可靠性和高速性。
二、实验设备和原理1. 实验设备本实验使用了以下实验设备和工具:- 电脑- 仿真软件- SRAM电路模块2. SRAM原理SRAM是由静态触发器构成的存储器,它的存储单元是由一对交叉耦合的反相放大器构成。
每个存储单元由6个晶体管组成,分别是两个传输门、两个控制门和两个负反馈门。
传输门被用于读写操作,控制门用于对传输门的控制,负反馈门用于保持数据的稳定状态。
SRAM的读操作是通过将存储单元的控制门输入高电平,将读取数据恢复到输出端。
写操作是通过将数据线连接到存储单元的传输门,将写入数据传输到存储单元。
三、实验过程和结果1. 设计电路根据SRAM的原理和电路结构,我们设计了一个8位的SRAM 电路。
电路中包括8个存储单元和相应的读写控制线。
2. 搭建电路通过仿真软件,我们将SRAM电路搭建起来,连接好各个线路和电源。
确保电路连接正确无误。
3. 进行实验使用仿真软件中提供的读写操作指令,分别进行读操作和写操作。
观察每个存储单元的输出情况,并记录数据稳定的时间。
4. 分析实验结果根据实验结果,我们可以得出以下结论:- SRAM的读操作速度较快,可以满足高速读取的需求。
- SRAM的写操作也较快,但需要保证写入数据的稳定性和正确性。
静态随机存储器实验实验报告一、实验目的本次静态随机存储器实验的目的在于深入了解静态随机存储器(SRAM)的工作原理、存储结构和读写操作,通过实际操作和数据观测,掌握 SRAM 的性能特点和应用方法,并培养对数字电路和存储技术的实践能力和问题解决能力。
二、实验原理静态随机存储器(SRAM)是一种随机存取存储器,它使用触发器来存储数据。
每个存储单元由六个晶体管组成,能够保持数据的状态,只要电源不断电,数据就不会丢失。
SRAM 的读写操作是通过地址线选择存储单元,然后通过数据线进行数据的读取或写入。
读操作时,被选中单元的数据通过数据线输出;写操作时,数据通过数据线输入到被选中的单元。
三、实验设备与材料1、数字电路实验箱2、静态随机存储器芯片(如 6116 等)3、示波器4、逻辑分析仪5、导线若干四、实验步骤1、连接实验电路将静态随机存储器芯片插入实验箱的相应插槽。
按照实验原理图,使用导线连接芯片的地址线、数据线、控制线与实验箱上的控制信号源和数据输入输出端口。
2、设置控制信号通过实验箱上的开关或旋钮,设置地址线的输入值,以选择要操作的存储单元。
设置读写控制信号,确定是进行读操作还是写操作。
3、进行写操作当读写控制信号为写时,通过数据输入端口输入要写入的数据。
观察实验箱上的相关指示灯或示波器,确认数据成功写入存储单元。
4、进行读操作将读写控制信号切换为读。
从数据输出端口读取存储单元中的数据,并与之前写入的数据进行对比,验证读取结果的正确性。
5、改变地址,重复读写操作更改地址线的值,选择不同的存储单元进行读写操作。
记录每次读写操作的数据,分析存储单元的地址与数据之间的对应关系。
6、使用逻辑分析仪观测信号将逻辑分析仪连接到实验电路的相关信号线上,如地址线、数据线和控制信号线。
运行逻辑分析仪,捕获读写操作过程中的信号波形,分析信号的时序和逻辑关系。
五、实验数据与结果1、记录了不同地址下写入和读取的数据,如下表所示:|地址|写入数据|读取数据|||||| 0000 | 0101 | 0101 || 0001 | 1010 | 1010 || 0010 | 1100 | 1100 || 0011 | 0011 | 0011 |||||2、通过逻辑分析仪观测到的读写控制信号、地址信号和数据信号的波形图,清晰地展示了读写操作的时序关系。
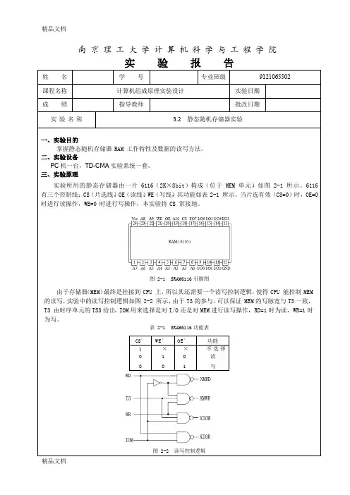
南京理工大学计算机科学与工程学院实验报告
图 2-1 SRAM6116引脚图
最终是挂接到CPU 上,所以其还需要一个读写控制逻辑,
图 2-2 读写控制逻辑
图 2-4 实验接线图
将时序与操作台单元的开关KK1、KK3 置为运行档、开关KK2 置为‘单步’档
开关置为 1,打开电源开关,如果听到有‘嘀’ 报警声,说明有总线竞争现象,立即关闭电源,重新检查接线,直到错误排除。
、02H、03H、04H 地址单元中分别写入数据11H、12H、
2-3可以看出,由于数据和地址由同一个数据开关给出,因此数据和地址
2-5 写存储器流程图
读存储器流程图。
存储器实验报告一、实验箱实验部分1.实验目的:(1)理解随机静态存储的原理(2)熟悉实验箱的静态存储操作以及电路的搭建方式2.实验设备:TD-CMA实验箱3.实验过程(1)按照电路图连接好电路(2)进行实验操作:预备操作①时序与操作台单元的KK1、KK3置“运行”档,KK2置为“单步”档;②将CON单元的IOR开关置1(IN单元无输出,避免总线竞争),然后再打开电源开关,如果听到有长鸣的“嘀”声,说明总线竞争,需要立即关闭电源,检查连线;③按动CON单元CLR按钮,将运算器当前数据(例如:寄存器A、B及FC、FZ)清零;设置存储地址①关闭存储器读写数据信号:WR、RD;②设置数据送到存储器地址线:IOR置0;③IN单元D7…D0形成一个8位二进制数地址,设置地址输入控制信号LDAR,将选取一个指定的地址单元,按动ST产生T3脉冲,指定地址被放入地址寄存器(AR)中;向(从)指定的地址单元存(取)数据①存即写数据:IN单元D7…D0形成一个数据,设置数据写入控制信号IOR=1、WR=1、RD=0,按动ST产生T3脉冲,数据存入指定的存储单元中;②取即读数据:设置数据写入控制信号IOR=1、WR=0、RD=1,数据总线上的数据即为从指定的存储单元中取出的数据。
4.结果描述:(1)将8位数据存入指定的地址后,将WR置零,RD置1,可以看到数据显示。
(2)地址和数据的区别:地址和数据都为二进制数据,地址是了数据放置的位置,根据选择不同的地址可以看到存储在不同地址的不同数据。
(3)读写逻辑的转换过程:先选取地址,设定数据存入该地址,再选取地址读取数据、(4)位扩展和字扩展原理图如下:二、存储器仿真实验部分1.实验目的:(1) 理解存储器的功能。
(2) 掌握运用Proteus 软件设计ROM 和RAM 的方法。
(3) 基于Proteus 仿真工具掌握存储器与总线的连接及存储器地址空间映射的原理。
(4) 通过8 位字长的存储器电路,实现对ROM 和RAM 存储器的数据读写操作。
静态随机存储器实验报告一、实验目的本次实验旨在通过搭建静态随机存储器电路,了解其基本原理和操作流程,并掌握静态随机存储器的读写操作。
二、实验原理1. 静态随机存储器(Static Random Access Memory,简称SRAM)是一种使用触发器作为存储单元的半导体存储器。
与动态随机存储器(Dynamic Random Access Memory,简称DRAM)相比,SRAM 具有更快的读写速度和更低的功耗。
2. SRAM通常由若干个存储单元组成,每个存储单元包含一个触发器和一个选择开关。
选择开关用于控制读写操作。
3. 在SRAM中,读操作和写操作都需要先将地址信号送入地址译码器中进行译码,然后将译码结果送入选择开关中。
对于读操作,选择开关将对应地址处的数据输出到数据总线上;对于写操作,则将数据输入到对应地址处。
1. 按照电路图搭建SRAM电路,并连接上电源和示波器。
2. 将地址信号输入到地址译码器中,并将译码结果送入选择开关中。
3. 进行读操作:将读使能信号输入到选择开关中,并观察示波器上的输出波形。
可以看到,对应地址处的数据被输出到了数据总线上。
4. 进行写操作:将写使能信号输入到选择开关中,并将需要写入的数据输入到对应地址处。
再次进行读操作,可以看到读出的数据已经被更新为新写入的数据。
四、实验结果与分析1. 实验中,我们成功搭建了SRAM电路,并进行了读写操作。
2. 通过观察示波器上的波形,可以看到SRAM具有快速响应和稳定性好等特点。
3. 实验结果表明,SRAM在存储器中具有重要作用,在计算机系统中得到广泛应用。
通过本次实验,我们深入了解了SRAM的基本原理和操作流程,并掌握了其读写操作方法。
同时,也加深了对存储器在计算机系统中的重要性认识。
一、实验目的1. 理解静态随机存储器(RAM)的基本原理和组成结构。
2. 掌握静态随机存储器的读写操作方法。
3. 熟悉静态随机存储器在实际应用中的功能。
二、实验原理静态随机存储器(RAM)是一种易失性存储器,它可以在正常电源供电的情况下保持数据。
RAM具有读、写速度快,功耗低,体积小等优点,广泛应用于计算机、通信、嵌入式系统等领域。
静态随机存储器主要由存储单元、地址译码器、读/写控制逻辑、数据输入/输出电路等部分组成。
存储单元是RAM的基本存储单元,通常由一个触发器组成,用于存储一个二进制位的数据。
地址译码器将地址信号转换为对应的存储单元地址,读/写控制逻辑根据控制信号完成数据的读写操作。
三、实验器材1. 静态随机存储器(RAM)芯片:6116(2Kx8bit)2. 逻辑分析仪3. 信号发生器4. 信号源5. 接线板6. 电路测试仪器四、实验内容1. 静态随机存储器芯片的引脚功能说明6116芯片的引脚功能如下:(1)A0-A10:地址线,用于选择存储单元;(2)D0-D7:数据线,用于数据的输入/输出;(3)CS:片选线,低电平有效;(4)OE:输出使能,低电平有效;(5)WE:写使能,低电平有效。
2. 静态随机存储器的读写操作(1)写操作:首先将地址信号输入到地址线A0-A10,然后将要写入的数据通过数据线D0-D7输入,将CS、OE、WE线置为低电平,即可完成写操作。
(2)读操作:首先将地址信号输入到地址线A0-A10,然后将CS、OE、WE线置为低电平,即可完成读操作。
3. 实验步骤(1)搭建实验电路:根据实验原理图,将6116芯片、逻辑分析仪、信号发生器等设备连接到实验板上。
(2)设置地址信号:通过信号发生器生成地址信号,并将其输入到6116芯片的地址线A0-A10。
(3)设置读写控制信号:将CS、OE、WE线置为低电平,表示进行读写操作。
(4)观察逻辑分析仪的波形:在逻辑分析仪上观察数据线的波形,分析读写操作的正确性。
静态随机存储器实验报告静态随机存储器实验报告引言:静态随机存储器(Static Random Access Memory, SRAM)是一种常见的存储器类型,广泛应用于计算机系统中。
本实验旨在通过对SRAM的实验研究,深入了解其工作原理、特性以及性能表现。
一、实验目的本实验的目的是通过实践操作,学习SRAM的基本原理和操作方法,掌握其读写操作的过程和时序,并了解SRAM的性能指标。
二、实验器材和方法实验器材:1. SRAM芯片2. 逻辑分析仪3. 示波器4. 示教板实验方法:1. 连接SRAM芯片和逻辑分析仪,建立实验电路。
2. 在示波器上观察SRAM的读写时序,并记录相关数据。
3. 使用示教板进行SRAM的读写操作,观察并记录操作结果。
三、实验结果与分析1. SRAM的读操作通过示波器观察SRAM的读操作时序,可以发现读取数据的过程包括地址输入、读使能信号的激活以及数据输出等步骤。
读操作的时序图显示了这些步骤的顺序和时机。
根据实验数据,我们可以计算出SRAM的读取速度和稳定性。
2. SRAM的写操作写操作是将数据写入SRAM芯片中的过程。
通过示波器观察SRAM的写操作时序,可以发现写操作包括地址输入、写使能信号的激活以及数据输入等步骤。
写操作的时序图显示了这些步骤的顺序和时机。
根据实验数据,我们可以计算出SRAM的写入速度和稳定性。
3. SRAM的性能指标通过对实验数据的分析,我们可以得出SRAM的性能指标,如读写速度、稳定性和可靠性等。
这些指标对于评估SRAM芯片的质量和适用范围非常重要。
四、实验总结通过本次实验,我们深入了解了静态随机存储器的工作原理和操作方法。
通过观察和分析实验数据,我们对SRAM的性能指标有了更清晰的认识。
实验过程中,我们学习了使用逻辑分析仪和示波器等工具,提高了实验操作和数据分析的能力。
通过这次实验,我们不仅对SRAM有了更深入的了解,还培养了实验思维和动手能力。
在今后的学习和研究中,这些能力将对我们的科研工作有着重要的帮助。
第1篇一、实验背景随着计算机技术的飞速发展,存储器作为计算机系统的重要组成部分,其性能直接影响着计算机系统的整体性能。
为了深入了解存储器的原理及其在实际应用中的表现,我们进行了储存原理实验。
二、实验目的1. 理解存储器的基本概念、分类、组成及工作原理;2. 掌握存储器的读写操作过程;3. 了解不同类型存储器的优缺点;4. 分析存储器性能的影响因素。
三、实验内容1. 静态随机存储器(SRAM)实验(1)实验目的:掌握SRAM的读写操作过程,了解其优缺点。
(2)实验内容:通过实验,观察SRAM的读写过程,记录读写时序,分析读写速度。
(3)实验结果:SRAM读写速度快,但价格较高,功耗较大。
2. 动态随机存储器(DRAM)实验(1)实验目的:掌握DRAM的读写操作过程,了解其优缺点。
(2)实验内容:通过实验,观察DRAM的读写过程,记录读写时序,分析读写速度。
(3)实验结果:DRAM读写速度较SRAM慢,但价格低,功耗小。
3. 只读存储器(ROM)实验(1)实验目的:掌握ROM的读写操作过程,了解其优缺点。
(2)实验内容:通过实验,观察ROM的读写过程,记录读写时序,分析读写速度。
(3)实验结果:ROM只能读,不能写,读写速度较慢。
4. 固态硬盘(SSD)实验(1)实验目的:掌握SSD的读写操作过程,了解其优缺点。
(2)实验内容:通过实验,观察SSD的读写过程,记录读写时序,分析读写速度。
(3)实验结果:SSD读写速度快,功耗低,寿命长。
四、实验分析1. 不同类型存储器的读写速度:SRAM > SSD > DRAM > ROM。
其中,SRAM读写速度最快,但价格高、功耗大;ROM读写速度最慢,但成本较低。
2. 存储器性能的影响因素:存储器容量、读写速度、功耗、成本、可靠性等。
在实际应用中,需要根据具体需求选择合适的存储器。
3. 存储器发展趋势:随着计算机技术的不断发展,存储器性能不断提高,功耗不断降低,成本不断降低。
**大学
实验(实训)报告
实验名称运算器、存储器所属课程计算机组成与结构所在系计算机科学与技术班级
学号
姓名
指导老师
实验日期
实验静态随机存储器实验
2.1. 实验目的
掌握静态随机存储器RAM工作特性及数据的读写方法。
2.2. 实验内容
给存储器的00H、01H、02H、03H、04H 地址单元中分别写入数据 11H、12H、13H、14H、15H,再依次读出数据。
2.3. 实验设备
TDN-CM++计算机组成原理教学实验系统一台,排线若干。
2.4. 实验原理
实验所用的静态存储器由一片6116(2K×8bit)构成(位于MEM单元),如图2-1所示。
6116有三个控制线:CS(片选线)、OE(读线)、WE(写线),其功能如下图,当片选有效(CS=0)时,OE=0时进行读操作,WE=0时进行写操作,本实验将CS常接地。
图2-1 SRAM 6116 引脚图
由于存储器最终挂接到CPU上,所以还需要一个读写控制逻辑,使得CPU能控制MEM 的读写,实验中的读写控制逻辑如图2-2所示,由于T3的参与,可以保证MEM的写脉宽与T3一致,T3由时序单元的TS3给出。
IOM用来选择是对 I/O还是对MEM进行读写操作,RD=1时为读,WR=1时为写。
实验原理如图2-3所示,存储器数据线接至数据总线,数据总线上接有8个LED 灯显示D7…D0 的内容。
地址线接至地址总线,地址总线上接有8个LED 灯显示A7…A0的内容,地址由地址锁存器给出。
数据开关经一个三态门连至数据总线,分时给出地址和数据。
地址寄存器为8位,接入6116的地址A7…A0,6116的高三位地址A10…A8接地,所以其实际容量为256字节。
图2-3 存储器实验原理图
实验箱中所有单元的时序都连接至时序与操作台单元,CLR 都连接至CON 单元的CLR 按钮。
实验时T3由时序单元给出,其余信号由CON 单元的二进制开关模拟给出,其中IOM 应为低(即MEM 操作),RD 、WR 高有效,MR 和MW 低有效,LDAR 高有效。
2.5.实验步骤
MR
MW D7 —————D0D7 —————D0
A7 —————A0
OE CS
T3 IOM
RD WE
读写译码
RD WR
74LS27374LS245IN 单元
AD7
|
||
AD0
LDAR
IOR IN_B
A10 —A8—————
—————
——————————----—————6116
(1)关闭实验系统电源,按图2-5连接实验电路,并且检查无误。
(2)将时序与操作台单元的开关KK1、KK3设置为运行档、开关KK2设置为“单步”档。
(3)将CON单元的IOR开关置为1,打开电源开关。
(4)给存储器的00H、01H、02H、03H、04H地址单元中分别写入数据11H、12H、13H、14H、15H。
由于数据和地址由同一个数据开关给出,因此数据和地址要分时写入,先写地址,具体操作步骤为:
先关掉存储器的读写(WR=0,RD=0),数据开关输出地址(IOR=0),然后打开地址寄存器门控信号(LDAR=1),按动ST产生T3脉冲,即将地址写入到AR中。
再写数据,具体操作步骤为:先关掉存储器的读写(WR=0,RD=0)和地址寄存器门控信号(LDAR=0),数据开关输出要写入的数据,打开输入三态门(IOR=0),然后使存储器处于写状态(WR=1,RD=0,IOM=0),按动ST产生T3脉冲,即将数据打入到存储器中。
写存储器流程如2-6所示(以00地址单元写入11H为例):
(5) 依次读出第00、01、02、03、04号单元的内容,观察上述各单元的内容是否与前面
写入一致。
同写操作类似,读到时候也要先给出地址,然后进行读,地址的给出和前面一样,而在进行读操作时,应先关闭IN 单元的输出(IOR=1),然后使存储器处于读状态(WR=0,RD=1,IOM=0),此时数据总线上的的数就是从存储器当前地址中读出的数据内容。
读存储器的流程如下图2-7所示(以从00地址单元读出11H 为例):
2.6实验结果
给存储器的00H 、01H 、02H 、03H 、04H 地址单元中分别写入数据11H 、12H 、13H 、14H 、15H,依次读出数据为:00010001、00010010、00010011、00010100、00010101。
2.7实验总结 ……………
IN 单元置地址(00000000)地址打入AR (00000000)IN 单元置数据(00010001)地址打入MEM (00010001)
WR = 0RD = 0
IOM =0IOR = 0LDAR = 0
WR = 0RD = 0IOM =0IOR = 0
LDAR = 1T3 = 0
WR = 0RD = 0
IOM =0IOR = 0LDAR = 0
WR = 1RD = 0IOM =0IOR = 0
LDAR = 0T3 = 0
IN 单元置地址(00000000)地址打入AR (00000000)关闭IN 单元输出(********)读出MEM 数据(00010001)
WR = 0RD = 0
IOM =0IOR = 0LDAR = 0
WR = 0RD = 0IOM =0IOR = 0
LDAR = 1T3 = 0
WR = 0RD = 0
IOM =0IOR = 1LDAR = 0
WR = 0RD = 1
IOM =0IOR = 1LDAR = 0。