化学品管理程序(含表格)知识讲解
- 格式:doc
- 大小:172.00 KB
- 文档页数:6
化学品管理程序(ISO14001-2015)1.0目的:配合公司的品质/环境政策目标,确保化学物品等危险品在品质/环境维护、安全考虑、储存空间方面,提供一个安全合理的化学药品或有机溶剂的操作准则,使化学品等危险物品的存放及使用得到有效管理,特制定本程序。
2.0范围:本公司在制造生产过程中,所使用之化学品作业管理及储存等均适用。
3.0定义:化学品,凡本公司在制造生产过程中,所使用之化学品。
4.0权责:4.1资材部:负责化学品采购及化学品的物质安全数据表的取得。
4.2仓管:负责化学品的存放及保管。
4.3管理部:负责化学品妥善使用及放置、回收。
5.0内容:5.1化学品采购申请规范:5.1.1申请:使用单位依规定填写【请购单】,经部门主管签核。
5.1.2购入:采购依【请购单】之需求,进行化学品之采购相关作业。
采购时应确保所采购之化学品在入库时至少有半年之使用期限5.1.3管制作业:5.1.3.1储存管理:a.采购化学品(酒精、清洁剂)及新品种入厂时,应要求供货商提供【材料物质安全表】(MSDS)及品名标示,数据需在储存区及作业场所可随时取得,仓库应根据所储存之化学品编制其相关文件存放于现场,并能得到及时更新。
b.仓库应于化学品储存区域,设置相关【化学品储存与使用作业指导书】,以规范化学品之安全使用及存放,并填写【化学品调查表】,以备监控管理。
c.仓管对于化学品,进行每日(节假日除外)检查,并记录于【化学品、有机溶剂检查表】。
d.化学品储存区要有通风装置,要有防火器具及防止二次污染的具体措施或办法。
5.1.3.2安全管理:(仓管应依下列方式进行化学品储存之安全管理)a.化学品储存区域及使用场所,应严禁烟火,且应有警告标示及【化学品储存与使用作业指导书】。
b.化学品储存区域及使用场所应远离火源。
c.化学品储存区域附近应有取用方便之消防设备(如:灭火器、消防沙等)。
d.作业者于使用化学品作业时,应严禁吸烟及饮食。
危险化学品管理程序(SA8000/ICTI/EICC/BSCI)1、目的保护员工免受化学品的有害影响,保护公众和环境,并让员工获得他们在工作中使用的化学品的有关资料,通过下列方法预防或减少工作中化学品导致的疾病和伤害事故。
2、范围本程序适用于使用化学品的所有采购、使用、仓存部门。
3、定义3.1 化学品:指各类化学元素和化合物,及其混合物,包括天然的或人造的。
3.2 有害化学品:分类为有害或有适当资料指明其为有害的任何化学品。
3.3 作业场所使用化学品:指可能使工人接触化学制品的任何作业活动,包括:化学品的使用、搬运和储存。
3.4 经济活动部门:指雇用工人的所有部门,其中包括公共服务机构。
3.5 物品:指在生产过程中形成特定形状或构型,或以原始形状存在的一种物质,其在这种形态下,该物体的用途全部或部分地取决于其形状或构型。
4、职责4.1 安全主任对化学品作业工人进行培训。
4.2 工人在作业时应遵守与作业场所安全使用化学品有关的所有程序和做法。
4.3 物控部负责选择合格的供货商。
5、工作程序5.1 标签和标识5.1.1 所有化学品应加以标识以表明其特性。
5.1.2 有害化学品应以易于为工人理解的方式另外加贴标签,以便提供关于其分类、具有的危害以及安全预防措施的基本资料。
5.2 化学品安全使用说明书(MSDS)5.2.1 化学品存放需保存一份用中文书写的原材料安全数据单(MSDS)。
5.2.2 MSDS包括以下所有事项:化学品制造商的姓名、地址和电话;商品名称;CAS号码;成分;化学品分子;所有的已经证实对健康有害和占化合物比例1%或更多成份的化学品及其常用名;OSHA最大暴露限度(PEL),ACGCH最低限度值(TLV)和制造商使用的其他暴露限制;物理数据(沸点,蒸汽压力);化学反应;消防数据(燃烧点、爆炸界限、救火程序);爆炸的迹象和征兆;进入的主要途径;急救反应;安全处理与使用的一般预防措施;个人防护用品;如何处理溢出和渗漏;废物处理;MSDS的日期。
危险化学品管理程序1、目的1.1确保危险化学品的有序管理1.2确保危险化学品储存,使用的安全2、范围适用于所有保管/运输/使用危险化学品的部门3、职责3.1运行部:3.1.1按混合车间《请购单》,购买化工料3.1.2化工料到厂后,按照混合车间主任指定的地点搬运摆放物料3.1.3安全的将物料储存于特定的位置3.2混合车间3.2.1安全的使用危险化学品3.2.2安全的储存危险化学品3.3其它使用危险化学品车间3.3.1安全的使用危险化学品3.3.2安全的储存危险化学品4、定义4.1危险化学品是指包括爆炸品、压缩气体和液化气体、易燃液体、易燃固体、自燃物品和遇湿易燃物品、氧化剂和有机过氧化物、有毒品和腐蚀品等。
4.2危险化学品清单:D25/TXIB/甲基环己烷5、详细操作规定5.1运行部仓库5.1.1按《设备安全操作规范》装卸危险化学品,装卸时必须保证轻拿轻放,严禁野蛮装卸,安全第一5.1.2危险化学品放置于专门的“危险化学品仓库”5.1.3放入“危险化学品仓库”的危险化学品必须确保全部夹上静电夹,使危险化学品妥善接地5.1.4运行部采用多批次,小批量采购方式,确保库存的危险化学品不超过15桶5.2混合车间5.2.1按《设备安全操作规范》搬运危险化学品,搬运时必须保证轻拿轻放,严禁野蛮装卸,安全第一5.2.2安全使用危险化学品5.2.2.1打开桶盖前,先加上静电夹,确保接地后,再用专用的开通器打开包装桶5.2.2.2打开桶盖时,一定要确保在桶直立是,先开盖,将桶内的气压卸掉,不能直接将桶倾斜就打开桶盖5.2.2.3严禁敲击撞击包装桶,避免溅起火花发生危险5.2.2.4倒出危险化学品时,原则上要在密闭的,没有任何火花的空间里操作(特别是电器火花),同时必须确保有效的接地,以免液体流出桶口而产生静电5.2.2.5当一桶溶剂用不完,或空桶需要回收重新利用的,必须确保盖紧桶盖,放置于制定的位置5.2.2.6当可以将整桶溶剂用完的,必须确保将桶内余料倒干净,尽量避免残留。
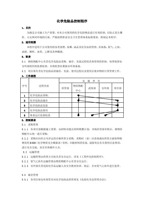
化学危险品控制程序1、目的为满足公司施工生产需要,对本公司使用的化学危险物品进行有效控制,以防止发生爆炸、火灾和对环境的污染。
严格按照职业安全卫生管理体系标准要求,特制定本程序。
2、适用范围本程序适用于公司使用的各类易燃、易爆、油品及化学品的管理。
具体指:氧气、乙炔、油漆、稀料、油类、乙醇及各种酸液。
3、职责3.1物资购配中心负责化学危险品采购、储存、发放过程的具体管理的控制。
每季度参加安环部组织的监督检查,并将检查结果报安环部备案。
3.2项目部负责化学危险品的储存、发放、使用过程以及使用后废弃物的日常管理工作。
5、控制要求5.1采购管理5.1.1各项目部根据施工需要,由材料员提出材料购置计划,市场经营部审核后,报物资购配中心统一进行采购。
5.2.2采购应向经公司评定的合格供货方采购,采购时(前)应查询或向供货方索取所购物资的M SDS(化学物质安全数据表)资料,并随材料的发放,逐级传达有关使用注意事项,进行安全交底,直至具体操作人员。
5.2运输管理5.2.1运输管理由供货方全权负责安全运行,详见《工程外包控制程序》。
5.2.2氧气乙炔车运输管理由物资购配中心负责安全运行。
5.2.3安环部负责危险化学品运输人员安全教育培训、取证。
并对氧气乙炔车进行监管。
5.3储存管理5.3.1各项目部仓库保管员对化学危险品的管理见《危险化学品管理办法》。
5.3.2物资购配中心对各种易燃易爆物品禁止混放应单独分库存放,专人专库管理,防止遗洒和泄漏。
5.3.3各项目部施工方要对氧气、乙炔分开用铁护栏存放,要有防砸、防雨、防火、防晒具体措施,加上危险品标识,保持安全距离。
5.3.4各项目部施工方要严格控制油漆、玻璃钢固化剂、促进剂等稀料的库存量,专人专库管理并作业封闭和配备消防器材。
5.4发放管理5.4.1发放化学危险品由材料员专人负责,建立台帐,对领用物品、数量、领用人及日期进行登记。
5.4.2控制数量,限量发放。
化学品仓库管理流程
1、化学品入库:先由原材料仓物料员在仓库指定场所进行检查,检查商品包装、衬垫、封口等,符合安全储存要求,才准搬运入库,按不同类别分区保管。
2、化学品出库:领用危险化学品,必须分装操作正确,并标有符合商品品名和危险性质的明显标记。
尽量减少危险化学品的库存积压,严格控制存量。
领用时填写好《领用单》,必须遵循“先进先出”的原则,以防过期失效,由主管/负责人审核确认签字后,方可发料操作。
3、储存管理:凡性质各异,互相影响或抵触的化学危险品,必须分区隔离储存。
即使同类商品,虽其性质互不抵触,但也应视其危险性的大小和剧缓程度进行分储。
危险化学品管理规范(含表格)危险化学品管理规范(ISO45001-2017)1 范围本标准规定了危险化学品的采购、验收、储存、使⽤、回收过程的管理内容、管理职责、检查与考核等。
本标准适⽤于⼚危险化学品的管理⼯作。
2 规范性引⽤⽂件下列⽂件中的条款通过本标准的引⽤⽽成为本标准的条款。
其修订版、再版及最新版本适⽤于本标准。
2011-591 国务院令《危险化学品安全管理条例》GB13690-92 《常⽤危险品的分类及标志》GB15603—1995 《常⽤化学危险品贮存通则》GB26164.1-2010 《电业安全⼯作规程》(第1部分:热⼒和机械部分)DL 5027-93 《电⼒设备典型消防规程》3 术语和定义下列术语和定义适⽤于本标准:3.1 危险化学品是指具有毒害、腐蚀、爆炸、燃烧、助燃等性质,对⼈体、设施、环境具有危害的剧毒化学品和其他化学品,⼤致包括爆炸品、易燃液体、易燃固体、⾃燃物品和遇湿易燃物品、氧化剂和有机过氧化物、有毒品和腐蚀品等。
3.2 ⼤宗危险化学品是指⽤于⽣产的、使⽤数量较⼤的化学品,如⼯业硫酸、⼯业盐酸、⼯业碱、氨⽔、次氯酸钠、氯酸钠、联胺等。
3.3 ⼩宗危险化学品是指⽤于分析试验、使⽤储存数量较少的化学品。
3.4 危险化学品标签是⽤⽂字、图形符号和编码的组合形式表⽰化学品所具有的危险性和安全注意事项。
危险化学品标签⼤概内容包括名称、分⼦式、化学成分组成、编号、标志、警⽰词、危险性概述、安全措施、⽣产企业名称等。
3.5 易制毒化学品是指国家规定管制的可⽤于制造毒品的前体、原料和化学助剂等物质。
我⼚常⽤的易制毒化学品有盐酸、⾼锰酸钾等。
3.6 爆炸品是指在外界作⽤下(如受热、受压、撞击等),能发⽣剧烈的化学反应,瞬时产⽣⼤量的⽓体和热量,使周围压⼒急骤上升,发⽣爆炸,对周围环境造成破坏的物品,也包括⽆整体爆炸危险,但具有燃烧、抛射及较⼩爆炸危险的物品。
3.7 腐蚀品是指能灼伤⼈体组织并对⾦属等物品造成损坏的固体或液体。
化学品(含危险化学品)管理流程
2、对接受的MSDS转化为公司内部文件发至相关部门
MSDS
3、各部门应根据本部门的实际情况,在危险化学品的贮存及使用场所配置相应的MSDS (同一部门不同工序使用同一种类危险化学品时,应在每个工序分别配置),以确保相关人员随手可取。
4、危险化学品放置场所应有相应标识(如:化学品名称、安全标识、危险标志),以确保所有人员都能明了该种化学品具有的危险性以及使用时应该注意的事项,避免不知情的人员将其误用的情况发生。
5、各部门负责人应严格按照MSDS 上“接触控制和个体防护”的要求,为使用者配备相应的防护用具并对员工进行操作指导。
6、厂内运输应规定搬运方法、搬运工具进行搬运,并防止搬运过程中的倾倒、洒落、泄漏等。
7、当修补、换装、清扫、装卸易燃、易爆危险化学品时,应使用不产生火花的铜、合金或其他材质的工具
8、在危险化学品工作场所设置急救设施,提供应急处理的方法,对作业员进行相关培训。
当危险化学品出现泄露或发生火灾等紧急情况时,按相应的应急预案及MSDS上“消防措施”“急救措施”“泄漏应急处理”的要求进行处理,尽量把事故的影响降低到最低程度。
7危险化
学品的
废弃
1、 公司对废弃的危险化学品进行统一回收处理,不得擅自排放,抛弃,污染环境。
2、 定义为危废的废弃物应集中回收后委托有资质的第三方处理。
3、 过期或停用的化学品,应由使用或贮存部门通报采购,由采购根据实际情况联系委托外部处理。
危废转移联单使用部门
化学品的使用6使 用 废弃物处理
结 束。
企业危险化学品管理全流程讲解一概述随着科技和工业的不断发展,越来越多的企业需要使用危险化学品来生产产品。
然而,危险化学品的使用和储存也可能带来高风险的事故。
为了保护职工的健康和安全,以及减少环境影响,企业需要进行危险化学品管理。
本文将介绍企业危险化学品管理的全流程。
危险化学品清单管理企业需要建立危险化学品清单,并定期更新。
该清单应包括危险化学品的名称、品牌、CAS号、毒性等级、数量、储存位置、用途、危险性评估等信息。
在清单管理过程中,企业需要注意以下几点:•对危险化学品进行分类并进行标记和标识•确认危险化学品的数量并与清单相符•定期更新清单并审核危险化学品的使用情况危险化学品采购管理企业需要制定危险化学品采购管理制度,并进行执行。
采购管理制度应包括以下内容:•需要危险化学品的部门应提交申请,并经安全环保部门确认•根据清单,采购部门需要购买指定品牌和型号的危险化学品•危险化学品采购前要求供应商提供完整的安全数据表和技术说明书•确认危险化学品是否符合标记、标识和包装的要求•拍摄收货单并将其送至安全环保部门危险化学品接收与储存管理危险化学品的接收应在收货员和危险化学品相关人员的监督下进行。
在接收和储存管理过程中,需要注意以下几点:•确认危险化学品是否符合标记、标识和包装的要求•确认危险化学品数量与采购单数量相符•确认危险化学品的存储位置是否安全•对危险化学品的储存状态进行定期检查和记录危险化学品使用管理为了确保安全生产,企业需要建立危险化学品使用管理制度,并对相关人员进行培训和教育。
该制度应包括以下内容:•部门需要提交危险化学品使用计划,并经安全环保部门审核•使用危险化学品的人员需要进行技能培训,学习有关安全操作和事故应急处理知识•确认使用危险化学品是否符合标记、标识和包装的要求•确认使用危险化学品数量与计划相符•定期进行危险化学品的安全监测危险化学品处置管理企业需要制定危险化学品处置管理制度,并进行执行。
危险化学品安全管理程序(ISO45001:2017)1.目的为了加强对危险化学品的安全使用和管理,保证安全生产,保障企业和员工生命财产的安全,降低消耗,保护环境,特制订本程序。
2.适用范围本程序规定了公司对生产过程中所适用的危险化学品进行控制和管理的方法。
本程序适用于本公司使用的危险化学品的安全管理。
3.定义3.1危险化学品:是指列入GB13690-2009《化学品分类和危险性公示通则》中对人体和环境有显著危险性的化学品。
常用危险化学品按其主要危险特性分为8类:第1类:爆炸品;第2类:压缩气体和液化气体;第3类:易燃液体;第4类:易燃固体、自燃物品和遇湿易燃物品;第5类:氧化剂和有机过氧化物;第6类:有毒品;第5类:放射性物品;第8类:腐蚀品。
4.职责4.1人事行政部:危险化学品归口管理部门,负责危险化学品的申购的审批、使用登记、监督检查及事故应急救援。
4.2仓库:负责危险化学品的储存、领用和废弃的管理。
4.3 各单位:负责工作场所使用危险化学品的安全管理。
4.4采购部:负责危险化学品的采购和供应商的评价管理。
5管理内容5.1审批登记管理5.1.1各部门应根据生产(或活动)情况确定所需的化学品,并将化学品使用申请报告送交人事行政部安全专员审批。
人事行政部根据相关法律法规并结合公司实际情况作出审批。
5.1.2经审批后,采购部门应向供应商索取按照GB/T16483-2008《化学品安全技术说明书内容和项目顺序》要求编制的化学品安全技术说明书资料收集齐全,人事行政部安全专员将相关内容准确、详实登记在《危险化学品清单》,并发放到使用部门,指导其安全操作。
5.1.3各部门将《危险化学品清单》保存完整备查,并依据清单及相关资料经常对工作场所使用和接触危险化学品的员工进行安全使用化学品的教育和培训。
5.2化学品采购与运输5.2.1化学品由采购部门负责统一采购与运输。
5.2.2各单位填写请购申请单(右上角注明“危险化学品”),交人事行政部安全专员审批登记后统一交采购部门采购。
化学品管理程序(ISO14001-2015/ISO45001-2018)1.0 目的为了加强公司化学危险物品申购,储存和使用管理,预防火灾、爆炸及环境污染等火灾事故发生,制定本管理办法。
2.0 适用范围本管理办法适用于公司各部门化学危险物品的申购、储存和使用管理及应急措施。
3.0 引用文件3.1“消防管理办法”3.2“ECOP447应急准备及响应控制程序”4.0 定义4.1 化学危险物品:系指中华人民共和国国家标准《危险货物分类与品名编号》规定的分类标准中的爆炸品、压缩气体和液化气体、易燃液体、易燃固体、自然物品和遇湿物品、氧化剂和有机过氧化物、毒害品和腐蚀品七大类。
5.0 权责5.1 货仓部:监督和管理化学危险物品的申购,储存,搬运。
5.2 各部门负责人:负责本部门员工的相应化学危险知识培训。
6.0 内容6.1 化学危险物品的申购6.1.1 各部门在生产工艺或日常使用中应尽量用非危险物品代替化学危险物品的使用。
6.1.2 危险品的进货量必须符合生产计划的需要,不得超过一定的储存量,由货仓制订出危险品备用量限额的存量规定。
6.1.3 按上述程序申购的化学危险物品由危险品仓库管理人员验收后入库,若使用新的化学品还需附上安全数据表,报环境管理代表批准。
6.2 化学危险品的储存6.2.1 化学危险物品储存场所严禁烟火。
6.2.2 化学危险物品必须室内存放,保持阴凉、干燥、通风。
6.2.3 化学危险物品必须存在专用仓库、专用场地或专用储存箱(柜)内,并由专人管理。
6.3 化学危险物品应当分类分项存放,堆垛之间的主要通道应当有安全距离,不得超量存放。
6.4 化学性质或防护、防火方法相抵触的化学危险物品,不得在同一仓库或同一储存室存放。
6.4.1放射性物品不得与其它化学物品同存一库。
6.4.2氧化剂不得与易燃易爆物品同存一库。
6.4.3能自然或遇火燃烧的物品不得与易燃易爆物品同存一库。
6.5 储存化学危险物品的场所,须配备灭火设施。
文件制修订记录1 目的规范化学品的标示、储存、发放及使用,确保其在良好的受控状态下,避免产生潜在的化学性危害。
2适用范围适用于工厂使用的所有化学品。
实验用化学试剂与生产工艺中使用的溶剂或化学制品不适用于本文件。
3 定义化学品:在产品生产过程中使用的化学物品。
主要是指:生产过程中使用的润滑油(脂)、消毒剂、清洁剂、洗涤剂、冷却剂(油)、灭火剂等。
4职责供应链部:负责化学品的标识、储存、发放管理。
生产管理部:负责化学品的领用和使用。
5控制内容与要求:5.1化学品容器的正确标记标识管理5.1.1入库要求原包装容器的标签标明:容器中的化学品名称、生产厂名、厂址、生产日期、批准文号、使用说明和注意事项等,有毒品要有特殊且醒目的标示。
无标签或标签不全的一律退货处理。
5.1.2岗位盛装化学品的容器应标明化学品名称、浓度,必要时应附使用说明,由各岗位负责。
5.2 化学品的正确储存5.2.1化学品的储存原则5.2.1.1.清洗剂与消毒剂分开存放。
5.2.1.2.一般化学品与有毒化学品分开存放。
5.2.1.3.危险化学品存储区域张贴明确醒目的标示。
5.3化学品的正确使用和管理5.3.1化学品的验收生产用化学品由库管员验收。
不合格品按《不合格品与潜在不安全产品控制办法》处理。
5.3.2化学物品的人库5.3.2.1.进厂化学物品由化学品库管在“化学品台账”上标明化学物品的名称、有效期、毒性、用途、进货日期。
5.3.2.2.库房按防火要求备好干粉灭火器,备好两套以上的防毒面具,耐酸碱手套、胶鞋和防护眼镜等安全设施。
5.3.2.3.化学物品由专人管理。
5.3.3化学物品的领用5.3.3.1.领用时领用人员与库管应核对化学物品标签与实物是否一致,数量是否正确,对标识不清、包装袋(容器)破损或标识同实物不符的,一律禁止使用。
5.3.3.2.领用后一次未用完的化学物品,若两天内仍要使用,可暂存在车间内指定的化学物品暂存区域,超过两天不用的需退库。
危险化学品管理程序(ISO14001-2015)1.0目的为了加强对公司范围内危险化学品的安全管理,保障职工生命财产安全、保护环境。
2.0适用范围适用于公司内储存、运输和使用危险化学品的部门和个人。
3.0危化品的管理范围3.1根据国家有关规定,下列物品属危险化学物品。
a)爆炸品;b)压缩气体和液化气体;c)易燃液体和易燃固体;d)自燃物品和遇湿易燃物品;e)氧化剂和有机过氧化物;f)毒害品;g)腐蚀物品。
3.2本制度中危化品不包括放射性物品。
4.0危险化学物品的计划采购4.1生产需用的危化品由物料部采购提出计划并按有关规定定点采购。
4.2非生产用的危化品由需要部门提出计划,物料部采购负责采购。
4.3购买剧毒品,除凭证采购外,物料部采购还须将采购品种、数量、用途、成份、危险特性等抄送行政部备案。
4.4物料部采购须将生产和非生产用的危化品的品种、数量、用途、成份、危险特性等抄送行政部备案。
5.0危化品的运输装卸5.1“危化品”的运输必须指派有资质的专门单位。
车辆、司机和随车押运人员必须持有上岗证。
5.2装运易燃易爆物品的车辆必须配备有适用的消防器材、熄灭火星装置(排气管处);遇水燃烧物品必须有防水设施,并安排在白天、晴天运输。
易燃液体槽车应有除静电设施。
5.3下列车辆不得装运下列危化品a)三轮机动车、挂车、铲车不得载运爆炸物品、一级氧化剂;b)自行车、摩托车不得载运液化气体、爆炸物品、压缩气体和放射性物质。
5.4装运“危化品”的车辆应保持安全车速,严禁搭乘无关人员,严禁吸烟。
5.5搬运危化品时应轻装轻卸,堆放稳妥,防止撞击,重压,严禁掼摔。
装卸人员应注意防护,穿戴好必要的个人防护用品。
5.6在夏季,当气象预报气温在三十五摄氏度以上时,上午十时至下午三时间应停止装卸、运输易燃易爆化学危险物品。
5.7化学性质相互抵触或消防扑救、防护方法不同的危化品不得同车装运。
6.0危化品入库危化品入库时,库管人员应按规定对数量、质量、包装容器等逐一检查,验收合格后办理入库手续,并做好记录、签证等工作。
文件制修订记录一、管理范围本制度适用于公司生产经营活动中涉及国家《剧毒化学品名录》中公布的所有剧毒化学品的安全管理。
二、管理主体及职责(一)企业主要负责人对剧毒化学品的购买流程进行审批,对公司剧毒化学品安全管理工作全面负责。
(二)物资供应公司负责剧毒化学品的采购、保管、发放并建立台帐,对剧毒化学品供应单位的资质进行审查。
(三)质检部负责分析类剧毒化学品的申购、领用、保管、发放并建立台帐,对单位内的剧毒化学品进行事故应急救援演练工作和日常安全监管。
(四)保卫部负责向当地公安、安监部门报告本公司剧毒品的种类、数量、管理情况等。
(五)各基层单位负责剧毒化学品的申购、领用、保管、使用管理、建立台帐等。
(六)安全环保部负责对剧毒化学品进行安全监管。
三、管理规定(一)申购程序1、由使用单位提出采购申请,报公司主管领导审批,要明确剧毒物品名称、数量及用途,报物资供应公司购买。
2 、供应公司购买剧毒化学品,应当凭公司出具的证明(注明品名、数量、用途)向公安部门申请领取《剧毒化学品购买凭证》或《剧毒化学品准购证》,凭《剧毒化学品购买凭证》或《剧毒化学品准购证》向有资质的经营或生产单位购买。
(1)经常需要购买、使用剧毒化学品的,应当持销售单位生产或者经营剧毒化学品资质证明复印件,向所在地设区的市级人民政府公安机关治安管理部门提出申请《剧毒化学品购买凭证》。
(2)临时需要购买、使用剧毒化学品的,应当持销售单位生产或者经营剧毒化学品资质证明复印件,向所在地设区的市级人民政府公安机关治安管理部门提出申请签发《剧毒化学品准购证》。
申领《剧毒化学品准购证》时,应当如实填写《剧毒化学品准购证申请表》,并提交注明品名、数量、用途的单位证明。
(3)《剧毒化学品购买凭证》由发证公安机关成册核发给本公司的,由本公司负责人按照制度规定审核签批使用。
用完后应当及时将购买凭证的存根交回原发证公安机关核查存档。
(4)物资供应公司应当建立规范的购买凭证保管、填写、审核、签批、使用制度,严格管理。
危险化学品储存使用管理程序(ISO14001-2015/ISO45001)1.0目的:保护员工免受化学品的有害影响同样有助于保护公众和环境,并让员工获得他们在工作中使用的化学品的有关数据,并通过下列方法预防或减少工作中化学品导致的疾病和伤害事故。
2.0范围:本程序适用于使用化学品的所有经济活动部门。
3.0定义:3.1化学品:指各类化学原素和化合物,及其混合物,无论其为天然或人造;3.2有害化学品:分类为有害,或有适当数据指明其为有害的任何化学品;3.3作业场所使用化学品:指可能使工人接触化学制品的任何作业活动,包括:3.3.1化学品的使用;3.3.2化学品的搬运;3.3.3化学品的贮存。
3.4经济活动部门:指雇用工人的所有部门,其中包括公共服务机构;3.5物品:指在生产过程中形成特定形状或构型,或以原始形状存在的一种物质,其在这种形态下,该物体的用途全部或部分地取决于其形状或构型。
4.0职责:4.1各部门主管对化学品作业工人进行培训。
4.2工人在作业时应遵守与作业场所安全使用化学品有关的所有程序和做法。
4.3采购部负责选择合格的供货商。
5.0内容及要求:5.1标签和标识5.1.1所有化学品应加以标识以表明其特性。
5.1.2有害化学品应以易于为工人理解的方式另外加贴标签,以便提供关于其分类,其具有的危害以及应遵循的安全预防措施的基本数据。
5.2化学品安全使用说明书(MSDS)5.2.1化学品存放处需保存一份用中文书写的原材料安全数据单(MSDS)。
MSDS 包含以下所有事项。
化学品制造商的姓名、地址和电话;商品名称;CAS号码;成分;化学品分子式;所有的已经证实对健康有害和占化合物比例1%或更多成份的化学品及其常用名;OSHA最大暴露限度(PEL),ACGCH最低限度值(TLV)和制造商使用的其它暴露限制;物理资料(佛点,蒸汽压力);化学反应;消防数据(燃烧点,爆炸界限,救火程序);爆炸的迹象和征兆;进入的主要途径;急救程序;安全处理与使用的一般预防措施;个人防护用品;如何处理溢出和渗漏;废物处理;MSDS的日期。
化学品管理程序(含表
格)
化学品管理程序
(ISO14001-2015)
1.0 目的
建立本程序对化学品的采购、运输、储存和使用过程实施管理,以减少由此产生的环境影响。
2.0 适用范围
适用于本公司化学品的管理。
3.0 职责和权限
3.1 采购员
3.1.1 按申请单的要求采购并填写《化学品登记表》。
3.1.2 要求供货商提供原材料的ICP数据、成分表(MSDS),如属危险品,则填写《化学危险品登记表》。
3.2品保部:按供货商提供的MSDS(或从有关资料中查找),编制《化学危险品安全数据表(MSDS)》,并督促各部门按规定储存和使用。
3.3仓管员
3.3.1化学品入库前,必须对其进行安全检查,如有泄漏拒绝接受。
3.3.2必须按《化学危险品安全数据表(MSDS)》的储存要求对化学危险品进行严格管理。
3.4 使用部门
严格按照《化学危险品安全数据表(MSDS)》的要求进行操作,做好安全防范措施。
4.0定义
(无)
5.0参考文件和数据
5.1《化学危险品安全数据表》
5.2《应急准备与响应控制程序》
5.3《环境监测与测量控制程序》
5.4《环境管理纠正和预防措施程序》
5.5《废弃物管理程序》
5.6《培训控制程序》
6.0内容
6.1化学危险品的分类
6.1.1 根据GB13690-2009常用危险化学品的分类及标志,结合本公司实际情况将危险品分为三类:
6.1.1.1.1爆炸品。
6.1.1.1.2易燃液体。
6.1.1.1.3有毒化学品。
在《化学危险品登记表》中按此分类方法进行分类。
6.2采购控制
6.2.1 资财部须要求供货商提供原材料ICP数据、成分表(MSDS)或其他相关证明数据,填写《化学品登记表》和《化学危险品登记表》。
6.2.2 资财部将供货商提供的原材料安全数据(MSDS)或其他相关说明书交品保部,由品保部以指导书形式作成《化学危险品安全数据表(MSDS)》,并发至各相关部门。
6.3运输装卸过程的控制
6.3.1资财部要求供货商提供出承担运输服务的承包方有危险品运输资格证,并要求在运输装卸化学危险品时应遵守《化学危险品安全管理条例》,具体要求如下:
6.3.1.1轻拿轻放,防止撞击、推拉、倾倒、泄漏。
6.3.1.2碰撞、互相接触容易引起燃烧、爆炸或产生有毒气体的化学危险品,以及化学性质或防护、灭火方法互相抵触的化学危险品,不得违反配装的限制和混合装运。
6.3.1.3遇热、遇潮容易引起燃烧、爆炸或产生有毒气体的化学品,在装运时应采取隔热、防潮措施。
6.3.1.4运输化学品的车辆必须坚持安全行车,保持车距,严禁违规超车、超速和强行会车。
6.3.1.5装运危险品的车辆进入生产厂区必须装防火罩,排气管应装阻火器。
车辆必须停放在工厂指定的安全地点。
6.4化学危险品的标识及储存
6.4.1 标识:存放化学危险品的场所必须进行特定的标识,并标明化学品名称(或用本公司规定的相应代码来表示)及管理责任者,同时在相应的化学品贴上相应的化学品标志。
6.4.2 储存管理
6.4.2.1化学危险品收货前,由仓管人员仔细检查化学危险品是否有损坏、泄漏现象,是否在有效期内,若不符合要求的,应退货给供货商,符合要求的安排入库。
6.4.2.2 化学危险品按其性质分类别分开储存在指定区域,危险标识置于显眼处,危险品区域内应有良好的通风,防雷击、防火、防爆、防毒害、防泄漏和防潮,具有降温、报警、监测等安全等措施。
6.4.2.3 对易倒的化学危险品不可高层存放。
6.4.3.4 仓库内应有化学危险品性能(如主要化学成分、危险性、预防及处理措施等)方面的数据。
6.5 化学危险品的使用管理
6.5.1在使用化学危险品时一定要让员工了解各种化学危险品的MSDS数据,要求员工严格遵守各项安全生产制度和操作规程。
对接触和使用化学品的相关人员须进行相关知识的培训,具体按《培训控制程序》执行。
6.5.2盛装化学危险品的容器在使用前后必须进行检验,是否有泄漏隐患,防止火灾、爆炸、中毒等事故发生。
6.5.3化学危险品的使用现场应有该化学危险品的性能数据,详见《化学危险品安全数据表(MSDS)》,以便查阅。
6.6 化学危险品应急准备及措施:放置化学危险品的专用区域应当符合有关安全、防火规定,并根据物品的种类、性质设置防火、防雷、报警、灭火、防护围墙等安全措施,具体按《应急准备与响应控制程序》执行。
6.7 废弃物的处理:对废弃的化学危险品及容器,按《废弃物管理程序》的要求进行处理。
6.8 检查与纠正按《环境监测与测量控制程序》、《环境管理纠正和预防措施程序》的要求进行。
7.0 记录表格
7.1《化学品登记表》
化学品清单.xls
化学品管理登记表.
doc
7.2《化学危险品登记表》
化学危险品物资性
能及储存量表.doc。