最新柴油发电机尾气处理工程技术规范
- 格式:docx
- 大小:93.58 KB
- 文档页数:5
方案目录第一章发电机尾气治理工程设计方案2一、概述2二、设计依据2三、设计原则2四、设计范围2五、设计参数及排放标准3六、工艺流程设计3七、主要设备选型5八、附图、报价单7第一章发电机尾气治理工程设计方案一、概述其发电机房装有2台柴油发电机(310KW+800KW),以备停电时使用.该发电机以柴油为燃料,柴油在不完全燃烧过程中产生含氮氧化物、一氧化碳、颗粒物、硫化物及黑度的废气,如不经处理而直接排放,会对周边环境产生一定的影响.为了使其发电机尾气能达到环保要求排放,该公司特委托东莞绿峰环保机电工程有限公司对此尾气提供治理设计方案,以供参考。
二、设计依据(1)《中华人民共和国污染防治法》;(2)《三废处理工程技术手册》废气卷;(3)《全国通用通风管道计算表》;(4)现场勘察的有关资料;(5)我公司对同类废气的处理经验.三、设计原则(1)采用先进、合理、成熟的处理工艺。
(2)工艺设计与设备选型能在运行的过程中有较大的调节余地。
(3)操作管理方便,节省动力消耗和运行费用.四、设计范围(1)工艺设计(2)设备选型及设计(3)工程投资预算(4)运行费用分析五、设计参数及排放标准1、设计参数根据业主提供的资料及现场收集的资料,其发电机房装有2台柴油发电机。
其中两台发电机分别配套一套发电机尾气处理系统,其中310KW发电机配套处理风量4000m3/h的尾气处理系统一套,800KW发电机配套处理风量10000m3/h的尾气处理系统一套。
2、排放标准处理后发电机尾气排放执行《大气污染物综合排放标准》GB16297—1996第二时段二级标准SO2:≤550mg/m3颗粒物:≤120mg/m3林格曼黑度:≤1级六、工艺流程设计(一)工艺选择说明:发电机采用0#柴油为燃料,柴油在燃烧过程中主要产生含二氧化硫、氮氧化物和烟尘的高温尾气,我公司建议采用水喷淋法对此尾气进行脱硫除尘治理,同时根据这种尾气溶于水后使水呈酸性,腐蚀性大的特点,我公司设计主体设备采用不锈钢材质制作,并采用双碱(氢氧化钠+石灰)溶液喷淋,酸碱中和,降低对设备的腐蚀性. (二)工艺流程图(三)工艺原理本工艺采用双碱吸收法,该工艺以氢氧化钠/石灰溶液作为吸收剂来处理,以新型高效旋流板废气吸收塔为主体,工作原理为:柴油燃烧产生的黑烟,在发电机排气压力的作用下,从底部进入烟气净化器,与喷头喷雾所形成的液膜相接触后,(碳黑)被捕集液吸收,与此同时,液雾在旋流带动下,也作旋转运动,尘粒在液雾的作用下变湿变重,通过离心力和惯性力的作用被甩向外壁,使尘气分离,变湿的烟尘由底部排污口排出,净化后废气从废气吸收塔的烟囟出口高空达标排放。
柴油发电机废气排放执行标准
柴油发电机废气排放执行标准是指针对柴油发电机运行中产生的废气排放进行限制和规范的标准。
其目的是为了保护环境,防止空气污染,保障人类健康。
根据我国相关法律法规和国际标准,柴油发电机废气排放执行标准应包括以下内容:
1. 柴油发电机废气排放的主要污染物种类和排放限值,如氮氧化物、颗粒物、硫氧化物等。
2. 废气排放监测和检测方法和标准,如依据国家标准和ISO国际标准进行废气排放检测。
3. 废气排放的监管责任和处罚措施,如对违反排放标准的柴油发电机进行罚款或强制停运等措施。
4. 柴油发电机废气排放执行标准的适用范围和对象,如适用于各类柴油发电机及其使用单位等。
综上所述,柴油发电机废气排放执行标准是一项非常重要的环保标准,其执行情况直接影响到环境和人类健康。
因此,各相关单位和个人应严格遵守相应的规定和标准,共同落实环保责任,保护生态环境。
- 1 -。
柴油发电机组烟气治理方案一、设计要求1、本情况发电机工作时,产生大量的SO2、SO3NO2、NOX。
CO2,颗粒等有毒废气与烟尘,其中SO2、SO3NO2排放到大气中,与水蒸气结合成硫酸和硝酸,形成酸雨现象:远远超过《大气污染物综合排放标准》GB1627-1996及《工业企业设计卫生标准》T136-79国家标准、《大气污染物排放限值》DB44/27-2001广东省标准。
污染厂界周边环境、严重损害人们身心健康与降低了人们工作效率。
2、设计要求在确保发电机正常工作前提下,对该发电机组进行废气、废尘冶理,对整以发电机组进行工艺除尘,使发电机组废尘减低95%以上,达到国家废气标准要求,而且设图标投资小,系统运行可靠。
根据以上要求,我们设计本方案二、废气净化依据标准1.废气排放量废气排放量2、净化性能标准治理后柴油发机的废气满足GB16297-1996《大气污染综合排放标准》NOX<240mg/m3;SO2<550 mg/m3;烟色;林格曼黑度一级以下。
三、设备选型1、“永达兴”除尘器永达兴除尘器有脉动水浴式除尘器、水膜除尘器、泡沫除尘器、立式旋风除尘器五种。
根据贵司康明斯发电机组,本设计方案来用水浴除尘器。
水浴除尘器只能采用一道水浴即可,留出进排气口,内部安装不吼网板,钢面钢板采用φ=2.0m2、消音、烟管工程价格:孔板剪栽,外接双头喷式喷头,即洒水器,将双层孔板800㎜间隔安装于除尘器内,此孔板利用减小共振结构的孔径,运到控制水廉平衡的目的,同时利用风道的风力强度来控制上下吸尘泡沫水廉效率,可以在较宽的范转内获得良好的吸尘效果,在水浴除尘器内烟管朝下使风速由直通改为旋风,颗粒物质重心失衡,从而使烟尘得到除尘净化要求.“永达兴”除尘器具有除尘效果好,阻力小(单级阻力小于1000/pa),再生废尘低,同时具有耐高温、不怕油雾,能承受较高的气流冲打,粘有粉尘、油污易于清洗等优点。
3、水泵1)型号:GD型列管道泵;2)适用范围:使用温度在900C以下;3)特点:GD型系列管道专为高层增压送水,解决管道压力过低面研制的新式立式单级离心泵,采用先进的机械密封,电机主轴直接安装叶轮,具有漏损少、效率高、耗率高、耗电省、结构紧凑、体积小、重轻、安装方便,并可根据扬程和流量采用单联或并联使用。
发电机尾气通过钢烟囱排放,发电机组运行时柴油机排出的尾气是一种高温高速的脉动性气流,噪声大,污染重。
柴油燃烧时排放烟气中含有大量碳黑、SO2、NOx等有毒有害物质,若不加处理直接排放,对大气环境会造成污染,根据国家的环保要求,对该废气进行治理后达标排放。
一、设计依据及标准1、建设单位提供的有关原始技术资料;2、《环境空气质量标准》(GB3096-1996)中的二级标准;3、《大气污染物排放限值》(DB44/27-2001)中的二时段二级标准;4、《三废处理工程技术手册》(废气卷);二、烟气量和污染物浓度柴油发电机 1250KVA 4台烟气量 266.5m3/min·台(15990 m3/h·台)排气温度 484℃最大背压 6.7KPa因该项目柴油发电机组使用0#柴油,其含硫量为0.25%,排放的尾气中二氧化硫浓度为380mg/m3,碳黑含量超过500 mg/m3。
三、设计目标尾气治理后排放浓度应达到广东省《大气污染物排放限值》(DB44/27-2001)中“燃油锅炉大气污染物排放限值”二时段二级标准,列表如下:四、工艺设计对柴油发电机组排出的尾气黑烟,按目前的常规做法是采用旋流板水洗喷淋法,采用旋流板式喷淋塔,气体在塔内由下向上高速运动,与自上向下喷出的洗涤液相接触,由于塔内设置了多层旋流板,它能增加气液接触面积和接触时间,使尾气与水在塔内和板面上充分接触。
尾气中的污染物质碳黑在与喷淋水接触过程中,被水充分吸附,得以净化;尾气中NOx、SO2等气态污染物通过在喷淋水中加入一定比例的NaOH 使喷淋水呈碱性,在喷淋过程中,水与尾气接触时,发生化学反应,使NOx、SO2等气态污染物得到中和达到良好的处理效果。
在整个尾气净化过程中设备无需清洗,所用的喷淋水可循环使用,整个处理过程可实现自动控制,操作简便。
故在本方案中选用旋流板式喷淋塔工艺对发电机尾气进行净化处理。
化学反应:SO2+2NaOH Na2 SO3+H2ONOx+ NaOH Na NOx+ H2O系统流程框图五、工艺流程说明发电机尾气排放口安装有消音器和热交换器,尾气经消音器和热交换器,进入旋流板喷淋塔,喷淋水由循环泵提升进入喷淋塔,通过螺旋喷头喷出,螺旋状锥型水膜与尾气在塔内和板面上充分接触发生化学反应,净化后的烟气直接从喷淋塔顶部排气管排空;洗涤液经沉降池沉淀后进入循环水槽,由循环泵提升喷淋水循环使用,沉淀污水定期排至厂内污水处理系统净化排放。
柴油发电机组尾气综合治理说明柴油发电机组的治理,根据目前国家最新的大气污染物排放标准及各地地标,主要治理的内容是:SO2(二氧化硫)、CO(一氧化碳)、HC(碳氢化合物)、PM(颗粒物,黑烟)、NOx(氮氧化合物)。
以下讨论以轻柴油为主,关于重油、生物质柴油部分内容可供参考:SO2(二氧化硫):主要和油品有关,目前国内使用的国四0号柴油,含硫量是50ppm,发电机组燃烧后的排放值远低于国标要求的240mg/m³,不需要再进行脱硫CO(一氧化碳)、HC(碳氢化合物):目前非道路柴油机排放限值(国三、国四阶段)中对CO和HC有限定。
各地执行的大气污染物排放标准则较少关注此两项排放。
该两项的超标可以使用DOC(氧化催化器)来解决,DOC贵金属氧化型催化转化器主要目的是降低一氧化碳(CO)和碳氢化合物(HC)的排放及部分颗粒物(PM),化学反应原理:CO+O2→CO2HC+O2→CO2+H2OC+O→CO2PM(颗粒物,黑烟):当前模糊一些的地方发电机组尾气排放执行林格曼一级的要求,实际上国内的环保法规对颗粒物要求约在30mg/m³。
传统意义的直喷柴油发动机黑烟较大不能满足该排放要求,大部分电喷机黑烟方面表现良好。
针对黑烟的处理,DPF作为颗粒物的捕集器可将PM碳颗粒物捕集到DPF内部,依靠前置的DOC氧化生成的NO2和尾气中固有的NO2,与捕集到的碳颗粒物在贵金属催化剂的助力下发生反应将部分C颗粒物燃烧,延长DPF清灰时间。
反应的化学方程式如下:C+2NO2=CO2+2NONOx(氮氧化合物):主流大功率1000kW柴油机,NOx氮氧化合物原排均在≥3000mg/m ³,而国家及各地标准约在150mg/m³以下,等于脱硝率需要在94%以上。
目前主流的脱硝办法是SCR(选择性催化还原)。
SCR技术是目前国际上主流高效去除尾气中NOx的技术路线。
主要用于还原排气中的NOx,在一定温度范围内,催化剂将NOx分解成无害的氮气(N2)和水(H2O),同时,在SCR催化剂的末端涂覆ASC(氨氧化催化剂),将未反应完全的氨气氧化,防止氨气泄露。
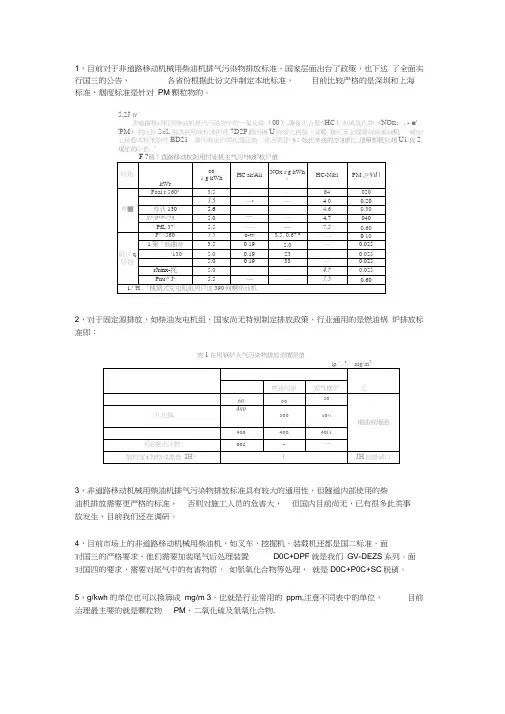
1,目前对于非道路移动机械用柴油机排气污染物排放标准,国家层面出台了政策,也下达 了全面实行国三的公告,
各省份根据此份文件制定本地标准,
目前比较严格的是深圳和上海
标准,烟度标准是针对 PM 颗粒物的。
5,2J W.
非道躍移动机用柴油机排汽污染物中的一氧化碳(00).簾亂化合勒<HC )和風氣化物 <NO K :. - ■' 'PM )豹比拌SdL 抿淇扶照車标准附件7D2P 聽所蹲U 的須化務裁(戏觸 排吒肓业理篥统前菓袖机).诫加上按腮本标准附件BD21。
睾所确定的雳化悽正值(未安裳排 %;处比亲统的空油机匸结舉郡机应趙U1我2规圧的应值“
2,对于固定源排放,如柴油发电机组,国家尚无特别制定排放政策,行业通用的是燃油锅 炉排放标准即:
表1在用锅炉大气污染物排放浓厦限值
<,r J
3,非道路移动机械用柴油机排气污染物排放标准具有较大的通用性,但隧道内部使用的柴 油机排放需要更严格的标准, 否则对施工人员的危害大, 但国内目前尚无,已有很多此类事 故发生,目前我们还在调研。
4,目前市场上的非道路移动机械用柴油机,如叉车,挖掘机,装载机还都是国二标准,面 对国三的严格要求,他们需要加装尾气后处理装置
D0C+DPF 就是我们 GV-DEZS 系列。
面
对国四的要求,需要对尾气中的有害物质, 如氮氧化合物等处理, 就是D0C+P0C+SC 脱硝。
5,g/kwh 的单位也可以换算成 mg/m 3,也就是行业常用的 ppm,注意不同表中的单位, 目前
治理最主要的就是颗粒物
PM ,二氧化硫及氮氧化合物.。
柴油发电机废气处理方法下载温馨提示:该文档是我店铺精心编制而成,希望大家下载以后,能够帮助大家解决实际的问题。
文档下载后可定制随意修改,请根据实际需要进行相应的调整和使用,谢谢!并且,本店铺为大家提供各种各样类型的实用资料,如教育随笔、日记赏析、句子摘抄、古诗大全、经典美文、话题作文、工作总结、词语解析、文案摘录、其他资料等等,如想了解不同资料格式和写法,敬请关注!Download tips: This document is carefully compiled by the editor. I hope that after you download them, they can help yousolve practical problems. The document can be customized and modified after downloading, please adjust and use it according to actual needs, thank you!In addition, our shop provides you with various types of practical materials, such as educational essays, diary appreciation, sentence excerpts, ancient poems, classic articles, topic composition, work summary, word parsing, copy excerpts,other materials and so on, want to know different data formats and writing methods, please pay attention!柴油发电机作为一种常见的发电设备,在工业生产和日常生活中被广泛使用。
柴油发电机尾气处理装置技术要求本工程发电机房为11m×8m×6m的独立房间,安装1台1200KVA发电机,燃用0#柴油,柴油在不完全燃烧过程中产生含氮氧化物、一氧化碳、颗粒物、硫化物及黑度的废气,如不经处理而直接排放,会对周边环境产生一定的影响。
为了使其发电机尾气能达到环保要求排放。
滤料应方便清洗和再生。
处理器应有应急旁路,在滤料堵塞的情况下,可自动打开旁通,以减少排气阻力。
外壳材质为不锈钢,过滤器材质为碳化硅。
1.符合规范(1)《中华人民共和国大气污染防治法》(2)《环境空气质量标准>>(GB3095-1996)(3)《大气污染物综合排放标准》(GB16297-1996)(4) 现场环境2、排放标准(1) 送抵工地的发电机尾气处理装置均应是全新制成品。
(2) 在运送和储存期间应采取正确的保护设施,以确保发电机尾气处理装置及配件在任何情况下不受破损。
(3) 处理后发电机尾气排放SO2、颗粒物、林格曼黑度执行本地区《大气污染物综合排放标准》GB16297-1996标准。
(4) 发电机尾气处理装置须附有详细标明厂家的名称、设备的型号和编号及有关的技术数据等资料的标志名牌。
(5) 必须符合当地环保部门环保产品(技术)资质要求。
3.颗粒捕集器(DPF)工作原理颗粒捕集器滤芯(DPF)为净化装置的核心技术,DPF采用碳化硅陶瓷,并加工成壁流式多孔陶瓷,需对捕捉柴油应急发电机组尾气排放的颗粒物有极高的效率。
DPF的每一个通道在一端开口,在另一端封口,气体通道为孔壁在的微孔,柴油发电机的排气从入口进入过滤体,然后由入口通道的壁流面流出,颗粒物被拦截在孔内,过滤后的气体排出相关参数如下:4. 黑烟处理器净化装置主要技术参数及相关要求4.1主要技术参数4.2 黑烟处理器尾气净化装置结构装置构成:进气口组件、出气口组件、紧急旁通组件、捕集器DPF组件、压力报警系统。
4.3滤烟去除发电机产生之黑烟,废气通过壁流式陶瓷滤芯,通过孔径的设计,使清洁气体通过,颗粒物被截留在滤芯里,以达到过滤黑烟的效果。
柴油机的废气后处理技术柴油机是目前普遍使用的动力设备之一,它的高效、可靠、经济的特性受到广泛的赞誉。
但是,与此同时柴油机所释放的废气也成为了环保问题的一大难点。
废气中的有害物质对环境和人体健康带来了很大的危害,需要进行严格的控制和治理。
因此,柴油机废气后处理技术的研究和实际应用已经成为了当前重要的研究领域之一。
一、柴油机废气处理的现状1.柴油机废气污染的主要成分柴油机废气中有害成分的主要包括:氮氧化物(NOx)、固体级颗粒物(PM)、未燃烧氢碳化合物(UHC)、一氧化碳(CO)等。
2.柴油机废气排放标准柴油机废气排放标准是国家对柴油机废气排放进行规范的一个重要指标。
根据《柴油机污染物排放标准》的规定,柴油机废气排放标准分为国〇、国Ⅰ、国Ⅱ、国Ⅲ、国Ⅳ、国Ⅴ和国Ⅵ七个阶段,分别相应限制了废气种类和排放的污染物。
3.柴油机废气后处理技术的主要类型在对排放柴油机废气进行治理时,通常采用两种处理方式:一是通过化学反应丰富废气中的氧气和污染物,从而将废气中的有害物质转化成无害物质。
常见的处理技术有:选择性催化还原(SCR)、选择性催化氧化(SCO)、颗粒物捕捉(DPF)等;二是通过物理过滤的方式捕捉废气中的颗粒物和烟雾,从而将有害物质从废气中去除。
这种处理技术有常见的电子烟雾(ESP)技术。
二、柴油机废气后处理技术的研究与发展1.颗粒物捕捉技术颗粒物捕捉技术是一种通过物理过滤的方式捕捉烟雾和颗粒物的处理技术。
与其他处理技术相比,颗粒物捕捉技术具有更高的适用性和良好的稳定性,这是因为它所过滤的物质只包含了颗粒物。
颗粒捕捉器使用具有特殊网址的材料,将烟雾和颗粒物过滤掉,从而将它们从废气中去除。
这种处理方式适用于低逸出的排放限制,具有设备体积小、结构简单、运行寿命长等优点。
2.选择性催化还原(SCR)技术选择性催化还原(SCR)技术是一种化学反应的小器件,它在柴油机废气处理中有着广泛的应用。
技术利用像铜铁等催化剂,协助废气中的氮氧化物和氨水发生反应,将它们转化为亚氮化物和水。
柴油发电机尾气处理工程技术规范1 适用范围本标准规定了柴油发电机尾气处理工程的设计、施工、验收以及运行管理的技术要求,可作为环境影响评价、可行性研究、设计施工、环境保护验收及建成后运行与管理的技术依据。
2 规范性引用文件(1)环境保护有关法律法规(2)大气污染物综合排放标准(GB16297-1996)(3)广东省地方标准《大气污染物排放限值》(DB44/27-2001)3 总体设计(1)柴油发电机尾气处理工程的设计建设,除应遵守本技术规范外,还应符合国家现行的相关强制性标准的规定。
(2)应根据企业柴油发电机尾气中气体污染物种类、浓度及处理要求等条件确定柴油发电机尾气处理工程的处理规模和处理工艺,做到保护环境、经济合理、技术可靠。
(3)处理工程技术方案的选择应符合环境影响评价报告书批复文件的要求,柴油发电机尾气处理后应稳定达到有关国家和地方排放标准的规定。
4 工艺技术要求工厂应做好发电机日常维护保养,采取多种形式的节能减排措施,如使用燃油添加剂、润滑油添加剂及安装换热器等。
针对柴油发电机的尾气,目前可以采用的技术主要有:低温等离子体技术、三效催化剂闭环控制系统、碱法吸收处理。
4.1液体吸收-低温等离子体催化组合柴油发电机尾气净化设备该设备集中了液体吸收技术和低温等离子体催化新技术的诸多优点,处理效果良好(95%以上),运行稳定,维护简单等。
主要工艺流程如图1所示:柴油发电机尾气经过液体吸收单元、水雾过滤网、等离子体单元、催化单元等的处理后在油雾、炭黑等颗粒物和SO2、NOX、CO、CH等气态污染物均可以很好地去除,技术先进可靠。
该技术核心是低温等离子体单元,技术关键是:大功率高压快速上升沿窄脉冲电源设计制造,本系统使用IGBT驱动的无感电源,具有上升沿速度快、拉弧保护、过载保护、等特点。
单电源功率200W。
高压电源与放电、捕集极板的匹配技术、绝缘技术、安全防护技术,保证电源工作在理想的负荷状态。
催化剂极板的催化剂合成、担载和制作技术,采用纳米材料原位装配技术、辅助烧结、表面活化处理技术,使催化剂极板具有耐轰击、耐腐蚀、长寿命、可清洗等技术条件。
发电机行业尾气治理执行标准(总1
页)
--本页仅作为文档封面,使用时请直接删除即可--
--内页可以根据需求调整合适字体及大小--
1,目前对于非道路移动机械用柴油机排气污染物排放标准,国家层面出台了政策,也下达了全面实行国三的公告,各省份根据此份文件制定本地标准,目前比较严格的是深圳和上海标准,烟度标准是针对PM颗粒物的。
2,对于固定源排放,如柴油发电机组,国家尚无特别制定排放政策,行业通用的是燃油锅炉排放标准即:
3,非道路移动机械用柴油机排气污染物排放标准具有较大的通用性,但隧道内部使用的柴油机排放需要更严格的标准,否则对施工人员的危害大,但国内目前尚无,已有很多此类事故发生,目前我们还在调研。
4,目前市场上的非道路移动机械用柴油机,如叉车,挖掘机,装载机还都是国二标准,面对国三的严格要求,他们需要加装尾气后处理装置DOC+DPF,就是我们GV-DEZS系列。
面对国四的要求,需要对尾气中的有害物质,如氮氧化合物等处理,就是DOC+POC+SCR脱硝。
5,g/kwh的单位也可以换算成mg/m3,也就是行业常用的ppm,注意不同表中的单位,目前治理最主要的就是颗粒物PM,二氧化硫及氮氧化合物.
2。
工程机械用柴油机尾气控制技术近年来,随着国家环保政策的不断推进,工程机械用柴油机尾气控制技术也变得越来越重要。
由于工程机械用途特殊,使用环境也较为复杂,很难进行实行标准化的控制。
因此,在尾气控制方面,也存在一些问题和困难。
一、工程机械用柴油机尾气排放的重要性和现状随着城市化进程的加速,工程机械在市区等区域的建设和维护中越来越重要。
同时,在工程作业中,工程机械所产生的尾气排放也成为了环保的重要问题。
据统计,工程机械用柴油机尾气产生了大量的PM2.5、NOx、HC、CO等有害物质,对环境和人类健康带来了严重威胁。
二、工程机械用柴油机尾气排放的控制技术近年来,工程机械用柴油机尾气排放控制技术不断发展。
其中,主要包括以下几方面内容:(1)涡轮增压和中冷技术涡轮增压和中冷技术是目前工程机械用柴油机尾气排放控制技术中最常用的控制技术。
涡轮增压可以提高柴油机的压力和效率,从而减少废气排放;中冷技术则可以降低排放温度,减少NOx和PM2.5的排放。
(2)柴油精炼和柴油催化剂柴油精炼和柴油催化剂也是目前工程机械用柴油机尾气排放控制技术中比较常用的技术。
通过柴油精炼和柴油催化剂的处理,可以降低柴油机的废气排放,减少对环境的污染和对人类健康的危害。
(3)冷却废气再循环技术冷却废气再循环技术可以将部分废气再循环到柴油机中进行燃烧,从而减少NOx和PM2.5的排放。
这种技术可以有效地减少排放物质的同时,更好地发挥柴油机的效能。
三、未来发展趋势未来,工程机械用柴油机尾气控制技术的发展方向将会更倾向于绿色和高效的方向。
其中,主要包括以下几个方面:(1)发展深度净化技术当前的工程机械用柴油机尾气排放控制技术主要解决了NOx、PM2.5等有害物质的控制,但对其他排放物质的控制还需进一步加强和深化。
因此,未来的发展方向将可能会发展出更加精细的深度净化技术。
(2)探索新型燃料新型燃料(如水解甲醇、生物柴油等)的开发和应用也将成为未来的发展趋势。
柴油发电机技术规:附件1 技术规1. 总则1.1本设备技术规书适用于煤电基地田集电厂工程的柴油发电机组,它提出了该设备的功能设计、结构、性能、安装和试验等方面的技术要求。
1.2 买方在本技术规书中提出了最低限度的技术要求,并未规定所有的技术要求和适用的标准,卖方应提供一套满足本技术规书和所列标准要求的高质量产品及其相应服务。
1.3 卖方如对本技术规书有偏差(无论多少或微小)都必须清楚地表示在本技术规书的附件13“差异表”中。
否则买方将认为卖方完全接受和同意本技术规书的要求。
1.4 本设备技术规书所使用的标准如遇与卖方所执行的标准不一致时,按较高标准执行。
1.5 本设备技术规书经买、卖双方确认后作为订货合同的技术附件,与合同正文具有同等法律效力。
1.6 本设备规书未尽事宜,由买卖双方协商确定。
1.7 卖方所供设备采用KKS编码,卖方提供设备的KKS编码清单。
KKS编码规则由买方提供。
应答:满足要求。
2 工程概况本期工程新建2台600MW汽轮发电机组,2台机组均采用发电机变压器组单元接线,以500kV电压接入系统。
发电机出口不设断路器,发电机与主变压器用离相封闭母线相连接。
应答:满足要求。
3 设计和运行条件3.1 系统概况和相关设备每台机组设置一台柴油发电机作为本单元机组的应急保安电源,与柴油发电机组配套的附属设备应包括控制、保护等设备。
3.2 工程主要原始资料3.2.1气象资料(1) 气温历年平均气温15.5℃极端最高气温41.2℃极端最低气温-22.2℃历年平均最高气温 20.4℃历年平均最低气温 11.4℃最热月(7月)平均最高气温32.5℃最冷月(1月)平均最低气温 6.3℃(2) 气压历年平均气压1013.3 hPa(3) 湿度历年平均水汽压 14.9hPa历年最大水汽压 40.2hPa历年最小水汽压 0 hPa历年平均相对湿度 72%历年最小相对湿度 2%(4) 降水量年最大降水量1567.5 mm年最小降水量471.0 mm历年平均降水量 928.5mm历年最大日降水量 218.7mm(5) 蒸发量历年平均蒸发量 1600.3 mm最大年蒸发量2008.1 mm(6) 风速及风向历年平均风速2.7 m/s历年最大风速19.0 m/s五十年一遇离地十m十分钟平均最大风速 23.7 m/s五十年一遇平均最大风速23.7 m/s时相应基本风压 0.35 kN/m2历年主导风向E历年夏季主导风向 E历年冬季主导风向 E、ESE(7) 日照(1996~1999年无资料)历年平均日照百分率 51%年平均日照时数 2218.7 h(8) 其它气象要素历年平均大风日数 7.5 d历年平均雷暴日数 26.6d历年平均降水日数 105.9d历年平均雾日数 17.3d历年最大积雪深度 35 cm历年最大冻土深度 13 cm地面平均温度17.5℃地面最高温度79.8℃地面最低温度-23.6℃(9)海拔高度:不超过1000m。
发电机组尾气治理方案2023年9月1项目简介发电机组在运行过程中产生的尾气未经处理直排,超过国家规定的排放标准。
为贯彻《中华人民共和国大气污染防治法》,现委托我司对上述尾气进行治理,以确保符合环保相关排放要求。
受委托对此进行了方案设计。
2设计依据、原则、目标及范围2.1设计依据1)《中华人民共和国环境保护法》2)《中华人民共和国大气污染防治法》3)《大气污染物综合排放标准》(GB16297-1996)4)广东省《大气污染物排放限值》(DB427-2001)5)《电气装置安装工程配线工程施工及验收规范》(GB50258-96)6)《机械设备安装施工及验收规范》(TJ231-78)7)《工业管道工程施及验收规范》(GBJ235-82)8)《通风与空调工程施工及验收规范》(GBJ243-82)9)《建筑安装工程质量检测评定标准(通用机械安装工程)》(TJ305-75)10)《低压配电装置及线路设计规范》(GBJ54-83)11)《通用用电设备配电规范》(GBJ50055-93)2.2设计目标项目尾气排放执行广东省《大气污染物排放限值DB4427-2001》第二时段二级标准,各污染物排放标准如下表:表2-1 污染物排放标准2.3设计原则1)严格执行国家和地方有关环境保护的各项规定,确保各项污染指标达到国家及地方有关污染物排放标准。
2)经济性:在项目设计时,应充分考虑到项目的实用性、可操作性、易维护性等方面的因素,本着合理、科学、实用和为业主节约造价、运行成本的原则,满足项目要求;3)处理量设计:尾气治理工程应确保达到整体设计目标中的排放标准,还应针对废气季节性浓度变化的特点,有充分的应对措施,确保恶劣条件下的稳定达标。
4)结合工程条件和排放标准,谨慎合理选择工程设计方案,并尽量采用先进技术、新材料、新布局,以减少运行费用,确保处理系统长期运行安全可靠;5)选用的设备、配件、材料等均要求质量可靠、通用性强、运行稳定、便于维修;6)结构、构件、设备及材料的选用应满足防火、防爆、防台风和抗震等要求;7)结合场地条件,正确分区布置工艺系统,有利于安全、卫生、消防、节能、环保等设计要素出发,采取必要的隔断、隔离设施,并注意防火问题和防火分割。
发电机噪声、尾气,锅炉尾气处理工程简介安装4台1125KVA“康明斯”发电机,同时工作3~4台,燃用0#柴油。
发电机房为一20m×12m×6.2m的独立平房。
本工程设计主要为柴油发电机组的机房通风、噪音治理、尾气治理、尾气余热回收工程设计。
发电机运行过程中单台发电机设备产生的高频噪声达到94dB,叠加噪声可达103~105dB,严重超过国家的噪声控制标准,会影响工厂的正常生产和生活。
发电机尾气是一种高温烟气温度高达480~490℃,本方案拟对该热源进行余热利用,回收热量减少热耗。
第一部分发电机机房通风、噪音治理一、机房通风和噪声源发电机组在运行过程中会产生大量辐射热,所以机房设计中机组的冷却和通风非常重要。
只有保证机房内足够的空气流量,及时带走发电机辐射的热量,才能满足机组正常的工况。
若无良好的冷却和通风,会使机组功率折损,并使机组高水温停机,从而影响机组的使用。
发电机组通风量包括两部分:⑴柴油燃烧时消耗的空气量;⑵冷却所需的空气量。
发电机组的噪声主要分为排烟噪声、机械噪声和机组振动噪声三部分,针对三部分的噪声,进行环保降噪治理。
二、设计依据及标准1.建设单位提供的有关原始技术资料;2.工业企业厂界噪声标准》(GB12348-90)Ⅱ类标准;3.有关的设计规范及设计手册。
噪声标准执行《工业企业厂界噪声标准》(GB12348-90) Ⅱ类标准。
标准值见下表:类别昼间夜间Ⅱ60 dB(A)50 dB(A)本柴油发电机房治理工程按达到Ⅱ类昼间标准进行设计,即经治理后其边界噪声值昼间不大于60dB(A)。
三、设计计算与作用原理1、机组通风系统:自然进风:机组自带风扇吸入冷空气并经发电机底部流过散热器相连的导风管排到户外。
机房进、排风口:2.5×1.5m 各四个进风风速按:2.5m/s计算,总进风量Q=4×2.5×1.5×2.5×3600=135000 m3/h单台发电机燃烧消耗空气量为:99.7 m3/min单台发电机冷却所需空气量为:1488 m3/min发电机组通风量为:4×(99.7+1488)×60=381048 m3/h通过计算可见自然进风量不能满足发电机组通风量,因此需强制进新风。
柴油发动机尾气后处理技术发布时间:2021-06-29T10:46:07.867Z 来源:《基层建设》2021年第6期作者:刘庆洋李艳荣蒋玲王朋王冯[导读] 摘要:近年来,我国经济迅速发展,但与此同时,我国也面临着严重的环境污染问题,这是最严重的问题。
中国石油集团济柴动力有限公司山东济南 250306摘要:近年来,我国经济迅速发展,但与此同时,我国也面临着严重的环境污染问题,这是最严重的问题。
为了解决一系列环境问题,主要是因为内燃机排放量低于标准,政府制定了内燃机排放标准和减少污染。
为此,有关技术人员必须对柴油机进行改造,使其排气符合排放标准。
本文件主要分析了SCR技术在柴油机废气处理方面的现状并分析了未来的趋势。
关键词:柴油发动机;排放;控制技术随着社会的发展和对生产力的需求的增加,柴油发动机已成为越来越受欢迎的重要生产和运输来源。
合理利用柴油发动机运行过程中产生的废气是人类和环境安全的责任这是一个重要的改进柴油机本身。
随着相关标准的提高现有的EGR技术不再符合相关的排放要求SCR 技术的传播和应用是科学发展的正确步骤。
一、相关概述1、SCR基本原则。
这一技术主要用于加热和再生时注射和修复尿素,从而能够处理物质,因此,由于加热,氮氧化物的排放转化为氮和水,以便最终达到既定的排放标准。
该系统包括尿素水箱、各种测量仪器、喷雾器和相关的传感器。
按照排气后工作原则,先将烟道混合,然后再配尿素,喷雾器将尿素溶液喷淋,然后尿素会在高温下分解成氨,然后在催化剂中还原为氮氧化物最后是氮,大量的氨,自然,将转换为氮。
防止泄漏。
这一技术的主要优点是它不会对硫磺敏感,特别是100升。
然后,它的尾矿处理需要5升尿素在水溶液。
该系统主要通过电池满足其基本的电力需求,只有在有电的情况下才能加热;然后,相应的阀门取代空气,以确保气体的化学反应具有一定的空间和时间。
在这一系统中,污染物的排放可减少到最低限度,因此,技术人员应当能够根据系统的基本运行目标和要求合理地操作该系统。
工程机械用柴油机尾气操纵技术〔2006--2021-年〕柴油机具有高热效率、大功率等特点,有着良好的经济性和可靠性,在工程机械领域得到了广泛的应用,如压路机、装载机、挖掘机、推土机等基本上以柴油机作为动力。
尽管柴油机具有许多优点,然而其所排放的尾气中有害成分较多,要紧有HC、CO、SO、NO和PM(微粒)。
尤其是在施工现场,由于工程机械和运输车辆来往对照频繁,加之通风条件的限制,这些工程机械排放的有害气体严峻超标且会布满于整个上作面,极大地危害了施工人员的躯体健康和施工的正常进行,因此,对柴油机排放的尾气进行操纵和净化具有十分重要的意义。
1燃料方面的操纵措施采纳代用燃料将是操纵柴油机和汽油机排放的重要方法之一,同时由于化石燃料有限,寻寻代用燃料更成为当前内燃机研究的热门话题。
目前,代用燃料要紧有天然气、压缩天然气(CNG)、液化天然气(LNG)、液化石油气(LPG)、氢气、甲醇、乙醇、二甲醚(DEM),碳酸二甲酯(DMC)及生物柴油等,其中甲醇、天然气、液化石油气被认为是最有前途的清洁能源的代用燃料。
其中CNG,LPG,甲醇一汽油汽车在我国得到了政府的大力支持并得到迅速开展。
甲醇可从天然气、煤及生物质等原料中提取;乙醇要紧是含糖和淀粉的农作物发酵后制得。
利用醇类燃料发动机的动力性和经济性可接近或超过柴油机和汽油机,排气的有害成分少,是一种非常有开展前景的燃料。
然而,甲醇和乙醇燃烧时会放出甲醛和乙醛等有害成分,因而在使用上受到限制。
二甲醚(DEM)是近年来倍受关注的柴油机代用燃料,它可从煤、天然气和生物物质废料中制得。
DEM的自燃性非常好,可作为单燃料直截了当代替柴油;能够实现发动机高效、柔和压缩燃烧,具有与柴油机相同或略高的动力性和经济性能;最突出的优点是DEM能够完全消除排烟和实现超低排放,NOx排放比柴油机低30%以上,假设同时采纳废气再循环时,可将NO排放进一步落低到一般柴油机的50%到达PM和NO的同时落低。
柴油发电机尾气处理工程技术规范
1适用范围本标准规定了柴油发电机尾气处理工程的设计、施工、验收以及运行管理的技术要求,可作为环境影响评价、可行性研究、设计施工、环境保护验收及建成后运行与管理的技术依据。
2规范性引用文件
(1)环境保护有关法律法规
(2)大气污染物综合排放标准(GB16297-1996)(3)广东省地方标准《大气污染物排放限值》(DB44/27-2001 )
3总体设计
(1)柴油发电机尾气处理工程的设计建设,除应遵守本技术规范外,还应符合国家现行的相关强制性标准的规定。
(2)应根据企业柴油发电机尾气中气体污染物种类、浓度及处理要求等条件确定柴油发电机尾气处理工程的处理规模和处理工艺,做到保护环境、经济合理、技术可靠。
(3)处理工程技术方案的选择应符合环境影响评价报告书批复文件的要求,柴油发电机尾气处理后应稳定达到有关国家和地方排放标准的规定。
4工艺技术要求工厂应做好发电机日常维护保养,采取多种形式的节能减排措施,如使用燃油添加剂、润滑油添加剂及安装换热器等。
针对柴油发电机的尾气,目前可以采用的技术主要有:低温等离子体技术、三效催化剂闭环控制系统、碱法吸收处理。
4.1 液体吸收- 低温等离子体催化组合柴油发电机尾气净化设备该设备集中了液体吸收技术和低温等离子体催化新技术的诸多优点,处理效果良好(95%以上),运行稳定,维护简单等。
主要工艺流程如图1 所示:
柴油发电机尾气经过液体吸收单元、水雾过滤网、等离子体单元、催化单元等的处理后在油雾、炭黑等颗
粒物和SO2 NOX CO CH等气态污染物均可以很好地去除,技术先进可靠。
该技术核心是低温等离子体单元,技术关键是:大功率高压快速上升沿窄脉冲电源设计制造,本系统使用IGBT驱动的无感电源,具有上升沿速度快、
拉弧保护、过载保护、等特点。
单电源功率200W
高压电源与放电、捕集极板的匹配技术、绝缘技术、安全防护技术,保证电源工作在理想的负荷状态。
催化剂极板的催化剂合成、担载和制作技术,采用纳米材料原位装配技术、辅助烧结、表面活化处理技术,使催化剂极板具有耐轰击、耐腐蚀、长寿命、可清洗等技术条件。
净化过滤器的催化剂担载技术,使用适当的涂装技术,将臭氧净化催化剂担载于蜂窝孔状材料上,制成过滤器。
模块化机构设计,便于清洁维护,可以通过多级组合达到针对不同污染气体的处理要求。
条件要求是:
入口空气中非甲烷有机烃的含量小于400mg/m3
入口气体不得含有水雾。
入口气体不得含有胶体颗粒物、易燃纤维。
入口气体的固相颗粒物含量应小于10mg/m3
220交流供电,功率容量1kW
4.2三效催化剂闭环控制系统
三效催化剂闭环控制系统是最常用的排气净化系统。
在这个系统中,柴油发电机排岀的三种主要污染物CO HC NOX能同时被高效率的净化。
尾气净化器主要由载体、涂层、活性物、衬垫和壳体等组成。
其核心部
件是沉积由贵金属铂(Pt)、铑(Rh)和钯(Pd))三种化合物作为活性材料的蜂窝状陶瓷载体。
柴油经过燃烧后
排出的废气中含有大量的一氧化碳(CO)、碳氢化合物(HC)和氮氧化物(NOX),这些物质的存在,会使我们看
到发电机尾气的烟色和嗅到发电机尾气刺激性的气味。
当这些物质经过沉积由贵金属铂、钯、铑化合物作为活性物的蜂窝状陶瓷载体时,在它们的作用下,以及在220 C以上高温与烟气中的氧继续反应,最后生
成C02和H20排入大气中,同时(NOX)也生成了H2和H20排入大气中,CO和HC转化率可以达到95%以上, NOX勺转化率也在40%以上。
铑促进NOX还原成N2,铂和钯用来转化CO和HC Pt、Rh和Pd三种贵金属催化剂可同时净化一氧化碳、碳氢化合物和氮氧化合物,故称为三效催化剂。
4.3碱法吸收处理
碱法吸收处理就是通过碱液对SO2和NOX等的吸收而达到净化尾气的效果,其工艺流程示意如图 2
发电机尾气」*风萱* .减法吸收*尾气达标扫E旗*
目前采用较多的碱法吸收处理装置是旋流板式喷淋塔和旋风喷淋塔。
工艺流程示意如图 3
旋风喷淋塔简介:
1) 工作原理:
旋风喷淋塔上部垂直布置有数个螺旋型喷嘴,含尘气体经旋风喷淋塔筒体上部入口切向进入喷淋塔内并螺旋向下再向上运动,此时旋风喷淋塔顶部的螺旋型喷嘴将清水呈实心锥状喷射到筒体内壁形成水膜,烟尘废中的烟尘粒子借助气流旋转运动所产生的离心力冲击于除尘塔筒体内壁的水雾和水膜上而被水滴、水膜黏附捕获,并随筒壁不断更新的水膜向下排出除尘塔,从而使含尘废气得以净化排放。
净化器底部设有循环水箱,通过循环水泵不断将水循环送入塔内,根据水箱内水质情况定期更换清水或补水。
循环水中投加碱液可提高除硫和除氮氧化物的效果。
2)效果及可行性
这种旋风喷淋塔净化效率一般在 85%以上,如果管理得好,效率还可提高。
它的阻力不大,一般为 450Pa,不会影响发电机的正常工作。
污水可以采用定期排放或连续排放。
较适宜高温、高比阻、含尘量不 大的气体处理。
图4旋风喷淋工艺治理发电机尾气的装置结构示意图
旋风喷淋塔特点:
(1) 气相和液相接触充分,污染因子去除效率高。
(2) 因采用上进气方式,避免液体沿烟管流入柴油发电机内
(3) 具有消声和除雾功能,单位压降小。
(4) 方便机房外墙悬挂安装。
(5) 吸收塔体与循环水箱分离安装。
另外,也可以采用液体吸收与网滤法治理发电机尾气,其结构如图
300 5所示
1 一进气口;
2 一排气口;
3 一环形喷头;
4 一金属滤网;
5 一脱水板;
6 一检查门;
7 一出液口;
8 一储液池图5液体吸收与网滤法治理发电机尾气的装置结构示意图
其技术参数为:
(1)速度:为了尽量减少尘粒和油污在管道内的粘结、积聚,风管内的烟气速度为12m/s以上;烟气在净化器内的速度在2~6m/s左右,停留时间1〜3秒。
(2)排烟管及塔体:火烟温度较高,采用非燃材料制作,宜用316L,塔体壁厚大于2 mm,入口处适当加厚。
(3)喷头:选用能环形出水的喷头(如SiC喷头),其所形成的液体雾滴宜细,其相向布置距离为20-30cm, 液气比大于1.。
(4)滤网:采用金属丝制成,其网目为0.8mmX 0.8mm,每运行两周应清洗一次,其阻力小于80Pa。
(5)脱水板:采用折叠隔板组成,其间距离为20mm压降小于40Pa。
(6)风量:每KW非风量定为15m3/h。