DLT5210.1-2012电力建设施工质量验收和评价规程完整
- 格式:doc
- 大小:287.00 KB
- 文档页数:8
单位工程定位放线检验批质量验收记录表5.3.1 编号:注:* 为地(路)面基层的偏差只适用于直接在挖、填方上做地(路)面的基层。
表5.3.2 编号:石方爆破开挖工程检验批质量验收记录表5.3.3 编号:重复使用钢板桩支护工程检验批质量验收记录表5.3.4 编号:表5.3.5 编号:表5.3.6 编号:水泥土桩墙支护工程检验批质量验收记录(续)表5.3.6 编号:锚杆及土钉墙支护工程检验批质量验收记录表5.3.7 编号:钢及混凝土支撑系统工程检验批质量验收记录表5.3.8 编号:地下连续墙工程检验批质量验收记录表5.3.9 编号:沉井(箱)工程检验批质量验收记录表5.3.10 编号:沉井(箱)工程检验批质量验收记录 (续) 表5.3.10 编号:降水和排水工程检验批质量验收记录表5.3.11 编号:灰土地基检验批质量验收记录砂和砂石地基检验批质量验收记录土工合成材料地基检验批质量验收记录粉煤灰地基检验批质量验收记录强夯地基检验批质量验收记录振冲地基检验批质量验收记录砂桩地基检验批质量验收记录预压地基检验批质量验收记录高压喷射注浆地基检验批质量验收记录土和灰土挤密桩复合地基检验批质量验收记录≥20 mm注浆地基检验批质量验收记录水泥粉煤灰碎石桩复合地基检验批质量验收记录夯实水泥土桩复合地基检验批质量验收记录水泥土搅拌桩地基工程检验批质量验收记录注:D为桩径,桩径允许偏差负值是指个别断面。
静力压桩工程检验批质量验收记录静力压桩工程检验批质量验收记录2先张法预应力管桩工程检验批质量验收记录先张法预应力管桩工程检验批质量验收记录2混凝土预制桩模板安装工程检验批质量验收记录混凝土预制桩钢筋安装检验批质量验收记录混凝土预制桩外观质量及尺寸偏差检验批质量验收记录混凝土预制桩施工(打桩)检验批质量验收记录混凝土预制桩施工(打桩)检验批质量验收记录2成品钢桩检验批质量验收记录注:h为截面高度;T、T’为翼板单侧斜度。
dlt52101-2012电力建设质量验收与评价规程电力建设质量验收与评价规程是指电力建设项目在完成建设后,对所建设的质量进行验收和评价,以保证项目建设的质量符合相关标准和要求,保障工程安全可靠。
根据国家相关法律法规和行业标准,制定本规程,以规范电力建设质量验收与评价工作,保障电力建设项目的质量。
一、适用范围本规程适用于各类电力建设项目的质量验收与评价工作,包括发电厂、变电站、输电线路等各类电力建设项目。
二、质量验收1.质量验收的程序(1)电力建设项目竣工后,应当进行质量验收工作。
(2)质量验收应当由专业技术人员组成验收组,按照国家相关标准和行业规范进行验收。
(3)验收工作应当做到公开、公正、公平,并做好验收记录。
2.质量验收的内容(1)电力建设项目的设计文件是否符合国家标准和行业规范;(2)项目建设过程中是否存在违反规定的情况;(3)项目竣工后的设备和材料是否符合标准,是否存在质量问题;(4)工程施工是否符合质量要求,是否存在安全隐患;(5)项目竣工后的环境保护措施是否到位;(6)其他与项目质量相关的内容。
三、质量评价1.质量评价的要求(1)项目的质量评价应当由建设单位委托专业机构进行评价;(2)评价应当综合考虑项目设计、施工、材料、设备等方面的质量情况;(3)评价结果应当客观、真实,符合实际情况。
2.质量评价的内容(1)项目建设过程中的质量管理情况;(2)项目施工过程中的质量控制情况;(3)项目竣工后的设备、材料质量情况;(4)项目竣工后的工程质量情况;(5)其他与项目质量相关的内容。
四、质量验收与评价的结果处理1.质量验收的结果处理(1)对于合格的项目,应当出具验收合格证明;(2)对于存在质量问题的项目,应当提出整改要求,直至符合要求为止;(3)对于严重质量问题的项目,应当责令停工整改,并对相关责任人进行处理。
2.质量评价的结果处理(1)对于评价合格的项目,应当出具质量评价报告;(2)对于存在质量问题的项目,应当提出整改要求,并对相关责任人进行处理;(3)对于严重质量问题的项目,应当责令停工整改,并对相关责任人进行处理。
单位工程定位放线检验批质量验收记录土方开挖工程检验批质量验收记录电土验表5.3.1 工程编号:0~50mm±30mm0~50mm0~50mm+200~50+200~50土方回填工程检验批质量验收记录电土验表5.3.2 工程编号:0~50 mm0~50 mm0~50 mm石方爆破开挖工程检验批质量验收记录电土验表5.3.3 工程编号:0~200mm+100~300mm+400~100mm重复使用钢板桩支护工程检验批质量验收记录电土验表5.3.4 工程编号:混凝土板桩支护工程检验批质量验收记录电土验表5.3.5 工程编号:水泥土桩墙支护工程检验批质量验收记录电土验表5.3.6 工程编号:+100~50mm水泥土桩墙支护工程检验批质量验收记录(续)电土验表5.3.6 工程编号:注:D为桩的直径,桩径允许偏差负值是指个别断面。
锚杆及土钉墙支护工程检验批质量验收记录电土验表5.3.7 工程编号:钢及混凝土支撑系统工程检验批质量验收记录电土验表5.3.8 工程编号:地下连续墙工程检验批质量验收记录电土验表5.3.9 工程编号:沉井(箱)工程检验批质量验收记录电土验表5.3.10 工程编号:沉井(箱)工程检验批质量验收记录(续)电土验表5.3.10 工程编号:降水与排水工程检验批质量验收记录电土验表5.3.11 工程编号:灰土地基检验批质量验收记录砂和砂石地基检验批质量验收记录电土验表5.4.2 工程编号:土工合成材料地基检验批质量验收记录电土验表5.4.3 工程编号:粉煤灰地基检验批质量验收记录电土验表5.4.4 工程编号:强夯地基检验批质量验收记录电土验表5.4.5 工程编号:振冲地基检验批质量验收记录电土验表5.4.6 工程编号:砂桩地基检验批质量验收记录电土验表5.4.7 工程编号:预压地基检验批质量验收记录电土验表5.4.8 工程编号:高压喷射注浆地基检验批质量验收记录电土验表5.4.9 工程编号:土和灰土挤密桩复合地基检验批质量验收记录电土验表5.4.10 工程编号:20 mm注浆地基检验批质量验收记录电土验表5.4.11 工程编号:水泥粉煤灰碎石桩复合地基检验批质量验收记录电土验表5.4.12 工程编号:夯实水泥土桩复合地基检验批质量验收记录电土验表5.4.13 工程编号:水泥土搅拌桩地基工程检验批质量验收记录+100~50注:D为桩径,桩径允许偏差负值是指个别断面。
表3.0.12-1检验批质量验收记录表3.0.12-2分项工程质量验收记录表3.0.12-3分部(子分部)工程质量验收记录编号:注:除地基基础分部外,勘察单位可不参加。
表3.0.12-4单位(子单位)工程质量竣工验收记录编号:表3.0.12-5单位(子单位)工程质量控制资料核查记录编号:表3.0.12-6单位(子单位)工程安全和功能检验资料核查及主要功能抽查记录编号:表3.0.12-7单位(子单位)工程观感质量检查记录编号:表3.0.12-8单位工程(烟囱)观感质量检查记录编号:表3.0.12-9单位工程(冷却塔)观感质量检查记录编号:表3.0.12-10单位工程(其它构筑物)观感质量检查记录编号:表3.0.12-11单位(子单位)工程质量控制资料核查记录(适用于其它消防)编号:表3.0.12-12单位(子单位)工程安全和功能检验资料核查及主要功能抽查记录(适用于其它消防)编号:表3.0.12-13单位(子单位)工程观感质量检查记录(适用于其它消防)编号:表3.0.13-1地基与基础分部(子分部)工程质量控制资料核查记录表3.0.13-2主体结构分部(子分部)工程质量控制资料核查记录表3.0.13-3建筑装饰装修分部(子分部)工程质量控制资料核查记录表3.0.13-4建筑屋面分部(子分部)工程质量控制资料核查记录表3.0.13-5建筑给排水及采暖分部(子分部)工程质量控制资料核查记录表3.0.13-6建筑电气分部(子分部)工程质量控制资料核查记录表3.0.13-7通风与空调分部(子分部)工程质量控制资料核查记录表3.0.13-8电梯分部(子分部)工程质量控制资料核查记录表3.0.13-9建筑智能化分部(子分部)工程质量控制资料核查记录表3.0.13-10地基与基础分部(子分部)工程安全和功能检验资料核查及主要功能抽查记录表3.0.13-13建筑装饰装修分部(子分部)工程安全和功能检验资料核查及主要功能抽查记录表3.0.13-14建筑给排水及采暖分部(子分部)工程安全和功能检验资料核查及主要功能抽查记录表3.0.13-15建筑电气分部(子分部)工程安全和功能检验资料核查及主要功能抽查记录表3.0.13-16通风与空调分部(子分部)工程安全和功能检验资料核查及主要功能抽查记录表3.0.13-17电梯分部(子分部)工程安全和功能检验资料核查及主要功能抽查记录表3.0.13-18智能建筑分部(子分部)工程安全和功能检验资料核查及主要功能抽查记录表3.0.13-19地基与基础分部(子分部)工程观感质量检查记录编号:表3.0.13-20主体结构分部(子分部)工程观感质量检查记录编号:表3.0.13-21建筑屋面分部(子分部)工程观感质量检查记录表3.0.13-24建筑电气分部(子分部)工程观感质量检查记录表3.0.13-25通风与空调分部(子分部)工程观感质量检查记录表3.0.13-26电梯分部(子分部)工程观感质量检查记录表3.0.13-27智能建筑分部(子分部)工程观感质量检查记录表3.0.14施工现场质量管理检查记录。
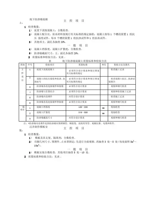
DL / T 5210.1 —20125通用工程质量验收5.1 一般规定5.1.1 本章适用于建筑工程的施工测量,以及土石方与基坑、地基处理与桩基、防水、砌体、混凝土结构、钢结构、地面与楼面、屋面、建筑装饰装修、防腐蚀、给排水及采暖、通风与空调、建筑电气、电梯、厂区道路、智能建筑、建筑节能、水土保持、室外(厂区景观)、其他消防等工程的施工质量验收。
5.1.2 本章5.3、5.4 适用于具备完整的地质勘察资料及工程附近管线、建筑物、构筑物和其他公共设施的构造情况资料的土石方与基坑工程、地基处理与桩基工程的施工质量验收。
5.1.3 本章5.5~5.8 适用于地下建筑物及构筑物、防护工程及沟、隧道等地下工程防水的施工质量验收。
5.1.4 本章5.9 适用于建筑工程的砖、石、混凝土小型空心砌块、蒸压加气混凝土砌块等砌体的施工质量验收。
5.1.5 本章5.10 适用于建筑工程混凝土结构施工质量的验收,不适用于特种混凝土结构施工质量的验收。
5.1.6 本章5.11 适用于建筑工程单层、多层、高层以及网架、压型金属板等钢结构工程施工质量的验收。
5.1.7 本章5.12 适用于地面与楼面工程(含室外散水、明沟、踏步、台阶和坡道等附属工程)的施工质量验收,不适用于有保温、隔热、超净、屏蔽、绝缘、防止放射线以及防腐蚀等特殊要求的建筑地面工程的施工质量验收。
5.1.8 本章5.13~5.21 适用于抹灰、门窗、吊顶、轻质隔墙、饰面板(砖)、幕墙、涂饰、裱糊与软包、装饰装修细部等工程的施工质量验收。
5.1.9 本章5.22 适用于防水等级为Ⅰ~Ⅲ级的屋面工程的施工质量验收。
5.1.10 本章5.23 适用于新建、改建、扩建的建筑物和构筑物防腐蚀工程的施工质量验收。
5.1.11 本章5.24 适用于厂区内、外的永久性沥青路面和水泥混凝土路面,其中沥青路面包括沥青混凝土、沥青碎石、沥青表面处理、沥青贯入式、沥青上拌下贯式等路面。
DL / T 5210.1 —2012前言本部分是根据国家能源局“关于下达2009 年第一批能源领域行业标准制(修)订计划的通知”(国能科技[2009]163 号)的要求,经过广泛调查研究,认真总结实践经验,参考有关国际标准和国外先进技术,在广泛征求意见的基础上修订而成的。
DL/T 5210《电力建设施工质量验收及评价规程》分八个部分:——DL/T 5210.1 土建工程——DL/T 5210.2 锅炉机组——DL/T 5210.3 汽轮发电机组——DL/T 5210.4 热工仪表及控制装置——DL/T 5210.5 管道及系统——DL/T 5210.6 水处理及制氢设备和系统——DL/T 5210.7 焊接——DL/T 5210.8 加工配制本部分是DL/T 5210 的第1 部分:土建工程。
共有23 章,有关质量验收的内容设置11 章及3 个规范性附录和2 个资料性附录,有关质量评价的内容设置10 章。
本部分主要技术内容包括:1. 总则;2. 术语;3. 基本规定;4. 工程质量验收范围;5. 通用工程质量验收;6. 热力系统土建工程质量验收;7. 燃料供应系统土建工程质量验收;8. 除灰渣系统土建工程质量验收;9. 脱硫、脱硝土建工程质量验收;10. 供水及水处理系统土建工程质量验收;11. 电气系统土建工程质量验收;12. 附属生产设施土建工程质量验收;13. 厂前区公共福利及与厂址有关的土建单项工程质量验收;14. 质量评价基本规定;15. 质量评价框架体系;16. 质量评价内容;17. 基本评价方法;18. 地基及桩基工程质量评价;19. 结构工程质量评价;20. 屋面工程质量评价;21. 装饰装修工程质量评价;22. 建筑安装工程质量评价;23. 工程质量综合评价等。
本部分是在国家发展和改革委员会发布的DL/T 5210.1—2005《电力建设施工质量验收及评价规程第1 部分:土建工程》基础上修订的。
单位工程定位放线检验批质量验收记录电土验表5.3.1 工程编号:a 地(路)面基层的偏差只适用于直接在挖、填方上做地(路)面的基层。
电土验表5.3.2 工程编号:石方爆破开挖工程检验批质量验收记录电土验表5.3.3 工程编号:0~200mm+100~300mm+400~100mm重复使用钢板桩支护工程检验批质量验收记录电土验表5.3.4 工程编号:电土验表5.3.5 工程编号:电土验表5.3.6 工程编号:水泥土桩墙支护工程检验批质量验收记录(续)电土验表5.3.6 工程编号:锚杆及土钉墙支护工程检验批质量验收记录电土验表5.3.7 工程编号:钢及混凝土支撑系统工程检验批质量验收记录电土验表5.3.8 工程编号:地下连续墙工程检验批质量验收记录电土验表5.3.9 工程编号:沉井(箱)工程检验批质量验收记录电土验表5.3.10 工程编号:沉井(箱)工程检验批质量验收记录 (续)电土验表5.3.10 工程编号:降水与排水工程检验批质量验收记录电土验表5.3.11 工程编号:灰土地基检验批质量验收记录砂和砂石地基检验批质量验收记录土工合成材料地基检验批质量验收记录粉煤灰地基检验批质量验收记录高压喷射注浆地基检验批质量验收记录土和灰土挤密桩复合地基检验批质量验收记录≥20 mm注浆地基检验批质量验收记录水泥粉煤灰碎石桩复合地基检验批质量验收记录夯实水泥土桩复合地基检验批质量验收记录水泥土搅拌桩地基工程检验批质量验收记录2混凝土预制桩模板安装工程检验批质量验收记录混凝土预制桩钢筋安装检验批质量验收记录混凝土预制桩外观质量及尺寸偏差检验批质量验收记录22螺旋钻、潜水钻、回旋钻和冲击钻成孔检验批质量验收记录23钻扩机、机动洛阳铲和沉管法成孔检验批质量验收记录人工挖大直径扩底墩成孔检验批质量验收记录混凝土灌注桩钢筋笼检验批质量验收记录防水混凝土工程检验批质量验收记录电土验表5.5.1 工程编号:水泥砂浆防水层工程检验批质量验收记录电土验表5.5.2 工程编号:电土验表5.5.3 工程编号:电土验表5.5.4 工程编号:塑料板防水层工程检验批质量验收记录电土验表5.5.5 工程编号:。
电力建设施工质量验收及评价规程第1部分土建工程项目实际案例及配套表格DLT5210.1-2012一、电力工程项目实际案例二、电力全套总表工程质量报验单表号:GZL09 编号:0100-08-05-01-01-01-02本表一式伍份,由施工单位填报并存二份,查验后,连同附件,建设单位及工程部、项目监理单位各存一份。
本表一式伍份,由施工单位填报并存二份,查验后,连同附件,建设单位及工程部、项目监理单位各存一份。
具体验收记录表参见《电力建设施工质量验收及评定规程》。
土方开挖分项工程质量验收记录工程质量报验单表号:GZL09 编号:0100-08-05-01-01-01-03本表一式伍份,由施工单位填报并存二份,查验后,连同附件,建设单位及工程部、项目监理单位各存一份。
本表一式伍份,由施工单位填报并存二份,查验后,连同附件,建设单位及工程部、项目监理单位各存一份。
具体验收记录表参见《电力建设施工质量验收及评定规程》。
土方回填分项工程质量验收记录工程质量报验单表号:GZL09 编号:0100-08-05-01-01-07-01本表一式伍份,由施工单位填报并存二份,查验后,连同附件,建设单位及工程部、项目监理单位各存一份。
本表一式伍份,由施工单位填报并存二份,查验后,连同附件,建设单位及工程部、项目监理单位各存一份。
具体验收记录表参见《电力建设施工质量验收及评定规程》。
浆砌石基础分项工程质量验收记录表3.0.12-2 编号:0100-08-05-01-01-07-01工程质量报验单表号:GZL09 编号:0100-08-05-01-02-02-01本表一式伍份,由施工单位填报并存二份,查验后,连同附件,建设单位及工程部、项目监理单位各存一份。
本表一式伍份,由施工单位填报并存二份,查验后,连同附件,建设单位及工程部、项目监理单位各存一份。
具体验收记录表参见《电力建设施工质量验收及评定规程》。
砖砌体分项工程质量验收记录表3.0.12-2 编号:0100-08-05-01-02-02-01程质量报验单表号:GZL09 编号:0100-08-05-01-01本表一式伍份,由施工单位填报并存二份,查验后,连同附件,建设单位及工程部、项目监理单位各存一份。