汽车底盘构造与维修-教案 第55、56节 盘式制动器检查教案
- 格式:doc
- 大小:11.27 MB
- 文档页数:7
汽车底盘构造与维修教案第一章:汽车底盘概述1.1 教学目标让学生了解汽车底盘的定义、功能和重要性。
让学生熟悉汽车底盘的组成部分。
1.2 教学内容汽车底盘的定义与功能汽车底盘的主要组成部分汽车底盘的重要性1.3 教学方法讲授法:讲解汽车底盘的定义、功能和重要性。
互动法:引导学生了解汽车底盘的组成部分。
1.4 教学步骤引入话题:提问学生对汽车底盘的了解。
讲解汽车底盘的定义与功能。
介绍汽车底盘的主要组成部分。
强调汽车底盘的重要性。
1.5 教学评估提问学生对汽车底盘的理解。
检查学生对汽车底盘组成部分的掌握。
第二章:发动机的构造与维修2.1 教学目标让学生了解发动机的定义、功能和重要性。
让学生熟悉发动机的组成部分。
2.2 教学内容发动机的定义与功能发动机的主要组成部分发动机的重要性2.3 教学方法讲授法:讲解发动机的定义、功能和重要性。
互动法:引导学生了解发动机的组成部分。
2.4 教学步骤引入话题:提问学生对发动机的了解。
讲解发动机的定义与功能。
介绍发动机的主要组成部分。
强调发动机的重要性。
2.5 教学评估提问学生对发动机的理解。
检查学生对发动机组成部分的掌握。
第三章:汽车传动系统的构造与维修3.1 教学目标让学生了解汽车传动系统的定义、功能和重要性。
让学生熟悉汽车传动系统的组成部分。
3.2 教学内容汽车传动系统的定义与功能汽车传动系统的主要组成部分汽车传动系统的重要性3.3 教学方法讲授法:讲解汽车传动系统的定义、功能和重要性。
互动法:引导学生了解汽车传动系统的组成部分。
3.4 教学步骤引入话题:提问学生对汽车传动系统的了解。
讲解汽车传动系统的定义与功能。
介绍汽车传动系统的主要组成部分。
强调汽车传动系统的重要性。
3.5 教学评估提问学生对汽车传动系统的理解。
检查学生对汽车传动系统组成部分的掌握。
第四章:汽车制动系统的构造与维修4.1 教学目标让学生了解汽车制动系统的定义、功能和重要性。
让学生熟悉汽车制动系统的组成部分。
盘式制动器检查与维护教学设计
盘式制动器检查与维护教学设计是重要的一项实践任务,尤其是
在轨道交通行业中,盘式制动器的正常检查、维护与修理对于确保旅
客安全有着至关重要的作用。
因此,本文将以铁路机车车辆上的盘式
制动器为例,介绍盘式制动器检查与维护教学设计。
教学设计包括对盘式制动器机构、原理和特点的理论课、对各种
故障(如拉杆故障、吸盘故障和机件变形等)的实践课以及维护技术
实操课三部分。
首先是理论部分,它旨在让学生掌握盘式制动器的结构和工作原理,掌握各类故障的原因和检修基本要求,了解盘式制动器的性能特
点及检修要求,以及盘式制动器维护的质量要求。
接着是技术实操部分,它旨在检查和维护盘式制动器,学习拆装、精度检测和加脂润滑。
学生要掌握正确的拆装方法,实习考核过程中
严格按照操作要求进行拆装维护。
学习检测盘式制动器的精度,检查
出盘式制动器内部的松动现象,以检测出存在的问题。
学习正确的加
脂润滑方法,使用正确的润滑剂,以确保设备的正常使用。
最后是实践故障处理部分,它旨在帮助学生掌握某一种特定故障
的检修要求,以及故障排除和拆装技术要求。
学生要掌握正确的故障
排除方法,比如拉杆故障的排除、吸盘故障的排除和变形机件的更换
等等。
学生还要掌握拆装时精度检测和润滑加压等技术操作,以确保
设备的精度和正常使用,准确排除故障原因。
总之,盘式制动器的正确检查、维护和修理是保障旅客安全的重
要环节,而优质的检查与维护教学设计可以有效提高学生的实践能力,从而保证列车的安全运行。
盘式制动器教学方案设计引言盘式制动器是一种常见的汽车制动系统,用于控制车辆的速度和停车。
了解盘式制动器的工作原理和维修方法对于汽车维修技术人员至关重要。
本文将介绍一个关于盘式制动器教学方案的设计,旨在帮助汽车维修技术人员提高对盘式制动器的理解和维修技能。
一、教学目标1.了解盘式制动器的基本原理和工作原理。
2.学习盘式制动器常见故障的排查和维修方法。
3.培养学员的实践操作能力,能够正确使用工具和设备进行盘式制动器维修。
4.提高学员的安全意识和操作规范,培养他们的团队合作精神。
二、教学内容1.盘式制动器概述1.1 盘式制动器的作用和重要性1.2 盘式制动器的组成部分1.3 盘式制动器的工作原理1.4 盘式制动器的分类和应用领域2.盘式制动器的结构和工作原理2.1 刹车片和刹车盘的结构和材料2.2 刹车片与刹车盘的接触方式2.3 刹车盘的热膨胀和退火2.4 刹车液和刹车缸的作用3.盘式制动器的故障排查和维修3.1 盘式制动器的常见故障3.2 盘式制动器故障的原因和预防措施3.3 盘式制动器的维修工具和设备3.4 盘式制动器维修的步骤和注意事项4.实践操作4.1 学员轮流进行盘式制动器的拆卸和装配操作4.2 制定实践操作计划,确保学员能够熟练掌握盘式制动器的维修过程4.3 督导学员的实践操作,提供必要的指导和帮助5.安全意识和操作规范5.1 盘式制动器维修中的常见安全隐患5.2 培养学员安全意识的方法和技巧5.3 制定安全操作规范和管理制度,确保学员的安全和项目的顺利进行三、教学方法1.理论授课:通过讲授课件、教材和案例分析等方式,向学员介绍盘式制动器的基本知识和理论框架。
2.实践操作:提供实验室和实际车辆,让学员进行盘式制动器的拆卸和装配操作,培养其实践操作能力。
3.讨论和互动:组织学员进行小组讨论和课堂互动,共同解决问题和加深对盘式制动器的理解。
4.案例分析:通过分析真实的盘式制动器故障案例,让学员掌握故障排查和维修的方法和技巧。
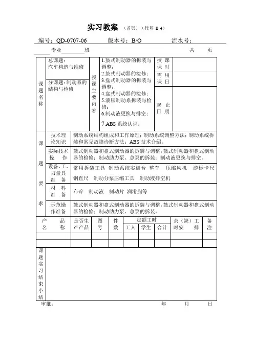
实习教案(首页)(代号B-4)编号:QD-0707-06 版本号:B/O 流水号:专业班共页图13-5 单向自增力式制动器示意图(2)双向自增力式制动器双向自增力式制动器如图13-8 用调整螺母调整制动器间隙的方法示意图2.自动调整装置13-10 双向增力式制动器间隙自动调整装置结构示意图13-11 双向增力式制动器间隙自动调整装置调整杠杆结构(四)制动器的拆卸1)在拆卸前先检查制动蹄衬面厚度。
的厚度,如图13-14所示。
如厚度小于最小值图13-15 制动自动调整柱杆与调整器分开方法5)检查制动鼓的内径。
制动蹄左侧定位支柱7)拆卸前制动蹄。
图13-18 拆卸端帽图杆8)拆下制动调整拉杆弹簧和自动调整拉杆,如图9)拆下制动蹄回位弹簧。
10)拆下后制动蹄。
使用专用工具撬下端盖,如图13-20所示。
用尖嘴钳从驻车制动拉杆上拆下驻车制动拉索,13-21所示图13-22 拆卸C形垫片13)检查制动鼓与制动蹄衬片是否正常接触。
在制动鼓内表面涂上粉笔后,将制动蹄与制动鼓内表面贴合,进行研磨,如图14)拆卸左前或上部制动分泵。
用专用工具脱开制动油管,用容器接盛制动液,如图13-25所示拆下螺栓和制动分泵。
图13-24 检查制动鼓与制动蹄衬面接触情况15)拆卸制动皮碗。
16)检查制动分泵。
17)拆下制动鼓后放气螺塞。
(五)鼓式制动器的安装和调整1)安装制动分泵皮碗,如图2)安装左前或上部制动分泵。
图13-26 安装制动分泵皮碗图13-27 加装C形垫片5)安装制动蹄6)安装制动蹄回位弹簧。
7)安装左制动自动调整拉杆。
8)安装驻车制动蹄支柱。
在调整螺栓上涂抹耐高温润滑脂,如图13-28所示。
安装驻车制动蹄左侧支柱,如图13-29所示图13-28 涂抹耐高温润滑脂图13-29 安装驻车制动蹄左侧支柱9)安装前制动蹄。
10)用专用工具把张紧弹簧连接到前、后制动蹄上。
11)检查制动鼓的安装情况。
12)调整制动鼓蹄片间隙。
《盘式制动器拆装与检测》微课教学设计【设计理念】本节课的设计始终坚持“做学合一”的理念,以汽车实际案例为导入点,以实际教学项目(盘式制动器的拆装与检测)为载体,把教学项目中制动盘和摩擦片检测作为重点,让学生了解制动器会产生哪些故障,为什么会产生这些故障,掌握如何检测制动器零部件并与维修手册标准数据进行对比,确定修理意见。
与企业生产岗位实践紧密联系。
让学生在“做中学,学中做”,让学生明白“学有所长,必有所用”。
同时注重对学生职业素养的养成教育,以大国工匠精神为切入点,突出当前思政教育,让学生养成良好的职业素养。
【学情分析】本次课的授课对象是中职二年级学生,他们已经具备了汽修基础认知的理论知识,能够正确和熟练使用拆装的工具设备,但在实践过程中容易出现操作不规范、安全意识不强等情况。
利用制动器的拆装与检测项目教学,通过合作学习,让学生能尽快掌握要领,在过程中养成互相帮助、共同进步的团队协作意识。
【教学目标】◎知识与技能:1.能准确表述制动器制动不灵的故障原因以及维护方法。
2.能规范地对制动盘和摩擦片进行检测。
◎过程与方法:结合汽车制动器这一载体,通过对制动器进行正确的拆装和摩擦件的检测学习,掌握汽车制动器的维护方法。
◎态度、情感、价值观:1.通过对制动器拆装与检测的操作,切身感受学习的乐趣。
培养工匠精神的技术基础2.在小组合作中逐步形成互相帮助、互相讨论和共同进步的团队意识。
【教学重点、难点】重点:制动盘和制动片的检测难点:制动盘端面跳动检测【授课类型】理实一体【教学方法】以任务驱动法为主,辅以实践操作法等。
【教时、教具、课前安排】教时:10分钟教具:多媒体课件、教学用大屏幕电脑1台、桑塔纳轿车一辆、0-25mm 螺旋千分尺、游标卡尺、磁力座及百分表【教学过程】一、创设情境,导主题(2分钟)一位出租车司机反映:汽车已经行驶了8万公里,每次踩刹车制动器都会发出金属摩擦异响,刹车也没有以前灵敏。
以此维修案列引出两个问题:1、制动器为什么会产生摩擦异响及制动不灵?2、制动盘和摩擦片在怎样情况下需要更换?导入本次课主题,制动器的拆装与检测。
7本次课程设计的内容是盘式制动器检查与维护,笔者将从教学对象、教学内容、教学设计、教学过程和教学反思等5个部分来介绍本次教学活动。
1 教学对象本次的教学对象是我校五年制高职班——汽运15401班的A 组,共16人。
这个班级的学生年龄在17岁~18岁,思维反应快,喜欢新鲜事物和动手实践。
在学习本门课之前,他们已经学过了大部分的专业基础课程及《汽车文化》《汽车结构》两门专业课。
我校多年来全面推广信息化教学,学生对教学中常用到的多媒体软件有着一定的使用基础。
2 教学内容本次课程选用的是全国示范学校重点建设专业系列教材《整车维护》。
以教材内容为蓝本,利用现有实训教学设备,优化教学内容。
根据维修手册制订学生工作页、评分标准、多媒体教学素材等进行教材补充,并结合实际行业情况进行材料拓展,笔者设定了以下教学目标。
(1)知识与技能目标。
了解盘式制动器的结构及工作原理;会检查和维护盘式制动器;会正确使用维修手册查阅所需信息。
(2)方法和过程目标。
通过创设工作情境,让学生体验真实的工作氛围,培养其严谨的工作态度;通过信息化手段,解决实训教学中难以照顾到每位学生、难以把握生成性问题的教学难点;学生能通过分组交流、研讨、竞赛、在线答题等方法来激发学习热情并即时反馈学习情况。
(3)情感态度和价值观。
培养学生互帮互助、相互协作的团队意识;激发学生学习热情,培养其逻辑表达能力;渗透职业道德教育,培养学生内化严谨的工作态度。
3 教学设计由于职业学校学生学习的主观能动性不强,我们希望通过翻转课堂的教学模式,使用多元化信息化手段来解决这一难题。
本次课程笔者选用了Catia 三维软件、问卷星、奥古在线学习反馈平台、Gopro 实时直播等信息化技术来持续激发学生的学习热情,同时还有效解决了本课程的教学重难点。
针对本次课程与上课学生的实际特点,按照“以能力为本位,以理论实践相结合为主线,以项目课程为主体”的总体设计思路,笔者设计了“我想学→我要学→我明白→做中学→学中做→我能行”的教学过程。
汽车底盘教案制动系检修一、教学目标1.了解汽车底盘制动系统的基本构造和工作原理;2.掌握汽车制动系统的常见故障及检修方法;3.提高学生的实际操作能力。
二、教学内容1.汽车底盘制动系统的组成和原理;2.常见的汽车制动系统故障及检修方法;3.制动片的更换;4.制动油的更换。
三、教学过程1.理论讲解(1)汽车制动系统的组成和原理汽车制动系统是指由制动踏板、制动总泵、制动助力器、制动管路、制动器等构成的系统。
其工作原理是通过制动踏板操作,使制动器施加于车轮上,从而达到减速和停车的目的。
(2)常见的汽车制动系统故障及检修方法常见的汽车制动系统故障包括制动片磨损、制动油泄漏、制动器卡死等。
对于制动片磨损严重的情况,需要及时更换新的制动片。
对于制动油泄漏的情况,需要检查制动系统的管路和密封件是否有问题,并及时更换泄漏的制动油。
对于制动器卡死的情况,需要检查制动器的活塞是否卡住,并进行修理或更换。
2.实际操作(1)制动片的更换1)停车并熄火,卸下车轮螺栓,并将车轮拆下;2)拆下制动器的螺栓,并将制动器拆下;3)检查制动器内部的制动片磨损情况,如果磨损严重,需要更换新的制动片;4)将新的制动片安装到制动器上,并紧固螺栓;5)将制动器安装到车辆上,并紧固螺栓;6)将车轮安装回车辆,并紧固螺栓。
(2)制动油的更换1)停车并熄火,找到制动油蓄压器(一般位于发动机舱内),打开盖子;2)找到制动油油杯(位于车辆底部),将油杯旋开;3)通过制动油油杯进行加油,直至制动油满为止;4)将制动油油杯盖子旋紧,关闭制动油蓄压器盖子,完成制动油的更换。
四、教学评价1.检查学生是否掌握了汽车制动系统的基本构造和工作原理;2.检查学生是否能够正确识别和检修汽车制动系统的常见故障;3.检查学生在制动片更换和制动油更换等实际操作中的准确性和熟练度。
五、教学延伸1.引导学生深入了解汽车底盘制动系统的其他构造和工作原理;2.推广并指导学生对其他汽车底盘系统的检修方法。
汽车盘式制动器零件的检查时间:2013-02-02 14:20来源:山东德州汽车摩托车专修学院点击: 38 次青岛交通职业学校课堂教案使用学年_______________ 授课班级_______________ 总序号______________科目汽车维护任务二课题项目五:汽车盘式制动器零件的检查课型新授计划课时1学时(45分钟)授课教师教室1. 教学目标专业方面:1)了解盘式制动器的性能要求2)能独立进行盘式制动器零件的检查方法方面:培养学生分析问题、解决问题的能力使学生能够独立地完成本课题的相关操作过程社会方面:培养学生的组织协调能力,语言表达能力和与客户沟通的能力,并且使学生具有团队协作意识个人发展方面:培养学生养成良好的职业道德,认真、细心的工作态度,互相赏识的良好品质以及严谨的工作作风,增强学生的自信心。
2.重点难点重点1)盘式制动器零件的检修难点1)盘式制动器的检修过程3.初始情境(学情分析)【分析学生的基础知识(以前学过哪些知识,对知识的掌握牢固与否等)以及学习的积极性和学习能力】学生已经完成了《汽车底盘构造与维修》的学习,对盘式制动器的类型及作用有了系统的认识,具备了本节学习的能力学生动手能力比较强,对实际维修案例、角色扮演等有很大的兴趣4. 教学目标说明:【为什么要设定上述教学目标】随着汽车技术的不断发展和道路状况的不断提高,汽车的行驶速度越来越快,对制动系统的要求越来越高。
盘式制动器的应用越来越广泛,而制动器各项技术参数对制动性能的影响日益显著,所以制动器的维护作业是维护保养过程中必不可少的关键项目。
5.课前准备教师:【黑板、仪器(投影仪、幻灯片等)座次、复印、课本、练习本、学习载体】黑板、多媒体课件、课本、学习载体:盘式制动器、相关维修材料、检测记录表、评价卡、相关工具、棉布、直尺、游标卡尺、外径千分尺等。
按学情将学生分成四个小组,每个小组设组长一名,并由组长带领组员准备好本节课要用的教具。
汽车制动系统是关乎汽车行驶安全的重要部件之一,而制动系统失灵给驾乘人员带来的危险性可想而知。
汽车制动系统的维修和保养是汽车维修中的一项重要工作。
本次课程以汽车制动拖滞——盘式制动器的检修为主要学习内容,通过设置真实工作情境来设计学习任务。
汽车制动系统的维修保养与其他零部件不同,汽车制动系统关乎驾乘人员的行车安全,对操作技能要求高,难度较大,学生在操作过程中要细心、规范、谨慎。
1 学习目标1.1 学情分析(1)教学对象。
本次授课对象为汽车维修专业中级工二年级的学生(4个小组每组6人,共24人)。
(2)学习基础。
本课程是二年级开设的专业基础课程,通过第一年的学习,已经基本掌握了汽车基本的构造、汽车维护、汽车发动机构造与维修及汽车维修设备使用的相关知识。
(3)学习能力。
学生已经能借助参考教材、技术手册等相关资料查阅汽车零部件维修中的技术要求信息的能力,能应用专业术语进行交流。
(4)学习态度。
学生的学习积极性较高;思维活跃,喜欢动手,喜欢学习与工作联系紧密的内容;具备一定的抽象思维能力;有较强的表现欲望,比较喜欢团队形式的学习,学生之间也有较好的合作意识,但是语言表达能力需要进一步提高。
个别学生注意力容易分散,思维不够活跃,在课堂上有开小差的现象。
(5)学习方法。
根据学生的学习特点,适当引入现代化教学资源,使用创设情境、任务驱动、分组教学等教学方法及手段。
在授课时运用维修实例引入新课,辅以实车训练的方法,将现代多媒体与实体教具进行有机结合,使学生不再枯燥地面对书本上的静态教学,使其更加直观地了解汽车故障现象,通过小组分工合作完成任务,具有一定挑战性,学生兴趣比较浓厚。
以学生为主体,教师进行引导,在做中学,激发学生的学习兴趣。
1.2 学习目标(1)知识目标。
盘式制动器的检修内容。
(2)能力目标。
通过小组合作,能以多种形式展示盘式制动器检修作业方案,并能通过分析、讨论对作业方案进行评价;能根据工作任务合理选用工量具;能根据盘式制动器检修作业方案,独立、规范地进行盘式制动器检修的操作。
2、制动片
制动片一般是由钢板及其粘贴或铆接在制动钳上的摩擦材料构成。
二、盘式制动器的工作原理
当制动液进入制动钳,压力足够大时,制动液将推动其内的活塞压向制动盘,使制动盘停止旋转。
2、初步训练布置任务:
根据盘式制动器进行对应检测,并进行记录。
分组讨论,小组交流:
学生分成两组依据布置的任务制定出项目实施计划,确定工作步骤
讨论
法、
演示
法;
实物
16
分
钟
和顺序,并进行交流。
盘式制动器的检测
制动盘的检查
1、制动盘的外表检查
检查制动盘表面,若有轻微划痕,课通过修磨方法消除,较深划痕需进行磨削加工或换新件。
2、制动盘厚度的测量
用游标卡尺或外径千分尺测量,若超过使用界限,则必须更换新件。
3、制动盘轴向跳动量的检查
用百分表检测制动盘的轴向跳动量,若超过极限,可通过机加工修复或更新机件。
制动盘加工后的厚度不得超过8mm 。
制动片的检查
1、制动片厚度的检查
对已卸下的,可用游标卡尺直接测量。
对未拆下的外侧的制动片,可通过轮辐上的检测孔用手电筒目测,对未拆下的内侧的制动片,可利用反光镜目测。
2、制动片磨损超限报警装置
弹簧传感式:当制动片磨损超限时,弹簧片与制动盘摩擦出声,利用声音报警。
3、强化训练
盘式制动器的检查
1、盘式制动器制动盘的检查
外表检查
厚度测量
项目
教学
法;
实物
20
分
钟
轴向跳动量的检查2、制动片的检查
厚度的检查。
《制动器的结构与检修》教学设计2.教学重点及难点教学重点:学生充分掌握盘式制动器拆装与检测的规范操作。
教学难点:掌握制动盘检测方式特别是圆跳动量的测量。
教学方法及信息化手段1.教法与学法教法:创设情景法,任务驱动法,学法:自主探究法,小组讨论法2、信息化手段微课视频、教学资源库,flash动画、QQ讨论平台、云盘等教学环境设计及资源准备环境设计:开放式实训室,高度自主的研讨实验环境,现场指导的直播指导资源准备:1、汽车维护教学资源库2、制作上传微课视频,组建相互交流所使用的QQ群平台与云盘课前准备工作通过班级QQ群上传预习资料与预习任务,并要求学生参照拆装手册与微课自主绘制拆装流程示意图并完成预习检测题,并将答案上传至QQ群。
1、做预习——以组为单位进行自主学习,绘制流程示意图2、提问题——将预习和绘制流程图过程中遇到的问题整理并上传3、齐讨论——在qq群中讨论遇到的问题,自主寻找答案4、答问题——完成教师上传的预习检测题,并将答案上传教师通过在qq群里与学生交流,审阅学生上传的拆装流程图和检测题答案以提前了解学生的学习困惑,在课堂上有针对性地进行引导。
与此同时对学生上传的流程图和检测题答案进行打分并表明相关问题和错误。
教学过程教学过程共分为5个阶段进行,即:创设情景——任务导入——任务实施——总结评价——拓展提升。
其中任务实施又包括:方案制定——拆解——检测——安装——技能竞赛五大部分。
(一)创设情境,任务导入(10分钟)在课程开始时首先由教师对学生的预习情况进行点评并进行实训安全教育,然后由教师创设情景,利用现实中遇到的问题——制动时方向盘抖动进行情景的创设并明确任务——盘式制动器的拆装与检测。
并将任务认为拆卸——检测——安装三部分。
(二)学生展示,教师答疑,确定方案(20分钟)(1)学生展示:由学生对自己在预习过程中所绘制的拆装与检测流程图进行讲解并提出仍未解决的问题。
(2)由老师对学生在自主学习中,存在诸多的问题,例如流程绘制错误工具选取不正确等进行讲解和引导。
教学设计
教学过程
教学环节教师讲授、指导(主导)内容
学生学习、
操作(主体)活动
时间
分配
一二组织教学
一、工具准备
悦动轿车一辆、百分表及磁力表座、开口扳手、轮缸活塞拆
装专用工具、气动扳手及21mm套筒、外径千分尺,钢尺、抹
布、举升机、工具车。
二、项目实施
1、将车辆正确停放到举升机平台上。
2、安装泡沫垫块,同时撤下车轮挡块。
(注意垫块的安装位
置,应正确垫放在汽车下部,两边距离举升机边缘约4cm,外
侧与汽车底部约平行)
3、举升车辆,当垫块与汽车底部刚发生接触时,应检查确认
垫块支撑点位置是否正确,如不正确,应及时将车降下,及
时调整,确保升车的安全可靠。
4、技工甲举升操作举升机开关,技工乙在车辆的另外一侧,
环视汽车周围,应无障碍物影响汽车举升。
5、将车辆举升至距离地面约20cm左右时,停止继续举升车
辆,技工甲走向汽车前部,技工乙走向汽车后部,检查车体
的前部和后部是否稳定可靠,如出现异常晃动,应立即停止
举升汽车,将车辆降下,重新调整举升位置,没有问题后,
可继续举升车辆。
6、将车辆举升至中位,同时技工甲与技工乙应检查举升机的
落锁情况是否正常。
(具体情况根据操作技工的身高而定,
大约在胸口位置)
7、对车轮进行标记。
教师介绍这次教学
任务内容,学生了解
本次课学习内容。
通过图片介绍流程
2min
8min
8、连接气动扳手,并校核气功扳手的正转或反转。
(注意,此时严禁将套筒连接到气动扳手上,防止由于气动扳手的卡扣松动,造成套筒的滑落伤人)
9、按照对角原则,拆卸车轮。
(气动扳手的转速调整,应按照正一反三原则,即拆卸时转速应调整在3左右,安装时转速调整在1左右,具体情况视气源压力而定)
10、拆下第一个螺栓后,不要将螺栓取下,将第一个螺栓重新安装回去。
(将螺栓重新安装,目的是为了当拆下剩下螺栓时,汽车车轮不会掉落)
11、将车轮拆下后,安全可靠的放置。
教师讲授,学生认真
听讲,记好笔记。
注意事项
10min
10min
12、拆卸制动卡钳安装螺栓,并按箭头所示向上翻转制动卡钳。
13、取出制动摩擦片。
14、检查制动分泵,应不制动液渗漏。
检查制动活塞防尘罩,应无老化,裂纹,损伤。
检查浮动销运转,应无卡滞。
检查浮动销防尘罩,应无老化,裂纹,损伤。
15、清洁制动摩擦片,检查摩擦片表面无裂纹及异常磨损。
按箭头所示用量具检查制动摩擦片厚度,前轮(标准值:11mm,极限值:2mm)使用钢尺进行测量,每个摩擦片均匀选取3点进行测量。
16、清洁制动盘,检查制动盘表面无裂纹及异常磨损。
测量制动盘厚度:前轮(标准值:26mm,极限值:24mm)测量前,应清洁外径千分尺,同时,校核外径千分尺是否精确可靠,在制动盘圆周上均匀选取3点进行测量。
17、测量制动盘圆跳动(极限值:前后:0.05mm)。
安装磁力表座及百分表,确定磁力表座的安全牢固可靠,如图所示,百分表的表头应距离制动盘外缘5mm,安装百分表后,转动制动盘,观察百分表,圆跳动量应不大于0.05mm。
18、检查制动管路是否有老化,裂纹,损伤,隆起等,检查制动管路各连接部位是否有制动液渗漏。
三四19、按照拆解的相反顺序进行安装。
20、对工作现场进行5S管理,清理,擦洗回收工具,用具。
课堂小结
主要总结本次课知识。
布置作业
总结流程。
学生写作业,教师在
线答疑。
8min
2min。