数控车工国家职业标准
- 格式:doc
- 大小:144.00 KB
- 文档页数:10
数控加工(数控车工)专业国家技能
人才培养工学一体化课程标准(试用)
《数控加工(数控车工)专业国家技能人才培养工学一体化课程标准(试用)》是为了培
养具备数控车工技能的国家技能人才而制定的课程标准。
该标准包括了数控车床操作、编
程、维护等方面的内容,并注重学生的实践能力培养。
该标准要求学生具备一定的数学、
物理等基础知识,能够熟练掌握数控车床的操作方法和编程技巧,了解机床的结构和工作
原理,并能够进行常见故障的排除和维护。
同时,学生还应具备一定的质量意识和团队合
作精神,能够按照要求完成加工任务。
该标准的实施,有利于提高数控加工(数控车工)专业学生的职业素养和技能水平,培养
具备国际竞争力的高素质技术人才,促进我国制造业的发展。
齐齐哈尔工程学院数控技术专业人才培养方案(2017.9讨论稿)专业代码:560103一、学制及招生对象(一)学制:3年。
(二)招生对象:普通高中毕业生和具有高中文化程度者.二、专业培养目标与就业岗位(一)专业培养目标数控技术专业培养拥护党的基本路线,重点掌握从事本专业领域实际工作的基本能力。
使学生具有机械产品图纸、电气原理图的识读、绘制和分析能力;具有对废旧机床性能检测、可再制造性评估、机床再制造总体方案的设计的能力;具有机械零部件再制造工艺方案制定、电气控制系统再制造技术方案制定的能力;具有机床安装、调试、精度检测与控制能力;具有编制数控加工程序、操作数控机床的能力;具有数控设备日常维护、检测和保养能力。
熟练掌握使用常见机械、电工等仪器仪表,利用相关技术资料进行数控机床机械、电气、数控系统的故障诊断和维修的基本能力。
培养机电类岗位需要的应用性职业型的创业者。
(二)就业岗位本专业毕业生主要从事废旧机床性能检测、可再制造性评估、机床再制造总体方案的设计、机械零部件再制造工艺方案制定、电气控制系统再制造技术方案制定以及机床安装、调试、精度检测等工作;也可从事机床维修、机电设备安装调试、数控加工工艺与数控加工程序编制;数控设备操作及维护以及数控系统或设备的销售与技术服务工作、车间生产组织与管理工作.三、人才培养规格热爱中国共产党、热爱社会主义祖国,事业心强,有奉献精神;具有正确的世界观、人生观、价值观,良好的职业道德和社会公德;具有一定的科学文化素养,具备专业必需的文化基础,良好的文化修养和审美能力,严谨务实的工作作风;具有从事专业知识必需的专业知识和能力。
(一)人才使用规格学生毕业后主要去各类大中小型机械加工企业、各类机床生产企业、各类机械销售企业、各类矿山、冶金企业生产第一线,从事机床再制造、设备升级改造、数控机床操作、数控编程、机床大修与装配、工艺图纸的设计绘制等方面的岗位技能工作或工艺、技术和管理等相关工作。
国家职业标准车工中华人民共和国劳动和社会保障部制定普通车床车工国家职业标准1 职业概况1.1 职业名称车工。
1.2 职业定义操作车床,进行工件旋转表面切削加工的人员。
1.3 职业等级本职业共设五个等级,分别为:初级(国家职业资格五级)、中级(国家职业资格四级)、高级(国家职业资格三级)、技师(国家职业资格二级)、高级技师(国家职业资格一级)。
1.4 职业环境室内,常温。
1.5 职业能力特征具有较强的计算能力和空间感、形体知觉及色觉,手指、手臂灵活,动作协调。
1.6 基本文化程度初中毕业。
1.7 培训要求1.7.1培训期限全日制职业学校教育,根据其培养目标和教学计划确定。
晋级培训期限:初级不少于500标准学时;中级不少于400标准学时;高级不少于300标准学时;技师不少于300标准学时;高级技师不少于200标准学时。
1.7.2培训教师培训初、中、高级车工的教师应具有本职业技师以上职业资格证书或相关专业中级以上专业技术职务任职资格;培训技师的教师应具有本职业高级技师职业资格证书或相关专业高级专业技术职务任职资格;培训高级技师的教师应具有本职业高级技师职业资格证书2年以上或相关专业高级专业技术职务任职资格。
1.7.3 培训场地设备满足教学需要的标准教室,并具有车床及必要的刀具、夹具、量具和车床辅助设备等。
1.8 鉴定要求1.8.1 适用对象从事或准备从事本职业的人员。
1.8.2 申报条件——初级(具备以下条件之一者)(1)经本职业初级正规培训达规定标准学时数,并取得毕(结)业证书。
(2)在本职业连续见习工作2年以上。
(3)本职业学徒期满。
——中级(具备以下条件之一者)(1)取得本职业初级职业资格证书后,连续从事本职业工作3年以上,经本职业中级正规培训达规定标准学时数,并取得毕(结)业证书。
(2)取得本职业初级职业资格证书后,连续从事本职业工作5年以上。
(3)连续从事本职业工作7年以上。
(4)取得经劳动保障行政部门审核认定的、以中级技能为培养目标的中等以上职业学校本职业(专业)毕业证书。
数控车工国家职业标准数控车工是一项重要的职业,随着工业的发展,数控车工的需求也在不断增加。
为了规范数控车工的职业标准,提高其技能水平和职业素质,国家制定了《数控车工国家职业标准》,以下将对该标准进行详细介绍。
首先,数控车工国家职业标准明确了数控车工的职业技能要求。
数控车工需要具备精密加工和数控编程的能力,能够熟练操作数控车床进行加工,能够根据工程图纸和加工工艺要求进行加工操作,并具备一定的质量检验和故障排除能力。
此外,数控车工还需要具备安全操作和环境保护意识,保证生产过程的安全和环保。
其次,数控车工国家职业标准规定了数控车工的职业素质要求。
数控车工需要具备良好的职业道德和职业素养,遵守职业规范和职业操守,具有团队合作精神和良好的沟通能力,能够适应工作需要并具备不断学习和提高的能力。
另外,数控车工国家职业标准还对数控车工的岗位职责进行了详细的规定。
数控车工需要负责数控车床的日常操作和维护,保证设备的正常运行和生产效率。
同时,数控车工需要按照工艺要求进行加工操作,保证产品的质量和精度。
在生产过程中,数控车工需要遵守相关的安全操作规程,保证生产过程的安全和环保。
此外,数控车工国家职业标准还对数控车工的培训和评价进行了规定。
为了提高数控车工的技能水平,国家规定数控车工需要接受相关的职业培训,并通过职业资格认证。
同时,国家还规定了对数控车工的职业技能和职业素质进行定期评价,以保证数控车工的职业水平和素质。
总的来说,数控车工国家职业标准的制定对提高数控车工的职业素质和技能水平具有重要意义。
通过规范数控车工的职业标准,可以提高数控车工的整体水平,促进数控车工行业的健康发展,满足社会对高素质数控车工的需求。
希望广大数控车工能够严格遵守国家职业标准,不断提高自身的职业素质和技能水平,为工业发展做出更大的贡献。
车工技能考核标准1.职业概况1.1 职业名称:车工。
1.2 职业定义:操作车床,进行工件旋转表面切削加工的人员。
1.3 职业等级:本职业共设五个等级,分别为:初级(国家职业资格五级)、中级(国家职业资格四级)、高级(国家职业资格三级)、技师(国家职业资格二级)、高级技师(国家职业资格一级)。
1.4 职业环境:室内,常温。
1.5 职业能力特征:具有较强的计算能力和空间感、形体知觉及色觉,手指、手臂灵活,动作协调。
1.6 基本文化程度:初中毕业。
1.7 培训要求1.7.1 培训期限全日制职业学校教育,根据其培养目标和教学计划确定。
晋级培训期限:初级不少于500标准学时;中级不少于400 标准学时;高级不少于300标准学时;技师不少于300 标准学时;高级技师不少于200 标准学时。
1.7.2 培训教师培训初、中、高级车工的教师应具有本职业技师以上职业资格证书或相关专业中级以上专业技术职务任职资格;培训技师的教师应具有本职业高级技师职业资格证书或相关专业高级专业技术职务任职资格;培训高级技师的教师应具有本职业高级技师职业资格证书2 年以上或相关专业高级专业技术职务任职资格。
1.7.3 培训场地设备满足教学需要的标准教室,并具有车床及必要的刀具、夹具、量具和车床辅助设备等。
1.8 鉴定要求1.8.1 适用对象:从事或准备从事本职业的人员。
1.8.2 申报条件:——中级(具备以下条件之一者)(1)取得本职业初级职业资格证书后,连续从事本职业工作3 年以上,经本职业中级正规培训达规定标准学时数,并取得毕(结)业证书。
(2)取得本职业初级职业资格证书后,连续从事本职业工作5 年以上。
(3)连续从事本职业工作7 年以上。
(4)取得经劳动保障行政部门审核认定的、以中级技能为培养目标的中等以上职业学校本职业(专业)毕业证书。
1.8.3 鉴定方式分为理论知识考试和技能操作考核。
理论知识考试采用闭卷笔试方式,技能操作考核采用现场实际操作方式。
培养培训综合评价和鉴定考核方案学生综合评价和鉴定考核方案为加快构建现代职业教育体系,改革学生评价模式,根据自治区党委关于《加快构建现代职业教育体系的若干意见》,根据国家职业资格标准和学校制定的“工学结合的人才培养模式”特制定本评价考核办法:一.评定考核范围评定考核范围包括我校招录的初中学历毕业的“2.5+0.5”培养模式相关专业的学生和社会培训的学员。
二.考核评定工作 1.学生顶岗实训成绩由学生顶岗实习期间的实习指导教师按照学生顶岗实习成绩评定办法进行考核评定。
2.学生强化实训的平时成绩分为理论成绩和实操成绩。
理论成绩按照模拟考试成绩进行总评。
实操成绩由校内实习指导教师按照我校制定的实训成绩考核办法对学生的出勤,安全文明生产以及单元训练课题进行综合评定。
3.学生职业技能鉴定考核由我校国家职业技能鉴定所依据国家职业技能鉴定考核标准组织实施。
聘请的考评员应至少包括一名在企业的具有相关专业考评资格的考评员参与鉴定考核。
4.面向企事业单位的员工及各类社会培训人员,培训课时应不少于国家标准规定课时,培训结束后,根据具体情况进行最终评定成绩的评价或鉴定考核。
三.申报条件1,申报学生的各科理论成绩和操行应符合毕业考核标准。
2.申报学生按学校计划完成了在分配企业的顶岗实习内容和规定课时3.申报学生在顶岗实训和强化实训期间无重大违纪和安全事故。
4,申报学生符合国家职业资格的其它相关条件(工龄要求除外)5.面向社会培训的各类人员,申报条件必须符合国家职业标准的规定。
四.成绩核算1.顶岗实习成绩考核与成绩评定学生在顶岗实习期间接受学校和企业的双重指导,校企双方要加强对学生的工作过程控制和考核,实行校企双方考核制度。
双方共同填写《学生实习签定表》。
学生顶岗实习作单独一门成绩计。
考核分两部分:一是企业评价占40%;二是学校指导教师对学生的评价,占总成绩的60%。
学生要写出实习报告,学校指导教师要对学生实习报告及时进行批阅、检查,给出评价。
131A 数控车工国家职业技能鉴定标准表 A-1 中级车工(数控车工)国家职业技能鉴定标准附录B 数控铣工国家职业标准1.职业概况1.1 职业名称数控铣工。
1.2、职业定义从事编制数控加工程序并操作数控铣床进行零件铣削加工的人员。
1.3职业等级本职业共设四个等级,分别为:中级(国家职业资格四级)、高级(国家职业资格三级)、技师(国家职业资格二级)、高级技师(国家职业资格一级)。
1.4职业环境室内、常温。
1.5职业能力特征具有较强的计算能力和空间感,形体知觉及色觉正常,手指、手臂灵活,作协调。
1.6基本文化程度高中毕业(或同等学历)。
1.7培训要求1.7.1培训期限全日制职业学校教育,根据其培养目标和教学计划确定。
晋级培训期限:中级不少于400标准学时;高级不少于300标准学时;技师不少于300标准学时;高级技师不少于300标准学时。
1.7.2培训教师培训中、高级人员的教师应取得本职业技师及以上职业资格证书或相关专业中级及以上专业技术职称任职资格;培训技师的教师应取得本职业高级技师职业资格证书或相关专业高级专业技术职称任职资格;培训高级技师的教师应取得本职业高级技师职业资格证书2年以上或取得相关专业高级专业技术职称任职资格。
1.7.3培训场地设备满足教学要求的标准教室、计算机机房及配套的软件、数控铣床及必要的刀具、夹具、量具和辅助设备等。
1.8鉴定要求1.8.1 适用对象从事或准备从事本职业的人员。
1.8.2申报条件——中级:(具备以下条件之一者)(1)经本职业中级正规培训达规定标准学时数,并取得结业证书。
(2)连续从事本职业工作不少于5年。
(3)取得经劳动保障行政部门审核认定的,以中级技能为培养目标的中等以上职业学校本职业(或相关专业)毕业证书。
(4)取得相关职业中级《职业资格证书》后,连续从事相关职业不少于2年,经正规培训并取得毕业证书。
——高级:(具备以下条件之一者)(1)取得本职业中级职业资格证书后,连续从事本职业工作不少于2年,经本职业高级正规培训,达到规定标准学时数,并取得结业证书。
数控车工中、高级国家职业标准1.1 职业名称数控车工。
1.2职业定义从事编制数控加工程序并操作数控车床进行零件车削加工的人员。
1.3 职业等级本职业共设四个等级,分别为:中级(国家职业资格四级)、高级(国家职业资格三级)、技师(国家职业资格二级)、高级技师(国家职业资格一级)。
2. 申报条件──中级(具备以下条件之一者)(1)经本职业中级正规培训达规定标准学时数,并取得结业证书。
(2)连续从事本职业工作5年以上。
(3)取得经劳动保障行政部门审核认定的,以中级技能为培训目标的中等以上职业学校本职业或相关专业毕业证书。
(4)取得相关职业中级职业资格证书后,连续从事本职业工作2年以上。
──高级(具备以下条件之一者)(1)取得本职业中级职业资格证书后,连续从事本职业工作2年以上,经本职业高级正规培训达规定标准学时数,并取得结业证书。
(2)取得本职业中级职业资格证书后,连续从事本职业工作4年以上。
(3)取得经劳动保障行政部门审核认定的、以高级技能为培养目标的职业学校本职业或相关专业毕业证书。
(4)大专以上本专业或相关专业毕业生,经本职业高级正规培训达规定标准学时数,并取得结业证书。
3.工作要求本标准对中级、高级的技能要求依次递进,高级别涵盖低级别的要求。
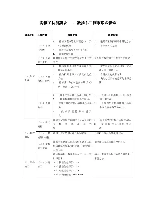
3.1 中级职业功能工作内容技能要求相关知识一、加工准备(一)读图与绘图1.能读懂中等复杂程度(如:曲轴)的零件图2.能绘制简单的轴、盘类零件图3.能读懂进给机构、主轴系统的装配图1.复杂零件的表达方法2.简单零件图的画法3.零件三视图、局部视图和剖视图的画法4.装配图的画法(二)制定加工工艺1.能读懂复杂零件的数控车床加工工艺文件2.能编制简单(轴盘)零件的数控车床加工工艺文件数控车床加工工艺文件的制定(三)零件定位与装夹能使用通用夹具(如三爪自定心卡盘、四爪单动卡盘)进行零件装夹与定位1.数控车床常用夹具的使用方法2.零件定位、装夹的原理和方法(四)刀具准备1.能根据数控车床加工工艺文件选择、安装和调整数控车床常用刀具2.能刃磨常用车削刀具1.金属切削与刀具磨损知识2.数控车床常用刀具的种类、结构和特点3.数控车床、零件材料、加工精度和工作效率对刀具的要求二、数控编程(一)手工编程1.能编制由直线、圆弧组成的二维轮廓数控加工程序2.能编制螺纹加工程序3.能运用固定循环、子程序进行零件的加工程序编制1.数控编程知识2.直线插补和圆弧插补的原理3.坐标点的计算方法(二)计算机辅助编程1.能使用计算机绘图设计软件绘制简单(轴、盘、套)零件图2.能利用计算机绘图软件计算节点计算机绘图软件(二维)的使用方法职业功能工作内容技能要求相关知识三、数控车床操作(一)操作面板1.能按照操作规程启动及停止机床2.能使用操作面板上的常用功能键(如回零、手动、MDI、修调等)1.熟悉数控车床操作说明书2.数控车床操作面板的使用方法(二)程序输入与编辑1.能通过各种途径(如DNC、网络等)输入加工程序2.能通过操作面板编辑加工程序1.数控加工程序的输入方法2.数控加工程序的编辑方法3.网络知识(三)对刀1.能进行对刀并确定相关坐标系2.能设置刀具参数1.对刀的方法2.坐标系的知识3.刀具偏置补偿、半径补偿与刀具参数的输入方法(四)程序调试与运行能够对程序进行校验、单步执行、空运行并完成零件试切程序调试的方法四、零件加工(一)轮廓加工1.能进行轴、套类零件加工,并达到以下要求:(1)尺寸公差等级:IT6(2)形位公差等级:IT8(3)表面粗糙度:RA1.62.能进行盘类、支架类零件加工,并达到以下要求:(1)轴径公差等级:IT6(2)孔径公差等级:IT7(3)形位公差等级:IT8(4)表面粗糙度:RA1.61.内外径的车削加工方法、测量方法2.形位公差的测量方法3.表面粗糙度的测量方法(二)螺纹加工能进行单线等节距普通三角螺纹、锥螺纹的加工,并达到以下要求:(1)尺寸公差等级:IT6-IT7(2)形位公差等级:IT8(3)表面粗糙度:R1.61.常用螺纹的车削加工方法2.螺纹加工中的参数计算职业功能工作内容技能要求相关知识(三)槽类加工能进行内径槽、外径槽和端面槽的加工,并达到以下要求:(1)尺寸公差等级:IT8(2)形位公差等级:IT8(3)表面粗糙度:R3.2内径槽、外径槽和端槽的加工方法四、零件加工(四)孔加工能进行孔加工,并达到以下要求:(1)尺寸公差等级:IT7(2)形位公差等级:IT8(3)表面粗糙度:R3.2孔的加工方法(五)零件精度检验能进行零件的长度、内径、外径、螺纹、角度精度检验1.通用量具的使用方法2.零件精度检验及测量方法五、数控车床维护和故障诊断(一)数控车床日常维护能根据说明书完成数控车床的定期及不定期维护保养,包括:机械、电、气、液压、冷却数控系统检查和日常保养等1.数控车床说明书2.数控车床日常保养方法3.数控车床操作规程4.数控系统(进口与国产数控系统)使用说明书(二)数控车床故障诊断1.能读懂数控系统的报警信息2.能发现并排除由数控程序引起的数控车床的一般故障1.使用数控系统报警信息表的方法2.数控机床的编程和操作故障诊断方法(三)数控车床精度检查能进行数控车床水平的检查1.水平仪的使用方法2.机床垫铁的调整方法职业功能工作内容技能要求相关知识一、加工准备(一) 读图与绘图1.能读懂中等复杂程度(如:刀架)的装配图2.能根据装配图拆画零件图3.能测绘零件1.根据装配图拆画零件图的方法2.零件的测绘方法职业功能工作内容技能要求相关知识(二)制定加工工艺能编制复杂零件的数控车床加工工艺文件复杂零件数控车床的加工工艺文件的制定(三)零件定位与装夹1.能选择和使用数控车床组合夹具和专用夹具2.能分析并计算车床夹具的定位误差3.能设计与自制装夹辅具(如心轴、轴套、定位件等)1.数控车床组合夹具和专用夹具的使用、调整方法2.专用夹具的使用方法3.夹具定位误差的分析与计算方法(四)刀具准备1.能选择各种刀具及刀具附件2.能根据难加工材料的特点,选择刀具的材料、结构和几何参数3.能刃磨特殊车削刀具1.专用刀具的种类、用途、特点和刃磨方法2.切削难加工材料时的刀具材料和几何参数的确定方法二、数控编程(一)手工编程能运用变量编程编制含有公式曲线的零件数控加工程序1.固定循环和子程序的编程方法2.变量编程的规则和方法(二)计算机辅助编程能用计算机绘图软件绘制装配图计算机绘图软件的使用方法(三)数控加工仿真能利用数控加工仿真软件实施加工过程仿真以及加工代码检查、干涉检查、工时估算数控加工仿真软件的使用方法三、零件加工(一)轮廓加工能进行细长、薄壁零件加工,并达到以下要求:(1)轴径公差等级:IT6(2)孔径公差等级:IT7(3)形位公差等级:IT8(4)表面粗糙度:R1.6细长、薄壁零件加工的特点及装夹、车削方法职业功能工作内容技能要求相关知识(二)螺纹加工1.能进行单线和多线等节距的T形螺纹、锥螺纹加工,并达到以下要求:(1)尺寸公差等级:IT6(2)形位公差等级:IT8(3)表面粗糙度:R1.62.能进行变节距螺纹的加工,并达到以下要求:(1)尺寸公差等级:IT6(2)形位公差等级:IT7(3)表面粗糙度:R1.61.T形螺纹、锥螺纹加工中的参数计算2.变节距螺纹的车削加工方法(三)孔加工能进行深孔加工,并达到以下要求:(1)尺寸公差等级:IT6(2)形位公差等级:IT8(3)表面粗糙度:R1.6深孔的加工方法(四)配合件加工能按装配图上的技术要求对套件进行零件加工和组装,配合全差达到IT7级套件的加工方法(五)零件精度检验1.能在加工过程中使用百分表、千分表等进行在线测量,并进行加工技术参数的调整2.能够进行多线螺纹的检验3.能进行加工误差分析1.百分表、千分表的使用方法2.多线螺纹的精度检验方法3.误差分析的方法四、数控车床维护与精度检验(一)数控车床日常维护1.能制定数控车床的日常维护规程2.能监督检查数控车床的日常维护状况1.数控车诃维护管理基本知识2.数控机床维护操作规程的制定方法(二)数控车床故障诊断1.能判断数控车床机械、液压、气压和冷却系统的一般故障2.能判断数控车床控制与电器系统的一般故障3.能够判断数控车床刀架的一般故障1.数控车床机械故障的诊断方法2.数控车床液压、气压元器件的基本原理3.数控机床电器元件的基本原理4.数控车床刀架结构职业功能工作内容技能要求相关知识(三)机床精度检验1.能利用量具、量规对机床主轴的垂直平等度、机床水平等一般机床几何精度进行检验2.能进行机床切削精度检验1.机床几何精度检验内容及方法2.机床切削精度检验内容及方法。
数控车工职业等级“数控车工职业等级”考证一.职业等级:本职业共设四个等级,分别为中级(相当于国家职业资格四级)、高级(相当于国家职业资格三级)、技师(相当于国家职业资格二级)、高级技师(相当于国家职业资格一级)。
二.培训要求:(1)培训期限:全日制职业学校教育,根据其培养目标和教学计划确定。
晋级培训期限:中级不少于400标准学时;高级不少于300标准学时。
(2)培训教师:基础理论课教师应具备本科及本科以上学历,具有一定的教学经验;培训中、高级人员的教师应具备本职业技师以上职业资格证书或本专业中级以上专业技术职务任职资格;培训技师的教师应具备本职业高级技师职业资格证书或本专业高级专业技术职务任职资格;培训高级技师的教师应具备本职业高级技师职业资格证书2年以上或本专业高级专业技术职务任职资格。
(3)培训场地设备:满足教学需要的标准教室;数控车床及完成加工所需的工件、刀具、夹具、量具和机床辅助设备;计算机、正版国产或进口CAD/CAM自动编程软件和数控加工仿真软件等。
8、鉴定要求三.鉴定要求(l)适用对象:从事和准备从事本职业的人员。
(2)申报条件——中级(具备以下条件之一者)l)取得相关职业(指车、铣、镗工,以下同)初级职业资格证书后,连续从事相关职业3年以上,经本职业中级正规培训达规定的标准学时,并取得毕(结)业证书。
2)取得相关职业中级职业资格证书后,且连续从事相关职业1年以上,经本职业中级正规培训达规定的标准学时数,并取得毕(结)业证书。
3)取得中等职业学校数控加工技术专业或大专以上(含大专)相关专业毕业证书。
——高级(具备以下条件之一者)l)取得本职业中级职业资格证书后,连续从事本职业4年以上,经本职业高级正规培训达规定的标准学时数,并取得毕(结)业证书。
2)取得本职业中级职业资格证书后,连续从事本职业工作7年以上。
3)取得高级技工学校或经劳动保障行政部门审核认定的、以高级技能为培养目标的高等职业学校本专业毕业证书。
最新资料,Word版,可自由编辑数控车工国家职业标准1.职业概况职业名称数控车工;1.2职业定义从事编制数控加工程序并操作数控车床进行零件车削加工的人员;职业等级本职业共设四个等级,分别为:中级国家职业资格四级、高级国家职业资格三级、技师国家职业资格二级、高级技师国家职业资格一级;1.4职业环境室内、常温;1.5职业能力特征具有较强的计算能力和空间感,形体知觉及色觉正常,手指、手臂灵活,动作协调;1.6基本文化程度高中毕业或同等学历;1.7培训要求1.7.1培训期限全日制职业学校教育,根据其培养目标和教学计划确定;晋级培训期限:中级不少于400标准学时;高级不少于300标准学时;技师不少于200标准学时;高级技师不少于200标准学时;1.7.2培训教师培训中、高级人员的教师应取得本职业技师及以上职业资格证书或相关专业中级及以上专业技术职称任职资格;培训技师的教师应取得本职业高级技师职业资格证书或相关专业高级专业技术职称任职资格;培训高级技师的教师应取得本职业高级技师职业资格证书2年以上或取得相关专业高级专业技术职称任职资格2年以上;1.7.3培训场地设备满足教学要求的标准教室、计算机机房及配套的软件、数控车床及必要的刀具、夹具、量具和辅助设备等;1.8鉴定要求1.8.1适用对象从事或准备从事本职业的人员;申报条件──中级具备以下条件之一者1经本职业中级正规培训达规定标准学时数,并取得结业证书;2连续从事本职业工作5年以上;3取得经劳动保障行政部门审核认定的,以中级技能为培训目标的中等以上职业学校本职业或相关专业毕业证书;4取得相关职业中级职业资格证书后,连续从事本职业工作2年以上;──高级具备以下条件之一者1取得本职业中级职业资格证书后,连续从事本职业工作2年以上,经本职业高级正规培训达规定标准学时数,并取得结业证书;2取得本职业中级职业资格证书后,连续从事本职业工作4年以上;3取得经劳动保障行政部门审核认定的、以高级技能为培养目标的职业学校本职业或相关专业毕业证书;4大专以上本专业或相关专业毕业生,经本职业高级正规培训达规定标准学时数,并取得结业证书;──技师具备以下条件之一者1取得本职业高级职业资格证书后,连续从事本职业工作4年以上,经本职业技师正规培训达规定标准学时数,并取得结业证书;2取得本职业高级职业资格证书的职业学校本职业专业毕业生,连续从事本职业工作2年以上,经本职业技师正规培训达规定标准学时数,并取得结业证书;3取得本职业高级职业资格证书的本科含本科以上本专业或相关专业毕业生,连续从事本职业工作2年以上,经本职业技师正规培训达规定标准学时数,并取得结业证书;──高级技师取得本职业技师职业资格证书后,连续从事本职业工作4年以上,经本职业高级技师正规培训达规定标准学时数,并取得结业证书;1.8.3鉴定方式分为理论知识考试和技能操作考核;理论知识考试采用闭卷方式,技能操作含软件应用考核采用现场实际操作和计算机软件操作方式;理论知识考试和技能操作含软件应用考核均实行百分制,成绩皆达60分及以上者为合格;技师和高级技师还需进行综合评审;1.8.4考评人员与考生配比理论知识考试考评人员与考生配比为1:15,每个标准教室不少于2名相应级别的考评员;技能操作含软件应用考核考评员与考生配比为1:2,且不少于3名相应级别的考评员;综合评审委员不少于5人;1.8.5鉴定时间理论知识考试为120分钟,技能操作考核中实操时间为:中级、高级不少于240分钟,技师和高级技师不少于300分钟,技能操作考核中软件应用考试时间为不超过120分钟,技师和高级技师的综合评审时间不少于45分钟;1.8.6鉴定场所设备理论知识考试在标准教室里进行,软件应用考试在计算机机房进行,技能操作考核在配备必要的数控车床及必要的刀具、夹具、量具和辅助设备的场所进行;2.基本要求2.1职业道德2.1.1职业道德基本知识2.1.2职业守则1遵守国家法律、法规和有关规定;2具有高度的责任心、爱岗敬业、团结合作;3严格执行相关标准、工作程序与规范、工艺文件和安全操作规程;4学习新知识新技能、勇于开拓和创新;5爱护设备、系统及工具、夹具、量具;6着装整洁,符合规定;保持工作环境清洁有序,文明生产;2.2基础知识2.2.1基础理论知识1机械制图2工程材料及金属热处理知识3机电控制知识4计算机基础知识5专业英语基础2.2.2机械加工基础知识1机械原理2常用设备知识分类、用途、基本结构及维护保养方法3常用金属切削刀具知识4典型零件加工工艺5设备润滑和冷却液的使用方法6工具、夹具、量具的使用与维护知识7普通车床、钳工基本操作知识2.2.3安全文明生产与环境保护知识1安全操作与劳动保护知识2文明生产知识3环境保护知识2.2.4质量管理知识1企业的质量方针2岗位质量要求3岗位质量保证措施与责任2.2.5相关法律、法规知识1劳动法的相关知识2环境保护法的相关知识3知识产权保护法的相关知识3.工作要求本标准对中级、高级、技师和高级技师的技能要求依次递进,高级别涵盖低级别的要求;3.1 中级3. 2高级3.3技师3. 4高级技师4.比重表4.1理论知识4.2技能操作。
国家职业技能标准 (National Occupational Skill Standards, NOSS) 是指由国家相关部门或机构制定的一套标准,用以评价和衡量某一职业领域从业者的技能水平和素质。
2018年,国家职业技能标准对于车工这一职业领域的标准进行了新的规定和修订,这为车工职业的发展和提升提供了更加清晰、全面的指导和要求。
对于车工这一职业领域的国家职业技能标准,我们需要了解车工在工作中需要具备哪些技能和素质。
在2018年更新的标准中,对于车工的技能要求可能包括但不限于:精通车床的操作、熟练掌握数控车床的编程和调试、具备金属材料的加工和成型知识、熟练运用各类加工工具等。
国家职业技能标准对于车工职业的素质要求可能还包括:具备良好的分析问题和解决问题能力、具备团队合作和交流能力、具备责任心和职业道德等。
国家职业技能标准对于车工的知识、技能和素质要求都进行了详细的规定和说明,这对于从业者在学习和实践中提供了明确的目标和标准。
通过遵循国家职业技能标准,车工可以更好地提升自己的技能水平,提高工作效率和质量,从而在职业发展中更具竞争力。
对于我的个人观点和理解,我认为国家职业技能标准的制定和更新对于全行业的发展和规范起到了重要的作用。
作为一名车工,应当不断学习和提升自身的技能水平,积极适应国家职业技能标准的要求,以期为行业的可持续发展做出更大的贡献。
国家职业技能标准对于车工这一职业领域的规范和要求将会为从业者提供更广阔的发展空间和更明确的发展方向。
只有不断学习、提升和适应,才能在激烈的市场竞争中立于不败之地。
在2020年的今天,当我们回首过去,一切似乎是那么清晰。
对国家职业技能标准的理解和贯彻,对于车工这一职业领域的发展和壮大起到了决定性的作用。
而对于我个人而言,这些标准也成为了我不断学习、进步和成长的动力和指引。
希望在未来的工作中,我能够更好地遵循国家职业技能标准,不断提升自己,为整个行业的繁荣和昌盛贡献自己的一份力量。
数控车工国家职业标准 This model paper was revised by the Standardization Office on December 10, 2020数控车工国家职业标准职业名称数控车工。
1.2职业定义从事编制数控加工程序并操作数控车床进行零件车削加工的人员。
职业等级本职业共设四个等级,分别为:中级(国家职业资格四级)、高级(国家职业资格三级)、技师(国家职业资格二级)、高级技师(国家职业资格一级)。
申报条件──中级(具备以下条件之一者)(1)经本职业中级正规培训达规定标准学时数,并取得结业证书。
(2)连续从事本职业工作5年以上。
(3)取得经劳动保障行政部门审核认定的,以中级技能为培训目标的中等以上职业学校本职业或相关专业毕业证书。
(4)取得相关职业中级职业资格证书后,连续从事本职业工作2年以上。
──高级(具备以下条件之一者)(1)取得本职业中级职业资格证书后,连续从事本职业工作2年以上,经本职业高级正规培训达规定标准学时数,并取得结业证书。
(2)取得本职业中级职业资格证书后,连续从事本职业工作4年以上。
(3)取得经劳动保障行政部门审核认定的、以高级技能为培养目标的职业学校本职业或相关专业毕业证书。
(4)大专以上本专业或相关专业毕业生,经本职业高级正规培训达规定标准学时数,并取得结业证书。
──技师(具备以下条件之一者)(1)取得本职业高级职业资格证书后,连续从事本职业工作4年以上,经本职业技师正规培训达规定标准学时数,并取得结业证书。
(2)取得本职业高级职业资格证书的职业学校本职业(专业)毕业生,连续从事本职业工作2年以上,经本职业技师正规培训达规定标准学时数,并取得结业证书。
(3)取得本职业高级职业资格证书的本科(含本科)以上本专业或相关专业毕业生,连续从事本职业工作2年以上,经本职业技师正规培训达规定标准学时数,并取得结业证书。
──高级技师取得本职业技师职业资格证书后,连续从事本职业工作4年以上,经本职业高级技师正规培训达规定标准学时数,并取得结业证书。
数控加工(数控车工)高级课程标准————————————————————————————————作者:————————————————————————————————日期:目录一、数控加工(数控车工)专业人才培养方案 (2)二、数控加工(数控车工)专业课程标准1.《机械制图与CAD》课程标准 (26)2.《机械基础》课程标准 (34)3.《液压与气压传动》课程标准 (39)4.《电工电子》课程标准 (43)5.《机械加工基础》课程标准 (49)6.《数控编程》课程标准 (57)7.《零件钳加工》课程标准 (64)8.《零件车铣加工》课程标准 (72)9.《机床电气控制》课程标准 (80)10.《PLC与变频器》课程标准 (88)11.《计算机辅助设计与制造》课程标准 (94)12.《零件数控车床加工》课程标准 (100)13.《产品质量检测》课程标准 (110)14.《数控机床故障诊断与维修》课程标准 (117)15.《工学交替》课程标准 (125)16.《顶岗实习》课程标准 (133)17.《零件数控铣床加工》课程标准 (141)18.《零件数控线切割加工》课程标准 (149)19《零件CNC电火花加工》课程标准 (154)数控加工(数控车工)专业人才培养方案一、专业名称与专业代码专业名称:数控加工(数控车工)专业代码:0106-3二、招生对象与学制招生对象:初中毕业生学制:五年制办学层次:高级工三、培养目标面向制造业生产一线,培养德、智、体、美全面发展,熟悉企业本岗位的工作现场管理,能独立完成工艺制定,复杂零件数控车床的编程与加工等常规性工作,并能解决精度调整、常见故障诊断和质量事故分析等现场问题,达到数控车工高级国家职业资格要求,具有职业生涯发展基础的高素质技能人才。
四、培养规格(一)知识结构1、基础知识(1)具备基本的科学文化素养,掌握必需的人文科学基础知识;(2)具有正确的世界观、人生观和价值观,拥护中国共产党的领导,热爱社会主义祖国;(3)了解专业领域范围内的人力资源市场现状,熟悉国家的就业政策及地方创业鼓励措施。
一、培训目标1. 培养学员具备数控车床的基本操作技能,熟练掌握数控车床的编程与加工工艺。
2. 使学员掌握数控车工的国家职业标准,提高学员的职业技能水平。
3. 培养学员具备一定的创新意识和团队协作精神,为我国数控加工行业培养高素质人才。
二、培训对象1. 机械加工专业的大专、本科在校生;2. 机械加工行业的在职员工;3. 有志于从事数控车工工作的社会人士。
三、培训时间1. 培训周期:2个月;2. 每周培训5天,每天培训8小时。
四、培训内容1. 数控车床的基本操作与维护:(1)数控车床的结构与工作原理;(2)数控车床的维护与保养;(3)数控车床的安装与调试。
2. 数控编程与加工工艺:(1)数控编程基础;(2)数控车床的编程方法;(3)数控车床的加工工艺。
3. 数控车工的国家职业标准:(1)数控车工的职业定义;(2)数控车工的职业等级;(3)数控车工的职业技能要求。
4. 实际操作与考核:(1)数控车床的实际操作训练;(2)数控编程与加工工艺的实际操作训练;(3)数控车工职业技能考核。
五、培训师资1. 具有丰富数控车床操作经验的工程师;2. 具有多年数控编程与加工工艺教学经验的教师;3. 具有丰富实际操作经验的数控车工。
六、培训方式1. 理论教学:采用课堂讲授、案例分析、互动讨论等方式;2. 实践教学:采用实际操作、模拟加工、项目实践等方式;3. 考核评估:通过理论考核、实际操作考核、项目实践考核等方式。
七、培训费用1. 培训费用:根据培训周期、培训内容等因素确定;2. 费用包含:培训教材、实践材料、考核费用等。
八、培训证书1. 培训结束后,学员通过考核可获得数控车工职业资格证书;2. 职业资格证书由劳动和社会保障部门颁发。
九、培训保障1. 培训场地:提供宽敞、舒适的培训场地,确保学员的培训质量;2. 设备设施:提供先进的数控车床、编程软件等设备设施,满足学员的培训需求;3. 师资力量:确保培训师资的素质,为学员提供优质的教学服务。
《数控车认证第三版》模块一国家职业技能标准——车工节选xx年xx月xx日•车工职业技能的基本要求•车工职业技能的工作要求•车工职业技能的考核内容与方式•车工职业技能鉴定模拟试卷目录01车工职业技能的基本要求车工职业技能的国家标准分为五个等级,从低到高依次为五级、四级、三级、二级和一级。
不同等级对应不同的职业能力水平,一级为最高级别,具有高级技师的职业能力。
职业等级车工职业的岗位环境应符合机械制造企业的要求,包括生产车间、设备、工具、工艺文件等。
车工应熟悉机械制造的基本知识和技能,能够适应不断变化的技术和市场环境。
职业环境职业等级与职业环境职业能力特征熟练掌握机械加工设备操作技术车工需要具备熟练操作车床等机械加工设备的能力,并能够根据加工需要选择合适的刀具、夹具和切削参数。
具备一定的编程和工艺分析能力车工需要了解基本的数控编程和工艺分析知识,能够根据图纸要求和加工条件制定合理的加工方案。
具有较好的空间感和手眼协调能力车工在进行零件加工时,需要具备良好的空间感和手眼协调能力,以保证加工质量和精度。
车工职业技能的培训周期根据不同等级而异。
一般来说,五级和四级车工的培训周期为1-2年,三级和二级车工的培训周期为3-5年,一级车工的培训周期则为5年以上。
培训要求车工职业技能的培训内容主要包括机械制造基础知识、车床操作技术、刀具和夹具的使用和维护、切削参数的选择和调整、质量管理和安全生产等方面的知识和技能。
车工职业技能的培训方式可以采用理论和实践相结合的方式进行。
学员可以通过课堂教学、操作演示、案例分析等多种方式学习相关知识,并在实践中逐步掌握操作技能。
培训周期培训内容培训方式02车工职业技能的工作要求职业功能职业功能二:套类零件加工职业功能一:轴类零件加工职业功能四:锥面及成形面加工职业功能三:螺纹加工职业等级的工作内容与技能要求•职业等级一:基本操作技能要求•能够使用普通机床进行简单零件的加工•能够使用数控机床进行简单零件的加工•能够使用常用的测量工具进行零件的测量•职业等级二:操作技能要求•能够熟练操作数控机床进行复杂零件的加工•能够使用先进的测量工具进行复杂零件的测量•能够使用计算机辅助设计软件进行机械零件的设计与绘图相关工种技能要求熟悉钳工基本操作技能工种二:铣工技能要求能够使用常用的测量工具进行零件的测量工种一:钳工技能要求能够使用钳工工具进行简单零件的制作能够使用普通铣床和数控铣床进行简单零件的加工01020304050603车工职业技能的考核内容与方式理论知识考核内容包括投影基础、机械图样、公差配合与技术测量等知识。
数控车工国家职业标准
1.职业概况
1.1 职业名称
数控车工。
1.2 职业定义
从事编制数控加工程序并操作数控工车床进行零件车削加工的人员。
1.3 职业等级
本职业共设四个等级,分别为:中级(国家职业资格四级)、高级(国家职业资格三级)、技师(国家职业资格二级)、高级技师(国家职业资格一级)。
1.4 职业环境
室内,常温。
1.5 职业能力特征
具有较强的计算能力和空间感,形体知觉及色觉正常,手指、手臂灵活,动作协调。
1.6 基本文化程度
高中毕业(或同等学历)。
1.7 培训要求
1.7.1 培训期限
全日制职业学校教育,根据其培养目标和教学计划确定。
晋级培训期限:中级不少于400标准学时;高级不少于300标准学时;技师不少于200标准学时;高级技师不少于200标准学时。
1.7.2 培训教师
培训中级、高级的教师应取得本职业技师及以上职业资格证书或相关专业中级别及以上专业技术职务任职资格;培训技师的教师应取得本职业高级技师职业资格证书或相关专业高级专业技术职务任职资格;培训高级技师的教师应取得本职业高级技师职业资格证书2年以上或取得相关专业高级专业技术职务任职资格。
1.7.3 培训场地设备
满足教学要求的标准教室、计算机机房及配套的软件、数控车床及必要的刀具、夹具、量具和辅助设备等。
1.8 鉴定要求
1.8.1 适用对象
从事或准备从事本职业的人员。
1.8.2 申报条件
——中级(具备以下条件之一者)
(1)经本职业中级正规培训达规定标准学时数,并取得结业证书。
(2)连续从事本职业工作5年以上。
(3)取得经劳动保障行政部门审核认定的,以中级技能为培养目标的中等以上职业学校本职业或相关专业毕业证书。
(4)取得相关职业中级职业资格证书后,连续从事本职业工作2年以上。
——高级(具备以下条件之一者)
(1)取得本职业中级职业资格证书后,连续从事本职业工作2年以上,经本职业高级正规培训达规定标准学时数,并取得结业证书。
(2)取得本职业中级职业资格证书后,连续从事本职业工作4年以上。
(3)取得经劳动保障行政部门审核认定的、以高级技能为培养目标的职业学校本职业或相关专业毕业证书。
(4)大专以上本专业或相关专业毕业生,经本职业高级正规培训达规定标准学时数,并取得结业证书。
——技师(具备以下条件之一者)
(1)取得本职业高级职业资格证书后,连续从事本职业工作4年以上,经本职业技师正规培训达规定标准学时数,并取得结业证书。
(2)取得本职业高级职业资格证书的职业学校本职业(专业)毕业生,连续从事本职业工作2年以上,经本职业技师正规培训达标准学时数,并取得结业证书。
(3)取得本职业高级职业资格证书的本科(含本科)以上本专业或相关专业毕业生,连续从事本职业工作2年以上,经本职业技师正规培训达规定标准学时数,并取得结业证书。
——高级技师
取得本职业技师职业资格证书后,连续从事本职业工作4年以上,经本职业高级技师正规培训达规定标准学时数,并取得结业证书。
1.8.3 鉴定方式
分为理论知识考试和技能操作考核。
理论知识考试采用闭卷笔试方式,技能操作(含软件应用)考核采用现场实际操作和计算机软件操作方式。
理论知识考试和技能操作(含软件应用)考核均实行百分制,成绩皆达60分及以上者为合格。
技师和高级技师还须进行综合评审。
1.8.4 考评人员与考生配比
理论知识考试考评人员与考生配比为1:15,每个标准教室不不于2名考评人员;技能操作(含软件应用)考核考评人员与考生配比为1:2,且不少于3名考评员;综合评审委员不少于5人。
1.8.5 鉴定时间
理论知识考试为120 min。
技能操作考核中实操时间为:中级、高级不少于240 min,技师、高级技师不少于300 min;技能操作考核中软件应用考试时间为不超过120 min。
技师、高级技师的综合评审时间不少于45 min。
1.8.6 鉴定场所设备
理论知识考试在标准教室里进行,软件应用考试在计算机机房进行,技能操作考核在配备必要的数控车床及刀具、夹具、量具和辅助设备的场所进行。
2.基本要求
2.1 职业道德
2.1.1 职业道德基本知识
2.1.2 职业守则
(1)遵守国家法律、法规和有关规定。
(2)具有高度的责任心,爱岗敬业、团结合作。
(3)严格执行相关标准、工作程序与规范、工艺文件和安全操作规程。
(4)学习新知识新技能,勇于开拓和创新。
(5)爱护设备、系统及工具、夹具、量具。
(6)着装整洁,符合规定;保持工作清洁有序,文明生产。
2.2 基础知识
2.2.1 基础理论知识
(1)机械制图。
(2)工程材料及金属热处理知识。
(3)机电控制知识。
(4)计算机基础知识。
(5)专业英语基础。
2.2.2 机械加工基础知识
(1)机械原理。
(2)常用设备知识(分类、用途、基本结构及维护保养方法)。
(3)常用金属切削刀具知识。
(4)典型零件加工工艺。
(5)设备润滑和冷却液的作用方法。
(6)工具、夹具、量具的使用与维护知识。
(7)普通车床、钳工基本操作知识。
2.2.3 安全文明生产与环境保护知识
(1)安全操作与劳动保护知识。
(2)文明生产知识。
(3)环境保护知识。
2.2.4 质量管理知识
(1)企业的质量方针。
(2)岗位质量要求。
(3)岗位质量保证措施与责任。
2.2.5 相关法律、法规知识
(1)劳动法相关知识。
(2)环境保护法相关知识。
(3)知识产权保护法相关知识。
3.工作要求
本标准对中级、高级、技师和高级技师的技能要求依次递进,高级别涵盖低级别的要求。
4.比重表。