2021届(人教版)新高三高考物理一轮复习题型练习卷:传送带模型中的动力学问题
- 格式:doc
- 大小:303.50 KB
- 文档页数:6
小专题三传送带模型中的动力学问题因物体与传送带间的动摩擦因数、斜面倾角、传送带速度、传送方向、滑块初速度的大小和方向的不同,传送带问题往往存在多种可能,因此对传送带问题作出准确的动力学过程分析,是解决此类问题的关键。
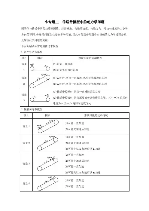
下面介绍两种常见的传送带模型:1.水平传送带模型项目图示滑块可能的运动情况情景1 (1)可能一直加速(2)可能先加速后匀速情景2 (1)v0>v时,可能一直减速,也可能先减速再匀速(2)v0<v时,可能一直加速,也可能先加速再匀速情景3 (1)传送带较短时,滑块一直减速达到左端(2)传送带较长时,滑块还要被传送带传回右端。
其中v0>v返回时速度为v,当v0<v返回时速度为v02.倾斜传送带模型项目图示滑块可能的运动情况情景1(1)可能一直加速(2)可能先加速后匀速情景2 (1)可能一直加速(2)可能先加速后匀速(3)可能先以a1加速后以a2加速情景3 (1)可能一直加速(2)可能先加速后匀速(3)可能一直匀速(4)可能先以a1加速后以a2加速情景4(1)可能一直加速(2)可能一直匀速(3)可能一直减速,也可能先减速后反向加速[典例1] 水平传送带被广泛地应用于机场和车站,如图所示为一水平传送带装置示意图。
紧绷的传送带AB 始终保持恒定的速率v=1 m/s 运行。
一质量为m=4 kg 的行李无初速度地放在A 处,传送带对行李的滑动摩擦力使行李开始做匀加速直线运动,随后行李又以与传送带相等的速率做匀速直线运动。
设行李与传送带之间的动摩擦因数μ=0.1,A,B 间的距离L=2 m,g 取10 m/s 2。
(1)求行李刚开始运动时所受滑动摩擦力的大小与加速度的大小; (2)求行李做匀加速直线运动的时间;(3)如果提高传送带的运行速率,行李就能被较快地传送到B 处,求行李从A 处传送到B 处的最短时间和传送带对应的最小运行速率。
解析:(1)行李刚开始运动时,受力如图所示, 滑动摩擦力 F f =μmg=4 N由牛顿第二定律得F f =ma 解得a=1 m/s 2。
2021届高考一轮复习基础练习:牛顿运动定律运用之传送带模型一、单选题(下列题目中只有一个选项是满足题意的)1.如图所示,足够长的水平传送带以v0=2 m/s的速率顺时针匀速运行.t=0时,在最左端轻放一个小滑块,t=2 s 时,传送带突然制动停下.已知滑块与传送带之间的动摩擦因数为μ=0.2,取g=10 m/s2.下列关于滑块相对地面运动的v-t图象正确的是()A.B.C.D.2.如图所示为粮袋的传送装置,已知AB间长度为L,传送带与水平方向的夹角为θ,工作时其运行速度为v,粮袋与传送带间的动摩擦因数为μ,正常工作时工人在A点将粮袋放到运行中的传送带上,关于粮袋从A到B的运动,以下说法正确的是(设最大静摩擦力等于滑动摩擦力) ()1 / 9A.粮袋到达B点的速度与v比较,可能大,也可能相等或小B.粮袋开始运动的加速度为g(sin θ-μcos θ),若L足够大,则以后将一定以速度v做匀速运动C.若μ≥tan θ,则粮袋从A到B一定是一直做加速运动D.不论μ大小如何,粮袋从A到B一直做匀加速运动,且a>g sinθ3.如图所示,传送带保持v0=1 m/s的速度运动,现将一质量m=0.5 kg的物体从传送带左端放上,设物体与传送带间动摩擦因数μ=0.1,传送带两端水平距离x=2.5 m,则运动时间为()A.1sB.2sC.3sD.4s4.如图甲,MN是倾角θ=37°传送带的两个端点,一个质量m=5kg的物块(可看作质点),以4m/s的初速度自M点沿传送带向下运动。
物块运动过程的v-t图像如图乙所示,取g=10m/s2,下列说法正确的是()A.物块最终从N点离开传送带3 / 9B .物块与传送带间的动摩擦因数为0.6C .物块在第6s 时回到M 点D .传送带的速度v =2m/s ,方向沿斜面向下5.如图,MN 是一段倾角为θ=30°的传送带,一个可以看作质点,质量为m =1kg 的物块,以沿传动带向下的速度04v =m/s 从M 点开始沿传送带运动。
『高考一轮·考点扫描』『真题剖析·逐一击破』2021年一轮考点扫描微专题专题3.9 动力学中的“传送带模型”目录【考点扫描】 (1)一.模型特征归纳 (1)1.水平传送带模型.......................................................................................................................................12.倾斜传送带模型.......................................................................................................................................1二.模型动力学分析.............................................................................................................................................2【典例分析】..............................................................................................................................................................2【专题精练】.. (5)【考点扫描】一.模型特征归纳1.水平传送带模型项目图示滑块可能的运动情况情景1(1)可能一直加速(2)可能先加速后匀速情景2(1)v 0>v 时,可能一直减速,也可能先减速再匀速(2)v 0<v 时,可能一直加速,也可能先加速再匀速情景3(1)传送带较短时,滑块一直减速达到左端(2)传送带较长时,滑块还要被传送带传回右端.其中v 0>v 返回时速度为v ,当v 0<v 返回时速度为v 02.倾斜传送带模型项目图示滑块可能的运动情况情景1(1)可能一直加速(2)可能先加速后匀速情景2(1)可能一直加速(2)可能先加速后匀速(3)可能先以a 1加速后以a 2加速二.模型动力学分析1.传送带模型问题的分析流程2.判断方法①水平传送带【情景1】 若≤l ,物、带能共速;v 22μg 【情景2】 若≤l ,物、带能共速;【情景3】 若≤l ,物块能返回.②倾斜传送带【情景1】 若≤l ,物、带能共速;v 22a 【情景2】 若≤l ,物、带能共速;v 22a 若μ≥tan θ,物、带共速后匀速;若μ<tan θ,物体以a 2加速(a 2<a ).【典例分析】【例1】(2020·山东师大附中模拟)如图所示,一水平的浅色长传送带上放置一质量为m 的煤块(可视为质点),煤块与传送带之间的动摩擦因数为μ.初始时,传送带与煤块都是静止的.现让传送带以恒定的加速度a 开始运动,当其速度达到v 后,便以此速度做匀速运动.经过一段时间,煤块在传送带上留下了一段黑色痕迹后,煤块相对于传送带不再滑动,关于上述过程,以下判断正确的是(重力加速度为g )( )A .μ与a 之间一定满足关系μ>agB .煤块从开始运动到相对于传送带静止经历的位移为v 2μgC .煤块从开始运动到相对于传送带静止经历的时间为vμgD .黑色痕迹的长度为(a -μg )v 22a 2【规律总结】分析解答问题的关键(1)对物体所受的摩擦力进行正确的分析判断。
2021届高考物理一轮复习微专题4动力学中常考的“三个物理模型”练习新人教版[A级—基础练]1.(08786280)(2020·湖南衡阳联考)如图甲所示,将一物块P轻轻放在水平足够长的传送带上,取向右为速度的正方向,物块P最初一段时刻的速度—时刻图象如图乙所示,关于传送带的运动情形描述正确的是 ( )A.一定是向右的匀加速运动B.可能是向右的匀速运动C.一定是向左的匀加速运动D.可能是向左的匀速运动解析:A [由题意可知:物块P向右做加速运动,初始做加速度为μg的加速运动,然后与传送带相对静止一起向右做匀加速运动,故A正确.]2.(08786281)(2020·河南信阳高级中学大考)躯体素养拓展训练中,人从竖直墙壁的顶点A沿光滑杆自由下滑到倾斜的木板上(人可看成质点),若木板的倾斜角不同,人沿着三条不同路径AB、AC、AD滑到木板上的时刻分别为t1、t2、t3,若已知AB、AC、AD与板的夹角分别为70°、90°和105°,则( )A.t1>t2>t3B.t1<t2<t3C.t1=t2=t3D.不能确定t1、t2、t3之间的关系解析:A [以AO为直径作圆,可知圆周过C点,B点在圆周外,D点在圆周内.从圆周的最高点沿光滑斜面由静止开释,滑至圆周的时刻相等,能够判定t1>t2>t3,A正确.] 3.带式传送机是在一定的线路上连续输送物料的搬运机械,又称连续输送机.如图所示,一条足够长的浅色水平传送带自左向右匀速运行.现将一个木炭包无初速度地放在传送带上,木炭包在传送带上将会留下一段黑色的径迹.下列说法正确的是( )A.黑色的径迹将显现在木炭包的左侧B.木炭包的质量越大,径迹的长度越短C.木炭包与传送带间动摩擦因数越大,径迹的长度越短D.传送带运动的速度越大,径迹的长度越短解析:C [刚放上木炭包时,木炭包的速度慢,传送带的速度快,木炭包相对传送带向后滑动,因此黑色的径迹将显现在木炭包的右侧,因此A错误.木炭包在传送带上运动靠的是与传送带之间的摩擦力,摩擦力作为它的合力产生加速度,因此由牛顿第二定律知,μmg =ma,因此a=μg,当达到共同速度时,不再有相对滑动,由v2=2ax得,木炭包位移x木=v22μg,设相对滑动时刻为t,由v=at得t=vμg,现在传送带的位移为x传=vt=v2μg,因此相对滑动的位移是Δx=x传-x木=v22μg,由此可知,黑色的径迹与木炭包的质量无关,因此B错误.木炭包与传送带间的动摩擦因数越大,径迹的长度越短,因此C正确.传送带运动的速度越大,径迹的长度越长,因此D错误.]4.(08786282)(2020·唐山一中模拟)一皮带传送装置如图所示,轻弹簧一端固定,另一端连接一个质量为m的滑块,已知滑块与皮带之间存在摩擦.现将滑块轻放在皮带上,弹簧恰好处于自然长度且轴线水平.若在弹簧从自然长度到第一次达到最长的过程中,滑块始终未与皮带达到共速,则在此过程中滑块的速度和加速度变化情形是 ( )A.速度增大,加速度增大B.速度增大,加速度减小C.速度先增大后减小,加速度先增大后减小D.速度先增大后减小,加速度先减小后增大解析:D [因滑块始终未与皮带达到共速,故滑块始终受到水平向左的滑动摩擦力,由μmg-kx=ma可知,滑块的加速度先减小后反向增大,而滑块的速度先增大后减小,直到速度为零,故只有D项正确.]5.如图所示,在光滑平面上有一静止小车,小车内静止地放置着一小物块,物块和小车间的动摩擦因数为μ=0.3,用水平恒力F拉动小车,物块的加速度为a1,小车的加速度为a2.当水平恒力F取不同值时,a1与a2的值可能为(当地重力加速度g取10 m/s2)( )A .a 1=2 m/s 2,a 2=3 m/s 2B .a 1=3 m/s 2,a 2=2 m/s 2C .a 1=5 m/s 2,a 2=3 m/s 2D .a 1=3 m/s 2,a 2=5 m/s 2解析:D [当F <μmg =3 m/s 2·m 时,物块与小车一起运动,且加速度相等,最大共同加速度为a max =μg =3 m/s 2,故A 、B 错误;当F ≥3 m/s 2·m 时,小车的加速度大于物块的加速度,现在物块与小车发生相对运动,现在物块的加速度最大,由牛顿第二定律得:a 1=μmg m =μg =3 m/s 2,小车的加速度a 2>3 m/s 2,故C 错误,D 正确.] 6.如图所示,物块A 放在木板B 上,A 、B 的质量均为m ,A 、B 之间的动摩擦因数为μ,B 与地面之间的动摩擦因数为μ3.若将水平力作用在A 上,使A 刚好要相对B 滑动,现在A 的加速度为a 1;若将水平力作用在B 上,使B 刚好要相对A 滑动,现在B 的加速度为a 2,则a 1与a 2的比为( )A .1∶1B .2∶3C .1∶3D .3∶2解析:C [当水平力作用在A 上,使A 刚好要相对B 滑动,临界情形是A 、B 的加速度相等.隔离对B 分析,B 的加速度为a B =a 1=μmg -μ3·2mgm =13μg .当水平力作用在B 上,使B 刚好要相对A 滑动,现在A 、B 间的摩擦力刚好达到最大,A 、B 的加速度相等,有a 1=a 2=μmg m=μg ,可得a 1∶a 2=1∶3.故选C.] 7.(08786283)(多选)(2020·盐城1月检测)如图甲所示,以速度v 逆时针匀速转动的足够长的传送带与水平面的夹角为θ.现将一个质量为m 的小木块轻轻地放在传送带的上端,小木块与传送带间的动摩擦因数为μ,则乙图中能够正确地描述小木块的速度随时刻变化关系的图线可能是( )解析:CD [木块放上后一定先向下加速,由于传送带足够长,因此一定有木块速度大小等于传送带速度大小的机会,现在若重力沿传送带向下的分力大小大于最大静摩擦力,则之后木块连续加速,但加速度变小了;而若重力沿传送带向下的分力大小小于或等于最大静摩擦力,则木块将随传送带匀速运动,故C 、D 项正确,A 、B 项错误.]8.(08786284)(多选)如图甲所示,足够长的木板B 静置于光滑水平面上,其上放置小滑块A .木板B 受到随时刻t 变化的水平拉力F 作用时,用传感器测出木板B 的加速度a ,得到如图乙所示的a F 图象,已知g 取10 m/s 2,则( )甲 乙A .滑块A 的质量为4 kgB .木板B 的质量为1 kgC .当F =10 N 时木板B 的加速度为4 m/s 2D .滑块A 与木板B 间的动摩擦因数为0.1解析:BC [当F =8 N 时,加速度为a =2 m/s 2,对整体分析,由牛顿第二定律有F =(M +m )a ,代入数据解得M +m =4 kg ,当F >8 N 时,对B 依照牛顿第二定律得a =F -μmg M =1M F -μmg M ,由题图图象可知,图线的斜率k =1M =Δa ΔF =28-6kg -1=1 kg -1,解得M =1 kg ,滑块的质量为m =3 kg ,故A 错误,B 正确;依照F 大于8 N 时的图线知,F =6 N 时a =0,即0=11×6-μ×301,代入数据解得μ=0.2,故选项D 错误;由图示图象可知,当F =10 N 时,滑块与木板相对滑动,B 滑动的加速度为a =11×10 m/s 2-0.2×301m/s 2=4 m/s 2,故C 正确.][B 级—能力练]9.(08786285)(多选)(2020·河北唐山一中调研)如图所示,将小砝码放在桌面上的薄纸板上,若砝码和纸板的质量分别为M 和m ,各接触面间的动摩擦因数均为μ,砝码到纸板左端的距离和到桌面右端的距离均为d .现用水平向右的恒定拉力F 拉动纸板,下列说法正确的是( )A .纸板相对砝码运动时,纸板所受摩擦力的大小为μ(M +m )gB .要使纸板相对砝码运动,F 一定大于2μ(M +m )gC .若砝码与纸板分离时的速度小于μgd ,砝码可不能从桌面上掉下D .当F =μ(2M +3m )g 时,砝码恰好到达桌面边缘解析:BC [对纸板分析,当纸板相对砝码运动时,所受的摩擦力为μ(M +m )g +μMg ,故A 错误.设砝码的加速度为a 1,纸板的加速度为a 2,则有:f 1=Ma 1,F -f 1-f 2=ma 2,发生相对运动需要a 2>a 1,代入数据解得:F >2μ(M +m )g ,故B 正确.若砝码与纸板分离时的速度小于μgd ,砝码匀加速运动的位移小于v 22a 1=μgd 2μg =d 2,匀减速运动的位移小于v 22a 1=μgd 2μg =d 2,则总位移小于d ,可不能从桌面上掉下,故C 正确.当F =μ(2M +3m )g 时,砝码未脱离纸板时的加速度a 1=μg ,纸板的加速度a 2=F -μM +m g -μMg m =2μg ,依照12a 2t 2-12a 1t 2=d ,解得t = 2d μg ,则现在砝码的速度v =a 1t =2μgd ,砝码脱离纸板后做匀减速运动,匀减速运动的加速度大小a ′=μg ,则匀减速运动的位移x =v 22a ′=2μgd 2μg=d ,而匀加速运动的位移x ′=12a 1t 2=d ,可知砝码离开桌面,D 错误.] 10.(08786286)(多选)如图所示,三角形传送带以1 m/s 的速度逆时针匀速转动,两边倾斜的传送带长差不多上2 m 且与水平方向的夹角均为37°.现有两个小物块A 、B 从传送带顶端都以1 m/s 的初速度沿传送带下滑,两物块与传送带间的动摩擦因数差不多上0.5,g 取10 m/s 2,sin 37°=0.6,cos 37°=0.8.下列判定正确的是( )A .物块A 先到达传送带底端B .物块A 、B 同时到达传送带底端C .传送带对物块A 、B 的摩擦力都沿传送带向上D .物块A 下滑过程中相对传送带的路程小于物块B 下滑过程中相对传送带的路程 解析:BCD [A 、B 都以1 m/s 的初速度沿传送带下滑,故传送带对两物块的滑动摩擦力均沿传送带向上,大小也相等,故两物块沿传送带向下的加速度大小相同,滑到底端时位移大小相同,故时刻相同,故A 错误,B 、C 正确;A 物块与传送带运动方向相同,相对路程较小,故D 正确.]11.(2020·安徽合肥质检)如图所示,某皮带传动装置与水平面夹角为30°,两轮轴心相距L =2 m ,A 、B 分别是传送带与两轮的切点,传送带不打滑.现传送带沿顺时针方向以v =2.5 m/s 的速度匀速转动,将一小物块轻轻地放置于A 点,小物块与传送带间的动摩擦因数μ=32,g 取10 m/s 2.试求:(1)小物块运动至B 点的时刻;(2)若传送带速度能够任意调剂,当小物块在A 点以v 0=3 6 m/s 的速度沿传送带向上运动时,小物块到达B 点的速度范畴.解析:(1)刚开始小物块沿传送带向上做匀加速直线运动,设加速度为a 1,依照牛顿第二定律有μmg cos 30°-mg sin 30°=ma 1,解得a 1=2.5 m/s 2. 设小物块速度等于2.5 m/s 时,小物块对地位移为L 1,用时为t 1,则t 1=v 1a 1=2.52.5s =1 s.L 1=v 212a 1= 2.522×2.5m =1.25 m , 因L 1<L 且μ>tan 30°,故小物块速度等于2.5 m/s 时,将做匀速直线运动至B 点,设用时为t 2,则t 2=L -L 1v=0.3 s ,故小物块从A 到B 所用时刻为t =t 1+t 2=1.3 s. (2)由于传送带速度能够任意调剂,则小物块从A 到B 一直做匀加速直线运动,到达B 点的速度最大.由牛顿第二定律及运动学公式有v 2B -v 20=2a 1L ,解得v B =8 m/s.小物块从A 到B 一直做匀减速直线运动,到达B 点的速度最小,由牛顿第二定律有mg sin 30°+μmg cos 30°=ma 2,解得a 2=12.5 m/s 2.由运动学公式可知v ′2B =v 20-2a 2L ,解得v B ′=2 m/s.即小物块到达B 点的速度范畴为2 m/s≤v B ≤8 m/s.答案:(1)1.3 s (2)2 m/s≤v B ≤8 m/s12.(08786287)(2020·河南中原名校联考)如图所示,质量M =1 kg 的木板静置于倾角θ=37°、足够长的固定光滑斜面底端.质量m =1 kg 的小物块(可视为质点)以初速度v 0=4 m/s 从木板的下端冲上木板,同时在木板上端施加一个沿斜面向上的F =3.2 N 的恒力.若小物块恰好不从木板的上端滑下,求木板的长度l 为多少?已知小物块与木板之间的动摩擦因数μ=0.8,重力加速度g 取10 m/s 2,sin 37°=0.6,cos 37°=0.8.解析:由题意,小物块向上做匀减速运动,木板向上做匀加速运动,当小物块运动到木板的上端时,恰好和木板共速.设小物块的加速度为a ,由牛顿第二定律得,mg sin θ+μmg cos θ=ma ,设木板的加速度为a ′,由牛顿第二定律得,F +μmg cos θ-Mg sin θ=Ma ′,设二者共速时的速度为v ,经历的时刻为t ,由运动学公式得v =v 0-at ,v =a ′t ;小物块的位移为s ,木板的位移为s ′,由运动学公式得,s =v 0t -12at 2,s ′=12a ′t 2;小物块恰好不从木板上端滑下,有s -s ′=l ,联立解得l =0.5 m.答案:0.5 m。
专题五 动力学中的“传送带”模型和“滑块—滑板”模型1.如图所示,水平传送带保持静止时,一个质量为m 的小物块以水平初速度v 0从传送带左端冲上传送带,然后从传送带右端以一个较小的速度v 1滑出传送带。
现在让传送带在电动机的带动下以速度v 2逆时针匀速转动,小物块仍以水平初速度v 0从传送带左端冲上传送带,则 ( )A .小物块可能会从传送带左端滑出B .小物块仍以速度v 1从传送带的右端滑出C .小物块克服摩擦力做功为12mv 21D .小物块和传送带间因摩擦而产生的内能为12mv 20-12mv 21B [因小物块与传送带的摩擦力不变,故第二次小物块仍从传送带的右边飞出,A 错误,B 正确;小物块克服摩擦力做功为12mv 20-12mv 21,C 错误;小物块和传送带间因摩擦产生的内能不等于小物块克服摩擦力做的功。
故选项D 错误。
]2.(2020·山东、湖北部分重点中学联考)一质量为M 的长木板在粗糙水平地面上运动。
在t =0时刻,木板速度为v 0=10 m/s ,此时将一质量为m 的小木块(可视为质点)无初速度地放在木板的右端。
二者在0~2 s 内运动的v t 图象如图所示,已知M m =32,g =10 m/s 2。
最大静摩擦力等于滑动摩擦力。
(1)求木块与木板间的动摩擦因数μ1以及木板与地面间的动摩擦因数μ2; (2)木块最终停在距木板右端多远处(木块始终没有滑离木板)?解析: (1)设0~2 s 内木块的加速度大小为a 1,木板的加速度大小为a 2,以木块为研究对象,由牛顿第二定律有μ1mg =ma 1以木板为研究对象,由牛顿第二定律有μ1mg +μ2(M +m )g =Ma 2由题中v t 图象可知a 1=1 m/s 2,a 2=4 m/s 2联立解得μ1=0.1,μ2=0.2(2)速度相同后,假设二者一起做匀减速运动,整体加速度为a ,对整体由牛顿第二定律有μ2(M +m )g =(M +m )a对木块由牛顿第二定律有F f =ma可知F f >μ1mg ,假设不成立,即二者存在相对运动。
2025年高考人教版物理一轮复习专题训练—“传送带”模型中的动力学问题(附答案解析)1.(2023·江苏扬州市高邮中学期中)如图所示,飞机场运输行李的倾斜传送带保持恒定的速率运行,将行李箱无初速度地放在传送带底端,当传送带将它送入飞机货舱前行李箱已做匀速运动。
假设行李箱与传送带之间的动摩擦因数为μ,传送带与水平面的夹角为θ,已知滑动摩擦力近似等于最大静摩擦力,下列说法正确的是()A.要实现这一目的前提是μ<tanθB.做匀速运动时,行李箱与传送带之间的摩擦力为零C.全过程传送带对行李箱的摩擦力方向沿传送带向上D.若使传送带速度足够大,可以无限缩短传送的时间2.(2023·广东惠州市调研)如图甲所示,将一物块P轻轻放在足够长的水平传送带上,取向右为速度的正方向,物块P最初一段时间的速度—时间图像如图乙所示,下列说法正确的是()A.物块一直受滑动摩擦力B.传送带做顺时针的匀速运动C.传送带做顺时针的匀加速运动D.物块最终有可能从图甲的左端滑下传送带3.(多选)(2023·四川省资中县第二中学检测)如图所示,由于运力增加,某机场欲让货物尽快通过传送带。
已知传送带两轴心间距为5m,传送带顺时针匀速传动,其速度的大小可以由驱动系统根据需要设定,一可视为质点的货物以7m/s初速度从左端滑上传送带,已知货物与传送带间的动摩擦因数为μ=0.4,取g=10m/s2,则下列传送带的速度符合要求的是()A.8m/s B.9m/s C.10m/s D.11m/s4.(2023·安徽省十校联盟期中)某快递公司为了提高效率,使用电动传输机输送快件,如图所示,水平传送带AB长度L=5.25m,始终保持恒定速度v=1m/s运行,在传送带上A处轻轻放置一快件(可视为质点),快件与传送带之间的动摩擦因数μ=0.2,快件由静止开始加速,与传送带共速后做匀速运动到达B处,忽略空气阻力,重力加速度取g=10m/s2,下列说法正确的是()A.快件所受摩擦力的方向与其运动方向始终相反B.快件先受滑动摩擦力作用,后受静摩擦力作用C.快件与传送带的相对位移为0.5mD.快件由A到B的时间为5.5s5.(2021·辽宁卷·13)机场地勤工作人员利用传送带从飞机上卸行李。
传送带模型中的动力学问题[典例1]水平传送带被广泛地应用于机场和车站,如图所示为一水平传送带装置示意图。
紧绷的传送带AB始终保持恒定的速率v=1m/s运行。
一质量为m=4kg的行李无初速度地放在A处,传送带对行李的滑动摩擦力使行李开始做匀加速直线运动,随后行李又以与传送带相等的速率做匀速直线运动。
设行李与传送带之间的动摩擦因数卩=0.1,A,B间的距离L=2m,g取10m/s12。
(1)求行李刚开始运动时所受滑动摩擦力的大小与加速度的大小;(2)求行李做匀加速直线运动的时间;(3)如果提高传送带的运行速率,行李就能被较快地传送到B处,求行李从A处传送到B处的最短时间和传送带对应的最小运行速率。
变式1:如图所示,水平匀速转动的传送带左右两端相距L=3.5m,物块A以水平速度v0=4m/s 滑上传送带左端,物块与传送带间的动摩擦因数卩=0.1,设A到达传送带右端时的瞬时速度为v,g取10m/s2,下列说法正确的是()A.若传送带速度等于2m/s,物块可能先减速运动,后匀速运动B.若传送带速度等于3.5m/s,v一定等于3m/sC.若v等于3m/s,传送带一定沿逆时针方向转动D.若v等于3m/s,传送带可能沿顺时针方向转动[典例2]如图所示,倾角为37°,长为l=16m的传送带,转动速度为v=10m/s,动摩擦因数卩=0.5,在传送带顶端A处无初速度地释放一个质量为m=0.5kg的物体。
已知sin37°=0.6,cos37°=0.8,g=10m/s2。
求:1传送带顺时针转动时,物体从顶端A滑到底端B的时间;2传送带逆时针转动时,物体从顶端A滑到底端B的时间。
变式2:如图所示,以速度v0逆时针匀速转动的足够长的传送带与水平面的夹角为现将一个质量为m的小木块轻轻地放在传送带的上端,小木块与传送带间的动摩擦因数为U,则图中能够正确地描述小木块的速度随时间变化关系的图线可能是()同步练习1.(水平传送带)如图所示,一质量为m的小物体以一定的速率V。
传送带模型中的动力学问题1.对如图所示的皮带传动装置,下列说法中正确的是()A.A轮带动B轮沿逆时针方向旋转B.B轮带动A轮沿顺时针方向旋转C.C轮带动D轮沿顺时针方向旋转D.D轮带动C轮沿顺时针方向旋转2.水平传送带的装置如图所示,O1为主动轮,O2为从动轮。
当主动轮顺时针匀速转动时,物体被轻轻地放在A端皮带上。
开始时物体在皮带上滑动,当它到达位置C后滑动停止,之后就随皮带一起匀速运动,直至传送到目的地B端。
在传送的过程中,若皮带和轮不打滑,则物体受到的摩擦力和皮带上P,Q两处(在O1O2连线上)所受摩擦力情况正确的是()①在AC段物体受水平向左的滑动摩擦力,P处受向上的滑动摩擦力②在AC段物体受水平向右的滑动摩擦力,P处受向上的静摩擦力③在CB段物体不受静摩擦力,Q处受向上的静摩擦力④在CB段物体受水平向右的静摩擦力,P,Q两处始终受向下的静摩擦力A.①②B.①④C.②③D.③④3.(多选)如图所示,水平传送带匀速运动,在传送带的右侧固定一弹性挡杆。
在t=0时刻,将工件轻轻放在传送带的左端,当工件运动到弹性挡杆所在的位置时与挡杆发生碰撞,已知碰撞时间极短,且碰后工件的速度大小不变方向相反。
则从工件开始运动到与挡杆第二次碰撞前的运动过程中,工件运动的v t图象可能是()4.一条足够长的浅色水平传送带自左向右匀速运行。
现将一个木炭包无初速度地放在传送带的最左端,木炭包将会在传送带上留下一段黑色的径迹。
下列说法中正确的是()A.黑色的径迹将出现在木炭包的左侧B.木炭包的质量越大,径迹的长度越短C.传送带运动的速度越大,径迹的长度越短D.木炭包与传送带间动摩擦因数越大,径迹的长度越短5.如图所示,某粮库使用电动传输机向粮垛上输送麻袋包,现将一麻袋包放置在倾斜的传送带上,与传送带一起向上匀速运动,其间突遇故障,传送带减速直至停止。
若上述匀速和减速过程中,麻袋包与传送带始终保持相对静止,下列说法正确的是()A.匀速运动时,麻袋包只受重力与支持力作用B.匀速运动时,麻袋包受到的摩擦力一定沿传送带向上C.减速运动时,麻袋包受到的摩擦力一定沿传送带向下D.减速运动时,麻袋包受到的摩擦力一定沿传送带向上6.如图所示,水平传送带A,B两端相距s=3.5 m,工件与传送带间的动摩擦因数μ=0.1。
2021届新高考物理第一轮复习课时强化训练动力学模型——传送带一、选择题1、如图所示为粮袋的传送装置,已知A、B间长度为L,传送带与水平方向的夹角为θ,工作时其运行速度为v,粮袋与传送带间的动摩擦因数为μ。
正常工作时工人在A点将粮袋轻轻放到运行中的传送带上。
关于粮袋从A到B的运动,以下说法正确的是(设最大静摩擦力等于滑动摩擦力)( )A.粮袋到达B点的速度与v比较,可能大,可能小,也可能相等B.粮袋开始运动的加速度为g(sin θ-μcos θ),若L足够大,则以后将一定以速度v做匀速运动C.若μ≥tan θ,则粮袋从A到B一定一直做加速运动D.不论μ大小如何,粮袋从A到B一直做匀加速运动,且a>g sin θ解析:选A 粮袋在传送带上可能一直做匀加速运动,到达B点时的速度小于v,可能先做匀加速运动,当速度与传送带相同后,做匀速运动,到达B点时速度与v相同,也可能先做加速度较大的匀加速运动,当速度与传送带相同后做加速度较小的匀加速运动,到达B 点时的速度大于v,故A正确;粮袋开始运动时受到沿传送带向下的滑动摩擦力,大小为μmg cos θ,根据牛顿第二定律得,加速度a =g(sin θ+μcos θ),故B错误;若μ≥tan θ,粮袋从A到B 可能一直做匀加速运动,也可能先做匀加速运动,当速度与传送带相同后,做匀速运动,故C错误;由以上分析可知,粮袋从A到B不一定一直做匀加速运动,故D错误。
2、如图所示,倾角为θ的足够长传送带沿顺时针方向转动,转动速度大小为v1,一个物体从传送带底端以初速度大小v2(v2>v1)上滑,同时物块受到平行传送带向上的恒力F作用,物块与传送带间的动摩擦因数μ=tanθ,最大静摩擦力等于滑动摩擦力,则下列物块运动的vt图象不可能是( )解析:选C因v2>v1,则物块相对于传送带向上运动,所受滑动摩擦力向下,若F=mg sinθ+μmg cosθ,则物体的加速度为零,将一直以v2向上匀速运动,选项B正确;若F>mg sinθ+μmg cosθ,则物体的加速度向上,将一直向上做匀加速直线运动,选项A正确;若F<mg sinθ+μmg cosθ,则加速度向下,物体将向上做匀减速直线运动,当两者速度相等时,物体受向上拉力和静摩擦力而合外力为零,则物体与传送带一起向上匀速运动,故选项C错误,选项D正确.3、(多选)如图所示,绷紧的水平传送带足够长,且始终以v1=2 m/s的恒定速率运行。
热点练(三)动力学中的典型“模型”1.(浙江联考)如图甲所示,将一物块P轻轻放在水平足够长的传送带上,取向右为速度的正方向,物块P最七年级段时间的v-t图像如图乙所示,下列描述正确的是( )A.物块一直受滑动摩擦力B.传送带做顺时针的匀速运动C.传送带做顺时针的匀加速运动D.物块最终有可能从图甲的左端滑下传送带2.(多选)(浙江温州十五校联合体联考)如图甲所示,质量为0.5 kg的小物块从右侧滑上匀速转动的足够长的水平传送带,其位移与时间的变化关系如图乙所示。
图线的0~3 s段为抛物线,3~4.5 s段为直线(t1=3 s时x1=3 m,t2=4.5 s时/s2。
下列说法正确的是( )A.传送带沿顺时针方向转动B.传送带速度大小为1 m/sC.小物块与传送带间的动摩擦因数μ=0.2D.0~4.5 s内摩擦力对小物块所做的功为-3 J3.(多选)如图所示,一长木板a在水平地面上运动,在某时刻(t=0)将一相对于地面静止的物块b轻放到木板上,此时a的速度水平向右,大小为2v0,同时对a施加一水平向右的恒力F。
已知物块与木板的质量相等,物块与木板间及木板与地面间的动摩擦因数相等,物块与木板间的最大静摩擦力等于滑动摩擦力,且物块始终在木板上。
在物块放到木板上之后,a、b运动的v-t图像可能是( )4.(多选)如图甲所示,质量为1 kg可视为质点的物块A放置在足够长的长木板B上,A、B静止在水平地面上,用水平外力F作用在长木板B上,外力F随时间变化关系如图乙所示。
已知长木板B的质量为2 kg,A与B及B与地面间的动摩擦因数均为0.1,设最大静摩擦力等于滑动摩擦力,重力加速度g取10 m/s2,则下列说法正确的是( )A.t=0时刻,A的加速度大小为1 m/s2m/s2B.t=4 s时刻,B的加速度大小为73C.t=4 s时刻,B的速度大小为8 m/ss,木板停止运动D.4 s后撤去外力F,又经过2035.(浙江杭州八校联考)如图甲所示,物块和长木板置于倾角为θ=37°且足够长的斜面上。
2021年高考物理一轮复习考点全攻关专题(19)动力学中三种典型物理模型(原卷版)命题热点一:“传送带”模型【例1】(多选)如图所示,x轴与水平传送带重合,坐标原点O在传动带的左端,传送带右端A点坐标为X A=8m,匀速运动的速度V0=5m/s,一质量m=1kg的小物块,轻轻放在传送带上OA的中点位置,小物块随传动带运动到A点后,冲上光滑斜面且刚好能够到达N点处无机械能损失,小物块与传送带间的动摩擦因数μ=0.5,斜面上M点为AN的中点,重力加速度g=10m/s2。
则下列说法正确的是()A.N点纵坐标为y N=1.25mB.小物块第一次冲上斜面前,在传送带上运动产生的热量为12.5JC.小物块第二次冲上斜面,刚好能够到达M点D.在x=2m位置释放小物块,小物块可以滑动到N点上方【变式1】如图所示,水平传送带A、B两端相距s=2m,工件与传送带间的动摩擦因数μ=0.4.工件滑上A 端瞬时速度v A=5m/s,达到B端的瞬时速度设为v B,则()A.若传送带以4m/s顺时针转动,则v B=3m/sB.若传送带逆时针匀速转动,则v B<3m/sC.若传送带以2m/s顺时针匀速转动,则v B=3m/sD.若传送带以某一速度顺时针匀速转动,则一定v B>3m/s命题热点二:“等时圆模型”【例2】如图所示,PQ为圆的竖直直径,AQ、BQ、CQ为三个光滑斜面轨道,分别与圆相交于A、B、C三点.现让三个小球(可以看作质点)分别沿着AQ、BQ、CQ轨道自端点由静止滑到Q点,运动的平均速度分别为v1、v2和v3.则有:( )A.v2>v1>v3 B.v1>v2>v3C.v3>v1>v2 D.v1>v3>v2【变式2】如图所示,竖直半圆环中有多条起始于A点的光滑轨道,其中AB通过环心O并保持竖直.一质点分别自A点沿各条轨道下滑,初速度均为零.那么,质点沿各轨道下滑的时间相比较( )A.无论沿图中哪条轨道下滑,所用的时间均相同B.质点沿着与AB夹角越大的轨道下滑,时间越短C.质点沿着轨道AB下滑,时间最短D.轨道与AB夹角越小(AB除外),质点沿其下滑的时间越短命题热点三:“滑块——木板”模型【例3】如图所示,质量为M=2 kg、长为L=1.5 m的木板静止在光滑的水平面上,木板上右端放着一可视为质点的小滑块,小滑块的质量为m=1 kg,小滑块与木板之间的动摩擦因数为 =0.2。
运动和力的关系“传送带”模型中的动力学问题素养目标:1.掌握传送带模型的特点,了解传送带问题的分类。
2.会对传送带上的物体进行受力分析和运动状态分析,能正确解答传送带上物体的动力学问题。
1.(2024·北京·高考真题)水平传送带匀速运动,将一物体无初速度地放置在传送带上,最终物体随传送带一起匀速运动。
下列说法正确的是( )A .刚开始物体相对传送带向前运动B .物体匀速运动过程中,受到静摩擦力C .物体加速运动过程中,摩擦力对物体做负功D .传送带运动速度越大,物体加速运动的时间越长考点一 水平传送带中的动力学问题水平传送带问题的常见情形及运动分析滑块的运动情况情景传送带不足够长(滑块最终未与传送带相对静止)传送带足够长一直加速先加速后匀速v 0<v 时,一直加速v 0<v 时,先加速再匀速v 0>v 时,一直减速v 0>v 时,先减速再匀速滑块一直减速到右端滑块先减速到速度为0,后被传送带传回左端若v 0≤v ,则返回到左端时速度为v 0;若v 0>v ,则返回到左端时速度为v例题1. 如图所示,足够长水平传送带逆时针转动的速度大小为1v ,一小滑块从传送带左端以初速度大小0v 滑上传送带,小滑块与传送带之间的动摩擦因数为μ,小滑块最终又返回到左端。
已知重力加速度为g ,下列说法正确的是( )A .小滑块的加速度向右,大小为μgB .若01v v <,小滑块返回到左端的时间为01v v gm +C .若01v v >,小滑块返回到左端的时间为01v v gm +D .若01v v >,小滑块返回到左端的时间为()20112v v gv m +【易错分析】1.若01v v >,先匀减速再反方向加速,反方向加速只能加速到1v ,不能加速到0v 。
2.01v v <,先匀减速再反方向加速,因减速位移较短,反方向加速只能加速到0v ,不能加速到1v 。
高考物理一轮复习小题多维训练—动力学传送带模型和板块模型1.应用于机场和火车站的安全检查仪,其传送装置可简化为如图所示的模型.传送带始终保持v =0.4m/s 的恒定速率运行,行李与传送带之间的动摩擦因数μ=0.2,A 、B 间的距离为2m ,g 取10m/s2.旅客把行李(可视为质点)无初速度地放在A 处,则下列说法正确的是()A .开始时行李的加速度大小为2m/s 2B .行李经过2s 到达B 处C .行李到达B 处时速度大小为0.4m/sD .行李在传送带上留下的摩擦痕迹长度为0.08m【答案】AC【解析】开始时,对行李,根据牛顿第二定律μmg =ma解得a =2m/s 2,故A 正确;设行李做匀加速运动的时间为t 1,行李匀加速运动的末速度为v =0.4m/s ,根据v =at 1,代入数据解得t 1=0.2s ,匀加速运动的位移大小x =12at 12=12×2×0.22m =0.04m ,匀速运动的时间为t 2=L -x v =2-0.040.4s =4.9s ,可得行李从A 到B 的时间为t =t 1+t 2=5.1s ,故B 错误;由上分析可知行李在到达B 处前已经与传送带共速,所以行李到达B 处时速度大小为0.4m/s ,故C 正确;行李在传送带上留下的摩擦痕迹长度为Δx =vt 1-x =(0.4×0.2-0.04)m =0.04m ,故D 错误.2.如图甲所示,倾斜的传送带以恒定速率v 1沿顺时针方向转动,传送带的倾角为37°.一物块以初速度v 2从传送带的底部冲上传送带并沿传送带向上运动,其运动的v -t 图像如图乙所示,物块到达一定高度时速度为零,sin 37°=0.6,cos 37°=0.8,g =10m/s 2,则()A .传送带的速度为4m/sB .物块上升的竖直高度为0.96mC .物块与传送带间的动摩擦因数为0.5D .物块所受摩擦力方向一直与物块运动方向相反【答案】BC【解析】如果v 2小于v 1,则物块向上做减速运动时加速度不变,与题图乙不符,因此物块的初速度v 2一定大于v 1.结合题图乙可知物块减速运动到与传送带速度相同时,继续向上做减速运动.由此可以判断传送带的速度为2m/s ,A 错误;物块的位移等于v -t 图线与横轴所围的面积,即L =12×(4+2)×0.2m +12×1×2m =1.6m ,则上升的竖直高度为h =L sin θ=0.96m ,B 正确;0~0.2s 内,加速度a 1=Δv Δt =2.0-4.00.2m/s 2=-10m/s 2,加速度大小为10m/s 2,根据牛顿第二定律得a 1=mg sin θ+μmg cos θm=10m/s 2,解得μ=0.5,C 正确;在0~0.2s 内,摩擦力方向与物块的运动方向相反,0.2~1.2s 内,摩擦力方向与物块的运动方向相同,D 错误.3.如图所示,质量为M =1kg 的木板静止在粗糙的水平地面上,木板与地面间的动摩擦因数μ1=0.1,在木板的左端放置一个质量为m =1kg 的小铁块(可视为质点),铁块与木板间的动摩擦因数μ2=0.4,在木板(足够长)的右端施加一个大小从零开始连续增大的水平向左的力F (图中未画出),下列能正确表示铁块与木板间的摩擦力F f 随力F 大小变化的图像是(重力加速度g =10m/s 2,最大静摩擦力等于滑动摩擦力)()【答案】C【解析】当F <μ1(M +m )g =2N 时,F f =0;铁块恰好未与木板发生相对滑动时,铁块的加速度a 0=μ2g ,F =μ1(M +m )g +(M +m )a 0=10N ,故当2N <F ≤10N 时,木板、铁块保持相对静止向右做加速运动,F -μ1(M+m )g =(M +m )a ,F f =ma ,解得F f =F 2-1(N);当F >10N 时,铁块相对木板滑动,此时摩擦力F f =μ2mg =4N ,所以C 正确.1.某工厂检查立方体工件表面光滑程度的装置如图所示,用弹簧将工件弹射到反向转动的水平皮带传送带上,恰好能传送到另一端是合格的最低标准.假设皮带传送带的长度为10m 、运行速度是8m/s ,工件刚被弹射到传送带左端时的速度是10m/s ,取重力加速度g =10m/s 2.下列说法正确的是()A .工件与皮带间动摩擦因数不大于0.32才为合格B .工件被传送到另一端的最长时间是2sC .若工件不被传送过去,返回的时间与正向运动的时间相等D .若工件不被传送过去,返回到出发点的速度为10m/s【答案】B【解析】工件恰好传送到右端,有0-v 02=-2μgL ,代入数据解得μ=0.5,工件与皮带间动摩擦因数不大于0.5才为合格,此过程用时t =v 0μg=2s ,故A 错误,B 正确;若工件不被传送过去,当反向运动时,工件先加速到8m/s ,然后再匀速运动,所以返回的时间大于正向运动的时间,返回到出发点的速度为8m/s ,故C 、D错误.2.如图,一足够长的倾斜传送带顺时针匀速转动.一小滑块以某初速度沿传送带向下运动,滑块与传送带间的动摩擦因数恒定,最大静摩擦力等于滑动摩擦力,则其速度v随时间t变化的图像可能是()【答案】BC【解析】设传送带倾角为θ,动摩擦因数为μ,滑块质量为m,若mg sinθ>μmg cosθ,滑块所受合力沿传送带向下,小滑块向下做匀加速运动;若mg sinθ=μmg cosθ,小滑块沿传送带方向所受合力为零,小滑块匀速下滑;若mg sinθ<μmg cosθ,小滑块所受合力沿传送带向上,小滑块做匀减速运动,当速度减为零时,开始反向加速,当加速到与传送带速度相同时,因为最大静摩擦力大于小滑块重力沿传送带向下的分力,故小滑块随传送带做匀速运动,A、D错误,B、C正确.3.如图甲所示,水平地面上静止放置一质量为M的木板,木板的左端有一个可视为质点的、质量m=1kg 的滑块.现给滑块一向右的初速度v0=10m/s,此后滑块和木板在水平地面上运动的速度图像如图乙所示,滑块最终刚好停在木板的右端,取g=10m/s2.下列说法正确的是()A.滑块与木板间的动摩擦因数μ1=0.4B.木板与地面间的动摩擦因数μ2=0.1C .木板的长度L =4mD .木板的质量M =1.5kg【答案】ABD【解析】由题图乙知,滑块刚滑上木板时加速度a 1=Δv 1Δt 1=2-102-0m/s 2=-4m/s 2,由ma 1=-μ1mg 得μ1=0.4,A 正确;2s 后滑块与木板一起做匀减速直线运动,加速度a 3=Δv 2Δt 2=0-24-2m/s 2=-1m/s 2,由(m +M )a 3=-μ2(m +M )g 得μ2=0.1,B 正确;木板的长度为0~2s 内滑块与木板的v -t 图线与时间轴所围面积差,L =12×10×2m =10m ,C 错误;0~2s 内木板的加速度a 2=Δv 1′Δt 1=2-02-0m/s 2=1m/s 2,对M 有μ1mg -μ2(M +m )g =Ma 2,解得M =1.5kg ,D 正确.4.如图甲所示,一滑块置于足够长的长木板左端,木板放置在水平地面上.已知滑块和木板的质量均为2kg ,现在滑块上施加一个F =0.5t (N)的变力作用,从t =0时刻开始计时,滑块所受摩擦力随时间变化的关系如图乙所示.设最大静摩擦力与滑动摩擦力相等,重力加速度g 取10m/s 2,则下列说法正确的是()A .滑块与木板间的动摩擦因数为0.4B .木板与水平地面间的动摩擦因数为0.2C .图乙中t 2=24sD .木板的最大加速度为2m/s 2【答案】ACD【解析】由题图乙可知,滑块与木板之间的滑动摩擦力为8N ,则滑块与木板间的动摩擦因数为μ=F fm mg =820=0.4,选项A 正确.由题图乙可知t 1时刻木板相对地面开始滑动,此时滑块与木板相对静止,则木板与水平地面间的动摩擦因数为μ′=F f ′2mg =440=0.1,选项B 错误.t 2时刻,滑块与木板将要发生相对滑动,此时滑块与木板间的摩擦力达到最大静摩擦力F fm =8N,此时两物体的加速度相等,且木板的加速度达到最大,则对木板:F fm-μ′·2mg=ma m,解得a m=2m/s2;对滑块:F-F fm=ma m,解得F=12N,则由F=0.5t(N)可知,t2=24s,选项C、D正确.5.如图所示,足够长的传送带与水平面夹角θ=30°,以恒定的速度v0=3m/s逆时针匀速转动,小炭块以初速度v=6m/s沿平行于传送带方向从传送带底端滑上传送带,小炭块与传送带间的动摩擦因数μ=36,取重力加速度g=10m/s2,下列说法正确的是()A.小炭块刚滑上传送带时的加速度大小为7.5m/s2B.小炭块在传送带上向上滑行的最远距离为4.8mC.传送带上留下的炭块痕迹长度为5.4mD.小炭块从滑上传送带到返回传送带底端一共用时1.8s【答案】AC【解析】小炭块刚滑上传送带时的加速度大小为a1=g sin30°+μg cos30°=7.5m/s2,选项A正确;小炭块一开始在传送带上向上做匀减速直线运动,当速度减为0时,向上滑行的距离最远,最远距离为x m=v22a1=622×7.5m=2.4m,向上减速时间为t1=va1=67.5s=0.8s,选项B错误;小炭块向下加速时的加速度为a2=a1=7.5m/s2,所以加速到与传送带共速所需时间为t2=v0a2=37.5s=0.4s,位移为x2=v02t2=32×0.4m=0.6m,小炭块与传送带共速后,由于μ=36<tan30°=33,所以小炭块继续向下加速的加速度为a3=g sin30°-μg cos30°=2.5m/s2,所以小炭块继续向下直到到达传送带底端有x m-x2=v0t3+12a3t32,解得t3=65(2-1)s,总用时t=t1+t2+t3=652s,经分析可知传送带上留下的炭块痕迹长度为s=(x m+v0t1)+(v0t2-x2)=5.4m,选项C正确,D错误.6.(2021高考全国乙卷)水平地面上有一质量为1的长木板,木板的左端上有一质量为2的物块,如图(a)所示。
传送带靠摩擦力带动(或阻碍)物体运动,物体速度与传送带速度相同时往往是摩擦力突变(从滑动摩擦力变为无摩擦力或从滑动摩擦力变为静摩擦力)之时.1.(2019·河北张家口市上学期期末)如图1所示,一足够长的水平传送带以恒定的速度顺时针转动.将一物体轻轻放在传送带左端,则物体速度大小v、加速度大小a、所受摩擦力的大小F f以及位移大小x随时间的变化关系正确的是()图12.(2020·河北邯郸市测试)如图2甲所示,绷紧的水平传送带始终以恒定速率v1运行,初速度大小为v2的小物块从与传送带等高的光滑水平地面上的A处滑上传送带.若从小物块滑上传送带开始计时,小物块在传送带上运动的v-t图象(以地面为参考系)如图乙所示.已知v2>v1,则()图2A.t2时刻,小物块离A处的距离达到最大B.t2时刻,小物块相对传送带滑动的距离达到最大C.0~t3时间内,小物块受到的摩擦力方向先向右后向左D.0~t3时间内,小物块始终受到大小不变的摩擦力作用3.(2019·江苏无锡市上学期期末)如图3所示,水平传送带以速度v0向右匀速运动,在传送带的右侧固定一弹性挡杆,在t=0时刻,将工件轻轻放在传送带的左端,当工件运动到弹性挡杆所在的位置时与挡杆发生碰撞,已知碰撞时间极短,不计碰撞过程的能量损失.则从工件开始运动到与挡杆第二次碰撞前的运动过程中,工件运动的v-t图象可能是()图34.(2020·广东惠州市月考)如图4所示,足够长的传送带与水平面夹角为θ,以速度v0逆时针匀速转动,在传送带的上端轻轻放置一个质量为m的小木块,小木块与传送带间的动摩擦因数μ<tan θ,则图中能客观地反映小木块的速度随时间变化关系的是()图45.(2019·湖南省十三校联考)如图5所示,有一条沿顺时针方向匀速转动的传送带,恒定速度v=4 m/s,传送带与水平面的夹角θ=37°,现将质量m=1 kg的小物块轻放在其底端(小物块可视作质点),与此同时,给小物块施加沿传送带方向向上的恒力F=8 N,经过一段时间,小物块运动到了离地面高为h=2.4 m的平台上.已知物块与传送带之间的动摩擦因数μ=0.5,g取10 m/s2, sin 37°=0.6,cos 37°=0.8.求:图5(1)物块从传送带底端运动到平台上所用的时间;(2)若在物块与传送带达到相同速度时,立即撤去恒力F,计算小物块还需经过多少时间离开传送带以及离开时的速度大小.答案精析1.A[在前t1内物体受到向右的滑动摩擦力而做匀加速直线运动,加速度不变,F f恒定,速度与时间的关系为v=at,v-t图象是过原点的倾斜的直线;物体的速度与传送带速度相同后,不受摩擦力而做匀速直线运动,速度不变,合力为0,加速度为0,故A正确,B、C、D错误.]2.B[t1时刻小物块向左运动到速度为零,离A处的距离达到最大,故A错误;t2时刻前小物块相对传送带向左运动,之后相对静止,故B正确;0~t2时间内,小物块受到的摩擦力方向始终向右,t2~t3时间内小物块不受摩擦力作用,故C、D错误.]3.C[工件与弹性挡杆发生碰撞后,其速度的方向发生改变,应取负值,故A、B错误;工件与弹性挡杆发生碰撞前的加速过程中和工件与弹性挡杆碰撞后的减速过程中所受滑动摩擦力不变,所以两过程中加速度不变,故C正确,D错误.]4.D[传送带以速度v0逆时针匀速转动,在传送带的上端轻轻放置一个质量为m的小木块,小木块相对于传送带向上运动,受到的滑动摩擦力方向沿传送带向下,重力沿传送带向下的分力和滑动摩擦力方向相同,小木块做加速度为a1的匀加速直线运动,由牛顿第二定律得:mg sin θ+μmg cos θ=ma1,所以a1=g sin θ+μg cos θ.小木块加速至与传送带速度相等时,由于μ<tan θ,则小木块不会与传送带保持相对静止而匀速运动,之后小木块继续加速,所受滑动摩擦力变为沿传送带向上,做加速度为a2的匀加速直线运动,这一阶段由牛顿第二定律得:mg sin θ-μmg cos θ=ma2,所以:a2=g sin θ-μg cos θ.根据以上分析,有a2<a1,故选D.]5.(1)1.33 s(2)0.85 s 2.3 m/s解析(1)对物块受力分析可知,物块先是在恒力作用下沿传送带方向向上做初速度为零的匀加速直线运动,摩擦力的方向沿传送带向上,直至速度达到传送带的速度,由牛顿第二定律:F+μmg cos 37°-mg sin 37°=ma1,解得:a1=6 m/s2.t1=va1=23s,x1=v22a1=43m物块达到与传送带同速后,物块未到顶端,物块受到的摩擦力的方向改变,对物块受力分析可知,因为F =8 N 而物块所受重力沿传送带向下的分力和最大摩擦力之和为10 N ,故物块不能相对传送带向上加速,则:a 2=0t 2=h sin 37°-x 1v =23 s ,得t =t 1+t 2=43s ≈1.33 s (2)若达到速度相等后撤去力F ,对物块受力分析,因为mg sin 37°>μmg cos 37°,故匀减速向上运动,ma 3=mg sin 37°-μmg cos 37°,得:a 3=2 m/s 2.物块还需t ′离开传送带,离开时的速度大小为v t ,则:v 2-v t 2=2a 3(h sin 37°-x 1),v t =433 m/s ≈2.3 m/s ,t ′=v -v t a 3=0.85 s.。
2021届高考一轮复习基础练习:牛顿运动定律运用之传送带模型一、单选题(下列题目中只有一个选项是满足题意的)1.如图所示,足够长的水平传送带以v0=2 m/s的速率顺时针匀速运行.t=0时,在最左端轻放一个小滑块,t=2 s 时,传送带突然制动停下.已知滑块与传送带之间的动摩擦因数为μ=0.2,取g=10 m/s2.下列关于滑块相对地面运动的v=t图象正确的是()A.B.C.D.2.如图所示为粮袋的传送装置,已知AB间长度为L,传送带与水平方向的夹角为θ,工作时其运行速度为v,粮袋与传送带间的动摩擦因数为μ,正常工作时工人在A点将粮袋放到运行中的传送带上,关于粮袋从A到B的运动,以下说法正确的是(设最大静摩擦力等于滑动摩擦力) ()A.粮袋到达B点的速度与v比较,可能大,也可能相等或小B.粮袋开始运动的加速度为g(sin θ-μcos θ),若L足够大,则以后将一定以速度v做匀速运动C.若μ≥tan θ,则粮袋从A到B一定是一直做加速运动D.不论μ大小如何,粮袋从A到B一直做匀加速运动,且a>g sinθ3.如图所示,传送带保持v0=1 m/s的速度运动,现将一质量m=0.5 kg的物体从传送带左端放上,设物体与传送带间动摩擦因数μ=0.1,传送带两端水平距离x=2.5 m,则运动时间为(=A.1sB.2sC.3sD.4s4.如图甲,MN是倾角θ=37°传送带的两个端点,一个质量m=5kg的物块(可看作质点),以4m/s的初速度自M点沿传送带向下运动。
物块运动过程的v-t图像如图乙所示,取g=10m/s2,下列说法正确的是()A.物块最终从N点离开传送带B .物块与传送带间的动摩擦因数为0.6C .物块在第6s 时回到M 点D .传送带的速度v =2m/s ,方向沿斜面向下5.如图,MN 是一段倾角为θ=30°的传送带,一个可以看作质点,质量为m =1kg 的物块,以沿传动带向下的速度04v =m/s 从M 点开始沿传送带运动。
第4讲专题提升:动力学中的传送带模型基础对点练题组一水平传送带1.“雪地魔毯”是滑雪场常见的一种设备,它类似于机场的传送带,主要用于将乘客从雪道底端运送到顶端。
一名穿戴雪具的游客,从雪道底端静止站上“雪地魔毯”,“雪地魔毯”长L=150 m,倾角θ=11.6°(sinθ=0.2,cos θ=0.98),“雪地魔毯”以v=5 m/s的速度向上滑行,经过t=35 s游客滑到“雪地魔毯”的顶端。
g取10 m/s2,人与“雪地魔毯”间的动摩擦因数为一定值,不计其他阻力,则( )A.游客在“雪地魔毯”上一直做匀加速运动B.游客在“雪地魔毯”上匀加速运动的时间为20 sC.游客在“雪地魔毯”上受到的摩擦力的方向可能改变D.游客与“雪地魔毯”间的动摩擦因数约为0.262.(多选)如图所示,已知传送带两轴心间距为5 m,传送带向右匀速传动,其速度的大小可以由驱动系统根据需要设定,一可视为质点的小物块以7 m/s的初速度从左端滑上传送带,已知小物块与传送带间的动摩擦因数为μ=0.4,g取10 m/s2,要让小物块尽快通过传送带,则下列传送带的速度符合要求的是( )A.8 m/sB.9 m/sC.10 m/sD.11 m/s题组二倾斜传送带3.(重庆南开中学模拟)如图所示,足够长的传送带与水平面的夹角为θ,当传送带静止时,一物块以一定初速度从传送带的顶端沿着传送带向下做匀减速运动,当物块的速度大小减小至v0时,传送带突然启动沿顺时针方向做匀加速运动,下列判断正确的是( )A.启动传送带后物块的加速度大小一定始终不变B.物块在运动过程中所受摩擦力可能为0C.若物块与传送带能够共速,则共速后物块一定和传送带相对静止D.物块在运动过程中所受摩擦力的方向可能沿传送带向下4.(河南三门峡模拟)如图所示,传送带与地面夹角θ=37°,A、B间的距离L=10.25 m,传送带以v0=10 m/s的速率逆时针转动。
传送带模型中的动力学问题
[典例1] 水平传送带被广泛地应用于机场和车站,如图所示为一水平传送带装置示意图。
紧绷的传送带AB始终保持恒定的速率v=1 m/s运行。
一质量为m=4 kg的行李无初速度地放在A 处,传送带对行李的滑动摩擦力使行李开始做匀加速直线运动,随后行李又以与传送带相等的速率做匀速直线运动。
设行李与传送带之间的动摩擦因数μ=0.1,A,B间的距离L=2 m,g取10 m/s2。
(1)求行李刚开始运动时所受滑动摩擦力的大小与加速度的大小;
(2)求行李做匀加速直线运动的时间;
(3)如果提高传送带的运行速率,行李就能被较快地传送到B处,求行李从A处传送到B处的最短时间和传送带对应的最小运行速率。
变式1:如图所示,水平匀速转动的传送带左右两端相距L=3.5 m,物块A以水平速度v0=4 m/s 滑上传送带左端,物块与传送带间的动摩擦因数μ=0.1,设A到达传送带右端时的瞬时速度为v,g取10 m/s2,下列说法正确的是( )
A.若传送带速度等于2 m/s,物块可能先减速运动,后匀速运动
B.若传送带速度等于3.5 m/s,v一定等于3 m/s
C.若v等于3 m/s,传送带一定沿逆时针方向转动
D.若v等于3 m/s,传送带可能沿顺时针方向转动
[典例2] 如图所示,倾角为37°,长为l=16 m的传送带,转动速度为v=10 m/s,动摩擦因数μ=0.5,在传送带顶端A处无初速度地释放一个质量为m=0.5 kg的物体。
已知sin 37°=0.6,cos 37°=0.8,g=10 m/s2。
求:
(1)传送带顺时针转动时,物体从顶端A滑到底端B的时间;
(2)传送带逆时针转动时,物体从顶端A滑到底端B的时间。
变式2:如图所示,以速度v0逆时针匀速转动的足够长的传送带与水平面的夹角为θ。
现将一个
质量为m的小木块轻轻地放在传送带的上端,小木块与传送带间的动摩擦因数为μ,则图中能够正确地描述小木块的速度随时间变化关系的图线可能是( )
同步练习
1.(水平传送带)如图所示,一质量为m的小物体以一定的速率v0滑到水平传送带上左端的A点,当传送带始终静止时,已知物体能滑过右端的B点,经过的时间为t0,则下列判断正确的是( )
A.若传送带逆时针方向运行且保持速率不变,则物体也能滑过B点,且用时为t0
B.若传送带逆时针方向运行且保持速率不变,则物体可能先向右做匀减速运动直到速度减为零,然后向左加速,因此不能滑过B点
C.若传送带顺时针方向运行,当其运行速率(保持不变)v=v0时,物体将一直做匀速运动滑过B 点,用时为t0
D.若传送带顺时针方向运行,当其运行速率(保持不变)v>v0时,物体一定向右一直做匀加速运动滑过B点,用时一定小于t0
2.(倾斜传送带)如图所示,绷紧的传送带,始终以2 m/s的速度匀速斜向上运行,传送带与水平方向间的夹角θ=30°。
现把质量为10 kg的工件轻轻地放在传送带底端P处,由传送带传送至顶端Q处。
已知P,Q之间的距离为4 m,工件与传送带间的动摩擦因数为μ=3,取g=10 m/s2。
(1)通过计算说明工件在传送带上做什么运动;
(2)求工件从P点运动到Q点所用的时间。
3.(水平传送带上不同物体的运动问题)如图甲所示,水平传送带沿顺时针方向匀速运转。
从传送带左端P先后由静止轻轻放上三个物体A,B,C,物体A经t A=9.5 s到达传送带另一端Q,物体B经t B=10 s到达传送带另一端Q,若释放物体时刻作为t=0时刻,物体在传送带上运动过程的v t图象如图乙、丙、丁所示,g取10 m/s2,求:
(1)传送带的速度大小v0;
(2)传送带的长度L;
(3)物体A,B,C与传送带间的动摩擦因数,物体C从传送带左端P到右端Q所用的时间t C。
传送带模型中的动力学问题
[典例1] 水平传送带被广泛地应用于机场和车站,如图所示为一水平传送带装置示意图。
紧绷的传送带AB始终保持恒定的速率v=1 m/s运行。
一质量为m=4 kg的行李无初速度地放在A 处,传送带对行李的滑动摩擦力使行李开始做匀加速直线运动,随后行李又以与传送带相等的速率做匀速直线运动。
设行李与传送带之间的动摩擦因数μ=0.1,A,B间的距离L=2 m,g取10 m/s2。
(1)求行李刚开始运动时所受滑动摩擦力的大小与加速度的大小;
(2)求行李做匀加速直线运动的时间;
(3)如果提高传送带的运行速率,行李就能被较快地传送到B处,求行李从A处传送到B处的最短时间和传送带对应的最小运行速率。
答案:(1)4 N 1 m/s2(2)1 s (3)2 s 2 m/s
变式1:如图所示,水平匀速转动的传送带左右两端相距L=3.5 m,物块A以水平速度v0=4 m/s 滑上传送带左端,物块与传送带间的动摩擦因数μ=0.1,设A到达传送带右端时的瞬时速度为v,g取10 m/s2,下列说法正确的是( D )
A.若传送带速度等于2 m/s,物块可能先减速运动,后匀速运动
B.若传送带速度等于3.5 m/s,v一定等于3 m/s
C.若v等于3 m/s,传送带一定沿逆时针方向转动
D.若v等于3 m/s,传送带可能沿顺时针方向转动
[典例2] 如图所示,倾角为37°,长为l=16 m的传送带,转动速度为v=10 m/s,动摩擦因数μ=0.5,在传送带顶端A处无初速度地释放一个质量为m=0.5 kg的物体。
已知sin 37°=0.6,cos 37°=0.8,g=10 m/s2。
求:
(1)传送带顺时针转动时,物体从顶端A滑到底端B的时间;
(2)传送带逆时针转动时,物体从顶端A滑到底端B的时间。
答案:(1)4 s (2)2 s
变式2:如图所示,以速度v0逆时针匀速转动的足够长的传送带与水平面的夹角为θ。
现将一个质量为m的小木块轻轻地放在传送带的上端,小木块与传送带间的动摩擦因数为μ,则图中能够正确地描述小木块的速度随时间变化关系的图线可能是( C )
同步练习
1.(水平传送带)如图所示,一质量为m的小物体以一定的速率v0滑到水平传送带上左端的A点,当传送带始终静止时,已知物体能滑过右端的B点,经过的时间为t0,则下列判断正确的是( A )
A.若传送带逆时针方向运行且保持速率不变,则物体也能滑过B点,且用时为t0
B.若传送带逆时针方向运行且保持速率不变,则物体可能先向右做匀减速运动直到速度减为零,然后向左加速,因此不能滑过B点
C.若传送带顺时针方向运行,当其运行速率(保持不变)v=v0时,物体将一直做匀速运动滑过B 点,用时为t0
D.若传送带顺时针方向运行,当其运行速率(保持不变)v>v0时,物体一定向右一直做匀加速运动滑过B点,用时一定小于t0
2.(倾斜传送带)如图所示,绷紧的传送带,始终以2 m/s的速度匀速斜向上运行,传送带与水平方向间的夹角θ=30°。
现把质量为10 kg的工件轻轻地放在传送带底端P处,由传送带传送至顶端Q处。
已知P,Q之间的距离为4 m,工件与传送带间的动摩擦因数为μ3,取g=10 m/s2。
(1)通过计算说明工件在传送带上做什么运动;
(2)求工件从P点运动到Q点所用的时间。
答案:(1)先匀加速运动0.8 m,然后匀速运动3.2 m
(2)2.4 s
3.(水平传送带上不同物体的运动问题)如图甲所示,水平传送带沿顺时针方向匀速运转。
从传送带左端P先后由静止轻轻放上三个物体A,B,C,物体A经t A=9.5 s到达传送带另一端Q,物体B经t B=10 s到达传送带另一端Q,若释放物体时刻作为t=0时刻,物体在传送带上运动过程的v t图象如图乙、丙、丁所示,g取10 m/s2,求:
(1)传送带的速度大小v0;
(2)传送带的长度L;
(3)物体A,B,C与传送带间的动摩擦因数,物体C从传送带左端P到右端Q所用的时间t C。
答案:(1)4 m/s (2)36 m
(3)0.4 0.2 0.012 5 24 s。