一种改进的串联电池组单体电池电压测量方法_林引
- 格式:pdf
- 大小:589.40 KB
- 文档页数:3
一种串联锂电池电压高精度测量方法研究与设计【摘要】串联锂电池组在使用过程中,各单体电芯存在特征的不完全一致,尤其是单体电芯电压差异会导致锂电池组使用效率的降低,如果电压过低或者过高还会对锂电池本身造成伤害,因此需要实时测量监控各个单体电芯的电压。
通常测量使用一个ADC进行单一式测量监控,这种方法存在很多缺陷。
提出一种冗余式双ADC测量监控方式,采用这种方法可以实现高精度及高可靠性的测量监控和实现多种异常的判别。
【关键词】锂电池;电压测量;电池管理系统;荷电状态锂电池具有储存能量高、电池电压高、工作温度范围宽、贮存寿命长等优点,已成为电动汽车和储能电源的主要动力电源之一。
电池组通常由多个单体电芯串联组成,由于锂电池的生产工艺造成每个单体电芯的特征有所差异,使用时需要一套管理系统来对电池组的性能和安全进行监控管理。
在电池管理系统中所进行的电池均衡、SOC计算、过压保护等都需要对每节单体电池的电压进行0.5级以上精度的测量,即假如单体电池的电压为3V时,电压测量的误差应该小于15mv。
目前,对于电池组中单体电池电压的测量一般采用单一式测量方案,虽然这种方案成本较低,但在普通单一式测量方案中,大电流的情况下,连接单体电池的导线的线电阻及各串接部位的接触电阻会使测量得到的电压产生较大误差,从而达不到0.5级以上的测量精度,令整个电池管理系统的准确性及可靠性下降,最终导致整个电池组的使用效率的下降及电能的浪费。
此种方法的优点如下:(1)增加一个测量装置,虽然成本有所提高,但由于引入了冗余,当其中一个测量装置发生故障,另一个测量装置依然可以保持测量的功能,使得整个系统的可靠性大大增加。
(2)由于可以得到串联连接线上各处电阻的分压大小,电池管理系统可以根据这些数据分析出线路各处的连接情况、接触点的氧化情况。
(3)准确得出电池组中各单体电芯电压。
(4)由于两个测量装置的某些测量值之间存在必然关系,可以据此来进行自检,反映测量装置正常与否,比如在静态极小电流的情况下比较两块芯片各端测得的电压,同一端电压差距较大时可判断为异常。
怎样测量串联电池组电压目前,发电厂、变电站的操作电源系统大多采用直流电源,直流电源系统是发电厂、变电站非常重要的一种二次设备,它的主要任务就是给继电保护、断路器分合闸及其它控制提供可靠的直流操作电源和控制电源,它要求配置蓄电池系统。
实践经验表明,在所有表征蓄电池的参数之中,蓄电池的端电压最能体现蓄电池的当前状况。
可以根据端电压判断蓄电池的充、放电进程,当前电压是否超出允许的极限电压。
还可以判断蓄电池组的均一性好坏等。
因此,对蓄电池的端电压的测量十分重要。
1共模测量法共模测量是相对同一参考点,用精密电阻等比例衰减各测量点电压,然后依次相减得到各节电池电压。
该方法电路比较简单,但是测量精度低。
比如,24节标称电压为12V的蓄电池,单节电池测试精度为0.5%的测试系统,单节电池测试绝对误差为±60mV,24V节串联积累的绝对误差可达1.44V,显然,其相对误差可达到12V,这在应急电源监控系统中经常会造成误报警,所以不能满足应急电源监控系统的要求。
这种方法只适合串联电池数量较少或者对测量精度要求不高的场合。
2差模测量法差模测量是通过电气或电子元件选通单节电池进行测量。
当串联电池数量较多而且对测量精度要求较高时,一般应采用差模测量方法。
2.1继电器切换提取电压传统的比较成熟的测试方法是用继电器和大的电解电容做隔离处理,其基本的测试原理是:首先将继电器闭合到蓄电池一侧,对电解电容充电;测量时把继电器闭合到测量电路一侧,将电解电容和蓄电池隔离开来,由于电解电容保持有该蓄电池的电压信号,因此,测试部分只需测量电解电容上的电压,即可得到相应的单体蓄电池电压。
此方法具有原理简单,造价低的优点。
但是由于继电器存在着机械动作慢,使用寿命低等缺陷,根据这一原理实现的检测装置在速度,使用寿命,的可靠性方面都难以令人满意。
为解决上面问题可将机械继电器改用光耦继电器,这样无需外加电解电容提高了可靠性,速度和使用寿命也随之达到要求,但相对成本要大大提高。
一种改进的串联电池组单体电池电压测量方法林引;邓飞;刘亚辉【期刊名称】《工矿自动化》【年(卷),期】2013(039)006【摘要】针对基于运算放大器和MOSFET管的串联电池组单体电池电压测量方法存在漏电流的问题,提出了一种改进的电压测量方法.在每节电池的两端增加了一个电压跟随器,可有效降低漏电流;增加了光电继电器作为运算放大器的电源开关,使电压测量电路在断电状态下不消耗电流;增加了一个稳压二极管,以防止MOSFET 管被击穿.测试结果验证了改进方法的有效性.%In view of problem of leakage current in voltage measuring method for single battery in series batteries based on operational amplifier and MOSFET,an improved voltage measuring method was proposed.Voltage follower is added at two ends of each battery to reduce leakage current effectively;photoelectric relay is added as power switch of operational amplifier to make voltage measuring circuit not consume current under status of power off; zener diode is added to prevent breakdown of MOSFET.The test result validates effectiveness of the improved method.【总页数】3页(P106-108)【作者】林引;邓飞;刘亚辉【作者单位】中煤科工集团重庆研究院,重庆400039;中煤科工集团重庆研究院,重庆400039;中煤科工集团重庆研究院,重庆400039【正文语种】中文【中图分类】TD679【相关文献】1.星载锂离子蓄电池组单体电压测量方法研究 [J], 贠磊;张岩;程显富;邹恒光;曹延哲;张文芳2.串联电池组电压测量方法的研究 [J], 古启军;陈以方;吴知非3.串联动力电池组单体电池电压检测新方法 [J], 缪传杰;高琛;陈建清;陈文芗4.一种基于铅蓄电池单体外串联组合的电动自行车电池组 [J],5.串联电池组电池电压测量方法的研究 [J], 李树靖;林凌;李刚因版权原因,仅展示原文概要,查看原文内容请购买。
一种新型电池组单体电池电压检测方法
摘要:阐述串联电池组单体电池电压检测的现实意义。
在比较现有检测方
法的基础上,提出了一种结合开关矩阵和差分放大器的新型单体电池电压检测
方法,详细设计了相关的电路,并给出实验结果。
相对于目前的单体电池电压
检测方法,该方法具有结构简单,测量精度高等优点。
一、引言
随着纯电动车及混合动力车的发展,作为重要储能设备的串联电池组是影响
整车性能的一个关键因素。
延长电池寿命,提高电池的使用效率是电动汽车商品化、实用化的关键。
由
于水桶效应的存在,串联电池组的整体性能取决于电池组中性能最差的单体电池,为了能够对串联电池组的能量使用进行有效管理,需要实时监视串联电池
组中的单体电池状态。
在表征电池状态的参数中,电池的端电压最能体现其工
作状态,因此精确采集电池组中各个单体电池电压十分重要。
二、现有单体电池检测方法
目前单体电池电压测量方法有许多,主要可归纳为分压电阻降压、浮动地测量、模拟开关选通等几种方法,下面就这些方法做一个分析:
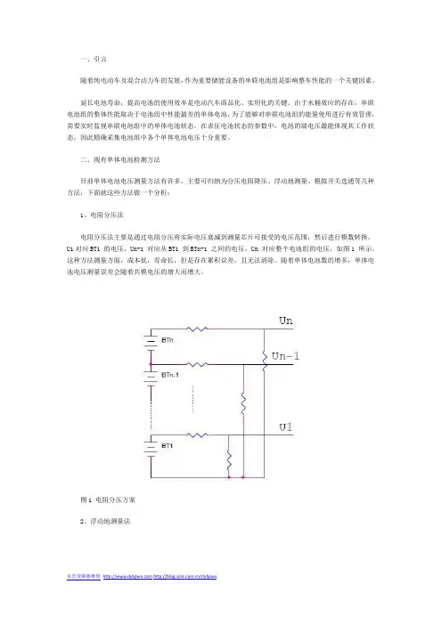
1、电阻分压法
电阻分压法主要是通过电阻分压将实际电压衰减到测量芯片可接受的电压范围,然后进行模数转换。
U1 对应BT1 的电压,Un-1 对应从BT1 到BTn-1 之间的电压,Un 对应整个电池组的电压,如图1 所示。
这种方法测量方面,成本低,寿命长,但是存在累积误差,且无法消除。
随着单体电池数的增多,
单体电池电压测量误差会随着共模电压的增大而增大。
一、引言随着纯电动车及混合动力车的发展,作为重要储能设备的串联电池组是影响整车性能的一个关键因素。
延长电池寿命,提高电池的使用效率是电动汽车商品化、实用化的关键。
由于水桶效应的存在,串联电池组的整体性能取决于电池组中性能最差的单体电池,为了能够对串联电池组的能量使用进行有效管理,需要实时监视串联电池组中的单体电池状态。
在表征电池状态的参数中,电池的端电压最能体现其工作状态,因此精确采集电池组中各个单体电池电压十分重要。
二、现有单体电池检测方法目前单体电池电压测量方法有许多,主要可归纳为分压电阻降压、浮动地测量、模拟开关选通等几种方法,下面就这些方法做一个分析:1、电阻分压法电阻分压法主要是通过电阻分压将实际电压衰减到测量芯片可接受的电压范围,然后进行模数转换。
U1对应BT1 的电压,Un-1 对应从BT1 到BTn-1 之间的电压,Un 对应整个电池组的电压,如图1 所示。
这种方法测量方面,成本低,寿命长,但是存在累积误差,且无法消除。
随着单体电池数的增多,单体电池电压测量误差会随着共模电压的增大而增大。
图1 电阻分压方案2、浮动地测量法使用浮动地技术测量电池端电压时,窗口比较器会自动判断当前低电位是否合适。
如果合适直接启动模数转换进行测量;如果太高或太低,则通过微控制器经数模对低电位进行浮动控制使低电位处于合适的状态下。
该方案由于低电位经常受现场干扰而变化,不能对低电位进行精确控制,影响整个系统的测量效果。
3、模拟开关法采用模拟开关的方案通过模拟开关选择测量通道,每个通道采用运算放大器组成线性采样电路。
当选中需要进行测量的通道后,模拟开关的输出经电压跟随器送入模数转换器进行模数转换。
该方法根据串联电池组总电压的大小,选择适当的放大倍数,不必电阻分压网络或改变低电位就可以直接测量任意一只电池的电压,测量方便。
但是该方法需要数量众多的运放和精密匹配电阻,成本高,且电阻的分散性会导致测量结果分散性较高。
(10)申请公布号 CN 102175974 A(43)申请公布日 2011.09.07C N 102175974 A*CN102175974A*(21)申请号 201110022209.4(22)申请日 2011.01.13G01R 31/36(2006.01)G01R 19/00(2006.01)(71)申请人陈林地址361005 福建省厦门市厦门大学机电工程系陈文芗转(72)发明人陈林(54)发明名称一种串联锂电池组单体电池电压检测装置(57)摘要一种串联锂电池组单体电池电压检测装置,在串联锂电池组中的每一个单体电池1-4都独立并联一个电压选通装置1-3。
用至少为一条的选通信号线1-1以串联的形式将所有的电压选通装置连接,以便选通信号选择某一个电压选通装置导通,电压选通装置每次有一个且只能有一个导通。
所有电压选通装置的输出端与一对并联连线1-2并接,并联连线同时并接到检测电路1-5上。
工作时,在选通信号选择下,电压选通装置1-3有条件地依次导通,将串联锂电池组中的单体电池1-3依次连接到并联连线1-2并由检测电路1-5检测,每次有一个且只有一个电池被连接上并联连线。
(51)Int.Cl.(19)中华人民共和国国家知识产权局(12)发明专利申请权利要求书 1 页 说明书 3 页 附图 1 页1.一种串联锂电池组单体电池电压检测装置,其特征在于串联锂电池组中的每一个单体电池都独立并联一个电压选通装置,至少为一条的选通信号线以串联的形式将所有的电压选通装置连接,以便选通信号通选择某一个电压选通装置导通,电压选通装置每次有一个且只能有一个导通。
所有电压选通装置的输出端与一对并联连线并接,并联连线同时并接到检测电路上。
工作时,在选通信号选择下,电压选通装置有条件地依次导通,将串联锂电池组中的单体电池依次连接到并联连线并由检测电路检测,每次有一个且只有一个电池被连接上并联连线。
2.根据权利要求1所述的一种串联锂电池组单体电池电压检测装置,其特征在于:所述电压选通装置独立的并接在单体电池上,电压选通装置是由双路受控开关与D触发器构成,D触发器决定受控开关的通断状态。
(10)授权公告号(45)授权公告日 (21)申请号 201420867881.2(22)申请日 2014.12.31G01R 31/36(2006.01)G01R 19/25(2006.01)(73)专利权人深圳市科陆电子科技股份有限公司地址518057 广东省深圳市南山区科技园北区宝深中路科陆大厦20楼(72)发明人李仁彪 王汁 廖仕明(74)专利代理机构深圳市恒申知识产权事务所(普通合伙) 44312代理人陈健(54)实用新型名称一种可对串联电池组中任意单体电池进行电压采样的电路(57)摘要本实用新型适用于电池管理系统领域,提供了一种可对串联电池组中任意单体电池进行电压采样的电路。
包括MCU、光耦继电器组、光耦继电器控制器、采样转换器;每个光耦继电器的第一常闭触点连接电池正极,用于输出的第二常闭触点连接采样转换器的输入端,采样转换器的输出端与MCU 连接;第一常开触点连接电池负极,第二常开触点连接地;光耦继电器控制器具有多个控制信号输出端,各控制信号输出端与各光耦继电器中的发光二极管一一对应连接;光耦继电器控制器的控制信号输入端与MCU 连接,根据MCU 的控制信号控制相应的光耦继电器接通。
本实用新型提供的采样电路,实现了随意对一组串联电池组中的任一节或任几节单体电池电压采样。
(51)Int.Cl.(19)中华人民共和国国家知识产权局(12)实用新型专利权利要求书1页 说明书4页 附图3页(10)授权公告号CN 204575823 U (45)授权公告日2015.08.19C N 204575823U1.一种可对串联电池组中任意单体电池进行电压采样的电路,其特征在于,所述采样装置包括MCU、光耦继电器组、光耦继电器控制器、采样转换器;所述光耦继电器组包括多个光耦继电器,每个光耦继电器中包括第一发光二极管、第一光电三极管、第二发光二极管、第二光电三极管;其中第一光电三极管的第一端连接目标单体电池正极,第二光电三极管的第一端连接电池负极;第一光电三极管的第二端连接采样转换器的输入端,第二光电三极管的第二端连接地;所述采样转换器的输出端与所述MCU连接;所述光耦继电器控制器具有多个控制信号输出端,每个控制信号输出端与相对应光耦继电器中的第一、第二发光二极管连接,用于通过控制各发光二极管的工作状态来控制相应光耦继电器的接通;所述光耦继电器控制器的控制信号输入端与所述MCU连接,根据所述MCU的控制信号控制相应的光耦继电器接通,实现对目标单体电池的电压采样。
(19)中华人民共和国国家知识产权局(12)实用新型专利(10)授权公告号 (45)授权公告日 (21)申请号 201922271561.6(22)申请日 2019.12.18(73)专利权人 杰能电子(深圳)有限公司地址 518000 广东省深圳市龙岗区南湾街道吉厦社区简竹路早禾坑工业区9号B栋4楼(72)发明人 章发群 (51)Int.Cl.G01R 31/3835(2019.01)G01R 31/396(2019.01)(54)实用新型名称一种串联电池组中单体电池电压的实时测量电路(57)摘要本实用新型公开了一种串联电池组中单体电池电压的实时测量电路,包括串联电池组1、测量单元2和模数转换单元3,所述串联电池组1包括电池Bx、电池Bn和电池Ba,所述模数转换单元3包括电压输入端Sn、电压输入端S2和电压输入端S1。
本串联电池组中单体电池电压的实时测量电路,采用单个集成运放,完成电压测量放大,相比以往的技术,电路简单、能量消耗低;当电池正常充放电时,其电压仅在一个区间发生变化,采用电压基准芯片U1,并选取合理的电压基准,能够提取电池Bn电压变动的数据,放大后输送到AD转换电路,相比以往的技术,提高信号在模数转换后的分辨率,有助于实现更精确的控制。
权利要求书1页 说明书6页 附图4页CN 211554253 U 2020.09.22C N 211554253U1.一种串联电池组中单体电池电压的实时测量电路,包括串联电池组(1)、测量单元(2)和模数转换单元(3),其特征在于:所述串联电池组(1)包括电池Bx、电池Bn和电池Ba,所述测量单元(2)包括运算放大器OPx、运算放大器OP1、运算放大器OPa、电压基准芯片Ux1、电压基准芯片U1、电压基准芯片Ua1、电阻Rx1、电阻R1、电阻Ra1、电阻Rx2、电阻R2、电阻Ra2、电阻Rx3、电阻R3、电阻Ra3、电阻Rx4电阻R4、电阻Ra4、电阻Rx5、电阻R5、电阻Ra5、电阻Rx6、电阻R6、电阻Ra6、电阻Rx7、电阻R7和电阻Ra7,所述模数转换单元(3)包括电压输入端Sn、电压输入端S2和电压输入端S1。
专利名称:用于测量电池组的单体电压的方法
专利类型:发明专利
发明人:杨彦辉,曾国建,聂志安,陈林,颛孙明明,许海丽,吉祥申请号:CN201810831919.3
申请日:20180726
公开号:CN108896929A
公开日:
20181127
专利内容由知识产权出版社提供
摘要:本发明提供一种测量电池组的单体电压的方法,属于电压测量技术领域。
所述方法包括:预设用于测量电池组的单体电压的电路;控制所述第一可控开关断开、所述第二可控开关闭合;通过所述电压传感器获取每个所述单体电池的第一单体电压;控制所述第一可控开关闭合、所述第二可控开关断开;通过所述电压传感器获取每个所述单体电池的第二单体电压;根据所述第一单体电压和所述第二单体电压计算每个所述单体电池的单体真实电压。
该方法可以解决现有技术中对电池组的单体电压测量误差过大的问题。
申请人:安徽锐能科技有限公司
地址:230051 安徽省合肥市包河区包河工业区花园大道8号
国籍:CN
代理机构:北京润平知识产权代理有限公司
更多信息请下载全文后查看。
锂电池组单体电压检测系统设计崔张坤; 梁英; 龙泽; 董文; 段玲玲【期刊名称】《《电源技术》》【年(卷),期】2013(37)1【摘要】提出了一种基于"飞电容"技术测量串联锂离子电池组中单体电池电压的检测系统。
该电路由MOSFET输出光电耦合器、差分运算放大器及AD采样电路组成。
文中提供了15节串联电池组单体电池电压测量电路,高压开关采用的是AQS225R2S,差分运算放大器采用的是OP4177,AD采样由MSP430F169完成。
首先在multisim11.0软件基础上进行了仿真,然后给出了15节串联锂离子电池组单体电压测量电路的实验结果,并进行分析。
实验结果表明,此种方法具有对锂离子电池组影响小、精度高及体积小等优点,并且可以为电池组的均衡和SOC估算提供基础,可以应用在电动汽车和锂电池储能系统等领域。
【总页数】3页(P41-42,160)【作者】崔张坤; 梁英; 龙泽; 董文; 段玲玲【作者单位】沈阳理工大学信息科学与工程学院辽宁沈阳110159; 中国北方车辆研究所北京100072【正文语种】中文【中图分类】TM912.9【相关文献】1.基于LTC6803串联锂电池组电压检测及均衡系统 [J], 肖林京;常龙;张瑞雪;公栋梁2.基于反激式变压器的锂电池组单体电压检测方法 [J], 吴铁军;王玉婷;米国民3.锂电池动力电源单体电池电压检测系统设计 [J], 于志豪;常龙;张瑞雪;肖林京;刘韬4.非四线制锂电池组实时电压检测校正方法研究 [J], 王顺利;李建超;尚丽平;李占锋;舒思琦5.分析锂电池动力电源单体电池电压检测系统设计 [J], 张健;张铁军因版权原因,仅展示原文概要,查看原文内容请购买。