危险化学品特性表
- 格式:doc
- 大小:948.00 KB
- 文档页数:83
运 条 件 与 泄 漏 处 理
表7.6-8 2- 丁氧基乙醇的理化性质及危险特性表
表7.6-9 1,2 一二甲苯的理化性质和危险特性表
表7.6-12 二甲苯异构体混合物的理化性质及危险特性表
表二甲酰的理化性质及危险特性
表
二乙基苯的理化性质及危险特性
表二乙基苯的理化性质及危险特性
表7.6-21 环戊烷的理化性质及危险特性
表7.6-22 环辛烷的理化性质及危险特性
表7.6-23 1,2-环氧丙烷的理化性质及危险特性
表7.6-23 1,2-环氧丙烷的理化性质及危险特性
表7.6-24 环氧乙烷的理化性质及危险特性
表7.6-28 2-甲基-2-丙醇的理化性质及危险特性
表7.6-30 甲基叔丁基84的理化性质及危险特性表
表7.6-32煤焦沥宵的理化性质及危险特性
表7.6-32煤焦沥宵的理化性质及危险特性
表7.6-39 1,2,4 一三甲基苯的理化性质及危险特性表。
表7.6-1苯的理化性质及危险特性表表7.6-2苯乙烯的理化性质及危险特性表表7.6-31-丙醇的理化性质及危险特性表表7.6-42-丙醇的理化性质及危险特性表表7.6-5丙烯的理化性质及危险特性表表7.6-6丙烷的理化性质及危险特性表粗苯的理化性质及危险特性表表7.6-82-丁氧基乙醇的理化性质及危险特性表表7.6-91,2-二甲苯的理化性质和危险特性表表7.6-101,3-二甲苯的理化性质和危险特性表表7.6-111,4-二甲苯的理化性质和危险特性表表7.6-12二甲苯异构体混合物的理化性质及危险特性表表7.6-13 2,2-二甲基丙烷的理化性质和危险特性表7.6-15 二甲氧基甲烷的理化性质及危险特性表7.6-16 1,2-二乙基苯的理化性质及危险特性表7.6-17 1,3-二乙基苯的理化性质及危险特性表7.6-18 1,4-二乙基苯的理化性质及危险特性表7.6-19 环己酮的理化性质及危险特性表7.6-20 1,3-环戊二烯的理化性质及危险特性表7.6-21 环戊烷的理化性质及危险特性表7.6-22 环辛烷的理化性质及危险特性表7.6-23 1,2-环氧丙烷的理化性质及危险特性表7.6-24 环氧乙烷的理化性质及危险特性表7.6-25甲苯的理化性质及危险特性表表7.6-26甲醇的理化性质及危险特性表表7.6-272-甲基-1-丙醇的理化性质及危险特性表表7.6-28 2-甲基-2-丙醇的理化性质及危险特性表7.6-29 2-甲基丁烷的理化性质及危险特性表7.6-30甲基叔丁基醚的理化性质及危险特性表表7.6-31 甲醛溶液的理化性质及危险特性表7.6-32 煤焦沥青的理化性质及危险特性表7.6-33 煤油的理化性质及危险特性表7.6-34 汽油的理化性质和危险特性表表7.6-35 柴油的理化性质和危险特性表表7.6-36 溶剂苯的理化性质及危险特性。
一理化及危险特性表理化及危险特性表一附表氨基磺酸的主要理化及危险特性表附表氨溶液的理化及危险特性表附表苯乙烯[稳定的]理化性能指标表附表 2-丙醇的理化及危险特性表附表丙酮的理化特性及危险特性表附表丙烷的理化特性及安全信息资料表附表不饱和聚酯树脂理化性能指标表(有关数据参照苯乙烯)附表醇酸清漆的理化及危险特性表附表次氯酸钙的理化及危险特性表附表次氯酸钠溶液的理化及危险特性表附表醋酸甲酯安全信息资料表第一部分化学品化学品中文名:乙酸甲酯;醋酸甲酯化学品英文名:methyl acetate;acetic acid methyl ester第二部分成分/组成信息√ 纯品混合物有害物成分浓度CAS No.乙酸甲酯79-20-9第三部分危险性概述危险性类别:第类中闪点液体侵入途径:吸入、食入、经皮吸收健康危害:具有麻醉和刺激作用。
接触本品蒸气引起眼灼痛、流泪、进行性呼吸困难、头痛、头晕、心悸、忧郁、中枢神经抑制。
由其分解产生的甲醇可引起视力减退、视野缩小和视神经萎缩等。
环境危害:对环境有害。
燃爆危险:易燃,其蒸气与空气混合,能形成爆炸性混合物。
第四部分急救措施皮肤接触:脱去污染的衣着,用肥皂水和清水彻底冲洗皮肤。
如有不适感,就医。
眼睛接触:提起眼睑,用流动清水或生理盐水冲洗。
如有不适感,就医。
吸入:迅速脱离现场至空气新鲜处。
保持呼吸道通畅。
如呼吸困难,给输氧。
呼吸、心跳停止,立即进行心肺复苏术。
就医。
食入:饮足量温水,催吐。
就医。
第五部分消防措施危险特性:易燃,其蒸气与空气可形成爆炸性混合物,遇明火、高热能引起燃烧爆炸。
与氧化剂接触猛烈反应。
蒸气比空气重,沿地面扩散并易积存于低洼处,遇火源会着火回燃。
有害燃烧产物:一氧化碳。
灭火方法:用泡沫、二氧化碳、干粉、砂土灭火。
灭火注意事项及措施:消防人员必须佩戴空气呼吸器、穿全身防火防毒服,在上风向灭火。
尽可能将容器从火场移至空旷处。
喷水保持火场容器冷却,直至灭火结束。
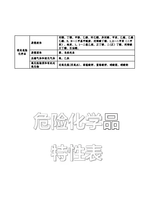
危险化学品特性表(自制) 危险化学品特性表(自制)错误!未定义书签。
(1)丙烯酸3(2)甲酸4(3)氢氟酸5(1)N,N—二甲基甲酰胺6(2)丙烯酸丁酯7(1)萘8(2)乌洛托品9(1)氯酸钠10(2)亚硝酸钠11(1)四氯乙烯12(2)二氯甲烷133.1。
1.1丙酮143.1.1。
2—丁酮153.1.1。
3甲醇163.1.1.4乙醇173.1。
1.5 环己酮183.1.1.6异丙醇193.1.1。
7 甲苯203。
1.1.8 1,2—二甲苯213.1。
1。
9 乙醚223.1。
1。
10 乙酸乙酯233.1。
1。
11过氧化氢243。
1。
1.12高锰酸钾253.1.1。
13重铬酸钾263.1.1。
14硝酸银273。
1。
1.15苯酚283。
1.1。
16三氯甲烷293。
1。
1。
17四氯化碳303.1.1.18氢氧化铵水溶液313。
1.1。
19氢氧化钠323。
1。
1.20氢氧化钾333。
1。
1。
21甲醛343.1。
1。
22盐酸353。
1。
1。
23硝酸363.1。
1.24硫酸373.1.1.25 乙酸383。
1.1.26三氯乙酸393.1。
1。
27氢氟酸403.1。
1。
28次氯酸钠413.1。
1.29亚硫酸氢钠42(4)纯苯43(5)1,1-二氯乙烷44(7)正丁醇45(10)二(正)丁醚46(11)丙烯酸正丁酯47(4)冰醋酸48三氯乙醛49硝酸钠50连二亚硫酸钠51石油醚52对二甲苯53氧54乙炔55⑺乙酸酐56⑻2-丁酮57(1)丙烯酸(1)N,N—二甲基甲酰胺(5)1,1—二氯乙烷(4)冰醋酸三氯乙醛硝酸钠。
危险化学品特性表危险化学品是指在生产、储存、使用或运输过程中,具有毒性、腐蚀性、易燃性、爆炸性等性质,在一定条件下容易造成人身伤害、财产损失和环境污染的物质。
了解不同种类危险化学品的特性,可以有效地控制危险物品的使用和管理,确保工作场所和环境的安全。
下面是一份危险化学品特性表,罗列了常见危险化学品的物理和化学性质、危险性质、防护措施等信息,以供参考。
危险化学品特性表1. 氨气物理和化学性质危险性质防护措施无色气体,有刺激性气味;熔点:-77.7°C,沸点:-33.4°C;易溶于水并产生碱性溶液。
强烈的刺激性,吸入时会对眼睛、呼吸系统和皮肤产生刺激和伤害;在空气中形成易爆的混合物,火源会引起爆炸。
使用气体检测仪进行检查,佩戴呼吸器和防毒面具;防护服应为防胆碱酯酶拮抗剂,避免与有机化合物接触。
2. 液氨物理和化学性质危险性质防护措施无色液体,有刺激性气味;熔点:-强烈的腐蚀性,吸入、食入或接触皮肤时会对佩戴防护手套、防护服和呼吸器,避免与物理和化学性质危险性质防护措施77.7°C,沸点:-33.4°C;易溶于水并产生碱性溶液。
眼睛、呼吸系统和皮肤造成刺激和伤害;在空气中形成易爆的混合物。
有机化合物接触;处理液氨时,必须使用特殊压力容器。
3. 有机硅物理和化学性质危险性质防护措施无色透明或乳白色液体,有特殊气味;不溶于水,易溶于有机溶剂,易燃。
具有毒性和腐蚀性,吸入或接触皮肤时会对人体造成刺激和伤害;具有易燃性。
佩戴防护手套、防护服和呼吸器,保持通风良好;在储存、使用和运输有机硅时,必须采取安全防范措施。
4. 醋酸物理和化学性质危险性质防护措施无色液体,有刺激性气味;熔点:16.7°C,沸点:118°C;易溶于水。
具有腐蚀性和刺激性,吸入或接触皮肤、眼睛和呼吸系统时会对人体造成刺激和伤害;易与一些物质发生反应,产生危险的化学反应。
佩戴防护手套、防护服和呼吸器,保持通风良好;处理醋酸时,必须使用化学手套、安全眼镜等防护措施。
危险化学品物理特性表⽬录莠灭净的理化性质及危险特性表 (1)甲基丙烯酸的理化性质及危险特性表 (2)丙烯酰胺的理化性质及危险特性表 (3)液化⽯油⽓的理化性质及危险特性表 (4)镁粉的理化性质及危险特性表 (5)铜粉的理化性质及危险特性表 (6)间氨基苯酚的理化性质及危险特性表 (7)碳酸⼆甲酯的理化性质及危险特性表 (8)镍的理化性质及危险特性表 (9)丙烷的理化性质及危险特性表 (10)丙烯的理化性质及危险特性表 (11)氦的理化性质及危险特性表 (12)氩的理化性质及危险特性表 (13)汽油的理化性质及危险特性表 (14)邻氯硝基苯的理化性质及危险特性表 (15)渣油的理化性质及危险特性表 (16)沥青的理化性质及危险特性表 (17)硫酸氢钠的理化性质及危险特性表 (18)⼆氧化碳的理化性质及危险特性表 (19)硬脂酸钙的理化性质及危险特性表 (20)⾼密度聚⼄烯的理化性质及危险特性表 (21)⼄腈的理化性质及危险特性表 (22)尿素的理化性质和危险特性表 (23)对甲苯磺酰氯的理化性质及危险特性表 (24)正戊醇的理化性质及危险特性表 (25)⽩磷的理化性质及危险特性表 (26)红磷的理化性质及危险特性表 (27)三⼄胺的理化性质及危险特性表 (28)叔丁醇的理化性质及危险特性表 (29)邻氨基苯酚的理化性质及危险特性表 (30)异丁酸的理化性质及危险特性表 (31)苯磺酰氯的理化性质及危险特性表 (37)硫酸铜的理化性质及危险特性表 (38)⼆氯甲烷的理化性质及危险特性表 (39)顺丁烯⼆酸酐的理化性质及危险特性表 (40)⼀甲胺(⽆⽔)的理化性质及危险特性表 (41)丁⼆酰亚胺的理化性质及危险特性表 (42)氧氯化铜的理化性质及危险特性表 (43)丙烯腈的理化性质及危险特性表 (47)丙烯酸⼄酯的理化性质及危险特性表 (48)丙烯酸的理化性质及危险特性表 (49)邻⼆甲苯的理化性质及危险特性表 (50)间⼆甲苯的理化性质及危险特性表 (51)对⼆甲苯的理化性质及危险特性表 (52)莠去津的理化性质及危险特性表 (53)铝粉的理化性质及危险特性表 (54)⼆氯化铜的理化性质及危险特性表 (55)2,4-⼆氨基甲苯的理化性质及危险特性表 (56)甲醚的理化性质及危险特性表 (57)甲硫醇的理化性质及危险特性表 (58)⼄烯的理化性质及危险特性表 (59)硫酸钠的理化性质及危险特性表 (60)甲醇钠的理化性质及危险特性表 (61)亚硫酸钠的理化性质及危险特性表 (62)氟乐灵的理化性质及危险特性表 (63)甲苯的理化性质及危险特性表 (64)苯⼄烯的理化性质及危险特性表 (65)氯化苄的理化性质及危险特性表 (66)煤焦油的理化性质及危险特性表 (67)苯的理化性质及危险特性表 (68)甲醇的理化性质及危险特性表 (69)盐酸的理化性质及危险特性表 (75)三氯化铁的理化性质及危险特性表 (76)硫酸的理化性质及危险特性表 (77)氢氧化钠的理化性质及危险特性表 (78)⼆氯化苄的理化性质及危险特性表 (79)碳酸氢铵的理化性质及危险特性表 (80)氢氧化钾的理化性质及危险特性表 (81)氯化铝(⽆⽔)的理化性质及危险特性表 (82)氨⽓的理化性质及危险特性表 (83)⼆氧化硫的理化性质和危险特性表 (84)三氧化硫的理化性质和危险特性表 (85)氯化氢的理化性质及危险特性表 (86)氟化硅的理化性质及危险特性表 (87)氟化氢的理化性质及危险特性表 (88)磷酸的理化性质及危险特性表 (89)硫磺的理化性质及危险特性表 (93)丙酮的理化性质及危险特性表 (94)⼄酸⼄酯的理化性质及危险特性表 (95)N,N-⼆甲基甲酰胺的理化性质及危险特性表 (96)环⼰酮的理化性质及危险特性表 (97)⼄醚的理化性质及危险特性表 (98)重铬酸钾的理化性质及危险特性表 (99)过氧化钠的理化性质及危险特性表 (100)硝酸银的理化性质及危险特性表 (101)氨⽔的理化性质及危险特性表 (102)环氧树脂的理化性质及危险特性表 (103)硝酸钡的理化性质及危险特性表 (104)碳酸钡的理化性质及危险特性表 (105)⼆氧化氯的理化性质及危险特性表 (106)⽯油焦油的理化性质及危险特性表 (107)仲⾟醇的理化性质及危险特性表 (111)甲醛的理化性质及危险特性表 (112)氧⽓的理化性质及危险特性表 (113)炭⿊的理化性质及危险特性表 (114)正⼰烷的理化性质及危险特性表 (115)亚硝酸钠的理化性质及危险特性表 (116)硝酸钾的理化性质及危险特性表 (117)乌洛托品的理化性质及危险特性表 (118)电⽯的理化性质及危险特性表 (119)氟利昂-143的理化性质及危险特性表 (120)氟利昂-21的理化性质及危险特性表 (121)氟利昂-22的理化性质及危险特性表 (122)氟利昂-115的理化性质及危险特性表 (123)氟利昂-113的理化性质及危险特性表 (124)溴素的理化性质及危险特性表 (125)苯⼄烯的理化性质及危险特性表 (126)⾟硫磷的理化性质及危险特性表 (127)氰戊菊酯的理化性质及危险特性表 (128)马拉硫磷的理化性质及危险特性表 (129)毒死蜱的理化性质及危险特性表 (130)甲基硫菌灵的理化性质及危险特性表 (131)氯氰菊酯的理化性质及危险特性表 (132)三氟氯氰菊酯的理化性质及危险特性表 (133)环烷酸锌的理化性质及危险特性表 (134)硫化钠的理化性质及危险特性表 (135)四氯化碳的理化性质及危险特性表 (139)保险粉的理化性质及危险特性表 (140)过氧化氢的理化性质及危险特性表 (141)⼄酸酐的理化性质及危险特性表 (142)4-氟苯胺的理化性质及危险特性表 (143)硝酸钠的理化性质及危险特性表 (144)2-丁酮的理化性质及危险特性表 (145)三氧化铬(铬酸酐)的理化性质及危险特性表 (149)氯化钡的理化性质及危险特性表 (150)重铬酸钠(红矾钠)的理化性质及危险特性表 (151)⽔合肼的理化性质及危险特性表 (152)硫氢化钠的理化性质及危险特性表 (153)⼆硫化碳的理化性质及危险特性表 (154)五硫化⼆磷的理化性质及危险特性表 (155)⼆溴甲烷的理化性质及危险特性表 (156)氯溴甲烷的理化性质及危险特性表 (157)硫化氢的理化性质及危险特性表 (158)溴化氢的理化性质及危险特性表 (159)磷化氢的理化性质及危险特性表 (160)氯⽓的理化性质及危险特性表 (161)巯基⼄酸的理化性质及危险特性表 (162)氯⼄酸钠的理化性质及危险特性表 (163)氯⼄酸的理化性质及危险特性表 (164)⼆氯异氰尿酸钠的理化性质及危险特性表 (165)⼄⼆醇的理化性质及危险特性表 (166)正丙醇的理化性质及危险特性表 (167)丙⼆醇的理化性质及危险特性表 (168)硝酸的理化性质及危险特性表 (169)吡啶的理化性质及危险特性表 (170)2-甲基吡啶的理化性质及危险特性表 (171)3-甲基吡啶的理化性质及危险特性表 (172)⼄醛的理化性质及危险特性表 (173)氮的理化性质及危险特性表 (174)润滑油的理化性质及危险特性表 (175)正庚烷的理化性质及危险特性表 (176)均三甲苯的理化性质及危险特性表 (177)硝酸铵的理化性质及危险特性表 (178)⾼锰酸钾的理化性质及危险特性表 (179)氯甲酸⼄酯的理化性质及危险特性表 (180)锌粉的理化性质和危险特性表 (187)⼄胺的理化性质和危险特性表 (188)异丙胺的理化性质和危险特性表 (189)⼄醇的理化性质及危险特性表 (190)磷酸三⼄酯的理化性质及危险特性表 (191)2-氨基-5-硝基苯酚的理化性质及危险特性表 (192)⼄苯的理化性质及危险特性表 (193)碳酸钠的理化性质及危险特性表 (194)氯甲烷的理化性质及危险特性表 (195)2-硝基⼄苯的理化性质及危险特性表 (196)4-硝基⼄苯的理化性质及危险特性表 (197)对硝基苯甲酸的理化性质及危险特性表 (198)氯化铵的理化性质及危险特性表 (199)氯⼄酸甲酯的理化性质及危险特性表 (200)氯酸钠的理化性质及危险特性表 (201)β-萘酚的理化性质及危险特性表 (202)对硝基苯胺的理化性质及危险特性表 (203)2,4-⼆硝基氯苯的理化性质及危险特性表 (204) 2,4-⼆硝基苯胺的理化性质及危险特性表 (205) 2,6-⼆硝基苯胺的理化性质及危险特性表 (206) 3,5-⼆硝基苯胺的理化性质及危险特性表 (207)溴酸钠的理化性质及危险特性表 (208)氨溶液的理化性质及危险特性表 (209)溴⼄烷的理化性质及危险特性表 (210)氢⽓的理化性质⼀览表 (211)噻吩的理化性质和危险特性表 (212)四氢呋喃的理化性质和危险特性表 (213)环氧⼄烷的理化性质和危险特性表 (214)多聚磷酸的理化性质和危险特性表 (215)氢溴酸的理化性质和危险特性表 (216)氯化亚砜的理化性质和危险特性表 (217)氰化亚铜的理化性质和危险特性表 (218)N,N-⼆甲基甲酰胺的理化性质和危险特性表 (222)三氯氧磷的理化性质和危险特性表 (223)硫酸⼆甲酯的理化性质和危险特性表 (224)氰化钾的理化性质和危险特性表 (225)氰化钠的理化性质和危险特性表 (226)莠灭净的理化性质及危险特性表镍的理化性质及危险特性表丙烷的理化性质及危险特性表氦的理化性质及危险特性表。
目录莠灭净的理化性质及危险特性表 (1)甲基丙烯酸的理化性质及危险特性表 (2)丙烯酰胺的理化性质及危险特性表 (3)液化石油气的理化性质及危险特性表 (4)镁粉的理化性质及危险特性表 (5)铜粉的理化性质及危险特性表 (6)间氨基苯酚的理化性质及危险特性表 (7)碳酸二甲酯的理化性质及危险特性表 (8)镍的理化性质及危险特性表 (9)丙烷的理化性质及危险特性表 (10)丙烯的理化性质及危险特性表 (11)氦的理化性质及危险特性表 (12)氩的理化性质及危险特性表 (13)汽油的理化性质及危险特性表 (14)邻氯硝基苯的理化性质及危险特性表 (15)渣油的理化性质及危险特性表 (16)沥青的理化性质及危险特性表 (17)硫酸氢钠的理化性质及危险特性表 (18)二氧化碳的理化性质及危险特性表 (19)硬脂酸钙的理化性质及危险特性表 (20)高密度聚乙烯的理化性质及危险特性表 (21)乙腈的理化性质及危险特性表 (22)尿素的理化性质和危险特性表 (23)对甲苯磺酰氯的理化性质及危险特性表 (24)正戊醇的理化性质及危险特性表 (25)白磷的理化性质及危险特性表 (26)红磷的理化性质及危险特性表 (27)三乙胺的理化性质及危险特性表 (28)叔丁醇的理化性质及危险特性表 (29)邻氨基苯酚的理化性质及危险特性表 (30)异丁酸的理化性质及危险特性表 (31)亚磷酸三乙酯的理化性质及危险特性表 (32)碳酸钾的理化性质及危险特性表 (33)三氯化氮的理化性质及危险特性表 (34)草酰氯的理化性质及危险特性表 (35)五氧化二磷的理化性质及危险特性表 (36)苯磺酰氯的理化性质及危险特性表 (37)硫酸铜的理化性质及危险特性表 (38)二氯甲烷的理化性质及危险特性表 (39)顺丁烯二酸酐的理化性质及危险特性表 (40)一甲胺(无水)的理化性质及危险特性表 (41)丁二酰亚胺的理化性质及危险特性表 (42)氧氯化铜的理化性质及危险特性表 (43)丙烯腈的理化性质及危险特性表 (47)丙烯酸乙酯的理化性质及危险特性表 (48)丙烯酸的理化性质及危险特性表 (49)邻二甲苯的理化性质及危险特性表 (50)间二甲苯的理化性质及危险特性表 (51)对二甲苯的理化性质及危险特性表 (52)莠去津的理化性质及危险特性表 (53)铝粉的理化性质及危险特性表 (54)二氯化铜的理化性质及危险特性表 (55)2,4-二氨基甲苯的理化性质及危险特性表 (56)甲醚的理化性质及危险特性表 (57)甲硫醇的理化性质及危险特性表 (58)乙烯的理化性质及危险特性表 (59)硫酸钠的理化性质及危险特性表 (60)甲醇钠的理化性质及危险特性表 (61)亚硫酸钠的理化性质及危险特性表 (62)氟乐灵的理化性质及危险特性表 (63)甲苯的理化性质及危险特性表 (64)苯乙烯的理化性质及危险特性表 (65)氯化苄的理化性质及危险特性表 (66)煤焦油的理化性质及危险特性表 (67)苯的理化性质及危险特性表 (68)甲醇的理化性质及危险特性表 (69)正丁醇的理化性质及危险特性表 (70)异丁醇的理化性质及危险特性表 (71)异丙醇的理化性质及危险特性表 (72)丁酮的理化性质及危险特性表 (73)乙酸丁酯的理化性质及危险特性表 (74)盐酸的理化性质及危险特性表 (75)三氯化铁的理化性质及危险特性表 (76)硫酸的理化性质及危险特性表 (77)氢氧化钠的理化性质及危险特性表 (78)二氯化苄的理化性质及危险特性表 (79)碳酸氢铵的理化性质及危险特性表 (80)氢氧化钾的理化性质及危险特性表 (81)氯化铝(无水)的理化性质及危险特性表 (82)氨气的理化性质及危险特性表 (83)二氧化硫的理化性质和危险特性表 (84)三氧化硫的理化性质和危险特性表 (85)氯化氢的理化性质及危险特性表 (86)氟化硅的理化性质及危险特性表 (87)氟化氢的理化性质及危险特性表 (88)磷酸的理化性质及危险特性表 (89)硫磺的理化性质及危险特性表 (93)丙酮的理化性质及危险特性表 (94)乙酸乙酯的理化性质及危险特性表 (95)N,N-二甲基甲酰胺的理化性质及危险特性表 (96)环己酮的理化性质及危险特性表 (97)乙醚的理化性质及危险特性表 (98)重铬酸钾的理化性质及危险特性表 (99)过氧化钠的理化性质及危险特性表 (100)硝酸银的理化性质及危险特性表 (101)氨水的理化性质及危险特性表 (102)环氧树脂的理化性质及危险特性表 (103)硝酸钡的理化性质及危险特性表 (104)碳酸钡的理化性质及危险特性表 (105)二氧化氯的理化性质及危险特性表 (106)石油焦油的理化性质及危险特性表 (107)苯酚的理化性质及危险特性表 (108)正辛醇的理化性质及危险特性表 (109)异辛醇的理化性质及危险特性表 (110)仲辛醇的理化性质及危险特性表 (111)甲醛的理化性质及危险特性表 (112)氧气的理化性质及危险特性表 (113)炭黑的理化性质及危险特性表 (114)正己烷的理化性质及危险特性表 (115)亚硝酸钠的理化性质及危险特性表 (116)硝酸钾的理化性质及危险特性表 (117)乌洛托品的理化性质及危险特性表 (118)电石的理化性质及危险特性表 (119)氟利昂-143的理化性质及危险特性表 (120)氟利昂-21的理化性质及危险特性表 (121)氟利昂-22的理化性质及危险特性表 (122)氟利昂-115的理化性质及危险特性表 (123)氟利昂-113的理化性质及危险特性表 (124)溴素的理化性质及危险特性表 (125)苯乙烯的理化性质及危险特性表 (126)辛硫磷的理化性质及危险特性表 (127)氰戊菊酯的理化性质及危险特性表 (128)马拉硫磷的理化性质及危险特性表 (129)毒死蜱的理化性质及危险特性表 (130)甲基硫菌灵的理化性质及危险特性表 (131)氯氰菊酯的理化性质及危险特性表 (132)三氟氯氰菊酯的理化性质及危险特性表 (133)环烷酸锌的理化性质及危险特性表 (134)硫化钠的理化性质及危险特性表 (135)四氯化碳的理化性质及危险特性表 (139)保险粉的理化性质及危险特性表 (140)过氧化氢的理化性质及危险特性表 (141)乙酸酐的理化性质及危险特性表 (142)4-氟苯胺的理化性质及危险特性表 (143)硝酸钠的理化性质及危险特性表 (144)2-丁酮的理化性质及危险特性表 (145)二氯甲烷的理化性质及危险特性表 (146)哌啶的理化性质及危险特性表 (147)三氯甲烷的理化性质及危险特性表 (148)三氧化铬(铬酸酐)的理化性质及危险特性表 (149)氯化钡的理化性质及危险特性表 (150)重铬酸钠(红矾钠)的理化性质及危险特性表 (151)水合肼的理化性质及危险特性表 (152)硫氢化钠的理化性质及危险特性表 (153)二硫化碳的理化性质及危险特性表 (154)五硫化二磷的理化性质及危险特性表 (155)二溴甲烷的理化性质及危险特性表 (156)氯溴甲烷的理化性质及危险特性表 (157)硫化氢的理化性质及危险特性表 (158)溴化氢的理化性质及危险特性表 (159)磷化氢的理化性质及危险特性表 (160)氯气的理化性质及危险特性表 (161)巯基乙酸的理化性质及危险特性表 (162)氯乙酸钠的理化性质及危险特性表 (163)氯乙酸的理化性质及危险特性表 (164)二氯异氰尿酸钠的理化性质及危险特性表 (165)乙二醇的理化性质及危险特性表 (166)正丙醇的理化性质及危险特性表 (167)丙二醇的理化性质及危险特性表 (168)硝酸的理化性质及危险特性表 (169)吡啶的理化性质及危险特性表 (170)2-甲基吡啶的理化性质及危险特性表 (171)3-甲基吡啶的理化性质及危险特性表 (172)乙醛的理化性质及危险特性表 (173)氮的理化性质及危险特性表 (174)润滑油的理化性质及危险特性表 (175)正庚烷的理化性质及危险特性表 (176)均三甲苯的理化性质及危险特性表 (177)硝酸铵的理化性质及危险特性表 (178)高锰酸钾的理化性质及危险特性表 (179)氯甲酸乙酯的理化性质及危险特性表 (180)甲烷的理化性质及危险特性表 (181)五氧化二磷的理化性质及危险特性表 (185)氯化溴的理化性质和危险特性表 (186)锌粉的理化性质和危险特性表 (187)乙胺的理化性质和危险特性表 (188)异丙胺的理化性质和危险特性表 (189)乙醇的理化性质及危险特性表 (190)磷酸三乙酯的理化性质及危险特性表 (191)2-氨基-5-硝基苯酚的理化性质及危险特性表 (192)乙苯的理化性质及危险特性表 (193)碳酸钠的理化性质及危险特性表 (194)氯甲烷的理化性质及危险特性表 (195)2-硝基乙苯的理化性质及危险特性表 (196)4-硝基乙苯的理化性质及危险特性表 (197)对硝基苯甲酸的理化性质及危险特性表 (198)氯化铵的理化性质及危险特性表 (199)氯乙酸甲酯的理化性质及危险特性表 (200)氯酸钠的理化性质及危险特性表 (201)β-萘酚的理化性质及危险特性表 (202)对硝基苯胺的理化性质及危险特性表 (203)2,4-二硝基氯苯的理化性质及危险特性表 (204)2,4-二硝基苯胺的理化性质及危险特性表 (205)2,6-二硝基苯胺的理化性质及危险特性表 (206)3,5-二硝基苯胺的理化性质及危险特性表 (207)溴酸钠的理化性质及危险特性表 (208)氨溶液的理化性质及危险特性表 (209)溴乙烷的理化性质及危险特性表 (210)氢气的理化性质一览表 (211)噻吩的理化性质和危险特性表 (213)四氢呋喃的理化性质和危险特性表 (214)环氧乙烷的理化性质和危险特性表 (215)多聚磷酸的理化性质和危险特性表 (217)氢溴酸的理化性质和危险特性表 (219)氯化亚砜的理化性质和危险特性表 (220)氰化亚铜的理化性质和危险特性表 (221)3-氯丙烯的理化性质和危险特性表 (222)邻苯二甲酸酐的理化性质和危险特性表 (223)次氯酸钠的理化性质和危险特性表 (224)N,N-二甲基甲酰胺的理化性质和危险特性表 (225)三氯氧磷的理化性质和危险特性表 (226)硫酸二甲酯的理化性质和危险特性表 (227)氰化钾的理化性质和危险特性表 (228)氰化钠的理化性质和危险特性表 (229)莠灭净的理化性质及危险特性表镁粉的理化性质及危险特性表铜粉的理化性质及危险特性表镍的理化性质及危险特性表丙烷的理化性质及危险特性表氦的理化性质及危险特性表邻氯硝基苯的理化性质及危险特性表高密度聚乙烯的理化性质及危险特性表对甲苯磺酰氯的理化性质及危险特性表正戊醇的理化性质及危险特性表白磷的理化性质及危险特性表红磷的理化性质及危险特性表叔丁醇的理化性质及危险特性表邻氨基苯酚的理化性质及危险特性表异丁酸的理化性质及危险特性表亚磷酸三乙酯的理化性质及危险特性表碳酸钾的理化性质及危险特性表三氯化氮的理化性质及危险特性表草酰氯的理化性质及危险特性表顺丁烯二酸酐的理化性质及危险特性表一甲胺(无水)的理化性质及危险特性表联苯-联苯醚的理化性质及危险特性表。
MSDS物质危险有害特性识别表184种简介MSDS 是化学品的材料安全数据表(Material Safety Data Sheet)的缩写。
在化学品的生产、储存、运输、使用等各个环节中,都需要进行化学品的危险特性识别和化腐朽为神奇的危险特性控制。
这是对人体、环境等各个方面都有利的工作,不能忽视。
在这篇文章中,将会介绍184种常见材料的 MSDS 物质危险有害特性。
MSDS物质危险有害特性识别表1. 乙醇•名称:乙醇•分子式:C2H5OH•相关标识码:601•特性描述:1.外观:为透明的、无色液体2.气味:有刺激性气味3.闪点:13°C4.相对密度:0.789 g/cm35.固化点:-114.1°C6.沸点:78°C•危害信息:1.对眼睛的危害:有刺激作用,接触后眼睛会感到疼痛、流泪等。
2.对皮肤的危害:会引起皮肤干燥、硬化。
3.对呼吸系统的危害:乙醇可以引起头晕、恶心、呕吐等症状。
4.环境危害:乙醇对环境有污染的作用,对空气、水、土壤均会产生一定的危害。
2. 硝酸•名称:硝酸•分子式:HNO3•相关标识码:3451•特性描述:1.外观:为无色至微黄色透明液体2.气味:有刺激性气味3.相对密度: 1.524.熔点: -42°C5.沸点: 83°C•危害信息:1.对眼睛的危害:硝酸有强烈的刺激作用,接触眼睛有较强的刺激性和腐蚀性,引起眼睛的损伤。
2.对皮肤的危害:硝酸有腐蚀性,并会引起皮肤损伤。
3.对呼吸系统的危害:硝酸可以通过呼吸道进入人体内部,引起喉咙疼痛、气喘和咳嗽等症状。
4.对环境的危害:硝酸可以污染水体,影响生物的生存环境。
3. 甲苯•名称:甲苯•分子式:C6H5CH3•相关标识码:1101•特性描述:1.外观:为无色透明液体2.沸点: 137°C3.熔点: -90°C4.相对密度:0.87035.气味:具有强烈的芳香气味。
表7.6-1苯的理化性质及危险特性表表7.6-7粗苯的理化性质及危险特性表表7.6-82-丁氧基乙醇的理化性质及危险特性表表7.6-111,4-二甲苯的理化性质和危险特性表表7.6-12二甲苯异构体混合物的理化性质及危险特性表表7.6-14 二甲醚的理化性质及危险特性表7.6-22 环辛烷的理化性质及危险特性表7.6-23 1,2-环氧丙烷的理化性质及危险特性表7.6-24 环氧乙烷的理化性质及危险特性表7.6-25甲苯的理化性质及危险特性表表7.6-26甲醇的理化性质及危险特性表表7.6-272-甲基-1-丙醇的理化性质及危险特性表表7.6-28 2-甲基-2-丙醇的理化性质及危险特性表7.6-29 2-甲基丁烷的理化性质及危险特性表7.6-30甲基叔丁基醚的理化性质及危险特性表表7.6-33 煤油的理化性质及危险特性表7.6-34 汽油的理化性质和危险特性表表7.6-35 柴油的理化性质和危险特性表表7.6-36 溶剂苯的理化性质及危险特性表7.6-37 溶剂油的理化性质及危险特性表7.6-381,2,3-三甲基苯的理化性质及危险特性表表7.6-41石脑油的理化性质及危险特性表表7.6-42石油醚的理化性质及危险特性表7.6-43 石油原油的理化性质及危险特性表7.6-44叔丁基苯的理化性质及危险特性表表7.6-451,2,4,5-四甲苯的理化性质及危险特性表表7.6-46松焦油的理化性质及危险特性表7.6-47 天然气的理化性质及危险特性表7.6-48 液化石油气的理化性质及危险特性表7.6-49乙苯的理化性质及危险特性表表7.6-50 异丁烯的理化性质及危险特性表7.6-51异辛烷的理化性质及危险特性。
危险化学品特性表(自制)危险化学品特性表(自制) (1)(1)丙烯酸 (4)(2)甲酸 (5)(3)氢氟酸 (6)(1)N,N-二甲基甲酰胺 (7)(2)乌洛托品 (10)(1)氯酸钠 (11)(2)亚硝酸钠 (12)(1)四氯乙烯 (13)(2)二氯甲烷 (14)3.1.1.1丙酮 (15)3.1.1.2-丁酮 (16)3.1.1.3甲醇 (17)3.1.1.4乙醇 (18)3.1.1.5 环己酮 (19)3.1.1.6异丙醇 (20)3.1.1.7 甲苯 (21)3.1.1.8 1,2-二甲苯 (22)3.1.1.9 乙醚 (23)3.1.1.10 乙酸乙酯 (24)3.1.1.11过氧化氢 (25)3.1.1.12高锰酸钾 (26)3.1.1.13重铬酸钾 (27)3.1.1.14硝酸银 (28)3.1.1.15苯酚 (29)3.1.1.16三氯甲烷 (30)3.1.1.17四氯化碳 (31)3.1.1.18氢氧化铵水溶液 (32)3.1.1.19氢氧化钠 (33)3.1.1.20氢氧化钾 (34)3.1.1.21甲醛 (35)3.1.1.22盐酸 (36)3.1.1.23硝酸 (37)3.1.1.24硫酸 (38)3.1.1.25 乙酸 (39)3.1.1.26三氯乙酸 (40)3.1.1.27氢氟酸 (41)3.1.1.28次氯酸钠 (42)3.1.1.29亚硫酸氢钠 (43)(4)纯苯 (44)(5)1,1-二氯乙烷 (45)(7)正丁醇 (46)(10)二(正)丁醚 (47)(11)丙烯酸正丁酯 (48)(4)冰醋酸 (49)三氯乙醛 (50)硝酸钠 (51)连二亚硫酸钠 (52)石油醚 (53)对二甲苯 (54)氧 (55)乙炔 (56)⑺乙酸酐 (57)⑻2-丁酮 (58)(1)丙烯酸(2)甲酸表3.1-4 N,N-二甲基甲酰胺简介表3.1-5丙烯酸丁酯简介表3.1-6萘简介(2)乌洛托品(7)正丁醇。
一理化及危险特性表1.1 理化及危险特性表一附表氨基磺酸的主要理化及危险特性表中文名:氨基磺酸;磺酰胺酸目录序号:25标分子式:分子量:CAS 号:5329-14-6识危险性类别:皮肤腐蚀/刺激,类别2;严重眼损伤/眼刺激,类别2;危害水生环境-长期危害,类别3。
性状:白色结晶体,无臭无味。
理溶解性:溶于水、液氨,不溶于乙醇、乙醚,微溶于甲醇。
化性质熔点(℃):200~205 沸点(℃):209 相对密度(水=1):2.15 燃烧热(kJ/mol ):无意义饱和蒸汽压(kPa):无资料相对密度(空气=1):3.3燃烧性:不燃,无特殊燃爆特性。
燃烧分解产物:氮氧化物、硫化物。
建规火险分级:无意义聚合危害:不聚合。
闪点(℃):无意义稳定性:稳定。
燃烧爆炸极限(V% ):无意义避免接触的条件:受热。
爆炸引燃温度(℃):无意义禁忌物:强氧化剂、强碱。
危险危险特性:受热分解,放出氮、硫的氧化物等毒性气体。
性消防措施:用雾状水、泡沫、二氧化碳、砂土灭火。
消防人员必须穿全身耐酸碱消防服、佩戴空气呼吸器灭火。
尽可能将容器从火场移至空旷处。
喷水保持火场容器冷却,直至灭火结束。
接触限值:中国TWA :未制定标准。
毒毒理资料:急性毒性:对兔眼有刺激作用,对哺乳动物的毒性比铵盐略高。
LD50:大鼠经性口LD 50(mg/kg): 3160;小鼠经口LD 50(mg/kg): 1312。
对人侵入途径:吸入、食入。
健康危害:吸入本品对上呼吸道有刺激作用。
皮肤或眼接触有强烈刺体危激性或造成灼伤。
口服灼伤口腔和消化道。
害皮肤接触:立即脱去污染的衣着,用大量流动清水冲洗20~30 分钟。
如有不适感,就医。
眼睛接触:立即提起眼睑,用大量流动清水或生理盐水彻底冲洗10~15 分钟。
如有不适感,急就医。
救吸入:迅速脱离现场至空气新鲜处。
保持呼吸道通畅。
如呼吸困难,给输氧。
呼吸、心跳停止,立即进行心肺复苏术。
就医。
食入:用水漱口,给饮牛奶或蛋清。
危险化学品特性表(自制)
危险化学品特性表(自制)1
(1)丙烯酸3
(2)甲酸4
(3)氢氟酸6
(1)N,N-二甲基甲酰胺7
(2)丙烯酸丁酯8
(1)萘10
(2)乌洛托品11
(1)氯酸钠13
(2)亚硝酸钠14
(1)四氯乙烯15
(2)二氯甲烷17
3.1.1.1丙酮18
3.1.1.2-丁酮20
3.1.1.3甲醇21
3.1.1.4乙醇23
3.1.1.5 环己酮24
3.1.1.6异丙醇25
3.1.1.7 甲苯27
3.1.1.8 1,2-二甲苯29 3.1.1.9 乙醚30
3.1.1.10 乙酸乙酯32
3.1.1.11过氧化氢33
3.1.1.12高锰酸钾35
3.1.1.13重铬酸钾36
3.1.1.14硝酸银38
3.1.1.15苯酚39
3.1.1.16三氯甲烷41
3.1.1.17四氯化碳42
3.1.1.18氢氧化铵水溶液44 3.1.1.19氢氧化钠45
3.1.1.20氢氧化钾46
3.1.1.21甲醛47
3.1.1.22盐酸49
3.1.1.23硝酸51
3.1.1.24硫酸52
3.1.1.25 乙酸54
3.1.1.26三氯乙酸56
3.1.1.27氢氟酸57
3.1.1.28次氯酸钠59
3.1.1.29亚硫酸氢钠60(4)纯苯62
(5)1,1-二氯乙烷63(7)正丁醇65
(10)二(正)丁醚66(11)丙烯酸正丁酯68(4)冰醋酸69
三氯乙醛70
硝酸钠72
连二亚硫酸钠73
石油醚74
对二甲苯76
氧77
乙炔78
⑺乙酸酐80
⑻2-丁酮81
(1)丙烯酸
表3.1-1 丙烯酸简介
(2)甲酸
表3.1-2甲酸简介
(3)氢氟酸
表3.1-3氢氟酸简介
(1)N,N-二甲基甲酰胺
表3.1-4N,N-二甲基甲酰胺简介
(2)丙烯酸丁酯
表3.1-5丙烯酸丁酯简介
(1)萘
表3.1-6萘简介
(2)乌洛托品
表3.1-7乌洛托品简介
(1)氯酸钠
表3.1-8氯酸钠简介
(2)亚硝酸钠
表3.1-9亚硝酸钠简介
(1)四氯乙烯
表3.1-10四氯乙烯简介
(2)二氯甲烷
表3.1-11二氯甲烷简介
3.1.1.1丙酮
3.1.1.2-丁酮
3.1.1.3甲醇
3.1.1.4乙醇
3.1.1.5 环己酮
3.1.1.6异丙醇
3.1.1.7 甲苯
3.1.1.8 1,2-二甲苯
3.1.1.9 乙醚
3.1.1.10 乙酸乙酯
3.1.1.11过氧化氢
3.1.1.12高锰酸钾
3.1.1.13重铬酸钾
3.1.1.14硝酸银
3.1.1.15苯酚
3.1.1.16三氯甲烷
3.1.1.17四氯化碳
3.1.1.18氢氧化铵水溶液
3.1.1.19氢氧化钠
3.1.1.20氢氧化钾
3.1.1.21甲醛
3.1.1.22盐酸。