管道支架的最大间距(大全)
- 格式:doc
- 大小:364.50 KB
- 文档页数:26
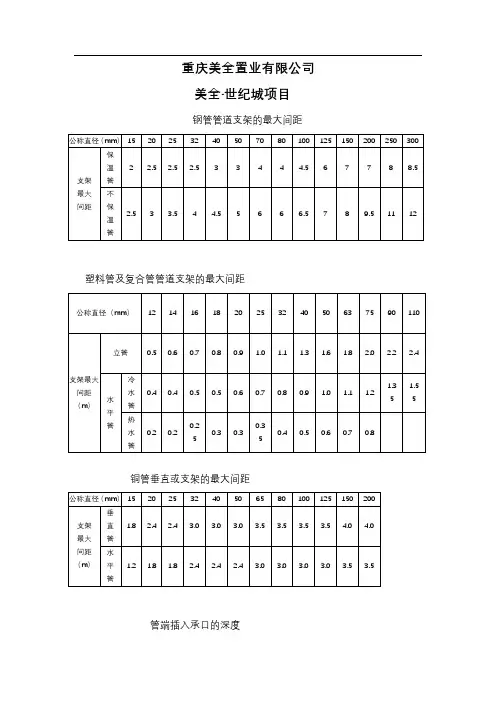
重庆美全置业有限公司美全·世纪城项目钢管管道支架的最大间距塑料管及复合管管道支架的最大间距铜管垂直或支架的最大间距管端插入承口的深度排水塑料管道支吊架最大间距(单位:m)室内排水和雨水管道安装的允许偏差和检验方法地下埋设雨水排水管道的最小坡度悬吊管检查口间距。
钢管管道焊口允许偏差和检验方法太阳能热水器安装的允许偏差和检验方法卫生器具的安装高度卫生器具给水配件的安装高度卫生器具安装的允许偏差和检验方法卫生器具给水配件安装标高的允许偏差和检验方法卫生器具排水管道安装的允许偏差及检验方法连接卫生器具的排水管道管径和最小坡度采暖管道安装的允许偏差应符合表8.2.18的规定。
注:D max,D min分别为管子最大外径及最小外径组对后的散热器平直度允许偏差散热器支架、托架数量散热器安装允许偏差和检验方法管道防腐层种类室外给水管道的允许偏差和检验方法铸铁管承插捻口的对口最大间隙铸铁管承插捻口的环型间隙橡胶圈接口最大允许偏转角检验方法:观察和尺量检查。
室外排水管道安装的允许偏差和检验方法室外供热管道安装的允许偏差和检验方法锅炉辅助设备基础的允许偏差检验方法水压试验压力规定锅炉安装的允许偏差检验方法组装链条炉排安装允许偏差和检验方法往复炉排安装的允许偏差检验方法锅炉辅助设备安装允许偏差和检验方法13.3.11 连接锅炉及辅助设备的工艺管道安装的允许偏差工艺管道安装的允许偏差和检验方法安全阀定压规定建筑给水排水及采暖工程分部、分项工程划分建筑给水排水及采暖工程的分部、子分部分项工程可按附表A划分。
附表A 建筑给水、排水采暖工程分部、分项工程划分表附表B 检验批质量验收检验批质量验收表由施工单位项目专业质量检查员填写,监理工程师(建设单位项目专业技术负责为)组织施工单位质量(技术)负责为等进行验收,并按附表B填写验收结论。
附表B 检验批质量验收表附录C 分项工程质量质量验收分项工程的质量验收由监理工程师(建设单位项目专业技术负责人)组织施工单位工项目专业质量(技术)负责人等进行验收,并按附表C填写。
不同材质的管道,需要不同的支架支撑,钢管需要型钢支架,塑料管需要塑 料管夹,工程量计算也不同。
塑料管管夹
塑料管支架间距表
型钢支架
管道支架按安装形式一般有:立管支架、水平管支架、吊架。
立管支架数量的确定,分不同管径计算。
楼层层高W 4m 时,每层设一个; 楼层层高>4m 寸,每层不得少于两个。
水平管支架数量的确定,分不同管径计算;单管吊架数量,同水平管支架数量的计算公式。
曰 某规格管子的
长度
支架数量 =一
该管子的最大支架间距。
重庆美全置业有限公司美全·世纪城项目钢管管道支架的最大间距塑料管及复合管管道支架的最大间距铜管垂直或支架的最大间距管端插入承口的深度排水塑料管道支吊架最大间距(单位:m)室内排水和雨水管道安装的允许偏差和检验方法地下埋设雨水排水管道的最小坡度悬吊管检查口间距。
钢管管道焊口允许偏差和检验方法太阳能热水器安装的允许偏差和检验方法卫生器具的安装高度卫生器具给水配件的安装高度卫生器具安装的允许偏差和检验方法卫生器具给水配件安装标高的允许偏差和检验方法卫生器具排水管道安装的允许偏差及检验方法连接卫生器具的排水管道管径和最小坡度采暖管道安装的允许偏差应符合表8.2.18的规定。
注:D max,D min分别为管子最大外径及最小外径组对后的散热器平直度允许偏差散热器支架、托架数量散热器安装允许偏差和检验方法管道防腐层种类室外给水管道的允许偏差和检验方法铸铁管承插捻口的对口最大间隙铸铁管承插捻口的环型间隙橡胶圈接口最大允许偏转角检验方法:观察和尺量检查。
室外排水管道安装的允许偏差和检验方法室外供热管道安装的允许偏差和检验方法锅炉辅助设备基础的允许偏差检验方法水压试验压力规定锅炉安装的允许偏差检验方法组装链条炉排安装允许偏差和检验方法往复炉排安装的允许偏差检验方法锅炉辅助设备安装允许偏差和检验方法13.3.11连接锅炉及辅助设备的工艺管道安装的允许偏差工艺管道安装的允许偏差和检验方法安全阀定压规定建筑给水排水及采暖工程分部、分项工程划分建筑给水排水及采暖工程的分部、子分部分项工程可按附表A划分。
附表A建筑给水、排水采暖工程分部、分项工程划分表附表B检验批质量验收检验批质量验收表由施工单位项目专业质量检查员填写,监理工程师(建设单位项目专业技术负责为)组织施工单位质量(技术)负责为等进行验收,并按附表B填写验收结论。
附表B检验批质量验收表附录C分项工程质量质量验收分项工程的质量验收由监理工程师(建设单位项目专业技术负责人)组织施工单位工项目专业质量(技术)负责人等进行验收,并按附表C填写。
钢管管道支架的最大间距
塑料管及复合管管道支架的最大间距
铜管管道支架的最大间距
自动喷水系统(喷淋管道)钢管支架的最大间距 (同1)
1、管道支架、吊架、防晃支架的型式、材质、加式尺寸及焊接质量应符合设计要求和国家现行标准的规定。
2、配水支管上每一直管段、相邻两喷头之间的管段上设置的吊架均不宜少于1个;当喷头之间距离小于1.8m时,可隔断设置吊架,但吊架的间距不宜大于3.6m。
3、管道支吊架安装位置不应妨碍喷头的喷水效果;管道支吊架与喷头之间的距离不宜小于300mm;与末端喷头之间的距离不宜大于750mm
4、当管子的公称直径等于或大于50时,每段配水干管或配水管设置防晃支架不应少于1个;当管道改变方向时,应增防晃支架。
竖直安装的配水干管应在其始端和终端高防晃支架或采用管卡固定。
其安装位置距地或楼面的距离为
1.5~1.8m。
给水给排水管道支吊架规范
1、钢管管道支架的最大间距
公称直径(mm) 15 20 25 32 40 50 70 80 100 125 150 200 250 300
支架最大间距保温管 2 2.5 2.5 2.5 3 3 4 4 4.5 6 7 7 8 8.5
不保温管 2.5 3 3.5 4 4.5 5 6 6 6.5 7 8 9.5 11 12
2、塑料管及复合管管道支架的最大间距
公称直径(mm) 12 14 16 18 20 25 32 40 50 63 75 90 110
支架最大间距立管 0.5 0.6 0.7 0.8 0.9 1.0 1.1 1.3 1.6 1.8 2.0 2.2 2.4
水平管冷水管 0.4 0.4 0.5 0.5 0.6 0.7 0.8 0.9 1.0 1.1 1.2 1.35 1.55
水平管热水管 0.2 0.2 0.25 0.3 0.3 0.35 0.4 0.5 0.6 0.7 0.8 3 3
3、铜管垂直水平安装的支架间距
公称直径(mm) 15 20 25 32 40 50 65 80 100 125 150 200
支架最大间距垂直管 1.8 2.4 2.4 3.0 3.0 3.0 3.5 3.5 3.5 3.5 4 4水平管 1.2 1.8 1.8 2.4 2.4 2.4 3.0 3.0 3.0 3.0 3.5 3.5
采暖,给水及热水供应系统的金属管道立管管卡安装应符合下列规定:
1、楼层高度小于或等于5m,每层必须安装1个。
2、楼层高度大于5m,每层不得少于2个。
3、管卡安装高度,距地面应为1.5~1.8m,2个以上管卡应匀称安装,同一房间管卡应安装在同一高度上。
钢管管道支架最大间距公称管径15 20 25 32 40 50 70 80 100 125 150 200 250 300保温管 2 2.5 2.5 2.5 3 3 4 4 4.5 6 7 7 8 8.5不保温管2.5 3 3.25 4 4.5 5 6 6 6.5 7 8 9.5 11 12薄壁不锈钢管的支吊架间距(M)不得大于下表公称直径10~15 20~25 32~40 50~65水平管 1.0 1.5 2.0 2.5力管 1.5 2.0 2.5 3.0钢塑复合管采用沟槽连接时,管道支架间距不的大于下表管径65~100 125~200 250~315最大支承间距 3.5 4.2 5.0塑料管,复合管支吊架间距一般不大于下表管径12 14 16 18 20 25 32 40 50 63 75 90 110立管0.5 0.6 0.7 0.8 0.9 1.0 1.1 1.3 1.6 1.8 2.0 2.2 2.4水平管0.4 0.4 0.5 0.5 0.6 0.7 0.8 0.9 1.0 1.1 1.2 1.35 1.55硬聚氯乙烯(PVC-U)管道的支架间距按下表外径20 25 32 40 50 63 75 90 110立管 1.0 1.1 1.2 1.4 1.6 1.8 2.1 2.4 2.6横管0.6 0.65 0.7 0.9 1.0 1.2 1.3 1.45 1.6聚氯丙烯(PP-R)管道的支架间距按下表外径20 25 32 40 50 63 75 90 110立管 1.0 1.2 1.5 1.7 1.8 2.0 2.0 2.1 2.5横管0.65 0.80 0.95 1.10 1.25 1.40 1.50 1.60 1.90氯化聚氯乙烯管(PVC-C)支吊架间距公称直径20 25 32 40 50 63 75 90 110 125 140 160 立管 1.0 1.1 1.2 1.4 1.6 1.8 2.1 2.4 2.7 3.0 3.4 3.8 横管0.8 0.8 0.85 1.0 1.2 1.4 1.5 1.6 1.7 1.8 2.0 2.0交联聚乙烯管(PEX)的支吊架间距管径20 15 32 40 50 63立管0.8 0.9 1.0 1.3 1.6 1.8横管0.6 0.7 0.8 1.0 1.2 1.4铝塑复合管支吊架间距公称外径12 14 16 18 20 25 32 40 50 63 75立管0.50 0.60 0.70 0.80 0.90 1.00 1.10 1.30 1.60 1.80 2.00横管0.40 0.40 0.50 0.50 0.60 0.70 0.80 1.00 1.20 1.40 1.60铜管管道支架间距不得大于下表公称直径15 20 25 32 40 50 65 80 100 125 150 200 立管 1.8 2.4 2.4 3.0 3.0 3.0 3.5 3.5 3.5 3.5 4.0 4.0 横管 1.2 1.8 1.8 2.4 2.4 2.4 3.0 3.0 3.0 3.0 3.5 3.5。
钢管管道支架的最大间距
塑料管及复合管管道支架的最大间距
铜管管道支架的最大间距
自动喷水系统(喷淋管道)钢管支架的最大间距 (同1)
1.5~1.8m 。
3、管道支吊架安装位置不应妨碍喷头的喷水效果;管道支吊架与喷头之间的距离不宜小于300mm;与末端喷头之间的
距离不宜大于750mm 4、当管子的公称直径等于或大于50时,每段配水干管或配水管设置防晃支架不应少于1个;当管道改变方向时,应增
防晃支架。
竖直安装的配水干管应在其始端和终端高防晃支架或采用管卡固定。
其安装位置距地或楼面的距离为1、管道支架、吊架、防晃支架的型式、材质、加式尺寸及焊接质量应符合设计要求和国家现行标准的规定。
2、配水支管上每一直管段、相邻两喷头之间的管段上设置的吊架均不宜少于1个;当喷头之间距离小于1.8m 时,可隔断
设置吊架,但吊架的间距不宜大于3.6m 。
钢管管道支架最大间距 公称管径 15 20 25 32 405070 80100125150 200 250 300保温管 2 2.5 2.5 2.5 3 3 4 4 4.5 6 7 7 8 8.5不保温管 2.5 3 3.25 4 4.5 5 6 6 6.57 8 9.5 11 12薄壁不锈钢管的支吊架间距(M)不得大于下表 公称直径 10~15 20~25 32~40 50~65水平管 1.0 1.5 2.0 2.5立管 1.5 2.0 2.5 3.0钢塑复合管采用沟槽连接时,管道支架间距不得大于下表 管径 65~100 125~200 250~315 最大支承间距 3.5 4.2 5.0塑料管,复合管支吊架间距一般不大于下表 管径 12 14 16 18 202532 40 50 63 75 90 110立管 0.5 0.6 0.7 0.8 0.9 1.0 1.1 1.3 1.6 1.8 2.0 2.2 2.4水平管 0.4 0.4 0.5 0.5 0.6 0.70.80.9 1.0 1.1 1.2 1.35 1.55硬聚氯乙烯(PVC-U)管道的支架间距按下表 外径 20 25 32 40 50 63 75 90 110立管 1.0 1.1 1.2 1.4 1.6 1.8 2.1 2.4 2.6横管 0.6 0.65 0.7 0.9 1.0 1.2 1.3 1.45 1.6 排水塑料管道支架的最大间距 m按下表 GB50242外径 50 63 75 90 110立管 1.2 1.5 2.0 2.0 2.0横管 0.5 0.75 1.1 1.3 1.6聚氯丙烯(PP-R)管道的支架间距按下表 外径 20 25 32 40 50 63 75 90 110 立管 1.0 1.2 1.5 1.7 1.8 2.0 2.0 2.1 2.5 横管 0.65 0.80 0.95 1.10 1.25 1.40 1.50 1.60 1.90氯化聚氯乙烯管(PVC-C)支吊架间距 公称直径 20 25 32 40 50 63 75 90 110125 140 160 立管 1.0 1.1 1.2 1.4 1.6 1.8 2.1 2.4 2.7 3.0 3.4 3.8 横管 0.8 0.80.85 1.0 1.2 1.4 1.5 1.6 1.7 1.8 2.0 2.0交联聚乙烯管(PEX)的支吊架间距 管径 20 15 32 40 50 63 立管 0.8 0.9 1.0 1.3 1.6 1.8 横管 0.6 0.7 0.8 1.0 1.2 1.4铝塑复合管支吊架间距 公称外径 12 14 16 18 20 253240 50 63 75 立管 0.50 0.60 0.70 0.800.90 1.00 1.10 1.30 1.60 1.80 2.00横管 0.40 0.40 0.50 0.500.600.700.80 1.00 1.20 1.40 1.60铜管管道支架间距不得大于下表 公称直径 15 20 25 32 40 50 65 80 100 125 150 200立管 1.8 2.4 2.4 3.0 3.0 3.0 3.5 3.5 3.5 3.5 4.0 4.0横管 1.2 1.8 1.8 2.4 2.4 2.4 3.0 3.0 3.0 3.0 3.5 3.5检查口(清扫口)或检查井的最大距离 DN() 50 75 90 110 125 160 距离(m) 10 12 12 15 20 20伸缩节最大允许伸缩量表DN(mm) 50 75 90 110 125 160 最大允许伸缩量(mm) 12 15 20 20 20 25PVC管道最大支撑间距(M M)表摘录于施工工艺悬吊横管 DN(MM) 立管 干管 支管 40 1500 80050 1500 100075 2000 150090 2000 1800110 2000 1100 2000125 2000 1250 2200160 2000 1600 2500生活污水塑料管标准坡度GB50242直径DN(MM) 标准坡度(‰) 最小坡度(‰) 50 25 1275 15 8110 12 6125 10 5160 7 4⑥HDPE管道焊接选择档位与电流 项目 管直径 挡位 电流范围 焊机 200~400 1(小) 12~16 PE—2004X 450~600 1(小) 16~25600~1000 2(大) 20~351100~2000 —— 26~40 PE—2002。
钢管水平安装的支、吊架间距不应大于表3.3.8的规定;
说明:3.3.8原规范第2.0.12条中保温管道支架间距根据调研及参考一些资料适当地放宽0.5m;
表3.3.8 钢管管道支架的最大间距公称直径mm
3.3.9 采暖、给水及热水供应系统的塑料管及复合管垂直或水平安装的支架间距应符合
表3.3.9的规定;采用金属制作的管道支架,应在管道与支架间加衬非金属垫或套管;
说明:3.3.9参考中国工程建设标准化协会标准、资料和有关省市规定编写;
3.3.10 铜管垂直水平安装的支架间距应符合表3.3.10的规定;
管径小于或等于100mm的镀锌钢管应采用螺纹连接,套丝扣时破坏的镀锌层表面外采用法兰或卡套式专用管件连接,镀锌钢管与法兰的焊接处应二次镀锌;
4.1.4 给水塑料管和复合管可以采用橡胶圈接口、粘接接口、热熔连接、专用管件的连接应使用专用管件连接,不得在塑料管上套丝;
4.1.5 给水铸铁连接可采用水泥捻口或橡胶圈接口方式进行连接;。
管道支架安装间距标准
管道支架安装间距标准
管道支架安装间距应根据管道直径、介质压力、支架类型、支撑方式、管道连接方式等多种因素来确定。
在设计和施工中,应参考相关国家和行业的标准规范,以确保管道系统的安全和稳定运行。
以下为一般情况下的管道支架安装间距标准:
1. 管道直径小于或等于50mm的,管道支架间距不超过1.5m。
2. 管道直径50mm~150mm的,支架间距不超过2m。
3. 管道直径150mm~300mm的,支架间距不超过2.5m。
4. 管道直径300mm~600mm的,支架间距不超过3m。
5. 管道直径大于600mm的,支架间距不超过3.5m。
需要注意的是,以上的安装间距标准仅供参考,在设计和施工过程中还需综合考虑其他因素,并根据具体情况进行调整。
同时,在实际操作中需严格按照相关标准规范和施工要求进行操作,确保管道系统的安全和稳定运行。
管道支架最大间距汇总管道支架是指用于支撑管道、阀门、仪表等设备的支架,在工业生产中起到至关重要的作用。
为了确保管道支架的安全可靠,我们需要在规定的管道上设置支架,并且在管道上设置的支架之间需要遵守一定的间距。
在设计过程中,我们需要考虑许多因素,例如管道的大小、重量、材料、使用条件等等。
在这篇文章中,我们将汇总不同类型管道的支架最大间距,以供相关人员参考。
钢制管道支架最大间距钢制管道支架是一种常用的管道支架,用于支撑较大和较重的管道。
根据管道的直径和重量,我们可以采用不同的支架间距。
其中常见的规格如下:管道直径(英寸)最大间距(英尺)小于1 81-2 102-4 124-8 148-16 1616-24 1824-36 20对于以上数据,仅供参考,在具体设计时应根据具体条件进行适当调整,并保证支架的安全可靠。
塑料管道支架最大间距与钢制管道支架不同,塑料管道支架通常使用更小的间距,以确保支架能够承受管道的重量和振动。
以下是常见的塑料管道支架间距:管道直径(英寸)最大间距(英尺)小于1 41-2 62-4 84-8 108-16 1216-24 1424-36 16值得注意的是,在考虑塑料管道支架间距时,需要考虑到塑料材料的特性,如易燃、耐磨性等。
不同材质管道支架最大间距除了管道直径和重量外,不同材质的管道也需要考虑不同的支架间距。
下面是各种材质管道支架间距的参考值:铸铁管道支架最大间距管道直径(英寸)最大间距(英尺)2-4 44-6 56-8 68-12 712-14 8不锈钢管道支架最大间距管道直径(英寸)最大间距(英尺)1-2 62-4 84-8 108-16 1216-24 1624-36 20铜管道支架最大间距管道直径(英寸)最大间距(英尺)1-2 52-4 74-6 96-8 118-10 12以上就是不同类型管道支架最大间距的汇总。
正常情况下,在进行管道支架设计时,要考虑到诸多因素,如材料、管道直径、管道重量、振动等,以确保支架能够安全有效地支撑管道。
美全置业有限公司美全·世纪城项目钢管管道支架的最大间距塑料管及复合管管道支架的最大间距铜管垂直或支架的最大间距管端插入承口的深度排水塑料管道支吊架最大间距(单位:m)室排水和雨水管道安装的允许偏差和检验方法地下埋设雨水排水管道的最小坡度悬吊管检查口间距。
钢管管道焊口允许偏差和检验方法太阳能热水器安装的允许偏差和检验方法卫生器具的安装高度卫生器具给水配件的安装高度卫生器具安装的允许偏差和检验方法卫生器具给水配件安装标高的允许偏差和检验方法卫生器具排水管道安装的允许偏差及检验方法连接卫生器具的排水管道管径和最小坡度采暖管道安装的允许偏差应符合表8.2.18的规定。
注:D max,D min分别为管子最大外径及最小外径组对后的散热器平直度允许偏差散热器支架、托架数量散热器安装允许偏差和检验方法管道防腐层种类室外给水管道的允许偏差和检验方法铸铁管承插捻口的对口最大间隙铸铁管承插捻口的环型间隙橡胶圈接口最大允许偏转角检验方法:观察和尺量检查。
室外排水管道安装的允许偏差和检验方法室外供热管道安装的允许偏差和检验方法锅炉辅助设备基础的允许偏差检验方法水压试验压力规定锅炉安装的允许偏差检验方法组装链条炉排安装允许偏差和检验方法往复炉排安装的允许偏差检验方法锅炉辅助设备安装允许偏差和检验方法13.3.11连接锅炉及辅助设备的工艺管道安装的允许偏差工艺管道安装的允许偏差和检验方法安全阀定压规定建筑给水排水及采暖工程分部、分项工程划分建筑给水排水及采暖工程的分部、子分部分项工程可按附表A划分。
附表A建筑给水、排水采暖工程分部、分项工程划分表附表B检验批质量验收检验批质量验收表由施工单位项目专业质量检查员填写,监理工程师(建设单位项目专业技术负责为)组织施工单位质量(技术)负责为等进行验收,并按附表B填写验收结论。
附表B检验批质量验收表附录C分项工程质量质量验收分项工程的质量验收由监理工程师(建设单位项目专业技术负责人)组织施工单位工项目专业质量(技术)负责人等进行验收,并按附表C填写。
重庆美全置业有限公司
美全·世纪城项目
钢管管道支架的最大间距
塑料管及复合管管道支架的最大间距
铜管垂直或支架的最大间距
管端插入承口的深度
排水塑料管道支吊架最大间距(单位:m)
室内排水和雨水管道安装的允许偏差和检验方法
地下埋设雨水排水管道的最小坡度
悬吊管检查口间距。
钢管管道焊口允许偏差和检验方法
太阳能热水器安装的允许偏差和检验方法
卫生器具的安装高度
卫生器具给水配件的安装高度
卫生器具安装的允许偏差和检验方法
卫生器具给水配件安装标高的允许偏差和检验方法
卫生器具排水管道安装的允许偏差及检验方法
连接卫生器具的排水管道管径和最小坡度
采暖管道安装的允许偏差应符合表的规定。
注:D max ,D min 分别为管子最大外径及最小外径
组对后的散热器平直度允许偏差
散热器支架、托架数量
散热器安装允许偏差和检验方法
管道防腐层种类
室外给水管道的允许偏差和检验方法
铸铁管承插捻口的对口最大间隙
铸铁管承插捻口的环型间隙
橡胶圈接口最大允许偏转角
检验方法:观察和尺量检查。
室外排水管道安装的允许偏差和检验方法
室外供热管道安装的允许偏差和检验方法
锅炉辅助设备基础的允许偏差检验方法
水压试验压力规定
锅炉安装的允许偏差检验方法
组装链条炉排安装允许偏差和检验方法
往复炉排安装的允许偏差检验方法
锅炉辅助设备安装允许偏差和检验方法
连接锅炉及辅助设备的工艺管道安装的允许偏差
工艺管道安装的允许偏差和检验方法
安全阀定压规定
建筑给水排水及采暖
工程分部、分项工程划分
建筑给水排水及采暖工程的分部、子分部分项工程可按附表A划分。
附表A 建筑给水、排水采暖工程分部、分项工程划分表
附表B 检验批质量验收
检验批质量验收表由施工单位项目专业质量检查员填写,监理工程师(建设单位项目专业技术负责为)组织施工单位质量(技术)负责为等进行验收,并按附表B填写验收结论。
附表B 检验批质量验收表
附录C 分项工程质量质量验收
分项工程的质量验收由监理工程师(建设单位项目专业技术负责人)组织施工单位工项目专业质量(技术)负责人等进行验收,并按附表C填写。
附表C 分项工程质量验收表
附录D 子分部工程质量验收
子分部工程质量验收由监理工程师(建设单位项目专业负责人)组织施工单位项目负责人、专业项目负责人、设计单位项目负责人进行验收,并按附录D填表。
附表D 子分部工程质量验收表
附录E 建筑给水排水及采暖
(分部)工程质量验收
附表E由施工单位填写,验收结论由监理(建设)单位填写。
综合验收结论由参加验收各方共同商定,建设单位填写,填写内容对工程质量是否符合设计和规范要求及总体质量作出评价。
附表E 建筑给水排水及采暖(分部)工程质量验收表。