完整家庭电路全
- 格式:ppt
- 大小:12.33 MB
- 文档页数:59
家庭电路知识集结知识元家庭电路的组成和连接知识讲解1.家庭电路:家庭电路是最常见、最基本的实用电路。
我国家庭电路的电压是220V。
2.连接:下图是比较简单的家庭电路示意图,由两根进户线、电能表、总开关、保险装置、用电器、导线等组成。
3.组成(1)输电线进户后首先接到电能表上,电能表用来显示所消耗的电能。
(2)接下来是全户用电的总开关。
当家庭电路需要修理时,必须断开总开关,这时室内全部电路与外面的输电线分离,可以保证施工人员的安全。
(3)总开关的后面是保险装置。
熔丝(俗称保险丝)是简易保险装置,装在保险盒内。
电流过大时熔丝会熔化,切断电路,对用电器起到保护作用现在新建居民楼电路中的保险装置一般采用空气开关,空气开关安装在电能表后,如图所示。
当电路中的电流过大时,空气开关自动断开,切断电路,俗称跳闸。
在找出电流过大的原因并把问题解决之后,重新闭合空气开关就可以了(4)进户的两条输电线中,一条叫做端线,俗称火线,另一条叫做零线。
零线在入户之前已经和大地相连。
(5)在新建的楼房里,控制插座的总开关上大多还装有漏电保护器。
正常情况下,用电器通过火线、零线和供电系统中的电源构成闭合电路,不应该有电流直接流入大地。
但是,如果站在地上的人不小心接触了火线,电流经过人体流入大地,这时,总开关上的“漏电保护器”会迅速切断电流,对人身起到保护作用。
例题精讲家庭电路的组成和连接例1.将图所示完好的接线板连入家庭电路中,闭合某插座控制开关S,其对应指示灯D发光。
再将台灯插头插入该插座,台灯与指示灯能同时发光。
则()A.该接线板的内部连接线只有火线和零线两根导线B.图中B、C两孔间电压为220VC.将试电笔插入图中A孔,试电笔氖管发光D.若图中指示灯D损坏,则台灯不亮例2.如图所示,是某家庭电路的一部分,下列说法正确的是()A.电冰箱连入三孔插座后,电灯与电冰箱是串联B.正常状况下,用试电笔接触A点会使氖管发光C.为用电安全,应在甲处安装电灯,乙处安装开关D.站在地上的人若用手直接接触A点,不会有触电危险例3.'如图所示,甲为一个“一开三孔”开关(即一个开关和一个三孔插座连在一起)实物图,乙为内部接线示意图,“A”、“B”是从开关接线柱接出的两根导线,请你将图乙中的电路连接完整,使开关控制电灯,又不影响插座供其他电器使用。
家庭电路识点一家庭电路的组成如下图所示家庭电路的基本组成依次是:①进户线②电能表③总开关④保险装置⑤插座⑥电灯⑦开关①低压进户线:给用户提供电压的线路,两条输电线,一条叫零线,另一条叫火线,火线和零线之间的电压为220V,零线与大地之间没有电压,大地与火线之间电压为220V②电能表:测量用户在一段时间内消耗电能的仪表通常装在户外干路上,在电能表的铭牌上标有额定电压值和允许通过的最大电流值,家庭电路中使用的电能表,额定电压为220V,允许通过的最大电流不得小于家庭用电时的最大电流。
③总开关:一般是闸刀开关,安在干路上,控制整个电路的通与断,以便检测电路更换设备。
④保险装置:常见的保险装置有老式的保险盒、自动空气开关和漏电保护器等。
保险盒内装有保险丝,保险丝由电阻较大,熔点较低的材料制成的,当电路中电流过大时,保险丝熔断,切断电路。
⑤插座:用来接可移动的用电器,应并联在电路中,插座可分为两孔插座和三孔插座。
在插座和插头上,用字母“V”表示零线,“L”表示火线、“E”表示地线。
接线方法:两孔插座接法为“左零右火”三孔插座为左零右火上地。
⑥用电器:电路中所接的用电器,需要独立工作,应该并联在电路中。
利用电能工作,将电能转化为其他形式能。
⑦开关:控制用电器通断,与用电器串联且串联在火线上,断火不断零。
知识点二零线与火线的识别1.方法:使用测电笔时,手应接触笔尾金属体,笔尖接触被测的导线,如果氖管发光,表示接触的是火线,若氖管不发光,表示接触的是零线。
试电笔的原理:火线与地之间有220V电压,正常使用试电笔时,若笔尖接触火线,则在试电笔和人体上有220V电压,所以有电流通过氖管和人体,使氖管发光。
由于试电笔中的电阻很大,上百万欧,所以电流很小,对人体没有伤害而零线与地之间没有电压,所以氖管不发光。
知识点三触电及漏电保护1.触电:触电是指一定强度的电流通过人体所引起的伤害事故。
2.触电原因:人体是电阻,电阻约为几千欧,当人体的不同部位分别接触到火线相连的带电体和与零线(或大地)接触就会有电流通过人体,当电流超过一定值就会对人身造成危害。
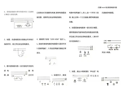
1、请将虚线框内带有保险丝的三孔插座正确连入家庭电路。
2、如图,在虚线框别分别画出开关和灯泡的符号,使之符合安全用电要求。
3、图中虚线框内是一台灯旋钮开关的内部电路简图,通过它可以控制台灯的通断和亮度,请将电路图连接完整,使其符合安全用电的原则.4、请将两个标有“220V 40W”的灯L1、L2连接在家庭电路的电路图中,要求开关S控制两盏灯,S闭合后两盏灯都能正常发光.5、如图所示,家庭电路中的两盏灯L1和L2由一个开关S控制,墙上还有一个三孔插座,请把电路连接完整。
6、如图是家庭电路某一部分的示意图,请用笔画线代替导线把该电路连接完整,并且使之符合安全用电的要求。
(其中开关只控制电灯)7、如图,画出小明家里的“声光控”电灯以及三孔插座的电路图。
关连入电路。
能源,宾馆的客房都配备房卡,只有把房卡插入电槽中,房间内的灯和插座才能有电。
请连接房间内的简化电路。
10、吊灯L1和L2均由开关S控制,墙上有一个固定插座。
请把电路连接完整。
11、小明家车库里有一盏灯,无论从前门进入或是从后门进入都可以控制这盏灯。
12、为了改善生活,现在很多家庭购买了可以控制的LED夜灯,如图所示,灯头内安装有无线接收模块,无线接收模块是控制灯亮灭的开关。
按照要求将各电器连入电路。
13、如图是插线板,请将如图所示的内部电路连接完整。
要求:在开关断开时插线板上的指示灯不发光,插孔不能提供电压;在开关闭合时,指示灯发光,插孔可以提供电压;若指示灯损坏,开关闭合时插孔也能提供工作电压.14、将如图所示的电水壶的3条接线按照安全用电的原则对应连接到插头上.15、声控开关在静音时处于接收到一定响度的声音时会装有一个声控开关来控制同确保行人安全,五路从哪端能接通电源发光,请按要求庭电正确连入电路。
原状.请画出他家连错的电路图。
17、小刚家在自家的房间里安装了一盏“220V 100W”的顶灯和一盏“220V5W”的壁灯。
他打算使其并联,用一个拉线开关来控制,结果闭合开关后,壁灯亮、顶灯不亮。
(完整)(整理)家庭电路以及常见故障分析一、家庭电路概述家庭电路是日常生活中不可或缺的一部分,它为我们的家庭提供了照明、取暖、制冷以及各种家电设备的电力支持。
了解家庭电路的基本组成和功能,有助于我们更好地维护和使用家庭电器,提高生活质量。
1. 进户线:将电力公司提供的电能引入家庭。
2. 总配电箱:对进入家庭的电能进行分配和控制。
3. 分支电路:将电能分配到各个房间和电器设备。
4. 接地系统:确保家庭电路的安全运行。
5. 保护装置:如空气开关、漏电保护器等,用于保护家庭电路和人身安全。
二、家庭电路常见故障分析1. 短路故障(1)导线老化、磨损,导致绝缘层破损。
(2)导线接头接触不良,产生电火花。
(3)电器设备内部故障,导致短路。
短路故障会导致电路过载、发热,甚至引发火灾。
因此,一旦发现短路故障,应立即切断电源,检查电路并进行修复。
2. 断路故障(1)导线断裂、接头松动。
(2)保护装置动作,如空气开关跳闸。
(3)电器设备内部故障。
断路故障会导致电器设备无法正常工作。
发现断路故障时,应检查电路连接是否牢固,保护装置是否正常,电器设备是否损坏,然后进行修复。
3. 接地故障(1)接地线断裂、接头松动。
(2)电器设备未接地或接地不良。
(3)地线与大地接触不良。
接地故障会导致电器设备漏电,存在触电风险。
发现接地故障时,应检查接地线连接是否牢固,电器设备是否接地,地线与大地接触是否良好,然后进行修复。
4. 过载故障(1)电器设备功率过大,超过电路负荷。
(2)多个电器设备同时使用,导致电路负荷过重。
(3)电路设计不合理,导线截面积过小。
过载故障会导致电路发热、损坏,甚至引发火灾。
为防止过载故障,应合理分配电器设备,避免同时使用多个高功率电器,确保电路设计符合规范。
5. 漏电故障(1)电器设备绝缘损坏,导致漏电。
(2)电路接头松动,产生电火花。
(3)导线老化、磨损,导致绝缘层破损。
漏电故障会导致电器设备无法正常工作,存在触电风险。