常用超声波探伤标准要求
- 格式:doc
- 大小:107.00 KB
- 文档页数:5
超声探伤2级探伤标准超声探伤是一种非破坏性检测方法,广泛应用于工业领域中对材料内部缺陷的检测。
超声探伤2级探伤标准是指符合国家标准的超声探伤技术应用于工业生产中,并且在技术参数、设备性能、人员素质等方面达到一定要求的探伤标准。
首先,超声探伤2级探伤标准要求探伤人员具备专业的技术知识和丰富的实践经验。
探伤人员需要经过相关培训,熟悉超声探伤设备的操作和维护,掌握超声波在材料中传播规律和反射特点,能够准确判断超声波的回波信号,并对检测结果进行准确分析和评定。
其次,超声探伤2级探伤标准要求探伤设备具备先进的技术性能和稳定的工作状态。
探伤设备应符合国家标准,具有高分辨率、高灵敏度、高信噪比和稳定的工作性能,能够满足不同材料和不同厚度的探伤要求。
此外,设备的校准和标定也是非常重要的,只有确保设备的准确性和可靠性,才能保证探伤结果的准确性和可靠性。
另外,超声探伤2级探伤标准要求探伤工艺和操作规程的规范化和标准化。
探伤工艺应根据具体的材料和探伤要求进行合理的选择和设计,包括超声探头的选择、探头的耦合方式、探头的移动方式等。
操作规程应明确具体的操作步骤和注意事项,确保探伤操作的安全性和可靠性。
最后,超声探伤2级探伤标准要求探伤结果的准确性和可靠性。
探伤结果应能够准确反映材料内部的缺陷情况,包括缺陷的位置、形状、大小和数量等信息。
同时,对于不同类型的缺陷,还需要进行合理的评定和分类,以便制定相应的处理措施和修复方案。
总的来说,超声探伤2级探伤标准是对超声探伤技术应用于工业生产中的一种保障和要求。
只有严格遵循这些标准,才能够确保超声探伤的准确性和可靠性,为工业生产提供有效的质量保障和安全保障。
超声波探伤国家标准
超声波探伤是一种非破坏性检测技术,广泛应用于工业领域,特别是在金属材
料的质量检测和缺陷分析中起着至关重要的作用。
为了规范超声波探伤技术的应用,我国制定了一系列的国家标准,以确保超声波探伤工作的准确性和可靠性。
首先,超声波探伤国家标准明确了超声波探伤的基本原理和技术要求。
这些标
准包括了超声波探测仪器的选择和使用、探头的选择和校准、超声波传播规律的研究等内容。
通过这些标准的制定,可以有效地指导超声波探伤技术的应用,确保检测结果的准确性和可靠性。
其次,超声波探伤国家标准规定了超声波探伤的操作流程和技术要求。
这些标
准包括了超声波探伤的操作规程、检测参数的选择、数据采集和分析的方法等内容。
遵循这些标准,可以有效地规范超声波探伤工作的操作流程,提高检测的效率和准确性。
此外,超声波探伤国家标准还对超声波探伤人员的培训和资质要求进行了规定。
这些标准包括了超声波探伤人员的培训内容、考核要求、资质认定等内容。
通过这些标准的制定,可以有效地提高超声波探伤人员的专业水平,确保他们具备进行超声波探伤工作所需的技术能力和知识水平。
总的来说,超声波探伤国家标准的制定和实施,对于规范超声波探伤技术的应用、提高检测的准确性和可靠性具有重要意义。
只有遵循这些国家标准,才能确保超声波探伤工作的科学性和规范性,为相关行业的发展和安全提供坚实的技术支撑。
希望广大从事超声波探伤工作的人员,能够认真学习和遵守这些国家标准,不断提升自身的技术水平,为超声波探伤技术的发展做出积极的贡献。
超声波探伤检测标准
超声波探伤检测是一种常用的无损检测方法,用于检测材料或构件内部的缺陷、异物和界面等问题。
超声波探伤的标准可以根据不同应用领域和具体要求而有所差异,下面介绍一些常见的超声波探伤检测标准:
1. ISO 11666:金属材料超声波探伤检验标准。
该标准规定了
金属材料超声波探伤的一般原则、设备要求、检测方法以及评定缺陷的方法。
2. ASTM E114:用超声波探伤测定金属材料中缺陷尺寸的标
准指南。
该标准规定了用超声波在金属材料中测量缺陷的方法和标准。
3. ASME BPVC Section V Article 4:超声波检测标准。
该标准
是美国机械工程师协会制定的一系列标准之一,用于指导核电、石油化工、航空航天等行业的超声波探伤检测。
4. GB 11345:金属材料超声波探伤检测规范。
该标准是中国
国家标准,规定了金属材料超声波探伤的技术要求、设备要求以及缺陷评定方法。
5. AWS D1.1:结构用钢的超声波检测标准。
该标准是美国焊
接协会制定的,用于钢结构焊接接头的超声波探伤检测。
以上是一些常见的超声波探伤检测标准,具体的标准选择应根据具体应用领域和要求的不同进行确定。
在进行超声波探伤检
测时,还需要考虑材料的特性、检测设备的性能以及操作人员的技术水平等因素。
超声波探伤方法和探伤标准超声波探伤是一种非破坏性检测方法,通过超声波在材料中的传播和反射来检测材料内部的缺陷和异物。
它在工业领域广泛应用于金属、塑料、陶瓷等材料的质量检测和安全评估。
本文将介绍超声波探伤的方法和标准,以帮助读者更好地理解和应用这一技术。
超声波探伤方法主要包括脉冲回波法、相控阵法和多普勒法。
脉冲回波法是最常用的一种方法,它通过发射脉冲超声波,然后接收回波信号来检测材料内部的缺陷。
相控阵法则是利用多个发射和接收元件来形成波束,实现对材料内部的全方位检测。
而多普勒法则是通过测量超声波在材料中的传播速度变化来检测材料中的动态缺陷,如裂纹和腐蚀等。
在进行超声波探伤时,需要根据具体的材料和缺陷类型选择合适的探头和频率。
对于不同材料,需要选择不同的超声波频率,以获得更好的探伤效果。
同时,探头的尺寸和形状也会影响到探伤的精度和灵敏度。
在实际应用中,操作人员需要根据具体情况进行合理选择和调整。
除了探头的选择外,超声波探伤还需要考虑材料的声速和衰减系数。
不同材料的声速和衰减系数会影响超声波在材料中的传播和反射特性,因此需要对这些参数进行准确的测量和计算,以确保探伤结果的准确性和可靠性。
此外,超声波探伤还需要根据相关的探伤标准进行操作和评定。
目前国际上常用的探伤标准包括美国材料和试验协会(ASTM)的标准、国际电工委员会(IEC)的标准以及国际协会认证联盟(IAF)的标准等。
这些标准对于超声波探伤的设备、操作和结果评定都有详细的规定,可以作为操作人员的参考依据。
总的来说,超声波探伤是一种非常有效的材料缺陷检测方法,它具有高灵敏度、高分辨率和高可靠性的特点。
通过合理选择探头和频率、准确测量材料参数以及遵循相关的探伤标准,可以更好地发挥超声波探伤的优势,为工业生产和安全保障提供可靠的技术支持。
希望本文所介绍的超声波探伤方法和标准能够对读者有所帮助,促进这一技术的应用和发展。
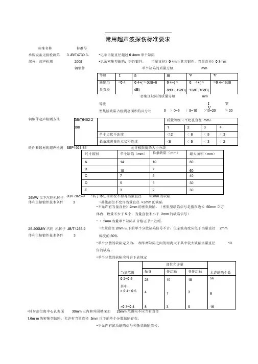
常用超声波探伤标准要求
•不允许有当量直径》2mm 的密集缺陷。
(密集型缺陷信号是指在边长 50mm 立方 体内,数量不少于5个,当量直径不小于 2mm 的缺陷信号) • > 2mm 当量单个缺陷在合格证书中注明。
•当量直径2mm 以下的单个分散缺陷信号不计,但杂波高度应低于当量直径 2mm 幅度的50%
•单个分散的缺陷定义为: 相邻两缺陷之间的距离大于其中较大缺陷当量直径 10
倍的缺陷。
•单个分散的缺陷应符合下表规定
•轴身部位离中心孔表面 30mm 以内和外圆槽深加
1.6m m 的密集型缺陷。
允许有当量直径 3mm 以下的单个分散缺陷存在。
•不允许有游动缺陷信号和条状缺陷信号。
标准名称 标准号 承压设备无损检测第 3 JB/T4730.3-
•记录当量直径超过0 4mm 单个缺陷 部分:超声检测 2005 •记录密集型缺陷:饼性锻件,
当量直径》0 4mm 其它锻件,当量直径》0 3mm
钢锻件
单个缺陷的质量分级
mm
等级
密集区缺陷占检测总面积的百分比
I
V
钢锻件超声检测方法 0 > 0~5
> 5~10
>10~20
V > 20
体和主轴锻件技术条件 3
•其他部位不允许当量直径 >3mm 的缺陷
锻件和锻材的超声检测 25MW 以下汽轮机转子 25-200MW 汽轮 机转子 JB/T1265-9 体和主轴锻件技术条件
3。
超声波焊缝探伤标准超声波焊缝探伤是一种常用的无损检测方法,广泛应用于焊接质量的评定和缺陷的检测。
本文将介绍超声波焊缝探伤的标准,包括其定义、应用范围、技术要求等内容,以期为相关领域的从业人员提供参考。
超声波焊缝探伤是指利用超声波技术对焊缝进行缺陷检测的方法。
它可以有效地检测焊缝中的各种缺陷,如气孔、夹杂、裂纹等,对焊接质量的评定具有重要意义。
超声波焊缝探伤广泛应用于航空航天、汽车制造、铁路运输等领域,对提高产品质量、保障安全生产具有重要意义。
超声波焊缝探伤的标准主要包括以下几个方面:首先,超声波探伤设备的选择和校准。
超声波探伤设备是进行焊缝探伤的关键工具,其选择和校准直接影响着探伤结果的准确性。
因此,超声波探伤设备的选择和校准应符合相关标准要求,确保其性能和准确性。
其次,超声波探伤操作规程的制定和执行。
超声波焊缝探伤需要进行严格的操作规程,包括探头的放置、超声波的发射和接收、数据的采集和分析等步骤。
操作规程的制定和执行应符合相关标准要求,确保探伤结果的准确性和可靠性。
再次,焊缝探伤的技术要求和评定标准。
超声波焊缝探伤需要对焊缝中的各种缺陷进行检测和评定,其技术要求和评定标准应符合相关标准要求,确保焊接质量的评定准确性和一致性。
最后,超声波焊缝探伤的报告和记录。
超声波焊缝探伤的结果应当进行报告和记录,报告和记录内容应符合相关标准要求,确保探伤结果的可追溯性和可验证性。
综上所述,超声波焊缝探伤标准是保障焊接质量和产品安全的重要依据,相关领域的从业人员应当严格遵守相关标准要求,确保超声波焊缝探伤工作的准确性和可靠性。
同时,相关标准的制定和更新也是保障超声波焊缝探伤工作质量的重要保障,应当引起相关部门和单位的重视和关注。
超声波探伤标准超声波探伤是一种非破坏性检测技术,广泛应用于工业领域,特别是在金属材料的质量检测和缺陷检测中起着重要作用。
超声波探伤标准是指对超声波探伤技术的相关标准和规范,它对超声波探伤的设备、操作、数据分析和结果评定等方面进行了详细规定,是保证超声波探伤工作质量和结果准确性的重要依据。
超声波探伤标准的制定是为了规范超声波探伤工作流程,提高探伤结果的可靠性和准确性。
在实际工作中,遵循超声波探伤标准能够帮助操作人员正确操作设备,准确获取数据,并对结果进行科学评定,从而保证探伤工作的质量和效果。
超声波探伤标准主要包括以下几个方面的内容:1. 设备要求,超声波探伤设备是进行超声波探伤工作的基础,其性能和操作方式直接影响探伤结果。
因此,超声波探伤标准对设备的性能、精度、校准和维护等方面进行了详细规定,确保设备能够满足探伤工作的要求。
2. 操作规程,超声波探伤操作规程是指对探伤工作中操作人员的要求和操作流程进行规范。
包括操作人员的资质要求、操作步骤、数据采集方式、记录方法等内容,确保操作人员能够正确、规范地进行探伤工作。
3. 数据分析,超声波探伤的数据分析是对探伤结果进行科学评定和判读的重要环节。
超声波探伤标准对数据分析的方法、标准曲线的建立和使用、缺陷识别和评定等方面进行了规定,确保数据分析结果的准确性和可靠性。
4. 结果评定,超声波探伤标准对探伤结果的评定标准和方法进行了详细规定,包括对正常和异常结果的判定标准、缺陷的类型和大小评定等内容,确保探伤结果能够客观、准确地反映被检测物体的质量和状态。
总之,超声波探伤标准是保证超声波探伤工作质量和结果准确性的重要依据,遵循超声波探伤标准能够帮助操作人员规范操作、准确获取数据,并对结果进行科学评定,从而保证探伤工作的质量和效果。
因此,在超声波探伤工作中,必须严格遵循超声波探伤标准的要求,确保探伤工作的准确性和可靠性。
超声波探伤作业指导书超声波探伤作业指导书一、适用范围超声检测适用于承压设备原材料和零部件的检测,包括板材、复合板材、碳钢和低合金钢锻件、管材、棒材、奥氏体不锈钢锻件等,也适用于承压设备对接焊接接头、T型焊接接头、角焊缝以及堆焊层等的检测。
二、引用标准本作业指导书引用了XXX第三部分:超声检测和GB/T无损检测术语两个标准。
三、一般要求1、超声检测人员应具备一定的基础知识和探伤经验,并经过有关部门认可的资格考核。
2、探伤仪器应采用A型脉冲反射式超声波探伤仪,频率应在1~5MHz之间,并且在满刻度的75%范围内呈线性显示,垂直线性误差不得超过5%。
仪器的水平线性、分辨力和衰减器的精度等指标应符合JB/T 的规定。
3、探头应符合以下要求:①纵波直探头的晶片直径应在10~30mm之间,工作频率1~5MHz,误差不得超过±10%。
②横波斜探头的晶片面积应在100~400mm²之间,K值一般取1~3.③纵波双晶直探头晶片之间的声绝缘必须良好。
4、仪器系统的性能应符合以下要求:①在达到所探工件的最大检测声程时,其有效灵敏度余量不得小于10dB。
②仪器与探头的组合频率与公称频率误差不得大于±10%。
③仪器与直探头组合的始脉冲宽度(在基准灵敏度下):对于频率为5MHz的探头,宽度不大于10mm;对于频率为2.5MHz的探头,宽度不大于15mm。
④直探头的远场分辨力应不小于30dB,斜探头的远场分辨力应不小于6dB。
⑤仪器与探头的系统性能应按JB/T 9124和JB/T 的规定进行测试。
四、探伤时机及准备工作1、探伤一般应安排在最终热处理后进行。
若因热处理后工件形状不适于超声探伤,也可将探伤安排在热处理前,但热处理后仍应对其进行尽可能完全的探伤。
2、工件在外观检查合格后方可进行超声探伤,所有影响超声探伤的油污及其他附着物应予以清除。
3、探伤面的表面粗糙度Ra应为6.3μm。
五、探伤方法1、为确保检测时超声波声束能扫查到工件的整个被检区域,探头的每次扫查覆盖率应大于探头直径的15%。
超声波探伤检测标准摘要:1.超声波探伤检测标准的概述2.超声波探伤的原理3.超声波探伤的优点4.超声波探伤检测标准的制定与实施5.超声波探伤检测标准的发展趋势正文:一、超声波探伤检测标准的概述超声波探伤检测标准是一种非破坏性检测技术,广泛应用于各种材料和零部件的检测中。
超声波探伤技术利用超声波在材料中的传播特性,检测材料内部的缺陷、裂纹等问题,以评估其质量和安全性。
在实际应用中,为了保证超声波探伤检测的准确性和可靠性,需要制定一系列的技术标准和规范。
二、超声波探伤的原理超声波探伤的原理是利用超声波在材料中的传播速度和衰减特性,检测材料内部的缺陷、裂纹等问题。
超声波在传播过程中,如果遇到材料内部的缺陷或界面,会产生反射、散射等现象,这些现象会被探头接收并转换为电信号。
通过分析这些电信号的特征,可以判断材料内部是否存在缺陷,以及缺陷的性质、位置、大小等。
三、超声波探伤的优点超声波探伤技术具有许多优点,使其成为非破坏性检测的主要方法之一。
首先,超声波探伤可以检测到材料内部的缺陷,而不会破坏材料的表面和结构。
其次,超声波探伤可以检测到各种不同类型的缺陷,包括裂纹、夹杂、气孔等。
此外,超声波探伤还具有较高的检测速度和灵敏度,可以有效地提高检测效率和准确性。
四、超声波探伤检测标准的制定与实施为了保证超声波探伤检测的准确性和可靠性,需要制定一系列的技术标准和规范。
这些标准和规范包括超声波探伤的设备标准、检测方法标准、数据处理和分析标准等。
超声波探伤检测标准的制定和实施,有助于确保检测结果的可靠性和一致性,提高检测技术的应用水平和效果。
五、超声波探伤检测标准的发展趋势随着超声波探伤技术的不断发展和应用,超声波探伤检测标准也在不断完善和更新。
超声波探伤级别标准超声波探伤是一种常用的无损检测方法,其应用范围涵盖了许多行业,如航空航天、汽车制造、建筑工程等。
在进行超声波探伤时,对不同的材料和零部件,需要根据其特性和使用环境确定不同的探伤级别标准,以确保检测的准确性和可靠性。
首先,我们需要了解超声波探伤的基本原理。
超声波探伤是利用超声波在材料内部的传播特性来检测材料内部的缺陷,其原理是利用超声波在材料中传播时,当遇到缺陷时会发生反射、折射或衍射,从而形成回波信号,通过对回波信号的分析,可以确定材料内部的缺陷位置、大小和形状。
根据超声波探伤的应用对象不同,其级别标准也会有所不同。
一般来说,超声波探伤级别可以分为三个等级,A级、B级和C级。
A级超声波探伤是最高级别的探伤,适用于对关键部件和高风险部件进行检测,如飞机发动机叶片、核电设备等。
A级探伤要求探伤人员具有高级别的资质和经验,同时使用最先进的超声波探伤设备,确保对微小缺陷的准确检测。
B级超声波探伤是中等级别的探伤,适用于对一般零部件和结构进行检测,如汽车发动机零部件、建筑结构等。
B级探伤要求探伤人员具有中级别的资质和经验,使用符合标准要求的超声波探伤设备,确保对常见缺陷的准确检测。
C级超声波探伤是最低级别的探伤,适用于对一般材料和构件进行检测,如金属管道、焊接接头等。
C级探伤要求探伤人员具有基础的资质和经验,使用简单易操作的超声波探伤设备,确保对明显缺陷的准确检测。
除了以上三个级别外,还有一些特殊级别的超声波探伤,如D级探伤适用于对特殊材料和构件进行检测,E级探伤适用于对特殊环境和条件下进行检测。
这些特殊级别的探伤要求探伤人员具有特殊的资质和经验,同时需要使用专门的超声波探伤设备。
总的来说,超声波探伤级别标准的确定需要根据实际情况和要求来进行评估和选择。
在进行超声波探伤时,必须严格按照相应级别标准的要求进行操作,确保检测的准确性和可靠性,从而保证材料和构件的安全可靠性。
同时,探伤人员需要不断提升自身的技术水平和经验,以适应不同级别标准的要求,为超声波探伤工作的开展提供更加可靠的保障。
不锈钢板超声波探伤标准一、探伤设备1.超声波探伤仪:应采用数字式超声波探伤仪,其性能应符合国家相关标准要求。
2.探头:应选用频率为2.5MHz至5MHz的直探头或斜探头。
3.耦合剂:应选用粘度适中、对工件无腐蚀作用的耦合剂。
4.试块:应采用标准试块,以校正探伤灵敏度和校准探头。
二、探伤条件1.环境温度:应在10℃至35℃之间进行探伤。
2.相对湿度:应小于75%。
3.探伤表面状态:应清除工件表面的油污、锈迹等杂质,确保表面光滑。
三、探伤方法1.预扫查:在探伤前,应对工件进行一次全面的扫查,以了解工件的形状、尺寸和材料状况。
2.正式探伤:应按照GB/T 11345-2013标准进行操作,采用直探头或斜探头对工件进行纵向和横向扫查。
扫查速度不应超过150mm/s。
3.缺陷定位:当发现缺陷时,应进行缺陷定位,记录缺陷的位置和大小。
4.缺陷定量:应对缺陷进行定量,确定缺陷的面积和深度。
四、缺陷判别1.对于单个缺陷,应判定其是否超过允许值。
2.对于密集型缺陷,应判定其是否为裂纹等危险性缺陷。
3.对于无法判断的缺陷,应进行进一步的分析和检测。
五、探伤记录1.应记录探伤过程中的所有数据,包括缺陷的位置、大小、形状等。
2.应记录探伤的时间、环境温度和湿度等信息。
3.应记录探伤人员的姓名和操作过程等信息。
六、探伤结果1.应根据探伤记录,对工件进行评级,确定其质量等级。
2.对于不合格的工件,应进行返修或报废处理。
3.对于合格的工件,可以进行后续加工或使用。
七、安全要求1.操作人员应经过专业的培训,熟悉超声波探伤仪的操作流程和安全规范。
2.在操作过程中,应注意避免探头和工件的过度摩擦和冲击,防止发生意外事故。
3.在处理高温工件时,应注意防止烫伤和火灾事故的发生。
4.在进行探伤前,应对工件进行全面的检查,防止因工件质量问题造成意外事故。
5.在操作过程中,应注意保持环境的整洁和安全,防止因杂乱或危险物品导致的意外事故。
6.在使用耦合剂时,应注意不要将耦合剂溅入眼睛或口中,防止造成伤害。
焊缝超声波探伤标准焊接是制造业中常见的一种连接工艺,而焊缝的质量直接关系到焊接件的使用性能和安全性。
为了确保焊缝质量,超声波探伤技术被广泛应用于焊接质量检测中。
本文将介绍焊缝超声波探伤的标准和要点。
一、超声波探伤原理。
超声波探伤是利用超声波在材料中的传播特性来检测材料内部缺陷的一种无损检测技术。
当超声波遇到材料内部的缺陷时,会发生反射、散射或透射,通过对超声波的接收和分析,可以确定材料内部的缺陷类型、位置和大小。
二、焊缝超声波探伤标准。
1. 超声波探伤设备。
进行焊缝超声波探伤时,应选择适当的超声波探伤设备,包括超声波发射探头、接收探头、超声波检测仪器等。
设备的选择应符合相关标准要求,并经过校准和检定。
2. 探伤方法。
焊缝超声波探伤可以采用直接接触法、浸润法或者接触耦合法。
在选择探伤方法时,应根据具体情况和标准要求进行合理选择,并保证探伤过程中与焊缝的充分接触。
3. 探伤参数。
探伤参数包括超声波频率、波束角、增益、脉冲重复频率等。
在进行焊缝超声波探伤时,应根据焊缝的材料、厚度、几何形状等特点,合理选择探伤参数,并进行相应的调节和优化。
4. 探伤结果评定。
根据焊缝超声波探伤的标准,对探伤结果进行评定和判定。
根据探伤结果,判断焊缝内部是否存在缺陷,确定缺陷的类型、位置和大小,并进行相应的等级评定。
5. 报告和记录。
对焊缝超声波探伤的整个过程进行记录和报告,包括探伤设备的选择和校准、探伤方法和参数的选择、探伤结果的评定等内容,确保探伤过程的可追溯性和可复制性。
三、注意事项。
1. 操作人员应具备专业的超声波探伤技术知识和操作技能,严格按照相关标准和要求进行操作。
2. 探伤设备应定期进行维护和保养,确保设备的正常工作状态。
3. 在进行焊缝超声波探伤前,应对焊缝进行清洁和表面处理,保证探伤的准确性和可靠性。
四、结论。
焊缝超声波探伤是一种有效的焊接质量检测方法,对焊接件的质量和安全性具有重要意义。
严格按照相关标准和要求进行焊缝超声波探伤,可以有效地发现焊缝内部的缺陷,保证焊接件的质量和可靠性。
超声波探伤检验标准超声波探伤检验标准1 目的为了满足公司发展需要,特制定我公司液压支架超声波探伤件检验标准,提供超声波探伤检验依据,制定超声波探伤结果评定标准;2 主要内容及使用范围规定了检验焊缝及热影响区缺陷,确定缺陷位置、尺寸和缺陷评定的一般方法及探伤结果的分级方法,适用于母材不小于8mm的铁素体类钢全焊透熔化焊对接焊缝脉冲反射法手工超声波探伤检验,不适用于以下情况焊缝的探伤检验:1铸钢及奥氏体不锈钢焊缝;2外径小于159mm的钢管对接焊缝;3内径小于等于200mm的管座角焊缝;4外径小于250mm和内外径之比小于80%的纵向焊缝;3 检验等级检验等级的分级根据质量要求检验等级分为三级,检验的完善程度A级最低,B级一般,C级最高,检验工作的难度系数按顺序逐级增高;应按照工件的材质.结构.焊接方法,使用条件及承受载荷的不同,合理地选用检验级别;检验等级应按产品技术条件和有关规定选择或经合同双方协商选定;注:A级难度系数为1,B级为5-6,C级为10-12;检验等级的检验范围A级检验采用一种角度的探头在焊缝的单面单侧进行检验,只对允许扫查到的焊缝截面进行探测;一般不要求作横向缺陷的检验;母材厚度大于50mm时,不得采用A级检验;B级检验原则上采用一种角度探头在焊缝的单面双侧进行检验,对整个焊缝截面进行探测;受几何条件的限制,可在焊缝的双面单侧采用两种角度探头进行探伤;母材厚度大于100mm时,采用双面双侧检验;条件允许时应作横向缺陷的检验;C级检验至少要采用两种角度探头在焊缝的单面双侧进行检验;同时要作两个扫查方向和两种探头角度的横向缺陷检验;母材厚度大于100mm时,采用双面双侧检验;其它附加要求是:a.对接焊缝余高要磨平,以便探头在焊缝上作平行扫查;b.焊缝两侧斜探头扫查经过的母材部分要用直探头作检查;c.焊缝母材厚度大于等于100mm,窄间隙焊缝母材厚度大于等于40mm时,一般要增加串列式扫查;检验等级的区别A、B、C三种检验等级之间有所区别,现将其探头种类数、面数、侧数、板厚等方面的区别简单列于表一中:表一本公司选用检验等级结合本公司产品结构特点,及焊后焊缝特性,规定超声波探伤检验等级主要采用A级,以B级辅助,特殊情况时选用C级检验;4 初始检验一般要求4.1.1探头移动区应清除焊接飞溅、铁屑、油垢及其他外部杂质,探伤表面应平整光滑,便于探头的自由扫查,其表面粗糙度不应超过μm,必要时应进行打磨,超声波探伤检验应在焊缝及探伤表面经外观检查合格且满足以上要求后进行;4.1.2 检验前,探伤人员应了解受检工件的材质、结构、曲率、厚度、焊接方法、焊缝种类、坡口形式、焊缝余高及背面沉淀、沟槽等情况;4.1.3 探伤灵敏度应不低于评定线灵敏度;4.1.4 扫查速度不应大于150mm/s,相邻两次探头移动间隔保证至少有探头宽度10%的重叠;4.1.5 对波幅超过评定线的反射波,应根据探头位置、方向、反射波的位置及条了解的焊缝情况,判断其是否为缺陷;判断为缺陷的部位应在焊缝表面作出标记;平板对接焊缝的检验4.2.1 为探测纵向缺陷,斜探头垂直于焊缝中心线放置在探伤面上,做锯齿型扫查如图一;探头前后移动的范围应保证扫查到全部焊缝截面及热影响区;在保持探头垂直焊缝做前后移动的同时,还应做10°~15°的左右转动;图一:锯齿形扫查4.2.2 为探测焊缝及热影响区的横向缺陷应进行平行和斜平行扫查;a. B级检验时,可在焊缝两侧边缘使探头与焊缝中心线成10°~20°做斜平行扫查如图二图二:斜平行扫查b. C级检验时,可将探头放在焊缝及热影响区上做两个方向的平行扫查如图三,焊缝母材厚度超过100mm时,应在焊缝的两面做平行扫查或者采用两种角度探头45°和60°或45°和70°并用做单面两个方向的平行扫查,亦可用两个45°探头做串列式平行扫查;图三:平行扫查c. 对电渣焊缝还应增加与焊缝中心线成45°的斜向扫查;4.2.3为确定缺陷的位置、方向、形状、观察缺陷动态波形或区分缺陷讯号与伪讯号,可采用前后、左右、转角、环绕等四种探头基本扫查方式如图四图四:四种基本扫查方法曲面工件对接焊缝的检验4.3.1 探伤面为曲面时,应采用条的方法进行检验,C级检验时,受工件几何形状限制,横向缺陷探测无法实施时,应在检验记录中予以注明;4.3.2 环缝检验时,对比试块的曲率半径为探伤面曲率半径倍的对比试块均可采用,探测横向缺陷时按条的方法进行;4.3.3 纵缝检验时,对比试块的曲率半径与探伤面曲率半径之差应小于10%;其他结构焊缝的检验4.4.1 一般原则a. 尽可能采用平板焊缝检验中已经行之有效的各种方法;b. 在选择探伤面和探头时应考虑到检测各种类型缺陷的可能性,并使声束尽可能垂直于该结构焊缝中的主要缺陷;4.4.2 T型接头4.4.2.1. 腹板厚度不同时,选用的折射角见表二,斜探头在腹板一侧做直射法和一次反射法探伤见图五位置2;表二:腹板厚度与选用的折射角图五:T型接头图六:T型接头4.4.2.2 采用折射角45°K1探头在腹板一侧做直射法和一次反射法探测焊缝及腹板侧热影响区的裂纹如图六;4.4.2.3 为探侧腹板和翼板间未焊透或翼板侧焊缝下层状撕裂等缺陷,可采用直探头图五位置1或斜探头图六位置3在翼板外侧探伤或采用折射角45°K1探头在翼板内侧做一次反射法探伤图五位置3;4.4.3 角接接头角接接头探伤面及折射角翼板按图七和表二选择;图七:角接接头4.4.4 管座角焊缝4.4.4.1 根据焊缝结构形式,管座角焊缝的检验有如下五种探测方式,可选择其中一种或几种方式组合实施检验;探测方式的选择应由合同双方商定,并重点考虑主要探测对象和几何条件的限制图八、九图八:管座角焊缝图九:管座角焊缝a.在接管内壁表面采用直探头探伤图八位置1b.在容器内表面用直探头探伤图九位置1c.在接管外表面采用斜探头探伤图九位置2d.在接管内表面采用斜探头探伤图八位置3,图九位置3e.在容器外表面采用斜探头探伤图八位置24.4.4.2 管座角焊缝以直探头检验为主,对直探头扫查不到的区域或结构,缺陷方向性不适合采用直探头检验时,可采用斜探头检验,斜探头检验应符合条的规定;4.4.5 直探头检验的规程a. 推荐采用频率直探头或双晶探头,探头与工件接触面的尺寸W应小于b. 灵敏度可在与工件同曲率的试块上调节,也可采用计算法或DGS曲线法,以工件底面回波调节,其检验等级评定见表三表三:直探头检验等级评定5 规定检验一般要求5.1.1 规定检验只对初始检验中标记的部位进行检验;5.1.2 探伤灵敏度应调节到评定灵敏度;5.1.3 对所有反射波幅超过定量线的缺陷均应确定其位置,最大反射波幅所在区域和缺陷指示长度;最大反射波幅的测定5.2.1 对判定为缺陷的部位,采取条的探头扫查方式、增加探伤面、改变探头折射角度进行探测,测出最大反射波幅并与距离-波幅曲线做比较,确定波幅所在区域;波幅测定的允许误差为2dB;5.2.2 最大反射波幅A与定量线SL的dB差值记为SL±____ dB;位置参数的测定5.3.1 缺陷位置以获得缺陷最大反射波的位置来表示,根据相应的探头位置和反射波在荧光屏上的位置来确定如下全部或部分参数;a. 纵坐标L代表缺陷沿焊缝方向的位置;以检验区段编号为标记基准点即原点建立坐标;坐标正方向距离L表示缺陷到原点之间的距离如图十图十:纵坐标L示意图c. 横坐标q代表缺陷离开焊缝中心线的垂直距离,可由缺陷最大反射波位置的水平距离或简化水平距离求得;5.3.2 缺陷的深度和水平距离或简化水平距离两数值中的一个可由缺陷最大反射波在荧光屏上的位置直接读出,另一数值可采用计算法、曲线法、作图法或缺陷定位尺求出;尺寸参数的测定应根据缺陷最大反射波幅确定缺陷当量值Φ或测定缺陷指示长度ΔL;5.4.1 缺陷当量Φ,用当量平底孔直径表示,主要用于直探头检验,可采用公式计算、GS曲线、试块对比或当量计算尺确定缺陷当量尺寸;5.4.2 缺陷指示长度ΔL的测定推荐采用如下二种方法;a. 当缺陷反射波只有一个高点时,用降低6dB相对灵敏度法测长如图十一图十一:相对灵敏度测长法b. 在测长扫查过程中,如发现缺陷反射波峰值起伏变化;有多个高点,则以缺陷两端反射波极大值之间探头的移动长度确定为缺陷指示长度,即端点峰值法如图十二图十二:端点峰值测长法6 缺陷评定超过评定线的信号应注意其是否具有裂纹等危害性缺陷特征,如有怀疑时应采取改变探头角度、增加探伤面、观察动态波形、结合结构工艺特征做判定,如对波型不能准确判断时,应辅以其他检验做综合判定;最大反射波幅位于Ⅱ区的缺陷,其指示长度小于10mm时按5mm计;相邻两缺陷各向间距小于8mm时,两缺陷指示长度之和作为单个缺陷的指示长度;7 超声波探伤检验结果的等级分类最大反射波幅位于Ⅱ区的缺陷,根据缺陷指示长度按下表的规定予以评级;表四:缺陷等级分类注:1. δ为坡口加工侧母板厚,母材板厚不同时,以较薄侧板为准;2.管座角焊缝δ为焊缝截面中心线高度;最大反射波幅不超过评定线的缺陷,均评为1级;最大反射波幅超过评定线的缺陷,检验者判定为裂纹等危害性缺陷时,无论其波幅和尺寸如何,均评为Ⅳ级;反射波幅位于Ⅰ区的非裂纹性缺陷,均评为Ⅰ级反射波幅位于Ⅲ区的缺陷,无论其指示长度如何,均评定为Ⅳ级;不合格的缺陷,应予返修,返修区域修补后,返修部位及补焊受影响的区域,应按原探伤条件进行复验;8 本公司缺陷评定等级被探伤焊缝的坡口深度范围内的缺陷参与评定;缺陷的长度评定等级一般选取表四中的AⅡ级;当辅以B级或C级检验时,相应选取标准亦暂时按Ⅱ级执行;若之前本公司的相关规定与本标准内容相悖时,以本标准为准;9 其他本标准主要引用GB/T11345-89的相关内容,结合本公司实际情况而定;本标准由质量管理控制中心负责起草,并负责解释、更新;本标准自签发之日起生效;。