高性能沥青路面(SBS改性沥青Superpave-20)中面层施工指导意见(修订版)
- 格式:doc
- 大小:157.00 KB
- 文档页数:18
S up-20沥青中面层施工技术总结1项目施工概述淮盐高速公路是国家重点公路天津至汕尾公路的支线,它连接了淮安、盐城两个省辖市,是横穿苏北腹地的一条重要交通通道。
我合同段项目工程位于江苏省淮安市辖区内。
设计宽度28m,为双向4车道,起止桩号K0+000—K30+900,路线全长30.9KM,另设车桥互通、车桥停车区各一处,合同总价1.71亿元。
采用三层式面层结构类型,其中上面层为4cm厚 SBS改性沥青SMA-13型细粒式沥青混凝土; 中面层为6cm厚中粒式Sup-20沥青混凝土; 下面层为8cm厚粗粒式Sup-25沥青混凝土。
生产配比:目标配合比和生产配合比均由江苏省交通科学研究院中心试验室设计提供,并经过总监办中心试验室、驻地监理中心试验室和技术服务单位以及我项目工地试验室四方现场联合试拌验证确定。
本项目生产配比矿料级配如下表1-1:油石比:4.49%;沥青用量4.3%。
拌和楼各热料仓筛分结果如下表1-2:表1-2 拌和楼各热料仓筛分结果中面层施工进度情况:我项目中面层于2006年5月21日进行了试拌,5月24日正式确定了施工生产配比, 5月27日,试铺结束。
截止到6月6日,中面层累计完成单幅19.2km,完成总量的30.1%。
2试铺5月27日,我项目部在主线K0+725-K1+125段右幅进行了中面层试铺。
按照试验段试铺技术方案,顺利完成了各项技术控制指标的采集,确定了机械组合形式以及人员组织机构、岗位职责,通过检测,沥青混合料和成型检验的各项结果均满足要求,达到了试铺目的。
2.1正式施工配比: 1#料:2#料:3#料:4#料:矿粉 =24:35:15:23:3:。
沥青用量4.3%。
2.2拌和楼正常施工产量:280t/h。
2.3正常摊铺速度: 2.5m/min,且两台摊铺机的间距应保持在10m以内。
2.4作业段长度:初压双钢轮压路机紧跟摊铺机碾压,初压与摊铺面间隔距离不得>20米。
整个碾压过程采用套压工艺,每一碾压作业段以50m为宜。
苏高技(2003)18号高性能沥青路面(Superpave-19)中面层施工指导意见(SBS改性沥青)一、概述高性能沥青路面(Superpave),采用了全新的沥青混合料设计方法。
Superpave沥青混合料设计方法,采用旋转压实仪成型试件,依据沥青混合料初始、设计和最大旋转压实次数时的密实度以及在设计压实次数时的空隙率、矿料间隙率、沥青填隙率、填料与有效沥青之比进行沥青混合料的组成设计。
它在沥青混合料组成设计时首先依据石料的性质进行级配组成设计,然后再进行油石比的选择。
在吸收国外先进设计方法的基础上,结合我省试验研究成果,制定了《高性能沥青路面(Superpave-19)中面层施工指导意见(SBS改性沥青)》,以指导我省高速公路沥青路面中面层施工。
沥青路面中面层厚度6-7cm,采用石灰岩集料,Superpave19结构。
二、配合比设计配合比设计包括目标配合比设计、生产配合比设计以及生产配合比验证三个阶段。
由于技术及试验设备限制,目标配合比设计统一委托省交通科研院设计,并提供相关的马歇尔试验技术指标。
根据工程实际使用的材料和设计配比要求,计算出材料配比,在室内拌制沥青混合料,用旋转压实机成型混合料试件,计算沥青混合料的体积指标应满足表1的规定,从而确定矿料的比例和最佳沥青的用量。
据此作为目标配合比,供拌和楼冷料仓的供料比例、进料速度及试拌使用。
生产配合比设计是将二次筛分后进入热料仓的材料取出筛分,再次确定各热料仓的材料比例,同时反复调整冷料仓进料比例,以达到供料均衡,并以目标配合比设计的最佳用油量及最佳用油量的-0.3%、+0.3%三个沥青用量进行马歇尔试验,检验各项指标是否满足规范要求,不满足要求应重新调整热料仓比例,进行级配设计。
同时按生产配合比拌制的混合料是否满足Superpave的体积性质要求(包括马歇尔标准)见表1和表2,如果不符合应调整级配和沥青用量使其符合Superpave标准。
生产配合比设计由省交科院和承包商共同完成。
高性能沥青路面(SBS改性沥青Superpave-20)中面层施工指导意见(修订版)Superpave沥青混合料采用旋转压实仪成型试件,依据沥青混合料初始、设计和最大旋转压实次数时的密实度以及在设计压实次数时的空隙率、矿料间隙率、沥青填隙率、填料与有效沥青之比进行沥青混合料的组成设计。
它在沥青混合料组成设计时首先依据石料的性质进行级配组成设计,然后再进行油石比的选择。
在吸收国外先进设计方法的基础上,结合我省试验研究成果,制定了《高性能沥青路面(SBS改性沥青Superpave20中面层施工指导意见(修订版)»,以指导我省高速公路沥青路面中面层施工。
沥青路面中面层采用Superpave20结构时其厚度不小于6cm。
其沥青混合料级配应满足表一和表二,技术指标应满足表三和表四。
材料要求1、沥青沥青面层采用SBS改性沥青,其技术要求见表五。
沥青性能整套检验由省高指委托有关试验单位进行,各施工单位和驻地监理组工地试验室、市高指中心试验室按苏高技(2004)203号《关于进一步明确高速公路沥青路面原材料检测项目和检测频率的通知》规定对到场沥青进行检测,并留样备检。
注:当级配在禁区下方通过时,粉胶比可取值〜。
2、粗集料应采用石质坚硬、清洁、不含风化颗粒、近立方体颗粒的碎石,粒径大于2.36m m。
中面层采用石灰岩等碱性石料,应选用反击式破碎机轧制的碎石,严格控制细长扁平颗粒含量,以确保粗集料的质量。
集料质量应从源头抓起,派专人进驻集料加工厂,对不合格的集料不得装车、装船,对进场粗集料按苏高技(2004)203号文规定进行检验。
粗集料技术要求见表六。
3、细集料采用坚硬、洁净、干燥、无风化、无杂质并有适当级配的人工轧制的米砂,石质为石灰岩,不能采用山场的下脚料。
对进场细集料,按苏高技(2004)203号文规定进行检查。
细集料规格见表七。
4、填料宜采用石灰岩碱性石料经磨细得到的矿粉。
矿粉必须干燥、清洁,矿粉质量技术要求见表八,进场填料按苏高技(2004)203号文规定进行检验。
SBS改性沥青Superpave20路面施工工法公路运输业的发展,热拌沥青混合料在重交通路面上的应用不断增加,但其使用效果却并不尽如人意。
由于交通量的剧增,轮胎气压和轴载的增加,更严格的环境要求,以及新材料层出不穷,许多完全满足现行规范的沥青路面仍发生了车辙和剥落,低温开裂等早期破坏,也就是说现行规范不能完全控制沥青路面的某些早期损坏。
Superpave是一个全新的、内容广泛的沥青混合料设计和分析体系,也是美国公路战略研究计划(SHRP)的一个成果,是开发基于性能的沥青胶结料规范和研究改进混合料设计方法。
Superpave体系的特性是在于试验是在更能体现路面实际服务状况的温度和老化条件下进行的。
为切实提高高速公路沥青路面施工质量,推广superpave新技术在浙江省内应用,省交通厅要求,在浙北某高速公路首次采用Superpave配合比设计方法设计的沥青混合料路面,经过试铺和不断总结提高,施工过程顺利,铺筑好的沥青路面,经交通厅质监局组织的严格检测,各项指标都好于普通改性沥青混凝土路面,满足规范要求。
一、工法特点1.Superpave混合料在设计过程中充分考虑到了气候环境条件和交通量的影响,试件成型采用旋转压实的方法模拟路面的实际施工过程。
2.集料级配更趋于嵌挤、密实,高温稳定性好,适于交通量大和抗车辙要求高的公路。
3.在施工确保合适空隙率的前提下,抗水害性能和抗疲劳性能也较好。
4.Superpave与传统的AK型和AC型沥青混合料相比,施工难易程度和工程造价基本相当。
二、适用范围同普通沥青混合料设计方法,适用于新建和改建公路的路面各结构层次。
三、SBS改性沥青Superpave201.设计原理。
Superpave混合料设计系统根据工程所在地的气候和设计交通量,把材料选择与混合料设计都集中在方法中,该方法要求在设计沥青路面时,充分考虑在服务期内温度对路面的影响,要求沥青路面在最高设计温度时能满足高温性能的要求,不产生过量的车辙;在路面最低设计温度时,能满足低温性能的要求,避免或减少低温开裂;在常温范围内控制疲劳开裂。
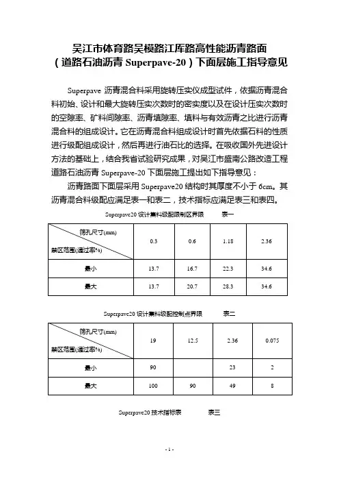
吴江市体育路吴模路江厍路高性能沥青路面(道路石油沥青Superpave-20)下面层施工指导意见Superpave沥青混合料采用旋转压实仪成型试件,依据沥青混合料初始、设计和最大旋转压实次数时的密实度以及在设计压实次数时的空隙率、矿料间隙率、沥青填隙率、填料与有效沥青之比进行沥青混合料的组成设计。
它在沥青混合料组成设计时首先依据石料的性质进行级配组成设计,然后再进行油石比的选择。
在吸收国外先进设计方法的基础上,结合我省试验研究成果,对吴江市盛南公路改造工程道路石油沥青Superpave-20下面层施工提出如下指导意见:沥青路面下面层采用Superpave20结构时其厚度不小于6cm。
其沥青混合料级配应满足表一和表二,技术指标应满足表三和表四。
*注:当级配在禁区下方通过时,粉胶比可取值0.8~1.6。
一、材料要求1、沥青沥青面层采用优质道路石油沥青,标号70号,技术要求见表五。
各施工单位和驻地监理组工地试验室应对针入度、延度和软化点进行检验,并由施工单位留样备检。
施工单位每车检测1次,监理单位每5车检测1次。
沥青全套指标检验由施工单位和监理组联合委托有关单位按每2000吨进行,每个标段至少送检1次,沥青PG分级试验每标段不少于1次。
2、粗集料应采用石质坚硬、清洁、不含风化颗粒、近立方体颗粒的碎石,粒径大于2.36mm。
下面层采用石灰岩等碱性石料,应选用反击式破碎机轧制的碎石,严格控制细长扁平颗粒含量,以确保粗集料的质量。
集料质量应从源头抓起,派专人进驻集料加工厂,对不合格的集料不得装车、装船,对进场粗集料按规定进行检验。
粗集料技术要求见表六。
3、细集料采用坚硬、洁净、干燥、无风化、无杂质并有适当级配的人工轧制的米砂,石质为石灰岩,不能采用山场的下脚料。
对进场细集料每500吨检验一次。
细集料规格见表七。
4、填料宜采用石灰岩碱性石料经磨细得到的矿粉。
每100吨检测1次。
矿粉必须干燥、清洁,矿粉质量技术要求见表八,拌和机回收的粉料不能用于拌制沥青混合料,以确保沥青面层的质量。
SBS 改性 AC-20 沥青砼中面层施工方案 申苏浙皖高速二期二标 沥青中面层施工技术方案 一、 测量放样: 根据有关技术规范规定,首先对测量控制点,如桥轴线、桩、三角网基点桩、导线点、水准 点桩等进行复测,与设计提供的结果进行相对比,若能符合精度要求,即采用其成果,并且 进行桩点的加密和保护工作,以满足施工放样的精度要求。
若发现桩标志不足,不稳定,被 移动或精度不能满足施工要求时,则一方面与设计院、监理联系,另一方面在原控制网的基 础上进行加密,增设控制点。
二、 工程概况: 本合同段起点桩号为K73+950,终点桩号为 K88+225,包括泗安互通,全长14.275Km 。
主线路面结构为 16cm 二灰稳定碎石底基层 +36cm 二灰稳定碎石基层 +0.5cm 沥青下封层 +8cm AC-25I 型粗粒式沥青下面层 +6cm AC-20I 型改性沥青中面层 +4cm AK-13A 型改性沥青砼面层, 上、中面层采用SBS 改性沥青I-C 型其各项指标均应符合《公路改性沥青路面施工技术规范》 的要求。
1 、 《沥青路面施工技术规范》 JTJ032-942、 申苏浙皖高速公路施工图设计文件3、东南大学中心试验室沥青施工指导意见 四、铺筑前的准备工作我部根据工作需要,设立了生产指挥系统,进行了充分的人员、技术、机械、材料、仪器等 的准备工作 1 、生产指挥系统 经理部以“质量第一,安全第一”为指导思想,生产指挥系统以项目经理全面负责指挥,生 产指挥系统详见附表一。
2、技术准备⑴、经理部以“充分准备、精心施工、严格把关、确保质量”为指导思想,由总工牵头,对 沥青中面层施工技术方案进行了认真的编写,编写了沥青中面层试验段施工组织设计及施工 技术方案,并报驻地办、指挥部批准、审核。
由总工牵头组织学习了《沥青路面施工技术规 范》、《申苏浙皖高速公路施工图设计文件》 ,并按照工作内容、 工作重点、 工作性质的不同特 点进行了技术交底,在对试验段进行总结的基础上再次进行了大面积施工的技术交底,力求 让全体员工做到五个“明确”即岗位明确、职责明确、施工程序明确、操作规程明确、质量 标准明确。
江苏省高速公路沥青路面中面层(SBS改性沥青AC-20S)解读AC-20S)施工指导意见(修订版)苏高技(2005)60号根据交通部标准JTGF402004《公路沥青路面施工技术规范》规定,结合我省已建高速公路的施工经验和研究成果,对江苏省高速公路沥青路面中面层施工,提出如下指导意见。
沥青路面中面层厚度6cm,采用AC20S级配类型。
沥青混合料矿料级配应符合表一的规定。
一、材料要求1、沥青沥青中面层采用优质SBS改性沥青,其技术要求见表二。
沥青性能整套检验由省高指委托有关试验单位进行,各施工单位和驻地监理组工地实验室、市高指中心试验室按苏高技(2004)203号《关于进一步明确高速公路沥青路面原材料检测项目和检测频率的通知》规定对到场沥青进行检测,并留样备检。
2、粗集料应采用石质坚硬、清洁、不含风化颗粒、近立方体颗粒的碎石,粒径大于2.36mm。
应采用石灰岩等碱性石料,用反击式破碎机轧制的碎石,严格控制细长扁平颗粒含量,以确保粗集料的质量。
集料质量应从源头抓起,派专人进驻集料加工厂,对不合格的集料不得装车、装船,对进场粗集料按苏高技(2004)203号文规定进行检验。
粗集料技术要求见表三。
3、细集料采用坚硬、洁净、干燥、无风化、无杂质并有适当级配的人工轧制的米砂,石质为石灰岩,不能采用山场的下脚料。
对进场集料按苏高技(2004)203号文规定进行检验。
细集料规格见表四。
沥青路面中面层用沥青混凝土矿料级配通过率(%)范围表一层次中面层类型方筛孔尺寸(mm)AC20S26.510019.090-10016.078-9413.265-859.554-744.7535-552.3623-391.1814-280.69200.36150.154110.07537SBS改性沥青技术要求表二2技术要求50~80-0.2~+1.030608003230992.5700.66520PG70-22沥青面层用粗集料质量技术要求表三指标石料压碎值不大于(%)洛杉矶磨耗损失不大于(%)视密度不小于(t/m3)吸水率不大于(%)对沥青的粘附性不小于坚固性不大于(%)针片状颗粒含量不大于(%)水洗法0.075mm颗粒含量不大于(%)软石含量不大于(%)技术要求24282.602.04级12151.03.0沥青面层用细集料规格表四规格S16公称粒径(mm)4.75通过下列方筛孔(mm)的质量百分率(%)2.361.180.60.30.150.0750-310080~10050~8025~608~450~250~15注:(1)视密度不小于2.5g/cm3;(2)砂当量不得小于60%(宜控制在70%以上),亚甲蓝值不大于25g/kg,亚甲蓝试验待试验规程正式发布后执行;(3)小于0.075mm质量百分率宜不大于12.5%;(4)棱角性不小于30。
江苏省高速公路沥青路面中面层(SBS改性沥青-AC-20S)解读
背景
高速公路是国家经济发展和社会建设的重要载体,也是展示地区发展水平的窗口。
其中,路面是高速公路建设中不可缺少的重要部分。
而沥青路面是目前高速公路路面使用最为广泛的一种材料,其作为路面材料的使用历史已经超过100年。
近年来,为了适应不同的气候环境和车流量,各地开始使用SBS改性沥青来增强路面的性能和耐久性。
SBS改性沥青
SBS改性沥青是指将聚合物SBS(丁苯橡胶-苯乙烯共聚物)与沥青混合使用,从而提高沥青的变形性、延展性和抗老化能力。
SBS是一种高分子材料,它具有良好的粘附性、弹性、耐磨和耐化学腐蚀等特性。
将其加入沥青中,可以增加沥青牢固度和耐磨性,使路面的性能更加出色。
AC-20S
AC-20S是一种常用的SBS改性沥青混合料型号。
具体来说,AC代表沥青混合料的标准型号(Asphaltic Concrete,或称沥青混凝土),20代表其耐高温性能,即其可在20℃以下温度下正常使用,S代表中面层(Surface)。
AC-20S通常用于中面层,其主要特点包括:
•耐高温性能好
•具有良好的延展性和强度
•耐水性能好,不易受水湿环境的影响
•耐冷性能较弱,需在寒冷地区进行保温
江苏省高速公路采用AC-20S作为路面中面层的原因是其耐磨、耐老化、耐高温和增强路面性能的特点,可以提高路面的疲劳寿命和耐久性能。
江苏省高速公路采用SBS改性沥青AC-20S作为路面中面层,可以提高路面的性能和耐久性,适应不同的车流量和气候条件。
随着人们对高速公路技术的不断研究和探索,相信高速公路的路面材料会更加科学、先进和环保。
江阴市海港大道路面工程沥青下面层Superpave-20监理实施细则监理细则编制:批准:江苏中设工程咨询集团有限公司海港大道路面工程施工监理HGJL-D标总监办二0一八年十一月沥青面层Superpave-20监理实施细则一、工程概况及技术特点江阴市海港大道起于滨江路,本次设计起点位于滨江路南侧,桩号K0+000,路线由北向南,跨越港城大道、镇澄路、与芙蓉大道交叉后,继续向南跨越移山河,穿越凤凰山,跨过南焦路、黄昌河,再穿越秦望山后,跨越环山河、与规划江阴大道交叉,路线继续向南跨越戚月线、沿江高速公路,依次与月桐路、青桐路、青桐南路相交,终于暨南大道,终点桩号K19+484.209。
路线全长约19.484Km,道路沿线经过申港、南闸、月城、青阳四个镇区。
主线行车道采用4cmSBS改性沥青SMA-13+6cmSBS改性沥SUP-20+8cm70#A 级道路石油沥青混凝土SUP-25。
主线桥、匝道桥、高架桥、高架地面道路桥桥面铺装采用4cmSBS改性沥青SMA-13+6cmSBS改性沥青SUP-20。
隧道路面采用4cm阻燃沥青混凝土SMA-13+6cm SUP-20。
HGJL—D标段:海港大道桩号K0+000~K19+484.210范围内路面工程的施工、安全、环保监理,以及交通安全设施等的施工监理和缺陷责任期服务。
二、施工准备阶段的监理工作:1. 各种面层材料必须认真选择,试验,审定及验收。
各项指标应符合设计及规范规1)、沥青⑴SBS改性沥青:主线行车道中面层(SUP-20)使用SBS改性沥青;;SBS 改性剂,设计添加剂量为4.5%~5.0%,施工添加剂量根据施工配合比试验进一步验收后确定。
技术要求见下表一。
⑵70号A级道路石油沥青:辅道下面层(SUP-20)采用重交通道路石油沥青,沥青标号为70号A级。
技术要求见下表二。
⑶高模量改性沥青:对沿线各交叉口范围及进口道250m的区域内主线中面层SUP20采用高模量改性沥青(高模量+改性沥青);跨线桥下平交口辅道进口道250m的区域内辅道下面层SUP20采用高模量沥青(高模量剂+普通沥青)。
Superpave20沥青中面层首件工程初审意见1、基本同意承包人所报施工技术方案和施工作业指导书。
2、摊铺前下面层表面应清扫干净,保证层面之间良好结合。
3、严把材料进场关。
各种材料质量必须符合设计和规范要求,不合格材料严禁进场,已进场材料分类堆放,规范管理,并采取覆盖或其它防潮措施。
4、按规定频率检查混合料的配比和级配应符合设计要求。
5、加强几个阶段温度的控制,特别要加强对碾压温度的控制。
当路表温度低于15℃时,不宜摊铺Superpave20沥青路面混合料。
6、Superpave20沥青混凝土应缓慢、均匀、连续不间断地摊铺。
摊铺速度宜为3-4m/min,不得随意变换速度或中途停顿。
7、当摊铺时遇雨或下层潮湿时,严禁进行摊铺工作,对已摊铺没经压实即遭雨淋的沥青混合料应全部清除更换新料。
8、按规定程序认真及时填报各种表格。
通启高速公路TQ监-08标驻地监理组二OO四年二月日Superpave20沥青中面层(含桥面铺装)施工监理实施细则TQ-11标段中面层采用Superpave20沥青混凝土,主线厚度6cm,与盐通高速共线段7cm。
一、施工准备1、沥青路面中面层施工前,应对基层进行检查,当质量符合要求时,方可开始施工。
(1)检查下封层的与基层表面的粘接性。
对局部基层外露部分应按施工要求进行补铺。
(2)铺筑中面层前,对下面层表面应进行彻底清扫,清除纹槽内泥土杂物,风干后均匀喷洒粘层乳化沥青,喷洒数量按沥青含量0.2~0.4Kg/m2控制。
2、拌和场地设置应选择适宜的地点设置沥青拌和厂,其生产供应能力必须满足施工需要。
料场地面采用水泥混凝土硬化,进出拌和厂和集料堆场的道路也用水泥混凝土硬化。
拌和厂配置试验室和电力、安全、消防等设施。
3、备足原材料承包人应根据工程任务和工期目标要求,制订进料计划,落实运输和卸力,确保材料存量满足施工需要。
在面层开始施工前,备齐总用量70%左右的粗集料,以免材料供应不上影响施工进程。
高性能沥青路面(SBS改性沥青Superpave-20)中面层施工指导意见(修订版)Superpave沥青混合料采用旋转压实仪成型试件,依据沥青混合料初始、设计和最大旋转压实次数时的密实度以及在设计压实次数时的空隙率、矿料间隙率、沥青填隙率、填料与有效沥青之比进行沥青混合料的组成设计。
它在沥青混合料组成设计时首先依据石料的性质进行级配组成设计,然后再进行油石比的选择。
在吸收国外先进设计方法的基础上,结合我省试验研究成果,制定了《高性能沥青路面(SBS改性沥青Superpave20)中面层施工指导意见(修订版)》,以指导我省高速公路沥青路面中面层施工。
沥青路面中面层采用Superpave20结构时其厚度不小于6cm。
其沥青混合料级配应满足表一和表二,技术指标应满足表三和表四。
Superpave20设计集料级配限制区界限表一Superpave20设计集料级配控制点界限表二一、材料要求1、沥青沥青面层采用SBS改性沥青,其技术要求见表五。
沥青性能整套检验由省高指委托有关试验单位进行,各施工单位和驻地监理组工地试验室、市高指中心试验室按苏高技(2004)203号《关于进一步明确高速公路沥青路面原材料检测项目和检测频率的通知》规定对到场沥青进行检测,并留样备检。
Superpave20技术指标表表三Superpave20混合料马歇尔技术指标表表四2、粗集料应采用石质坚硬、清洁、不含风化颗粒、近立方体颗粒的碎石,粒径大于2.36mm。
中面层采用石灰岩等碱性石料,应选用反击式破碎机轧制的碎石,严格控制细长扁平颗粒含量,以确保粗集料的质量。
集料质量应从源头抓起,派专人进驻集料加工厂,对不合格的集料不得装车、装船,对进场粗集料按苏高技(2004)203号文规定进行检验。
粗集料技术要求见表六。
3、细集料采用坚硬、洁净、干燥、无风化、无杂质并有适当级配的人工轧制的米砂,石质为石灰岩,不能采用山场的下脚料。
对进场细集料,按苏高技(2004)203号文规定进行检查。
用SUP-20改性沥青混凝土做沥青混凝土中面层可以有效的消除车辙,所以近年来,在公路建设中得到广泛的应用,在使用SU P-20改性沥青混凝土的时候一定要特别注意其配比的合理性以及摊铺和碾压操作。
这些都是影响公路质量的关键因素。
1 工程概况徐州市三环南路不仅是国家东西方向干线公路,还是徐州市区内的一条主要干道,中间经过矿业大学、风华园、中山南路、解放南路,原来老路横断面的布置如下:2m ×6m的沥青路面人行道+21m水泥砼路面的快车道+2m×2m的绿化带,因为建设时间比较长,近些年交通量又在迅速的增长,所以路面破坏比较严重,尤其是机动车道出现多种病害,主要表现为断板、脱空等,导致公路的服务水平逐渐下降。
本工程的起点是淮海食品城位置古州飞虹圆盘处(K0+000),终点是老徐肖路口(K12+140),总路程为12.14公里。
2 SUP-20改性沥青混凝土材料要求2.1沥青最好采用性能优质的SBS改性沥青。
2.2粗集料粗集料在选择的时候应该采用石质清洁、坚硬、不含风化颗粒、并且近立方体颗粒的碎石,颗粒的直径不能小于2.36m m,对于石灰岩等碱性粗集料,应该采用破碎机轧制,尽量剔除针片状颗粒。
2.3细集料细集料宜采用洁净、坚硬、无风化、干燥、无杂质并且具有适当级配的,经过人工轧制之后的机制砂,石质要和粗集料相同,严格检查不要使用采料场的下脚料。
2.4矿粉矿粉应该采用石灰岩等碱性石料经过磨细之后得到的矿粉。
要求矿粉一定要干燥、清洁,在拌和机生产过程中回收的粉料不能作矿粉。
3 SUP-20改性沥青混凝土配合比设计3.1目标配合比设计(1)首先要根据Superpave级配的相关要求,大致选择细、中、粗三个级配,然后计算各个级配中沥青的用量。
在大致选择的三个级配当中,最少要有2个级配的沥青混合料指标满足相关规定。
根据实际的操作经验从以上2个级配中选一个认为比较合适的作为目标配合比,按照一定的计算方法,计算沥青的用量,上下浮动在±0.5%之内,然后分别制成四组试件进行试验,最终确定沥青的最佳用量。
高性能沥青路面(SBS改性沥青Superpave-20)中面层施工指导Superpave沥青混合料采用旋转压实仪成型试件,依据沥青混合料初始、设计和最大旋转压实次数时的密实度以及在设计压实次数时的空隙率、矿料间隙率、沥青填隙率、填料与有效沥青之比进行沥青混合料的组成设计。
它在沥青混合料组成设计时首先依据石料的性质进行级配组成设计,然后再进行油石比的选择。
在吸收国外先进设计方法的基础上,结合试验研究成果,制定了《高性能沥青路面(SBS 改性沥青Superpave20)中面层施工指导》,以指导高速公路沥青路面中面层施工。
沥青路面中面层采用Superpave20结构时其厚度不小于6cm。
其沥青混合料级配应满足表一和表二,技术指标应满足表三和表四。
Superpave20设计集料级配限制区界限表一Superpave20设计集料级配控制点界限表二一、材料要求1、沥青沥青面层采用SBS改性沥青,其技术要求见表五。
沥青性能整套检验由省高指委托有关试验单位进行,各施工单位和驻地监理组工地试验室、市高指中心试验室按xx高技(XX)203号《关于进一步明确高速公路沥青路面原材料检测项目和检测频率的通知》规定对到场沥青进行检测,并留样备检。
Superpave20技术指标表表三*注:当级配在禁区下方通过时,粉胶比可取值0.8~1.6。
Superpave20混合料马歇尔技术指标表表四2、粗集料应采用石质坚硬、清洁、不含风化颗粒、近立方体颗粒的碎石,粒径大于2.36mm。
中面层采用石灰岩等碱性石料,应选用反击式破碎机轧制的碎石,严格控制细长扁平颗粒含量,以确保粗集料的质量。
集料质量应从源头抓起,派专人进驻集料加工厂,对不合格的集料不得装车、装船,对进场粗集料按xx高技(XX)203号文规定进行检验。
粗集料技术要求见表六。
3、细集料采用坚硬、洁净、干燥、无风化、无杂质并有适当级配的人工轧制的米砂,石质为石灰岩,不能采用山场的下脚料。
SUP-20改性沥青混凝土作为沥青混凝土中面层的施工应用摘要:高性能沥青路面(Superpave),采用了全新的沥青混合料设计方法。
Superpave沥青混合料设计方法,采用旋转压实仪成型试件,依据沥青混合料初始设计和最大旋转压实次数时的密实度以及在设计压实次数时的空隙率、矿料间隙率、沥青填隙率、填料与有效沥青之比进行沥青混合料的组成设计。
它在沥青混合料组成设计时首先依据石料的性质进行级配组成设计,然后再进行油石比的选择。
本文就结合徐州市三环南路的施工情况针对SUP-20改性沥青混凝土作为沥青混凝土中面层的施工应用问题加以研究说明。
关键词:沥青混凝土中面层施工用SUP-20改性沥青混凝土做沥青混凝土中面层可以有效的消除车辙,所以近年来,在公路建设中得到广泛的应用,在使用SUP-20改性沥青混凝土的时候一定要特别注意其配比的合理性以及摊铺和碾压操作。
这些都是影响公路质量的关键因素。
1 工程概况徐州市三环南路不仅是国家东西方向干线公路,还是徐州市区内的一条主要干道,中间经过矿业大学、风华园、中山南路、解放南路,原来老路横断面的布置如下:2m×6m的沥青路面人行道+21m水泥砼路面的快车道+2m×2m的绿化带,因为建设时间比较长,近些年交通量又在迅速的增长,所以路面破坏比较严重,尤其是机动车道出现多种病害,主要表现为断板、脱空等,导致公路的服务水平逐渐下降。
本工程的起点是淮海食品城位置古州飞虹圆盘处(K0+000),终点是老徐肖路口(K12+140),总路程为12.14公里。
2 SUP-20改性沥青混凝土材料要求2.1沥青最好采用性能优质的SBS改性沥青。
2.2 粗集料粗集料在选择的时候应该采用石质清洁、坚硬、不含风化颗粒、并且近立方体颗粒的碎石,颗粒的直径不能小于 2.36mm,对于石灰岩等碱性粗集料,应该采用破碎机轧制,尽量剔除针片状颗粒。
2.3 细集料细集料宜采用洁净、坚硬、无风化、干燥、无杂质并且具有适当级配的,经过人工轧制之后的机制砂,石质要和粗集料相同,严格检查不要使用采料场的下脚料。
浙江省绍诸高速公路沥青路面中面层(SBS 改性沥青Sup20)施工指导意见根据交通部标准《公路沥青路面施工技术规范》(JTG F40-2004)、《绍诸高速公路路面工程招标文件》的要求,吸收国外先进设计方法,结合已建典型工程的施工经验和研究成果,对浙江省绍诸高速公路沥青路面中面层提出如下指导意见。
沥青路面中面层采用Sup20级配类型。
沥青混合料矿料级配应符合表一、表二的规定。
表一Superpave20设计级配限制区界限表二Superpave20设计级配控制点界限一、材料要求1、沥青沥青面层采用SBS改性沥青,技术要求见表三。
表三SBS改性沥青技术要求2、粗集料应采用石质坚硬、清洁、不含风化颗粒、近立方体颗粒的碎石,粒径大于2.36mm。
中面层采用石灰岩石料,应选用反击式破碎机轧制的碎石,严格控制细长扁平颗粒含量,以确保粗集料的质量。
集料质量应从源头抓起,对不合格的集料不得装车、装船,对进场粗集料按规定进行检验。
粗集料技术要求见表四。
3、细集料采用坚硬、洁净、干燥、无风化、无杂质并有适当级配的人工轧制的米砂,石质为石灰岩,不能采用山场的下脚料。
细集料规格见表五。
表四沥青中面层用粗集料质量技术要求表五沥青中面层用细集料规格注:(1)视密度不小于2.6 g/cm3;(2)砂当量不得小于60%(宜控制在70%以上),亚甲蓝值不大于5g/kg;(3)小于0.075mm质量百分率宜不大于12.5%;(4)棱角性不小于30s。
4、填料宜采用石灰岩碱性石料经磨细得到的矿粉。
矿粉必须干燥、清洁,矿粉质量技术要求见表六。
拌和机回收的粉料不能用于拌制沥青混合料,以确保沥青面层的质量。
表六沥青面层用矿粉质量技术要求*注:亲水系数宜小于0.8。
二、做好施工机械与质量检测仪器的准备工作1、必须配备齐全施工机械和配件,做好开工前的保养、调试和试机,并保证在施工期间不发生有碍施工进度和质量的故障。
沥青面层应采用单幅全宽机械化连续摊铺作业,对于单幅双车道面层,应实施两台摊铺机梯队作业,以确保铺面的质量。
高速公路沥青路面中面层(AC-20)SBS改性沥青混合料施工指导意见根据高速公路设计文件和部颁《公路沥青路面施工技术规范》(JTG F40-2004)要求,结合省内外已建成高等级公路的施工经验,特提出如下指导意见:1 集料级配高速公路沥青路面中面层厚度6cm,采用AC 20型级配。
沥青混合料矿料级配工程设计范围应符合表1的规定。
表1 沥青中面层矿料级配通过率(%)范围级配类型下列筛孔(mm)的通过率(%)26.5 19 16 13.2 9.5 4.75 2.36 1.18 0.6 0.3 0.15 0.075AC-20 100 90-100 78-92 62-80 50-72 26-56 16-44 12-33 8-24 5-17 4-13 3-7 2 材料要求2.1 沥青高速中上面层根据设计文件,采用优质SBS改性沥青,等级达到美国SHRP 沥青路用性能规范的PG76-16要求,其具体指标要求见表2、表3。
表2 PG76-16等级SBS改性沥青参数要求样品类型试验指标及试验条件试验温度,℃要求原样沥青闪点(COC),℃/ ≥230 粘度,Pa.s 135 ≤3 动态剪切G*/sinδ(@10rad/s),kPa 76 ≥1.0RTFOT残留沥青质量损失,% / ≤1.00 动态剪切G*/sinδ(@10rad/s),kPa 76 ≥2.2PA V残留沥青(老化温度100℃)动态剪切G*sinδ(@10rad/s),kPa 34 ≤5000 蠕变劲度S,MPa;m值(@60s)-6S≤300m值≥0.30 直接拉伸破坏应变(@1.0mm/min),% -6 ≥1.0注:1、表中所有项目都满足时,沥青结合料达到PG76-16等级。
2、蠕变劲度S≤300 MPa,直接拉伸试验可不做要求,在300~600 MPa之间,直接拉伸试验的破坏应变要求可代替蠕变劲度的要求,m值在两种情况下都应满足。
表3 SBS改性沥青技术要求检验项目技术要求针入度(25℃,100g,5s)(0.1mm)40~60 针入度指数PI 不小于0延度(5cm/mim,5℃)(cm)不小于20软化点(T R&B)(℃)不小于60动力粘度(60℃)(Pa.s)不小于2000 运动粘度(135℃)(Pa.s)不大于 3闪点(℃)不小于230 溶解度(%)不小于99离析,软化点差(℃)不大于 2.5弹性恢复(25℃)(%)不小于75RTFOT 试验后质量变化(%)不大于±1.0 针入度比(25℃)(%)不小于65 延度(5cm/mim,5℃)(cm)不小于15改性沥青运抵工地后,由监理代表处组织会同承包人按1批(次)/500吨对改性沥青全套指标进行检测,检测费由各段承包人均摊。
2016新编江苏省高速公路沥青路面中面层(SBS改性沥青,AC-20S)施工指导意见(修订版)江苏省高速公路沥青路面中面层(SBS改性沥青,AC-20S)施工指导意见(修订版)苏高技(2005)60号根据交通部标准JTG F402004《公路沥青路面施工技术规范》规定,结合我省已建高速公路的施工经验和研究成果,对江苏省高速公路沥青路面中面层施工,提出如下指导意见。
沥青路面中面层厚度6cm,采用AC20S级配类型。
沥青混合料矿料级配应符合表一的规定。
一、材料要求1、沥青沥青中面层采用优质SBS改性沥青,其技术要求见表二。
沥青性能整套检验由省高指委托有关试验单位进行,各施工单位和驻地监理组工地实验室、市高指中心试验室按苏高技(2004)203号《关于进一步明确高速公路沥青路面原材料检测项目和检测频率的通知》规定对到场沥青进行检测,并留样备检。
2、粗集料应采用石质坚硬、清洁、不含风化颗粒、近立方体颗粒的碎石,粒径大于2.36mm。
应采用石灰岩等碱性石料,用反击式破碎机轧制的碎石,严格控制细长扁平颗粒含量,以确保粗集料的质量。
集料质量应从源头抓起,派专人进驻集料加工厂,对不合格的集料不得装车、装船,对进场粗集料按苏高技(2004)203号文规定进行检验。
粗集料技术要求见表三。
3、细集料采用坚硬、洁净、干燥、无风化、无杂质并有适当级配的人工轧制的米砂,石质为石灰岩,不能采用山场的下脚料。
对进场集料按苏高技(2004)203号文规定进行检验。
细集料规格见表四。
沥青路面中面层用沥青混凝土矿料级配通过率(%)范围表一层次类型方筛孔尺寸(mm)中面层AC20S26.5 100 19.0 90-100 16.0 78-94 13.2 65-859.5 54-744.75 35-552.36 23-391.18 14-280.6 920 0.3 615 0.15 411 0.075 37SBS改性沥青技术要求表二检验项目技术要求针入度(25℃,100g,5S)(0.1mm) 50~80针入度指标PI -0.2~+1.0 延度(5cm/mim,5℃)(cm)不小于30软化点(T R&B)(℃) 不小于60动力粘度(60℃)( Pa.S) 不小于800动力粘度(135℃)( Pa.S) 不大于 3闪点(℃)不小于230溶解度(%)不小于99离析,软化点差(℃)不大于 2.5弹性恢复(25℃)(%)不小于70RTFOT 试验后质量损失(%)不大于0.6 针入度比(25℃)(%)不小于65 延度(5cm/mim,5℃)(cm)不小于20SHRP性能等级PG70-22沥青面层用粗集料质量技术要求表三指标技术要求石料压碎值不大于(%)24洛杉矶磨耗损失不大于(%)28视密度不小于(t/m3)2.60吸水率不大于(%)2.0 对沥青的粘附性不小于4级坚固性不大于(%)12 针片状颗粒含量不大于(%)15 水洗法0.075mm颗粒含量不大于(%)1.0 软石含量不大于(%)3.0沥青面层用细集料规格表四规格公称粒径(mm)通过下列方筛孔(mm)的质量百分率(%)4.75 2.36 1.18 0.6 0.3 0.15 0.075S16 0-3 100 80~100 50~80 25~60 8~45 0~25 0~15注:(1)视密度不小于2.5 g/cm3;(2)砂当量不得小于60%(宜控制在70%以上),亚甲蓝值不大于25g/kg,亚甲蓝试验待试验规程正式发布后执行;(3)小于0.075mm质量百分率宜不大于12.5%;(4)棱角性不小于30s。
高性能沥青路面(SBS改性沥青Superpave-20)中面层施工指导意见(修订版)Superpave沥青混合料采用旋转压实仪成型试件,依据沥青混合料初始、设计和最大旋转压实次数时的密实度以及在设计压实次数时的空隙率、矿料间隙率、沥青填隙率、填料与有效沥青之比进行沥青混合料的组成设计。
它在沥青混合料组成设计时首先依据石料的性质进行级配组成设计,然后再进行油石比的选择。
在吸收国外先进设计方法的基础上,结合我省试验研究成果,制定了《高性能沥青路面(SBS改性沥青Superpave20)中面层施工指导意见(修订版)》,以指导我省高速公路沥青路面中面层施工。
沥青路面中面层采用Superpave20结构时其厚度不小于6cm。
其沥青混合料级配应满足表一和表二,技术指标应满足表三和表四。
Superpave20设计集料级配限制区界限表一Superpave20设计集料级配控制点界限表二一、材料要求1、沥青沥青面层采用SBS改性沥青,其技术要求见表五。
沥青性能整套检验由省高指委托有关试验单位进行,各施工单位和驻地监理组工地试验室、市高指中心试验室按苏高技(2004)203号《关于进一步明确高速公路沥青路面原材料检测项目和检测频率的通知》规定对到场沥青进行检测,并留样备检。
Superpave20技术指标表表三Superpave20混合料马歇尔技术指标表表四2、粗集料应采用石质坚硬、清洁、不含风化颗粒、近立方体颗粒的碎石,粒径大于2.36mm。
中面层采用石灰岩等碱性石料,应选用反击式破碎机轧制的碎石,严格控制细长扁平颗粒含量,以确保粗集料的质量。
集料质量应从源头抓起,派专人进驻集料加工厂,对不合格的集料不得装车、装船,对进场粗集料按苏高技(2004)203号文规定进行检验。
粗集料技术要求见表六。
3、细集料采用坚硬、洁净、干燥、无风化、无杂质并有适当级配的人工轧制的米砂,石质为石灰岩,不能采用山场的下脚料。
对进场细集料,按苏高技(2004)203号文规定进行检查。
细集料规格见表七。
4、填料宜采用石灰岩碱性石料经磨细得到的矿粉。
矿粉必须干燥、清洁,矿粉质量技术要求见表八,进场填料按苏高技(2004)203号文规定进行检验。
拌和机回收的粉料不能用于拌制沥青混合料,以确保沥青面层的质量。
SBS改性沥青技术要求表五沥青中面层用粗集料质量技术要求表六二、做好施工机械与质量检测仪器的准备工作1、必须配备齐全施工机械和配件,做好开工前的保养、调试和试机,并保证在施工期间一般不发生有碍施工进度和质量的故障。
沥青面层应采用单幅全宽机械化连续摊铺作业,对于单幅双车道面层,应实施两台摊铺机梯队作业,以确保铺面的质量。
因而必须配备以下主要施工机械(一个施工点)。
沥青中面层用细集料规格表七(2)砂当量不得小于60%(宜控制在70%以上),亚甲蓝值不大于25g/kg,亚甲蓝试验待试验规程正式发布后执行;(3)小于0.075mm质量百分率宜不大于12.5%;(4)棱角性不小于30s。
沥青面层用矿粉质量技术要求表八(1)间歇式沥青混合料拌和机,产量大于320T/H,另配有80T 以上热贮料仓。
全部生产过程由计算机自动控制,配有良好的打印装臵。
(2)进口沥青混合料摊铺机三台(其中一台备用)。
(3)压路机:25T轮胎压路机2台,18~20T轮胎压路机2台,10T双钢轮压路机4台。
(4)载重量15T以上的自卸汽车不少于20辆。
2、必须配备性能良好、精度符合规定的质量检测仪器,并配备足够的易损部件。
主要仪器设备如下。
(1)针入度仪(2)延度仪(3)软化点仪(4)沥青混合料马歇尔试验仪(5)马歇尔试件击实仪(6)试验室用沥青混合料拌和机(7)脱模器(8)沥青混合料离心抽提仪(配离心加速沉淀仪)(9)标准筛(方筛孔)(10)集料压碎值试验仪(11)烘箱(12)试模(不少于10只)(13)恒温水浴(14)冰箱(15)路面取芯机(16)路面弯沉仪(17)砂当量仪(18)真空法理论最大相对密度试验仪(19)旋转压实仪三、高性能沥青路面中面层沥青混凝土的技术标准高性能沥青路面中面层为热拌密级配沥青混凝土混合料,其体积性质应满足表三,同时根据JTG F40 2004的规定,还应符合表四规定的马歇尔试验技术标准,动稳定度不小于3000次/mm,小梁低温抗裂试验的弯曲破坏应变不小于2000με。
四、必须进行完善的沥青混凝土配合比设计1、高性能沥青混凝土配合比设计采用Superpave混合料设计方法设计,用马歇尔试验检验,并进行浸水马歇尔试验残留稳定度检验。
2、热拌沥青混凝土配合比设计遵照下列步骤进行:(1)目标配合比设计阶段a、目标配合比设计首先应根据Superpave级配要求,初选粗中细三个级配,计算各级配的沥青用量,用旋转压实仪成型试件,求出各级配的沥青用量。
初选的三个级配中至少有2个级配其沥青混合料的体积性质指标应满足表三的规定。
根据经验从上述2个级配中选择一个作为目标级配,按计算沥青用量,计算沥青用量±0.5%,计算沥青用量+1%分别成型四组试件求出最佳沥青用量。
b、根据JTGF40-2004的规定,用Superpave方法设计出的沥青混合料应采用马歇尔试验方法检验,其最佳沥青用量的马歇尔体积性质应满足表四。
c、残留稳定度检验。
按以上配合比制备沥青混凝土马歇尔试件,做浸水48小时马歇尔试验,检验残留稳定度必须满足表四的规定。
(2)生产配合比设计阶段a、确定各热料仓矿料和矿粉的用量。
必须从二次筛分后进入各热料仓的矿料取样进行筛分,根据筛分结果,通过计算,使矿质混合料的级配接近目标配合比,以确定各热料仓矿料和矿粉的用料比例,供拌和机控制室使用。
同时反复调整冷料仓进料比例,以达到供料均衡。
b、确定最佳沥青用量。
取目标配合比设计的最佳沥青用量OAC 和OAC±0.3%,取以上计算的矿质混合料,用试验室的小型拌和机拌制沥青混合料进行旋转压实试验,检验沥青混合料体积性质,确定最佳沥青用量。
生产配合比确定的最佳沥青用量与目标配合比确定的最佳沥青用量之差应不超过0.2个百分点。
c、残留稳定度检验。
按以上生产配合比,用室内小型拌和机拌制沥青混合料,做浸水48小时马歇尔试验,检验残留稳定度,必须满足表四的规定。
(3)生产配合比验证阶段用生产配合比进行试拌,沥青混合料的技术指标合格后铺筑试铺段。
取试铺用的沥青混合料进行旋转压实检验、马歇尔试验检验和沥青含量、筛分试验,检验标准配合比矿料合成级配中,至少应包括0.075mm、2.36mm、4.75mm及公称最大粒径筛孔的通过率接近目标配合比级配值,并避免在0.3mm~0.6mm处出现驼峰。
由此确定正常生产用的标准配合比。
3、关于沥青混凝土室内试验中几点统一做法(1)进行目标配合比设计和生产配合比设计时,制备试件的混合料,需采用小型沥青混合料拌和机拌和,以模拟生产实际情况。
(2)每组试件个数Superpave方法一律用3个,马歇尔一律用6个。
(3)试件成型温度:对于改性沥青,由改性沥青商提供拌和和压实温度。
(4)沥青混合料试件密度试验方法:中面层沥青混合料统一用表干法的毛体积密度。
(5)相对沥青混合料理论最大相对密度,按JTG F40 B〃5〃9条规定以每天总量检验的平均筛分结果及油石比平均值计算获得,并与生产配合比设计值进行验证,差值应不大于0.005g/cm3,否则应分析原因,论证后取值;试件的体积指标按B〃5〃10条规定的方法计算。
(6)试件的配料、拌和均应单个进行,以确保试验结果的一致性。
五、做好沥青下面层的检查与清扫1、检查下面层的工程质量和与基层的粘结性,对下面层局部质量缺陷(例如严重离析和开裂以及油污造成松散等)应按规定进行修复。
2、对下面层表面浮动混合料应扫至路面以外,表面杂物亦清扫干净。
灰尘应提前冲洗,风吹干净。
3、铺筑中面层前,对下面层表面应进行彻底清扫,清除纹槽内泥土杂物,风干后均匀喷洒粘层沥青,施工工艺按苏高技(2003)107号《高速公路沥青路面面层粘层沥青施工暂行规定》执行。
粘层沥青喷洒后应进行交通管制,禁止任何车辆通行和人员踩踏,不粘车轮时才可摊铺中面层。
六、铺筑试铺路面沥青各面层施工开工前,均需先做试铺路面。
每个面层施工单位,通过合格的沥青混合料组成设计,拟定试铺路面铺筑方案,采用重新调试的正式施工机械,铺筑试铺路面。
试铺路面宜选在正线直线段,长度不少于300m。
试铺路面施工分为试拌和试铺两个阶段,需要决定的内容包括:1、根据各种机械的施工能力相匹配的原则,确定适宜的施工机械,按生产能力决定机械数量与组合方式。
2、通过试拌决定:(1)拌和机的操作方式——如上料速度、拌和数量与拌和时间、拌和温度等。
(2)验证沥青混合料的配合比设计和沥青混合料的技术性质,决定正式生产用的矿料配合比和油石比。
3、通过试铺决定:(1)摊铺机的操作方式——摊铺温度、摊铺速度、初步振捣夯实的方法和强度、自动找平方式等。
(2)压实机具的选择、组合,压实顺序,碾压温度,碾压速度及遍数。
(3)施工缝处理方法。
(4)沥青面层的松铺系数。
4、确定施工产量及作业段的长度,修订施工组织计划。
5、全面检查材料及施工质量是否符合要求。
6、确定施工组织及管理体系、质保体系、人员、机械设备、检测设备、通讯及指挥方式。
试铺路面的铺筑,严格按部颁标准JTG F40《公路沥青路面施工技术规范》规定操作。
在试铺段的铺筑过程中,监理工程师应一起参加,检查施工工艺、技术措施是否符合要求,测温、观色、取样,并记录试验与检测结果,检查各种技术指标情况,对出现的问题提出改进意见。
各层试铺,必须力争一次铺筑成功,使试铺面层成为正式路面的组成部分。
否则应予铲除。
试铺路面的质量检查频率应根据需要比正常施工时适当增加(一般增加一倍)。
试铺结束后,试铺路面应基本上无离析和石料压碎现象,经检测各项技术指标均符合规定,施工单位应立即提出试铺总结报告,由驻地监理工程师审查,总监代表和总监助理确认,经总监批准后即可作为申报正式开工的依据。
七、沥青中面层施工1、把好原材料质量关(1)要注意粗细集料和填料的质量,应从源头抓起,对不合格的矿料,不准运进拌和厂。
(2)堆放各种矿料的地坪必须硬化,并具有良好的排水系统,避免材料被污染;各品种材料间应用墙体隔开,以免相互混杂。
(3)细集料及矿粉宜覆盖,细料潮湿将影响喂料数量和拌和机产量。
2、关于沥青混凝土配合比设计的统一规定(1)对同一拌和厂两台拌和机,如果使用相同品种的矿料,可使用同一目标配合比。
目标配合比需经驻地监理工程师审查,报总监代表批准和总监助理确认后才能进行生产配合比设计。
如果某种矿料产地、品种发生变化,必须重新进行目标配合比设计。
(2)每台拌和机均应进行生产配合比设计,由驻地监理工程师审查,总监代表和总监助理确认,经总监批准后,才能进行试拌与试铺。