NSK DD马达调试心得
- 格式:doc
- 大小:54.50 KB
- 文档页数:7
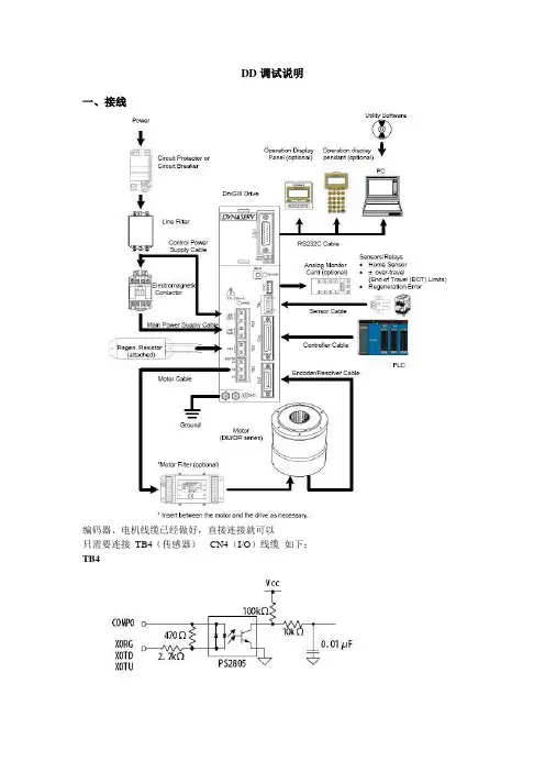
DD调试说明一、接线
编码器、电机线缆已经做好,直接连接就可以
只需要连接TB4(传感器)CN4(I/O)线缆如下:TB4
CN4 DI为输入、DO为输出
二、Auto tunning
接线完成后做Auto tunning
Autotunning 完成之后电机regist
三、Table制作
1.+90degree
在terminal 里检查#112是多少(#112 回车)507904
举例设定table000 为正向转动90度
relative position 输入#112 的1/4 就是90度select velocity 可以进行速度设定
设定完成后点击右上角regist
同样设定relative position 为负#112 的1/4 就是负90度假设-90度是table001 设定2 homing 设table002 是homing
#56 可以设定homing结束后走偏移量是多少
归原点之后监控#371参数
不要servo-off 运行其它的INS positiontable,直到实际需要的位置,按照#371的值设定#56. 这样归原点之后就会走偏移到#56设定的值。
四、I/O设定
正向旋转90度、反向旋转90度homing 2个点可以进行编码
需要输入点:servo-on、start、abort、IN_CODE0、IN_CODE1、error-set
对应输入点0-5,接线19-24
输出点:定位完成信号: POSISIONING。
dd马达运用的特点朋友,你知道dd马达吗?我跟你说啊,在我的工作经历里,可没少和这dd马达打交道。
我刚接触到dd马达的时候,就感觉它特别神奇。
你看啊,它的直接驱动特性,就像一个很实在的人,没有那些弯弯绕绕。
我心里就想啊,这马达可真直接,动力能直接就给到负载,中间没有像传统马达那样还要通过什么皮带啊、齿轮啊之类的传动部件。
这可不得了,这样一来,在我操作的设备中,就减少了很多因为传动部件而产生的误差。
我当时就跟同事说:“你看这dd马达,就像是个直性子,直接就把活干了,还干得漂亮。
”而且啊,这dd马达的精度特别高。
我在调试一些精密设备的时候,就全靠它了。
我心里琢磨着,这就好比是一个技艺高超的工匠,每一个动作都精准无比。
它能够把旋转角度精确到很小的范围,这在那些对精度要求极高的加工或者检测设备里,简直就是宝贝。
我有次为了一个高精度的项目,就专门向领导推荐了dd马达。
我当时很激动地说:“这个项目要是用dd 马达,那精度肯定能达标,这马达就像有一双巧手,能把活干得特别细致。
”它的响应速度也很快。
我在工作中看到它启动或者停止的时候,就像是个反应敏捷的运动员。
一旦接到指令,立马就行动起来,没有丝毫的拖沓。
我记得有次紧急调整设备的运行状态,这dd马达就迅速按照新的指令开始工作,我就暗自感叹,这马达可真靠谱啊,关键时刻不掉链子。
还有啊,这dd马达的结构很紧凑。
我在布置设备内部空间的时候就发现了这个优点。
它就像一个很会节省空间的小能手,占的地方不大,但是功能却很强大。
我在心里把它比作一个多功能的小盒子,虽然不大,但是里面装的都是有用的东西。
这在那些对设备空间有限制的地方,就特别实用。
我和其他工程师聊天的时候就说:“这dd马达啊,虽然小,但是本事可不小,在这小空间里发挥着大作用呢。
”。
dd马达基点-回复什么是DD马达基点,以及它的特点和应用。
一、什么是DD马达基点?DD马达基点是指直流无刷电机驱动系统中的一种重要控制策略。
DD 马达基点可以理解为直流无刷电机的“起点”,即电机的负载变化时,电机控制系统通过反馈调整电机的基点位置,使得电机以最佳的运行状态工作。
二、DD马达基点的特点:1. 稳定性高:DD马达基点控制策略能够根据电机负载的变化实时调整基点位置,保持电机运行的稳定性。
2. 快速响应:DD马达基点控制策略具有较快的响应时间,能够迅速适应负载的变化。
3. 高效能:通过准确地调整基点位置,DD马达基点控制策略能够使电机在工作过程中更加高效,降低能量损耗。
4. 精准度高:DD马达基点控制策略可以实现对电机基点位置的精确控制,提高电机的运行精度。
三、DD马达基点的应用:1. 机械设备:DD马达基点控制策略在机械设备中得到广泛应用。
例如,工业机器人需要根据负载的变化来调整电机基点位置,以保证机器人的准确度和运行稳定性。
2. 汽车行业:DD马达基点控制策略在汽车行业也有重要应用,尤其是在电动汽车领域。
通过根据车速和负载变化来调整电机基点位置,可以提高电动汽车的动力性能和能量利用效率。
3. 空调和风扇:在家庭和商业环境中的空调和风扇等电器中,DD马达基点控制策略可以根据室内温度和风速要求等因素,调整电机基点位置,实现高效节能运行。
4. 医疗设备:在高精度医疗设备中,如手术机器人和病床等,DD马达基点控制策略能够实现对电机位置的精确控制,提高设备运行的稳定性和准确度。
总结:DD马达基点是直流无刷电机控制系统中的一种重要控制策略。
它具有稳定性高、快速响应、高效能和精准度高等特点。
在机械设备、汽车行业、家电、医疗设备等领域得到广泛应用,为电机的高效、稳定和准确运行提供支持。
随着技术的不断进步和应用的拓展,DD马达基点控制策略将在更多领域发挥重要作用。
NSKDD马达调试心得(一):通讯软件(151)本节描述怎么通过WINDOWS的超级终端通讯软件存储ESB驱动器参数,超级终端通讯软件是WINDOWS的标准配置软件。
超级终端设置1)启动超级终端[开始]----[程序]----[附件]----[超级终端]2)“连接设定”对话框出现设定连接的名字和图标,按“OK“按钮3)“拨号“对话框出现在“连接种类“选择“直接连接到串口“,按“OK“按钮4)“串口属性“对话框出现按照下面的表格输入,按“OK“按钮5)选择菜单“文件”----“属性”“XXXX属性”对话框出现[XXXX]是在连接设定步骤里申明的名字。
6)结束超级终端“要保存会话吗?”对话框出现。
按下“是”按钮存储会话,以后使用此会话与ESA驱动器进行通讯。
(二):通讯线驱动器(MALE)电脑(三):参数设置与更改A:连接将通讯线连接好,打开电脑的通讯软件,然后给伺服驱动器加上电源。
此时通讯软件会显示如下字样:NSK MEGATORQUEMSIA50 _XXXXEXXXXXXXXXXBM1AS0 OK AX01 OK AX1#2 OK AX2:如果连接不正确,以上的信息不会显示。
只有最后的冒号出现,才有可能进行参数的设置与更改。
B:参数内容设置(60)1:SI 初始化伺服参数。
(1)MO回车;(2)密码:/NSK ON 回车;(3)SI/AL 回车执行此参数时候,不能加SVON于伺服驱动器。
否则会出现“SI INHIBITED”(SI禁止)字样。
2、如果首次上电出现报警信息,请改动参数如下(51)PI0回车,将其中AB1改为AB0,其意义为:EMST急停变为“正常为常开”方式;(226)PI2回车,将其中AB1改为AB0,其意义为:OTP正向限位信号变为“正常为常开”方式;PI3回车,将其中AB1改为AB0,其意义为:OTM反向限位信号变为“正常为常开”方式; FW-100,将FW-1改为FW-100, 其意义为:运动到位信号IPOS是CFIN方式,最小OPEN时间为100ms(而不是默认FW-1所设定的1ms);(100) * DI0,CW为正方向转动,改为DI1,CCW为正方向转动;(122)3:AT 自动调整(此旋转平台负载较大,不适用自动调整参数)(1)加上SVON信号SV 回车(2)确认伺服驱动器的LED指示灯显示于正常状态。
NSK DD马达控制逻辑时序分析作者:马国东概要在我们现在的产品中,NSK DD马达使用越来越多,在使用时有些细节问题需要我们特别注意,上次艾工对NSK DD马达的调试方法做了详细的介绍,本次我就这种DD马达的外围控制逻辑时序作一下阐述,以供大家在今后的设计中参考。
关键字NSK DD马达控制逻辑时序一、关于NSK DD马达的简要介绍现在我们中心使用的NSK DD马达有两个系列:A、ESB系列主要型号为2020;B、PS系列主要型号为3030和3060。
这两种系列马达的控制方法基本相同,但也有差别,包括控制逻辑时序和控制指令,这里只对逻辑时序做一些简单分析。
在电气线路设计和PLC编程时,一定要注意DD马达驱动器控制信号逻辑时序顺序,包括信号之间的延时时间,如果控制时序不正确或信号之间延时不够,在工作台上电和工作过程中经常会出现报警信号。
二、ESB系列控制时序,有两种控制形式主要区别在DD马达驱动器控制电源和主电源上电顺序不同,如下:1、控制电源和主电源同时上电,控制时序如图(一),从下图可以看出,从电源上电到DD马达回完原点最短时间为T1+T2+T3+T4+T5 +T7=2+0.03+0.03+0.03+0.01+0.8=2.80S,如果要完全可靠上电,上电到回完原点延时时间必须大于2.80S。
回原点操作和度旋转操作图(一)ESB系列控制电源和主电源同时上电控制时序图2、控制电源提前主电源上电,控制时序如图(二),从下图可以看出,主电源上电到DD马达回完原点所需的最短时间为T1+T2+T3+T4+T5 +T7=1+0.03+0.03+0.03+0.01+0.8=1.80S,如果要实现完全可靠控制时,实际上电到回完原点延时时间必须大于1.80S,现在我们采用的是这种控制方式,在PLC程序控制这个时间为2S,如果从控制电源上电到回完原点估计也要在3s 左右,控制电源提前主电源多长时间没有明确的规定。
回原点操作和度旋转操作图(二)ESB 系列控制电源提前主电源上电控制时序图三、PS 系列控制时序,也有两种控制形式,主要区别也在DD 马达驱动器控制电源和主电源上电顺序不同,如下:1、控制电源和主电源同时上电,控制时序如图(三),从下图可以看出,从电源上电到DD 马达回完原点最短时间为T1+T2+T3+T4+T5 +T7=3+0.17+3.2++0.01+0.17+1=7.55,如果要实现完全可靠上电控制,上电到回完原点延时时间必须大于7.55S ,目前我们采用的是这种控制方式,我们在PLC 程序中T1设置为3.5,T3设置为4S ,T6设置为0.3S ,实际上电到回完原点延时时间为8.84S 。
DD马达(力矩电机)的特性、应用、选型及转速、转矩、电流、电压、功率的计算方法DD马达(力矩电机)概述:(力矩电机)是一种具有软机械特性和宽调速范围的特种电机(伺服电机)。
这种电机的轴不是以恒功率输出动力而是以恒力矩输出动力。
力矩电机包括:直流力矩电机、交流力矩电机、和无刷直流力矩电机。
DD马达(力矩电机)的构造原理当负载增加时,电动机的转速能自动的随之降低,而输出力矩增加,保持与负载平衡。
力矩电机的堵转转矩高,堵转电流小,能承受一定时间的堵转运行。
由于转子电阴高,损耗大,所产生的热量也大,特别在低速运行和堵转时更为严重,因此,电机在后端盖上装有独立的轴流或离心式风机(输出力矩较小100机座号及以下除外),作强迫通风冷却,力矩电机配以可控硅控制装置,可进行调压调速,调速范围可达1:4,转速变化率≤10%。
本系列电机的特性使其适用于卷绕,开卷、堵转和调速等场合及其他用途,被广泛应用于纺织、电线电缆、金属加工、造纸、橡胶、塑料以及印刷机械等工业领域。
力矩电机主要特点[1]的特点是具有软的机械特性,可以堵转.当负载转矩增大时能自动降低转速,同时加大输出转矩.当负载转矩为一定值时改变电机端电压便可调速.但转速的调整率不好!因而在电机轴上加一测速装置,配上控制器.利用测速装置输出的电压和控制器给定的电压相比,来自动调节电机的端电压.使电机稳定!具有低转速、大扭矩、过载能力强、响应快、特性线性度好、力矩波动小等特点,可直接驱动负载省去减速传动齿轮,从而提高了系统的运行精度。
为取得不同性能指标,该电机有小气隙、中气隙、大气隙三种不同结构形式,小气隙结构,可以满足一般使用精度要求,优点是成本较低;大气隙结构,由于气隙增大,消除了齿槽效应,减小了力矩波动,基本消除了磁阻的非线性变化,电机线性度更好,电磁气隙加大,电枢电感小,电气时间常数小,但是制造成本偏高;中气隙结构,其性能指标略低于大气隙结构电机,但远高于小气隙结构电机,而体积小于大气隙结构电机,制造成本低于大气隙结构电机。
dd马达隔振方案一、DD马达为啥要隔振呢?你知道DD马达吧?这玩意儿可精贵了。
它要是工作的时候老是晃啊震的,那可就麻烦大了。
就像一个跳舞的人,要是舞台一直在抖,那舞步肯定乱套。
DD马达震动的话,它的精度就没了,而且还会发出那些烦人的噪音,就像有人在你耳边一直敲小鼓,嗡嗡嗡的。
另外呢,它的寿命也会缩短,这就好比人老是在颠簸的路上坐车,身体肯定容易出毛病呀。
所以啊,给DD马达做个隔振方案,那是必须的。
二、隔振方案第一步选好隔振材料。
1. 弹簧隔振器。
弹簧就像DD马达的小弹簧腿一样。
弹簧有不同的劲度系数,咱得根据DD马达的重量和工作时产生的振动力大小来选。
要是马达比较重,那弹簧就得硬一点,就像给一个大胖子配椅子,椅子腿得结实。
如果选太软的弹簧,马达可能会像在蹦床上一样,晃个不停。
而且啊,弹簧隔振器还得是那种有阻尼的,这样能避免弹簧一直弹啊弹,就像给弹簧装了个刹车,不让它过度回弹。
2. 橡胶隔振垫。
橡胶隔振垫也很有用呢。
它就像一块软软的小垫子,把DD马达放在上面。
橡胶有弹性,可以吸收很多震动。
不过橡胶也有讲究,有不同的硬度和厚度。
如果马达震动频率比较高,那可能就需要薄一点、硬度高一点的橡胶垫;要是震动频率低呢,厚一点、软一点的橡胶垫可能更合适。
就像给不同脚型的人挑鞋子,得合适才行。
三、隔振方案第二步隔振器的安装布局。
1. 对称安装。
这就和盖房子打地基一样,要对称。
咱们把隔振器对称地安装在DD马达的底座下面。
比如说,如果是四个隔振器,那就四个角各放一个,这样能让马达受力均匀。
要是一边多一边少,那马达就会像跷跷板一样,一头高一头低,可就不平衡了,震动肯定会更大。
2. 考虑重心。
还得注意马达的重心位置。
如果马达的重心偏向一边,那在那边的隔振器可能就要承受更大的力。
咱们得调整隔振器的参数或者布局,让每个隔振器都能合理分担重量和吸收震动。
就像几个人抬东西,力气得平均分配,不能让一个人累得要死,其他人在旁边轻松看戏。
一、实习目的本次电机马达实习旨在让我深入了解电机马达的结构、原理及其在实际应用中的运用。
通过实习,我将巩固和深化所学的理论知识,提高动手实践能力,培养创新意识和团队协作精神。
二、实习时间2023年x月x日至2023年x月x日三、实习地点XX电机马达厂四、实习单位和部门XX电机马达厂研发部五、实习内容1. 电机马达基本知识学习实习期间,我首先学习了电机马达的基本知识,包括分类、原理、结构等。
通过学习,我对电机马达有了更深入的了解。
2. 电机马达装配与调试在实习过程中,我参与了电机马达的装配与调试工作。
在师傅的指导下,我学会了如何正确安装电机马达的各个部件,并掌握了调试方法。
3. 电机马达性能测试为了了解电机马达的性能,我参与了电机马达的测试工作。
通过测试,我学会了如何使用测试仪器,并掌握了电机马达的各项性能指标。
4. 电机马达应用案例分析实习期间,我还学习了电机马达在各个领域的应用案例,如工业、农业、家用等。
这使我认识到电机马达在现代社会中的重要作用。
六、实习心得体会1. 实践是检验真理的唯一标准。
通过本次实习,我深刻体会到理论知识的重要性,同时认识到实践操作的重要性。
2. 团队协作精神至关重要。
在实习过程中,我学会了与团队成员沟通、协作,共同完成工作任务。
3. 不断学习,提高自身能力。
实习使我认识到自己在某些方面的不足,我将以此为契机,努力提高自己的专业素养。
4. 电机马达在现代社会中具有广泛的应用前景。
通过本次实习,我对电机马达有了更深入的了解,为我今后的学习和工作奠定了基础。
七、总结本次电机马达实习让我受益匪浅,不仅提高了我的动手实践能力,还拓宽了我的知识面。
在今后的学习和工作中,我将不断努力,为我国电机马达事业贡献自己的力量。
dd马达基点-回复什么是马达基点(DD)?DD马达基点是指在电力系统中,直流(DC)电动机实际开始旋转的电流和电压的状态点。
马达基点是指在直流电机开始转动之前,电流和电压的状态。
它是直流电机正常运行之前的一个临界点,也是判断直流电机是否可以正常运行的重要标志。
为什么马达基点重要?马达基点对于直流电机的正常运行非常重要。
只有在马达基点处,电动机才能达到既能提供足够的力矩,又能实现电动机运行的最佳效率的运行状态。
如果直流电机的电流或电压低于或高于马达基点,那么电机可能无法正常启动或者无法提供足够的动力。
如何确定马达基点?确定马达基点的关键是找到直流电机的最佳操作点,使其同时满足足够的力矩和良好的效率。
以下是确定马达基点的步骤:1. 确定电动机的额定电流和额定电压。
这些参数通常可以在电动机的技术规格书或标识上找到。
2. 确定电动机的负载特性。
这包括工作时电动机所需的动力和转矩要求,以及电动机的负载曲线。
负载曲线显示了电动机所需的转矩和功率,在不同转速下的关系。
3. 画出电动机的特性曲线。
特性曲线显示了电动机的转速和负载转矩之间的关系。
4. 根据负载曲线和特性曲线,找到电动机的最佳工作点。
在这个点上,电动机应在合理的负载转矩下运行,既能提供足够的力矩,又能实现最佳效率。
5. 确定最佳工作点的电流和电压。
这样就得到了马达基点。
如何改变马达基点?有时候,改变马达基点是为了适应不同的负载需求或优化电动机的性能。
以下是一些可供选择的方法:1. 调整电压。
改变电动机供电电源的电压可以改变马达基点。
增加电压可以提高电动机的运行速度和输出功率,但也会增加电机的温度和能耗。
2. 调整电阻。
通过改变电路中的电阻,可以改变电动机的马达基点。
增加电阻可以减小电流和转矩,从而使电机运行在较低的马达基点。
3. 使用变频器。
变频器是一种能够调整电机供电频率和电压的装置。
通过变频器,可以精确地调整电动机的马达基点,以适应不同的工作要求。
KND重要参数的设置方法和技巧随着市场的发展和国内功率电子技术、微电子技术、计算机技术及控制原理等技术的进步,国内数控系统、交流伺服驱动器及伺服电动机这两年有了较大的发展,在某些应用领域打破了国外的垄断局面。
笔者因多年从事数控技术工作,使用了多套日本安川、松下、三洋等数字伺服,但最近因国产伺服性价比好,使用了一些数控技术公司生产的交流伺服驱动及电动机,对使用中某些方面总结了一些简单实用的技巧。
1KNDSD100基本性能1、基本功能SD100采用国际上先进的数字信号处理器(DSP)TM320(S240)、大规模可编程门阵列(FPGA)、日本三菱的新一代智能化功率模块(1PM),集成度高,体积小,具有超速、过流、过载、主电源过压欠压、编码器异常和位置超差等保护功能。
与步进电动机相比,交流伺服电动机无失步现象。
伺服电动机自带编码器,位置信号反馈至伺服驱动器,与开环位置控制器一起构成半闭环控制系统。
调速比宽 1:5000,转矩恒定,1 r和2000r的扭矩基本一样,从低速到高速都具有稳定的转矩特性和很快的响应特性。
采用全数字控制,控制简单灵活。
用户通过参数修改可以对伺服的工作方式、运行特性作出适当的设置。
目前价格仅比步进电动机高2000~3000元。
2、参数调整SD100为用户提供了丰富的用户参数0~59个,报警参数1~32个,监视方式(电动机转速,位置偏差等)22个。
用户可以根据不同的现场情况调整参数,以达到最佳控制效果。
几种常用的参数的含义是:(1)“0”号为密码参数,出厂值315,用户改变型号必须将此密码改为385。
(2)“1”号为型号代码,对应同系列不同功率级别的驱动器和电动机。
(3)“4”号为控制方式选择,改变此参数可设置驱动器的控制方式。
其中,“0”为位置控制方式;“1”为速度控制方式;“2”为试运行控制方式;“3”为JOG控制方式;“4”为编码器调零方式;“5”为开环控制方式(用户测试电压及编码器);“6”为转矩控制方式。
dd马达基点-回复DD马达基点——实现高效工程驱动的优质选择引言:在现代工程领域中,电机的角色举足轻重。
它们负责提供机械能,驱动各种设备运转。
然而,当涉及到要寻找一种高效、可靠的工程驱动解决方案时,选择驱动技术变得有些棘手。
在此文中,我们将探讨DD马达基点,这一创新性的驱动技术,所能为工程师们带来的许多优势。
我们将详尽地叙述DD马达基点的定义、特点、应用和优势。
第一部分:DD马达基点的定义和原理DD马达基点代表“直接数字驱动”马达基点。
这一技术集成了传统伺服控制器和电机驱动器,通过直接驱动电机的数字信号,实现精密控制和可编程性。
DD马达基点的原理可归结为以下几个关键要素:1. 直接驱动:DD马达基点采用直接驱动的原则,即通过数字信号直接驱动电机运动而无需使用传统的电机驱动器。
这一特性极大地简化了系统的设计,并提高了系统的效率。
2. 智能控制:DD马达基点的智能控制模块,可根据需要改变电机的运动轨迹和速度。
这使得用户能够根据具体应用,灵活地调整设备的运行模式。
3. 高精度:DD马达基点通过数字信号传输数据,从而大幅度减少了传统模拟信号的误差,并提供更高的运动控制精度。
4. 可编程:DD马达基点支持各种编程语言,如C++、Python等,能够适应不同应用的需求,并实现高度定制化的功能。
第二部分:DD马达基点的应用领域DD马达基点已经在众多领域展现出广泛应用的潜力。
以下是其中几个典型应用领域的例子:1. 机器人技术:DD马达基点能够提供高精度和可编程性,使其成为机器人技术的理想驱动方案。
它可以帮助机器人实现精确的位置和速度控制,从而提高工作效率和生产质量。
2. 3D打印技术:DD马达基点能够实现精细的运动控制,为3D打印技术带来更高的打印精度和质量。
同时,其可编程性还能为3D打印机添加更多自定义功能。
3. 自动化工程:DD马达基点可以为各种自动化设备,如传送带、机床和包装机等,提供高效的工程驱动。
其高精度和可编程性能够实现精确的控制和调整,从而提高生产线的效率和可靠性。
* 注:以下部分操作仅在马达水平安装时有效。
NSK DD马达简易使用说明(PS)基本调试过程如下:1.参数初始化(SI)::MO (解除SVON):/NSK ON (系统命令,打开系统参数保护)NSK ON:SI/AL (即所有参数全部初始)后缀为“/AL”表示ALL,即所有。
参数初始化命令必须在解除伺服激磁(取消SVON信号)的情况下才能运行。
2.自整定(AT,马达上的所有负载全部安装完毕)::/NSK ONNSK ON:ATAT ready OK←此处输入“OK”后,再回车,则自整定开始。
当自整定开始,马达会来回震动,表明马达正在进行自我调节。
在此过程中,请不要在用手或别的东西触碰马达,以免影响自整定的结果。
3.自整定完成后,会显示如下数据:LO ……(马达当前负载)SG ……(伺服增益)PG ……(位置增益)VG ……(速度增益)FP ……(第一低通滤波)FS ……(第二低通滤波)……等等。
更改 /NSK ONLO0.1 直接输入就可以CC0 栓除通道0CL 清除报警SO DATE 通道选择执行请将以上数据记录下来,作为最初的调整参数保存。
(SG以后的参数按下空格键就会显示出来。
PI4 伺服ON/OFF AB0PI2 PI3 LIMIT 信号PI4 急停4.定位原点(AZ)::MO (解除伺服激磁,将马达移动到你需要的原点位置):/NSK ONNSK ON:AZAO……(定位原点完成):TP5 (查看当前绝对位置角度,可查看是否已定为0°绝对原点):SV (伺服激磁)以下是针对机器的调试程序和参数及数值范围的:5.马达运行调试(所有负载全部安装完毕)::CH0 (在通道0内编写程序)0?MV1 (通道内单独定义马达移动速度为每秒1圈)1?MA0.3 (通道内单独定义马达移动加速度为0.3)2?MB0.3 (通道内单独定义马达移动减速度为0.3)3?AD0 (绝对位置移动0°)4?OE2 (执行完当前通道内的动作后,继续执行下一个通道内的动作):CH1 (在通道1内编写程序)0?MV11?MA0.32?MB0.33?AD0:CH30?MV11?MA0.32?MB0.33?AD9000 (绝对位置移动90°)在上面程序中MV、MA、MB参数都是在各自通道内设置的,也可以在通道外设置它们的公共数值。
机械调试心得体会报告范文(14篇)在写心得体会时,可以回顾自己的经历,思考得失之间的道理和教训。
以下是一些关于心得体会的精选文章,愿与大家分享,共同进步。
机械调试心得体会机械调试是一项非常重要的工作,在机械设备制造和维修中都扮演着至关重要的角色。
但是,机械调试一般都需要耗费大量的时间和精力,并且对技术人员的技能和知识水平有较高的要求。
作为一位机械技术人员,我从事了多年的机械调试工作,今天我想与大家分享一下我的心得体会。
机械调试是机械设备生产过程中不可或缺的环节,其主要目的是通过对机械设备的性能进行检测和调整,确保机械设备的顺畅运转。
机械调试是一个涉及到多种技能和知识的综合性工作,需要技术人员具备一定的机械知识、电气知识、计算机知识等基础技能。
只有专业的机械调试才能保证机械设备的通畅性、可靠性进行工作。
机械调试需要从多个方面进行考虑,其中最主要的步骤包括根据设计要求设置机械设备的参数和参数分析、设备的安装和组装,调试表现的问题及时掌握和处理能够为机械设备的正常运行打好坚实的基础,保障设备的正常使用。
在进行机械调试时,技术人员首先需要了解设备的基本结构和功能,根据设计图纸和技术规范进行参数的设置和校正。
然后逐步组装机械设备,对各个部件进行检查和调整,确保其能够正常运转。
当设备出现问题时,技术人员需要及时排查并处理,以便保障设备的稳定性和安全性。
机械调试是一个日趋成熟的技术领域,出现了不少新的工具和技术,例如智能化测量设备、计算机辅助调试技术等等。
这些工具和技术的出现,为机械调试的提高和改进带来了新的希望。
目前,许多大型设备制造和维修企业都在大力推广机械调试的新技术和新工具,以便在日益激烈的市场竞争中保持自身的竞争力。
机械调试是机械工程领域的一个重要领域,它的重要性在未来还将继续增长。
随着科学技术不断进步和机械设备应用越来越广泛,机械调试的任务和挑战也在逐步增加。
因此,技术人员在机械调试方面的学习和训练,将会成为未来机械设备制造和维修行业中的重要领域,。
电机找正心得俗话说方向对了,一切都就对了,如南辕北辙即使驾驭的是千里马如果方向不对也会与目标越来越远。
电机找正也是如此,有时候找正需要太多时间的原因往往是方向不太对的原因,我认为找正的步骤应该是这样的:对于地脚螺栓可以移动的小型电机先找上下轴向开口,上下轴向开口平行了,其次再找径向高低,找径向高低时四个地脚要同时抽取或添加同样厚度的金属垫,最后利用电机移动找左右轴向开口与左右径对齐,然后紧固地脚螺栓即可(电机一般要高0.2~0.3mm左右抵消电机紧固后压实量,垫片数据最好控制在4~5片内)。
对于大型电机找正如果在不更换电机只是找正的情况下,那么在不拆卸电机螺栓前对电机的轴向开口与径向高低进行数据测量(数据的测量方法主要是看找正要求的精度与具体测量条件所决定,一般要求同轴度不大于其轴上联轴器直径的1‰)。
得到数据后计算出应该调整的数据,当然也是先算出轴向上下开口调整量并与径向上下量相叠加,左右轴向开口与左右径向通过电机的移动而获得符合的同轴度。
对于需要更换大型的电机,在原有电机的基础通过压紧地脚螺栓得到相应的找正前的数据,在压紧地脚螺栓之前,没有必要刻意去找电机的同轴度,因为对轴向上下开口与径向开口不会产生影响。
对于风机类的电机地脚不可移动的轴瓦类要通过找正数据先计算出消除轴向上下开口与轴向左右开口量,然后分别与径向上下方向与径向左右数据相叠加,然后进行一次性调整即可,值得注意的是对于找正过程中的轴向数据应该安装两块百分表并相错开180°得到的8个数据两两相加后计算出平均数据用以抵消在盘车时风轮转动过程中的风轮轴向窜动位移量。
以上电机找正计算方式是用轴向上下开口数据比上联轴器直径(如果百分表没在联轴器直径表面上的话,要计算百分表测量头到轴心线的尺寸的二倍)等于相应的调整量比上螺栓地脚孔到测量点的直线距离。
然后与径向高低数据相叠加。
如果是轴瓦的话,轴向左右支承点是下支承点在轴向数据的0.9倍,然后计算出左右轴向与左右径向数据并与先前所得左右支承数据相综合,下支承点不需要综合,左右支承点在一侧增加了多少厚度的垫片在另一侧要抽出相同厚度的垫片,这样找正后通过盘车获得最后找正数据。
(一):通讯软件(151)
本节描述怎么通过WINDOWS的超级终端通讯软件存储ESB驱动器参数,超级终端通讯软件是WINDOWS的标准配置软件。
超级终端设置
1)启动超级终端
[开始]----[程序]----[附件]----[超级终端]
2)“连接设定”对话框出现
设定连接的名字和图标,按“OK“按钮
3)“拨号“对话框出现
在“连接种类“选择“直接连接到串口“,按“OK“按钮
4)“串口属性“对话框出现
按照下面的表格输入,按“OK“按钮
5)选择菜单“文件”----“属性”
“XXXX属性”对话框出现
[XXXX]是在连接设定步骤里申明的名字。
6)结束超级终端
“要保存会话吗?”对话框出现。
按下“是”按钮存储会话,以后使用此会话与ESA驱动器进行通讯。
(二):通讯线
驱动器(MALE)电脑
(三):参数设置与更改
A:连接
将通讯线连接好,打开电脑的通讯软件,然后给伺服驱动器加上电源。
此时通讯软件会显示如下字样:
NSK MEGATORQUE
MSIA50 _XXXX
EXXXXXXXXXX
BM1
AS
0 OK AX0
1 OK AX1
#2 OK AX2
:
如果连接不正确,以上的信息不会显示。
只有最后的冒号出现,才有可能进行参数的设置与更改。
B:参数内容设置(60)
1:SI 初始化伺服参数。
(1)MO回车;(2)密码:/NSK ON 回车;(3)SI/AL 回车
执行此参数时候,不能加SVON于伺服驱动器。
否则会出现“SI INHIBITED”(SI禁止)字样。
2、如果首次上电出现报警信息,请改动参数如下(51)
PI0回车,将其中AB1改为AB0,其意义为:EMST急停变为“正常为常开”方式;(226)
PI2回车,将其中AB1改为AB0,其意义为:OTP正向限位信号变为“正常为常开”方式; PI3回车,将其中AB1改为AB0,其意义为:OTM反向限位信号变为“正常为常开”方式; FW-100,将FW-1改为FW-100, 其意义为:运动到位信号IPOS是CFIN方式,最小OPEN时间为100ms(而不是默认FW-1所设定的1ms);(100)
* DI0,CW为正方向转动,改为DI1,CCW为正方向转动;(122)
3:AT 自动调整(此旋转平台负载较大,不适用自动调整参数)
(1)加上SVON信号
SV 回车
(2)确认伺服驱动器的LED指示灯显示于正常状态。
(3)输入自动调整指令
AT 回车。
电脑显示如下字样。
:AT
AT READY OK
?
(4)确认以上信息已经显示,然后输入“OK”。
输入后马达会在10到20度角度
范围旋转,建立启动惯量。
在建立负载惯量的时候,马达每旋转一次,显示屏幕上会出现一个点(。
)。
(5)负载惯量建立结束后,会出现以下字样。
?OK。
LO******
:
4:如果自动调整惯量不成功,则要手动调整惯量参数(63)(用手动调整此平台的参数)(1)输入密码:/NSK ON 回车;
(2)输入负载惯量LO0.80(PS3060DD马达小惯量参考值为0.200,中惯量参考值为0.500,大惯
量参考值为1.000.) 回车
(3)入伺服环增益SG5 空格
显示PG0.100
VG40.25
(4)入速度环第一滤波FP200回车
(5)加上SVON信号,SV 回车
(6)确认伺服驱动器的LED指示灯显示于正常状态。
(7)输入旋转速度MV0.1
(8)SP/AJ 回车,显示一个事例来回转动90度
ID9000
TI500.0
ID-9000
TI500.0
JP256
回车显示SP/AJ Ready OK
(9)输入OK 回车
电机开始转动
(10)MS 回车,停止转动。
(11)如果电机转动正常,手动调整完成。
如果电机转动不稳定请参阅英文手册第5章相关内容。
5:AZ 绝对零点位置设定(125)(74)
马达停止在任何位置时候,输入“AZ”指令,就会使当前的位置变成用户的绝对零点位置。
(1)MO回车
(2)手动旋转使马达停在用户自定义的零点位置后,输入密码“/NSK ON”,然后输入
AZ 回车
(3)SV回车,以使伺服使能
6:AD 绝对位置,角度
7:执行步数设定。
A:设定第一步(寻找原点)
CH0 回车。
选择第一步
MV0.3 回车。
第一步的运行速度
MA0.5 回车。
第一步的加速度
MB0.5 回车。
第一步的减速度。
AD0 回车。
第一步位置为绝对零点位置
B:设定第二步(逆时针旋转相对位置90度)
CH1 回车。
选择第二步
MV0.5 回车。
第二步的运行速度
MA1 回车。
第二步的加速度
MB1 回车。
第一二步的减速度。
ID-9000 回车。
第二步位置为相对位置90度,逆时针旋转。
C:设定第三步(顺时针旋转相对位置90度)
CH2 回车。
选择第二步
MV0.5 回车。
第二步的运行速度
MA1 回车。
第二步的加速度
MB1 回车。
第一二步的减速度。
ID9000 回车。
第二步位置为相对位置90度,逆时针旋转(以上资料仅供参考,如果有疑问,请查阅相关英文原版资料或联系我们) 8、其他常用命令或参数(82)
CL:清除报警
CI:插入通道
CC:通道清空
CD:删除通道
CH#(#为通道号):编译相应的通道内容
TA/AL:列出所有的报警
TC/AL:列出所有的通道及其内容
TS0(或TS1或TS2)分组列出当前的系统参数的设定值
注:以上命令操作中
按键盘的空格键SP将列出下一行的参数或命令,
按键盘的删格键BS可改变参数或命令,
按回车键可认可并存储设定的参数或命令,
OP:强制CN2的输出
IO0(或IO1或IO2或IO3)CN2的IO 点监视
SG:调整伺服增益(SG 改变后,系统会自动改变PG 和FP 以及FS )
PG:位置环增益
PGL:停止时的位置环增益
VG:速度环增益
VGL: 停止时的速度环增益
FP:速度环第一滤波频率
FS:速度环第二滤波频率
NP:notch filter ,primary
NS:notch filter ,second
?后根参数名称(比如?PG )可列出相应参数的当前设定值。
9、调整
SP/AJ: tune 时试运行自带的通道命令。
SP #(#为通道号,手动执行#通道中所有的命令)
SG/AJ:初步tune 所用的命令
VG/AJ:第二步tune 所用的命令
键盘“+” :增加设定值
键盘“-” :减小设定值
键盘“SP ” 空格键 :增加分辨率设定
键盘“BS :删格键:减小分辨率设定
手动TUNE 时先调节PG 和VG 的值,再调节FP 和FS 的值,
10、★输入命令之前要输入密码
(★)输密码和参数
★)出厂用,不允许用户输入命令
可以直接输入命令或内部编程
内部编程用
11、AT 命令设置以下六个参数:LO 、SG 、PG 、VG 、FP 和FS (156)
12、AZ修改用户绝对零点。
(156)
13、DI设置电机旋转方向(163)
14、FP低通一次滤波(165)
15、FS低通二次滤波(166)
16、ID增量位置角度(167)
17、LO、MA、MB(172)
18、MO伺服off,MS终止操作(174)
19、MV旋转速度(175);
20、PC脉冲方式(180);
21、PG,PGL位置增益(180)
22、PI设置输入端口(181)
23、PO设置输出端口(182)
24、SG伺服增益(184)
25、SI初始化伺服参数为出厂设定值(185)(60)
26、SV伺服ON(186)
27、TA显示报警状态(187)
28、TS读参数(192)(55)
29、TV读速度(193)
30、VG,VGL速度增益(195)
31、参数设置表(207-208)
32、TS1和TS12(MM有关)
33、MM0一次读完参数,MM1一次读一个参数等待输入命令(173)
34、参数保存(154)
35、TC/AL显示所有通道参数(188)
注意:后面数字为相应内容在英文说明书中对应的页码数,如果没有仔细阅读英文说明书,请不要调整参数,否则后果自负。