初中物理电学培优
- 格式:docx
- 大小:1.15 MB
- 文档页数:35
初三物理培优卷一.比例问题(共10小题)1.如图所示,电源电压不变。
将定值电阻R1和R2串联后接在电源上,R1消耗的功率为3W,R2消耗的功率为6W,则R1=R2;若将它们并联后仍接在该电源上,则电路消耗的总功率为W。
2.如图所示,只闭合开关S时灯L1的功率为9W;断开开关S,闭合S1、S2时,灯L1的功率为16W.电源电压不变,且灯丝电阻不受温度的影响。
则L1、L2两灯灯丝电阻之比是()A.1:3 B.4:3 C.3:1 D.3:43.如图所示的电路中,L1标有“6V 3W,L2标有“3V 3W”,闭合开关后,两灯均发光,此时电路的总电阻R总=Ω,两电压表示数之比U1:U2=;若将两灯并联后接入3V电路中,则两灯的实际功率之比P1:P2=。
(不计温度对灯丝电阻的影响)4.如图电路中,R1:R2=2:3,开关闭合后,电路的总功率为P0.若将R1的阻值增大2Ω,R2的阻值减小2Ω,电路的总功率仍为P0;若将R1的阻值减小2Ω,R2的阻值增大2Ω,电路的总功率为P;则P:P0等于()A.3:2 B.4:3 C.5:4 D.6:55.如图所示的电路中,L1、L2为两个阻值恒定的灯泡,甲、乙是连接实验室常用电流表或电压表的位置。
在甲、乙位置分别接入量程不同的某种电表,只闭合开关S1,两灯均发光,两电表指针偏转角度相同。
断开开关S1,在甲、乙位置分别接另一种电表,闭合开关S1和S2,两灯均发光,则此时两电表示数之比为,灯泡L1与L2的电功率之比为。
6.将两个定值电阻串联接在电压为U的电源两端,R1消耗的功率为P1,R2消耗的功率为4P1;将这两个定值电阻并联接在电压为U的电源两端,下列分析正确的是()A.R1与R2的电阻之比为4:1B.并联时通过R1与R2的电流之比为1:1C.并联时R2消耗的功率为P1D.并联时两电阻消耗的总功率为P17.额定电压均为6V的甲、乙两灯,I﹣U图线如图所示。
下列说法正确的是()A.甲、乙两灯的电阻均随电压增大而减小B.甲、乙两灯的额定功率之比为4:1C.甲、乙两灯并联接在电压为2V的电源两端时,电阻之比为3:2D.甲、乙两灯串联接在电压为8V的电源两端时,实际功率之比为1:38.现有一个电压不变的电源,两个定值电R1、R2.先将这两个电阻以某种形式连接到电源上,R1消耗功率为P0;再将它们以另一种形式连接到该电源上,R1消耗功率为9P0.两种连接形式中均有电流通过R2,则先后两种连接形式中()A.R1两端的电压比为1:2 B.R1两端的电压比为1:3C.R2消耗的功率比为4:9 D.R2消耗的功率比为2:9 9.如图甲所示,R1=R2,断开开关S时,电路消耗的总功率为P1,若将开关S与电源的位置对换后,闭合S,电路消耗总功率为P2,则P1:P2=,将甲图所示电路改变为乙图所示的电路,若R1=4Ω,电源电压为8V,小灯泡的额定功率为4W,闭合开关灯泡正常发光,则小灯泡的额定电压是V。
中考物理培优训练及答案电学实验(1)连接实物电路的过程中,开关S应处于状态;(2)调节滑动变阻器的滑片P,当电压表的示数为5V时,电流表的示数如图乙所示,电阻R x的阻值为Ω;(3)小明设计了另一种测电阻的方案,如图丙所示,方案中定值电阻的阻值为R0,电源电压未知,步骤如下:①断开开关S2,闭合开关S、S1,电压表的示数为U1;②,电压表的示数为U2;③电阻R的表达式为R x= 。
(用U1、U2、R0表示)3.在“练习使用滑动变阻器”的实验中:(1)在如图所示的实物图中,用笔画线代替导线将实验电路补全,要求:开关闭合后,电压表测小灯泡两端电压:滑动变阻器的滑片向左移动,小灯泡亮度变暗。
(2)为了保护电路安全,在闭合开关前滑片P应移到的位置;(3)开始实验后,某小组同学发现无论怎样移动滑片P,灯的亮度都不发生变化,而且一直很暗,这可能是;正确连接电路后,移动滑动变阻器的滑片P,电压表的示数将(填“改变”或“不变”)4.某类型的汽车前挡风玻璃上的雨刮器随着雨的大小,刮动的速度相应地发生变化,雨停后,刮水器自动停止工作。
(1)相关资料显示,雨刮器的工作电路中安装有“雨水检测金属网”装置。
如图(a)是雨水检测金属网(以下简称检测网)的示意图,将其接入如图(b)所示电路进行探究。
实验时,检测网未放入雨水中,电路处于断开状态;再将检测网放入雨水中。
电路接通,通过7.在实验室做“测量定值电阻R x的阻值”实验,所使用的电源电压恒为3V,(1)图甲电路中存在导线连接错误,请在接错的导线上画“×”,并用笔画线代替导线画出正确的实物电路连接图,闭合开关前应将滑动变阻器的滑片置于端(填“左”或“右”);(2)正确连接电路后,闭合开关S,小南发现电压表指针几乎未偏转,电流表有示数,移动滑动变阻器的滑片,电流表指针发生转动,但电压表依旧没有示数,则故障原因可能是定值电阻(选填“短路”或“断路”);(3)排除故障后,缓慢移动滑动变阻器的滑片,记录电压表的示数如图乙所示为V,电流表的读数为0.3A,并算出R x的阻值约为Ω(保留一位小数);(4)小南同学直接把图甲的电阻R x换成小灯泡L进行测量小灯泡的功率,其实验原理为:;(5)丙图是小南绘制的小灯泡的I﹣U图象,其中表示小灯泡的是图像(选填“a”或“b”),分析图象中A、B、C三点电阻R A、R B、R C,其中电阻最大的点是。
初中物理中考电学实验培优提优专项训练一、中考物理电学实验1.归纳式探究—.研究电磁感应现象中的感应电流:磁场的强弱用磁感应强度描述,用符号B表示,单位是特斯拉,符号是T.强弱和方向处处相同的磁场叫做匀强磁场.如图甲所示,电阻R1与圆形金属线圈R2连接成闭合回路,R1和R2的阻值均为R0,导线的电阻不计,在线圈中半径为r的圆形区域内存在垂直于线圈平面向里的匀强磁场,磁感应强度B随时间t变化的关系图象如图乙所示,图线与横、纵坐标的截距分别为t0和B0.则0至t1时间内通过R1的电流I与阻值R0、匀强磁场的半径r、磁感应强度B0和时间t0的关系数据如下表:次数R0/Ωr/m B0/T T0/s I/A1100.1 1.00.15π×l0-22200.1 1.00.1 2.5π×l0-2 3200.2 1.00.110π×l0-2 4100.10.30.1 1.5π×l0-2 5200.10.10.050.5π×l0-2(1)I=_____k,其中k=________(填上数值和单位)(2)上述装置中,改变R0的大小,其他条件保持不变,则0至t1时间内通过R1的电流I 与R0的关系可以用图象中的图线____表示.2.(一)用下图所示的装置探究摩擦力跟接触面粗糙程度的关系。
(1)实验时,用弹簧测力计水平拉动木块,使它沿长木板做运动,根据知识,从而测出木块与长木板之间的滑动摩擦力。
(2)第一次实验中弹簧测力计的示数如图所示为 N,]分析表中数据可以得到的结论是。
实验次数123接触面情况木块和长木板木块和棉布木块和毛巾摩擦力/N1.92.4(3)实验结束后,小丽同学想探究摩擦力是否与接触面的大小有关,她用弹簧测力计测出木块在水平面上的摩擦力,然后将木块沿竖直方向锯掉一半,测得摩擦力的大小也变为原来的一半.她由此得出:当接触面的粗糙程度一定时,接触面越小,摩擦力越小。
初中物理中考电学实验培优测试题答案一、电压电阻中考物理电学实验1.在探究“串联电路电压的规律”实验中.(1)小珊想电压表测灯L1的两端电压,连接电路如图所示,分析小灯泡的发光情况:______电压表实际测哪两端电压_______(2)图中只有一根导线连错,请在连错的导线上画“X”,并用笔画线表示导线将电路连接正确. ________________(3)改正电路后,闭合开关,如图所示,电压表示数为________________,若电源电压为3V, 则L2两端的电压为______.解析:L1亮,L2不亮L1两端电压 1.9V 1.1V【解析】【详解】解:(1)电压表并联在L1两端,但是和L2是串联的,电压表的电阻很大,影响了的工作,所以不亮,电压表测L1两端电压,(2)先把两个灯泡串联在电路中,开关串联在电路中,然后再把电压表并联在L1两端。
如图:(3)电压表使用的0~3V量程,每一个小格代表0.1V,L1两端的电压为U1=1.9V,根据串联电路中各串联导体电压之和等于总电压,所以L2的电压为:U2=1.1V,因此,本题正确答案是: (1)L1亮;L2不亮,L1两端电压(2)如上图;(3)1.9V;1.1V【点睛】在电压表使用过程中不但要考虑电压表的正确使用,还要考虑不影响其它用电器的工作. 2.小希用如图所示电路来探究串联电路的电压特点.(1)在拆接电路时,开关必须________.(2)实验中最好选择规格________(填“相同”或“不同”)的小灯泡.(3)用电压表分别测出A与B、B与C、A与C两点间的电压为U AB、U BC、U AC.经过多次实验,得到的数据记录在下表中.分析实验数据,你可得到串联电路的电压特点是________(用公式表示)(4)小希进行多次实验的主要目的是________(填序号)①寻找普遍规律②减小实验误差解析:断开不同 U AC= U AB+U BC①【解析】(1)在拆接电路的过程中,为了保护电路,开关必须处于断开状态;(2)实验中最好选择规格不相同的小灯泡,便于发现规律;(3)比较AB间、BC间、AC间的电压值可得:串联电路中总电压等于各部分电路电压之和,即U AC U AB+U BC;(4)进行多次实验的主要目的是发现串联电路中总电压和各部分电路电压之间的关系,从而寻找普遍规律.3.小明在探究“影响导体电阻大小的因素”的实验中,原先设计的实验电路如图。
初中物理培优----电功电功率重点知识1.电功(消耗的电能)计算公式:W =Pt =UIt=I 2Rt= 注意:式中的W 、U 、I 、R 是同一导体、同一段电路、同一段时间的量;2. 电功率:电流在单位时间内做的功。
电功率公式:①P=tW 注意:单位有两套,不能乱套:⑴ 如果W 用焦、t 用秒,则P 的单位是瓦;⑵ 如果W 用千瓦时、t 用小时,则P 的单位是千瓦。
变形式 R= PU 2 用额定功率、额定电压求电阻 ②P=UI =I 2R=注意:单位必须用国际单位制主单位。
3.额定电压 (U 0):用电器正常工作的电压。
额定功率(P 0):用电器在额定电压下的功率。
实际电压(U ):实际加在用电器两端的电压。
实际功率(P ):用电器在实际电压下的功率。
4.功率与电压、电流、电阻的关系⑴若两个用电器电流相等(例如串联)其功率与电压成正比,与电阻成正比;= (用P=UI=I 2R 推导) =⑵若两个用电器电压相等(例如并联)其功率与电流成正比,与电阻成反比;= =(用P=UI=U 2/R 推导)⑶ 同一个用电器电阻不变,接在不同的电压下使用,则:其功率与电压的二次方成正比;与电流的二次方成正比。
= =5.焦耳定律:电流通过导体产生的热量,与电流的二次方成正比,与导体的电阻成正比,与通电时间成正比。
公式:Q=I 2Rt纯电阻电路中,电流做的功(电功)全部用来产生热 量(电热),即Q=W ,发热功t 2R U R U 2212121R R U U P P ==122121R R I I P P ==2221222121I I U U P P ==212121R R U U P P =122121R R I I P P ==122121R R I I P P ==2221222121I I U U P P ==2221222121I IU U P P ==2121R R U U P P ==率等于电功率,即P 热=P,可用电功公式来计算电热Q 。
初三物理电学分类专题培优训练、灯泡亮度、功率比较类1、一个灯泡的灯丝烧断了,把断了的灯丝搭在一起,灯泡会更亮,其原因是:()A .灯丝电阻增大,功率增大B.灯丝电阻减小,功率增大C .灯丝两端电压增大,功率增大D .灯丝中电流增大,功率减小2、如图所示的四个电路中,电源电压相同,,电路消耗的总功率由大到小的顺序A, 叵比底挖LA. 甲、乙、丙、丁B. 丁、丙、乙、甲C. 丁、甲、乙、丙D. 丙、乙、甲、丁M' 乙丙3. (2007年一模).灯L i标有“ 8V 16W”的字样,灯L2标有“ 12V 36W”的字样.两灯串联后接在电压为U的电路中,要保证两灯不损坏,电压U的最大值应是()A . 8VB . 12V C. 16V D. 20V4. 2006 年北京市)现有四个小灯泡L1、L2、L3、L4,分别标有“ 12V 20W ”、“12V 10W ”、“ 6V 5W ”、“6V10W”的字样,戴靖同学想把其中的两个小灯泡接在两端电压为18V的电源上,使两个小灯泡都能正常发光,则下列做法正确的是A .把L1和L4串联后接入电路中B .把L2和L4串联后接入电路中C .把L1和L3串联后接入电路中D.把L2和L3串联后接入电路中5. (07厦门市)将“ 12V 6W”的灯泡L1和“ 12V 4W”的灯泡L2串联后接在电压是12V的电路中,则:A . L1和L 2均正常发光B . L1比L 2亮C. L1比L 2暗D. L1和L 2 一样亮6. 两个分别标有“220V 60W和“220V 25W字样的灯泡,如将它们并联后接在220伏特的电路中,贝U ()A .电阻大的灯泡较亮。
B .功率大的灯泡较亮。
C .功率小的灯泡较亮。
D .两个灯泡一样亮。
(大连)7. (海南省)郑嘉奇家有’“ P7220—100”和“ PZ220—40”的电灯各一只,将它们并联在照明电路上,消耗的电功率分别为P1、P2;现将两只灯泡串联后再接入照明电路,此时它们消耗的电功率分别是P1‘、P2 '。
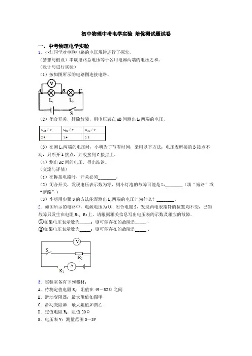
初中物理中考电学实验培优测试题试卷一、中考物理电学实验1.小红同学对串联电路的电压规律进行了探究。
(猜想与假设)串联电路总电压等于各用电器两端的电压之和。
(设计与进行实验)(1)按如图所示的电路图连接电路。
(2)闭合开关,排除故障,用电压表在AB间测出L1两端的电压。
(3)在测L2两端的电压时,小明为了节省时间,采用以下方法:电压表所接的B接点不动,只断开A接点,并改接到C接点上。
(4)测出AC间的电压,得出结论。
(交流与评估)(1)在拆接电路时,开关必须________。
(2)闭合开关,发现电压表示数为零,则小灯泡的故障可能是L1________(填“短路”或“断路”)(3)小明用步骤3的方法能否测出L2两端的电压?为什么?________。
2.如图所示的电路中,电源电压为U,闭合电键S,发现两电表指针的位置均不变,已知故障只发生在电阻R1、R2上,请根据相关信息写出电压表的示数及相应的故障.①如果电压表示数为_____;则可能存在的故障是_____.②如果电压表示数为_____;则可能存在的故障是_____.3.实验室备有下列器材:A.待测定值电阻R x:阻值在49~52Ω之间B.滑动变阻器:最大阻值如图甲C.滑动变阻器:最大阻值如图乙D.定值电阻R0:阻值20ΩE.电压表V:测量范围0~3VF.电源E:电源电压恒为4.5VG.单刀双掷开关(双向开关)S及导线若干为了较精确地测出待测电阻R x的电阻,小明设计了图丙所示的电路.(1)在小明设计的电路中,滑动变阻器应选________(填器材前面的序号字母).(2)小明在实验中的主要操作步骤及记录的数据是:Ⅰ.将开关S掷向1,由________(填“a至b”或“b至a”)移动滑动变阻器的滑片P 至某一位置,读出V表的示数为2.5V;Ⅱ.保持滑动变阻器滑片P的位置不变,将开关S掷向2,读出V表的示数为1.5V.根据小明的测量数据可以得到待测电阻的阻值R x=________Ω.4.如图是一个模拟交通路口红绿灯工作的实验电路,请你用笔画线代替导线,只添加两根导线,实物电路图补充完整.要求:红灯亮时,黄灯和绿灯都不亮;当红灯灭时,黄灯和绿灯可以分别亮一盏.5.小明在探究并联电路电流规律的实验中,如图甲是实验的电路图。
初中物理中考电学实验培优检测试题答案一、电压电阻中考物理电学实验1.小宇同学在“探究串联电路电压规律”的实验时,得到“电源两端电压总大于各用电器两端电压之和”的结论,这与之前“电源两端电压等于各用电器两端电压之和”的猜想不符。
小宇用图甲所示的电路继续进行探究:(1)测量电源及灯泡两端电压,电压表接在AB两点,是为了测量灯___两端的电压,闭合开关,电压表的示数(如图乙所示)是____V;(2)接着小宇直接将电压表接A点的接线改接到D点,闭合开关后,发现电压表_______;(3)纠正错误后,小宇测出导线BC间的电压大约为0.05V。
由此得知导线分压可能是造成结论与猜想不符的原因。
为了能更明显地观察到导线分压的现象,应选择较__(选填“粗”或“细”)的导线,原因是在长度和材料相同时,__________电阻越大。
解析:L1 1.7 指针反偏(或指针偏向0刻度线的左边)细橫截面积越小【解析】【分析】【详解】(1)[1]电压表要和被测用电器并联,当电压表接在AB两点时,和灯L1并联,所以测的是L1两端的电压。
[2]根据乙图,电压表选择的是0—3V的量程,分度值为0.1V,所以电压表的示数为1.7V。
(2)[3]将电压表接A点的接线改接到D点,闭合开关后,电流从电压表的负接线柱流入正接线柱流出,此时电压表接反了,所以指针会反向偏转。
(3)[4][5]为了让分压更加明显就是要增大导线的电阻,所以要选择更细的导线,因为在材料和长度一定是,导体的横截面积越小电阻越大。
2.某物理兴建小组学习了导体电阻的知识后,对食盐水溶液的导电性能与什么因素有关提岀了以下猜想:A.食盐水溶液的导电性能与溶液的浓度有关。
B.食盐水溶液的导电性能与溶液的质量有关。
C.食盐水溶液的导电性能与溶液中两点间的距离有关。
为了验证猜想,他们设计了如图所示的装置,将电路中的a、b两金属片分别插入图甲、乙、丙、丁溶液中所示的位置(金属片a、b每次插入溶液中的深度相同)进行探究:(1)本实验电路中接入电阻R的目的是_______________。
电路培优提升设计练习题题型一 根据要求连接电路图或自己设计画出电路图1、将图1中的元件符号连成电路,要求:L1与L2并联,S1做L2开关,S 作总开关图一-1 图一-2 图一-3 图一-4 图一-5-2 2、将图2中的元件连成电路,要求:断开或闭合任何一个开关时电灯发光,同时电铃发声,电灯与电铃并联,元件位置不能改变。
3、三个灯L1、L2、L3,三个开关S1 S2 S3,一节电池连成电路,要求:三灯并联,S1控制L1、L2,S2控制L1,S3控制L1、L2、L3。
4、有灯L1、L2,开关S1、S2,一电源,导线若干,按下列要求设计电路A、要求:(1)只闭合S1开关两灯L1亮(2)只闭合开关S2,两灯L2亮(3)开关S1、S2都闭合,L1、L2都亮B、要求:只闭合或断开S1、 S2任一开关两灯L1、L2都亮或都灭,而且俩灯各自接在电源上都能正常发光C、要求:(1)只闭合S1开关灯L1亮(2)只闭合开关S2,两灯L1、L2都不亮(3)开关S1、S2都闭合,L1、L2都亮D、要求:(1)只闭合S1开关两灯L1、L2都亮(2)只闭合开关S2,两灯L1、L2都不亮(3)开关S1、S2都闭合,L1不亮,L2亮5.一个电路盒的面板上有红、绿灯各一个,拨动开关有S1、S2、S3.某学生为在不打开盒子的情况下研究盒内的电路结构,做了多次实验并记录如下表(“√”表示灯亮,“×”表示灯熄):试画出该电路图一-5-1 图一-6 图二-1-1 图二-1-26.给你下列器材:一个电池组,一只小灯泡,一只开关,一只电铃和若干细导线,请你设计一自动放养奶牛的装置图。
要求:用细导线将牛群围住,合上开关后,当牛在圈内吃草时,小屋内灯亮而铃不响;当有牛碰断了圈住的细导线到圈外时,电铃便会响起来,放牛的人能及时发现。
题型二 根据要求设计电路并连接实物图1、 请按要求设计电路图,并按你设计的电路,用线条代替导线,将图20中的电器元件连成电路。
初中物理中考电学实验 培优质量专项训练试题一、中考物理电学实验1.进一步探究电容器是电气设备中的重要元件,是储存电荷的装置。
通常简称其容纳电荷的本领为电容,用字母C 表示,单位为法拉,用字母F 表示。
两个相距很近又彼此绝缘的平行金属板形成一个最简单的电容器,在电路中用表示。
(1)如图,闭合开关,电容的两个极板将带等量异种电荷,这个过程叫电容器充电。
充电过程中,经过开关的电流方向是______(选填“从A 到B ”或“从B 到A ”)。
改变电源电压,电容器所带电荷量Q 也发生改变,实验数据如下表。
电压U /V2 8 2 电荷量Q /C4×10-3 6×10-3 2×10-3 5×10-3 电容C /F 2×10-3 0.75×10-3 1×10-3 2×10-3(2)分析数据可知,电容C 与电容器两端电压U 及电荷量Q 的关系式为:C=______。
(3)请把表格补充完整______。
(4)电容的大小不是由带电量或电压决定的,常见的平行板电容器,电容决定式为S C dε=(ε是一个常数,S 为极板面积,d 为极板间距离)。
多电容器串联时,121111=nC C C C ++…,(C 表示总电容,C 1、C 2.……C n 表示各电容器的电容)。
现有两个极板面积分别为S 1、S 2,极板间的距离分别为d 1、d 2的平行板电容器串联接到电压为U 的电源上,则总电容C =______,总共能够储存的电荷量为______。
2.在“用伏安法测电阻”的实验中:(1)实验原理是_______________________。
(2)在下左图中将滑动变阻器正确连入电路(未知电阻大于5Ω)(_______)(3)如某次测量中,老师只提供了下列器材:电压恒定的电源一个(电压未知)、电流表一只、定值电阻R0一个(电阻已知)、单刀开关两只、导线若干。
初中物理中考电学实验 培优检测试卷答案一、电压 电阻中考物理电学实验1.在某次综合实践活动中,晓益利用蓄电池(电压为 24V )、电压表(量程为 0~15V )、校准电阻 R 0、滑动变阻器R (最大阻值为100Ω)等器材,设计了一种测定油箱内油量的方案(图甲),选配合适的校准电阻值,能够使油箱装满汽油,滑动变阻器的触片在某一端时,油量表示数为最大值(即电压表示数达到最大值)油箱中的汽油用完,滑动变阻器的触片在另一端时,油量表示数为零(即电压表示数为零)(1)校准电阻除了可以校准表盘,还有什么作用? _________(2)校准电阻的阻值为多少? _________(3)另一个小组的大中同学设计了如图乙所示的电路,请你从能耗的角度分析这种方案的优点.___解析:见解析 见解析 见解析【解析】【详解】(1)由题知,电源电压U=24V ,电路中若没有校准电阻R 0,则R 两端电压等于电源电压24V ,超过了电压表量程0-15V ,会被烧坏,所以校准电阻R 0串联在电路中,除了可以校准表盘,还起到分压的作用,能避免电压超过电压表量程而损坏;(2)当油箱装满汽油,由图甲知,滑片在下端,此时变阻器连入阻值最大,电压表示数达到最大值15V ,所以电路中电流:I=I 0=I R =150.15100R U V A R ==Ω=0.15A , 所以R 0的阻值:R 0=0002415600.15R U U U V V I I A--===Ω (3)由图乙知,滑动变阻器始终以最大值串联入电路中,电压表示数U V =IR 滑,能反映测量的变化情况,且电路中电阻始终处于最大值,由P=2U R可知电路中功率最小,由W=Pt 可知,同样时间内电路消耗的电能最少,所以乙图的电路设计可以节能.2.如图是小明探究串联电路电流特点的实验电路图:(1)小明最好选择两个小灯泡的规格应该是________的.(填“相同”或“不相同”).(2)小明连电路时把一只开关和两个小灯泡连接后,刚将线路两端接到电源两极,L2就亮了,但L1没亮.他在实验操作中不当之处是:________.实验时L1没亮的原因可能是________A.通过灯泡L1的电流比L2中的电流小 B.L1灯泡的灯丝断了C.L1灯座处可能短路了 D.L1灯泡靠近电源正极(3)下表是小明实验中测得的三组数据:由表格数据可得出结论:________.实验序号电流表的位置A B C1电流I/A0.30.30.32电流I/A0.40.40.43电流I/A0.20.20.2(4)他获得三组不同电流值的方法是:________(5)甲、乙两同学在做实验时,闭合开关前,电流表的指针均指在零刻度处;当闭合开关试触时,发现电流表指针摆动分别出现了如图甲、乙所示的两种情况.请分析他们在电流表的使用上分别存在什么问题?(填在下面横线上)甲:________ 乙:________解析:(1)不相同;(2)连接电路时开关没有断开、C ;(3串联电路中电流处处相等;(4)换了不同规格的小灯泡或改变电源电压;(5)甲、电流表的正负接线柱接反了;乙、电流表的量程选取得太大了【解析】试题分析:(1)为了得到普遍规律,应选择两个小灯泡的规格应该是不同的。
初中物理中考电学实验培优质量专项训练(4)答案一、电压电阻中考物理电学实验1.小红同学对串联电路的电压规律进行了探究.(猜想与假设)串联电路总电压等于各用电器两端的电压之和.(设计与进行实验)(1)按如图所示的电路图连接电路.(2)闭合开关,排除故障,用电压表在AB间测出L1两端的电压.(3)在测L2两端的电压时,小明为了节省时间,采用以下方法:电压表所接的B接点不动,只断开A接点,并改接到C接点上.(4)测出AC间的电压,得出结论.(交流与评估)(1)在拆接电路时,开关必须_________.(2)闭合开关,发现电压表示数为零,则小灯泡的故障可能是L1______或L2_______.(填“短路”或“断路”)(3)小明用步骤3的方法能否测出L2两端的电压?_________,为什么?___________________________.(4)方法改进后,测出AB、BC、AC间的电压记录在下面表格中,小明分析实验数据得出结论:_________________.此实验在设计方案上存在的不足之处是_________.U AB/V U BC/V U AC/V2.4 1.43.8解析:断开短路断路不能电压表的正负接线柱接反了串联电路中总电压等于各用电器两端的电压之和只做一次实验,一组实验数据得出的实验结论不具普遍性【解析】【分析】【详解】(1)在做电学实验连接电路的过程中,开关应是断开的;(2)由图示可知,当灯泡L1短路时,电压表短路,示数为0;当灯泡L2断路时,整个电路断开,电压表的示数为0;(3)当采用步骤3的操作时,会使电压表正负接线柱反接,不能测出灯泡L2两端的电压;(4)得出的结论为:串联电路中总电压等于各用电器两端的电压之和;由于只做了一次实验,就得出结论,这样的结论不具有普遍性.2.小东和小文利用如图所示的电路探究串联电路中用电器两端电压的关系。
(1)小东操作的主要实验过程如下:① 断开开关,将滑动变阻器的滑片P放在阻值最大处,根据电路图连接实验电路;② 检查电路无误后,闭合开关,调整滑动变阻器的滑片P 到适当位置,正确读出电压表V1与V2的示数,记录在实验数据记录表中;③ 仿照上述步骤又进行了五次实验。
初中科学培优(电学)测试题1.两只灯泡L1和L2的额定电压相同,额定功率之比P1∶P2=2∶1,并联后接在电路中总电流为3安培,则通过L1的电流为_______安;若将两只灯泡L1和L2串联后,仍接在原来的电路中,则通过L1的电流为_______安。
2.物理小组制作了一个自动控制器,其中有一个调压电路如右图所示,滑动变阻器R的最大阻值是100欧,负载电阻R'的阻值为100欧,A、B间电压为10伏,保持不变。
使用过程中发现这个电路的调压范围和原设计不符,检查结果是图中F处导线折断,滑动头P由上向下移动时,如果电路完好,CD两端的电压范围应是______伏至______伏;如果F点导线折断,CD两端的电压范围是______伏至______伏。
3.闭合开关后,用手按住玩具电动机的转子,不让它转动,这时与电动机并联的电压表读数为3伏,与电动机串联的电流表读数为6安.松手后,电动机正常转动,此时电流表读数为1安.这台电动机正常转动时,每秒钟有焦的电能转变为机械能。
4.在右图所示的电路中,当电路两端加上电压U后,电路正常工作.如果电阻R2发生了断路,电阻R3两端电压将减少二分之一,而电阻R2发生断路前电阻R1和R2的总功率与电阻R2发生断路后电阻R1的功率相等。
则三个电阻的阻值之比R1:R2:R3为_____ _;在电阻发生断路前后,R3上消耗的电功率为________(选填:“变大”、“变小”或“不变”)5.如图所示,AB和CD是两根固定且平行的水平金属导轨,符号×表示垂直于纸面向里的磁场的磁感线。
现将铜棒EF和GH垂直放在滑轨上,当拉动GH使其向左移动时,发现EF也向左移动,请你说明此过程中所包含的物理知识:;若拉动EF 使其向右移动时,GH应向(选填“左”或“右”)移动。
6.工人师傅在改装电炉时,要使电功率减小到原来的一半,下列措施中可行的是:A.截去一半电炉丝;( )B.串联一条相同的电炉丝;C.并联一条相同的电炉丝;D.把连接电炉和电源的导线长度增加一倍。
初中物理中考物理电学实验培优提优专项训练试卷一、电压电阻中考物理电学实验1.用甲图测小灯泡电阻.灯泡正常发光的电压为2.5V.(1)当小灯泡正常发光时,电流表的示数如图乙所示,此时电流表的示数为_______A,小灯泡的电阻为_______Ω;(2)若闭合开关,电流表和电压表的指针都发生偏转,而小灯泡不亮.其可能原因是_______(说出一种即可);(3)若一个电表发生故障,但有已知的定值电阻R0可提供的情况下,下列电路中不能测出小灯泡电阻的是_______.2.小刚和小强在组成串并联电路的实验中.(1)在连接电路过程中,开关应该是__________的.(2)小刚连接了如图所示电路,如果合上开关,两个灯泡都将__________ (选“发光””不发光”),出现__________现象.(3)小刚想将电路全部拆散,重新连接.小强认为只需拆除c这一根导线,就能成为两灯_______联的正确电路.小强将多余的c导线拆除以后,闭合开关S时,小电灯L1、L2都不亮.用一段导线的两端接触A、B两点时,两灯都不亮;接触C、D两点时,两灯也不亮;接触E、F两点时,只有灯L1亮.对此,下列判断中正确的是__________ (A.灯L1开路B.灯L2开路C.开关S开路D.灯L2短路)(4)小强认为,在小刚连接的电路中,如果将某根导线的一端移接到另一位置,电路就能成为两灯并联的正确电路了.请在图中要移接的导线上打上“×”号,并画出改动后的导线.(______)3.在用电流表测电流的实验中:(1)连接电路时,开关应_____;(2)若某同学连接的电路如图甲所示,则电流表测的是灯_____的电流。
合上开关后,如果电流表的示数如图乙所示,则通过该灯的电流是______A;(3)只需改动一根导线就可测得总电流,请在图中用“×”号指出需改动的导线,并在原图中画出正确的电路连线;(4)若合上开关后,灯均亮,电流表指针不发生偏转,那么原因可能是(_____)A.电流表内部开路 B.开关处接触不良C.电流表被短路 D.电源供电不足4.物理课上,老师给同学们出示了一个有盖的木盒,盒盖上可看到两只灯泡和一只开关(导线的连接情况隐藏在盒内),如图所示.(1)当老师闭合开关时,两只小灯泡都亮了;断开开关,两灯泡又熄灭.根据上述现象,你_____(选填“能” 或“不能”)断定这两只小灯泡是串联的,你的依据是_______.(2)经过检验,这两只灯泡确实是串联的,但在老师闭合开关的时候,细心的小华观察到灯L1比L2亮些.小明猜想灯L2不亮的原因可能是:①灯L2两接线柱CD短路;②灯L2发光太暗,为了验证他的猜想是否正确,小明把灯L2从灯座上拧下来后,发现灯L1仍发光,则他的猜想_______(填序号)是合理的.(3)排除故障后,他用如图方式测量电流,他发现电流表甲和乙的示数分别为0.18A和0.16A,为什么两个电流表示数不同呢?小明认为电流先达到电流表甲,经过灯L2时被消耗了一些,因此到达电流表乙时会少一些.为了验证他的猜想是否正确,以下操作不可行的是________A、将乙电流表用甲电流表代替再测电流B、将L1 L2对调位置C、将甲乙两个电流表的位置对调D、将电源正负极对调.(4)小亮想借助这个装置“探究串联电路电压的特点”,他先将电压表接在L1两端并读出电压表的示数为2.4V;再测L2两端的电压时,他没有拆下电压表,只是将电压表原来接在A接线柱处的导线改接到L2右侧D接线柱上.他的这一操作错误是_______。
初中物理初中物理中考电学实验的专项培优练习题(及答案(1)答案一、电压电阻中考物理电学实验1.某实验小组探究金属丝电阻大小与长度的关系,他们取一段粗细均匀的金属丝拉直连接在A、B接线柱上,在金属丝上安装一个可滑动的金属夹P.实验室还提供了下列器材:电压表、电流表、电池组(电压 3 V)、滑动变阻器(20 Ω 2 A)、刻度尺、开关和导线若干.(1)为了测量AP段的电阻R,他们连接了如图甲所示的电路,连接电路时,开关应_______.(2)某次实验中测得电压表的读数为 2.1V,电流表指针偏转如图乙所示,则电流表的读数为I= _______A,此时金属丝的电阻R= _______Ω.(3)实验中移动金属夹P,分别测出AP段的长度l和对应的电压电流值,并计算出电阻值R,其中l和R的数据如下表:l/cm304050607080R/Ω 2.1 2.8 3.5 4.2 4.9 5.6(4)小军同学认为,由于电源电压没有超过电压表所选量程的最大值,因此在闭合开关前,可以将变阻器的滑片置于任意位置.你认为他的想法是_______(填“正确”或“错误”)的,理由是:_______.解析:(1)断开(2)0.42 5 (3)R与l成正比关系(4)错误电流表的测量值可能超过所选量程的最大值【解析】试题分析:(1)他们连接电路时,开关应断开;(2)由乙图知道,电流表的量程选的是0.6A,分度值是0.02A,所以电流表的读数是0.42A;根据欧姆定律知道R=U/I=2.1V/0.42A=5Ω;(3)由表格中数据知,电阻长度增大为原来的几倍,电阻值便增大为原来的几倍或电阻值与长度的比值是一个常数,所以其它条件不变,导体的电阻与长度成正比;(4)若电路中由于电路连接问题使电路中的电流过大,超过电流表的量程,会烧坏电流表,所以在闭合开关前,要把滑动变阻器的滑片移至最大阻值处,所以他的想法是错误的。
考点:影响电阻的因素2.小希用如图所示电路来探究串联电路的电压特点.(1)在拆接电路时,开关必须________.(2)实验中最好选择规格________(填“相同”或“不同”)的小灯泡.(3)用电压表分别测出A与B、B与C、A与C两点间的电压为U AB、U BC、U AC.经过多次实验,得到的数据记录在下表中.分析实验数据,你可得到串联电路的电压特点是________(用公式表示)(4)小希进行多次实验的主要目的是________(填序号)①寻找普遍规律②减小实验误差解析:断开不同 U AC= U AB+U BC①【解析】(1)在拆接电路的过程中,为了保护电路,开关必须处于断开状态;(2)实验中最好选择规格不相同的小灯泡,便于发现规律;(3)比较AB间、BC间、AC间的电压值可得:串联电路中总电压等于各部分电路电压之和,即U AC U AB+U BC;(4)进行多次实验的主要目的是发现串联电路中总电压和各部分电路电压之间的关系,从而寻找普遍规律.3.小明在探究“影响导体电阻大小的因素”的实验中,原先设计的实验电路如图。
初中物理电学培优 Company number:【0089WT-8898YT-W8CCB-BUUT-202108】人教版初中物理电学内容姓名目录1、电流与电路 (01)2、电流与电压 (04)3、电阻 (08)4、欧姆定律 (10)5、电功和电功率 (13)6、串联与并联 (17)7、家庭电路和安全用电..............................................................................19 8、电与磁................................................................................................23 9、长沙市近几年中考中的电学题 (28)电学总归纳中考关注电学是初中物理的主干知识,而电学计算又是电学的重点知识,它已成为历年来中考的必考内容。
长沙市2008年中考电学知识占39%,2009年占有42%,2010年占40%。
主要考点有:①记住欧姆定律的内容、表达式,并能熟练运用欧姆定律分析解决简单的电路问题;②知道串并联电路中电流、电压、电阻的关系,并会运用这些知识分析解决简单的串、并联问题;③知道电功、电功率的公式,并会求解简单的问题;④知道额定电压、额定功率、实际功率以及它们之间的关系;⑤记住焦耳定律公式并能用焦耳定律进行求解通电导体发热问题。
一、电流与电路(一)、电荷1、带了电(荷):2、使物体带电的方法:②接触带电:物体和带电体接触带了电。
如带电体与验电器金属球接触使之带电。
3、两种电荷:正电荷:规定:用 摩擦过的 棒所带的电。
实质:物质中的原子 了电子负电荷:规定: 摩擦过的 棒所带的电。
实质:物质中的原子 了电子4、电荷间的相互作用规律:同种电荷相互 ,异种电荷相互 。
5、验电器: 构造:金属球、金属杆、金属箔 作用:检验物体是否带电。
原理: 6、电荷量: 定义:电荷的多少叫电量。
单位:元电荷e :最小的电荷。
(二)、电流 1、形成:定义:用摩擦的方法使物体带电实质:能的转化:机械能-→电能①摩擦起1e= C对金属来讲是 定向移动形成电流;对酸、碱、盐的水溶液来讲,定向移动形成电流。
2、方向的规定:与 电荷定向移动方向相同。
在电源外部,电流的方向 。
在电源的内部: 。
电流的方向与自由电子定向移动的方向3、获得持续电流的条件: 、 (三)、导体和绝缘体:1、导体: 定义: 。
常见材料:金属、石墨、人体、大地、酸碱盐溶液、含杂质的水 导电原因:导体中有大量的 2、绝缘体: 定义: 。
常见材料:橡胶、玻璃、陶瓷、塑料、油等。
不易导电的原因:几乎没有3、导体和绝缘体之间并没有绝对的界限,在一定条件下可相互转化。
(四)、电路1、 能—→ 能。
2 ②开路(断路):断开的电路。
③短路:定义:电源两端或用电器两端直接用 连接起来。
特征:电源短路,电路中有很大的 ,可能烧坏电源或烧坏导线的绝缘皮,很容易引起火灾。
3、电路图:用规定的符号表示电路连接的图叫做电路图。
V ①电定义:能够提供电流的装置,或把 能转化为作用:提供电压,电压是电流产生的条件。
V能→电电能电路图实例装饰小彩灯、开关和用电器家庭中各用电器、各路灯5、识别电路串、并联的常用方法:(选择合适的方法熟练掌握)①电流分析法:在识别电路时,电流:电源正极→各用电器→电源负极,若途中不分流用电器串联;若电流在某一处分流,每条支路只有一个用电器,这些用电器并联;若每条支路不只一个用电器,这时电路有串有并,叫混联电路②断开法:去掉任意一个用电器,若另一个用电器也不工作,则这两个用电器串联;若另一个用电器不受影响仍然工作则这两个用电器为并联。
堂上练习:1、下列电路图与实物图一致的是2、通常情况下,下列物体属于导体的是A.塑料尺 B.铅笔芯 C.玻璃棒 D.橡胶棒3、一般家庭的卫生间都要安装照明灯和换气扇。
使用时,有时需要各自独立工作,有时需要它们同时工作。
在下图所示的电路,你认为符合上述要求的是4、现有六种物品:铜条、玻璃丝、铅笔芯、水银、塑料棒、陶瓷片.小明将它们分成两类,如下表所示.小明是按物质的哪种物理属性对它们进行分类的 ( )第一类第二类铜条铅笔芯水银玻璃丝塑料棒陶瓷片A.物态 B.磁性 C.硬度 D.导电性5、楼道里,夜间只是偶尔有人经过,电灯总是亮着会浪费电能。
科研人员利用光敏材料制成“光控开关”,天黑时自动闭合;天亮时自动断开。
利用声敏材料制成“声控开关”,当有人走动发出声音时,自动闭合;无人走动时,自动断开。
若将这两个开关配合使用(如图1),就可以使楼道灯变得“智能化”,这种“智能”电路正确的是6、如图所示,粗心的小强把电流表当作电压表接在了L1的两端。
此时如果闭合开关,一定会发生()A、电源短路B、电流表损坏C、L1不亮 D、L2的灯丝烧断7、图2为路口交通指示灯的示意图。
指示灯可以通过不同颜色灯光的变化指挥车辆和行人的交通行为。
据你对交通指示灯的了解可以推断A.红灯、黄灯、绿灯是串联的B.红灯、黄灯、绿灯是并联的C.红灯与黄灯并联后再与绿灯串联D.绿灯与黄灯并联后再与红灯串联小结:实物图连线的注意事项:二、电流与电压一、电流1、物理意义:电流表示。
2、单位:国际单位:,简称,符号,常用单位还有:毫安()微安()换算关系:12A= mA= μA 1600μA = mA= A某同学用台灯工作时电流约14mA ,合 A3、测量:1、仪器:,符号:2、方法:㈠读数时应做到“三看清”即看清接线柱上标的,看清每大格电流值、看清每小格分度值。
㈡使用时规则:①电流表要在电路中;②电流从电流表的正接线柱流入,接线柱流出,否则。
③被测电流不要超过。
Ⅰ危害:被测电流超过电流表的最大测量值时,不仅,电流表的指针还会被,甚至表被。
Ⅱ选择量程:实验室用电流表有两个量程:和。
测量未知电流时,采用法,先选量程,若被测电流在—3A可测量,若被测电流小于则,若被测电流大于3A则。
④绝对不允许不经用电器直接把电流表连到上,原因电流表相当于。
二、电压1、电压的作用(1)、电压是形成的原因,是提供电压的装置。
(2)、电路中获得持续电流的条件①(或电路两端有电压)②。
注:说电压时,要说“‘xxx’两端的电压”,说电流时,要说“通过‘ xxx’的电流”。
2、单位:国际单位:,简称,符号,常用单位还有千伏()毫伏()换算关系:12Kv= V = mV3、记住一些电压值:干电池 V,蓄电池 V,家庭电压 V,安全电压V。
(三)、电压测量:1、仪器:,符号:2、读数时,看清接线柱上标的量程,每大格电压值和每小格的分度值。
3、使用规则:①电压表要联在电路中。
②电流从电压表的接线柱流入,接线柱流出。
否则。
③被测电压不要超过电压表的。
Ⅰ危害:被测电压超过电压表的最大量程时,。
Ⅱ选择量程:实验室用电压表有两个量程和。
测量未知电压时,采用法,先选量程,若被测电压在可测量,若被测电压小于3V,则,若被测电压大于15V则。
三、电流表、电压表分析电路故障1、断路:也叫开路,是电路中某处断开,导致电路无电流,用电器不工作的故障。
例如:灯丝断了,接触不良,导线断开,仪表内部断线等。
2、短路:指电源或电路元件被电阻极小的导体(如导线、电流表等)并联而造成的电路故障,短路时电路的电流会变大。
3、故障分析:串联电路故障分析:L1(或L2)短路,电流表会,电压表会。
堂上训练:1、如图所示电流表的示数是 ________A 。
2、日常的生活经验告诉我们,家中的电灯、插座、彩色电视机、电冰箱等电气设备之间的连接方法是A.一定是串联B.电灯与插座应该串联,彩电与电冰箱应该并联C.一定是并联D.可以串联,也可以是并联;3、如图所示,闭合开关S时,灯泡L1、L2都不亮。
用一段导线的两端接触a、b两点时,两灯都不亮;接触b、c两点时,两灯都不亮;接触c、d两点时,两灯都亮。
则A.灯L1断路 B.灯L2断路 C.灯L2短路 D.开关S断路4、图6所示电路中,当开关S闭合后,要使电阻R1、R2串联,甲、乙应该接入的是A.甲接电压表,乙接电流表B.甲接电流表,乙接电压表C.甲、乙都接电压表D.甲、乙都接电流表5、在如图5(a)所示电路中,当闭合开关后,两个电压表指针偏转均如图5(b)所示,则电阻R1和R2两端的电压分别为A.B.7 VC. 7VD.6、在实验室,鲁慧中同学发现一个电流表有两个量程,大量程是0—9A,小量程模糊不清。
为了测量小量程是多少,她先用大量程接入电路,指针位置如图(a)所示,然后再改用小量程接入同一电路,指针指示如图(b)所示,则电流表的小量程为A、0—B、0—1AC、0—2AD、0—3AL2断路7、如图10所示电路中有两个小灯,请在图中○内,分别填入及或的符号,要求电键闭合时两灯均能发光,且两电表的示数均不为零。
8、在如图所示的电路中,电源电压不变。
闭合电键S,电路正常工作。
过了一会儿,两个电表的示数均变大,则下列判断中正确的是()A 电阻R可能短路,灯L变亮。
B 灯L一定断路。
C 电阻R一定断路,灯L变暗。
D 灯L一定短路。
9、在如图所示的电路中,电源电压不变.闭合电键S,灯L1、L2都发光.一段时间后,其中一灯突然熄灭,而电流表、电压表的示数都不变,则产生这一现象的原因可能是()A 灯L1短路。
B 灯L2短路。
C 灯L1断路。
D 灯L2断路。
三、电阻1、电阻(一)定义及符号:1、定义:电阻表示。
2、符号:。
(二)、单位:1、国际单位:。
规定:如果导体两端的电压是1V,通过导体的电流是1A,这段导体的电阻是1Ω。
2、常用单位:千欧()、兆欧()。
3、换算:16MΩ= KΩ= Ω,200Ω= KΩ= MΩ(三)影响因素:1、实验原理:在电压不变的情况下,通过电流的变化来研究导体电阻的变化。
(也可以用串联在电路中小灯泡亮度的变化来研究导体电阻的变化)2、实验方法:。
所以定论“电阻的大小与哪一个因素的关系”时必须指明“相同条件”3、结论:导体的电阻是导体本身的一种性质,它的大小决定于导体的、和,还与有关。
注:导体的电阻与两端所加的电压和通过的电流无关,只是由它们的比值决定。
“通电或不通电,电阻就在那里,不增不减”。
在白炽灯的两端电压增加时,电阻增大,这只是“电压升高,电阻增大”的假象,实际是电阻随着温度的变化而变化,因为 。
补充:电阻定律:电阻大小的决定式:R=s l,其中ρ是材料的电阻率,由材料和温度决定;l 是导体的长度;s 是导体的横截面积。
由此可知:导体的电阻与其长度成正比,与其横截面积成反比。
例如:将某导线电阻为R ,对折后其电阻将变为 R 。
若将导线均匀地拉长为原来的2倍,电阻变为 R 。