采样布点方法报告.doc
- 格式:doc
- 大小:17.50 KB
- 文档页数:1
空气采样布点方法一、引言空气采样是环境监测的重要手段之一,通过对空气中污染物的采样和分析,可以了解环境质量状况,为环境保护提供科学依据。
空气采样的布点方法是指在特定区域内选择合适的位置进行采样,并根据不同污染物的特性和分布情况确定采样点位和数量。
本文将介绍空气采样布点方法的具体步骤和注意事项。
二、确定采样区域首先,需要明确需要进行空气采样的区域范围。
通常情况下,这个范围是由环保部门或者其他相关部门提供的,例如城市规划局提供城市规划区域范围等。
如果没有提供,则需要根据实际情况进行判断。
针对不同类型的污染源,需要选择不同的采样区域。
例如,对于工业污染源,应该选择距离工厂较近的地方进行采样;对于交通污染源,则应该选择交通繁忙地段进行采样。
三、确定采样方式根据不同污染物的特性和分布情况,可以选择不同的空气采样方式。
一般来说,常用的空气采样方式有袋式采样、吸附管采样、活性炭管采样等。
袋式采样是将空气直接吸入袋中,适用于大气中浓度较低的污染物。
吸附管采样则是通过将空气通过吸附管,使污染物与吸附剂发生反应并固定在吸附剂上。
活性炭管采样则是利用活性炭对有机污染物进行吸附。
四、确定采样点位和数量根据确定的采样区域和选择的空气采样方式,需要确定具体的采样点位和数量。
通常情况下,应该选择具有代表性的位置进行采样,例如交通路口、工厂周边等。
对于不同类型的污染源,需要选择不同数量的采样点位。
例如,在工业区内应该设置多个点位进行连续监测;而在城市内,则可以根据实际情况设置较少的点位。
五、布设空气监测站根据确定好的采样点位和数量,需要布设相应的空气监测站。
在布设监测站时需要注意以下几个方面:1. 选择合适的场地:监测站应该选择在平坦、无遮挡、无显著污染源的场地。
2. 确定监测站类型:根据不同的采样方式,需要选择不同类型的监测站。
例如,袋式采样需要设置采样亭或者采样车;吸附管采样和活性炭管采样则可以通过设置吸附管支架或者活性炭管支架来完成。
土壤检测采样点的6种布设方法一、简单随机布点法。
这种方法就像是抽签一样随机。
想象一下,你面前有一大片土地,就像一个大棋盘。
你闭上眼睛,随便在这个棋盘上点几个点,这就是简单随机布点啦。
它比较适合土壤情况相对比较均匀的地方哦。
比如说那种大片的、没有太多地形变化或者土地用途比较单一的农田。
不过呢,这种方法也有点小任性,如果土地本身差异比较大,可能就不太能准确反映整个区域的土壤情况啦。
二、对角线布点法。
这方法可有趣啦。
就像在土地这个大图形里画对角线一样。
如果是正方形或者长方形的地块,我们就在它的对角线上选几个点。
这就像是给土地画了个特殊的标记。
这种布点法对于面积较小、地势平坦、肥力均匀的地块很实用呢。
就好像给小地块量身定制的一种采样方式,能比较快地了解这块小土地的土壤大概情况。
三、棋盘式布点法。
棋盘式布点就像是在土地上摆棋盘。
把土地划分成很多个小方格,然后在这些方格的交叉点上设置采样点。
这就像是给土地做了个很细致的网格规划。
适合地形平坦、土壤均匀程度中等的大面积地块。
它就像是撒大网捕鱼一样,能比较全面地覆盖到土地的各个部分,这样检测出来的土壤情况就更有代表性啦。
四、蛇形布点法。
蛇形布点法可形象啦,就像蛇在土地上蜿蜒爬行留下的痕迹一样。
在地块比较狭长的时候,这种方法特别好用。
沿着地块的长度方向,弯弯绕绕地设置采样点。
这样能保证在狭长的土地上也能采到不同位置的土壤样本,不会遗漏掉土地两边或者中间有特殊情况的土壤。
五、分层布点法。
这个分层布点就像是给土地做分层蛋糕一样。
如果土地有不同的层次,比如表层土和深层土情况差异比较大,或者有不同的土壤类型在垂直方向上分布,那就可以分层来设置采样点。
先在表层采一些样,再到深层采一些样。
这样就能全面了解土地不同深度的土壤状况啦。
六、放射状布点法。
放射状布点法就像太阳射出的光线一样。
如果土地中间有个特殊的点,比如有个污染源头在中间,或者有个特殊的地形中心,那就以这个点为中心,像光线一样向四周设置采样点。
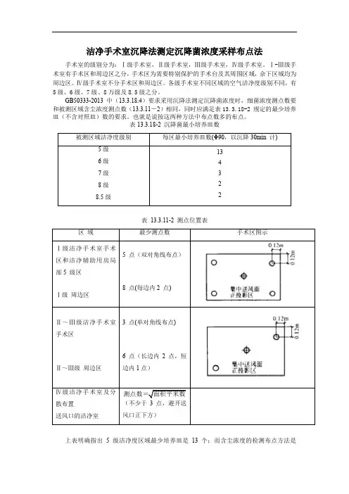
洁净手术室沉降法测定沉降菌浓度采样布点法手术室的级别分为:Ⅰ级手术室,Ⅱ级手术室,Ⅲ级手术室,Ⅳ级手术室。
Ⅰ-Ⅲ级手术室有手术区和周边区之分,手术区为需要特别保护的手术台及其周围区域,余下区域均为周边区。
Ⅳ级手术室不分手术区和周边区。
各级手术室不同区域的空气洁净度级别不同,有5级、6级、7级、8万级及8.5级之分。
GB50333-2013中(13.3.18.4)要求采用沉降法测定沉降菌浓度时,细菌浓度测点数要和被测区域含尘浓度测点数(13.3.11-2)相同,同时应满足表13.3.18-2 规定的最少培养皿(不含对照皿)数的要求。
也就是说按这两种方法中布点数多的布点。
表13.3.18-2 沉降菌最小培养皿数表13.3.11-2 测点位置表上表明确指出5级洁净度区域最少培养皿是13个;而含尘浓度的检测布点方法是(13.3.11.2)Ⅰ级手术室手术区5个,所以在测沉降菌的时候,Ⅰ级手术室手术区布点数应为13个。
沉降菌最少培养皿数明确指出6级洁净度区域最少培养皿是4个;而含尘浓度的检测布点方法是Ⅰ级手术室周边区8个,所以Ⅰ级手术室周边区布点数应为8个,即Ⅰ级手术室沉降菌采样共需布21个点(不包括对照)。
沉降菌最少培养皿数指出6级洁净度区域最少培养皿是4个;而含尘浓度的检测布点方法是Ⅱ级手术室手术区3个,所以Ⅱ级手术室手术区布点数应为4个。
沉降菌最少培养皿数指出7级洁净度区域最少培养皿是3个;而含尘浓度的检测布点方法是Ⅱ级手术室周边区6个,所以Ⅱ级手术室周边区布点数应为6个。
即Ⅱ级手术室沉降菌采样共需布10个点(不包括对照)。
沉降菌最少培养皿数指出7级洁净度区域最少培养皿是3个;而含尘浓度的检测布点方法是Ⅲ级手术室手术区3个,所以Ⅲ级手术室手术区布点数为3个。
沉降菌最少培养皿数指出8级洁净度区域最少培养皿是2个;而含尘浓度的检测布点方法是Ⅲ级手术室周边区6个,所以Ⅲ级手术室周边区布点数应为6个。
即Ⅲ级手术室沉降菌采样共需布9个点(不包括对照)。
医院常规空气细菌培养(自然沉降法)采样方法欧阳学文一、采样时间选择消毒处理后与进行医疗活动之前采样。
二、采样高度与地面垂直高度80150厘米。
三、布点方法 1.面积≤30 m2,设一条对角线取三点,即中间一点,两端各距墙1米处各取一点(图1)2.室内面积>30m2,设两条对角线,东,西,南,北,中取五点,其中东,西,南,北距墙均1米(图2)四、采样方法用9厘米直径普通琼脂平皿,打开盖后面朝下斜扣到底盘,在采样点准确暴露5分钟后,送检培养。
五、结果分析I类区域:<10 cfu/m3II类区域:<200 cfu/m3III类区域:<500 cfu/m3六、附录Ⅰ类区域:层流洁净手术室、层流洁净病房(参照洁净室空气培养方法与标准)。
Ⅱ类区域:普通手术室、产房、婴儿室、早产儿室、普通保护性隔离室、供应室无菌区、烧伤病房、重症监护病房。
Ⅲ类区域:儿科病房、妇产科检查室、注射室、换药室、治疗室供应室清洁区、急诊室、化验室、各类普通病房和房间。
Ⅳ类区域:传染病科及病房。
洁净室空气细菌培养监测布点与标准一、局部百级,周围千级:共放13个培养皿,其中手术区域5点,周边区8点。
采样布置点示意图:二、局部千级,周围万级:共放9个培养皿,其中手术区域3点,周边区6点。
采样布置点示意图:三、局部万级,周围十万级:共放7个培养皿,其中手术区域3点,周边区域4点。
采样布置点示意图:四、三十万级:面积>30m2布放4点,面积≤30 m2布放2点。
五、要求: 1.送风口集中布置时,应对手术区和周边区分别检测;如送风口分散布置时,全室统一检测,测点可均布,不应布置在送风门正下方;2.采样点可布置在地面上或不高于地面0.8m的任意高度上,手术区域放置在四角的平皿应离手术区边缘0.12m,培养皿放置30分钟;3.采样后的培养皿,应立即置于37度条件下培养48小时;4.然后计数生长的菌落数,菌落数的平均值均四舍五入进位到小数点后1位。
水稻田采样布点方案
1.田块划分:首先,将水稻田划分成具有代表性的田块,每个田块应具有相似的土壤类型、水分状况和水稻生长情况。
划分田块的方法可以根据田块之间的地理位置、土壤质地、水利设施等因素来确定。
2.采样点数量:根据田块的大小和异质性程度来确定采样点的数量。
一般来说,田块越大,异质性越高,采样点的数量就需要越多。
在确定采样点数量时,可以参考水稻田采样点密度的一般经验值,例如每个田块中的正方形网格点数量。
3.采样点布置:根据采样点密度和田块形状确定采样点的布置方式。
可以使用规则布点和随机布点两种方式。
规则布点是指以固定的间隔在田块内布置采样点,适用于田块较规则、均匀分布的情况。
随机布点是指在田块内随机选择采样点位置,适用于田块具有较大的异质性和不规则分布的情况。
4.采样点位置:确定采样点位置时应考虑以下几个因素:首先,采样点应避免在田边、墙角等位置,以减少边界效应对采样结果的影响。
其次,应尽量选择代表性的区域进行采样,例如选择水稻植株生长较好、水分状况较稳定的区域。
最后,采样点之间应尽量保持一定的距离,以避免相邻采样点之间的土壤样品相似度过高。
大气采样布点方法大气采样就像给大气做一次“体检”,那布点方法可重要啦!咱先说说功能区布点法,嘿,这就好比给大气划分不同“功能区”,工业区、商业区、居民区,各有各的特点。
在这些不同区域设置采样点,不就能清楚了解不同功能区的大气状况了吗?这多棒呀!那网格布点法呢,就像给大气织一张“网”,把整个区域划分成一个个小网格,在网格交点处布点。
哇塞,这样是不是能全面了解整个区域的大气情况呢?同心圆布点法也很厉害哦,以污染源为中心画同心圆,就像围绕着太阳的行星轨道一样。
在不同半径的圆周上布点,能清楚地知道污染源对周围大气的影响。
那布点的时候有啥注意事项呢?首先得考虑风向啊,风往哪儿吹,咱的采样点就得合理布置,不然咋能准确反映大气情况呢?还有地形也很重要呀,高高低低的地形可不能忽视。
说到安全性,咱这大气采样布点可不能在危险的地方瞎搞呀。
得保证采样人员的安全,要是在一些不稳定的地方布点,那不是给自己找麻烦嘛。
稳定性也很关键,布点得选稳定的地方,不能今天在这儿,明天就没了。
就像盖房子得打牢地基一样,咱这采样点也得稳定可靠。
大气采样布点方法的应用场景可多啦!环境监测部门那是经常用啊,看看哪个地方的大气污染严重,好采取措施治理。
企业也可以用呀,检查自己的排放有没有超标。
优势也不少呢,能准确反映大气状况,为环保决策提供依据。
这不是超级厉害嘛!给你说个实际案例哈。
有个城市为了治理大气污染,采用了多种布点方法。
在工业区、商业区和居民区都设置了采样点,经过一段时间的监测,发现了问题所在,然后采取了针对性的措施。
哇,效果那叫一个好,大气质量明显改善了。
大气采样布点方法真的超重要,能让我们更好地了解大气状况,为保护环境出一份力。
采样布点方法范文采样布点方法是一种用于选择样本的方法,旨在确保样本的代表性和可靠性。
在各个领域中,如统计学、市场调查、社会科学研究等,采样布点方法都是非常重要的。
本文将介绍一些常见的采样布点方法,包括简单随机抽样、系统抽样、分层抽样和整群抽样。
简单随机抽样是最常用的一种采样布点方法,它的原理是在总体中随机选择样本观测。
具体而言,我们可以通过随机数表、随机数生成器或把名字写在等大纸条上放入罐子中,来保证样本观测的随机性。
简单随机抽样方法简单易行,能够确保每个个体被抽到的机会是相同的。
然而,这种方法在实际应用中有时会因为容易导致样本不具备代表性而不被采用。
系统抽样是一种无随机性的抽样方法。
在进行系统抽样之前,首先需要确定一个固定的范围,这个范围称为抽样间隔(sampling interval)。
然后,从总体中无偏地选择一个初始个体。
之后,选择此初始个体后的每隔抽样间隔的个体。
系统抽样方法比简单随机抽样更简单:只需指定一个初始值和抽样间隔,就能快速抽取样本。
然而,如果总体的有序性与抽样间隔相吻合,那么系统抽样就会导致样本具备一定的偏倚性。
分层抽样是一种将总体划分为不同层级,并在每个层级中进行抽样的方法。
分层抽样的目的是确保每个层级都能得到恰当的代表性。
首先,将总体按照一些特征划分为若干个层级,然后在每个层级中进行简单随机抽样或系统抽样。
分层抽样具有更强的代表性,能够更好地反映总体的特征。
但是,分层抽样的实施过程相对复杂,需要对总体进行合理的划分,并且需要花费更多的时间和精力。
整群抽样是一种将总体划分为若干个互不重复的群组(clusters),然后在每个群组中选择一个或多个群组来构成样本的方法。
整群抽样的目的是降低调查成本和提高效率。
通常,群组的选择是基于方便性或经济性的考虑。
整群抽样方法的优势在于简化了调查过程,但样本与总体之间的代表性可能会受到群组选择的影响。
在选择采样布点方法时,需要根据具体研究的目的、总体特征和可用资源等因素综合考虑。
今天大气氟化物采样器厂家为大家分享下环境监测基础知识,环境空气监测技术之布点采样,一起来看一下吧!1.点位布设1.1.一般原则1.1.1.采样点位应根据监测任务的目的、要求布设,必要时进行现场踏勘后确定。
1.1.2.所选点位应具有较好的代表性,监测数据能客观反映一定空间范围内空气质量水平或空气中所测污染物浓度水平。
1.1.3.监测点位的布设和数量应满足监测目的及任务要求。
1.2.监测点位布设技术要求1.2.1.监测点应地处相对安全、交通便利、电源和防火措施有保障的地方。
1.2.2.监测点采样口周围水平面应保证有270°以上的捕集空间,不能有阻碍空气流动的高大建筑、树木或其他障碍物。
1.2.3.如果采样口一侧靠近建筑,采样口周围水平面应有180º以上的自由空间。
1.2.4.从采样口到附近最高障碍物之间的水平距离,应为该障碍物与采样口高度差的两倍以上,或从采样口到建筑物顶部与地平线的夹角小于30°。
1.2.5.样口距地面高度在1.5~15m范围内,距支撑物表面1m以上。
有特殊监测要求时,应根据监测目的进行调整。
1.3.采样口位置应符合下列要求(一)对于手工间断采样,其采样口离地面的高度应在1.5~15米范围内;(二)对于自动监测,其采样口或监测光束离地面的高度应在3~15米范围内;(三)针对道路交通的污染监控点,其采样口离地面的高度应在2~5米范围内;(四)在保证监测点具有空间代表性的前提下,若所选点位周围半径300~500米范围内建筑物平均高度在20米以上,无法按满足(一)、(二)条的高度要求设置时,其采样口高度可以在15~25米范围内选取;(五)在建筑物上安装监测仪器时,监测仪器的采样口离建筑物墙壁、屋顶等支撑物表面的距离应大于1米;(六)使用开放光程监测仪器进行空气质量监测时,在监测光束能完全通过的情况下,允许监测光束从日平均机动车流量少于10,000辆的道路上空、对监测结果影响不大的小污染源和少量未达到间隔距离要求的树木或建筑物上空穿过,穿过的合计距离,不能超过监测光束总光程长度的10%;(七)当某监测点需设置多个采样口时,为防止其他采样口干扰颗粒物样品的采集,颗粒物采样口与其他采样口之间的直线距离应大于1米。
图5-1 土壤采样点示意图(1)对角线布点法(见图5-1( a)):该法适用于面积小、地势平坦的污水灌溉或受污染河水灌溉的田块。
布点方法是由田块进水口向对角线引一斜线,将此对角线三等分,在每等分的中间设一采样点,即每一田块设三个采样点。
根据调查目的、田块面积和地形等条件可做变动,多划分几个等分段,适当增加采样点。
图中记号作为采样点。
(2)梅花形布点法(见图5-1 (b)):该法适用于面积较小、地势平坦、土壤较均匀的田块,中心点设在两对角线相交处,一般设 5 —10个米样点。
(3)棋盘式布点法(见图5-1 ( c)):这种布点方法适用于中等面积、地势平坦、地形完整开阔、但土壤较不均匀的田块,一般设10个以上采样点。
此法也适用于受固体废物污染的土壤,因为固体废物分布不均匀,应设20个以上采样点。
(4)蛇形布点法(见图5-1 (d)):这种布点方法适用于面积较大,地势不很平坦,土壤不够均匀的田块。
布设采样点数目较多。
1、河流岸边溪水中表层沉积物与河岸带(关系)排污口、村庄、企业、两岸沿线重要闸坝、排污口上下游、支流汇入(采样点位置与周边环境表格)1-17北岸,18-28南岸,沉积物-采样点近岸沿平行河流方向10m长度范围内,随机取5个0-10m深度混合为一个样品。
采28个样土壤-采样点沿距河边10m范围内的河岸带,按S型布点,采0-20,20-40,40-60 三个土层深度土样,共采集84个。
处理:剔除植物残体和石块,装入聚乙烯封口袋密封,编号。
自然风干后,压碎碾磨,过100 目筛,待用。
《城郊流域河岸带土壤与河流沉积物的重金属污染及分布特征- 王志英》2、采样器:抓斗式采样器(彼得森法)0-10cm深度(均取表层沉积物),各样点平行采样3次,车载冰箱4 度保存,样品冷冻干燥,研磨过100目筛,密封保存。
3、沉积物经冷冻干燥机干燥后,研磨,去除植物残体和石块等杂质,四分法取1/4 作为实验样品,过200目筛子,装入聚乙烯瓶待用。
医院常规空气细菌培养(自然沉降法)采样方法一、采样时间选择消毒处理后与进行医疗活动之前采样。
二、采样高度与地面垂直高度 80-150 厘米。
三、布点方法1.面积≤30 m2 ,设一条对角线取三点,即中间一点,两端各距墙 1 米处各取一点(图 1)图 12.室内面积>30m2 ,设两条对角线,东,西,南,北,中取五点,其中东,西,南,北距墙均 1 米(图 2)图 2四、采样方法用 9 厘米直径普通琼脂平皿,打开后盖面朝下斜扣到底盘,在采样点准确暴露 5 分钟后,送检培养。
五、结果分析I 类区域: <10 cfu/m3II 类区域: <200 cfu/m3III 类区域: <500 cfu/m3六、附录Ⅰ类区域:层流洁净手术室、层流洁净病房 (参照洁净室空气培养方法与标准) 。
Ⅱ类区域:普通手术室、产房、婴儿室、早产儿室、普通保护性隔离室、供应室无菌区、烧伤病房、重症监护病房。
Ⅲ类区域:儿科病房、妇产科检查室、注射室、换药室、治疗室供应室清洁区、急诊室、化验室、各类普通病房和房间。
Ⅳ类区域:传染病科及病房。
洁净室空气细菌培养监测布点与标准一、局部百级,周围千级:共放 13 个培养皿,其中手术区域 5 点,周边区 8 点。
采样布置点示意图:二、局部千级,周围万级:共放 9 个培养皿,其中手术区域 3 点,周边区 6 点。
采样布置点示意图:三、局部万级,周围十万级:共放 7 个培养皿,其中手术区域 3 点,周边区域 4 点。
采样布置点示意图:四、三十万级:面积>30m2 布放 4 点,面积≤30 m2 布放 2 点。
五、要求:1.送风口集中布置时,应对手术区和周边区分别检测;如送风口分散布置时,全室统一检测,测点可均布,不应布置在送风门正下方;2.采样点可布置在地面上或不高于地面 0.8m 的任意高度上,手术区域放置在四角的平皿应离手术区边缘 0.12m,培养皿放置 30 分钟;3.采样后的培养皿,应立即置于 37 度条件下培养 24 小时;4.然后计数生长的菌落数,菌落数的平均值均四舍五入进位到小数点后1位。
1、河流采样点位的确定采样点泛指水体中一个具体的取样点,它受水面宽度和深度影响。
在一个监测断面上设置的采样垂线数与各垂线上的采样点数应符合表1—1 和表 1—2,其中,中泓线设置在除去河流两岸滩涂部分后的中间位置;左、右两垂线布设在中线至岸边的中间部分.表1—1 采样垂线数的设置表 1—2 采样垂线上的采样点数的设置2 污水采样点位的确定污水源一般经管道或渠、沟排放,无须设置监测断面,可直接确定采样点位。
2。
1工业污(废)水2。
1。
1对第一类和第二类污染物第一类污染物是指在环境和动植物内蓄积,对人体健康产生长远不良影响者。
此类污染物,不分行业和污水排放方式,也不分受纳水体的功能类别,一律在车间或车间处理设施排放口采样(采矿行业的尾矿坝出水口不得视为车间排放口)。
此类污染物有总汞、烷基汞、总镉、总铬、六价铬、总砷、总铅、总镍、苯并(a )芘、总铍、总银、总α放射性、总β放射性13种.第二类污染物指长远影响小于第一类的污染物.在排污单位排放口采样。
此类污染物有pH 、色度、SS 、、、、、、、、-----34235PO F S CN N NH COD BOD Cr 石油类、动植物油、挥发酚、LAS 、类大肠菌群数、TOC 等56种。
2.1。
2污水处理设施效率监测采样点的布设对整体污水处理设施效率监测时,在处理设施的入口和总排口设置采样点;对各污水处理单元效率监测时,在各处理单元的入口和排口设置采样点。
2.2城市污水2。
2.1进入集中式污水处理厂和进入城市污水管网的污水采样点位应根据地方环境保护行政主管部门的要求确定。
2。
2.2在接纳污水入口后的排水管道或渠道为了保证两股水流的充分混合,采样点布设在离污水(或支管)入口约20~30倍管径的下游处。
2.2.3城市污水进入水体的排放口在污水入河排污口的上、下游分别设置采样点。
采样位置设在采样断面的中心,当水深大于1m时,位于1/4水深处;水深小于或等于1m时,位于1/2水深处.3流量测量3。
医院常规空气细菌培养(自然沉降法)采样方法一、采样时间选择消毒处理后与进行医疗活动之前采样。
二、采样高度与地面垂直高度80-150厘米。
三、布点方法1.面积≤30 m2,设一条对角线取三点,即中间一点,两端各距墙1米处各取一点(图1)2.室内面积>30m2,设两条对角线,东,西,南,北,中取五点,其中东,西,南,北距墙均1米(图2)四、采样方法用9厘米直径普通琼脂平皿,打开盖后面朝下斜扣到底盘,在采样点准确暴露5分钟后,送检培养。
五、结果分析I类区域:<10 cfu/m3II类区域:<200 cfu/m3III类区域:<500 cfu/m3六、附录Ⅰ类区域:层流洁净手术室、层流洁净病房(参照洁净室空气培养方法与标准)。
Ⅱ类区域:普通手术室、产房、婴儿室、早产儿室、普通保护性隔离室、供应室无菌区、烧伤病房、重症监护病房。
Ⅲ类区域:儿科病房、妇产科检查室、注射室、换药室、治疗室供应室清洁区、急诊室、化验室、各类普通病房和房间。
Ⅳ类区域:传染病科及病房。
洁净室空气细菌培养监测布点与标准一、局部百级,周围千级:共放13个培养皿,其中手术区域5点,周边区8点。
采样布置点示意图:二、局部千级,周围万级:共放9个培养皿,其中手术区域3点,周边区6点。
采样布置点示意图:三、局部万级,周围十万级:共放7个培养皿,其中手术区域3点,周边区域4点。
采样布置点示意图:四、三十万级:面积>30m2布放4点,面积≤30 m2布放2点。
五、要求:1.送风口集中布置时,应对手术区和周边区分别检测;如送风口分散布置时,全室统一检测,测点可均布,不应布置在送风门正下方;2.采样点可布置在地面上或不高于地面0.8m的任意高度上,手术区域放置在四角的平皿应离手术区边缘0.12m,培养皿放置30分钟;3.采样后的培养皿,应立即置于37度条件下培养48小时;4.然后计数生长的菌落数,菌落数的平均值均四舍五入进位到小数点后1位。
污染场地土壤初步调查布点及采样一、引言在环境保护工作中,土壤污染是一个严重的问题,对人类的健康和生态系统的稳定性都带来了威胁。
为了了解和评估土壤污染的程度和范围,必须进行详细的调查和采样工作。
本文将介绍污染场地土壤初步调查的布点和采样方法。
二、布点在进行土壤污染调查时,布点是非常重要的。
合理的布点可以保证调查结果的准确性和代表性。
以下是布点原则:1.代表性原则:土壤污染通常是不均匀分布的,因此必须选择具有代表性的采样点。
在选取采样点时,应该考虑土壤特性、土壤利用方式、污染源的位置和性质等因素,选择具有代表性的采样点。
2.覆盖性原则:为了获得全面的调查结果,应采取合理的布点方式,覆盖整个污染场地。
可以通过网格布点、边界布点等方式,确保采样点的分布均匀。
3.地貌特征原则:土壤受地表地貌特征的影响较大,因此在布点时应考虑地貌特征。
可以选择高地、低地、平地等地貌特征的采样点,以确保土壤样品的代表性。
4.边缘效应原则:在污染场地的边缘区域,土壤污染通常比内部区域轻微。
因此,在布点时,应合理选择边缘区域的采样点,以评估边缘区域的污染状况。
三、采样合理的采样方法可以保证获得准确的土壤样品,并确保分析结果的可靠性。
以下是采样方法的介绍:1.采样工具:采样工具应选择合适的铲子、锹和铁锹等工具。
采样容器要干净,并避免使用有污染的材料。
2.采样深度:土壤的污染程度通常与深度有关,因此在采样时,应按照实际情况确定采样深度。
一般来说,2-5厘米是常规的采样深度。
3.采样点数量:根据实地调查情况,确定合理的采样点数量。
一般来说,每1000平方米应选择5-10个采样点,以获得代表性样品。
4.现场保存:采样完成后,应将样品密封,并进行现场标识。
现场保存的样品应放置在干燥、阴凉的地方,避免阳光直射和与其他物质接触。
5.实验室分析:采样完成后,将样品送至指定的实验室进行分析。
分析方法可以根据实际情况选择,例如重金属含量分析、有机物含量分析等。
下面介绍几种常用采样布点方法,见图5-1(a、b、c、d)。
图5-1 土壤采样点示意图
(1)对角线布点法(见图5-1(a)):该法适用于面积小、地势平坦的污水灌溉或受污染河水灌溉的田块。
布点方法是由田块进水口向对角线引一斜线,将此对角线三等分,在每等分的中间设一采样点,即每一田块设三个采样点。
根据调查目的、田块面积和地形等条件可做变动,多划分几个等分段,适当增加采样点。
图中记号“×”作为采样点。
(2)梅花形布点法(见图5-1(b)):该法适用于面积较小、地势平坦、土壤较均匀的田块,中心点设在两对角线相交处,一般设5—10个采样点。
(3)棋盘式布点法(见图5-1(c)):这种布点方法适用于中等面积、地势平坦、地形完整开阔、但土壤较不均匀的田块,一般设10个以上采样点。
此法也适用于受固体废物污染的土壤,因为固体废物分布不均匀,应设20个以上采样点。
(4)蛇形布点法(见图5-1(d)):这种布点方法适用于面积较大,地势不很平坦,土壤不够均匀的田块。
布设采样点数目较多。