油缸常用规格表
- 格式:pdf
- 大小:89.13 KB
- 文档页数:1
液压油缸标准尺寸表液压油缸一般指液压缸,液压缸是将液压能转变为机械能的、做直线往复运动(或摆动运动)的液压执行元件。
它结构简单、工作可靠。
用它来实现往复运动时,可免去减速装置,并且没有传动间隙,运动平稳,因此在各种机械的液压系统中得到广泛应用。
液压缸输出力和活塞有效面积及其两边的压差成正比;液压缸基本上由缸筒和缸盖、活塞和活塞杆、密封装置、缓冲装置与排气装置组成。
缓冲装置与排气装置视具体应用场合而定,其他装置则必不可少。
液压油缸主要应用于机械中,是工程机械最主要部件,主要是为机械提供动力的重要核心元件。
液压油缸型号的选择,主要是看液压油缸内径,以及其使用压力这两个。
如果,其推力是为4吨,其使用压力是为8MPa,那么,其型号可以表示为80*40*300-8MPa。
如果,油缸内径为60,使用压力为16MPa,那么,型号表示是为60*35*300-16MPa。
常用的标准有Φ140/100-800其含义是缸(直)径(内径)为140,杆径为100,行程为800。
液压油缸:根据《2013-2017年中国液压油缸行业产销需求预测与转型升级分析报告》统计,2010年我国液压行业实现产值351.13亿元,同比增长33.29%。
我国的液压工业经过近50年的发展,已具有相当生产实力和技术水平,可基本满足经济发展的一般需求,其中重大成套装备的配套率已达到60%以上。
尤其是近10年来下游行业的快速成长,积极推动了液压行业的成长。
油缸是我国液压产品中比较成熟的产品之一。
行业保持多年快速增长,已经形成了较为成熟的供需链,具备了较大的市场规模。
前瞻网数据显示,我国液压油缸行业销售收入由2005年的31亿元增长至2010年的近110亿元,5年复合增长率为28.83%。
但是,和液压行业相同,油缸占全国工业总产值的比例仍较低,远低于国外发达国家水平。
同时,我国具有市场需求旺盛、成本低等优势,预计未来将成为世界液压行业和油缸行业的重心。
液压缸的标准化主要参数——缸筒内径与活塞杆外径液压缸的标准化主要参数——缸筒内径与活塞杆外径 美国及西欧一些国家长期习惯于使用英制单位,又由于这些国家大量出口液压机械,对世界各地区颇有影响,所以国际标准化组织颁布了米制系列和英制系列并行的缸筒内径和活塞杆直径标准,但是也明确规定各企业的产品应尽快向米制系列过渡,以便最后淘汰英制系列。
我国的标准只规定了米制系列。
表1至表4是缸筒内径和活塞杆直径的标准系列参数。
表1 缸内径(米制系列) (mm)ISO3320GB2348-80JB826-88ISO3320GB2348-80JB826-8888 1251251251010 (130)1212 (140)1401616 (150)202020160160160252525 (180)180323232200200200404040 (220)(220)505050250250250 55 (280)636363********* (65) (360) 70400400400 (75) (450)808080 500500 (85) (560) (90)90 630630 (95) (710)100100100 820 (105) (900) (110)110 1000表2 缸内径(英制系列)ISO3321(in)折合米制(mm)ISO3321(in)折合米制(mm)3/419.15127.0125.16152.41 1/828.67177.81½38.18203.2250.810254.02½63.512304.83 1/482.614355.64101.6 表3 活塞杆外径(米制系列) (mm)ISO3320GB2348-80JB826-88ISO3320GB2348-80JB826-88 444125125125555 (130)555 (130) 666140140140 888 (150) 101010160160160 121212180180180 141414200200200 161616250250250 181818 (260) 202020280280280 222222********* 252525360360360 282828 (380) (30) 400400 323232 (420) 35 450 3636 500 404040 (520) 4545 550 505050 (580) 55 630 5656 650 (60) 710 636363 (730) (65) 820 707070 900 (75) (920) 808080 1000 (85) 1140 909090 1200 (95) 1280 100100100 1420 (105) 1500 110110110 1800 (120) 2000表4 活塞杆外径(英制系列)ISO3321(in)折合米制(mm)ISO3321(in)折合米制(mm)¼ 6.4376.2 5/167.93½88.9 3/89.54101.6½12.74½114.3 5/815.95127.0 125.45½139.7 1 3/834.97177.8 1¾44.58½215.9 250.810254.0 2½63.5 。
标准:
常用的标准有Φ140/100-800
其含义是缸(直)径(内径)为140,杆径为100,行程为800
液压缸是将液压能转变为机械能的、做直线往复运动(或摆动运动)的液压执行元件。
常用的标准有Φ140/100-800,其含义是缸(直)径(内径)为140,杆径为100,行程为800。
液压传动的基本原理:液压系统利用液压泵将原动机的机械能转换
为液体的压力能,通过液体压力能的变化来传递能量,经过各种控
制阀和管路的传递,借助于液压执行元件(液压缸或马达)把液体压
力能转换为机械能,从而驱动工作机构,实现直线往复运动和回转
运动。
其中的液体称为工作介质,一般为矿物油,它的作用和机械传动中
的皮带、链条和齿轮等传动元件相类似。
液压系统的组成:
1)动力装置:它供给液压系统压力,并将电动机输出的机械能转换为油液的压力能,从而推动整个液压系统工作。
2)执行元件:它包括液压缸和液压马达;用以将液体的压力能转换为机械能,以驱动工作部件运动。
3)控制调节装置:包括各种阀类,如压力阀、流量阀和方向阀等。
用来控制液压系统的液体压力、流量(流速),和液流的方向,以保
证执行元件完成预期的工作运动。
4)辅助装置:指各种管接头、油管、油箱、过摅器和压力计等;它们起着连接、储油、过滤、储存压力能和测量油压等辅助作用,以
保证液压系统可靠、稳定、持久地工作。
5)工作介质:指在液压系统中,承受压力并传递压力的油液。
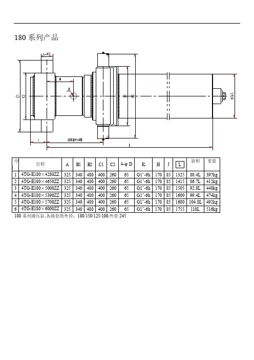
液压缸型号及规格:常用的标准有Φ140/100-800其含义是缸(直)径(内径)为140,杆径为100,行程为800;180/150/125/100427019MPa50-75吨;三级、四级液压缸;额定工作压力19MPa;行程3880~6200mm;最大伸出套筒直径为195mm;油缸推力20-56吨,适用车载40-85吨。
液压缸的结构组成如下:1、液压机的油缸由缸盖(导向套)、缸体、活塞杆、活塞头、密封装置、缓冲装置和排气系统组成。
液压缸是将液压能转变成机械能的、做直线运动的液压执行元件。
液压油缸结构简单,运动平稳,工作可靠。
2、液压缸的缸体采用优质碳素结构钢锻件,保证材质的均匀性,油缸内孔采用强力滚压,以提高表面光滑的精度和硬度、高钢度,耐磨性好,液压机油缸的使用寿命长。
3、液压缸的活塞杆和活塞头采用碳素结构钢锻件,表面经镀铬后精磨,硬度高,抗压力大。
4、液压机油缸的密封装置采用进口优质密封圈密封,具有很好的耐磨性和耐热性,摩擦力小,避免了油缸的泄漏,工作可靠,延长了密封圈的使用寿命。
5、液压缸的缓冲装置可防止活塞在行程终端减速并使速度接近于零,减少活塞运动部件的惯性力,防止活塞部件和缸体产生碰撞,从而减少噪声和振动,避免了液压机缸体的损毁,延长了液压缸的使用寿命。
6、液压缸的排气系统保证了液压缸在工作中的平稳性,防止了间歇性的冲击力和振动。
扩展资料:液压缸使用材料:1 缸筒常用材质为20、35、45号无缝钢管,钢管经过珩磨或者滚压,达到0.4μm以内的粗糙度要求。
低压油缸可采用20号钢管,高压油缸采用45号钢管。
2 活塞杆活塞杆有实心杆和空心杆两种,空心活塞杆的一端需要留出焊接和热处理时用的通气孔实心活塞杆材料为35、45钢,空心活塞杆材料为35、45无缝钢管。
活塞杆粗加工后调质到印度为229~285HB,必要时,再经高频淬火,硬度达45~55HRC 3 缸盖低压用铸件,中低压用HT300灰铁,中高压用35、45号钢。
液压油缸规格型号参数
1. 缸径(mm):
- 常见缸径范围:25、32、40、50、63、80、100、125、160、200、250、320、400等。
- 缸径越大,推力越大,但体积和重量也会随之增加。
2. 行程(mm):
- 行程代表活塞杆伸出的最长距离。
- 通常可选范围从100mm到5000mm不等。
3. 安装形式:
- 固定式:缸体与缸盖固定连接。
- 活塞杆式:缸体固定,缸盖可动。
- 伸缩式:缸体和缸盖均可动。
4. 活塞杆材质:
- 碳素钢、合金钢、不锈钢等。
- 根据工作环境选择合适的材质。
5. 缸体材质:
- 常用铸铁、钢材、铝合金等。
- 需要考虑强度和耐腐蚀性。
6. 密封件材质:
- 普通橡胶、氟橡胶、聚氨酯等。
- 须根据工作温度和介质选择合适的材质。
7. 工作压力(MPa):
- 常见范围为10~40MPa。
- 压力越高,推力越大。
8. 工作温度(℃):
- 标准型通常为-20~80℃。
- 也有高温型和低温型可选。
9. 缓冲装置:
- 有缓冲或无缓冲两种选择。
- 缓冲装置可减缓冲击。
以上是液压油缸常见的一些主要规格型号参数,具体参数需根据实际应用需求进行选型。
液压油缸规格型号参数
1. 缸径和缸程
缸径通常以毫米(mm)为单位,缸程则以毫米或英寸(in)为单位。
缸径和缸程是油缸的两个主要尺寸参数。
缸径决定了油缸的推力和承受能力,而缸程则决定了油缸的行程长度。
2. 压力
液压油缸的工作压力通常以兆帕(MPa)或千磅/平方英寸(psi)为单位。
工作压力越高,油缸的推力就越大。
一般工业用油缸的工作压力在16-35MPa之间。
3. 缸体材质
常用的缸体材质有碳钢、不锈钢、铝合金等。
不同材质的油缸适用于不同的工作环境。
4. 活塞杆材质
活塞杆一般采用优质碳素钢或不锈钢等材料,并经过表面硬化处理,提高耐磨性和抗腐蚀性。
5. 密封件材质
密封件材质的选择主要取决于工作介质和温度,常用的材料有丁腈橡胶、氟橡胶、聚氨酯等。
6. 安装形式
安装形式包括前后法兰安装、前法兰后盖安装、前后铰接等。
7. 缸体外形
缸体外形常见的有圆形、方形、柱型、槽型等。
8. 其他参数
还包括工作温度范围、缸体外壳防护等级、缸径与缸程的允许误差等。
以上是液压油缸常见的规格型号参数,在选型时需要根据具体应用环境和工况进行匹配。
大型液压油缸的基本参数
大型液压油缸由缸筒、活塞杆、活塞、缸底、端盖等部分组成,结构型式如图所示:
型号的命名方法:
常用的工作介质代号:
不标注——矿物油;K——抗燃油;S——水乙二醇;L——磷酸酯。
安装形式代号:
MF3——前端圆法兰式;MF4——后端圆法兰式;MP3——后端固定单耳环式;MP5——带关节轴承、后端固定单耳环式;MT4——中间耳轴或可调耳轴式。
缓冲代号:
U——无缓冲;E——有缓冲。
大型液压油缸进出油口法兰安装图:
进出油口尺寸表:
MF3前端圆法兰式液压油缸安装图:
MF3前端圆法兰式液压油缸安装尺寸表:
MF4后端圆法兰式液压油缸安装图:
MF4后端圆法兰式液压油缸安装尺寸表:
MP3后端固定单耳环式液压油缸和MP5带关节轴承、后端固定单耳环式安装图:
MP3后端固定单耳环式液压油缸和MP5带关节轴承、后端固定单耳环式安装尺寸表:
MT4中间耳轴或可调耳轴式安装图:
MT4中间耳轴或可调耳轴式安装尺寸表:。
油
缸常用规
格表
钢管
钢管
钢管
钢管
钢管钢管缸径
外径内径缸径外径缸径
外径缸径外径缸径外径缸径
外径缸径缸径
外径
25143325121832
1841321422402240222854402022255740225240182850283032
634550283663.5502528326850286250223650323660633540
76
58
63
36
45
76
63
32
35
45
83
63
36
77
63
28
45
63
40
45
78
70457545804045
95
75
804556958040455510280455010280506010280459880365680505695
8550904550108849050631089045506311490505663114905663114100505512195100567012110050557012710056637012710063701271005612210045701006370120110506313310511063801331105563801401106370801401107080140125708015211812570901521256370901521257080901521258090159125
70
152
125
56
90
1258090150140708090
168
132
140801001681407080100168140809010017214090100180140
9010017015075851508010518015075851051801608090100
19415216090110194160809011019416090100110194160100110203160902201607011016010011019018080125
21917518010012521918090100125219180100110125224180110125224180110125210200125245195200110140245200100110140245200110125140245200125140250200110268200
90
140
20012514023522012527321022012516027322011012516027322012514016028022014016028022090100110267250160299240250140180299250
125
140
180
299
250
140
160
180
325
250
160
180
325
250100110125298250140180299280160325270280160200325280110125140328280160200325300200351285
320200377320
180
220
377
320125140160384320180220377
360140160180424400
280
480
400160180200470400250280450180200220530500
200
220
250
610
500
320
360
⑴1000吨压机:主缸(φ500×800);工作压力:25Mpa ;缸筒(φ665×500)⑵500吨压机:主缸(φ500×400);工作压力:25Mpa ;缸筒(φ665×500);空心柱塞(φ510×350)⑶400吨压机:主缸(φ300/200×400);工作压力:32Mpa ;缸筒外径:φ351⑷1000m^3泥驳:主缸(φ480/220×1600);工作压力:29Mpa ;缸筒外径φ600⑸315吨打包机:主缸(φ360/250×2360);工作压力:32Mpa ;缸筒外径φ448;
⑹提升机:主缸(φ360/200×6000);工作压力:25Mpa ;缸筒外径:φ448
摆动缸(φ220/180×1850);工作压力32Mpa ;缸筒外径φ270;门缸(φ180/100×600);工作压力32Mpa ;缸筒外径φ219。
侧推缸(φ220/160×1560);工作压力32Mpa ;缸筒外径φ270/M266×3
杆径CD,16MPa,拉杆CDL1,24MPa,螺纹
GHF1,31.5MPa 杆径杆径
高压液压缸(长江)
工程缸(长江)HSG,16MPa
GGK1,25MPa
REXROTH 油缸
CDH2,25MPa,螺纹杆径
杆径
杆径
冶金设备缸(长江)杆径
HSG 工程缸,16MPa 杆径
钢管
津虎油缸
Y-HG1-E,16MPa 2007.01.09。