高大模板支架体系设计与施工
- 格式:doc
- 大小:27.00 KB
- 文档页数:8
关于高大支模和大跨度模板支撑体系的设计与施工发布时间:2023-02-17T05:29:16.645Z 来源:《建筑实践》2022年第19期作者:雷志远[导读] 在现代建筑工程中,高支模和大跨度模板支撑体系的应用越来越普遍雷志远中核华辰建筑工程有限公司陕西西安 710000摘要:在现代建筑工程中,高支模和大跨度模板支撑体系的应用越来越普遍,这对高支模的安装和混凝土施工起到了至关重要的作用,同时也增加了极大的难度和危险性。
因此,在两者的施工过程中,相关工作人员必须结合严格的设计规范和标准来执行,并采用科学的管理施工方案,从根本上保证高支模的安全性和可靠性。
本文还将对高大模板和大跨度模板支撑体系的设计和施工做进一步的分析和探讨。
关键词:高大模板;支持系统;设计和施工引言随着高层建筑的日益增多,也对工程模板支撑体系提出了很高的要求,尤其是超高、大跨度的模板支撑体系,不仅增加了施工难度,而且带来了很大的危险性。
在实际施工中,世界各地建筑企业因超高模板支撑体系安装不合理、不小心而导致的安全事故频频发生,严重影响了社会的和谐发展,降低了企业的信誉和市场竞争力。
因此,要改善这种严峻的形势,必须重视施工中高大模板和大跨度模板支撑体系的安装和设计规范,制定和完善施工设计方案,组织专家论证,通过专家论证。
全面控制施工质量和安全,避免不必要的损失。
1高大模板和大跨度模板支撑系统的设计方法1.1支持系统在混凝土工程施工中,高大模板和大跨度模板支撑系统是施工、安装和生产的最关键环节,必须采用专门的设计方案进行安装。
首先要根据施工现场的实际情况来选择模板支撑材料,以钢管排架为主。
先明确混凝土结构的标高和轴间距离,然后将钢管排架放置在需要施工的部位,排架底部要坚硬,具有足够的强度、刚度和稳定性,能可靠地承受新浇混凝土的重量和侧压力以及施工过程中产生的荷载。
此外,还应考虑钢管排架的纵横间距和水平杆间距满足专家论证的设计规范要求。
高大模板及支撑体系主要搭设方法及工艺流程一、施工准备(1)高大模板方案要求完成公司流程后需上报监理通过,在组织专家论证通过后并修改后才可施工。
(2)支架搭设前,工程技术、安全负责人向施工作业班组、作业人员作出详细说明,对其进行技术和安全作业的书面交底。
(3)对钢管、杆件、构件、配件、加固件按规范要求进行检查、验收。
(4)高大模板支撑搭设前应按照方案进行放线,做出样板单元,经监理验收合格后方可继续搭设,搭设过程中严禁集中超负荷堆放钢筋、机械设备及其他材料,防止物体坠落及支撑系统局部坍塌。
二、放线测量(1)模板放线时,应先清理好现场。
(2)首先用经纬仪根据施工图测出每条轴线,然后用墨线弹出梁模板的内边线和中心线,以便于模板安装和校正。
(3)用水准仪把建筑物水平标高引到模板安装位置,定好水平控制标高。
(4)用墨线弹出钢管立杆的位置线,垫板、底座安放位置应准确。
三、模板制作(1)模板按配模图在模板加工场统一加工制作或者配制。
(2)模板制作好后,标记模板位置、型号尺寸和数量,经验收后,按规定要求分类堆放在施工平面布置图指定的场地内。
四、高大模板支撑体系安装施工顺序放线→垫脚板/清理立杆位置→立杆→水平拉杆→接驳立杆→水平立杆至顶托→剪刀斜撑→纵向底枋→横向面枋→梁底模板→梁钢筋安装→梁侧板安装→楼板底模板安装。
五、高大模板支撑体系安装(1)安装前,先在楼板上弹出钢管立杆的位置线。
安装时,按照墨线准确放置垫板、底座,每根立杆底部应设置底座及垫板。
(2)支架必须设置纵横向扫地杆。
纵向扫地杆采用直角扣件固定在距底座上皮不大于200mm处的立杆上。
横向扫地杆亦采用直角扣件固定在紧靠纵向扫地杆下方的立杆上。
(3)支架安装时每搭完一步架后,应立即检查并调整其水平度与垂直度,以及杆件的步距、纵距和横距。
(4)剪刀撑必须与钢管立杆、水平杆同步搭设。
水平杆设于钢管立杆内侧,剪刀撑设于钢管立杆外侧,并用扣件与立杆连牢。
(5)连接钢管立杆的扣件规格应与所连钢管外径相匹配。
建筑工程中的高大模板支撑体系设计与施工实践案例分析一、引言建筑工程中,模板支撑体系对整个结构的施工质量和安全性有着重要影响。
尤其是在高大建筑物的施工过程中,模板支撑体系的设计与施工显得尤为关键。
本文将通过分析实际工程案例,探讨高大模板支撑体系设计与施工实践,为相关专业人士提供有益参考。
二、高大模板支撑体系设计的基本原则1. 安全性原则高大模板支撑体系设计的首要原则是确保施工过程中的安全性。
要充分考虑施工环境、荷载条件、地质情况等因素,合理确定支撑点、支撑形式、支撑间距等。
同时,要进行详细的结构计算和模拟分析,确保模板支撑体系的稳定性和承载能力。
2. 经济性原则高大模板支撑体系的设计还要兼顾经济性,即在满足安全要求的前提下,尽可能降低工程造价。
可以通过合理选材、减少模板支撑数量、优化施工工艺等方式实现。
3. 可操作性原则模板支撑体系设计应考虑施工的可操作性,方便施工人员操作,并确保施工过程的顺利进行。
设计过程中,需考虑模板拆除的方便性、支撑点的设置方便性等因素。
三、高大模板支撑体系施工实践案例分析以某高层住宅楼的施工工程为例,对高大模板支撑体系的设计与施工实践进行分析。
1. 工程概况该项目为一座44层的住宅楼,总高度为150米。
考虑到地质情况和建筑结构特点,采用了钢支撑和混凝土墙体的组合支撑形式。
2. 设计与计算在设计过程中,首先进行了详细的荷载计算和结构分析,确定了模板支撑体系所需的承载能力。
然后,根据工程现场的实际情况,确定了支撑点的间距和数量,并进行了模拟分析,验证了支撑体系的稳定性。
3. 施工工艺在施工过程中,首先进行了地基基础的施工,确保了工程的整体稳定性。
然后,根据设计方案,进行了模板支撑体系的搭设和调整。
在搭设过程中,施工人员要仔细检查支撑点的设置和间距,确保支撑的均匀和稳固。
同时,在加固和调整支撑体系时,要充分考虑工期和质量要求,确保施工进度和质量。
四、结论与建议通过对该案例的分析,我们可以得出以下结论和建议:1. 高大模板支撑体系的设计与施工实践是建筑工程中不可忽视的关键环节,直接影响到工程的施工质量和安全性。
高大模板工程方案设计与施工要点摘要:随着建筑的多样化需求,会场、仓库、多功能场所等对高大空间的需求越来越高,这些高大空间在施工过程中必然要使用高大模板支撑体系。
本文从工程实例出发,针对工程施工过程中高大模板施工方案设计及施工过程中的要点把控进行分析探讨。
关键词:高大模板;施工方案;施工管理近年来,随着人民生活水平的提高,人民对美好生活的需求不断提高,大空间的集体活动场所需求越来越多。
由于大空间的建筑自身有自重重、跨度大、高度高的特性,为了实现结构的安全稳定可靠,必须施工方案设计的源头抓起,同时在施工过程管理严格把控。
某物流园建设仓库,仓库结构采用预应力混凝土框架结构,屋面采用钢结构,工程概况如下:模板层结构情况:1 模板支撑方案设计本例模板支撑高度未达到8m ,但搭设跨度超过18m ,集中线荷载大于20kN/m ,属于典型的高大模板支撑,根据《危险性较大的分部分项工程安全管理办法》(住建部的建质[2009]87号文)规定,属于超过一定规模的危险性较大的分部分项工程,应编制专项施工方案并经专家论证后实施。
本工程由于主梁尺寸较大造成集中线荷载过大,最大跨度梁也均为主梁,在方案设计过程中以满足主梁支撑为首要目标。
本工程主要使用材料为方木、钢管、胶合板、螺杆、可调托座,根据本工程主梁参数,在安全稳定的基础上,结合施工现场实际情况,选用主梁支撑方案如下:梁侧:梁底支撑 梁侧支撑模板支撑体系是一个临时性支撑体系,体系的强度、刚度及稳定性都有相应要求,能够承担主体结构重量及施工荷载。
参考本项目使用建筑材料标准取值计算相应荷载取值如下:通过软件导入荷载参数对整体支撑方案强度、刚度及稳定性验算,模板支撑体系中板材、方木、钢管、可调托座、立柱地基基础进行承载力验算,均能满足要求。
设计方案是否可靠主要因素是荷载取值,考虑工程实际及施工过程中材料的磨损及偏差,本例荷载取值较为保守,本例重点为主梁集中线荷载超限,在确定主梁支撑系统后根据主梁支撑方案选定适配的次梁支撑方案、板支撑方案。
爨窦:丝凰高大模板支撑系统的设计与施工技术黄敏卿(东莞市城区房地产开发公司,广东东莞523000)j。
j。
j。
j“。
’|。
j j、1j j‘’|1j‘|÷j-。
‘…t r。
j…/¨,…。
j。
:|47|…j㈠j1|.?¨_m j j‘j;睛翱探讨高大模板麦撑系统的设计与施工技术,从而推广高大模板支撑系统在工程的应用。
1一’彤i饫.蘧词】高大模板支撑系统;设计;璇工∥+I_,,,,;;…,,“j,,?…。
』一,,,,.c j,.,.?#,一‘},’,,,o¨…。
,.,.,一n,,’,,7.?,,.,,。
,,,,,,,,,,,?,‘,,,.,,1工程概况及设计要求200m m;杆和上部的所有7.K gz拉杆一样,共同起到调节立杆不均匀沉本工程为东莞市粉厂搬迁小区二期综合楼,建^桶只为41521m2,降和变形的内力重分布作用,所以扫地杆水平拉杆和立杆相连时须采用地下一层,地上侣层,框剪结构。
本工程4层转换层大梁共12根,直角扣件;当立杆基础不在同一高度上时,须将高处的纵向扫地杆向低最大梁截面尺寸为bX h=900m m X2500m m,板厚200m m,层高为处延伸至少两跨,并与立杆用直角扣件固定;高,低处纵向扫地杆高差6m。
大梁支撑模板支承在3层楼面上,转换层梁板的混凝土,钢筋,应,J、于’1米,大于1米时中间应增加一堇水平拉杆。
模板及支架自重,施工荷载由地下室到3层楼面结构共同承担。
工程所4混凝土浇筑方法及技术措施有梁,柱,和板混凝土模板采用18m m厚木胶合板大模板,板枋采用1)梁大截面混凝土浇筑应分层,每层不超过500ra m,1h后再浇80m m X80m m方木,采用耷48X35钢管做承力架和支撑,用钢管设上部混凝土。
为确保模板支架施工过程中均衡受载,采用由中部向两成满堂架。
边扩展的浇筑方式:2)转换层模板安装完成后,先浇捣柱混疑土,然2高大模板支撑系统的设计后进行梁板钢筋绑丰L o转换层梁板混凝土浇捣,拟采用固定泵接布科机2.1模板支撵设计验算进行浇捣,布料栅安放中间,底下立杆加密—倍四周加剪刀撑加固;逐梁模板由侧板、夹木、托木、支撑等组成,梁的底板、侧板由步向外均匀浇捣,砼不得堆放过高及过分集中,而且要及时拨开,振动18m m的木胶板,底模下设80m m X80m m的方木,间距200m m,时不得用振动棒撬住摸板或钢筋振动。
目录一、工程概况 (3)二、编制依据 (3)三、支模架设计范围 (4)四、支撑形式选用及设计 (5)(一)支撑形式选择及搭设参数 (5)(二)架体基础 (8)(三)水平拉接的布置与构造 (8)(四)剪刀撑布置 (8)(五)支撑架施工荷载取值 (9)五、混凝土浇捣施工部署 (9)六、支模架的构造要求及措施 (10)七、支模架的搭设及拆除 (11)八、支撑体系检查和验收 (12)九、安全管理与维护 (15)十、质量保证措施 (15)十一、应急预案 (16)十二、支撑架施工安全防护领导小组 (17)十三、管理体系及项目部组成 (17)十四、模板及支撑架计算书 (19)(一)500×1500mm梁模板扣件钢管支撑架计算书(支架搭设高度5。
8m) (19)(二)550×1300mm梁模板扣件钢管支撑架计算书(支架搭设高度5。
8m) (22)(三)500×1200mm梁模板扣件钢管高支撑架计算书(支架搭设高度10。
2m)26(四)400×900mm梁模板扣件钢管高支撑架计算书(支架搭设高度10。
2m) (29)(五)350×700mm梁模板扣件钢管高支撑架计算书(支架搭设高度29。
45m) (33)(六)180mm厚楼板模板扣件钢管高支撑架计算书(支架搭设高度5.80m) (36)(七)120mm厚楼板模板扣件钢管高支撑架计算书(支架搭设高度29.45m) (40)十五、附图 (43)附图一超重梁结构平面布置图附图二超高梁板位置示意图附图三超重梁支模架平面及剖面布置图附图四裙房南侧门厅部位超高支模架搭设布置图附图五裙房西侧门厅部位超高支模架搭设布置图附图六北侧门厅超高支模架搭设布置图附图七扶梯部位超高支模架布置图附图八各类梁模板支撑体系大详图附图九节点详图①、②、③附图十现场施工总平面布置图超高、超重模板支撑架专项施工方案一、工程概况本工程位于浙江省嘉兴市,中山路的南侧,并由禾兴路、府忠埭路、安乐路围合的街坊内.基地规划用地面积:40862.4平方米,拟建1幢高层酒店式公寓、2幢住宅以及大型商业购物中心。
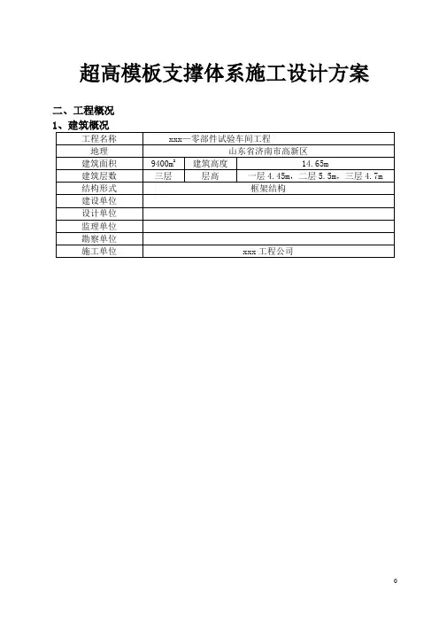
超高模板支撑体系施工设计方案二、工程概况2、高大模板支撑区域施工平面图高大模板支模区域3、结构概况本工程为钢筋混凝土柱下独立基础,框架结构。
建筑结构安全等级为二级;框架结构抗震等级为四级;设计使用年限为50年。
4、高支模板概况根据关于印发《危险性较大的分部分项工程安全管理办法》的通知(建质[2009]87号)中关于危险性较大的分部分项工程范围规定:建设工程施工现场混凝土构件模板支撑高度超过8m,或搭设跨度超过18m,或施工总荷载大于15kN/㎡,或集中线荷载大于20kN/m的模板支撑系统。
本工程1~15轴 /C~H区域,支模高度10.95m,属于搭设高度超高类型模板,必须经专家论证通过后方可实施。
高大模板区域结构概况表三、施工要求和技术保证条件1、施工要求1) 必须逐层先浇筑框架柱,待框架柱混凝土强度达到20MPa及其以上时,方可浇筑梁板混凝土,以便支撑体系水平杆件与框架柱做好可靠连接。
2)支撑体系须在基础施工完成且回填土回填、夯实后再进行搭设。
3)框架梁底立杆顶部必须设置丝杠直径36㎜的加劲式支托,形成立杆轴向传力。
4) 梁模板支撑体系外围立杆纵横向必须搭设竖向连续剪刀撑,剪刀撑的各根斜杆必须在立杆两侧分别设置,以防因剪刀撑节点重叠导致的与立杆或水平杆无法连接现象。
剪刀撑钢管采用搭接连接,搭接长度≥1m,且每侧至少采用2个旋转扣件做可靠连接(如下图所示),与立杆或水平杆相交处采用旋转扣件扣接牢固,构成“半刚性杆系结构”支架体系。
图1、剪刀撑搭设大样图5)支撑体系与柱的连接在梁模板支撑体系水平杆件与已浇筑框架柱相交部位,竖向每个步距均设置一组拉结点。
(如图下图所示)抱柱短管与架体水平杆至少连接两个步距混凝土柱支架的水平杆与抱柱箍扣接支架立杆图2、支撑体系水平杆件与框架柱连接示意图6)在支撑体系顶部、底部和竖向约中部均设置水平剪刀撑7) 各扣件螺栓均采用500㎜长臂板手拧紧,使其扭力矩均控制在40~65N.m区间。
高大模板及支撑体系设计与施工方案XX工程公司年月日目录1、编制依据2、功能及结构介绍3、施工准备4、脚手架设计与施工5、模板工程6、模板制作、安装技术措施7、与安装配合8、其它注意事项9、模板拆除及养护10、质量保证措施11、安全生产及文明施工保证措施12、成品保护措施13、环境保护措施14、模板计算1、编制依据1.1施工组织设计《北京**学校施工组织设计》。
1.2施工图纸(详见表1-1)(1)教学楼建施01~建施54(2)教学楼结施01~结施52(3)宿舍楼建施01~建施24(4)宿舍楼结施01~结施361.3 主要规程、规范(详见表1-2)规范一览表表 1-2(1)建设部“关于建筑业进一步推广应用十项新技术的通知”。
(2)企业ISO9001:2000 质量体系管理文件和环境/职业健康安全管理体系文件。
(3)企业项目管理手册。
(4)《危险性较大工程安全专项施工方案编制及专家论证审查办法》2、功能及结构介绍2.1总体介绍北京**学校工程主要由宿舍楼和教学楼组成,该工程位于北京**区**路38号,建筑总面积35846㎡,其中宿舍楼建筑面积8792m2,教学楼建筑面积27054㎡;建筑高度宿舍楼29.85米,教学楼18.35m;建筑层数:宿舍楼地上10层,地下2层,教学楼地下1层,地上4层。
结构形式:宿舍楼为全现浇剪力墙结构,教学楼框架-剪力墙结构。
教学楼集一至十二年级教学、学习、娱乐活动及餐厅为一体的综合性建筑,室内主要有教室、实验室、计算机房、室内活动场、报告厅、阶梯教室等功能性房间。
2.2室内活动场、报告厅、阶梯教室结构简介进行专家论证。
3、施工准备3.1组织施工技术人员在施工前认真熟悉图纸,了解设计意图,熟悉各部位及各空间的相对关系及标高。
发现问题及时同设计院沟通,做到提前发现问题,提前解决问题。
3.2编制模板及支撑体系专项设计施工方案,对施工队组进行技术交底。
3.3对施工人员进行安全和技术培训,加强队组的技术素质。
一、高支模定义根据《危险性较大的分部分项工程安全管理办法》建办质[2017]39号规定:水平混凝土构件模板支撑系统高度超过 8m,或跨度大于18m,均荷载大于15kN/m2,或集中线荷载大于20kN/m 的模板支撑系统;属于高大支模体系。
二、模板及支撑体系的材料选型梁模板采用16厚多层板,规格尺寸为1830×915×16;次楞采用木枋,木枋规格为50×100;主楞采用双钢管,规格为φ48.3×3.5。
模板选用:16mm 厚红色模板,弹性模量E=4200N/mm2,抗弯强度[f]=12N/mm2。
次龙骨:50×100x2000mm 木枋,抗剪强度设计值1.3N/mm2,抗弯强度设计值13N/mm2,弹性模量为8415N/mm2。
主龙骨采用Φ48.3×3.5 普通钢管,抗弯强度205.0N/mm2。
扣件拧紧力矩达40~65N.m,单扣件抗滑承载力可取8.0×0.6=4.8kN。
高支模区域楼板满堂支撑支撑体系采用扣件式钢管架(扣件式满堂支撑架体系),梁下支撑体系采用扣件式钢管架(梁底支撑采用顶托)。
高支模材料参数U型顶托直径14mm对拉螺杆三、架设方案1、大截面梁搭设方案1)架体平立面设计:梁板体系共立杆,高大模板支撑体系采用扣件式钢管支撑体系搭设,梁底位置增设扣件式钢管架与满堂架用扣件连接,尺寸为900×900mm,架体步距1200mm。
梁两侧立杆增设通长纵向水平找平杆;梁侧设置双钢管背楞,用M14对拉螺杆对拉加固,间距500mm。
2)架体构造措施:所有满堂支撑架体四周搭设连续竖向剪刀撑,支撑体系内部每隔4.5m搭设竖向和水平向剪刀撑。
水平剪刀撑设置在架体底部扫地杆位置一道、梁底下第一步水平杆位置一道,层高较高的楼层中间设置一道,在架体中间水平杆位置满铺一道水平安全兜网。
3)架体起步时立杆接头位置交错设置,用6m立杆和4m立杆、4m立杆和3m、2m和3m的立杆交错布置作为高支模起步立杆,1.2m步距范围内立杆接头无法错开时,在立杆接头处采用纵横向钢管加强处理。
目录第一节、编制依据 (1)第二节、工程概况 (2)第三节、施工计划 (3)第四节、施工工艺技术 (4)第五节、高大模板施工的安全保证措施 (16)第六节、劳动力计划 (26)第七节、计算书及附图 (27)********************************工程高大模板支撑系统施工方案第一节、编制依据一、本工程施工图。
二、本工程施工组织设计。
三、本工程现场实地情况。
四、本公司的技术、机械设备装备情况及现场技术条件。
五、有关施工规范及标准1、建筑施工组织设计规范(GB/T50502-2009)2、建筑工程施工质量验收统一标准(GB50300-2001)3、混凝土结构工程施工质量验收规范(GB50204-2002)(2011年版)4、建筑施工模板安全技术规范(JGJ162—2008)5、混凝土结构工程施工规范(GB50666-2011)6、建筑施工高处作业安全技术规范(JGJ80—91)7、建筑施工扣件式钢管脚手架安全技术规范(JGJ130—2011)8、建筑结构荷载规范(GB50009-2012)9、混凝土结构设计规范(GB50010-2010)10、建筑施工安全检查标准(JGJ59-2011)11、钢筋焊接及验收规程(JGJ18-2003)12、混凝土强度评定标准(GB/T50107-2010)13、施工现场安全临时用电安全技术规范(JGJ46-2005)14、钢筋机械连接技术规程(JGJ107-2010)六、地方性法规、标准1、建设工程高大模板支撑体系施工安全监督管理导则:建质[2009]254号2、危险性较大的分部分项工程安全管理方法:建质[2009]87号3、《成都市实施(危险性较大的分部分项工程管理办法)规定的通知》(成建委发(2009)558号)4、《成都市建设工程高支撑模板系统安全管理办法》成建安监发(2012)19号第二节、工程概况一、工程基本情况二、各建设责任主体三、高大模板主要分布情况根据《危险性较大的分部分项工程安全管理办法》规定:对于超过一定规模的危险性较大的分部分项工程,应组织专项方案论证。
高模板支架专项施工方案编制指南第一章项目概述第二章编制依据第三章本方案模板支架的设计围护结构及特点第一节本方案模板框架设计第二节本方案模板支撑特点第四章建设部署第一节管理制度和项目部组成第二节材料、设备、劳动组织第三节临时用电安排第四节施工进度表第五节混凝土浇筑夯实施工部署第五章模板的选择与设计第一节模板选型第二节模板设计1 、支撑架的施工荷载值2、支撑架的布置3、支撑架架设参数汇总表4 、不同形式的支撑架连接五、特殊部位的处理措施6. 与周边结构的连接措施6、架体基本处理措施7、防雷措施第六章模板支撑结构要求及措施第七章模板的安装和拆除第八章支持系统验收要求第九章模板支撑系统监测与监测措施第十章安全管理与维护措施第十一章质量保证措施第十二章文明施工措施第十三章应急预案附:支撑架计算书1)底部支撑架的计算2)梁底支撑架计算随附的:图1 模板支架平面布置图2 模板支撑立面布置附图3模板支架剖视图附图4为特殊部位接头详图(后浇带、伸缩接头、沉降接头模板支撑接头、水平受拉接头、梁底接头详图)(一), 第 1 章项目概述1.1 “凤凰岛项目”位于青白江环路以北、凤凰湖以西。
它由一块独立的土地组成,南、北、西三面都面向街道。
南侧与城市道路之间有城市隔离绿化带。
工地地势平坦宽敞,已42.5m完成工地“三通一平”,交通便利。
1.2本项目建设单位(嘉禾地产())说明项目名称、项目地点、建设单位、设计单位、监理单位、施工单位、项目建设面积、结构等级、建筑高度、建筑房间、外立面标高、场地自然层高、施工要求及技术保障条件第二章编制依据相关法律、法规、规范性文件、标准、法规及图纸(国标图集)、施工组织设计等。
常用的有:1. 工程建筑物和构筑物的施工图、会议记录和联系表。
二、主要规章制度2.1《施工中扣件式钢管脚手架安全技术规程》(JGJ130-2001)2002年版2.2《建筑门式钢脚手架安全技术规程》(JGJ128-2000、J43-2000)2.3 省级工程建设标准《建筑施工扣件式钢管模板支架技术规程》DB33/1035-20062.4《混凝土模板用胶合板》(GB/T17658-1999)2.5《钢管脚手架紧固件》(GB15831)2.6《木结构设计规范》(GBJ5)2.7 《高处施工安全技术规程》(JGJ80-91)2.8《建筑施工安全检验标准》(JGJ59-99)2.9 各部省市现行安全生产和文明建设规定2.10 混凝土结构设计规则2.11 钢结构设计规则2.10 企业标准第三章本方案模板支架的设计围护结构及特点第一节本方案模板框架设计说明本专项施工方案的准备围护结构(模板区域)和位置及相应的结构工程概况(层高、模板架设高度、梁截面尺寸、梁跨度、楼板厚度、混凝土设计强度等级等)、施工平面和垂直面布局,第二节本方案模板支撑特点说明这种模板的特点和难点第四章建设部署第一节管理制度和项目部组成1. 说明质量保证体系和安全保证体系2、说明项目部的组成和人员第二节材料、设备、劳动组织1、说明主要材料(钢管、紧固件、龙门及配件、碗架及配件)的供应情况2、说明主要设备规格、型号、数量(包括检测设备,如:)3. 讲解主要作业团队(构架工、泥瓦工、木工、钢筋工、电工等)的配置4、包括专职安全生产管理人员和专职操作人员的配置。
高大支模架支撑系统的设计与质量安全控制近年来,随着我国经济的快速发展,城市化和工业化进程的加速,城市基础设施和工业民用建设总量剧增,在这些工程建设领域中出现了一些空间、跨度、荷载比一般工程较大,其支模架支撑体系也比一般工程更加复杂,也就是现在所说的高大支模架工程。
高大支模架工程在建筑项目中的应用越来越广泛,为进一步保证施工的质量与安全,在高大支模架工程施工过程中,施工单位要认真贯彻执行规范和有关标准,严格按照要求进行施工,加强施工每道工序的质量控制,从而保证高大支模架施工的质量与安全。
标签:高大支模架;支撑系统设计;质量安全一、工程概况某建设工程为现浇混凝土框架、框支结构,地下1层,地上最高11层,整栋建筑物分为A、B、C、D、E、F、G、H、J九个区,占地面积约为5678m2,总建筑面积约44530m2,建筑物高度为43.5m。
其中A区首层为框支结构,层高为15.2m,以上为5~11层,层高为3.5m。
高支模施工部位于A区,A区长为40m(22~25轴),宽为24.3m(J~X 轴)。
A区一层大厅的地台标高为1.60m,五层楼板面标高为16.80m,楼板厚度为0.18m,大厅净高为15m。
从一层地台计算,支撑高度到达15m,最大支撑跨度达到18.4m,支撑面积约1250m2,整个现浇混凝土支模架工程属于典型的高大支模架支撑系统。
整个高支模体系共有4根主梁,其中有2根大梁的截面尺寸为900×3000mm,其集中线荷载达到83.76kN/m;另外2根大梁的截面尺寸为850×2500mm,其集中线荷载达到65.94kN/m;其它梁的截面尺寸有400×1500mm、250×1500mm、400×1000mm等12种,线荷载均较大。
二、确定设计参数(一)高支模支撑方案按落地扣件式钢管满堂支撑架进行设计和计算,钢管直径厚度规格为Φ48×3.0mm。
高大空间扣件式钢管模板支撑体系的设计与施工【摘要】:随着国家经济的发展,全国各地高楼大厦拔地而起。
在大型商业、工业、公共、高层等建筑中超高、超重、大跨度的结构越来越多。
但建筑施工过程中混凝土现浇结构高大空间扣件式钢管模板支撑体系坍塌事故时有发生。
为了确保施工安全,杜绝人员伤亡、减少经济损失。
结合吉安文化艺术中心22m高观众大厅上空混凝土现浇结构梁板施工的工程实例,系统阐述高大空间扣件式钢管模板支撑体系的的设计与施工。
【关键词】:高大空间钢管模板支撑体系设计中图分类号:s611 文献标识码:a 文章编号:一、概述1、工程概况吉安文化艺术中心工程总建筑面积22500m2,地上建筑面积18800m2,地下建筑面积3700m2。
为一座集文艺演出、群众娱乐、会议功能为一体的大型公益性民用建筑。
其中a座剧场观众大厅高度22m,大厅顶部为大跨度预应力现浇混凝土梁板屋盖。
主梁截面尺寸为600mm×2000mm,跨度32m;次梁界面尺寸为500mm×2000m,跨度32m;顶板厚度150mm,混凝土强度等级为c30。
2、风险辨识根据建质[2009]87号文规定,对于搭设高度8m及以上、搭设跨度18m及以上、施工总荷载15kn/m2及以上、集中线荷载20kn/m 及以上的混凝土模板支撑体系属于危险性较大的分部分项工程,必须编制专项施工方案并组织专家论证。
吉安文化艺术中心22m高观众大厅上空混凝土现浇结构梁板施工高度、跨度、荷载均超过规定要求,必须予以重视,加强安全控制。
二、高大空间支撑体系的设计1、支撑材料的选择高大空间扣件式钢管模板支撑体系选用材料包括15mm厚多层板、50×100mm木方、50×100mm的方钢、600mm长可调支撑顶托、φ12的穿梁螺栓、φ48×3.5mm钢管、钢管扣件。
重点控制钢管、钢管扣件材料质量。
(1)钢管:要求所有钢管附有材质单、产品合格证, 进入现场后进行复试, 合格后方可投入使用。
简述高大模板支撑体系的设计与施工摘要为规范和加强高大模板支撑体系施工安全管理,防范高大模板安全事故的发生,依据国家现行相关标准、规范,并结合施工现场实际情况,阐述高大模板支撑体系的设计与施工。
关键词高大模板;支撑体系;设计;施工前言住建部的建质[2009]254号文,《建设工程高大模板支撑系统施工安全监督管理导则》的通知中说明:高大模板支撑系统是指建设工程施工现场混凝土构件模板支撑高度超过8m,或搭设跨度超过18m,或施工总荷载大于15KN/ m2,或集中线荷载大于20KN/m的模板支撑系统。
施工单位应依据国家现行相关标准规范,由项目技术负责人组织相关专业技术人员,结合工程实际,编制高大模板支撑系统的专项施工方案。
并经过专家论证方可实施。
1 高大模板支撑体系的设计1.1 高大模板支撑体系设计的基本内容高大模板支撑体系施工前应由项目技术负责人编制专项施工方案。
专项施工方案应突出工程施工特点,有针对性,内容应包括:地基处理及排水、模板和支撑体系的设计计算、材料规格、钢管连接方式、架体四周与建筑物的可靠连接、水平与纵向剪刀撑等构造设置、混凝土浇筑方案等,施工方案中应绘制支撑体系搭设详图,有特殊要求的应作详细说明。
其中模板和支撑体系设计的内容应包括施工荷载计算、模板支撑系统各构件(底模、侧模、主龙骨、次龙骨、内龙骨、外龙骨、对拉螺栓和钢管立杆)的强度与刚度验算、钢管立杆的稳定性验算以及立杆支撑地基(或支撑楼面)承载力验算等。
1.2 高大模板支撑体系的设计步骤(1)首先按支撑架选型原则确定支撑架的类型(扣件式钢管架或碗扣式钢管架)。
(2)选出设计中所有属于高大模板范畴的梁、板,按高大模板的类型(超大或超高)及拟选用的支撑架的类型进行归类,并选取不同类型中最大梁、板进行计算(梁、板截面用于考虑立杆布置,梁高用于考虑梁侧模设置)。
在此,笔者建议使用表格的形式罗列出所有需要进行高大模板论证的梁、板,表格形式如下:(3)高大模板支撑体系的计算①计算参数1)主要材料的计算参数根据规范要求及施工现场的实际情况,合理、准确的选取支撑体系各组成材料的计算参数值,若施工现场材料的实际尺寸已与设计尺寸出现负偏差,应按现场实际尺寸进行验算,并对材料的强度设计值进行适当的降低[1]。
浅谈高大模板支架体系的设计与施工摘要:根据编制、评审高大模板专项施工方案实践和国家有关规范,简介高大模板支架体系的设计、施工及注意事项。
关键词:高大模板;支架体系;支架设计;支架施工;问题与整改
前言
目前,按照国家建设部建质[2009]87号文《危险性较大的分部分项工程安全管理办法》的规定(搭设高度8m及以上;搭设跨度18m及以上;施工总荷载 15kn/m2及以上;集中线荷载 20kn/m及以上的);其高大模板工程在施工前必须编制专项施工方案,并经专家论证审查通过后,方能施工。
在变电站工程中,基本上主控楼的gis室高度都超过8m,因此基本上在变电工程中都存在高支模。
如何能编制既安全,又经济合理,且具可操作性强的专项施工方案,是每一个编制者所期望的,以下结合编制、评审高大模板专项施工方案实践,谈谈高大模板支架体系的设计、施工中应注意的事项以及对应措施,供同行参考。
一、高大模板支架体系的基本型式及特点
高大模板支架体系的常用形式可分为: 扣件式钢管脚手架,门式钢管脚手架,碗扣式钢管脚手架,型钢式(贝雷架)脚手架。
1.扣件式钢管脚手架(下称钢管架)
优点: 搭拆灵活方便,支架整体稳定性较好, 承载力较大,扣件可根据结构受力状况在杆件上设置,构架尺寸可根据需要选定和调
整,斜杆和剪刀撑的角度可按相关规范的规定范围内调整。
缺点: 由于钢管为定型长度(长度多为3m、6m),故在支模高度不一定合适时,需裁截钢管,造成浪费,另搭设时间相对较长。
用途:构筑各种型式的脚手架,模板和其他支撑架,并作门架、碗扣架的辅助加强杆件。
2.门式钢管脚手架(下称门式架)
优点:尺寸标准化,组装方便,搭设效率高,用材较省。
缺点:由于门架交叉撑长度为1.8m,门式架跨距只能按0.9m、0.6m、0.45m选取。
有一定局限性。
另,构架尺寸的任何改变都要换用另一种型号的门架及配件,交叉支撑易在铰点处折断,由于配件多,支架整体稳定性比扣件式钢管脚手架差。
用途:多用作梁板、墙构架的支撑架。
3.碗扣式钢管脚手架
优点:杆件轴心连接,节点构造无偏心,整架承载力
高,安装速度快。
缺点:由于横杆为集中尺寸的定型杆,立杆上碗口节点按0.3m 倍数间距设置,使构架尺寸受限制,现场定位易出偏差。
用途:构筑各种型式的脚手架,模板和其他支撑架。
4.型钢式(贝雷架)脚手架
此类脚手架多用于大跨度、荷载大的支模,多用于交通、市政桥梁的支模。
以上几种类型脚手架, 钢管架和门式架在市政、土建工程中用
的较多。
二、支架选型时的基本原则
支架选型应结合以下情况综合考虑:
1.根据施工现场现存的周转材及市场周转材供应情况,确定支架选钢管架或门式架。
2.按支模构件截面大小考虑,截面较大时,(本人认为梁截面(b ×h)≥0.9m2为较大)宜选取钢管架。
3.当支模层净高度<6m 时,考虑到钢管为定长,(钢管长度多为6m)宜采用门式架。
4.当支模位置立杆支承面为倾斜,支模平面为曲线(圆形)等时,宜选取钢管架。
5.门式架与钢管架应尽量避免混搭。
如果确需混搭的话,需在结合处采取措施,(其结合部钢管立杆的步距应为门式架高度的一半)以确保两种不同类型支架的整体稳定。
6.大跨度、荷载大的支模,如交通、市政桥梁的支模则应考虑型钢式(贝雷架)脚手架。
三、支架设计及注意事项
1.高大模板支架体系设计内容
高大模板专项施工方案由文字叙述、计算书和支架设计图纸三部分组成,一个完善的专项施工方案应符合安全可靠、操作可行和经济合理的要求,三者缺一不可。
支架体系计算的内容应包括施工荷载计算、模板支撑系统各构件(底模、侧模、次龙骨、主龙骨
和钢管立杆(门
架))的强度与刚度验算、钢管立杆地基(或支承楼面)承载力验算,以及支撑系统的抗倾覆验算等。
2.高大模板支架体系设计步骤
⑴首先按支架选型原则确定支架的类型 (钢管架、门式架、门式架与钢管架混搭)。
⑵如支模梁、板截面尺寸较多,应按梁、板截面尺寸、梁高进行归类,(梁、板截面用于考虑立杆布置,梁高考虑梁侧模设置)并选取同一类中最大梁、板进行计算。
⑶按经验初定主梁及主要次梁的立杆(门架)纵、横距,根据提供的材料(模板、木枋、立杆、对拉螺栓等)以及相应的荷载进行计算,并调整至较佳结果。
⑷根据计算结果,绘制支架立杆(门架)布置平面图,剖面图,节点大样图,竖向(水平)剪刀撑布置平面图,监测点布置平面图。
⑸根据支架立杆(门架)的最大荷载验算立杆基础承载力。
⑹视支模情况是否需进行验抗倾覆验算。
如为混凝土水平构件(梁板),水平推力只是混凝土泵产生的水平推力,水平推力较小,另已设置剪刀撑、水平拉杆相连形成整体,且端头顶紧结构的混凝土柱可将水平推力传递到结构柱和地面,确保支架的整体稳定,可以不进行抗倾覆的验算。
⑺完成文字叙述部分。
(一般包括工程概况,编制依据,选用材料,支架结构构造,模板支架搭设工艺,混凝土浇筑方法,支架拆
除,施工计划,劳动力计划,安全技术措施,质量保证措施,施工监测方案,安全应急预案等)。
3.支架设计注意事项及体会
3.1计算方面
⑴支架计算应遵循荷载传递路径从上到下进行。
(即梁板下模板、次龙骨、主龙骨、立杆、立杆基础)。
⑵梁边至板立杆之间两侧板荷载应计入梁次龙骨荷载计算。
⑶计算时应考虑施工的可行性, 如计算门式架支架, 由于其交叉撑长度为 1.8m, 故门架纵距只能按0.9m,0.6m,0.45m选取。
⑷应注意边梁与非边梁的侧模计算模型是截然不同,边梁侧模
计算模型,由于其一侧无板,故梁侧模计算模型为悬臂梁,而非边梁侧模计算模型为简支梁。
⑸立杆基础承载力验算,当立杆支承在混凝土楼面上,必须验算混凝土楼面结构的承载力(抗弯、抗剪、局压等)。
如不满足要求,则应进行回顶,(回顶层数,立杆间距应按计算确定) 当立杆
支撑在地基上时,应验算地基土的承载力。
(抗压) 在验算过程中, 应按jgj130-2001第5.5 款选择地基承载力调整系数。
3.2确保支架整体稳定的构造措施
⑴支架设计时,确定了主梁立杆矩阵后,板立杆间距应考虑梁、板立杆需符合模数,以方便水平杆能拉通。
⑵水平杆应与已浇注的混凝土柱抱箍或与混凝土柱、墙顶紧。
⑶高大模板区水平杆与该区四周外侧非高支模区应至少两根立
杆(门式架两榀)有效扣接,如外侧为外墙空间时,需增设两排立杆,以便拉结。
⑷竖向剪刀撑、水平剪刀撑应按有关规范设置,另在大梁两侧应设置竖向剪刀撑。
⑸如确需要采用门式架和钢管架混搭, 需在其结合处采取措施,(其结合部钢管立杆的步距应为门式架高度的一半)以确保两支架的整体稳定。
⑹当支模高度较高时,要保证支架搭设的高宽比,避免支架失稳。
(本人认为高宽比应根据支架高度、荷载大小、现场搭设等情况考虑)。
(7)高支模范围内的混凝土柱必须先行浇注,待柱混凝土设计强度达到 75%后,梁板支架方能进行施工。
四、支架施工存在的问题及整改
几年来,通过参加高大模板支架搭设的验收,发现存在一些问题,归纳起来,其主要表现为:
⑴材料材质方面:个别钢管立杆(门架)存在锈蚀、弯折现象, 部分木枋截面尺寸不够, 如方案计算时按80×80mm 木枋考虑,实际
上为 70×70mm,个别木枋尺寸甚至更少,另部分木枋存在缺棱缺角现象,实际材料与计算有出入,存在安全隐患。
整改办法: 在锈蚀、弯折的立杆旁增设符合要求的立杆,至于木枋,视方案设计情况,如设计安全储备量很少,则应按木枋实际尺寸进行核算后的结果整改。
⑵部分支架顶未按要求设置顶托,部分钢管(门架)
的外伸螺栓长度超过方案规定,(方案中一般外伸长度
为 300mm)个别伸出长度竟达到 600~700mm,这些都与
计算参数严重不符,存在安全隐患。
整改办法:按方案要求设置顶托,另在外伸螺栓超
长位置增设水平拉杆,以减少其自由长度。
⑶部分次龙骨间距没按方案间距要求, 间距较疏,个别主龙骨没有按方案要求设置, 如方案要求为双钢管,而实际为单钢管或改为双木枋。
整改办法:按方案要求整改。
⑷部分支架未按步距设置纵、横水平拉杆(或漏设扫地杆),另水平杆端遇混凝土柱、墙的也没有按要求与混凝土柱抱箍或与混凝土柱、墙顶紧。
整改办法:按方案要求整改。
⑸个别大梁两侧未按方案要求设置竖向剪刀撑,个别竖向剪刀撑角度不对或长度伸不到顶,另水平剪刀撑有漏设现象。
整改办法:按方案要求整改
结束语
高大模板工程虽然是一项重点高危作业项目,属于
超过一定规模的危险性较大的分部分项工程范围,但只
要依据有关国家规范和工程经验, 编制好专项施工方
案,并经专家论证审查通过,在施工中,严格按方案要求
执行,并加强高大模板施工期间的监测,这样高大模板
工程的施工安全就有了保障。
参考文献:
[1]jgj130—2001(2002 年版),《建筑施工扣件式钢管脚手架安
全技术规范》
[2]jgj128—2000,《建筑施工门式钢管脚手架安全技术规范》
[3]jgj162-2008,《建筑施工模板安全技术规范》
[4]杜荣军.建筑施工脚手架实用手册 [m].北京:中国建筑工业出版社,1994。