路床施工工艺
- 格式:pdf
- 大小:131.24 KB
- 文档页数:4
路床施工工艺一、前期准备:1.根据设计要求和规格,确定路床的位置和线路。
2.清理施工区域,确保表面平整且无较大障碍物。
3.进行地质勘察和测量,了解地质条件和地形情况。
二、掘土与回填:1.根据设计要求,进行路床的掘土和回填。
2.使用挖掘机或其他适当的设备进行土方工程,确保路床达到设计要求的宽度和高度。
3.在回填过程中,分层进行夯实,以提高路床的稳定性和承载能力。
三、压实与平整:1.使用压路机对回填土进行压实,以增加土壤密实度和承载能力。
2.对路床进行平整处理,确保路床表面平坦且符合设计要求。
四、排水与抗渗:1.根据设计要求,在路床中设置排水系统,包括排水沟、排水管等。
2.-采取相应措施,提高路床的抗渗性能,如使用防渗材料或进行渗透性测试。
五、路基加固:1.如有需要,对路床进行加固处理,以提高承载能力和稳定性。
2.常见的路基加固方法包括加设地基增强层、使用加筋土工格栅等。
六、边坡处理:1.对路床的边坡进行处理,以防止坡体滑动和塌方。
2.可采取边坡护坡、设置护坡板、加固边坡等措施,确保边坡的稳定性和安全性。
七、软基处理:1.如遇到软黏土或其他不稳定地基情况,需要进行软基处理。
2.常见的软基处理方法包括土石方加固、预压注浆等,以提高地基的承载能力和稳定性。
八、检验和质量控制:1.对施工完成的路床进行全面检查,确保施工质量符合要求。
2.检查路床的平整度、压实度、排水情况等。
3.如有需要,可以进行必要的试验和测量,例如路基承载力测试、压实度测试等。
九、环境保护:1.在施工过程中,妥善处理产生的废弃物和污染物,避免对环境造成损害。
2.如有需要,在路床施工区域周围设置临时防护设施,以防止施工过程中的杂物和污染物外溢或污染周围环境。
路床施工需要根据具体项目的要求和地理环境进行操作,同时注重施工过程中的安全和质量控制。
在进行掘土、回填和压实等工程时,需要使用适当的施工设备和工具,并注意施工人员的安全。
在完成施工后,需要对路床进行定期检查和维护,确保路床的稳定性和使用寿命。
路床整形
1.根据高程控制点及时进行粗平及排压,保证路床平整度大致一致。
机械排压后的,测量人员再次测设高程控制点,平整度,再根据控制点进行细平,及时将刮出来的多余的土清走,保证路床宽度。
2.细平后由压路机以先轻后重的原则对路床进行碾压。
碾压时先从路外侧边缘开始,外侧轮的1/2压在路肩上,每次重轮重叠1/2~1/3,逐渐压至路中心,即为一遍,碾压一遍后,再仔细检查平整度和标高,即时修整,修整时应从表面下挖深翻松8-10cm,然后再进行填补。
第一次由振动压路机静压按2km/h速度进行,一进一退两遍;第二次振动碾压,速度相对加快,按3km/h进行,二至三遍;第三次三轮静压,开始按1.8km/h速度,加快按2.4-2.7km/h进行,4-6遍;路基边缘两侧多压二遍。
碾压应遵循由低到高、从边到中、先轻后重、先慢后快,后轮重叠1/2~1/3轮宽的原则。
3.碾压密实,轮迹深度不得大于5mm,经检测压实度至符合要求为止。
确保无弹簧、松散、起皮土等现象。
当无法达到碾压密实度和强度时,根据现场实际情况,再确定处理方案。
如大面积弹软,则及时向监理、业主、设计汇报,并根据设计方案掺加石灰施进行基底处理,而小范围弹软的,则向监理、业主汇报后根据现场情况局部翻开晾晒或超挖一定深度进行换填。
4.路床碾压成型后,及时找监理、业主及相关部门对其进行报验、检测、验收,验收合格后,方可进行下道工序。
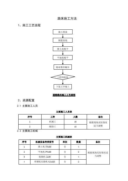
路床施工方法1、施工工艺流程道路路床施工工艺流程2、资源配置2.1 主要施工人员主要施工人员表序号 工种 人数 备注1 机械工 16 根据现场实际情况适当调整2辅助工182.2 主要施工机械主要施工机械表序号 机械设备种类型号 单位 数量 备注1 推土机TY180 台 4 根据现场实际情况适当调整2 平地机PY165 台 23 装载机ZL30 台4 4单钢轮压路机YJ18JC台2路床整形碾压工程师检验施工准备测量放线推土机粗平 平地机精平下道工序施工3、路床整平路基整平采用推土机和平地机,结合人工整平,振动压路机和光轮压路机组合碾压。
3.1 平地机施工前,先用推土机粗平一遍,消除土坎、波浪、沟槽等,使表面大致平整,用压路机稳压1~2遍。
3.2 结合控制桩,用全站仪、水平仪放样,石灰粉作出标记,样点分布密度视平地机司机视野范围确定,平地机由外侧起向内侧进行刮平,重复以上步骤直至标高和平整度满足要求为止。
接头、边沿等平地机无法正常作业的地方,应由人工完成清理、平整工作。
3.3 最后一遍整平前,宜用洒水车喷洒一遍水,以补充表层水份,有利于表层碾压成型。
最后一遍整平时平地机应“带土”作业,切忌薄层找补。
备土要适当考虑富余量,整平时宁刮勿补。
4、路基处理4.1施工工艺4.1.1强夯施工机械采用带有自动脱钩装置的履带式起重机,第一遍夯采用锤重18t,落距11.2m,夯击能量为2000kN.m;第二遍夯采用锤重18t,落距11.2m,夯击能量为2000 KN.m;第三遍夯采用锤重18t,落距5.6m,夯击能量为1000 KN.m。
夯锤底面积4.91m2,并设通气孔。
现场夯锤重量不符时,需按实际锤重和底面积计算落距,确保达到设计夯击能量。
4.1.2恢复路基中线并用灰线撒出强夯范围,然后标出夯点的准确位置,并测量地面高程,强夯处理宽度为路基两侧边坡坡脚外3m范围内,夯点布设为等边三角形布置,间距为5 m,满夯时彼此搭接1/4D。
路床施工方案路床施工方案一、施工前准备1. 制定施工计划:根据设计要求和交通管理要求,制定施工计划并报批。
2. 准备施工材料和设备:准备必要的材料和设备,包括土石方施工用的砂石、水泥、铁筋等,以及施工用的挖掘机、推土机、平地机等。
二、施工工艺1. 路线勘测:根据设计要求,确定路线,并进行勘测,确定路线的坡度和路基宽度。
2. 移除障碍物:清除工地上的积水、杂草等,移除路线上的障碍物。
3. 开挖土方:根据设计要求,使用挖掘机开挖路基,挖掘机要在开挖时保持平稳,并避免对路基造成破坏。
开挖完毕后,对土方进行平整和压实。
4. 回填土方:将挖掘的土方进行回填,回填时要按照层次进行,每层回填后要进行压实,确保路基的坚固稳定。
5. 路面铺设:在路基上铺设防渗层和防护层,每层的铺设要平整牢固。
在铺设过程中,要留出较为平整的面层倒角。
6. 路面沥青铺设:在防护层上,使用沥青进行铺设,每次铺设厚度不得超过3厘米。
沥青铺设后,用辊压进行压实,并验收是否达到要求。
7. 横断面整形:对路面进行整形打磨,确保路面平整,没有颠簸和凹凸不平的地方。
8. 施工完工验收:验收工程质量,包括路基的均匀、压实程度和沥青路面的平整度、厚度等。
三、施工安全措施1. 交通管理:设立安全警示标志,指示交通,保证施工期间车辆和行人的安全通行。
2. 工地封闭:对工地进行封闭,确保施工期间工地的安全,防止路外人员进入施工区。
3. 现场消防:配备灭火器材,避免火灾事故发生。
4. 安全教育:对施工人员进行安全教育,保证施工人员的安全意识和责任心。
四、施工质量控制1. 现场巡查:由质量监督人员每日对施工现场进行巡查,确保施工质量符合要求。
2. 施工记录:在施工过程中,记录施工的各项数据,包括材料使用量、土方开挖量、沥青铺设厚度等,以备施工完毕后的验收。
3. 施工过程检测:使用仪器对施工过程中的土方开挖、土方回填、沥青铺设等进行检测,确保施工质量。
通过以上的施工方案,可以确保路床施工的高质量和安全性。
路床施工工艺在进行道路施工前,需要对场地进行清理。
首先,与监理一起对原地面标高进行复测,并绘制断面图并报送监理。
在清理过程中,必须按照设计断面自上而下整幅开挖,不得乱挖、超挖,以保证施工安全。
同时,需要清除施工用地范围内的垃圾、树根、不适宜材料等,并及时清运弃土,不得乱堆乱放。
施工前还需要彻底清除现场的不适宜材料,整平夯实现场,以便于施工作业。
在沟槽回填至管顶以上50cm后,开始进行路床施工。
在施工前,需要组织相关人员熟悉图纸并事先作好工作面处理工作。
填筑用土必须从土场取得,超过10cm粒径的土块应打碎使用,不得使用腐植土、生活垃圾土、淤泥。
根据现场考察情况以及试验结果,选定填方所用土源,并报请监理批准后使用。
在开工前,需要由监理工程师指定的起止桩号,结合施工路段,选择有代表性的地段作为试验场地,进行压实试验,并将试验结果报告工程师批准。
试验段完成后,按试验成果进行路床填筑施工。
当土源土质发生变化时,需要会同监理重新进行试验段施工,用以指导后续路基填方施工。
在进行路床填筑时,需要按照设计断面分层控制填土标高,由中央逐渐向路边填筑压实。
分层厚度必须与压实机功能相适应,不得大于30cm。
在路基填筑过程中,使用自卸车上土、推土机摊铺,运土车辆由专人指挥,按指定的行驶路线运送,计算每车摊铺面积,统一卸土。
同时,需要检测土壤含水量,如含水量不足,采用悬耕犁、园盘耕翻晒或洒水车洒水,使土壤达到最佳含水量要求。
路床表面需要使用平地机平整至规范要求。
在基层每层两边留出0.3m的压实余宽。
在路床摊铺碾压过程中,需要派专人对现况及新建结构、井筒进行保护。
最后,需要进行压实。
在进行压实时,需要使用大吨位静碾,采用先静压,然后用高振幅、低频率振动碾压,待压路机有反弹现象时,改用低振幅、高频率碾压,碾压速度不超过65m/min。
同时,含水量不得超过最佳含水量的2%。
路床施工工艺路床施工是道路建设工程的重要环节之一。
它是为道路基层提供稳固、平整的基础,确保道路使用寿命和行车安全。
本文将介绍路床施工的基本工艺及其步骤。
一、路床施工概述路床施工是指在道路的基础上进行填筑与整平,包括土方开挖、填筑与压实、边坡处理等工作。
施工的关键是保证路床的稳定性和平整度,提高道路的承载能力和适应各种交通条件的能力。
二、路床施工步骤1. 土方开挖土方开挖是指根据设计要求,在道路的基础上进行土方的开挖和清理。
在开挖土方之前,需要进行现场勘探、测量和标段划分等工作,确保土方开挖的准确性和规范性。
2. 土方填筑与压实土方填筑与压实是路床施工中最关键的环节之一。
填筑材料应根据设计要求选择合适的土质,确保填筑层的稳定性和密实度。
填筑完成后需进行积水排除和边坡处理等工作。
3. 边坡处理边坡处理是为了保证路基的稳定性和安全性。
在路床施工过程中,需要根据地形、设计要求和土质特点等因素,采取合适的边坡处理措施。
常见的边坡处理方法包括护坡、挡墙和人工护坡等。
4. 路床整平与验收在路床施工完成后,需要对施工结果进行整平和验收。
整平是指对路床进行表面平整和修整,保证行车平稳和安全。
验收是指对路床质量进行检查和评估,确保施工符合设计要求和技术标准。
三、施工工艺优化为了提高路床施工的效率和质量,可以采取一些工艺优化措施。
如土方开挖时采用机械化设备,提高开挖速度和效率;土方填筑时采用分层填筑,提高填筑层的稳定性和密实性;边坡处理时采用植被覆盖,提高边坡的稳定性和美观性。
路床施工方案一、工程概述本次路床施工路段位于_____,道路全长_____米,路床宽度_____米。
施工区域的地质条件主要为_____,周边环境包括_____等。
本工程的路床施工对于道路的整体质量和使用寿命具有重要意义。
二、施工准备1、技术准备(1)熟悉施工图纸和相关技术规范,进行技术交底。
(2)测量放线,确定路床的中心线、边线和高程控制点。
2、材料准备(1)准备好符合要求的填土材料,确保其含水量、粒径等指标符合规范。
(2)准备好施工所需的土工格栅、砂袋等材料。
3、机械设备准备(1)调配挖掘机、装载机、压路机、平地机等机械设备到施工现场,并进行调试和维护。
(2)配备足够的运输车辆,确保填土材料的运输。
4、现场准备(1)清理施工现场的杂物、障碍物和表层土。
(2)设置排水设施,确保施工过程中的排水畅通。
三、施工工艺流程1、测量放线使用全站仪或 GPS 等测量仪器,根据设计图纸放出路床的中心线、边线和高程控制点,并做好标记。
2、基底处理(1)清除基底表面的杂草、树根、腐殖土等杂物。
(2)对基底进行平整和碾压,使其达到设计要求的密实度。
(3)若基底存在软弱土层或不良地质情况,应采取相应的处理措施,如换填、加固等。
3、填土(1)采用分层填土的方法,每层填土厚度不宜超过 30cm。
(2)填土应从低处向高处进行,分层压实。
(3)填土过程中,应注意控制填土的含水量,使其接近最佳含水量。
4、摊铺平整使用平地机或装载机将填土摊铺平整,确保路床表面平整度符合要求。
5、碾压(1)采用压路机对路床进行碾压,碾压顺序应从路边向路中心进行,碾压轮迹应重叠 1/3 1/2 轮宽。
(2)碾压速度应适中,先慢后快,先轻后重。
(3)碾压过程中,应注意检查填土的压实度,直到达到设计要求的压实度为止。
6、质量检测(1)对路床的高程、平整度、宽度、横坡度等进行检测,确保符合设计要求。
(2)采用灌砂法或环刀法等检测填土的压实度,每 1000 平方米至少检测 2 点。
路床水泥土施工工艺目录1. 适用范围 (1)2. 主要应用标准和规范 (1)3. 施工准备 (1)3.1. 技术准备 (1)3.2. 机具准备 (1)3.3. 材料准备 (1)4. 施工操作工艺 (2)4.1. 工艺流程图 (2)4.2. 操作步骤及方法 (3)4.3. 施工注意事项 (6)5. 质量标准 (7)6. 成品保护 (7)7. 质量记录 (7)8. 安全、环保措施 (8)8.1. 安全措施 (8)8.2. 环保措施 (8)1.适用范围本标准适用于新建和改建高速公路、一级公路路床水泥土处置,其他道路路床水泥土处理施工可参照执行。
2.主要应用标准和规范(1)中华人民共和国行业标准《公路路基施工技术规范》(JTG/T 3610—2019);(2)中华人民共和国行业标准《公路工程质量检验评定标准》(土建工程)(JTG F80/1— 2017);(3)中华人民共和国行业标准《公路土工试验规程》(JTG E40-2007);(4)中华人民共和国国家标准《环境空气质量标准》(GB 3095-2012);(5)中华人民共和国行业标准《公路工程施工安全技术规范》(JTG F90-2015);(6)中华人民共和国行业标准《公路路面基层施工技术细则》(JTG/T F20-2015)。
3.施工准备3.1.技术准备(1)路床开工前应全面熟悉设计文件,并进行现场核对和施工调查。
(2)对相关管理人员及现场操作工人进行技术、安全交底。
(3)路床开工前,重新全面恢复中线,并对固定路线的主要控制点桩(如交点、转点、曲线起终点等)进行校对并增设水准点。
(4)开工前完成水泥掺量的配比及水泥土击实试验,确定最佳含水量、最大干密度和剂量曲线等施工控制指标。
3.2.机具准备投入的设备主要有推土机、平地机、装载机、洒水车(雾炮车)、水泥撒布车、振动压路机、路拌机、胶轮压路机等,上述设备均应符合业主关于出厂日期、机械性能、排放标准等要求。
引言:路床施工工艺是道路建设过程中非常重要的一环,它直接关系到道路的质量和使用寿命。
本文将从五个大点来详细介绍路床施工工艺,并对每个大点进行详细阐述,以帮助读者更好地了解和应用于实际工程中。
概述:路床施工工艺是指在道路建设中进行路基开挖、填方、压实、边坡处理、排水等一系列工艺步骤的过程。
合理的路床施工工艺能够确保道路的平整度和稳定性,提高道路的承载能力和耐久性。
正文:一、路基开挖1.1确定开挖平面和纵断面1.2采取合理的开挖施工顺序1.3控制开挖坡面和坡度的稳定性1.4合理处理坚硬地质层的开挖二、填方2.1选择合适的填方材料2.2控制填方质量和厚度2.3进行填方的均匀性和压实度检测2.4采取合理的填方施工工艺2.5压实填方材料三、压实3.1选择合适的压实设备3.2制定合理的压实计划3.3控制压实次数和压实幅度3.4进行压实质量的检测3.5根据实际情况调整压实工艺四、边坡处理4.1确定边坡的设计参数4.2采取防护措施保证边坡的稳定性4.3进行边坡的质量检测4.4进行边坡的排水处理4.5根据实际情况进行边坡的修复和加固五、排水5.1设计合理的排水系统5.2安装排水设备5.3控制排水系统的通畅性5.4进行排水系统的清理和维护5.5定期检测和维修排水设备总结:路床施工工艺是道路建设中不可忽视的环节,合理的施工工艺能够保证道路的平整度和稳定性,提高道路的承载能力和使用寿命。
从路基开挖、填方、压实、边坡处理和排水等五个大点,我们详细阐述了每个步骤的关键要点和注意事项。
在实际工程中,需要根据具体情况制定合理的施工工艺,并通过严格的质量检测和监控来确保施工质量,以达到长期可靠使用的目标。
引言:路床施工工艺是道路建设过程中非常重要的一个环节,主要包括路基处理、路面铺设、边坡处理等方面。
正确的施工工艺可以有效确保道路质量和使用寿命,提高路面的平整度和耐久性。
本文将详细介绍路床施工工艺的各个环节,以及每个环节中的具体操作步骤和注意事项。
路床施工组织方案测量定线→挖方段路床开挖→填方段清理与掘除→路基土方填筑→石灰土处理层→成活与养护一、测量定线测量放线采用Ⅲ级管理,Ⅰ级管理由业主提供测量控制网,Ⅱ级管理由项目经理部测量室依据业主提供的控制点,每100M在路线两侧设置导线点、水准点,Ⅲ级管理项目分部测量班根据Ⅰ、Ⅱ级控制网加密控制点,沿路线每10M设置路线中心桩、边线桩,各构筑物两边独立设置控制点。
对Ⅲ级管理设定的控制点,由Ⅱ级管理在施工前加以复合。
对路基中心线由Ⅲ级管理放线,Ⅱ级管理复核,路基边线由Ⅱ级管理放出,同时根据路基填筑的高度不同,放坡坡度不同,放出路基边坡的坡脚及开挖段的上口线。
由测量人员进行清表前原地面高程测量,结合设计路面高程初步计算出清表宽度。
平坦地段每10m 作一断面,起伏较大地段进行加密断面。
路基正式填筑前每10m测设一组中线桩。
为确保路基碾压质量,在路堤土两侧需各加宽30cm,当路堤碾压成活后再进行刷坡达到设计宽度及坡度要求。
二、挖方段路床开挖挖方段施工时,先取米做为试验段,将路床清除至设计路床顶标高-1cm,记录测量数据,再经过灰土拌和碾压等工序验收后,记录实测高程,确定下一步大面积施工时挖方时的下挖深度。
一般采用机械开挖,挖至基底标高以上200mm时停止机械挖土,改用人工捡底。
挖方路基的施工标高应考虑到压实后下沉量,其值应有试验确定。
三、填方段清理与掘除在土方回填前,首先清除路基范围内的表土,根据路基下坡角边线进行清表,清表深度取决于现况土质情况,原则上清除表层土30cm并挖除原地面30cm以下不适宜做为填筑路基的材料,包括:淤泥、垃圾、有机质残渣、地下构造物,地下洞穴等,清至露出原状土层,用重型压路机()进行碾压,对原状土进行土壤压实度检测。
土基压实度达到后方能进行上部回填,路基基底原状土的强度不符合要求时,应进行换填,换填深度,不小于30cm,并分层压实。
对局部坑洼处用素土分层回填夯实,使路基面平整,然后再进行土方填筑。
路床施工工艺路床施工工艺一、前言路床施工工艺是道路建设中的重要环节,它直接影响到道路的稳定性和使用寿命。
本将详细介绍路床施工工艺,包括路基准备、土石方施工、路面材料选择和铺设等内容。
二、路基准备2.1 施工前准备在进行路床施工之前,需要进行施工前准备工作。
这包括确定施工计划、组织施工人员和机具、编制施工方案等。
2.2 土地清理在进行路基施工之前,需要对道路用地进行清理。
这包括清除杂草、移除大型岩石和平整路基。
2.3 路基开挖路基开挖是指按照设计要求,在道路用地上进行土石方开挖,以确定道路的位置和高度。
在开挖过程中,需要注意保持路基的坡度和平整度。
2.4 边坡处理在路基开挖完成之后,需要进行边坡处理。
这包括边坡的夯实、喷洒草籽和铺设防护网等工作,以增加边坡的稳定性。
三、土石方施工3.1 基底处理在进行土石方施工之前,需要对基底进行处理。
这包括湿润基底、强夯和撒铺料等操作,以提高基底的承载力和稳定性。
3.2 土石方填筑土石方填筑是指按照设计要求,在基底上进行土石方填筑,以形成路基。
在填筑过程中,需要进行夯实和均匀铺筑,以保证路基的稳定性和均匀性。
3.3 压实处理土石方填筑完成后,需要进行压实处理。
这包括使用压路机对路基进行压实,以增加路基的密实度和稳定性。
四、路面材料选择和铺设4.1 材料选择在进行路面铺设之前,需要选择合适的路面材料。
常用的路面材料包括沥青混合料、水泥混凝土和石质材料等。
在选择材料时,需要考虑道路的设计要求和使用环境。
4.2 破碎机碾压处理在进行路面铺设之前,需要对基底进行破碎机碾压处理。
这可以增加基底的密实度和稳定性,使其更适合进行路面铺设。
4.3 路面铺设路面铺设是指将选择好的路面材料进行铺设,以形成平整的路面。
在铺设过程中,需要进行碾压和抹平,以确保路面的平整度和稳定性。
5、扩展内容1、本所涉及的附件如下:- 施工计划表- 施工方案图纸- 路基剖面图2、本所涉及的法律名词及注释:- 道路法:指规定了道路建设和管理的法律。
路拌法水泥稳定风化砂路床施工工法路拌法水泥稳定风化砂路床施工工法一、前言随着交通运输的快速发展,公路建设对于路基的建设提出了更高的要求。
在路基建设中,水泥稳定风化砂作为一种常用的路基材料,其施工工法对路基的稳定性、承载能力和使用寿命具有重要影响。
本文将介绍一种常用的施工工法——路拌法水泥稳定风化砂路床施工工法。
二、工法特点该工法采用机械混合的方式,将水泥与风化砂充分混合均匀,形成水泥稳定的砂土。
其特点包括施工简便、施工周期短、施工质量可控、成本相对较低等。
三、适应范围该工法适用于一般交通量较小、设计车速较低的公路和乡村道路。
对于交通量较大、设计车速较高的高速公路和重要国道,建议使用其他更为稳定的路基材料。
四、工艺原理路拌法水泥稳定风化砂路床施工工法的实际工程应用与施工工法之间的联系紧密。
在施工过程中,需要采取一系列的技术措施,确保施工工法的理论依据得以实际应用。
其中主要包括以下几个方面:1. 施工前的试验分析:根据现场勘察结果,进行材料试验和室内试验,确定水泥添加量、水泥稳定剂配合比,以及风化砂的粒径分布等。
2. 施工区块的划分:根据设计要求和工程条件,将路基划分为不同的施工区块,便于施工的分段进行。
3. 水泥稳定砂的制备:将风化砂与水泥在拌和站进行机械拌合,确保水泥充分混合均匀,并加水控制固化时间。
4. 施工工艺控制:根据设计要求,采取适当的施工工艺,保证水泥稳定砂的均匀分布,施工厚度的一致性等。
五、施工工艺 1. 形成路基:在平整的土层上挖掘出路基,清除表层杂质。
2. 基层处理:如果基层材料质量较差,需要进行基层加宽或加厚处理,并进行压实。
3. 拌和工艺:将风化砂与水泥添加到拌和站,通过机械拌合将其均匀混合,再将拌合后的砂浆均匀铺放于路基上。
4. 压实与养护:使用压路机对铺设的水泥稳定砂进行压实,同时进行湿养护,确保砂浆的固化。
六、劳动组织对于该工法的施工,需要配备一定数量的熟练操作人员,包括挖掘机操作员、压路机操作员、混凝土搅拌机操作员等。
路床施工方案范文一、工程概况根据道路设计方案,本次施工工程是对XX路进行基础层施工。
道路全长为XX千米,宽度为XX米。
路基类型为XX,设计强度等级为XX,路面类型为XX。
二、施工原则1.按照设计要求进行施工,保证道路的设计参数的实现。
2.充分利用原材料和机械设备,提高施工效率。
3.严格按照施工工艺和要求进行施工,确保施工质量。
4.安全施工,保证施工人员和交通的安全。
三、施工工艺流程1.路基准备:清理工作面,确保基础层施工的平整度。
2.路基填筑:根据设计要求,采用机械填筑方法,将土石方填筑至设计标高。
填筑过程中,要进行夯实和加湿处理,确保土石方的密实度和稳定性。
3.路基平整:在填筑完成后,使用平地机等设备将路基进行平整,消除高低差,确保基础层的平整度和要求。
4.路基强夯:根据设计要求,对路基进行强夯处理,提高基础层的密实度和承载力。
5.路面铺设:根据设计要求,在基础层上铺设沥青混合料或水泥混凝土,确保路面的平整度和抗压能力。
6.路面压实:对铺设的路面进行压实处理,提高路面的密实度和抗压能力。
7.排水系统:根据设计要求,在路面边缘进行排水沟的施工,确保道路在雨水天气中能够有效排水。
8.道路标线:在路面施工完成后,根据交通规范进行道路标线的施划,确保交通秩序的规范性。
四、施工方案1.施工人员:根据工程的规模和施工进度,配备足够数量的施工人员,确保施工的顺利进行。
2.机械设备:根据工程需要,提前准备好需要的机械设备,包括挖掘机、装载机、平地机、夯实机等,确保施工进度和质量。
3.施工过程控制:严格按照施工工艺和要求进行施工,加强对施工过程的监控和控制,确保工程质量。
4.安全措施:在施工现场设置安全警示标志,指定专人负责安全工作,做好交通管制,确保施工人员和交通的安全。
5.环境保护:在施工过程中,采取相应的环境保护措施,如垃圾分类处理、尘土控制等,确保施工不对周边环境造成污染。
五、施工进度计划根据工程的规模和施工工艺要求,制定详细的施工进度计划,包括每个施工环节的时间节点和完成标志,确保施工的顺利进行。
路床施工流程下载温馨提示:该文档是我店铺精心编制而成,希望大家下载以后,能够帮助大家解决实际的问题。
文档下载后可定制随意修改,请根据实际需要进行相应的调整和使用,谢谢!并且,本店铺为大家提供各种各样类型的实用资料,如教育随笔、日记赏析、句子摘抄、古诗大全、经典美文、话题作文、工作总结、词语解析、文案摘录、其他资料等等,如想了解不同资料格式和写法,敬请关注!Download tips: This document is carefully compiled by the editor. I hope that after you download them, they can help yousolve practical problems. The document can be customized and modified after downloading, please adjust and use it according to actual needs, thank you!In addition, our shop provides you with various types of practical materials, such as educational essays, diary appreciation, sentence excerpts, ancient poems, classic articles, topic composition, work summary, word parsing, copy excerpts,other materials and so on, want to know different data formats and writing methods, please pay attention!在道路建设中,路床施工是至关重要的一环。
三、施工方案
1、清除表土
1.1经现场勘察发现,原地表主要为耕植土、生活垃圾、建筑垃圾和一条旧路等。
在路基施工前,按设计要求对施工范围内原地面进清表处理,用装载机与挖掘机配合施工,集中堆放清除的表土,挖掘机装车、自卸车外运,自找弃土场弃掉。
1.2拆除沿线未经提定或不允许保留的障碍物,如杆线。
必要时与当地部门联系共同商定,减少不必要麻烦;暂不能拆除的线杆作指示牌,开挖时留有一定的土台,并做安全防护。
2、施工测量放线
清表后由测量人员先进行施工测量放线,首先恢复中线,定出开挖边线及高程控制点,并每10m设一里程桩,为防止道路基层宽度不够,开挖的路槽宽度应比设计宽度宽60cm左右。
3、路床开挖、整平
3.1由于路床较宽,一台挖掘机无法一次开挖成型,故我项目部采用两台挖掘机一前一后相隔5~8m同步向前开挖路床,测量人员跟踪测量的方式进行。
为了避免超挖和开挖不到位,测量员每5米测设开挖深度控制点,并留5CM的虚度。
3.2槽帮按要求挖出坡度,修整平顺,为防止路床受雨水浸泡,应时刻关注天气情况,要在下雨之前,及时在路床外侧修好边沟及积水坑,以便排出雨水。
3.3推土机跟在挖掘机后面根据高程控制点及时进行粗平及排压,保证路床虚度一致。
推土机排压后的,测量人员再次测设高程控制点,虚度为2CM,由刮平机根据控制点进行细平,用装载机及时将刮出来的多余的土清走,保证路床宽度。
4、碾压成型
细平后由振动压路机、12t压路机、21-24t的三轮压机本着先轻后重的原则对路床进行碾压。
碾压时先从路外侧边缘开始,外侧轮的1/2压在路肩上,每次重轮重叠1/2~1/3,逐渐压至路中心,即为一遍,碾压一遍后,再仔细检查平整度和标高,即时修整,修整时应从表面下挖深翻松8-10cm,然后再进行填补。
第一次由振动压路机静压按2km/h速度进行,一进一退两遍;第二次振动碾压,速度相对加快,按3km/h进行,二至三遍;第三次三轮静压,开始按1.8km/h速度,加快按2.4-2.7km/h进行,4-6遍;路基边缘两侧多压二遍。
碾压应遵循由低到高、从边到中、先轻后重、先慢后快,后轮重叠1/2~1/3轮宽的原则。
碾压密实,轮迹深度不得大于5mm,经检测压实度至符合要求为止。
确保无弹簧、松散、起皮土等现象。
当无法达到碾压密实度和强度时,根据现场实际情况,再确定处理方案。
如大面积弹软,则及时向监理、业主、设计汇报,并根据设计方案掺加石灰施进行基底处理,而小范围弹软的,则向监理、业主汇报后根据现场情况局部翻开晾晒或超挖一定深度进行换填。
5、报检、验收
路床碾压成型后,及时找监理、业主及相关部门对其进行报验、检测、验收,验收合格后,方可进行下道工序。
土方路基允许偏差
检查项目允许偏差检验方法及频率
国标、行标企标
路基压实度≥96≥96环刀法,每1000㎡测
1点
弯沉不大于设计
计算值不大于设计
计算值
按〈公路工程质量检
验评定标准〉JTJ071
附录1执行
纵断高程MM-15,+10-15,+10水准仪每200米测4个
断面
中线偏差MM5050经纬仪每200米测4点
弯道增加HY,YH两点
宽度MM不小于计算
值不小于计算值钢尺每200米测4个断
面
平整度MM15153米靠尺每200米测4处。