石墨模塑聚苯板保温工程技术规定试行
- 格式:docx
- 大小:134.91 KB
- 文档页数:23
试分析模塑石墨聚苯板外墙外保温施工技术摘要:随着我国城市化进程的不断加快,建筑行业的不断发展,人们对建筑要求日益严格,同时也对建筑节能的重视程度日益提高。
保温是现代建筑的主要功能之一,因此本文从基底的处理和基准线的挂置,首层铝合金托架的安装和翻包网的铺设,模塑石墨聚苯板和岩棉带的黏贴,锚固件的安装和加强带的黏贴,以及玻纤网及罩面的黏贴这几个方面对模塑石墨聚苯板外墙保温的施工技术进行了详细的分析与讨论,以期为我国建筑行业的快速发展奠定坚实的理论基础。
关键词:模塑;石墨聚苯板外墙;保温;施工技术模塑石墨聚苯板外墙外保温系统的保温材料主要以塑模石墨聚苯板为主,在外墙的表面上利用相应的粘结砂浆将保温材料黏贴在上面,同时采用聚合物抗裂砂浆复合耐碱玻纤网格布覆盖在墙面上,其主要目的在于防止裂缝和渗透,从而形成保温系统。
模塑石墨聚苯板外墙外保温系统具有成本较低、保温功能较好、耐久性高、隔音好、施工简单等特点,因此被广泛的运用到建筑行业之中。
其施工技术对保温系统有着十分重要的影响,因此需要对模塑石墨聚苯板外墙外保温施工技术进行深入的研究,提高施工技术水平,为建筑的保温功能提供重要的保障条件。
一、基底的处理与基准线的刮置首先,对于基地的处理方法,应该先对基层的表面进行清理和平整,其平整度需要达到3mm的范围以内;其次,在挂基准线的过程中,必须要做到以下两个方面的内容:第一,需要根据建筑的外墙保温要求以及建筑的设计要求,在墙面合理设置外门窗的垂直控制线和水平控制线。
第二,在建筑的阴阳角及其他重要的位置必须要挂好基准钢线,并保持好垂直的角度,同时在每个楼层的必要部位挂好水平线。
二、首层铝合金的安装和翻包网的铺设当基底的处理以及基准线的挂置完成后,就需要在散水位置上反20cm设置水平控制线,并根据该水平线安装铝合金托架。
在此过程中,需要注意的是托架必须要沿着外墙交圈进行挪动,其主要目的在于首层板下滑以及建筑的沉降对石墨聚苯板的挤压。
⽯墨模塑聚苯板保温⼯程技术规定试⾏WJG 124 —2014⽯墨模塑聚苯板外墙保温⼯程技术规定(试⾏)2014 年 6⽉10⽇发布 2014 年7⽉1⽇实施武汉市城乡建设委员会发布前⾔为规范⽯墨模塑聚苯板在建筑外围护结构保温⼯程中的应⽤,依据武汉市城乡建设委员会关于《武汉市民⽤建筑⼯程外墙保温系统质量管理规定》(武城建规[2012]253号)及《市城建委关于民⽤建筑保温⼯程禁⽌使⽤保温浆体材料的通知》(武城建[2013]269号),参考《外墙外保温⼯程技术规程》JGJ144—2004、《外墙内保温⼯程技术规程》JGJ/T261—2011、《模塑聚苯板外墙外保温系统材料》GB/T29906—2013等标准认真总结经验,在对⽯墨模塑聚苯板及其系统组成材料和性能进⾏⼤量试验研究的基础上,编制本技术规定。
本规定主要技术内容包括:1.总则;2.术语;3.基本规定;4.性能要求;5.设计;6.施⼯;7.验收。
本规定由武汉市城乡建设委员会发布,由武汉市建筑节能办公室负责具体内容的解释。
本规定主编单位:武汉市建筑节能办公室湖北邱⽒节能建材⾼新技术股份有限公司本规定参编单位:中信建筑设计研究总院有限公司武汉⼟⽊建筑学会建筑材料专业委员会武汉明华利源节能科技材料有限公司武汉百思特建材有限公司本规定主要起草⼈员:肖钢童明德李上宾邱杰儒邓在洲易炎华王保华马建新郑根旺⽅民谢军王明军许进黄飞许超本规定主要审查⼈员:姜洪义王爱勋何世全彭德柱李⽂艺陈桂营朱光霖⽬次1总则1.0.1为贯彻国家和武汉市有关建筑节能⼯程的规定,促进建筑节能技术进步,规范GEPS 板建筑外墙保温系统的⼯程应⽤,保证⼯程质量和安全,制定本规定。
1.0.2本规定适⽤于武汉地区新建、扩建、改建民⽤建筑采⽤GEPS板外墙保温系统的建筑节能⼯程的材料、设计、施⼯及验收。
1.0.3在执⾏本规定时,尚应符合国家、⾏业标准规范和武汉市现⾏有关管理规定。
2 术语2.0.1 ⽯墨模塑聚苯板指将含有⽯墨的⿊⾊可发性聚苯⼄烯⼩珠粒经发泡后模塑成型的板材。
模塑聚苯板技术规程嘿,咱今儿就来唠唠模塑聚苯板技术规程这档子事儿!模塑聚苯板啊,那可是建筑领域里的一位“小明星”呢!你想啊,它就像给建筑物穿上了一件保暖又舒适的“棉袄”。
先说这模塑聚苯板的选用吧,那可得精挑细选。
就跟咱挑衣服似的,得看质量好不好,材质过不过关。
要是随便选个质量不行的模塑聚苯板,那不是给建筑工程埋下隐患嘛!这可不是闹着玩的呀!然后就是安装啦。
安装模塑聚苯板就像是搭积木,得一块块稳稳当当放好,不能有丝毫马虎。
你说要是搭积木的时候东倒西歪的,那能好看吗?能结实吗?同理,模塑聚苯板安装不好,那整个建筑的保温效果不就大打折扣啦?再说说粘贴这一块儿。
粘贴模塑聚苯板得用合适的胶粘剂,就好比是给它抹上一层“胶水”,让它和墙面紧紧粘在一起。
这“胶水”要是选得不对或者抹得不均匀,那模塑聚苯板不就容易掉下来嘛,那多吓人呀!还有啊,模塑聚苯板之间的拼接也很重要呢!得严丝合缝的,不能留缝隙。
你想想,要是有缝隙,那不就跟咱冬天穿棉袄有破洞一样,冷风呼呼往里灌呀!那还能起到保温作用吗?在施工过程中,还得注意环境条件呢。
不能在大风大雨天施工吧,那不是瞎折腾嘛!就好比你下雨天出门还不打伞,不就淋成落汤鸡啦!对了对了,还有防火问题。
模塑聚苯板虽然保温效果好,但它可也得注意防火呀!可不能让它成为火灾的“帮凶”,那后果可不堪设想!咱说了这么多,总结一下哈。
模塑聚苯板技术规程那可是相当重要的,每一个环节都不能马虎。
从选用到安装,从粘贴到拼接,都得认真对待。
这就跟咱过日子一样,得细心,得用心,才能把日子过好,把建筑工程做好。
你说是不是这个理儿?咱可不能小瞧了这模塑聚苯板技术规程,它可是关乎建筑质量和人们生活质量的大事儿呢!所以啊,大家都得重视起来,严格按照规程来操作,让模塑聚苯板在建筑中发挥出它最大的作用!。
石墨聚苯颗粒匀质改性防火保温板外墙外保温系统材料1范围本文件规定了石墨聚苯颗粒匀质改性防火保温板外墙外保温系统材料的术语和定义、一般规定、要求、试验方法、检验规则、产品合格证和使用说明书、标志、包装、运输和贮存。
本文件适用于工业与民用建筑采用的石墨聚苯颗粒匀质改性防火保温板外墙外保温系统材料。
2规范性引用文件下列文件中的内容通过文中的规范性引用而构成本文件必不可少的条款。
其中,注日期的引用文件,仅该日期的版本适用于本文件;不注日期的引用文件,其最新版本(包括所有的修改单)适用于本文件。
GB 175通用硅酸盐水泥GB/T 176 水泥化学分析方法GB/T 1748腻子膜柔韧性测定法GB/T 1865色漆和清漆人工气候老化和人工辐射曝露滤过的氙弧辐射GB/T 5486无机硬质绝热制品试验方法GB/T 7689.5增强材料机织物试验方法第5部分:玻璃纤维拉伸断裂强力和断裂伸长的测定GB/T 8170数值修约规则与极限数值的表示和判定GB 8624-2012建筑材料及制品燃烧性能分级GB/T 9265建筑涂料涂层耐碱性的测定GB/T 9780建筑涂料涂层耐玷污性试验方法GB/T 9914.3增强制品试验方法第3部分:单位面积质量的测定GB/T 13475绝热稳态传热性质的测定标定和防护热箱法GB/T 14683硅酮和改性硅酮建筑密封胶GB/T 17146建筑材料及其制品水蒸气透过性能试验方法GB/T 17671水泥胶砂强度检验方法GB/T 20102玻璃纤维网布耐碱性试验方法氢氧化钠溶液浸泡法、GB/T 20473 建筑保温砂浆GB/T 29906 模塑聚苯板薄抹灰外墙外保温系统材料GB/T 30100 建筑墙板试验方法GB/T 36585-2018外墙外保温系统动态风压试验方法JC/T 482聚氨酯建筑密封胶JC/T 907混凝土界面处理剂JC/T 1024墙体饰面砂浆JGJ/T 70建筑砂浆基本性能试验方法JGJ 144-2019外墙外保温工程技术标准JGJ/T 235建筑外墙防水工程技术规程JG/T 157-2009建筑外墙用腻子JG/T 158胶粉聚苯颗粒外墙外保温系统材料JG/T 366外墙保温用锚栓JG/T 512建筑外墙涂料通用技术要求JG/T 536热固复合聚苯乙烯泡沫保温板3术语和定义GB/T 4132界定的以及下列术语和定义适用于本文件。
1.石墨聚苯板外墙保温施工1.1施工准备(1)外墙外保温工程所用材料,按设计要求选用,并符合相关标准的要求。
生产厂家提供法定检测报告及出厂合格证。
(2)外墙保温材料主要有:石墨聚苯板、胶粘剂、抹面胶浆、耐碱网格布、锚固钉、胶粉聚苯颗粒等。
(3)所有的材料均提前进场,进场时加强检查验收,严把质量关,材料进场后及时在监理的见证下取样复试,并做好材料的标识工作,避免不合格材料用到工程中。
(4)外墙保温所用砂浆采用砂浆搅拌机集中搅拌,搅拌场地平整,材料分类堆放整齐,配合比悬挂在显眼的位置处。
(5)施工队伍提前进场,进场后分专业对其进行安全教育及技术交底,必要时由管理人员进行示范操作,保证技术交底的内容贯彻到作业者。
(6)严格落实持证上岗制度,检查操作工人的上岗证,通过操作工人的持证上岗率来促进外墙保温的施工质量。
(7)根据本工程的特点,为保证工期,外墙保温投入充足的劳动力,同时展开施工,并且考虑农忙等季节性因素对劳动力资源的不利提前影响采取有效的补救措施。
(8)参加施工的有关人员,认真熟悉施工图纸,并对图纸中所存在的问题及时处理。
(9)组织培训施工人员熟练掌握外墙外保温的施工技能,并进行岗前培训,组织施工人员看外墙保温施工录像并进行考核。
1.2操作工艺(1)工艺流程:基层处理→放线→配置聚合物砂浆→粘贴网格布→粘贴石墨聚苯板→安装锚固钉→打磨修理、隐检→抹底层抹面砂浆→粘网格布、将其压入砂浆→补洞修理、验收→外饰面(2)基层处理:基层表面应清洁、无油污、脱模剂等妨碍粘结的附着物。
凸起、空鼓和疏松部位应剔除并找平。
找平层应与外墙粘结牢固,不得有脱层、空鼓、裂缝。
(3)放线根据建筑立面设计和外墙外保温要求及保温层厚度,在墙面弹出外门窗水平、垂直控制线及装饰缝等。
(2)挂基准线在建筑物外墙大角(阴、阳角)及其他必要处挂垂直基准线,在每个楼层适当位置挂基准线尺寸偏差不得大于+1.5mm,以控制聚苯板的垂直度和平整度。
石墨复合保温板外墙外保温系统技术规程标题:石墨复合保温板外墙外保温系统技术规程引言:石墨复合保温板外墙外保温系统是一种常用的建筑保温技术,它在节能、环保和建筑保护方面都具有重要的作用。
本文将深入探讨石墨复合保温板外墙外保温系统的技术规程,包括其结构、材料选择、施工方法和质量控制等方面。
通过阅读本文,读者将能够全面了解该系统的特点和应用,并对其在建筑领域中的重要性有更深入的理解。
一、石墨复合保温板外墙外保温系统概述石墨复合保温板外墙外保温系统是一种通过在建筑外墙表面安装石墨复合保温板,形成保温层的技术。
该系统采用石墨复合保温板作为保温材料,具有优异的保温性能和机械强度。
同时,该系统还包括保温板表面防护层、胶粘剂、机械固定件等组成部分。
通过这些组成部分的协同作用,实现了建筑的外墙保温效果。
二、石墨复合保温板外墙外保温系统的主要特点1. 优异的保温性能:石墨复合保温板具有良好的导热系数和保温性能,可有效降低建筑的能耗,并提高室内的舒适度。
2. 优良的机械强度:石墨复合保温板具有较高的抗压、抗拉强度,能够承受外部环境的挤压和风力等荷载。
3. 轻质化材料:石墨复合保温板相对于传统的保温材料来说更加轻薄,减轻了建筑的自重。
三、石墨复合保温板外墙外保温系统的技术规程1. 设计和材料选择在设计石墨复合保温板外墙外保温系统时,需要考虑建筑的结构特点、环境条件和能耗要求等因素。
同时,还需进行合理的保温材料选择,以确保系统的正常运行和长期使用。
2. 施工方法石墨复合保温板外墙外保温系统的施工方法包括基层处理、保温板的粘贴、保温层的涂抹和保护层的施工等。
每个步骤都需要严格按照规程进行操作,以保证系统的质量和性能。
3. 质量控制在石墨复合保温板外墙外保温系统的施工过程中,需要进行质量控制,包括对材料的检测、工艺的检验和工程的验收等。
这些控制措施将确保系统的可靠性和耐久性。
四、对石墨复合保温板外墙外保温系统的观点和理解石墨复合保温板外墙外保温系统具有重要的意义和应用前景。
Neopor石墨聚苯板施工方案及技术指标解析一、背景介绍Neopor石墨聚苯板是一种新型材料,具有优异的绝热性能和环保特性,广泛应用于建筑领域。
本文将针对Neopor石墨聚苯板的施工方案和技术指标进行深入解析。
二、施工方案1. 材料准备在进行Neopor石墨聚苯板施工前,首先需要准备好所需的材料,包括Neopor 石墨聚苯板、粘接剂、封边胶等。
2. 施工准备清理施工现场,确保表面平整、干燥,无灰尘和油污。
根据设计要求,确定Neopor石墨聚苯板的施工位置。
3. 施工步骤•切割板材:根据实际尺寸要求,使用切割机或切割刀对Neopor石墨聚苯板进行切割。
•涂抹粘接剂:在Neopor石墨聚苯板的背面均匀涂抹粘接剂,确保粘接牢固。
•贴合板材:将涂抹粘接剂的Neopor石墨聚苯板贴合到设计位置,用力压实。
•封边处理:使用封边胶对Neopor石墨聚苯板的边缘进行密封处理,防止水分渗透。
•验收工程:施工完成后,进行验收工程,确保质量符合要求。
三、技术指标解析1. 厚度Neopor石墨聚苯板的厚度有不同规格可供选择,常见的有20mm、30mm、40mm等,根据建筑设计要求进行选择。
### 2. 导热系数 Neopor石墨聚苯板具有较低的导热系数,提供优异的保温效果,有助于降低能耗。
### 3. 抗压强度Neopor石墨聚苯板在施工后具有优良的抗压性能,能够承受一定的荷载,提高建筑结构的稳定性。
四、总结Neopor石墨聚苯板作为一种先进的建筑绝热材料,具有独特的优势和广泛的应用前景。
通过合理的施工方案和严格的技术指标要求,可以确保工程质量,提高建筑的综合性能。
希望本文对Neopor石墨聚苯板施工方案和技术指标的解析能够对相关领域的从业者有所帮助。
模塑石墨聚苯板薄抹灰外墙外保温系统性能指标体系暂行前言外墙保温系统已成为现代建筑产业发展必须关注的领域。
为了提高墙体保温效果,保障建筑物结构安全,国家逐步明确了外墙保温系统的性能指标。
其中,模塑石墨聚苯板薄抹灰外墙外保温系统是一种较为常见的保温系统,其性能指标体系已经在天津建设网暂行执行。
什么是模塑石墨聚苯板薄抹灰外墙外保温系统?模塑石墨聚苯板外墙外保温系统是指将模塑石墨聚苯板作为外保温层,通过薄抹灰层固定在建筑墙体(混凝土、砖、石材等)上,形成保温层、抗裂层、防水层、饰面层等复合功能的保温系统。
保温系统性能指标体系模塑石墨聚苯板薄抹灰外墙外保温系统的性能指标体系主要包括以下几个方面:保温性能、耐水性、耐黄变性、粘结强度、拉伸强度等。
保温性能保温性能是衡量外墙保温系统优劣的重要指标。
具有良好保温性能的保温系统可以有效减少室内能量消耗,降低碳排放,达到能源节约和环保的效果。
模塑石墨聚苯板薄抹灰外墙外保温系统的保温效果主要通过以下指标进行评判:•热阻(R值):指单位质量保温材料对热流的阻抗大小,单位为m²·K/W。
R值越大,保温性能越好。
•吸湿率:保温材料的吸湿率越小,保温性能越好。
•导热系数:保温材料的导热系数指其单位质量在1m内的热传导能力,单位为W/m·K。
导热系数越小,保温性能越好。
耐水性保温系统应能够抵御各种天气条件下的自然风化、风雨冲击和水面紫外线等损坏因素的影响。
模塑石墨聚苯板薄抹灰外墙外保温系统的耐水性主要通过以下指标进行评判:•吸水率:保温材料的吸水率指材料在一定时间内吸取的水分量占材料重量的百分比,单位为%。
吸水率越小,耐水性越好。
•抗冻性:保温材料的抗冻性越强,耐水性越好。
耐黄变性保温系统应具有优良的耐老化和耐紫外线的能力,不会因长期的暴露于阳光下而产生颜色变化或黄变现象。
模塑石墨聚苯板薄抹灰外墙外保温系统的耐黄变性主要通过以下指标进行评判:•均匀性:指材料的颜色均匀性程度,无色差,无条纹状现象。
附件1模塑聚苯板薄抹灰外墙外保温系统技术要求及试验方法1薄抹灰外保温系统的性能指标检验项目性能指标检验方法吸水量水中浸泡1h,只带有抹面层和带有全部保护层的系统的吸水量均不得大于或等于1 kg/m2JGJ144-2004附录A.6耐候性不得出现饰面层起泡或剥落、保护层及保温层空鼓或脱落等破坏,不得产生渗水裂缝JGJ144-2004附录A.2抹面层与保温层的拉伸粘结强度≥0.10MPaJGJ144-2004附录A.8抗冲击性能3J级(单层网格布)JGJ144-2004附录B.3抗风压值,kPa 小于工程项目的风荷载设计值JGJ144-2004附录A.3耐冻融[1]表面无裂纹、空鼓、起泡、剥离现象JGJ144-2004附录A.4不透水性2h试样防护层内侧无水渗透JGJ144-2004附录A.10水蒸气湿流密度g/(m2.h) ≥0.85JGJ144-2004附录A.11抗冲击强度J 3J级≥3JGJ144-2004附录A.510J级≥10[1]水中浸泡24h只带有抹面层和带有全部保护层的系统的吸水量均小于0.5kg/m2时,不检验耐冻融性能。
2系统组成材料的性能指标2.1 模塑聚苯板胶粘剂检验项目性能指标检验方法拉伸粘结强度[1] (与水泥砂浆),MPa 原强度≥0.60JGJ 144-2004附录A.8 耐水≥0.40拉伸粘结强度(与聚苯板),MPa 原强度≥0.10耐水≥0.10可操作时间,h 1.5~4.0 JG 149-2003§6.3.2[1]与实际工程基面的拉伸粘结强度(干燥状态)应满足下列要求之一:a)≥0.3 MPa;b)B·F/100≥0.10 MPa式中B——实测拉伸粘结强度,MPa。
精确到0.01 MPa。
F——最低粘结面积率。
即实际粘结面积与聚苯板面积之比×100。
精确到个位。
试验方法按JGJ 110规定,试件尺寸为100mm×100mm。
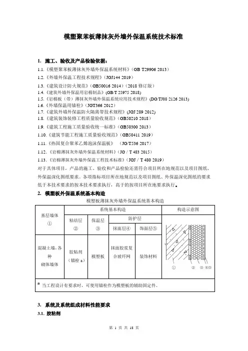
模塑聚苯板薄抹灰外墙外保温系统技术标准1.施工、验收及产品检验依据:1.1.《模塑聚苯板薄抹灰外墙外保温系统材料》(GB-T29906-2013)1.2.《外墙外保温工程技术规程》(JGJ144-2019)1.3.《建筑设计防火规范》(GB50016-2014)(2018修订版)1.4.《建筑外墙外保温用岩棉制品》(GB/T 25975-2018)1.5.《岩棉板(带)薄抹灰外墙外保温系统应用技术规程》(DG/TJ08-2126-2013)1.6.《外墙保温用锚栓》(JGT366-2012)1.7.《建筑外墙外保温防火隔离带技术规程》(JGJ 289-2012)1.8.《建筑装饰装修工程质量验收规范》(GB50210-2018)1.9.《建筑工程施工质量验收统一标准》(GB50300-2013)1.10.《建筑节能工程施工质量验收规范》(GB50411-2019)1.11.《热固复合聚苯乙烯泡沫保温板》(JG/T536-2017)1.12.《岩棉薄抹灰外墙外保温系统材料》(JG/T 483-2015)1.13.《岩棉薄抹灰外墙外保温工程技术标准》(JGJ/T 480-2019)对于具体项目,产品的施工、验收和产品检验还需符合项目所在地规范以及项目图纸、外保温深化图纸要求。
各项指标项目所在地规范以及项目图纸、外保温深化图纸的要求低于本技术要求的按本技术要求执行,高于的按项目所在地要求执行。
2.模塑板外保温系统基本构造模塑板薄抹灰外墙外保温系统基本构造3.系统及系统组成材料性能要求3.1. 胶粘剂3.2.模塑聚苯板:3.3.防火隔离带用岩棉板/带3.3.1.岩棉板和岩棉带性能指标除符合GB/T 25975-2018《建筑外墙外保温用岩棉制品》外,还需符合下表指标:干燥至质量恒定后测试;2剪切强度和剪切模量横向试验时,沿岩棉条的宽度方向施加载荷。
注:本表的允许偏差值以1200mm 长*600mm 宽的岩棉板、1200mm *150mm宽的岩棉带为基准,厚度为30mm~60mm,其它条件下以GB25975的要求为准。
石墨聚苯板国家标准石墨聚苯板是一种新型的建筑保温材料,具有优异的隔热性能和良好的耐久性,被广泛应用于建筑行业。
为了规范石墨聚苯板的生产和使用,我国制定了相关的国家标准,以确保产品质量和施工安全。
本文将对石墨聚苯板国家标准进行详细介绍,希望能够为相关行业提供参考和指导。
首先,石墨聚苯板国家标准对产品的材料要求进行了详细规定。
其中包括石墨聚苯板的原材料选择、生产工艺、质量控制等方面的要求。
这些要求旨在确保石墨聚苯板的材料具有一定的强度、稳定性和耐久性,能够满足建筑保温材料的基本要求。
其次,石墨聚苯板国家标准对产品的技术指标进行了详细规定。
这些技术指标包括石墨聚苯板的厚度、密度、导热系数、抗压强度、吸水率等重要参数。
通过对这些技术指标的规定,可以有效地评估石墨聚苯板的保温性能和使用性能,确保产品的质量稳定和可靠。
另外,石墨聚苯板国家标准还对产品的外观质量和安全性能进行了规定。
这些规定包括石墨聚苯板的表面平整度、边缘垂直度、防火性能等方面的要求。
通过对这些外观质量和安全性能的规定,可以有效地保证石墨聚苯板在施工和使用过程中的安全可靠性,减少事故的发生。
此外,石墨聚苯板国家标准还对产品的包装、运输和贮存进行了规定。
这些规定旨在保证石墨聚苯板在生产、运输和使用过程中不受到外界环境的影响,保持产品的质量和性能稳定。
同时,也为用户提供了正确的存储和使用方法,延长了产品的使用寿命。
总的来说,石墨聚苯板国家标准对产品的各个方面进行了全面规定,为石墨聚苯板的生产、使用和管理提供了重要的依据。
遵循国家标准,可以有效地保证石墨聚苯板产品的质量和安全性能,推动建筑保温材料行业的健康发展。
希望相关企业和从业人员能够严格遵守国家标准,共同推动石墨聚苯板行业的发展,为建筑行业的可持续发展做出积极贡献。
石墨模塑聚苯板薄抹灰外墙外保温系统及材料介绍【摘要】随着社会的发展与进步,全球资源濒临枯竭,全世界各个国家都无与伦比的重视节能问题。
中国是一个能源并不丰富的国家,但目前我国的单位建筑面积采暖用能耗相当于气候条件相近的发达国家的3倍~4倍,因此合理利用能源、提高能源利用率是我国社会发展的根本大计。
我国建筑节能的核心就是对建筑物围护结构和采暖系统进行革新,其中墙体保温施工技术在建筑节能中发挥着越来越重要的作用。
而建筑物外墙围护结构节能技术的改进,保温材料的更新对社会及建筑能耗的降低具有极其重大的意义。
【关键词】节能技术石墨聚苯板新型材料整体效益一、引言在建筑工程施工环节中非常有必要进行新型节能技术体系的健全,其有利于进行外墙保温技术效益的提升。
为保证建筑工程施工体系的健全,实现其内部各个环节的协调,需要我们认真进行工程施工的研究,针对建筑工程的施工外墙保温技术的应用条件,进行不同施工步骤的协调。
在建筑工程施工环节中,通过对外墙内保温技术的应用,可以更好的做好外墙内侧保温处理,在该技术的应用过程中,需要进行保温料浆、保温板等的应用,并且这些材料需要具备满足施工特点的型号。
与此同时,我们也要做好保温外墙的装饰问题,其在时间因素的影响下,保温外墙可能会出现开裂等情况,这都导致保温难以进行有效的修复,从而不利于建筑工程的后期有效施工,正是这种应用技术局限性,才导致其在建筑施工单位的应用频率比较低。
二、石墨聚苯板材料介绍2.1石墨聚苯板外墙保温施工在材料选择上,我们要针对建筑自身的条件,从而保证其技术上的节能性,对施工环节先进技术进行优化,提升建筑物整体节能性,提升节能的长期效益水平,从而保证建筑使用年限,避免出现二次浪费情况。
模塑聚苯板(简称模塑板)分为EPS板、SEPS板两种。
SEPS板是在可发性聚苯乙烯珠粒中添加改性石墨和磷酸化合物作为阻燃剂,通过特殊工艺制成的燃烧性能等级更高、保温效果更优,具有闭孔结构的聚苯乙烯泡沫塑料板(石墨聚苯板)。
GBT29906-2024模塑聚苯板薄抹灰外墙外保温系统材料
非正式版
引言:
一、材料特点:
1.保温性能好:模塑聚苯板是一种闭孔式泡沫材料,具有良好的隔热性能,能有效地阻挡热量的传导,降低冬季供暖的能源消耗。
2.防水性能好:模塑聚苯板具有闭孔式结构,不吸水,且材料内部具有一定的水蒸气透过性,从而使建筑物内部的水汽可以排出,避免了水汽积聚引发的问题。
3.耐久性好:模塑聚苯板具有优良的抗压、抗冲击和抗老化性能,能够保持较长的使用寿命,减少维护工作和费用。
4.轻质化:模塑聚苯板重量轻,便于搬运和施工,减少了劳动强度和施工周期。
二、技术要求:
1.材料外观:材料应平整、光滑,无明显的破损、裂纹、松动和剥离现象。
2.尺寸:材料应符合设计要求的尺寸,尺寸公差应在规定范围内。
3.导热系数:材料的导热系数应符合设计要求,以保证其良好的保温性能。
4.抗压强度:材料的抗压强度应符合设定的标准,以保证其稳定的结构和使用寿命。
5.吸水率:材料的吸水率应低于规定标准,以保证其良好的防水性能。
三、施工细则:
1.基层处理:基层应平整、干燥、无明显裂缝和松动。
如有问题应及
时修补,以确保基层的牢固。
2.模塑聚苯板固定:使用专用的粘结剂将模塑聚苯板固定在基层上,
要求固定牢固、均匀分布。
3.抹灰层施工:在模塑聚苯板上涂抹一层薄抹灰层,要求平整、光滑。
4.防水层施工:在抹灰层上涂刷防水涂料,保证外墙的防水性能。
5.装饰层施工:根据设计要求,进行外墙的装饰层施工,包括油漆、
瓷砖、石材等。
应用范围:。
石墨复合保温板外墙外保温系统技术规程石墨复合保温板外墙外保温系统技术规程1. 简介随着人们对能源节约和环境保护的重视,建筑行业对外墙保温系统的要求越来越高。
石墨复合保温板外墙外保温系统作为一种新型的保温材料,具有良好的保温性能和施工方便等优点,正逐渐受到广大建筑师和开发商的青睐。
本文将深入探讨石墨复合保温板外墙外保温系统的技术规程,帮助读者更全面、深刻地理解这一技术。
2. 石墨复合保温板的特点及选材原则2.1 石墨复合保温板的特点石墨复合保温板是一种以石墨为填料的复合保温材料,具有较低的导热系数、良好的保温性能和耐高温的特点。
石墨复合保温板还具有良好的耐火性、防水性和耐久性,适用于各类建筑的外墙保温。
2.2 石墨复合保温板的选材原则在选择石墨复合保温板时,应根据建筑物的具体情况考虑以下几个方面:2.2.1 导热系数石墨复合保温板的导热系数决定着其保温性能的好坏,一般要求导热系数小于0.045 W/(m·K)。
2.2.2 厚度石墨复合保温板的厚度应根据建筑物的保温要求和墙体结构来确定,一般建议厚度在50mm至200mm之间。
2.2.3 抗拉强度石墨复合保温板的抗拉强度决定了其在施工和使用过程中的稳定性和耐久性,一般要求抗拉强度大于0.1MPa。
3. 石墨复合保温板外墙外保温系统的施工要求3.1 基层处理在进行石墨复合保温板外墙外保温系统的施工前,需要对基层进行处理。
清除基层上的灰尘、油污等杂物,确保基层干净平整。
修补基层上的裂缝,提高基层的抗压强度和附着力。
3.2 粘贴石墨复合保温板在进行石墨复合保温板的粘贴前,要先在墙体表面涂刷一层专用的粘结剂。
将石墨复合保温板按照设计要求粘贴在墙体上,并用专用的螺丝和塑料栓将其固定。
3.3 外墙饰面处理在粘贴石墨复合保温板后,需要进行外墙饰面的处理。
一般采用砂浆饰面、涂料饰面或石材饰面等方式进行,以保护石墨复合保温板不受外界环境的侵蚀。
4. 总结与展望石墨复合保温板外墙外保温系统是一种具有优异性能的外墙保温技术。
目次1 总则 (1)2 术语 (2)3 基本规定 (6)4 性能要求 (7)4.1 系统性能 (7)4.2 系统构造 (7)4.3 LDJC锁扣阻隔式保温板、LDJC锁扣保温板 (9)4.4 LDJC钢丝网片组合锁扣保温板 (13)4.5 其他材料 (15)5 设计 ...................................................................................... .. (19)5.1 一般规定......................................................................... .. 195.2 A、B系统构造要求 ...................................................... .. 205.3 C系统构造要求 ............................................................ (22)6 施工 (24)6.1 一般规定 ...................................................................... . (24)6.2 A、B系统施工工艺及要求.......................................... .. 266.3 C系统施工工艺及要求................................................. .. 307 验收 (33)7.1 一般规定 (33)7.2 主控项目 (36)7.3 一般项目 (40)7.4 验收 (43)附录A LDJC钢丝网片组合锁扣保温板现浇混凝土墙体自保温系统装配式建筑评价 (45)1 总则1.0.1为规范LDJC保温板外墙防火复合保温系统的应用,做到安全适用、技术先进、经济合理,保证工程质量,制定本规程。
WJG 124 —2014石墨模塑聚苯板外墙保温工程技术规定(试行)2014年6月10日发布2014 年7月1日实施武汉市城乡建设委员会发布、八前言为规范石墨模塑聚苯板在建筑外围护结构保温工程中的应用,依据武汉市城乡建设委员会关于《武汉市民用建筑工程外墙保温系统质量管理规定》(武城建规[2012]253 号)及《市城建委关于民用建筑保温工程禁止使用保温浆体材料的通知》(武城建[2013]269 号),参考《外墙外保温工程技术规程》JGJ144 —2004、《外墙内保温工程技术规程》JGJ/T261 —2011、《模塑聚苯板外墙外保温系统材料》GB/T29906-2013等标准认真总结经验,在对石墨模塑聚苯板及其系统组成材料和性能进行大量试验研究的基础上,编制本技术规定。
本规定主要技术内容包括:1.总则;2.术语;3.基本规定;4.性能要求;5. 设计;6. 施工;7. 验收。
本规定由武汉市城乡建设委员会发布,由武汉市建筑节能办公室负责具体内容的解释。
在执行过程中,希望各单位注意收集资料,总结经验,并将意见或建议反馈给武汉市建筑节能办公室(地址:武汉市建设大道721,邮编:430015,电话:)。
本规定主编单位:武汉市建筑节能办公室湖北邱氏节能建材高新技术股份有限公司本规定参编单位:中信建筑设计研究总院有限公司武汉土木建筑学会建筑材料专业委员会武汉明华利源节能科技材料有限公司武汉百思特建材有限公司本规定主要起草人员:肖钢童明德李上宾邱杰儒邓在洲易炎华王保华马建新郑根旺方民谢军王明军许进黄飞许超本规定主要审查人员:姜洪义王爱勋何世全彭德柱李文艺陈桂营朱光霖1 总则为贯彻国家和武汉市有关建筑节能工程的规定,促进建筑节能技术进步,规范GEP板建筑外墙保温系统的工程应用,保证工程质量和安全,制定本规定。
本规定适用于武汉地区新建、扩建、改建民用建筑采用GEP板外墙保温系统的建筑节能工程的材料、设计、施工及验收。
在执行本规定时,尚应符合国家、行业标准规范和武汉市现行有关管理规定。
2 术语石墨模塑聚苯板指将含有石墨的黑色可发性聚苯乙烯小珠粒经发泡后模塑成型的板材。
(简称GEP 板)GEP飯外墙外保温系统由GEP板、粘结胶浆、锚栓、耐碱玻纤网、3-6mn厚抹面胶浆等构成,置于建筑物外墙外侧的保温系统。
GEP飯外墙外保温工程GEPS外墙外保温系统通过设计、施工或安装,固定在外墙外表面上形成保温构造,称为GEP9卜墙外保温工程。
GEP板外墙内保温系统由GEP板、粘结胶浆、耐碱玻纤网、6mr厚抹面胶浆等构成,置于建筑物外墙内侧的保温系统。
GEP飯外墙内保温工程GEPS 外墙内保温系统通过设计、施工或安装,固定在外墙内表面上形成保温构造,称为GEPS外墙内保温工程。
粘结胶浆由水泥基凝胶材料、高分子聚合物材料以及填料和添加剂等组成,专用于将GEP板粘结在基层墙体上的粘结材料。
抹面胶浆由水泥基凝胶材料、高分子聚合物材料以及填料和添加剂等组成,具有一定变形能力和良好粘结性能的抹面材料。
3基本规定GEPS板外墙保温系统复合墙体的保温、隔热和防潮性能应符合《民用建筑热工设计规范》GB5017及武汉市现行相关建筑节能设计标准的规定。
GEPS板外墙保温系统组成材料应由系统产品供应商配套提供,工程应由专业队伍施工,施工质量应符合现行相关标准的规定。
GEPS板外墙保温工程应符合下列规定:应能适应基层的正常变形而不产生裂缝、空鼓和脱落;系统各组成材料之间应彼此相容并具有防腐性;应防止火灾危害;应具有防水渗透性能;应能承受自重、风荷载和室外气候的反复作用而不产生有害的变形或破坏。
GEPSK外墙外保温系统不得粘贴面砖、文化石等饰面材料。
4性能要求系统性能GEP板外墙外保温系统的性能指标应符合表的规定。
表GEP板外墙外保温系统性能指标注:1水中浸泡24h,只带有抹面层和带有全部保护层的系统的吸水量均小于m时,不检验耐冻融性能;板内保温系统性能应符合表的规定。
表内保温系统性能要求材料性能GEPS板性能指标及尺寸允许偏差应分别符合表、表的规定。
GEP板出厂前应在自然条件下陈化42 d或在60C蒸汽中陈化5 d o表GEP板性能指标表GEP板尺寸允许偏差粘结胶浆性能指标应符合表的规定。
表粘结胶浆性能指标抹面胶浆性能指标应符合表的规定。
表抹面胶浆性能指标耐碱玻纤网性能指标应符合表的规定。
表耐碱玻纤网性能指标密封胶应采用硅酮或聚氨酯类建筑密封胶,其技术性能和试验方法应分别符合国家现行标准《建筑用硅酮结构密封胶》GB 16776和《聚氨酯建筑密封胶》JC 482的规定。
锚栓应采用不锈钢或经过镀锌表面防腐处理的金属制成,塑料钉和带圆盘的塑料膨胀套管应采用聚酰胺、聚乙烯或聚丙烯制成,制作塑料钉和塑料套管的材料不得使用回收的再生材料,其性能指标应符合JG/T 366的规定。
5设计一般规定GEP飯外墙保温系统的构造设计及所选用材料的主要性能应符合本规程及有关标准的规^定。
GEPS板外墙保温工程应做好密封和防水设计,确保水不会渗入保温层及基层。
GEPS板外墙保温工程的基层应采用水泥抹灰砂浆整体找平,水泥抹灰砂浆的性能及抹灰工程(普通抹灰)质量应符合《抹灰砂浆技术规程》JG/T220的规定及设计要求。
当GEP板外墙外保温系统设置防火隔离带时,应符合《建筑外墙外保温防火隔离带技术规程》JGJ 289-2012要求。
GEPSS设计选用厚度应符合建筑节能设计国家标准、省地方标准及武汉市相关标准的规定。
通过热工计算确定,GEP板最小厚度不应小于20mm。
GEP板用于外墙保温工程时,其热工参数应符合表的规定选取。
表GEPS板的热工参数建筑构造GEPS板外墙外保温系统基本构造应符合表的规定。
表涂料饰面GEP板外墙外保温系统基本构造甘日基7层①外保温系统构造示意图粘结层②保温层③防护层④饰面层⑤混凝土墙、砌体墙粘结胶浆+ 锚栓GEP 板3-6mml厚抹面胶浆复合耐碱玻纤网格布涂料注:基层墙体应做好找平、防水处理,首层防护层应做双网加强处理;36m及36m以下时,粘结面积应不小于板面面积的40% 36m以上时,粘结面积应不小于板面面积的60%GEPS板外墙内保温系统基本构造应分别符合表的规定表涂料饰面GEP板外墙内保温系统基本构造注:基层应做好找平处理,粘结面积应不小于被粘板面面积的内保温系统构造示意图基层①粘结层②保温层③防护层④饰面层⑤基层①内保温系统粘结层②保温层③防护层④饰面层⑤混凝土墙、砌体墙粘结胶浆GEP板6mn厚抹面胶浆复合耐碱玻纤网格布涂料构造示意图40%GEPS板长度不宜大于1200mm宽度不宜大于600mm与基层的粘结宜采取条粘法。
墙面GEPS板按顺砌方式粘贴,竖缝应逐行错缝,阴阳角应错茬搭接。
门窗洞口四角处GEPS板不得拼接,应采用整块板切割成型,GEP板接缝应离开阴阳角部至少200mm。
当基层墙体为混凝土、烧结空心砖、混凝土小型空心砌块时,锚固件的有效锚固深度应不小于25mm;当基层墙体为加气混凝土砌块时,锚固件的有效锚固深度应不小于40mm;建筑高度在50m以下的墙面每平方米锚固点不少于4个;50m以上的墙面每平方米锚固点不少于6个。
6施工一般规定GEPS板外墙保温工程应由专业施工队伍施工,施工单位应具有相应的质量管理体系、施工质量控制和检验制度。
GEPS板外墙保温工程施工前应编制专项施工方案,并经监理(建设)单位批准认可。
施工作业人员上岗前应进行技术交底和必要的专业技术实际操作培训。
GEPS板外墙保温系统所使用材料的性能、保温层厚度等应符合本标准规定和设计要求;施工中应进行过程控制,做好隐蔽工程验收。
GEPS板外墙保温工程的每道工序完成后,应经监理或建设单位检查验收,合格后再进行下道工序的施工。
下道工序施工时,应对已完成的部分采取保护措施。
GEPS板外墙保温工程的防火安全应符合下列规定:1保温材料进场后,应远离火源;露天堆放时,应采用不燃材料完全覆盖;2施工作业区应配备消防灭火器材;3需要进行焊接、钻孔等施工作业时,周围环境应采取防火安全措施;4火源、热源等火灾危险源应加强管理。
GEPS板表面裸露高度不得超过3层,对已安装好的GEPS5墨模塑聚苯板应及时做抹面层或保护层。
GEPS板外墙保温工程施工前,应在现场采用相同材料、构造做法和工艺制作样板工程, 并经有关各方确认后方可大面积施工。
施工期间及完工后24h内,基层及环境空气温度不应低于5C,夏季应避免阳光暴晒,在5级以上大风和雨天不得施工。
施工作业应严格遵守安全施工相关规定,并符合《建筑施工安全检查标准》JGJ59-2011。
施工准备应对进场的保温系统组成材料的品种、规格和质量证明文件等进行检查,并应经监理工程师(建设单位代表)确认,形成相应的记录。
按本规程规定的检查数量和项目对保温工程所用材料的相关性能进行入场复验,采取见证取样送检,合格后方可使用。
外墙保温工程施工应在基层施工质量验收合格后进行。
施工前,洞口尺寸、位置应符合设计和质量要求并通过验收。
门窗框、各种管线、支架、预埋件等构配件应安装完毕,并按保温工程要求预留出保温层厚度。
门窗框与墙体的缝隙应采用聚氨酯发泡剂等低导热系数的密封材料填实。
外保温工程施工使用的吊篮或脚手架应符合相关规定。
必要的施工机具和劳防用品应按规定准备齐全。
施工工艺流程GEPS板外墙外保温系统的施工工艺流程见图所示:图外保温施工工艺流程GEPS板外墙内保温工程的施工工艺流程见图所示:图内保温施工工艺流程施工要点粘结胶浆或抹面胶浆配制应符合下列规定:1粘结胶浆、抹面胶浆配制时,应采用聚合物干混砂浆专用搅拌机进行搅拌,严格控制加水量和搅拌时间,确保均匀度和粘稠度;2每次配制粘结胶浆、抹面胶浆时,应控制配制数量,并按产品说明书要求时限使用。
GEPS&铺贴应符合下列规定:1外墙粘贴GEP板前,应按设计要求及现场实际绘制排板图,并在找平层上弹出保温板的位置控制线;应在阴阳角及其它必要处挂垂直基准线,应在每个楼层适当位置挂水平线,以控制GEPS板粘贴的垂直度和平整度;2 粘贴时应轻柔、均匀挤压,每贴完一块板,应及时清除挤出的粘结胶浆,并用2m 靠尺及橡皮锤对板进行调整,保证其平整度符合要求;3 相邻板块应错缝拼接,分层铺设时,上、下两层板的接缝应相互错开;超过2mm 的缝隙应采用同类条状材料填塞密实。
锚栓安装的数量、位置及在基层上的有效锚固深度应符合本规程的规定和设计要求。
抹面层施工应在GEP板及锚栓安装完毕经检查验收合格后进行,并应符合下列规定:1施工单层耐碱玻纤网的抹面层时,应先在GEPS板表面均匀抹一道厚度为2mm左右的抹面胶浆,并趁湿压入耐碱玻纤网,待胶浆干硬至可触碰时再抹第二道,其厚度为3mm 左右,抹平并使抹面层总厚度达到设计要求;2施工双层耐碱玻纤网的抹面层时,应先在GEP板表面均匀抹第一道厚度2mm左右的抹面胶浆,并趁湿压入第一层耐碱玻纤网;第一道抹面胶浆养护1d〜2d后可进行第二道抹面胶浆施工,厚度为2mm 左右,并趁湿压入第二层耐碱玻纤网;第二道抹面胶浆稍干后可薄抹第三道抹面胶浆,抹平并使抹面层总厚度符合设计要求;3 抹面胶浆施工间歇宜在分格缝、阴阳角、挑台等自然断开处,以方便后续施工的搭接。