衰减器的特性
- 格式:docx
- 大小:108.37 KB
- 文档页数:3
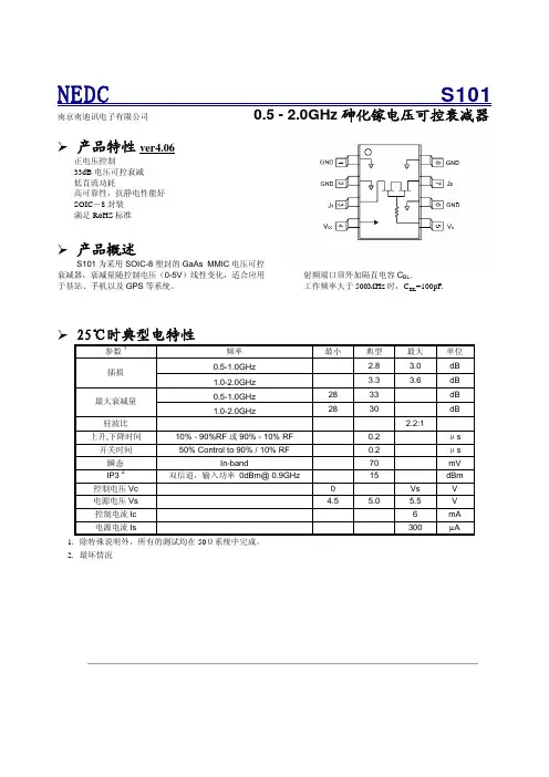
NEDCS101南京南迪讯电子有限公司0.5 - 2.0GHz 砷化镓电压可控衰减器¾ 产品特性ver4.06正电压控制33dB 电压可控衰减 低直流功耗高可靠性,抗静电性能好 SOIC -8封装满足RoHS 标准¾ 产品概述S101为采用SOIC-8塑封的GaAs MMIC 电压可控衰减器,衰减量随控制电压(0-5V )线性变化,适合应用于基站、手机以及GPS 等系统。
射频端口须外加隔直电容C BL .工作频率大于500MHz 时,C BL =100pF.¾ 25℃时典型电特性参数1 频率 最小 典型最大 单位0.5-1.0GHz 2.8 3.0 dB 插损 1.0-2.0GHz 3.3 3.6 dB 0.5-1.0GHz 28 33 dB 最大衰减量 1.0-2.0GHz28 30 dB 驻波比2.2:1 上升,下降时间 10% - 90%RF 或90% - 10% RF 0.2 μs 开关时间 50% Control to 90% / 10% RF0.2μs瞬态 In-band70 mVIP32双信道,输入功率 0dBm@ 0.9GHz 15 dBm控制电压Vc 0 Vs V 电源电压Vs4.55.0 5.5 V控制电流Ic 6 mA 电源电流Is 300 μA1. 除特殊说明外,所有的测试均在50Ω系统中完成。
2. 最坏情况VSWR vs. Control Voltage(V)F=900MHz00.511.522.5012345Control Voltage(V)V S W R¾ 典型特性曲线Attenuation vs. Temperature Normalized to 25℃ F=900MHz -2.5-2-1.5-1-0.500.511.522.5012345Control Voltage (V)A t t e n u a t i o n d e l t a (dB )¾SOIC-8 外形图¾最大额定值1项目数值Array最大RF输入功率24dBm电源电压V CC -1V,+8V控制电压V C -1V,V CC+0.5V工作温度 -40℃到+85℃存贮温度 -65℃到+150℃1. 超出此类任一限制参数工作,会造成器件永久性损坏。
0-3000mhzπ型衰减器工作原理一、π型衰减器的概念及分类1. π型衰减器是一种被广泛应用于无线通信领域的被动器件,主要用于信号衰减和阻抗匹配。
2. 根据工作频率的不同,π型衰减器可分为0-3000mhz范围内的π型衰减器。
二、π型衰减器的结构1. 一个π型衰减器通常由两个阻抗相同的衰减元件组成。
2 阻抗匹配网络,用于调节π型衰减器的输入输出阻抗。
三、 0-3000mhzπ型衰减器的工作原理1. 当输入高频信号通过π型衰减器时,信号会被两个衰减元件分别衰减一部分。
2. 衰减元件的阻抗匹配网络将调节信号的阻抗,以确保输入和输出端口的阻抗匹配,降低信号反射和损耗。
3. 通过调整衰减元件和阻抗匹配网络的参数,可以实现对输入信号的精确衰减,使其输出信号的幅度符合需要的要求。
四、 0-3000mhzπ型衰减器的特性和应用1. π型衰减器具有良好的频率特性,在0-3000mhz范围内能够稳定地衰减高频信号。
2. 由于π型衰减器的结构简单、性能稳定,因此被广泛应用于无线通信设备、测试仪器等领域。
五、结语π型衰减器作为一种重要的被动器件,在无线通信领域发挥着重要作用。
通过研究和了解0-3000mhz范围内的π型衰减器的工作原理,可以更好地应用和调试π型衰减器,提高无线通信设备的性能和稳定性。
希望本文对π型衰减器的工作原理有所帮助。
六、不同频率下的π型衰减器工作特点在0-3000mhz范围内的π型衰减器是一种较为常见的衰减器,但实际应用中会遇到更广泛的频率范围。
了解不同频率下π型衰减器的工作特点具有重要意义。
1. 频率越高,信号衰减越大随着频率的增加,π型衰减器对信号的衰减也会相应增加。
这是因为在高频率下,信号的能量更加集中,相对应地,衰减元件中的损耗也会更大。
在选择π型衰减器时,需要根据具体的频率要求来确定衰减器的参数,以确保衰减效果的准确性和稳定性。
2. 频率对π型衰减器的阻抗匹配影响在不同频率下,π型衰减器对阻抗匹配的要求也会有所不同。
可调衰减器的可调原理
可调衰减器是一种可以根据外界输入控制信号来改变自身参数的电子器件。
可调衰减器的可调原理通常包括以下方面:
1. 电介质特性:衰减器中的电介质具有非线性特性,在外加电压的作用下,会产生极化现象。
这种极化现象会导致衰减器内部的电场分布发生变化,从而影响衰减器的参数。
通过改变外加电压的大小,可以调节电介质极化程度,从而实现对衰减器的控制。
2. 磁性材料:在某些可调衰减器中,会使用磁性材料作为关键组件。
磁性材料的磁导率会随着外加磁场的变化而改变,这使得衰减器的传输特性也随之改变。
通过改变外加磁场的大小,可以实现对衰减器的可调控制。
3. 机械结构:某些可调衰减器采用机械结构来实现可调功能。
例如,通过改变机械结构的尺寸或位置,可以改变衰减器的传输路径或光束的聚焦状态,从而实现对光信号的衰减。
这种类型的可调衰减器通常具有较大的调节范围和较高的调节精度。
4. 热敏材料:某些可调衰减器利用热敏材料的热敏效应来实现可调功能。
热敏材料在温度变化时,其电阻值会发生变化,从而影响衰减器的传输特性。
通过改变温度,可以实现对衰减器的可调控制。
综上所述,可调衰减器的可调原理是通过改变电介质特性、磁性材料、机械结构和热敏材料等参数来实现对衰减器的控制。
这些可调原理使得可调衰减器在通信、雷达、测试等领域具有广泛的应用前景。
光衰减器的原理及应用作者:钱青、唐旭东 日期:2006-1-6(上海光城邮电通信设备有限公司)光纤通信是用光作为信息的载体,以光纤作为传输介质的一种通信方式。
由于其比传统的其他通信方式有着巨大的优势,随着信息技术的不断发展和信息化进程的加快,光纤及其光器件的使用范围越来越广,如光纤通信系统、光纤数据网、光纤CATV 等。
信号无论在哪种传输介质中传输都会有损耗,这种损耗可以定义为信号的衰减。
光通信中光纤衰减的特性用衰减系数α表示,光信号在光纤中传输时,其功率P 随着传输距离的增加按指数形式衰减,即= -αP设起始处(z=0)的信号光功率为P(0),则在光纤中经过距离z 的传播后,其值为衰减系数α= ln在同一种介质中传输时,信号的衰减系数比较稳定,一旦介质有所转换,衰减就有突变。
在通常情况下,我们都希望传输线的损耗越小越好,但在有些情况下,由于信号源及传输距离的不确定,线路中的信号强度可能过大,这就需要采取某种措施减小信号。
光衰减器就是这样一种用于消除线路中过大信号的器件。
一、光纤衰减的特性要研制光衰减器,首先要了解光纤传输的基本特性。
光在光纤中传输,是通过全反射的原理,确保光不外泄。
如图1所示全反射临界入射角为θc ,αc 为临界传播角,纤芯的折射率为n 1,包层的折射率为n 2。
图1 光纤内部光传输为满足光线在纤芯内的全反射条件,要求n 1>n 2。
αc 是光线发生全发射时与光纤纵向轴线之间的夹角,有 αc =arcsin ⎟⎟⎠⎞⎜⎜⎝⎛−n n 1212dP dZ P(z) P(0) 1Z sin θc = n 1n 2要保证光线在光纤内全反射,必须有传输角α<αc 。
除了全反射条件外,光信号在光纤中传输还会有损耗存在,这是由光纤自身特性所决定的,主要有散射损耗、吸收损耗和弯曲损耗等。
1、散射损耗散射损耗通常是由于光纤材料密度的微观变化,以及所含sio2 、geo2 和p2o5 等成分的浓度不均匀,使得光纤中出现一些折射率分布不均匀的局部区域,从而引起光的散射,将一部分光功率散射到光纤外部引起损耗;或者在制造光纤的过程中,在纤芯和包层交界面上出现某些缺陷、残留一些气泡和气痕等。
光衰减器的工作原理
光衰减器是一种用于降低光信号强度的光学器件。
它通常由光学材料制成,其工作原理基于光的吸收、散射和反射。
光衰减器的主要原理是利用材料对光的吸收能力,通过在光传输路径中插入一个具有不同衰减系数的材料来减弱光信号的强度。
当光信号通过光衰减器时,部分光会被衰减器吸收或散射,并转化为其他形式的能量,从而减少其强度。
在光衰减器中,光信号首先进入一个透明窗口或传输介质,然后通过一个材料层。
该材料层具有特定的光吸收特性,可以选择性地吸收光信号的一部分。
通常,光衰减器可以通过改变材料层的厚度或材料的成分来实现不同的衰减程度。
另一种常见的光衰减器类型是反射型衰减器。
它利用多层反射膜片,使光信号在薄膜之间多次反射,从而降低其强度。
反射型衰减器在光信号衰减的同时,也能够保持较低的反射损耗。
需要注意的是,光衰减器的衰减程度可以根据实际需要进行调节。
通过合理设计光学材料的吸收特性或调整反射膜片的层数,可以实现不同的衰减量。
光衰减器通常用于光纤通信、光网络系统以及光学测试和测量等领域,用于调整光信号的强度,以确保信号传输的质量和稳定性。
t032标准衰减器T032标准衰减器T032标准衰减器是一种常用于光纤通信系统中的被动光学元件,用于调节光信号的强度。
它可以在光纤链路中引入一定的损耗,使得光信号的功率得到控制,以达到适当的信号强度。
一、T032标准衰减器的基本原理T032标准衰减器的主要原理是通过控制光信号通过的光纤长度来实现衰减。
其结构一般包括两个光纤连接器和一段可调节长度的光纤。
二、T032标准衰减器的工作方式T032标准衰减器通过调节连接器之间的光纤长度,改变光信号在光纤中传播的距离,从而实现对光信号强度的调节。
当光信号通过光纤链路时,经过衰减器后,其功率将发生相应的变化。
通过调节衰减器的长度,可以精确地控制光信号的衰减量。
三、T032标准衰减器的特点1. 宽波长范围:T032标准衰减器适用于多种波长的光信号,能够在大部分光纤通信系统中进行使用。
2. 稳定性高:T032标准衰减器具有稳定的衰减特性,能够在长时间内保持相对稳定的衰减值。
3. 可调节性好:T032标准衰减器的衰减量可根据需要进行调节,可以满足不同系统对衰减量的要求。
4. 低插入损耗:T032标准衰减器在光信号通过时,其插入损耗非常低,不会对整个光纤链路的传输性能造成较大影响。
四、T032标准衰减器的应用领域T032标准衰减器广泛应用于光纤通信系统中,常见的应用场景包括:1. 光纤测试与测量:在光纤测试中,为了保证测试结果的准确性,常常需要对光信号进行衰减,以模拟实际使用中的信号强度。
2. 光纤传输系统:在一些光纤传输系统中,由于光信号的强度过大会导致接收端无法正常接收,因此需要通过衰减器来调节光信号的强度,以保证传输质量。
3. 光纤传感系统:在一些光纤传感系统中,为了满足特定的测量要求,需要对光信号进行精确的衰减,以获得准确的测量结果。
4. 光纤通信实验室:在光纤通信实验室中,常常需要对光信号进行调节,以模拟实际应用场景下的信号强度,从而进行相关实验研究。
五、T032标准衰减器的选购和使用注意事项1. 波长范围:根据实际需求选择合适的波长范围的衰减器。
电路基础原理电路中的信号传输与衰减分析信号传输是电路中非常重要的一个环节,它决定了电路的性能和效果。
在信号传输过程中,我们需要考虑信号的衰减问题。
信号衰减是指信号在传输过程中逐渐减弱的现象。
本文将探讨信号传输的原理和衰减的分析方法。
一、信号传输的原理在电路中,信号传输主要通过导线、电缆等传输介质来实现。
当我们在一个电路中传输信号时,信号会通过传输介质中的电荷、电流等物理特性传播。
传输介质的特性对信号的传输有着重要影响。
信号传输的过程可以用传输线理论来描述。
传输线理论认为,传输线上的电磁波将以一定的速度沿着传输线传播。
在传输线中,信号的变化将以电流和电压的形式表现出来,从而实现信号的传输。
传输线的物理参数,如电阻、电感、电容等,将影响着信号的传播速度和传输质量。
二、信号衰减的原因信号在传输过程中会遇到各种不利因素,导致信号衰减。
以下是几种常见的信号衰减原因:1. 传输介质的损耗:不同的传输介质具有不同的损耗特性。
电线、电缆等传输介质会因为内部电阻、电容、电感等特性而损耗部分信号能量。
2. 衰减器的阻抗:衰减器是电路中用来调节信号强度的电子器件。
衰减器的阻抗对信号传输起着决定性作用。
如果衰减器的阻抗与传输介质的阻抗不匹配,信号会在衰减器中失去部分能量。
3. 信号的传播距离:信号的传输距离也会影响信号衰减。
随着传播距离的增加,信号的能量将逐渐减弱。
三、信号衰减的分析方法了解信号衰减的原因是为了更好地分析和解决衰减问题。
以下是一些常用的信号衰减分析方法:1. 传输线参数测量:通过测量传输线的阻抗、电容、电感等参数,可以了解传输线本身对信号的衰减作用。
2. 衰减器阻抗匹配:通过调整衰减器的阻抗,使其与传输介质的阻抗相匹配,以减少信号能量的损失。
3. 信号放大器的应用:在信号传输过程中,可以通过使用信号放大器来增强信号强度,以抵消信号的衰减。
4. 传输线的补偿设计:根据信号传输距离和信号衰减因素,可以设计补偿电路来弥补信号衰减带来的损失。
pi型固定衰减器频谱pi型固定衰减器是一种常见的微波器件,用于调整信号的功率水平。
它由三个电阻组成,形状类似于大写字母“π”,因此被称为pi型固定衰减器。
pi型固定衰减器的原理是利用电阻的串联和并联来实现衰减功能。
它具有以下特点:1.简单可靠:pi型固定衰减器只由几个电阻组成,没有任何活动部件,因此结构简单可靠,不容易出现故障。
2.固定衰减:pi型固定衰减器的衰减值是固定的,不会随着工作条件的变化而改变。
这使得它在某些应用场合下更加适用,例如要求精确的功率控制和校准。
3.广泛频率范围:pi型固定衰减器可以在广泛的频率范围内工作,通常覆盖从几十兆赫兹到几千兆赫兹的频段。
下面我们将详细介绍pi型固定衰减器的频谱特性。
首先,让我们来看pi型固定衰减器的电路结构。
它由两个并联的电阻R1和R2以及一个串联的电阻R3组成。
当信号流经这个电路时,会被衰减一定的功率。
为了分析pi型固定衰减器的频谱,我们需要先了解每个电阻的阻抗特性。
电阻的阻抗可以用以下公式表示:Z = R + jωL其中,Z为阻抗,R为电阻的阻值,j为虚数单位,ω为角频率,L为电阻的感抗。
首先,我们来分析并联的电阻R1和R2。
在频谱上,它们的总阻抗可以通过以下公式计算:1/Zp = 1/Z1 + 1/Z2因为R1和R2是并联的,所以它们的阻抗值相同。
因此,我们可以将上述公式简化为:1/Zp = 2/Z1通过进一步的计算,我们可以得到并联电阻的频谱特性如下:Zp = R1/2可以看出,并联电阻的阻抗值是输入电阻的一半,因此它会减小信号的功率。
接下来,我们来分析串联的电阻R3。
串联电阻的总阻抗可以通过以下公式计算:Zs = Z3 + Zp通过把上述公式带入串联电阻的阻抗特性中,我们可以得到以下结果:Zs = R3 + R1/2可以看出,串联电阻的阻抗值是输入电阻和并联电阻阻抗之和。
因此,串联电阻会进一步减少信号的功率。
根据上述分析,我们可以得出pi型固定衰减器的频谱特性如下:1.衰减值:pi型固定衰减器的总衰减值等于串联电阻的阻值。
Agilent 8490G同轴衰减器技术概览主要技术指标l提供最大的频率范围,从直流到67 G Hzl直到67 G Hz具有1.45的低SWR,将测量不确定度降至最低l出色的衰减精度能够改善测量的置信度Agilent 8490G系列产品是一套精密的同轴固定衰减器,其性能被精确测定直到67 G Hz。
这些衰减器利用了1.85 m m的同轴连接器,从直流到67 G Hz都展现出优良的SWR和精度性能。
8490 G系列衰减器拥有3、6、10、20、30和40 d B的衰减值。
Agilent 8490 G系列1.85 m m同轴固定衰减器和低频同轴固定衰减器-Agilent 8490 D、8491和8493系列一样都经过细心地进行组装和测试。
这些衰减器的测试在安捷伦的精密网络分析仪上进行,以保证整个频率范围的全部技术指标。
应用坚固、可靠和体积小使这类衰减器适合于工作台和系统级使用。
由于它们的高精度和低SWR故特别适合将灵敏功率计的范围扩展到进行高功率测量。
高精度和低SWR也使这些衰减器适用于诸如作为校准标准件和射频替代测量等场合。
由于这些衰减器具有直流到67 G Hz的宽频率范围和合理的成本,故一些常规应用,如降低输入到灵敏元件和仪器系统的功率电平等,也是这类衰减器的最适宜应用。
技术指标技术指标描述了在0℃至+55℃的温度范围内(除非另有说明)衰减器的的保证性能。
补充特性和典型特性用来提供典型但非保证的性能参数。
技术指标表示为“典型值”、“额定值”或“近似值”。
频率范围直流到67 G Hz阻抗(额定值)50Ω连接器 1.85 m m功率(最大值) 1 W,平均值衰减(dB)=插入损耗衰减数据不确定度(dB)选件最小(GHz)最大(GHz)最大(GHz)最大(GHz)(GHz)0至670至26.526.5至5050至670.4至678490G 003 2.5 3.9 4.4 4.8±0.38490G 006 5.4 6.97.47.8±0.38490G 0109.410.911.111.3±0.38490G 02019.221.321.521.7±0.38490G 03029.231.331.531.7±0.38490G 04038.042.542.542.5±0.6SWR(最大)回波损耗(dB)衰减(GHz)(GHz)(GHz)(GHz)(GHz)(GHz)选件0至26.526.5至5050至670至26.526.5至5050至678490G-003 1.15 1.25 1.4523.119.114.78490G-006 1.15 1.25 1.4523.119.114.78490G-010 1.15 1.25 1.4523.119.114.78490G-020 1.15 1.25 1.4523.119.114.78490G-030 1.15 1.25 1.4523.119.114.78490G-040 1.10 1.15 1.2526.423.119.123环境技术指标8490G 的设计完全符合安捷伦科技公司的产品工作环境技术指标。
什么是衰减器它在电路中的作用是什么衰减器是一种常见的电路元件,广泛应用于各种电子设备和通信系统中。
本文将介绍衰减器的基本概念、种类、工作原理以及在电路中的作用。
一、衰减器的基本概念衰减器是用来削弱信号幅度或功率的电路元件。
它通过吸收、散射或转换信号的能量来降低信号的强度。
衰减器可用于调节信号的功率水平,从而满足不同电路或系统的需求。
二、衰减器的种类根据衰减器的性质和特点,可以分为以下几种类型:1. 固定衰减器:固定衰减器具有固定的衰减值,无法调节。
它通常由特定的电阻、电容或电感元件组成,通过限制信号的流动而降低信号的功率。
2. 可变衰减器:可变衰减器可以根据需要调节衰减值。
它通常采用可变电阻、可变电容或可变电感等元件,并通过改变这些元件的参数来控制衰减值。
3. 射频衰减器:射频衰减器主要用于射频信号处理。
它可以减小射频信号的功率,降低干扰和噪声,并控制信号的传输损耗。
4. 光衰减器:光衰减器用于光纤通信系统中,用于精确控制光信号的功率。
它可以通过吸收或散射光信号来实现衰减效果。
三、衰减器的工作原理衰减器的工作原理与其类型和结构有关。
以固定衰减器为例,其工作原理可以简单描述如下:固定衰减器通常由电阻网络组成。
当信号通过衰减器时,部分信号能量将被电阻吸收,转化为热能。
由于电阻的特性,信号的功率将相应地降低。
通过选择不同的电阻数值,可以实现不同的衰减值。
可变衰减器则通过改变可变元件的参数来控制信号的衰减值。
例如,通过改变可变电阻的阻值,可以调节信号通过衰减器时的电阻大小,从而实现不同的衰减程度。
四、衰减器在电路中的作用衰减器在电路中有着重要的作用:1. 信号平衡:在某些电路中,不同分支的信号需要保持平衡。
衰减器可以用来减小较强信号的功率,使其与较弱信号处于相同功率水平上,从而实现信号的平衡。
2. 信号匹配:在通信系统中,信号源、传输线和负载之间的阻抗匹配是十分重要的。
衰减器可以用来匹配不同阻抗之间的信号,从而提高信号传输效率。
第四章 光衰减器一. 二. 三. 四. 五. 六.光衰减器简介 光衰减器分类 光衰减器结构 光衰减器性能 光衰减器产品 光衰减器应用一、光衰减器简介 引入:在光通信系统中,许多场合需 要减少光信号的功率。
如:光接收机对光功率的过载非常灵敏, 必须将输入功率控制在接收机的输入范围 内,防止其饱和。
如:光放大器前的不同信道输入功率间的 平衡可防止某个或某些信道的输入功率过 大,引起光放大器增益饱和等。
一、光衰减器简介作用: 主要作用:可按照用户的要求将光信号进 行预期地衰减。
应用领域:系统中吸收或反射掉光功率余 量、评估系统的损耗及各类试验.第四章 光衰减器一. 二. 三. 四. 五. 六.光衰减器简介 光衰减器分类 光衰减器结构 光衰减器性能 光衰减器产品 光衰减器应用二、光衰减器的分类根据工作原理分类:位移型光衰减器 位移型光衰减器横向位移型光衰减器 横向位移型光衰减器纵向位移型光衰减器 纵向位移型光衰减器光衰 光衰 减器 减器直接镀膜型光衰减器 直接镀膜型光衰减器 (吸收模或反射模型) (吸收模或反射模型) 衰减片型光衰减器 衰减片型光衰减器 液晶型光衰减器 液晶型光衰减器按固定可变分类其他分类¾ ¾传输方式:单模光衰减器;多模光衰减器 接口方式:尾纤式光衰减器;连接器端口 式光衰减器第四章 光衰减器一. 二. 三. 四. 五. 六.光衰减器简介 光衰减器分类 光衰减器结构 光衰减器性能 光衰减器产品 光衰减器应用三、光衰减器结构1、位移型光衰减器 1)横向位移型光衰减器 2)轴向位移型光衰减器 2、直接镀膜型光衰减器 3、衰减片型光衰减器1)双轮式可变光衰减器A、步进式双轮可变光衰减器B、连续可变光衰减器2)平移式光衰减器3)智能型机械式光衰减器4、液晶型光衰减器5、其他结构1)光纤拉锥型光衰减器2)挡光型光衰减器3)热光型衰减器4)MEMS型光衰减器1、位移型光衰减器工作原理:我们知道:两段光纤连接时,必须达到相当高的对中精度,才能使光信号以较小的损耗传输过去。
题目:衰减器的特性学院:电子工程
一、实验目的
1.了解衰减器的特性,掌握衰减器的测量方法。
2.学会测量衰减器的幅频特性
二、实验设备
1.微波信号发生器
2.衰减器
3.频谱分析仪
三、实验原理
功率衰减器是能量损耗性射频/微波元件,元件内部含有电阻性材料。
衰减器是在指定的频率范围内,一种用以引入一预定衰减的电路。
一般以所引入衰减的分贝数及其特性阻抗的欧姆数来标明。
四、实验操作步骤
衰减特性测量
1.设置微波信号发生器输出指定频率和功率的单载波信号(如850MHz、-20dBm)。
2.将输入输出电缆短接。
用频谱分析仪测量衰减器的输入信号电平,测试数据记录到表格1中。
3.接入被测衰减器。
用频谱分析仪测量衰减器的输出信号电平,计算衰减器的衰减量以及与标称值得误差,测试数据记录到表格1中。
分析:
因为我们本次实验使用的衰减器是PIN衰减器,上面标明的衰减量为>=10dB,而实际上要求用的衰减器其衰减量为10dB,因此在计算标称误差的时候,是以标准衰减量10dB来计算的。
可见:误差在允许的范围内可以被接受。
幅频特性测量
1.设置微波信号发生器输出指定频率和功率的单载波信号(如850MHz、-20dBm)。
2.将输入和输出电缆短接。
用频谱分析仪测量并记录衰减器的输入信号电平。
3.接入被测衰减器。
设置频谱分析仪的中心频率为指定频率(如850MHZ),设置合适的扫描带宽(如100MHZ),适当调整参考电平使频谱图显示在合适的位置。
4.设置频谱分析仪的轨迹为最大保持功能(Trace->Trace type Max hold).
5.按照一定的步进(如0.1MHZ),用手动旋钮在指定的频率范围内(如830~870MHZ),调整微波信号发生器的输出频率,在频谱分析仪上显示幅频特性曲线。
6.根据频谱分析仪显示的幅频特性曲线,测量并计算衰减器在指定频带内的最小
最小衰减量=衰减器输入信号电平-衰减后最大输出电平
幅频特性=最小衰减量/带宽
四、实验总结
本实验计算量不大,但是需要时间熟悉频谱分析仪的使用,尤其是调频谱分析仪会比较麻烦。
总体来说,整个实验还是很顺利的,队友分工明确,很轻松的完成了实验。