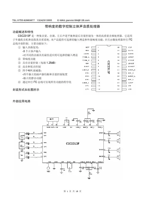
4个数据位可衰减0~15DB的可编程衰减器
- 格式:docx
- 大小:10.08 KB
- 文档页数:2
说明书在使用前,首先参考一下使用说明书,熟悉产品的硬件结构和使用方法,以便更好更快的应用本系统。
系统概述 (1)技术指标 (2)硬件连接 (3)软件安装设置 (4)(一)系统概述LY1002型二进二出程控衰减器系统由两个步进可编程衰减器组成二进二出测试系统,频率范围DC~3.8GHz,衰减范围0~63dB;通过网口与电脑连接,实现同时控制两路衰减量,在不中断电路的情况下以 1dB 步进形式调节电路的信号电平,用于调节测试系统中的功率电平,具有精度高、稳定可靠、操作简便等特点。
同时可按客户要求提供各种形式的M(≥1)进N(≥1)出产品。
外形图(前视)(二) 技术指标1)工作频率: DC~3.8GHz2)衰减调节范围:0~63dB3)衰减最小步进:1dB(特殊要求可改为0.5dB)4)插入损耗: ≤7dB(详见产品测试表格)5)系统阻抗: 50Ω6)驻波比: ≤1.57)衰减精度: ±(0.2+衰减设置值×3%)dB @(DC~1GHz) ±(0.25+衰减设置值×3%)dB @(1~2.2GHz) ±(0.3+衰减设置值×3%)dB @(2.2~3GHz) ±(0.35+衰减设置值×5%)dB @(3~3.8GHz) 8)最大输入功率:2W(工作在+25℃时)0.5W(工作在+85℃时)9)工作电压: 交流220V(最大功耗5W)10)射频接口: SMA(female)11)控制接口: 网口(RJ45,符合TCP/IP协议)12)控制方式: 虚拟串口通信模式,提供电脑控制界面程序13)温度范围: 0~+60℃(工作)-20~+100℃(存储)14)湿度: 5~95%15)外形尺寸: 铝屏蔽外壳 320×280×75㎜(不含连接器)16)重量: 2㎏(不含附件)17)附件: 交流电源电缆一根、软件光盘一张、网线一根(三) 硬件连接信号流程图参考信号流程图,确认:✓交流电源电缆连接无误,打开电源开关,指示灯亮,表示系统电源工作正常,如图1;图1✓网线与本系统及电脑连接,网口指示灯亮,表示网络连接正常,如图2;图2被测设备与本系统连接无误。
微波通信概述微波无线通信是以空间电磁波为载体传送信息的一种通信方式,构建微波无线通信时不需要用线缆连接发信端和收信端。
因而在航空航天通信、海运和个人移动通信以及军事通信等方面,微波无线通信是其它通信方式所不可替代的。
微波通信是一种先进的通信方式,它利用微波(载频)来携带信息,通过电波空间同时传送若干相互无关的信息,并且还能再生中继。
由于微波具有频率高、频带宽、信息量大的特点,因此被广泛地应用于各种通信业务中。
如微波多路通信,微波接力通信,散射通信,移动通信和卫星通信等。
同时,用微波各波段的不同特点可实现特殊用途的通信,具体如下:A. S-Ku波段的微波适于进行以地面为基地的通信;B. 毫米波适用于空间与空间之间的通信;C. 毫米波段的60GHz频段的电波大气衰减大,适用于近距离的保密通信;D.90GHz频段的电波在大气中衰减很小,是一个无线电窗口频段,适用于地—空和远距离通信。
E.对于很长距离的通信L波段更适合。
微波通信的主要特点根据所传输基带信号的不同,微波通信又分为两种制式。
用于传输频分多路——调频(FDM-FM)基带信号的系统称作模拟微波通信系统。
用于传输数字基带信号的系统称作数字微波通信系统。
后者又进一步的分为PDH微波和SDH微波通信两种通信体制。
SDH微波通信系统是未来微波通信系统发展的主要方向,利用调制和复用技术,一条微波线路可以传送大量的信息。
这是微波通信的一个主要优点,例如,一个标准的4GHz微波载波,带宽约为10%~20%,可以传送几万条电话信道或几十万条电视信道。
微波通信系统的组成微波通信传输线路的组成形式可以是一条主干线,中间有若干分支,也可以是一个枢纽站向若干方向分支.但不论哪种组合形式,主要是有由微波终端站、中继站和分路站等组成的。
如图所示:终端站中继站再生中继站终端站微波微带电路系统实验设计平台一、适用范围本设计平台主要面向各大中专院校微波通信工程、电子工程、通信工程等专业开设的《微波技术》、《微波电路》、《天线原理》、等课程的实验教学及课程设计、毕业设计而研制的最新产品。
Intersil公司的ISL5416信道可编程下变频器是专门为3G无线通信协议制造的,但也同时支持2G和2.5G标准。
在蜂窝基站的接收部分,这种四信道可编程下变频器独特的滤波器配置可把四个分立的宽带信道集成到一个线路中,并把所有的后处理功能集中起来进行一个完整的通道化处理。
这种最新CommLink系列的软件无线电从高速模数变频器接收输入的宽带信号,然后对中频至基带的信号进行调谐、滤波并抽取信号。
ISL5416有多级滤波、自动增益控制和再采样功能。
ISL5416的滤波功能可实现大于100dB的带外滤波,满足3G 的邻频功率比要求。
ISL5416已批量生产,采用256引脚BGA(1.0mm间距)封装,1,000件批量时每片57.00美元。
ISL5416四通道可编程数字下变频器目录四通道宽带可编程下变频器 3特点 3应用范围 4方框图 4管脚描述 8功能描述 11输入选择/格式模块 12时钟 12输入格式 12门控/内插模式 12多路复用输入模式 13SYNCInX的使用 13NCO/混频器 15PN码发生器 16CIC滤波器 17后端布线 19FIR滤波器部分 19AGC 21内插半带滤波器/重采样滤波器 25数据输出格式化部分 28串行数据输出 29串行数据输出时隙内容/格式寄存器 29通道布线屏蔽 29微处理器接口 30写内部寄存器 30读内部寄存器 31JTAG 32上电顺序 33一、ISL5416(四通道宽带可编程下变频器)介绍ISL5416是一种四通道宽带可编程数字下变频器(WPDC),是专门为大动态应用设计的。
比如蜂窝通信的基站,需要在很小的空间处理多个通道。
WPDC在单个封装上集成了四个通道,每个通道包括:一个NCO,一个数字混频器,多个数字滤波器,一个AGC和以个重采样滤波器。
所有的通道都可以独立编程和实时更新。
每个通道都可以选择四组数字输入总线中的任何一组。
每个调谐电路可以处理一个WCDMA通道,为了增加带宽,信道可以组成级连或者多相电路。
1.14波导衰减器【产品简介】波导衰减器是波导系统的基础性元件。
波导衰减器可吸收波导传输线中的能量,主要用于微波系统的去耦匹配、电平控制和采用高频替代法测量时设置参考电平。
【型号描述】标准矩形波导固定衰减器,波导管型号BJ100,法兰盘为FBP/FBM(两端都为FBP时缺省),衰减量为30dB,材料为铝(材料为铜时缺省)。
端口2法兰类型:M=F B M100端口1法兰类型:P=F B P100波导管型号:B J100衰减量:A t=30d B产品类型:矩形波导固定衰减器恒达微波材料:铝H D-100W F A30P M A【产品类型】类型代码含义类型代码含义WFA波导固定衰减器WVA波导可变衰减器WHPCFA波导大功率固定衰减器WHPVA波导大功率可变衰减器WCFA波导耦合式固定衰减器WVPA波导精密极化衰减器1.14.1波导固定衰减器Port 1Port 2衰减值驻波比3dB.、6dB≤1.25~1.3510-30dB≤1.15【标准产品数据表】产品型号频率范围(GHz)驻波比可选衰减量…(dB)法兰材料涂覆HD-3WFA…0.32-0.49≤1.253~30FDP铝氧化HD-4WFA…0.35-0.53≤1.253~30FDP铝氧化HD-5WFA…0.41-0.62≤1.253~30FDP铝氧化113产品型号频率范围(GHz)驻波比可选衰减量…(dB)法兰材料涂覆HD-6WFA…0.49-0.75≤1.253~30FDP铝氧化HD-8WFA…0.64-0.98≤1.253~30FDP铝氧化HD-9WFA…0.75-1.15≤1.253~30FDP铝氧化HD-12WFA…0.96-1.46≤1.253~30FDP铝氧化HD-14WFA… 1.13-1.73≤1.253~30FDP铝氧化HD-18WFA… 1.45-2.20≤1.253~30FDP铝氧化HD-22WFA… 1.72-2.61≤1.253~30FDP铝氧化HD-26WFA… 2.17-3.30≤1.253~30FDP铝氧化HD-32WFA… 2.60-3.95≤1.253~30FDP铝氧化HD-40WFA… 3.22-4.90≤1.253~30FDP铝氧化HD-48WFA… 3.94-5.99≤1.253~30FDP铝氧化HD-58WFA… 4.64-7.05≤1.253~30FDP铝氧化HD-70WFA… 5.38-8.17≤1.253~30FDP铜镀银HD-84WFA… 6.57-9.99≤1.253~30FBP铜镀银HD-100WFA…8.20-12.40≤1.253~30FBP铜镀银HD-120WFA…9.84-15.0≤1.253~30FBP铜镀银HD-140WFA…11.9-18.0≤1.253~30FBP铜镀银HD-180WFA…14.5-22.0≤1.253~30FBP铜镀银HD-220WFA…17.6-26.7≤1.253~30FBP铜镀银HD-260WFA…21.7-33.0≤1.253~30FBP铜镀银HD-320WFA…26.5-40.0≤1.253~30FBP铜镀银HD-400WFA…32.9-50.1≤1.303~30FUGP铜镀金HD-500WFA…39.2-59.6≤1.303~30FUGP铜镀金HD-620WFA…49.8-75.8≤1.303~30FUGP铜镀金HD-740WFA…60.5-91.9≤1.353~30FUGP铜镀金HD-900WFA…73.8-112≤1.353~30FUGP铜镀金1.14.2波导耦合式固定衰减器波导耦合式固定衰减器是一种以全带宽高方向性低耦合频响的耦合器为基础的高精度宽带固定衰减器。
光衰减器分类方式
光衰减器的原理
光衰减器是光纤通信设备检测(如光功率计计量,光功率衰减,接收机灵敏度测量等)中必不可少的测试仪器之一。
随着光纤通信技术的不断发展,光纤通信设备和器件生产厂商对光衰减器的性能指标要求也越来越高。
在这里我们探讨一下光衰减器的原理。
光衰减器的原理如框图1所示,入射光通过光纤准直器进行准直,经过两片衰减器片进行衰减后,通过光纤准直器进入输出光纤。
在两片衰减片中,一片为固定衰减片,,其衰减量从0db到50db以10db步距变化,另一片为连续衰减片,其衰减量从0db到15db的连续变化,通过两片衰减片进行组合可以实现0db到60db范围内连续可变的光衰减器。
图1中,光衰减器片与光轴之间保持有一定角度,这样的安装方式不仅是光衰减片前后表面的反射光错开,避免了干涉现象对光测试系统的影响,也有效的阻止了反射光返回入射端,提高了以前的回波损耗指标。
光衰减器特点
光衰减器要求重量轻、体积小、精度高、稳定性好、使用方便等。
它可以分为固定式、分级可变式、连续可调式几种。
光衰减器的的衰减倍数
光衰减器是一种用于减弱光信号强度的器件,通常用于光纤通信系统中。
它的衰减倍数取决于其设计和制造的参数,主要包括衰减器类型、工作原理、材料等因素。
首先,衰减器的类型对衰减倍数有重要影响。
常见的光衰减器包括固定衰减器和可调衰减器。
固定衰减器的衰减倍数是固定的,通常以分贝(dB)为单位进行表示,常见的衰减值有1dB、5dB、10dB等。
而可调衰减器可以根据需要调节衰减倍数,通常在0至30dB之间可调。
其次,衰减器的工作原理也会影响衰减倍数。
常见的工作原理包括吸收型、微弯曲型和折射型等。
吸收型衰减器通过材料对光信号进行吸收来实现衰减,微弯曲型则通过光路的微小弯曲来实现衰减,而折射型则利用折射原理来实现衰减。
不同工作原理的衰减器在衰减倍数上可能会有所差异。
最后,衰减器所使用的材料也会对衰减倍数产生影响。
常见的衰减器材料包括硅、硅氧化物、金属薄膜等,它们的光学特性和损耗特性不同,会直接影响到衰减器的衰减倍数。
综上所述,光衰减器的衰减倍数是一个综合考虑器件类型、工作原理和材料等多种因素的结果。
在选择和使用光衰减器时,需要根据具体的应用需求来确定衰减倍数,以确保光信号的合适衰减和传输质量。
以下是光衰减器的一般技术规格表,供参考:1. 插入损耗(Insertion Loss):- 光衰减器的插入损耗指的是在光信号通过衰减器时所引入的光功率损耗。
一般以分贝(dB)为单位表示。
2. 衰减范围(Attenuation Range):- 衰减范围表示光衰减器能够调节的光信号衰减量的范围。
一般以分贝(dB)为单位表示。
3. 衰减精度(Attenuation Accuracy):- 衰减精度是指光衰减器在目标衰减量下实际实现的衰减精度。
一般以分贝(dB)为单位表示。
4. 衰减模式(Attenuation Mode):- 衰减模式指的是光衰减器衰减光信号的方式。
常见的衰减模式包括固定衰减模式和可调衰减模式。
5. 返回损耗(Return Loss):- 返回损耗是指反射回光源的光功率与输入光功率之间的差异,一般以分贝(dB)为单位表示。
6. 工作波长范围(Operating Wavelength Range):- 工作波长范围指的是光衰减器能够工作的波长范围。
通常以纳米(nm)为单位表示。
7. 可调范围(Adjustment Range):- 可调范围表示可调衰减器可以连续调节的衰减范围。
一般以分贝(dB)为单位表示。
8. 核心类型(Fiber Type):- 核心类型指的是光衰减器适用的光纤类型,如单模光纤(Single-Mode Fiber)或多模光纤(Multi-Mode Fiber)。
9. 环境工作温度(Operating Temperature Range):- 环境工作温度表示光衰减器正常工作的环境温度范围。
这些技术规格可以根据具体的光衰减器产品而有所不同。
在选择和使用光衰减器时,建议参考供应商提供的详细规格表和产品说明,以确保满足您的特定需求。
朗普达光电科技
让科研工作更高效 促进科技转化为生产力
全光纤式可调光衰减器 (VOA)
1. 描述: 全光纤式可调光衰减器(VOA )是一种全光纤结构的光衰减器,具有附加损耗低、结构紧凑、使用方便、衰减调节范围大(衰减范围可从0至40dB 连续调节)等特点。
2. 特点: * 原始损耗低 * 结构紧凑 * 衰减调节范围大 * 调节精度高
3. 应用:
* 光通讯系统测试 * 光纤器件测试 * * 光纤实验室
4. 性能指标:
类
型 参数
1310
1550
工作波长(nm) 1310 1550 工作带宽 (nm) ¡ 40 ¡ 40 衰减范围 (dB) 0 ~ 40 0 ~ 40 原始损耗 (dB) 0.3
0.3
调节精度 (dB) < 0.2 回波损耗 (dB) ≥ 50 工作温度 (℃) -40 ~ +70 存储温度 (℃) -40 ~ +85 外形尺寸 (mm)
78¡68¡16
注:上述性能指标不包含连接头损耗。
5. 产品订购信息:
VOA¡A¡XXX¡X¡XX/XXX
Connector : FC/UPC, FC/APC etc.
Fiber Type : 0=SMF-28, 1=HI1060, 4=others
Wavelength : 131=1310nm, 155=1550nm, 1315=1310&1550nm etc.
Type : A=All fiber。
30dB步进可调衰减器技术规格1、特点:INLO-VAT(S/N)30-5型步进同轴衰减器可在 INLO-VATS30-5不中断电路的情况下以1dB步进来调节电路中的信号电平,也可以作为仪器设备的内部衰减器,用于调节测试系统中的功率电平。
本产品具有体积小、精度高、稳定性高、价 INLO-VATN30-5 格低等特点。
注意事项:a)开关寿命5000次,以15至20次/秒的速度运行5000次;b)使用时轻按轻放,以免开关产生松动、变形等。
2、技术参数:型号 INLO-VAT(S/N)30-5 工作频率(GHz) DC-2.5插入损耗(dB) ≤2.5驻波(VSWR) ≤1.4功率(W) 5衰减值(dB) 1/2/4/8/16衰减值各档间可任意组合衰减精度(dB) 0-10dB±0.5dB;11-30dB±0.8dB阻抗(O) 50接口类型 SMA/N-F工作温度(°C) -40~+50外型尺寸(mm) SMA:107mm ×35.5mm×20 mm N: 124mm ×35.5mm×20 mm3、型号及外观尺寸图: 型号 外观尺寸图(单位:mm) INLO-VATS30-5 INLO-VATN30-5 60dB步进可调衰减器技术规格1、特点:INLO-VAT(S/N)60-5型步进同轴衰减器可在 INLO-VATS60-5不中断电路的情况下以1dB步进来调节电路中的信号电平,也可以作为仪器设备的内部衰减器,用于调节测试系统中的功率电平。
本产品具有体积小、精度高、稳定性高、价 INLO-VATN60-5格低等特点。
注意事项:b)开关寿命5000次,以15至20次/秒的速度运行5000次;b)使用时轻按轻放,以免开关产生松动、变形等。
2、技术参数:型号 INLO-VAT(S/N)60-5工作频率(GHz) DC-2.5插入损耗(dB) ≤3.5驻波(VSWR) ≤1.4功率(W) 51/2/4/8/10/10/10/16衰减值各档间可任意组合衰减值(dB) 衰减精度(dB) 0-10dB±0.5dB;11-30dB±0.8dB;±2.5%@=30dB标称阻抗(O) 50 接口类型 SMA/N-F工作温度(°C) -55~+125外型尺寸(mm) SMA:145mm ×35.3mm×20 mmN:166mm ×35.3mm×20 mm3、型号及外观尺寸图: 型号 外观尺寸图(单位:mm) INLO-VATS60-5 INLO-VATN60-590dB步进可调衰减器技术规格1、特点:INLO-VAT(S/N)90-5型步进同轴衰减器可在 INLO-VATS90-5不中断电路的情况下以1dB步进来调节电路中的信号电平,也可以作为仪器设备的内部衰减器,用于调节测试系统中的功率电平。
概述:TC7528是双路、8位数字—模拟转换器, TC7528设计成具有单独的片内数据锁存器,其特点包括非常紧密的DAC 至DAC 一致性,两通道DAC 间误差匹配度不超过1%。
数据通过公共输入口传送至两个DAC 数据锁存器的任一个。
控制输入端DACA/DACB 决定哪一个DAC 被加载。
该器件的加载周期与随机存取存储器的写周期类似,能方便地与大多数通用微处理器总线和输出端口相接口。
分段高阶位可以使最高有效位变化期间内的闪变最小,该变化期间内的闪变脉冲最强。
TC7528工作电源为5 V,功耗小于15 mW。
通过TC7528实现的2或4象限乘法功能,是许多微处理器控制的增益设置和信号控制应用的良好选择。
TC7528可工作于电压方式,产生电压输出而不是电流输出。
特性:·易于与微处理器接口; ·片内数据锁存; ·在每个A/D 转换范围内具有单调性; ·可与模拟器件AD7528和 PM7528互换; ·适合于包括与TMS320接口的数字信号处理(DSP)应用的快速控制信号; ·电压方式(VOLTAGEMODE)工作; ·CMOS 工艺制造。
应用:数字控制下的信号细微增加、滤波器、立体声电路、X-Y 方向控制等功能框图:管脚定义:管脚说明:管脚号 符号 说明 1 AGND 模拟电源地 2 OUTA DAC A 路模拟输出端 3 R FB A DAC A 路反馈电阻端 4 V REF A A 路基准电压输入端 5 DGND 数字电源地 6 /DAC A/DAC B DAC 路选择 7~14 DB7(MSB )~ DB0(LSB )八位数据输入高位~低位15 CS 片选线,低电平有效 16 WR 写操作,低电平有效 17 VDD 芯片电源 18 V REF B B 路基准电压输入端 19 R FB B DAC B 路反馈电阻端 20 OUTB DAC B 路模拟输出端规格参数:最大额定范围:(TA = +25°C unless otherwise noted)VDD to AGND . . . . . . . . . . . . . . . . . . . . . . . . . . . . 0 V, +6 V VDD to DGND . . . . . . . . . . . . . . . . . . . . . . . . . . . . 0 V, +6 V AGND to DGND . . . . . . . . . . . . . . . . . . . . . . . . VDD + 0.3 V DGND to AGND . . . . . . . . . . . . . . . . . . . . . . . . VDD + 0.3 V Digital Input Voltage to DGND . . . . . . . –0.3 V, VDD + 0.3 V VPIN2, VPIN20 to AGND . . . . . . . . . . . . . . –0.3 V, VDD + 0.3 V VREF A, VREF B to AGND . . . . . . . . . . . . . . . . . . . . . . . ±5 V VRFB A, VRFB B to AGND . . . . . . . . . . . . . . . . . . . . . . . ±5 V Power Dissipation (Any Package) to +75°C . . . . . . . 450 mW Derates above +75°C by . . . . . . . . . . . . . . . . . . . 6 mW/°C Operating Temperature RangeCommercial (J, K, L) Grades . . . . . . . . . . . –40°C to +85°C Industrial (A, B, C) Grades . . . . . . . . . . . . –40°C to +85°C Extended (S, T, U) Grades . . . . . . . . . . . –55°C to +125°C Storage Temperature . . . . . . . . . . . . . . . .–65°C to +150°C Lead Temperature (Soldering, 10 secs) . . . . . . . . … .+300°C接口逻辑:DAC 部分:两通道的DAC 锁存来自公共的一路8BIT 的数据.控制输入脚DACA/DACB 将会选择哪一路DAC 接受输入脚的8BIT 数据。
SKY12334-362LF: GaAs 5 Bit Digital Attenuator, 5-Bits, 0.5 dB LSB with Serial-to-Parallel Driver 0.7–4 GHzdata sheetFeaturesl B roadband 700 MHz to 4 GHzl A ttenuation range: 15.5 dBl L east significant bit attenuation: 0.5 dBl L ow insertion loss: 1 dB @ 900 MHzl P ositive voltage operation (5 V)l I ntegrated silicon serial-to-parallel driverl Q FN 4 x 4 mm leadless packagel A vailable lead (Pb)-free, RoHS-compliant, and Green™, MSL-1 @ 260 °C per JEDEC J-STD-020Functional DiagramSERDATAOUTSERDATAINLATCH ENABLECLOCKINRESETVCCDescriptionThe SKY12334-362LF is a GaAs FET IC 5-bit digital attenuator witha Si serial-to-parallel driver packaged in a 24-pin leadless exposedpad plastic package. It is particularly well suited for applications inwhich high attenuation accuracy, low insertion loss, and low inter-modulation products are required. Typical applications include basestation, wireless and wireless local loop gain control circuits.Skyworks Green™ products are RoHS (Restrictionof Hazardous Substances)-compliant, conform tothe EIA/EICTA/JEITA Joint Industry Guide (JIG)Level A guidelines, are halogen free according toIEC-61249-2-21, and contain <1,000 ppm antimonytrioxide in polymeric materials.Data Sheet • SKY12334-362LFElectrical SpecificationsV CC = 3–5 V, V CTL = 0/3 V, 5 V, T = 25 °C, P INPUT = 0 dBm, Z 0 = 50 W , unless otherwise notedOperating CharacteristicsV CC = 3–5 V, V CTL = 0/3 V, 5 V, T = 25 °C, P INPUT = 0 dBm, Z 0 = 50 W , unless otherwise notedDC CharacteristicsParameterConditionFrequency Min.typ.Max.Unit Insertion loss0.7–1.4 GHz 1.4–2.3 GHz 2.3–2.7 GHz 2.7–4.0 GHz1.21.31.82.0 1.52.02.32.7dB dB dB dB Attenuation range 15.5dB Attenuation accuracyAttenuation referred to insertion loss All attenuation states 0.7–0.9 GHz 0.9–2.2 GHz 2.2–4.0 GHz ± (0.5 + 5% of Atten. Setting) Max.± (0.3 + 4% of Atten. Setting) Max.± (0.5 + 5% of Atten. Setting) Max.dB dB dB Return lossRF1 and RF2, all atten. states0.7–1.4 GHz 1.4–2.3 GHz 2.3–2.7 GHz 2.7–4.0 GHz1215121014181513dB dB dB dBParameterConditionFrequencyMin.typ.Max.Unit Switching characteristics: On/rise time Off/fall time50% V CTL to 90% RF or 10/90% RF 50% V CTL to 10% RF or 90/10% RF 1200500ns ns Input power for 0.1 dB compression V CC = V CTL = 5 V V CC = V CTL = 3 V 0.7–3.8 GHz 0.7–3.8 GHz 2523dBm dBm Input power for 1.0 dB compressionV CC = V CTL = 5 V V CC = V CTL = 3 V0.7–3.8 GHz 0.7–3.8 GHz 3230dBm dBm Input Intermodulation Intercept Point (IIP3)For two tone input power, 0 dBm/tone,1 MHz spacing.V CC = V CTL = 5 V V CC = V CTL = 3 V0.7–3.8 GHz 0.7–3.8 GHz 4242dBm dBmParameterConditionSymbol Min.typ.Max.Unit Input voltage high V IH (1) V CC = +3 V V CC = +5 V 2.33.535V V Input voltage low V IL (0) V CC = +3 V V CC = +5 V001.01.5V V Input leakage current I L 0.5µA Quiescent current I CC 500µA Supply voltages (V CC )V CC355.5VData Sheet • SKY12334-362LFAbsolute Maximum RatingsPerformance is guaranteed only under the conditions listed in the specifications table and is not guaranteed under the full range(s) described by the Absolute Maximum specifications.Exceeding any of the absolute maximum/minimum specifications may result in permanent damage to the device and will void the warranty.CAUTION: A lthough this device is designed to be as robust aspossible, ESD (Electrostatic Discharge) can damage this device. This device must be protected at all times from ESD. Static charges may easily produce potentials of several kilovolts on the human body or equipment, which can discharge without detection. Industry-standard ESD precautions must be employed at all times.Electrical SpecificationsV CC = 5 V, V CTL = 0/5 V, T = 25 °C, P INPUT = 0 dBm, Z 0 = 50 W , C BLK= 47 pF unless otherwise notedCharacteristicValue RF input power @ 5 V 30 dBm Supply voltage (V CC ) 6 V Control voltage -0.2 V, +8 V Operating temperature -40 °C to +85 °C Storage temperature-65 °C to +150 °C-40 °C25 °CInsertion Loss-4.0-3.5-3.0-2.5-2.0-1.5-1.0-0.50.00.51.01.52.02.53.03.54.0Frequency (GHz)I n s e r t i o n L o s s (d B )15.5 dB4 dB s1 dB Return Loss: Major States-30.0-25.0-20.0-15.0-10.0-5.00.00.51.01.52.02.53.03.54.0Frequency (GHz)R e t u r n L o s s (d B )Data Sheet • SKY12334-362LFElectrical SpecificationsV CC = 5 V, V CTL = 0/5 V, T = 25 °C, P INPUT = 0 dBm, Z 0 = 50 W , C BLK = 47 pF unless otherwise noted4 dB0.5 dB 1 dB Norma lized attenuation: Major States-16.0-14.0-12.0-10.0-8.0-6.0-4.0-2.000.51.01.52.02.53.03.54.0Frequency (GHz)N o r m a l i z e d A t t e n u a t i o n (d B )4 dB1 dB a ttenuation Bit error: Major States-1.0-0.50.00.51.01.52.02.53.00.51.01.52.02.53.03.54.0Frequenc y (GHz)A tt e n u a t i o n B i t E r r o r (d B )Worst Case at tenuation Step erro r Between Successi ve a ttenuation States-1.2-1.0-0.8-0.6-0.4-0.20.00.20.40.60.81.01.20.5 1.0 1.5 2.0 2.5 3.0 3.5 4.0Frequency (GHz)A t t e n u a t i o n S t e p E r r o r (dB )3.5 GHz1.9 GHza ttenuation Bit error vs. at tenuation State-0.5-0.30.00.30.50.81.0246810121416A ttenuation State (dB)A t t e n u a t i o nB i t E r r o r (d B )15.5 dB2 dB 1 dB Re lati ve Phase: Major States-60-40-2002040600.5 1.0 1.5 2.0 2.5 3.0 3.5 4.0Frequency (GHz)R e l a t i v e P h a s e (D e g r e e s )Data Sheet • SKY12334-362LFPin Out (Top View)Pin TableTruth TablePin #Name Description1Gnd Ground2RF1 RF input/output must be DC blocked 3Gnd Ground 4Gnd Ground 5Serial output Data input delayed by 8 clock cycles6Gnd Ground7Reset Reset clears shift registers 8ClockSerial clock input9Latch enable On rising edge of pulse, shifts 5 most recent bitsclocked in to set attenuation state10Gnd Ground 11Serial input input data 12Gnd Ground 13Gnd Ground 14V CC Fixed bias for SPI 15Gnd Ground 16Gnd Ground17RF2RF input/output must be DC blocked 18Gnd Ground 19Gnd Ground 20Gnd Ground 21Gnd Ground 22Gnd Ground 23Gnd Ground 24GndGroundResetSerial Data Input RF In/Out attenuation 8 dB4 dB 2 dB 1 dB 0.5 dB 111111Insertion Loss 1111100.5 dB 111101 1 dB 111011 2 dB 110111 4 dB 1011118 dB 10000015.5 dB 0XXXXX15.5 dBV CC = 5 V V CC = 3 V “0” = 0–0.5 V “0”= 0–0.5 V “1” = 3.5–5 V “1”= 2.3–3 V “X” = Don’t Care“X”= Don’t Care1819124136712Gnd RF1Gnd GndSerial OutputGndR e s e tC l o c kL a t c h e n a b l eG n dS e r i a l i n p u tG n dGnd RF2Gnd Gnd V CC GndG n dG n dG n dG n dG n dG n dGround exposed pad234589101114151617202122235 kC BLKC BLKC BPDC blocking caps required on RF1 and RF2 ports. Recommend 47 to 300 pF.RF2 or RF1 ports needs to be pulled up to V CC voltage.Recommend 5 k W.C BP = C BYPASS = 0.01 µF.Data Sheet • SKY12334-362LFV CC = 5 V V CC = 3 VParameter Symbol Min.typ.Max.Min.typ.Max.Unit Serial input setup time ts55ns Hold time from serial input to shift clock th55ns Setup time from shift clock to latch enable tlsup40100ns Propagation delay, latch enable to C0.5 through C8tpd3070ns Setup time from reset to shift clock-2050ns Clock freq fclk3010MHzSerial data (SDA) is shifted into the register on the rising edge of the clock (SCK), least significant bit (LSB) first. The attenuator will change states on the rising edge of the latch enable (LE) signal, according to the most recent 5 bits of shifted data accepted since the previous falling edge of the LE signal.The part includes a serial data output pin that can be used to provide the serial data input to a cascaded attenuator. The serial data output is the serial input data delayed by 8 clock cycles. Power-up sequence:0. Connect ground1. Apply V CC2. Set all inputs (SCK, SDA, LE)Power-down sequence should be the reverse of above.Data Sheet • SKY12334-362LF Example for Setting 0.5 dB State0.5 dBstateData Sheet • SKY12334-362LF**AA-362SK41092-1 REV1ATTENUATOR TEST BOARD4MM X 4MM QFNSMA SMAV C CS D IS D OLER S TC L KR1RF1RF2C3C1C2___Bottom ViewPin 1Pin 1Evaluation Circuit BoardPark MarkingC1 = C2 = 47–300 pF. C3 = 0.01 µF. R1 = 5k W .Data Sheet • SKY12334-362LFDetail AExposedArea(To Metal Pads)1.60-362 QFN 4 x 4 mm 24-Lead Outline-362 QFN 4 x 4 mm 24-Lead Suggested Land Pattern1. Dimensioning and tolerancing per ASME Y14.5m - 1994.2. Dimensions are in inches and (millimeters). Controlling dimension is millimeters.3. Coplanarity applies to the exposed heat sink slugas well as the terminals.4. Plating requirement per source control drawing (SCD) 2504.Detail BLDetail C0.25 mm + 0.05 mm 0.25 mm - 0.07 mmDetail A(2.500 mm)0.106 (2.70 mm) + 0.004 (0.10 mm)0.106 (2.70 mm) - 0.006 (0.15 mm)Recommended Solder Reflow ProfilesRefer to the “Solder Reflow Information” Application Note,document number 200164.Tape and Reel InformationRefer to the “Discrete Devices and IC Switch/Attenuators Tape and Reel Package Orientation” Application Note, document number 200083.Data Sheet • SKY12334-362LFCopyright © 2009, Skyworks Solutions, Inc. All Rights Reserved.Information in this document is provided in connection with Skyworks Solutions, Inc. (“Skyworks”) products or services. These materials, including the information contained herein, are provided by Skyworks as a service to its customers and may be used for informational purposes only by the customer. Skyworks assumes no responsibility for errors or omissions in these materials or the information contained herein. Skyworks may change its documentation, products, services, specifications or product descriptions at any time, without notice. Skyworks makes no commitment to update the materials or information and shall have no responsibility whatsoever for conflicts, incompatibilities, or other difficulties arising from any future changes.No license, whether express, implied, by estoppel or otherwise, is granted to any intellectual property rights by this document. Skyworks assumes no liability for any materials, products or information provided hereunder, including the sale, distribution, reproduction or use of Skyworks products, information or materials, except as may be provided in Skyworks Terms and Conditions of Sale.THE MATERIALS, PRODUCTS AND INFORMATION ARE PROVIDED “AS IS” WITHOUT WARRANTY OF ANY KIND, WHETHER EXPRESS, IMPLIED, STATUTORY, OR OTHERWISE, INCLUDING FITNESS FOR A PARTICULAR PURPOSE OR USE, MERCHANTABILITY, PERFORMANCE, QUALITY OR NON-INFRINGEMENT OF ANY INTELLECTUAL PROPERTY RIGHT; ALL SUCH WARRANTIES ARE HEREBY EXPRESSLY DISCLAIMED. SKYWORKS DOES NOT WARRANT THE ACCURACY OR COMPLETENESS OF THE INFORMATION, TEXT, GRAPHICS OR OTHER ITEMS CONTAINED WITHIN THESE MATERIALS. SKYWORKS SHALL NOT BE LIABLE FOR ANY DAMAGES, INCLUDING BUT NOT LIMITED TO ANY SPECIAL, INDIRECT, INCIDENTAL, STATUTORY, OR CONSEQUENTIAL DAMAGES, INCLUDING WITHOUT LIMITATION, LOST REVENUES OR LOST PROFITS THAT MAY RESULT FROM THE USE OF THE MATERIALS OR INFORMATION, WHETHER OR NOT THE RECIPIENT OF MATERIALS HAS BEEN ADVISED OF THE POSSIBILITY OF SUCH DAMAGE.Skyworks products are not intended for use in medical, lifesaving or life-sustaining applications, or other equipment in which the failure of the Skyworks products could lead to personal injury, death, physical or environmental damage. Skyworks customers using or selling Skyworks products for use in such applications do so at their own risk and agree to fully indemnify Skyworks for any damages resulting from such improper use or sale.Customers are responsible for their products and applications using Skyworks products, which may deviate from published specifications as a result of design defects, errors, or operation of products outside of published parameters or design specifications. Customers should include design and operating safeguards to minimize these and other risks. Skyworks assumes no liability for applications assistance, customer product design, or damage to any equipment resulting from the use of Skyworks products outside of stated published specifications or parameters. Skyworks, the Skyworks symbol, and “Breakthrough Simplicity” are trademarks or registered trademarks of Skyworks Solutions, Inc., in the United States and other countries. Third-party brandsand names are for identification purposes only, and are the property of their respective owners. Additional information, including relevant terms and conditions, posted at , are incorporated by reference.。
光衰减器介绍武汉光迅科技股份有限公司主要内容•衰减的定义•衰减器分类•衰减器应用•衰减器的技术指标•光迅科技的衰减器衰减器的含义特定(工作)波长的光信号,经由输入到输出的过程中, 输出的光能量(功率)相对于输入光能量的减少。
•输出光能量功率小于输入光能量功率•不改变信号其他特性•线性无源双端口网络器件理解衰减器•Optical Attenuator (OAT)固定衰减Fixed OAT: 3,5,10,15dB普通型:OAT-F;高回损型:OAT-HF可调衰减:Varible Optical Attenuator Manual VOA—手调光可变衰减器Electrical VOA—电调光可变衰减器•输入/输出光端口FC/MU/LC/SC 类型理解衰减器•实现光衰减到特定衰减值ATT(dB)=abs(10log(PO/PI),其中PO,PI以mW为单位如: 输入PO=1mW, PI=10mW 时对应ATT=10dB, PO=0.1mW 时对应ATT=20dB,•不改变光信号其他特性(波长复用,电调制)•线性无源:(电源,光源)衰减器的分类根据不同工作原理分类:1.位移型光衰减器当两段光纤进行连接时,必须达到相当高的对中精度,才能使光信号以较小的损耗传输过去。
反过来,如果将光纤的对中精度做适当的调整,就可以控制其衰减量。
位移型光衰减器就是根据这个原理,有意让光纤在对接时,发生一定的错位。
使光能量损失一些,从而达到控制衰减量的目的,•横向位移型:是一种比较传统的方法,由于横向位移参数的数量级均在微米级,所以一般不用来制作可变衰减器,仅用于固定衰减器的制作中,并采用熔接或粘接法,到目前仍有较大的市场,其优点在于回波损耗高,一般都大于60dB。
•轴向位移型:在工艺设计上只要用机械的方法将两根光纤拉开一定距离进行对中,就可实现衰减的目的。
这种原理主要用于固定光衰减器和一些小型可变光衰减器的制作。
衰减器的分类2. 薄膜型光衰减器利用光在金属薄膜表面的反射光强与薄膜厚度有关的原理制成。
4个数据位可衰减0~15DB的可编程衰减器
电路的功能
大多数电子设备通常都需要可变增益放大器。
在低频用改变OP放大器反馈
度的办法便可构成具有任意增益的可变增益放大器,不过采用这种方法,因开
环频率特性不变,一旦提高增益,高频特性就会发生变化,如果再要考虑相位
特性,使用频率范围就会受到限制。
本电路采用固定增益的放大器,只在输入端加电阻衰减器,限使衰减器大幅
度改变,频率特性也基本不变。
本电路可用TTL电平,进行1、2、4、8的加
权后,即可构成能够直接读出数据的衰减器。
选择数据为0~F时,衰减量为
0.~15DB。
电路工作原理
本电路用有接点的继电器依次切换固定衰减器,可获得稳定的衰减。
通常π
型和T型衰减器用得较多,本电路采用的是输入输出对称的π型电路。
衰减器还有平衡、不平衡之分,与电子电路连接,可以采用不平衡衰减器。
本电路是按终端阻抗为600欧设计的,如果不是600欧,则不能获得正确的衰减器。
继电器采用小信号弹用的双接点的G5A237P,用达林顿驱动器使其通断,各继电器的线圈均并联了吸收反向电压的二极管,如果不接地极管,线圈两端就
会产生尖锋电压,噪声也会混入到信号中。
确定π型衰减器衰减量的电阻值可用下式计算;设终端电阻为R。
,
式中的X代表衰减量,单位为DB。
表A列出了衰减量为0.1DB~80DB时R1、R2的计算值(左列)。
除非定制,否则这些阻值在系列电阻中难以找全,因此,我们从E96系列产品选出与之接。