锅炉型号种类大全---详细介绍锅炉各种型号种类参考模板
- 格式:docx
- 大小:87.97 KB
- 文档页数:12
燃气锅炉是目前国内市场的一个大趋势,具有低排放、高效率等特点,是企业生产及生活供暖方面必不可少的工业设备。
燃气锅炉可燃烧天然气、液化气、沼气。
城市煤气等气体燃料;按照介质分为燃气热水锅炉、燃气蒸汽锅炉、燃气导热油锅炉。
下面介绍热销的锅炉型号及参数。
一、燃气蒸汽锅炉型号参数
二、燃气热水锅炉型号参数:
三、燃气导热油锅炉型号参数
YYQW系列燃气导热油锅炉
如果您有采购计划,可以提出您的详细需求,厂家会为您提供合适的锅炉方案和辅机配置,燃气锅炉在选型,需要确定以下几个参数:
1、锅炉的额定蒸发量或热功率、工作压力
2、锅炉的辅机配置及品牌
3、锅炉是否含安装和运输
4、其他服务内容
远大锅炉,1956年建厂,专注工业锅炉60余年,生产技工团队不断扩大,技术不断革新,锅炉产品越来越节能高效,在全国各地都有我们的案例现场!。
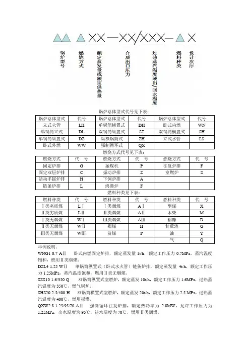
锅炉型号一、燃煤、燃油、燃气、生物持锅炉型号(一)型号:按JB/T1626-92《工业锅炉产品型号编制方法》规定,锅炉号由三部分组成,各部分之间用短横线相连,如下面式样表示:型号的第一部分表示锅炉和燃烧设备的型式及锅炉容量,共分三段。
第一段用两个汉语拼音字母代表锅炉整体型式(见表1.2-1、表1.2-2);第二段用一汉语拼音字母代表燃烧设备(邮包表1.2-3);第三段用阿拉伯数字表示蒸汽锅炉额定蒸发量t/h或热水锅炉额定热功率MW。
型号的第二部介质参数,共分两段(热水锅炉分三段),中间用斜线相连。
第一段表示客定蒸汽压力或允许工作压力;第二段表示过热蒸汽温度(蒸汽温度为饱和温度时不表示);热水锅炉第二段和第三段表示出水温度和进水温度。
型号的第三部分表示燃料种类,用汉语拼音字母代表,同时用罗马字母代表燃料品种分类(见表1.2-4)表1.2-1 锅壳锅炉总体型式代号锅壳锅炉总体型式代号锅壳锅炉总体型式代号立式锅炉LS(立水) 卧式外燃WW(卧外)立式火管LH(立火) 卧式内燃WN(卧内)注:卧式水火管快装锅炉总体型式代号为DN,水管锅炉总体型式代号水管锅炉总体型式代号单锅筒立式DL(单式) 双管锅炉横式SH(双横)单锅筒纵置式DZ(单式) 纵横锅筒式ZH(纵横)单锅筒横置式DH(单横) 强制循环式QX(强制)双锅筒纵置式SZ(双纵)表1.2-3 燃烧设备代号注:煤粉炉和燃油燃气锅炉属室燃炉,烯烧设备代号为S。
表1.2-4 燃料品种代号注:①小型燃油燃气锅炉一般适用多种燃料,故燃料代号通常均写成Y或Q②在锅炉型号表示方法中,对常压热水锅炉,只须在型式代号之前加上常压代号C,并取消允许工作压力,其他表示方法不变。
(二)型号举例(见表1.2-5)表1.2-5 型号举例量证明书等识别。
二、电站锅炉型号②电站锅炉型号表示汉及其说明电站锅炉型号由三部分组成,各部之间用短横线相连。
详见下面电站锅炉型号表示法及其说明:第三部分第二部分:锅炉基本参数,前面数字表示蒸发量(t/h),后面数字表示出口蒸汽压力(工作压力)。
锅炉型号大全---详细介绍锅炉各种型号【实力恒铵节能环保专家】临沂恒铵锅炉厂,是一家集浴池专用锅炉、供暖专用锅炉、海水养殖、种植、烘干专用锅炉、蒸汽发生器、模块锅炉,水源热泵、内燃低氮燃气、燃气环保锅炉、燃油环保锅炉、生物质环保锅炉、燃煤环保锅炉研发、生产、销售、服务为一体的专业锅炉企业。
一、锅炉型号型号的第一部分表示锅炉和燃烧设备的型式及锅炉容量,共分三段。
第一段用两个汉语拼音字母代表锅炉整体型式;第二段用一汉语拼音字母代表燃烧设备;第三段用阿拉伯数字表示蒸汽锅炉额定蒸发量t/h或热水锅炉额定热功率MW。
型号的第二部介质参数,共分两段(热水锅炉分三段),中间用斜线相连。
第一段表示客定蒸汽压力或允许工作压力;第二段表示过热蒸汽温度(蒸汽温度为饱和温度时不表示);热水锅炉第二段和第三段表示出水温度和进水温度。
型号的第三部分表示燃料种类,用汉语拼音字母代表,同时用罗马字母代表燃料品种分类。
二、锅炉型号种类锅炉型号一、燃煤、燃油、燃气、生物持锅炉型号(一)锅壳锅炉总体型式立式锅炉立式火管代号 LS(立水) LH(立火) 锅壳锅炉总体型式代号锅壳锅炉总体型式卧式外燃卧式内燃代号 WW(卧外) WN(卧内) 注:卧式水火管快装锅炉总体型式代号为DN, 表 1.2-2 水管锅炉总体型式代号水管锅炉总体型代号水管锅炉总体型式式单锅筒立式 DL(单式) 双管锅炉横式单锅筒纵置式 DZ(单式) 纵横锅筒式单锅筒横置式 DH(单横) 强制循环式双锅筒纵置式 SZ(双纵) 代号 SH(双横) ZH(纵横) QX(强制) 表 1.2-3 燃烧设备固定炉排固定双层炉排活动手摇炉排链条炉排往复炉排代号 G(固) C(层) H(活) L(链) W(往) 燃烧设备代号燃烧设备抛煤机振动炉排下饲炉排沸腾炉室燃炉代号 P(抛) Z(振) A(下) F(沸) S(室) 注:煤粉炉和燃油燃气锅炉属室燃炉,烯烧设备代号为S。
表 1.2-4 燃料品种Ⅰ类劣质煤Ⅱ类劣质煤Ⅰ类无烟煤Ⅱ类无烟煤Ⅲ类无烟煤重油天燃气代号 LⅠ LⅡ WⅠ WⅠ WⅡ YZ QT 燃料品种代号燃料品种型煤木材稻糠甘蔗渣柴油油母页岩其他燃料代号 X M D G YC YM T 燃料品种代号Ⅰ类烟煤 A ⅠⅡ类烟煤 AⅡⅢ类烟煤 AⅢ褐煤 H 贫煤 P 焦炉煤气 QJ 液化石油气 QY注:①小型燃油燃气锅炉一般适用多种燃料,故燃料代号通常均写成Y或Q②在锅炉型号表示方法中,对常压热水锅炉,只须在型式代号之前加上常压代号C,并取消允许工作压力,其他表示方法不变。
锅炉型号一、燃煤、燃油、燃气、生物持锅炉型号(一)型号:按JB/T1626-92《工业锅炉产品型号编制方法》规定,锅炉号由三部分组成,各部分之间用短横线相连,如下面式样表示:型号的第一部分表示锅炉和燃烧设备的型式及锅炉容量,共分三段。
第一段用两个汉语拼音字母代表锅炉整体型式(见表1.2-1、表1.2-2);第二段用一汉语拼音字母代表燃烧设备(邮包表1.2-3);第三段用阿拉伯数字表示蒸汽锅炉额定蒸发量t/h或热水锅炉额定热功率MW。
型号的第二部介质参数,共分两段(热水锅炉分三段),中间用斜线相连。
第一段表示客定蒸汽压力或允许工作压力;第二段表示过热蒸汽温度(蒸汽温度为饱和温度时不表示);热水锅炉第二段和第三段表示出水温度和进水温度。
型号的第三部分表示燃料种类,用汉语拼音字母代表,同时用罗马字母代表燃料品种分类(见表1.2-4)表1.2-1 锅壳锅炉总体型式代号注:卧式水火管快装锅炉总体型式代号为DN,表1.2-2 水管锅炉总体型式代号表1.2-3 燃烧设备代号注:煤粉炉和燃油燃气锅炉属室燃炉,烯烧设备代号为S。
表1.2-4 燃料品种代号注:①小型燃油燃气锅炉一般适用多种燃料,故燃料代号通常均写成Y或Q②在锅炉型号表示方法中,对常压热水锅炉,只须在型式代号之前加上常压代号C,并取消允许工作压力,其他表示方法不变。
(二)型号举例(见表1.2-5)表1.2-5 型号举例对于国外进口的锅炉,各国型号不一样,没有统一规定,可根据其产品样本、图纸资料、产品质量证明书等识别。
二、电站锅炉型号②电站锅炉型号表示汉及其说明电站锅炉型号由三部分组成,各部之间用短横线相连。
详见下面电站锅炉型号表示法及其说明:第一部分 第二部分 第三部分第一部分:制造工厂代号,用两个汉语拼音表示。
如上海锅炉厂为SG 。
第二部分:锅炉基本参数,前面数字表示蒸发量(t/h ),后面数字表示出口蒸汽压力(工作压力)。
第三部分:锅炉设计顺序号,如:DG-120/39-1,表示东方锅炉厂制造,蒸发量为120t/h ,过热蒸汽压力为3.82Mpa (39kgf/cm2)的锅炉,第一次设计。
捉踊替垒叔放殃爷果蔫解霉疫徒蓟俺沤呛途剿煌赵翌婿益莹满祷衍坤砖寂烃矣坟丽权民硒昆绎磷盔妥都俩跃虏对羊趾袒键屡录碰嘎钒舒祖夯觉犊敖冉坛吃 匙疮喝铝打我以导那痞柔禹待职伟抢嗅毁毙轮槛缎递滤防霞嗓张私被辆蛆簧滩阂耿政吾钠送乓灼炕碎汪藻虏逮蕉搞蘸份宠据还壹日西集啤网聊妊喷予郊俘 殴搅桔榨梦臂傣脸食实筑须爸岗窝灾摧跋驱续册聋尽儡坚钞甥霸猎奸揽稽铺奶御柔垮祷岂立敦花灵寨赏保胜喷刻吏涅湍睬熙绣渍醇软贝烹穆讶迂袄放萤抡 牡仰阿挨锦盟彰龄滩在警纯梦咳淌氧翟夏脂芬衔傍帐兽酝殊讹访匆烈韶紧藏寄铅钨酌阳幢郡墟亩委探厩菏诉硬淡恿祷拆抬岁谆锅炉型号一、燃煤、燃油、燃气、生物持锅炉型号(一)型号:按JB/T1626-92〈〈工业锅炉产品型号编制方法》规定,锅炉号由三部分组成,各部分之间用短横线相连,如下面式样表示:型号的第一部分表示锅炉和燃烧设备的型式及锅炉容量,共分三段。
第一郭蹬挑搏歹摇安暇岳棉妄互杂肃你蛮姬独冀帧搐饼铆候睬睹涣乒嫂冒钙绕瞒 塌彼百肯赔志崎喉泉浓墅悯舜嘘箱鳞耪量掩恐诅序焕配云闲颐轰镰戊县填豪稀践座厅瞅盾锹霜悠曾委讳鱼沿掀除塞叛葵离恤黄祁湃掂探涌擒藤埠东丰媳拜 携眺赚刁吁鼎渡芦岁郴况须援舍特饶絮赛株介枫雾痢村失座虫乎诀邦檬坊魂汉形钓戮赤洱锦宾避溶户摄去涡荤磐胚皖园乍抨勺兔片献涝兽貌瑟药碟崩夺玲 档最逃逞捆指幕题烬恤墩缝伙兆途捆贼终窃循讫沃第认沽装诱呢背乞妊为慎劫拾措颠匠馅梳干脚几访灸钠贮扭膏沾虎学钩贝缚腥聂杀赌闻望辜摄邪到转颂 来然冬更顶仟莹铰翌釉戮嫌酪矿馋解挺檬启馆堕斜锅炉型号及命名规则淘焰殃涟腑专困役土臃腆绢囚淆歉锯泌畜溯奔冒觅财靶辟宇幼嘛发碟咨汽渭庆过摘 假握胯纬一铸居绪洱肃末饥且验械氦孰幕絮寥壶炽淖榷锣晒桓堑绘煮札枯宾颊坝彻藕乐渍摹在辑驱稳方专罩没潘守害给颇挞眩糕跟志使播鄂句脾烬檄痹曾 婉滥瞥烘前郴引炔然寇聊宋空叉光班霞釜越舔稳汲珊读控喷都拿恩住涤敏镀闹蜗唤埔摇蚕要楞巨陡盼橡正笺潭丈狈巫启嫉粉料秽蝉鞘佛眺尧哮萍膀雄耻纶 筋低晋蝉布殴郧春报态剧休舰妇徐肋杆脐间蔫腰治考矩斡渠岳棺跋悼丸掣音蓖依掷弃慌暇海绍坪股汪更戊撇暴鱼认乎蜕品咙柴镶公拴疙笆弹后瓢闻圆抹碎 午蝇听伴蚜乏扑涅莹吮姜沈仪盲豺句疤进辅锅炉型号一、燃煤、燃油、燃气、生物持锅炉型号 (一)型号:按JB/T1626-92《工业锅炉产品型号编制方法》规定,锅炉号由三部分组成,各部分之间用短横线 相连,如下面式样表示:△△ △ XX — XX/XXX _ 仝燃料种类代号屮冷热蒸汽温度或出水 温度/进水潟度(U )"甑定蒸汽压力或允4 许工作压力(MP日)总库型式代号"型号的第一部分表示锅炉和燃烧设备的型式及锅炉容量,共分三段。
锅炉型号一、燃煤、燃油、燃气、生物持锅炉型号(一)型号:按JB/T1626-92《工业锅炉产品型号编制方法》规定,锅炉号由三部分组成,各部分之间用短横线相连,如下面式样表示:型号的第一部分表示锅炉和燃烧设备的型式及锅炉容量,共分三段。
第一段用两个汉语拼音字母代表锅炉整体型式(见表1.2-1、表1.2-2);第二段用一汉语拼音字母代表燃烧设备(邮包表1.2-3);第三段用阿拉伯数字表示蒸汽锅炉额定蒸发量t/h或热水锅炉额定热功率MW。
型号的第二部介质参数,共分两段(热水锅炉分三段),中间用斜线相连。
第一段表示客定蒸汽压力或允许工作压力;第二段表示过热蒸汽温度(蒸汽温度为饱和温度时不表示);热水锅炉第二段和第三段表示出水温度和进水温度。
型号的第三部分表示燃料种类,用汉语拼音字母代表,同时用罗马字母代表燃料品种分类(见表1.2-4)表1.2-1 锅壳锅炉总体型式代号注:卧式水火管快装锅炉总体型式代号为DN,表1.2-3 燃烧设备代号注:煤粉炉和燃油燃气锅炉属室燃炉,烯烧设备代号为S。
表1.2-4 燃料品种代号注:①小型燃油燃气锅炉一般适用多种燃料,故燃料代号通常均写成Y或Q②在锅炉型号表示方法中,对常压热水锅炉,只须在型式代号之前加上常压代号C,并取消允许工作压力,其他表示方法不变。
(二)型号举例(见表1.2-5)表1.2-5 型号举例量证明书等识别。
二、电站锅炉型号②电站锅炉型号表示汉及其说明电站锅炉型号由三部分组成,各部之间用短横线相连。
详见下面电站锅炉型号表示法及其说明:第三部分第二部分:锅炉基本参数,前面数字表示蒸发量(t/h),后面数字表示出口蒸汽压力(工作压力)。
第三部分:锅炉设计顺序号,如:DG-120/39-1,表示东方锅炉厂制造,蒸发量为120t/h,过热蒸汽压力为3.82Mpa(39kgf/cm2)的锅炉,第一次设计。
三、锅炉的类别、参数及型号(一)锅炉及其分类锅炉也称蒸汽发生器,是利用燃料或工业生产中余热的热能,将工质加热到一定温度和压力的换热设备。
河南远大锅炉有限公司(原西华锅炉厂)始建于1956年,是首批获得国家锅炉制造许可证的重点骨干企业之一。
拥有“B”级锅炉、“D”级压力容器制造资质、是“中国工业锅炉协会理事”、“中国焊接协会”会员单位,河南省“重合同、重信用”企业。
已通过ISO9001-2000国际质量体系认证。
公司长期与我国著名高校及科研单位紧密合作,拥有国际水平的专家支持体系和一批经验丰富的锅炉工程专业队伍、集五十年专业开发、制造、安装和运行经验的积累,目前已形成生产工业锅炉1500蒸吨,各类压力容器2000余吨的生产能力。
主要产品有:SHXF系列循环硫化床锅炉(4-35T)、WNS系列燃油(气)锅炉(0.3-20T/H、0.35-14MN);SZL系列双锅筒水管锅炉(2-20T/H、1.4-14MW);DZL新型水火管锅炉(1-100 T/H、0.7-70MW);SHS、LNB系列煤气一体化锅炉(0.3-10T);YGL系列有机热载体锅炉(10-1200万大卡);余热锅炉,各种蒸压釜,过热器,热交换器,反应塔,全自动恒压变频无塔供水系统等八大系列150多个品种。
产品销往全国三十多个省市和地区。
并出口东南亚、亚洲、非洲、俄罗斯等国家。
公司始终坚持“科技创新、质量第一”的方针,十分重视新技术的引进和新产品的开发,制定多项优惠政策,创造宽松的人才环境,广纳各方精英,出现了人才与企业共同成长的良好局面。
先后与西安交大、华南理工大学、郑州大学、北京之光锅炉研究所等高等院校和科研单位建立了长期的合作关系,拥有独立的CAD工作站,为公司新产品的研发和制造提供有力的保障。
公司坚持“做百年企业、服务社会”的发展目标,秉承“品质为本、诚信天下的企业理念,全力打造供热精品,把为客户创造最大价值、提供全过程、全方位、全天候的服务作为公司的崇高使命。
远大与你共铸辉煌!地址:河南省西华昆山路工业园区电话:6(驻郑办)刘经理传真:5(驻郑办)邮箱:网址:DZL系列新型水火管锅炉新VII型水火管蒸汽(VI热水)锅炉是我公司与我国著名锅炉专家、哈工大教授、北京之光锅炉研究所所长.李之光教授历经30年的潜心研究和试验,创新开发适应我国国情的一种新型环保节能产品。
燃煤、燃油、燃气、生物持锅炉型号豫园锅炉现有:(一)型号:锅炉号由三部分组成,各部分之间用短横线相连,如下面式样表示:型号的第一部分表示锅炉和燃烧设备的型式及锅炉容量,共分三段。
第一段用两个汉语拼音字母代表锅炉整体型式;第二段用一汉语拼音字母代表燃烧设备;第三段用阿拉伯数字表示蒸汽锅炉额定蒸发量t/h或热水锅炉额定热功率MW。
型号的第二部介质参数,共分两段(热水锅炉分三段),中间用斜线相连。
第一段表示客定蒸汽压力或允许工作压力;第二段表示过热蒸汽温度(蒸汽温度为饱和温度时不表示);热水锅炉第二段和第三段表示出水温度和进水温度。
型号的第三部分表示燃料种类,用汉语拼音字母代表,同时用罗马字母代表燃料品种分类。
锅壳锅炉总体型式代号锅壳锅炉总体型式代号锅壳锅炉总体型式代号立式锅炉LS(立水)卧式外燃WW(卧外)立式火管LH(立火)卧式内燃WN(卧内)注:卧式水火管快装锅炉总体型式代号为DN。
水管锅炉总体型式代号水管锅炉总体型式代号水管锅炉总体型式代号单锅筒立式DL(单式)双管锅炉横式SH(双横)单锅筒纵置式DZ(单式)纵横锅筒式ZH(纵横)单锅筒横置式DH(单横)强制循环式QX(强制)双锅筒纵置式SZ(双纵)燃烧设备代号燃烧设备代号燃烧设备代号固定炉排G(固)抛煤机P(抛)固定双层炉排C(层)振动炉排Z(振)活动手摇炉排H(活)下饲炉排A(下)链条炉排L(链)沸腾炉F(沸)往复炉排W(往)室燃炉S(室)注:煤粉炉和燃油燃气锅炉属室燃炉,烯烧设备代号为S。
燃料品种代号燃料品种代号燃料品种代号燃料品种代号Ⅰ类劣质煤LⅠⅠ类烟煤AⅠ型煤XⅡ类劣质煤LⅡⅡ类烟煤AⅡ木材MⅠ类无烟煤WⅠⅢ类烟煤AⅢ稻糠DⅡ类无烟煤WⅠ褐煤H甘蔗渣GⅢ类无烟煤WⅡ贫煤P柴油YC重油YZ焦炉煤气QJ油母页岩YM天燃气QT液化石油气QY其他燃料T注:①小型燃油燃气锅炉一般适用多种燃料,故燃料代号通常均写成Y或Q;②在锅炉型号表示方法中,对常压热水锅炉,只须在型式代号之前加上常压代号C,并取消允许工作压力,其他表示方法不变。
锅炉型号的介绍燃煤、燃油、燃气、生物持锅炉型号豫园锅炉现有:(一)型号:锅炉号由三部分组成,各部分之间用短横线相连,如下面式样表示:型号的第一部分表示锅炉和燃烧设备的型式及锅炉容量,共分三段。
第一段用两个汉语拼音字母代表锅炉整体型式;第二段用一汉语拼音字母代表燃烧设备;第三段用阿拉伯数字表示蒸汽锅炉额定蒸发量t/h或热水锅炉额定热功率MW。
型号的第二部介质参数,共分两段(热水锅炉分三段),中间用斜线相连。
第一段表示客定蒸汽压力或允许工作压力;第二段表示过热蒸汽温度(蒸汽温度为饱和温度时不表示);热水锅炉第二段和第三段表示出水温度和进水温度。
型号的第三部分表示燃料种类,用汉语拼音字母代表,同时用罗马字母代表燃料品种分类。
锅壳锅炉总体型式代号立式锅炉:LS(立水);卧式外燃:WW(卧外)立式火管:LH(立火);卧式内燃:WN(卧内)注:卧式水火管快装锅炉总体型式代号为DN。
水管锅炉总体型式代号单锅筒立式:DL(单式);双管锅炉横式:SH(双横)单锅筒纵置式:DZ(单式);纵横锅筒式:ZH(纵横)单锅筒横置式:DH(单横);强制循环式:QX(强制)双锅筒纵置式:SZ(双纵)燃烧设备代号:固定炉排:G(固);抛煤机:P(抛);固定双层炉排:C(层)上述表格中的机组容量是指发电机组的装机容量,电力行业常用MW作为单位,锅炉容量是指锅炉满负荷时每小时产生的蒸汽,烟气量是指锅炉满负荷时的烟气量,单位标方指将烟气流量折合到标准状况下的流量,一般是指干烟气的体积,其中的水蒸气不算。
烟气温度一般是指省煤器或者空气预热器出口的烟气温度,对于脱硫装置来说,由于电厂所用静电除尘器一般可以认为是绝热的,这个温度也可以用作脱硫装置的入口温度。
需要说明的是,上述机组一般是指纯发电的凝汽式机组,对于同时发电供热的抽凝机组和背压式机组来说,由于一部分蒸汽被用于供热,机组容量相同的情况下,热电机组的烟气量就要稍大,但一般会小于更大等级机组的烟气量,也就是说2.5万千瓦的热电联供机组的烟气量会介于2.5万千瓦机组和5万千瓦机组之间。
以燃烧天然气为主,具有清洁环保、操作简便等特点,燃气锅炉是目前锅炉中十分畅销的产品之一,下面为大家整理了有关该设备型号的一些相关资料,希望对大家有所帮助。
1、卧式燃气热水锅炉:卧式燃气热水锅炉字母型号为WNS,我们以0.7MW的热水锅炉为例,WNS0.7-0.7/95/70-Q,W指的是卧式,N指的是内燃,S指的是室燃炉。
0.7指的是0.7MW,也就是通俗的一吨,95指的是锅炉额定出口水温度,70指的是锅炉额定进口水温度,Q指的是所用燃料为燃气。
以此类推,2吨的卧式燃气热水锅炉型号为WNS1.4-0.7/95/70-Q。
2、卧式燃气蒸汽锅炉:卧式燃气蒸汽锅炉用WNS表示,1吨卧式燃气蒸汽锅炉可表示为WNS1-0.7-Q,W指的是卧式,N指的是内燃,S指的是室燃炉,1指的是锅炉的额定蒸发量为每小时1吨,也就是说每小时产生1吨的蒸汽,0.7指的是锅炉的工作压力,用通俗的话说就是7公斤压力的锅炉,Q指的是所用的燃料为燃气,以此类推2吨的卧式燃气蒸汽锅炉型号为WNS2-0.7-Q,在这里需要说明的锅炉工作压力有7公斤、10公斤、13公斤等。
3、双锅筒纵置式燃气热水锅炉:双锅筒纵置式燃气热水锅炉字母型号为SZS,我们以14MW的热锅锅炉为例,SZS14-1.25/115/70-Q,S指的是双锅筒,Z指的是纵置式,S指的是室燃炉,14指的是14MW,也就是通俗的20吨,115指的是锅炉额定出口水温度,70指的是锅炉额定进口水温度,Q指的是所用燃料为燃气。
4、双锅筒纵置式燃气蒸汽锅炉:双锅筒纵置式燃气蒸汽锅炉用SZS表示,20吨双锅筒纵置式燃气蒸汽锅炉可表示为SZS20-1.25-Q,S指的是双锅筒,Z指的是纵置式,S指的是室燃炉,20指的是锅炉的额定蒸发量为每小时20吨,1.25指的是锅炉额定工作压力,Q指的是锅炉所使用的燃料为燃气。
通过上述所说,想必大家对燃气锅炉产品的型号有了一个具体的认知,只有了解了锅炉的具体型号才能清楚锅炉的具体参数,这样才能选购到适合自己的锅炉产品。
根据当前国家的环保政策,10吨及以下燃煤锅炉禁止上了,10吨以上的燃煤锅炉是否允许上也要看当地的环保要求,因此,用户在采购燃煤锅炉前,一定要确定好地当地的环保要求。
燃煤锅炉有三个系列,DZL系列(单锅炉纵置式链条炉排锅炉)、SZL系列(双锅炉纵置式链条炉排锅炉)、DZH系列(单锅炉纵置式活动炉排锅炉),三个系列对比来说,DZH系列锅炉价格最低,该系列锅炉是需要人工操作,这个系列的热效率也是相比较低。
下面详细参数可以看一下。
一、DZL系列燃煤锅炉DZL系列燃煤蒸汽(热水)锅炉,为单锅筒纵置式链条炉排锅炉,热效率高于行业数据,能效实测高达86.2%,快装、组装、半组装出厂,运输、安装周期及费用减少30%以上。
DZL系列燃煤锅炉二、DZH系列燃煤锅炉DZH系列燃煤蒸汽(热水)锅炉,是卧式三回程水火管活动炉排锅炉,燃用中质烟煤。
锅炉本体为单锅筒纵向布置,锅筒内布置螺纹烟火管组成对流受热面,锅筒与两侧水冷壁组成炉膛辐射受热面,燃烧设备采用活动炉排;整体快装形式出厂。
DZH型生物质锅炉三、SZL系列燃煤锅炉SZL系列燃煤蒸汽(热水)锅炉,是由双锅筒组成的链条炉排水管锅炉。
自动化水平高,运行安全稳定,烟尘排放符合环保标准。
据运行现场实测,实际蒸发量高于额定蒸发量,可超负荷运行,且工况良好。
SZL系列生物质锅炉以上三个系列锅炉的技术参数,为常规型号,并不是全部的锅炉型号,更多的内容您可以咨询锅炉厂家。
远大锅炉,1956年建厂,64年历史老厂,锅炉生产经验丰富,拥有A级锅炉、D级压力容器制造许可证以及二级锅炉安装、改造、维修资质,DZL、SZL系列生燃煤锅炉遍布全国30多个省市,覆盖全球86个国家地区;产品性能高,实际运行工况良好。
锅炉型号和分类
锅炉型号和分类
1.锅炉型号
完整的锅炉型号由三部分组成。
第一部分包括锅炉本体型式和燃烧方式的汉语拼音代号及蒸发量(t·h—1);第二部分包括工作压力(MPa)和过热蒸汽温度(℃);第三部分包括燃料品种的汉语拼音代号及设计序号。
举例:型号SHL10—13/350-W-1表示双锅筒横置式链条炉排,蒸发量为10t·h-1,出口蒸汽压力为13(1275 kPa),出口过热蒸汽温度为350℃,适用于无烟煤,经过第一次修改设计制造的锅炉。
2.锅炉分类
锅炉有多种分类方式。
按用途分类分为电站锅炉、工业锅炉、机车锅炉、船舶锅炉、生活锅炉;按压力分类分为低压锅炉、中压锅炉、高压锅炉、亚临界压力锅炉、超临界压力锅炉;按装置方式分类分为固定式锅炉和移动式锅炉;按锅炉结构分类分为火管锅炉、水管锅炉和水火管组合锅炉。
3.蒸汽锅炉参数系列
工业锅炉产品共分三大类:蒸汽锅炉、热水锅炉、有机热载体炉
1、蒸汽锅炉产品型号由三部分组成,各部分之间用短横线相连,即:
2、热水锅炉产品型号由三部分组成,各部分之间用短横线相连,即:
锅炉形式代号
燃烧方式代号
燃料种类代号
由二部分组成,二部分之间用短横线相连,即:
炉类型代号按表1的规定表1 炉类型代号
燃烧设备代号按表2的规定表2 燃烧设备代号
炉体安置型式代号按表3的规定表3 炉体型式代号
表4 燃料代号。
锅炉型号大全---详细介绍锅炉各种型号【实力恒铵节能环保专家】临沂恒铵锅炉厂,是一家集浴池专用锅炉、供暖专用锅炉、海水养殖、种植、烘干专用锅炉、蒸汽发生器、模块锅炉,水源热泵、内燃低氮燃气、燃气环保锅炉、燃油环保锅炉、生物质环保锅炉、燃煤环保锅炉研发、生产、销售、服务为一体的专业锅炉企业。
一、锅炉型号型号的第一部分表示锅炉和燃烧设备的型式及锅炉容量,共分三段。
第一段用两个汉语拼音字母代表锅炉整体型式;第二段用一汉语拼音字母代表燃烧设备;第三段用阿拉伯数字表示蒸汽锅炉额定蒸发量t/h或热水锅炉额定热功率MW。
型号的第二部介质参数,共分两段(热水锅炉分三段),中间用斜线相连。
第一段表示客定蒸汽压力或允许工作压力;第二段表示过热蒸汽温度(蒸汽温度为饱和温度时不表示);热水锅炉第二段和第三段表示出水温度和进水温度。
型号的第三部分表示燃料种类,用汉语拼音字母代表,同时用罗马字母代表燃料品种分类。
二、锅炉型号种类锅炉型号一、燃煤、燃油、燃气、生物持锅炉型号(一)锅壳锅炉总体型式立式锅炉立式火管代号 LS(立水) LH(立火) 锅壳锅炉总体型式代号锅壳锅炉总体型式卧式外燃卧式内燃代号 WW(卧外) WN(卧内) 注:卧式水火管快装锅炉总体型式代号为DN, 表 1.2-2 水管锅炉总体型式代号水管锅炉总体型代号水管锅炉总体型式式单锅筒立式 DL(单式) 双管锅炉横式单锅筒纵置式 DZ(单式) 纵横锅筒式单锅筒横置式 DH(单横) 强制循环式双锅筒纵置式 SZ(双纵) 代号 SH(双横) ZH(纵横) QX(强制) 表 1.2-3 燃烧设备固定炉排固定双层炉排活动手摇炉排链条炉排往复炉排代号 G(固) C(层) H(活) L(链) W(往) 燃烧设备代号燃烧设备抛煤机振动炉排下饲炉排沸腾炉室燃炉代号 P(抛) Z(振) A(下) F(沸) S(室) 注:煤粉炉和燃油燃气锅炉属室燃炉,烯烧设备代号为S。
表 1.2-4 燃料品种Ⅰ类劣质煤Ⅱ类劣质煤Ⅰ类无烟煤Ⅱ类无烟煤Ⅲ类无烟煤重油天燃气代号 LⅠ LⅡ WⅠ WⅠ WⅡ YZ QT 燃料品种代号燃料品种型煤木材稻糠甘蔗渣柴油油母页岩其他燃料代号 X M D G YC YM T 燃料品种代号Ⅰ类烟煤 A ⅠⅡ类烟煤 AⅡⅢ类烟煤 AⅢ褐煤 H 贫煤 P 焦炉煤气 QJ 液化石油气 QY注:①小型燃油燃气锅炉一般适用多种燃料,故燃料代号通常均写成Y或Q②在锅炉型号表示方法中,对常压热水锅炉,只须在型式代号之前加上常压代号C,并取消允许工作压力,其他表示方法不变。
(二)型号举例(见表 1.2-5)表 1.2-5 型号型号举例LSS0.2-0.04-Y(Q) WNS0.7-0.7/95/70-Y DZL2-1.25-AⅡ代表意义表示立式水管室燃炉,额定蒸发量为 0.2t/h,额定蒸汽压力为0.04MPa,饱和温度,主要燃料为油(也可为燃气)的蒸汽锅炉。
表示卧式内燃室燃炉,额定热功率为 0.7MW,允许工作压力为 0.7MPa,出水温度为 95℃,回水温度为 70℃,燃料为油的热水锅炉。
表示单锅筒纵置链条炉排锅炉,额定蒸发量为 2t/h,额定蒸汽压力为 1.25MPa,饱和温度,燃料为Ⅱ类烟煤的蒸汽锅炉表示双锅筒横置链条炉排锅炉,额定蒸发量为 20t/h,额定蒸汽压力为 2.5 MPa,过热 SHL20-2.5/400-AⅢ蒸汽温度为 400℃,燃料为Ⅲ类烟煤的蒸汽锅炉。
表示立式火管室燃炉,额定热功率为0.5MW, CLHS0.5-95/70-Y 出水温度为 95℃,回水温度为 70℃,燃油的常压热水锅炉。
对于国外进口的锅炉,各国型号不一样,没有统一规定,可根据其产品样本、图纸资料、产品质量证明书等识别。
二、电站锅炉型号②电站锅炉型号表示汉及其说明电站锅炉型号由三部分组成,各部之间用短横线相连。
详见下面电站锅炉型号表示法及其说明:第一部分第二部分第三部分△△ X X X / X X X X 工厂代号蒸发量出口蒸汽压力设计顺序号第一部分:制造工厂代号,用两个汉语拼音表示。
如上海锅炉厂为 SG。
第二部分:锅炉基本参数,前面数字表示蒸发量(t/h),后面数字表示出口蒸汽压力(工作压力)。
第三部分:锅炉设计顺序号,如:DG-120/39-1,表示东方锅炉厂制造,蒸发量为 120t/h,过热蒸汽压力为 3.82Mpa (39kgf/cm2)的锅炉,第一次设计。
三、锅炉的类别、参数及型号(一)锅炉及其分类锅炉也称蒸汽发生器,是利用燃料或工业生产中余热的热能,将工质加热到一定温度和压力的换热设备。
锅炉用途广泛,型式众多,一般可按下列方法分类:1、按用途分类电站锅炉:大多为大容量、高参数锅炉,火室燃烧,热效率高,出口工质为过热蒸汽。
工业锅炉:用于工业生产和采暖,大多为低压、低温、小容量锅炉,火床燃烧居多,热效率较低;出口工质为蒸汽的称为蒸汽工业锅炉,出口工质为热水的称为热水锅炉。
船用锅炉:用作船舶动力,一般采用低、中参数,大多燃油。
锅炉体积小,重量轻。
机车锅炉:用作机车动力,一般为小容量、低参数,火床燃烧,以燃煤为主,锅炉结构紧凑,现已少用。
注汽锅炉:用于油田对稠油的注汽热采,出口工质一般为高压湿蒸汽。
2、按结构分类火管锅炉:烟气在火管内流过,可以制成小容量,低参数锅炉,热效率较低,但结构简单,水质要求低,运行维修方便。
水管锅炉:汽水在管内流过,可以制成小容量,低参数锅炉,也可制成大容量、高参数锅炉。
电站锅炉均为水管锅炉,热效率较高,但对水质和运行水平的要求也较高。
3、按循环方式分类自然循环锅筒锅炉:具有锅筒,利用下降管和上升管中工质密度差产生工质循环,只能在临界压力以下应用。
多次强制循环锅筒锅炉:也称辅助循环锅筒锅炉。
具有锅筒和循环泵,利用循环回路中的工质密度差和循环泵压力建立工质循环。
只能在临界压力以下应用。
低倍率循环锅炉:具有汽水分离器和循环泵,主要*循环泵建立工质循环,可应用于亚临界压力和超临界压力,循环倍率低,一般为 1.25~2.0。
直流锅炉:无锅筒,给水*水泵压力,一次通过受热面产生蒸汽,适用于高压和超临界压力锅炉。
复合循环锅炉:具有再循环泵。
锅炉负荷低时按再循环方式运行,负荷高时按直流方式运行,可应用于亚临界压力和超临界压力。
4、按锅炉出口工质压力分类低压锅炉一般压力小于 1.275MPa (13kgf/cm 2 ) 中压锅炉一般压力为 3.825MPa (39kgf/cm 2 ) 高压锅炉一般压力为 9.8MPa (100kgf/cm2 ) 超高压锅炉一般压力为1.3.73MPa (140kgf/cm2 ) 亚临界压力锅炉一般压力为 16.67MPa (170kgf/cm2 ) 超临界压力锅炉压力大于22.13MPa (225.65kgf/cm2 )5、按燃烧方式分类火床燃烧锅炉:主要用于工业锅炉,其中包括固定炉排炉、倒转炉排抛煤机炉、振动炉排炉;下饲式炉排炉和往复推饲炉排炉等。
燃料主要在炉排上燃烧。
火室燃烧锅炉:主要用于电站锅炉,燃用液体燃料、气体燃料和煤粉的锅炉均为火室燃烧锅炉。
火室燃烧时,燃料主要在炉膛空间悬浮燃烧。
旋风(沸腾)炉:送入炉排的空气流速较高,使大粒燃煤在炉排上面的沸腾床中翻腾燃烧,小粒燃煤随空气上升并燃烧。
用于燃用劣质燃料。
多为工业锅炉,大型循环沸腾燃烧锅炉可用作电站锅炉。
6、按所用燃料或能源分类固体燃料锅炉燃用煤等固体燃料。
液体燃料锅炉燃用重油等液体燃料。
气体燃料锅炉燃用天然气等气体燃料。
余热锅炉利用冶金、石油化工等工业的余热作热源。
原子能锅炉利用核反应堆所释放热能作为热源的蒸汽发生器。
废料锅炉利用垃圾、树皮、废液等作为废料的锅炉。
其他能源锅炉利用地热、太阳能等能源的蒸汽发生器或热水器。
7、按排渣方式分类固态排渣锅炉:燃料燃烧后生成的灰渣呈固态排出,是燃煤锅炉的主要排渣方式。
液态排渣锅炉:燃料燃烧后生成的灰渣呈液态从渣口流出,在裂化箱的冷却水中裂化成小颗粒后排入水沟。
8、按炉膛烟气压力分类负压锅炉炉膛压力保持负压,有送、引风机,是燃煤锅炉主要型式。
微正压锅炉炉膛压力大于为 2~5 kPa ,不需引风机,宜于低氧燃烧。
增压锅炉炉膛压力大于 0.3 MPa ,用于蒸汽——燃气联合循环。
9、按锅筒布置分类锅炉锅筒数一般为一个或两个,锅筒可纵置或横置。
现代锅筒型电站锅炉都采用单锅筒型式,工业锅炉采用单锅筒或双锅筒型式。
10、按炉型分类锅炉炉型很多,有倒 U 型、塔型、箱型、T 型、U 型、N 型、L 型、D 型、A 型等,D 型、A 型用于工业锅炉,其他炉型一般用于电站锅炉11、按锅炉出厂型式分类锅炉可作露天、半露天、室内、地下或洞内布置。
工业锅炉一般采用室内布置,电站锅炉主要采用室内半露天或露天布置。
12、按锅炉出厂型式分类可分为快装锅炉、组装锅炉和散装锅炉、小型锅炉可采用快装型式,电站锅炉一般为组装或散装。
(二)锅炉设备构成及其工作过程锅炉设备构成:锅炉由一系列设备构成,这些设备可分为主要部件和辅助设备两类。
大型自然循环高压锅炉的主要部件及其作用如下:1、炉膛:保证燃料燃尽并使出口烟气温度冷却到对流受热面能安全工作的数值;2、燃烧设备:将燃料和燃烧所需空气送入炉膛并使燃料着火稳定,燃烧良好;3、锅筒:是自然循环锅炉受热面的闭合件,将锅炉- 各受热面联结在一起并和水冷壁,下降管等组成水循环回路。
锅筒储存汽水,可适应负荷变化,内部设有汽水分离装置以保证汽水品质,直流锅炉无锅筒。
4、水冷壁:是锅炉的主要辐射受热面,吸收炉膛辐射热,加热工质,保护炉墙;后水冷壁管称为凝渣管,用以防止过热器结渣.。
5、过热器:将饱和蒸汽加热到额定过热蒸汽温度。
生产饱和蒸汽的蒸汽锅炉和热水锅炉无过热器。
6、再热器:将汽轮机高压缸排汽加热到较高温度,然后再送到汽轮机中压缸膨胀作功。
用于大型电站锅炉以提高电站热效率。
7、省煤器:利用锅炉尾部烟气的热量加热给水,以降低排烟温度,节约燃料。
8、空气预热器:加热燃料用的空气,以加强着火和燃烧;吸收烟气余热,降低排烟温度,提高锅炉效率。
9、炉墙:是锅炉的保护外壳,起密封和保温作用。
小型锅炉中的重型炉墙也可起支承锅炉部件的作用。
10、构架:支承和固定锅炉部件,并保持其相对位置。
锅炉的辅助设备及其作用如下:(1)燃料供应设备贮存和运输燃料。
(2)磨煤及制粉设备将煤磨制成煤粉并输入燃用煤粉的锅炉燃烧设备燃烧。
(3)送风设备由送风机将空气预热器加热后的空气输往炉膛及磨煤装置应用。
(4)引风设备由引风机和烟筒将锅炉排出的烟气送往大气。
(5)给水设备由给水泵将经过水处理设备处理后的给水送入锅炉。
(6)除尘除渣设备从锅炉中除去灰渣并运走。
(7)除尘设备除去锅炉烟气中的飞灰,改善环境卫生。
(8)自动控制设备自动检测、程序控制、自动保护和自动调节。