鹿茸质量标准及检验操作规程
- 格式:doc
- 大小:48.00 KB
- 文档页数:3
鹿产品质量标准吉林省地方标准(规范)DB22/810-931、主题内容与适用范围本标准对梅花鹿、马鹿的鹿茸片、鹿角、鹿尾、鹿筋、鹿鞭、鹿胎、干鹿茸血、干鹿血、鹿骨等产品质量做了规定。
本标准适用于生产、加工、销售鹿产品的单位。
2、名词术语2.1鹿产品:鹿产品是指梅花鹿、马鹿的茸、角、尾、筋、鞭、胎、肉、骨、血及茸片等产品。
2.2鹿茸片:鹿茸片是指鹿茸切成的片。
按加工方法和片厚度不同,分为原鹿茸片和薄鹿茸片。
按鹿茸质量和部位不同厚鹿茸片分为嘴片、粉片、根片;薄鹿茸片分为嘴片、二纱片三纱片四纱片。
2.3鹿茸角:鹿茸角是鹿茸生长到后期骨化脱去茸皮后形成的骨质角。
2.4鹿角盘:鹿角盘是鹿茸锯掉后留角柄上骨化脱落物,亦称鹿角帽或珍珠盘。
3、鹿产品标准3.l 鹿茸片3.1.l 鹿茸原片3.1.1.l 鹿厚茸嘴片(蜡片):干品,片厚0.4~l.0毫米,厚度均匀~致;片面整齐,组织致密,呈蜡样光泽;排血片为蜡黄色,带血片色深,血色分布均匀。
3.1.1.2 鹿原茸粉片:干品,片厚小0.4~l..0毫米,厚度均匀~致;片面整齐,组织致密,比蜡片略粗糙,有光泽;排血片为类白色,带血片为暗红色,血色分布均匀。
3.l.l.3 鹿原茸根片:干品,片厚0.8~l.0毫米,厚度均匀一致;片面整齐,组织较疏松、粗糙、呈蜂窝状;排血片为类白色或浅红色,带血片为暗红色,血色分布较均匀。
3.1.2 鹿茸薄片3.l.2.1 鹿茸嘴片:干品,片厚0.3~0.5毫米,厚度均匀一致;片面园而整齐;无空洞,不破碎,有蜡样光亮,半透明;组织致密,皮层与茸组织结合紧密,皮层宽度不超过1.5毫米。
3.1.2.2 鹿茸二纱片:干品、片厚0.06~0.08毫米,厚度均匀一致;片径2~2.5厘米.片面园而整齐;组织致密,质较软而有弹性;纱眼细密,不漏纱;皮层与茸组织结合紧密,皮层宽度不超过1.5毫米。
3.1.2.3 鹿茸三纱片:干品,片厚0.8~1.0毫米,厚度均匀一致;片径2~2.5厘米,片面园而整齐;组织致密,质较软而略有弹性;纱眼明显,不漏纱,不破碎,有光泽;皮层与茸组织结合紧密,皮层宽度不超过1.5毫米。
XXXXXXXXX有限公司
一、目的:建立鹿茸细粉质量标准质量标准,确保所用细粉的质量。
二、范围:本规定适用于鹿茸细粉的质量控制。
三、责任:
四、内容:
1.标准来源
1.1国家食品药品监督管理局国家药品标准WS-11437(ZD-1437)-2002-2011Z
1.2《中国药典》2015年版四部
2.技术要求
鹿茸细粉质量标准版本号:
3.贮存条件:密封,置干燥处。
4.相关标准操作规程:鹿茸药材细粉检验操作规程(SOP-ZL-JG(ZJP)-055)、物料取样标准操作规程(SOP-ZL-QA-001)。
5.企业统一指定的物料名称:鹿茸细粉。
6.内部使用的物料代码:无此项内容。
7.经批准的供应商:无此项内容。
8.包装形式:洁净内袋包装。
9.注意事项:无此项内容。
10.贮存期:12个月。
11.文件附件:共0份。
12.修订及变更历史:。
鹿茸质量的评定都有哪些标准呢?雄鹿的嫩角没有长成硬骨时,带茸毛,含血液,叫做鹿茸。
是一种贵重的中药,用作滋补强壮剂,对虚弱、神经衰弱等有疗效。
随着鹿茸市场需求形势的变化,鹿茸的等级标准在一定程度上也相应的有所变动。
但是,标准中的主要内容并未有改变。
鹿茸的质量评定,其共性的质量要求是:干品(含水量不超过18%)、不臭、无虫蛀,然后按其质量分为不同等级。
(一)梅花鹿三杈排血锯茸(1)一等加工不乌皮,无存折,质地松嫩,嘴头饱满,不拉沟、不破皮(有伤不露茸的除外),有正常分杈和匀称的结构,每支干重在400克以上。
(2)二等与一等茸的区别在于嘴头比较饱满、嘴头处不破皮。
(3)三等嘴头不存折、不破皮(一、二等茸嘴头处破皮按三等茸收购),不怪角,三杈不开嘴茸,每支干重在300克以上。
(4)四等不合乎一、二、三等的皆为四等。
(二)梅花鹿二杠排血锯茸(1)一等加工不乌皮,主干无存折,眉枝存折不超过1处,顶端不拧嘴,锯口有正常蜂窝状细孔,有正常典型的分杈,主干与眉枝相称,圆、粗、嫩、壮,每付干重在200克以上。
(2)二等加工不乌皮,主干无存折,顶端不拧嘴,主干破皮不露茸,有正常的分杈(包棱、奶子除外),每付重150克以上。
(3)三等主干无存折,不拧嘴,杈较瘦,扈口以下有棱文,无门桩的独梃茸,每付茸干重90克以上。
(4)四等不合乎一、二、三等者。
(三)带血锯茸(包括马鹿茸和梅花鹿三杈锯茸)(1)一等肥嫩上冲的三杈茸、马鹿莲花茸,不畸形,不破皮、生干头、存折和瘪头,茸内含血充分、均匀,呈深红色的新干货。
马鹿茸每支茸重1 000克,梅花鹿三杈茸400克以上。
(2)二等较肥嫩梃圆的三杈、肥嫩的马鹿四杈、人字角茸,顶端较丰满,不破皮、生干头、存折和瘪头,茸内含血均匀、充分,呈深红色的新干货。
马鹿茸每支茸重1 000克、梅花鹿三杈茸400克以上。
(3)三等较肥嫩毛粗的三杈、马鹿四杈茸。
不破皮、生干头、存折和瘪头,茸内含血充分,呈深红色的新干货。
优质鹿茸标准吉林省地方标准(规范)DB22/809—931、主题内容与适用范围本标准对梅花鹿、马鹿的优级鹿茸的质量做了规定。
本标准适用于省内生产、经营梅花鹿、马鹿茸的单位。
2、名词术语2.l 三叉梅花鹿茸:三权梅花鹿茸是指梅花鹿鹿茸生长到分生至三支后按收茸规格取收的锯茸和砍茸。
2.2 三叉马鹿茸:三岔马鹿茸是指马鹿鹿茸生长达到分生第三支后按收茸规格收取的锯茸和砍茸。
3、优级鹿茸标准3.l 优级梅花鹿茸3.1.1 优级梅花鹿二杠排血锯茸:干品,含水量≤18%;分支典型,结构均称;粗嫩,无骨化突起,茸头饱满;不臭,不破皮,不拧嘴,不存折;纵剖面上三分之二为类白色,以下略带血红色;每支重不低于100克。
3.1.2 优级梅花鹿二杠带血锯茸:干品,含水量≤18%;分支典型,结构均称;粗嫩,无骨化突起,茸头饱满;不臭,不破皮,不拧嘴,不存折,带血充分,血色分布均匀;纵剖面为暗红色;每支重不低于100克。
3.1.3 优级梅花鹿三权排血锯茸:干品,含水量≤18%;分支典型,结构均称;粗嫩,骨化突起不超过下三分之一,嘴头饱满;不臭,不破皮,不拧嘴,不存折,纵剖面上三分之一呈类白色;每支重不低于400克。
3.l.4 优级梅花鹿三权带血锯茸:干品,含水量多≤18%;分支典型,结构均称;粗嫩,骨化突起不超过下三分之一,嘴头饱满;不臭,不破皮,不拧嘴,不存折;带血充分,血色分布均匀,纵剖面为暗红色;每支重不低于450克。
3.1.5 优级梅花鹿二杠砍茸:干品,含水量≤18%;结构均称,粗嫩,挺园,茸头饱满;不拉沟,不空头,不破皮,无存折,不底漏,不底老,无黑根,无虫蛀,不臭;头骨结白,无残肉;犁骨后孔长6厘米、宽3厘米,后头皮与枕骨后缘齐,匡骨留即50%;每架茸估重300克。
3.1.6 优级梅花鹿三叉砍茸:于品,含水量≤18%;结构均称,粗嫩,挺园,嘴头饱满,不拉沟,不底漏,不底老,不存折,不破皮,不黑根,不臭,无虫蛀;骨化突起不超过下三分之一;头骨洁白,无残肉,后头皮与枕骨后缘齐,匡骨留50%,犁骨后孔长6厘米、宽3厘米;每架茸重不低于1750克。
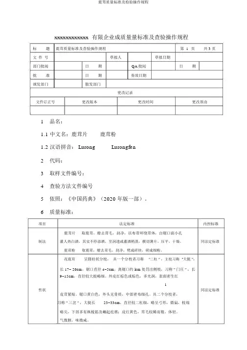
xxxxxxxxxxxx有限企业成质量量标准及查验操作规程标题鹿茸质量标准及查验操作规程第 1页共3 页文件号草拟人草拟日期部门批阅日期QA 批阅日期批准日期奏效日期颁发部门散发部门更改记录文件订正号更改版本更改时间更改原由1品名:1.1 中文名:鹿茸片鹿茸粉1.2 汉语拼音: Lurong Lurongfen2代码:3取样文件编号:4查验方法文件编号5依照:《中国药典》(2020 年版一部)。
6质量标准:项目制法法定标准鹿茸片取鹿茸,燎去茸毛,刮净,以布带环绕茸体,自锯口面小孔灌人热白酒,其实不停添酒,至润透或灌酒稍蒸,横切薄片,压平,干燥。
内控标准同法定标准鹿茸粉取鹿茸,燎去茸毛,刮净,劈成碎块,研成细粉。
花鹿茸呈圆柱状分枝,具一个分枝者习称"二杠 " ,主枝习称"大挺 ",长 17~ 20cm,锯口直径 4~5cm,离锯口约 lcm 处罚出侧枝,习称 " 门庄 " ,长9~15cm,直径较大挺略细。
外皮红棕色或棕色,多光润,表面密生红1性状同法定标准皮茸紧贴。
锯口黄白色,外头无骨质,中部密布细孔。
具二个分枝者,习称 " 三岔 " ,大挺长23~33cm,直径较二杠细,略呈弓形,微扁,枝端略尖,下部多有纵棱筋及崛起疙瘩;皮红黄色,茸毛较稀而粗。
体轻。
气微腥,味微咸。
鹿茸质量标准及查验操作规程第2页共3页二茬茸与头茬茸相像,但挺长而不圆或下粗上细,下部有纵棱筋。
皮灰黄色,茸毛较粗拙,锯口外头多已骨化。
体较重。
无腥气。
马鹿茸较花鹿茸粗大,分枝许多,侧枝一个者习称" 单门 ",二个者习称 " 莲花 " ,三个者习称 " 三岔 " ,四个者习称 "四岔 " 或更多。
按产地分为"东马鹿茸 " 和"西马鹿茸 "。
鹿茸质量的感官鉴定方法鹿茸,是指雄性鹿的角骨皮质部分,它是一种珍贵的中药材,被广泛用于治疗各种疾病。
鹿茸的质量直接影响着药效和价值,因此鉴定鹿茸的质量是非常重要的。
下面,我们从感官特征、形态特征、化学成分等方面来介绍鹿茸的鉴定方法。
一、感官特征鹿茸的感官特征是鉴别鹿茸质量的重要依据之一。
好的鹿茸质地结实,丝毫不松软,而且具有一定的弹性,手感细腻,不会有粗糙感。
在嗅闻方面,好的鹿茸具有一种特殊的香味,味道清甜,不会有异味。
在口感方面,好的鹿茸具有一种脆而不柔的口感,咀嚼时有一定的弹性,而且不会有异味。
二、形态特征鹿茸的形态特征也是鉴别鹿茸质量的重要依据之一。
好的鹿茸形状规整,大小均匀,表面光滑,色泽鲜亮,没有断裂、裂纹、霉斑等缺陷。
好的鹿茸角质层厚实,内部有丰富的髓质,而且髓质的颜色呈现为乳白色或淡黄色。
此外,好的鹿茸角质层的纹路清晰,髓质的分布均匀,没有明显的空洞或断裂。
三、化学成分鹿茸的化学成分也是鉴别鹿茸质量的重要依据之一。
好的鹿茸含有丰富的蛋白质、氨基酸、鹿茸多肽、鹿茸酸、鹿茸醇等活性成分。
其中,鹿茸多肽是鹿茸中最为重要的成分之一,具有抗氧化、免疫调节、抗疲劳等多种功效。
因此,好的鹿茸应该含有足够的鹿茸多肽,而且含量应该高于一定的标准。
综上所述,鹿茸的质量是影响其药效和价值的关键因素,鉴定鹿茸的质量是非常重要的。
通过感官特征、形态特征、化学成分等方面的鉴定,可以有效地判断鹿茸的质量。
因此,在购买鹿茸时,要注意选择正规的品牌和渠道,以确保购买到优质的鹿茸。
中国鹿产品质量标准
九鹿鹿业/ 2010-10-26
◆ 1 主题内容与适用范围
本标准对梅花鹿、马鹿的鹿茸片、鹿角、鹿尾、鹿筋、鹿鞭、鹿胎、干鹿茸血、干鹿血、鹿骨等产品质量做了规定。
本标准适用于生产、加工、销售鹿产品的单位。
◆ 2 名词术语
2.1 鹿产品:鹿产品是指梅花鹿、马鹿的茸、角、尾、筋、鞭、胎、肉、骨、血及茸片等产品。
2.2 鹿茸片:鹿茸片是指鹿茸切成的片。
按加工方法和片厚度不同,分为原鹿茸片和薄鹿茸片。
按鹿茸质量和部位不同厚鹿茸片分为嘴片、粉片、根片;薄鹿茸片分为嘴片、二纱片三纱片四纱片。
2.3 鹿茸角:鹿茸角是鹿茸生长到后期骨化脱去茸皮后形成的骨质角。
2.4 鹿角盘:鹿角盘是鹿茸锯掉后留角柄上骨化脱落物,亦称鹿角帽或珍珠盘。
◆·呈片状、块状或粉末状;紫黑色有光泽;无异物.不臭,无霉变。
3.9 鹿肉干:干品,呈块或片状,紫褐色,肌纤维明显,有肉香味,无杂质,无虫蛀,无异味,不霉变。
3.10 鹿骨:干品,骨质坚硬,呈黄白色,不透油;表面光洁,无残肉,无残脂,无残筋,无虫蛀,无腐蚀,无异味。
鹿茸口服液质量标准鹿茸口服液是一种常见的中药制剂,其质量标准是保证产品质量和安全性的重要依据。
以下是关于鹿茸口服液质量标准的一些重要方面。
一、外观特征:鹿茸口服液的外观应呈无明显沉淀、无悬浮物的均匀液体,颜色应为棕色或黄棕色,不应有异味。
二、理化指标:1.相对密度:鹿茸口服液的相对密度应在1.120 ~ 1.170之间。
2. pH值:鹿茸口服液的pH值应在4.0 ~ 6.0之间,以保证其适合人体消化吸收。
3.含量测定:鹿茸口服液中有效成分鹿茸的含量应符合规定的要求。
常用的测定方法有高效液相色谱法、紫外分光光度法等。
4.溶出度:鹿茸口服液应在规定的时间内释放出一定比例的有效成分,以保证其药效的充分发挥。
溶出度的测定方法可以采用离子色谱法、高效液相色谱法等。
三、微生物限度:鹿茸口服液中的微生物限度应符合国家药典或药品质量控制标准的规定。
典型的微生物限度项目包括总菌落数、大肠菌群、金黄色葡萄球菌等,常用的检测方法有菌落计数法、涂布法、并行检测法等。
四、有关杂质:质量标准还包括控制鹿茸口服液中的有害和有关的化学物质的含量。
比如重金属(如铅、砷、镉等)、农药残留物、有机溶剂残留等。
这些物质对于人体健康具有潜在危害,因此其含量应严格控制在国家规定的安全范围内。
五、包装标识要求:鹿茸口服液的包装应符合国家药典或药品质量控制标准的要求。
常用的包装材料有玻璃瓶、塑料瓶等,包装应严密、无渗漏。
标签上应明确标注产品名称、成分、规格、批号、生产日期、有效期等信息。
以上是关于鹿茸口服液质量标准的一些基本要求,通过严格遵循这些标准,可以保证鹿茸口服液的质量和安全性。
同时,生产鹿茸口服液的生产厂家也应遵守相关法律法规,建立健全的质量管理体系,加强原料采购和生产工艺的质量控制,以确保产品符合标准,并保证产品的稳定性和一致性。
只有这样,才能为消费者提供优质的鹿茸口服液产品。
鹿茸的好坏如何鉴别鹿茸是珍贵的中药材,很多人喜欢用鹿茸做药膳,滋补身体。
鹿茸的品种很多,那么鹿茸有什么功效呢?接下来店铺带大家了解一下吧。
鉴别鹿茸的方法1、优级梅花鹿茸优级梅花鹿二杠排血锯茸:干品,含水量≤18%;分支典型,结构均称;粗嫩,无骨化突起,茸头饱满;不臭,不破皮,不拧嘴,不存折;纵剖面上三分之二为类白色,以下略带血红色;每支重不低于100克。
优级梅花鹿二杠带血锯茸:干品,含水量≤18%;分支典型,结构均称;粗嫩,无骨化突起,茸头饱满;不臭,不破皮,不拧嘴,不存折,带血充分,血色分布均匀;纵剖面为暗红色;每支重不低于100克。
优级梅花鹿三权排血锯茸:干品,含水量≤18%;分支典型,结构均称;粗嫩,骨化突起不超过下三分之一,嘴头饱满;不臭,不破皮,不拧嘴,不存折,纵剖面上三分之一呈类白色;每支重不低于400克。
优级梅花鹿三权带血锯茸:干品,含水量多≤18%;分支典型,结构均称;粗嫩,骨化突起不超过下三分之一,嘴头饱满;不臭,不破皮,不拧嘴,不存折;带血充分,血色分布均匀,纵剖面为暗红色;每支重不低于450克。
优级梅花鹿二杠砍茸:干品,含水量≤18%;结构均称,粗嫩,挺园,茸头饱满;不拉沟,不空头,不破皮,无存折,不底漏,不底老,无黑根,无虫蛀,不臭;头骨结白,无残肉;犁骨后孔长6厘米、宽3厘米,后头皮与枕骨后缘齐,匡骨留即50%;每架茸估重300克。
优级梅花鹿三杈砍茸:于品,含水量≤18%;结构均称,粗嫩,挺园,嘴头饱满,不拉沟,不底漏,不底老,不存折,不破皮,不黑根,不臭,无虫蛀;骨化突起不超过下三分之一;头骨洁白,无残肉,后头皮与枕骨后缘齐,匡骨留50%,犁骨后孔长6厘米、宽3厘米;每架茸重不低于1750克。
2、优级马鹿三岔锯茸:干品,含水量≤18%;呈三岔型;茸体粗大,嘴头肥嫩;不破皮,无折伤,无瘪头,不臭,无虫蛀;茸内含血充分,且分布均匀,断面呈暗红色;每支茸重1000克。
挑选鹿茸的方法1、挑选整只鹿茸的时候要看鹿茸有几根“叉”,以“两叉”鹿茸而第三“叉”刚要生长的为最佳,因为这个时候割下来的鹿茸营养最丰富,药效也最好。
鹿茸的加工方法和操作要求
首先,鹿茸的加工方法包括以下几个步骤:
1. 采集,鹿茸的采集通常在秋冬季节进行,选择成年雄鹿的鹿
茸效果更佳。
2. 清洗,将采集到的鹿茸进行清洗,去除表面的杂质和污垢。
3. 切割,将清洗干净的鹿茸进行切割,使其更易于加工和使用。
4. 烘干,将切割好的鹿茸进行烘干,以保持其干燥和防止霉变。
5. 包装,最后对干燥的鹿茸进行包装,以便于储存和运输。
在进行鹿茸的加工操作时,需要注意以下几点:
1. 卫生,加工鹿茸的场所要保持清洁卫生,避免杂质和细菌的
污染。
2. 温度控制,烘干鹿茸时,要控制好温度,避免过高的温度导
致鹿茸的药效减弱。
3. 防潮,加工和储存鹿茸时要注意防潮,避免霉变影响其品质。
4. 包装密封,在包装鹿茸时要做到密封,避免空气和湿气的侵入。
总的来说,鹿茸的加工方法和操作要求对于保证其品质和药效
至关重要。
只有严格按照规定的加工方法和操作要求进行处理,才
能生产出高品质的鹿茸药材,为人们的健康提供更好的保障。
鹿茸团体标准鹿茸团体标准:探秘珍贵滋补品的品质密码嘿,你知道吗?在滋补品的神秘王国里,鹿茸就像一位备受瞩目的超级巨星,拥有着独特的魅力。
但要想真正领略它的神奇,就得搞懂这鹿茸团体标准,不然就像在漆黑的夜里找星星,两眼一抹黑!**“鹿茸品质大揭秘:优劣一眼看穿”**在鹿茸的世界里,别做个“睁眼瞎”,学会分辨优劣鹿茸,那可是你的“火眼金睛”!鹿茸的品质可是大有讲究。
就好比选美比赛,优质的鹿茸就像是身材高挑、面容姣好的佳丽,体态完整,茸毛细腻。
而劣质的鹿茸呢,就像是被风吹乱了发型,还满脸麻子的选手,瑕疵多多。
比如说,优质的鹿茸表面呈棕黄色,茸毛柔软细密。
而那些质量差的,可能颜色灰暗,茸毛粗糙。
再看看鹿茸的切片,好的切片纹理清晰,组织致密。
劣质的呢,纹理混乱,就像没整理好的书架,乱糟糟的。
就拿梅花鹿茸来说,一等的梅花鹿茸主干粗圆,顶端丰满,“茸头”圆润。
而等级低的,可能主干细瘦,“茸头”干瘪。
这差别,是不是一目了然?**“鹿茸采摘有讲究:时机决定一切”**鹿茸采摘的时机,那可真是个“技术活”,抓准时机,就像抓住了幸运女神的裙摆!鹿茸的生长就像一场与时间的赛跑。
太早采摘,鹿茸还没发育好,就像没熟透的果子,营养不足。
太晚采摘呢,鹿茸的骨质化程度太高,药效大打折扣,就像过了保鲜期的食物,失去了原本的美味和价值。
一般来说,梅花鹿的鹿茸在“二杠”时采摘最为合适,这时候的鹿茸就像正值青春的少年,充满活力和潜力。
要是错过了这个时机,鹿茸就会逐渐老化,从“宝贝”变成了“鸡肋”。
你想想,如果因为采摘时机不对,浪费了这么珍贵的资源,那得多可惜呀!**“加工工艺很重要:精心雕琢出精品”**鹿茸的加工工艺,那可是一场“魔法秀”,好的工艺能让鹿茸华丽变身!加工鹿茸就如同雕琢一件精美的艺术品。
好的加工工艺就像是一位技艺高超的大师,能把一块璞玉变成价值连城的珍宝。
比如,煮炸鹿茸时,温度和时间的把控要恰到好处。
温度太高或者时间太长,鹿茸的有效成分可能会流失,就像煮过头的汤,失去了原本的鲜美。
XXXXXXXXX有限公司原料质量标准及检验操作规程
1 品名:
1.1 中文名:鹿茸
1.2 汉语拼音:Lurong
2 代码:
3 取样文件编号:
4 检验方法文件编号:
5 依据:《中国药典》(2020年版一部)。
6 质量标准:
7 检验操作规程:
7.1 试药与试剂:茚三酮、氢氧化钠、丙酮、鹿茸对照药材、甘氨酸对照品、正丁醇、冰醋酸、硫酸铜、乙醇。
7.2 仪器与用具:电子天平、烘箱、硅胶G薄层板、展开缸、超声波清
洗器。
7.3 性状:取本品适量,自然光下目测色泽,嗅闻气味。
7.4 鉴别:
7.4.1 取本品粉末0. lg,加水4ml,加热15分钟,放冷,滤过,取滤液lml,加茚三酮试液3滴,摇匀,加热煮沸数分钟,显蓝紫色;另取滤液lml,加10%氢氧化钠溶液2滴,摇匀,滴加0.5%硫酸铜溶液,显蓝紫色。
7.4.2 取本品粉末0.4g,加70%乙醇5ml,超声处理15分钟,滤过,取滤液作为供试品溶液。
另取鹿茸对照药材0.4g,同法制成对照药材溶液。
再取甘氨酸对照品,加70%乙醇制成每lml含2mg的溶液,作为对照品溶液。
照薄层色谱法(附录7)试验,吸取供试品溶液和对照药材溶液各8μl、对照品溶液1μl,分别点于同一硅胶G薄层板上,以正丁醇-冰醋酸-水(3:1:1)为展开剂,展开,取出,晾干,喷以2%茚三酮丙酮溶液,在105℃加热至斑点显色清晰。
供试品色谱中,在与对照药材色谱相应的位置上,显相同颜色的主斑点;在与对照品色谱相应的位置上,显相同颜色的斑点。
鹿茸菇评级标准
鹿茸菇的评级标准可能因地区、供应商或市场而异,但通常涉及以下几个方面:
1.外观:鹿茸菇的外观应该完整,颜色均匀,没有明显的瑕疵或损伤。
2.气味:鹿茸菇应该有自然的香味,没有异味或霉味。
3.质地:鹿茸菇应该有一定的弹性,不软不硬,且不易碎。
4.水分含量:鹿茸菇的水分含量应该适中,不宜过高或过低。
5.营养成分:鹿茸菇的营养成分,如蛋白质、维生素、矿物质等,也是评级
的重要因素。
此外,鹿茸菇的评级还可能与其产地、生长环境、采摘时间等因素有关。
具体的评级标准可能因不同的供应商或市场而有所不同,因此最好在购买前了解清楚相关的评级标准和规定。
另外,干制鹿茸菇的最新执行标准为GB7096,主要规定了食品安全、质量和卫生方面的要求。
这也是评级时需要考虑的因素之一。
总的来说,评级标准应该综合考虑多个方面,以确保鹿茸菇的品质和安全性。
xxxxxxxxxxxx有限公司成品质量标准及检验操作规程
1 品名:
1.1 中文名:鹿茸片鹿茸粉
1.2 汉语拼音:Lurong Lurongfen
2 代码:
3 取样文件编号:
4 检验方法文件编号
5 依据:《中国药典》(2020年版一部)。
6 质量标准:
7 检验操作规程:
7.1 试药与试剂:茚三酮、氢氧化钠、丙酮、鹿茸对照药材、甘氨酸对照品、正丁醇、冰醋酸、硫酸铜、乙醇。
7.2 仪器与用具:电子天平、烘箱、硅胶G薄层板、展开缸、超声波清洗器。
7.3 性状:取本品适量,自然光下目测色泽,嗅闻气味。
7.4 鉴别:
7.4.1 取本品粉末0. lg,加水4ml,加热15分钟,放冷,滤过,取滤液lml,加茚三酮试液3滴,摇匀,加热煮沸数分钟,显蓝紫色;另取滤液lml,加10%氢氧化钠溶液2滴,摇匀,滴加0.5%硫酸铜溶液,显蓝紫色。
7.4.2 取本品粉末0.4g,加70%乙醇5ml,超声处理15分钟,滤过,取滤液作为供试品溶液。
另取鹿茸对照药材0.4g,同法制成对照药材溶液。
再取甘氨酸对照品,加70%乙醇制成每lml含2mg的溶液,作为对照品溶液。
照薄层色谱法(附录7)试验,吸取供试品溶液和对照药材溶液各8μl、对照品溶液1μl,分别点于同一硅胶G薄层板上,以正丁醇-冰醋酸-水(3:1:1)为展开剂,展开,取出,晾干,喷以2%茚三酮丙酮溶液,在105℃加热至斑点显色清晰。
供试品色谱中,在与对照药材色谱相应的位置上,显相同颜色的主斑点;在与对照品色谱相应的位置上,显相同颜色的斑点。