清华大学制造系统第05章__制造系统性能分析2
- 格式:ppt
- 大小:263.00 KB
- 文档页数:37
清华考博辅导:清华大学控制科学与工程考博难度解析及经验分享根据教育部学位与研究生教育发展中心最新公布的第四轮学科评估结果可知,全国共有115所开设计控制科学与工程专业的大学参与了2018-2019控制科学与工程专业大学排名,其中排名第一的是清华大学,排名第二的是哈尔滨工业大学,排名第三的是浙江大学。
作为清华大学实施国家“211工程”和“985工程”的重点学科,自动化学院的控制科学与工程一级学科在历次全国学科评估中均名列第一。
下面是启道考博整理的关于清华大学控制科学与工程专业考博相关内容。
一、专业介绍控制科学与工程是研究控制的理论、方法、技术及其工程应用的学科。
控制科学以控制论、系统论、信息论为基础,研究各应用领域内的共性问题,即为了实现控制目标,应如何建立系统的模型,分析其内部与环境信息,采取何种控制与决策行为;而与各应用领域的密切结合,又形成了控制工程丰富多样的内容。
本学科点在理论研究与工程实践相结合、学科交叉和军民结合等方面具有明显的特色与优势,对我国国民经济发展和国家安全发挥了重大作用。
它是20世纪最重要和发展最快的学科之一,其各阶段的理论发展及技术进步都与生产和社会实际需求密切相关。
包括本学科下设的七个二级学科:"控制理论与控制工程"、"检测技术与自动装置"、"系统工程"、"模式识别与智能系统"、"导航、制导与控制"、"企业信息化系统与工程"和"生物信息学"。
清华大学自动化学院控制科学与工程专业在博士招生方面,划分为十六个研究方向:081100 控制科学与工程博士研究方向:01 控制理论与控制工程,02 复杂制造系统建模、控制与优化,03仿真与虚拟制造,04 网络化制造,05导航、制导与控制,06 应用电子技术,07 自动检测技术,08 系统工程理论与方法,09 智能交通系统,10 网络化系统、决策理论与应用,11 模式识别与机器学习,12 信号处理,13 生物信息学(A),14 海洋信息,15 生物信息学(B),16 网络化系统;能源、电力与制造系统优化。
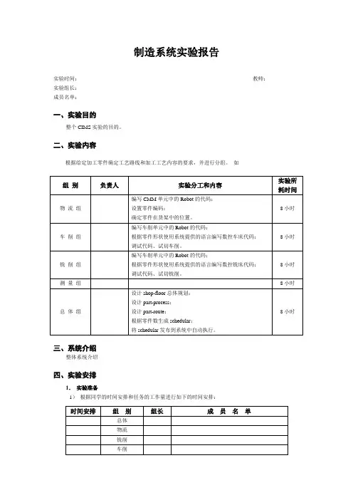
制造系统实验报告实验时间:教师:实验组长:成员名单:一、实验目的整个CIMS实验的目的。
二、实验内容根据给定加工零件确定工艺路线和加工工艺内容的要求,并进行分组。
如三、系统介绍整体系统介绍四、实验安排1.实验准备1)根据同学的时间安排和任务的工作量进行如下的时间安排:2)学习该制造系统的原理和操作方法。
3)指定各个小组实验任务和计划。
2.分组工作各小组根据计划完成本组的任务,并完成实验报告(见各小组实验报告样例)。
3.整体调试1)每个小组内部进行整体调试;2)两组合作进行综合调试。
五、实验结果整个实验的结果分析六、实验总结根据实验结果分析,得到具体结论。
附:各小组的详细实验报告总体工作小组实验时间:教师:实验组长:成员名单:一.实验目的:分组实验目的。
二.实验内容小组内需完成的实验内容。
三.设备情况介绍本组相关的实验设备介绍。
四.实验步骤五.实验结果六.实验总结附程序清单及注释车削加工小组工作报告实验时间:教师:实验组长:成员名单:一.实验目的二.实验内容三.设备情况介绍四.实验步骤1.数控车床编程实验2.机器人1规划五.实验结果1.车削实验2.机器人规划六.实验总结附程序清单及注释实验时间:教师:实验组长:成员名单:一.实验目的二.实验内容三.实验步骤:四.实验结果五.实验总结附程序清单及注释实验时间:教师:实验组长:成员名单:一、实验目的:二、实验内容三、实验步骤四、实验结果五、实验总结附程序清单及注释。
制造系统特性制造系统可视为若干硬件(生产设备,工具,运输装置,厂房,劳动力等)的集合体。
为使硬件充分发挥其效能,必须有相应的软件作支持(图1-3)。
这里说的软件主要指生产信息,即生产方法(包括生产管理在内)和生产工艺。
工厂设计中,有关人员和设备的合理配置和布局等,即是从系统构造方面对制造系统开展研究,目的在于保证获得高的生产率。
2)转变特性如前所述,制造系统是一个将生产要素转变成离散型产品的输入输出系统,研究制造系统的转变特性,着眼于系统物料的转变过程,即系统的物质流。
作为一个制造系统转变过程实例,图1.5给出了汽车生产物流过程(部分)的示意图。
研究系统的转变特性的目的主要是从技术角度,如何使转变过程更有效地开展。
3)程序特性所谓"程序"系指一系列按时间和逻辑安排的步骤。
从这个意义出发,制造系统可视为是一个生产离散型产品的工作程序。
研究制造系统的程序特性,着眼于制造系统的信息流,主要从管理角度研究如何使生产活动到达最正确化。
生产程序主要包括两个方面:一是全局生产规划,用于处理生产系统及生产系统与外部环境之间关系的全局性的问题,如确定生产目标,规划生产资源,确定企业经营方针和发展战略等;二是具体生产管理(运行管理),用于对具体的生产活动开展管理和控制(图1-6)。
运行管理通常包括5个阶段:1)综合生产计划确定产品的种类和一定时间内的产量。
2)生产进度计划又可细分为主控进度计划和物料需求计划。
主控进度计划根据综合生产计划和市场(用户)需求,确定最终产品的进度计划,物料需求计划则根据主控进度计划、产品构成以及生产周期,确定零部件的生产进度计划和原材料及外购件的订货计划。
3)作业计划根据物料需求计划、零件加工和机器装配工艺过程以及原材料和毛坯的供给情况,开展具体的任务分配和顺序的安排。
4)生产实施按作业计划开展实际生产作业活动。
5)生产控制对生产实施过程中的偏差开展测定与调整。
综合考虑技术与管理两个方面的信息,常常将物料生产过程划分为产品设计、生产准备和生产实施三个阶段,见图1-7。