配电箱每月检查表
- 格式:doc
- 大小:55.00 KB
- 文档页数:1
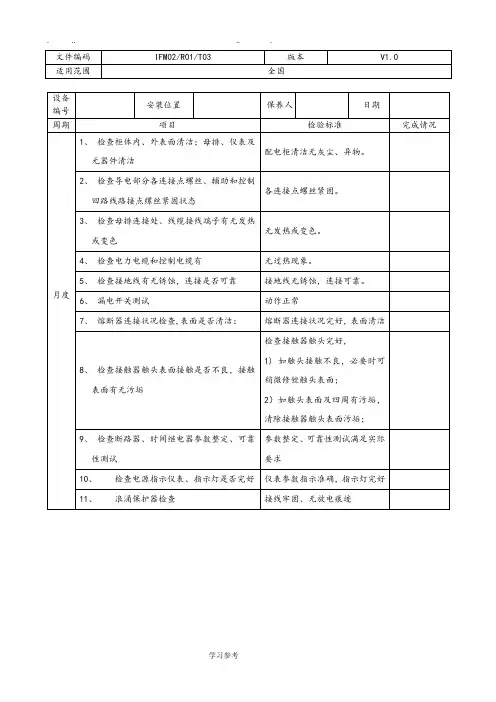
配电箱巡查记录表本表由项目部在施工时每日组织巡查并做好记录。
停工或暂停使用的,应切断供电并注明情况。
检查项目中合格的打“√”,不合格打“×”并及时进行整修或更换,消除隐患。
检查人为值守电工,须亲自亲笔签名,不得代签。
安全员及时督促并巡检记录情况及维修情况,严禁多日一检或一次多签。
每月1日时,更改本月检查记录新表,并将上月检查记录表废旧放进安全管理资料,严禁随意弃置。
项目名称:年门锁1日2日3日4日5日6日7日8日9日10日11日12日13日14日16日17日18日19日20日21日22日23日24日25日26日27日28日29日30日31日配电箱编号:检密项目需维修项是电源保险隔离中剧箱内出入防水箱内检查人签名插座开关装置开关线接线线性能杂物否已经维修①主元件记录型号规格出厂编号生产日期生产厂附注②一般检查检查项目检查结果处理方式复查结果主元件型号规格符合要求装配零部件规格符合要求导线与电缆的布置恰当、合理安装螺钉、轴销、挡卡等完整牢固电镀、涂覆层无破损开裂铭牌与标志内容正确、完整、清晰各元件机架中剧及门的中剧符合要求门、仪表板及二次元件安装平直整齐柜排序、联络恰当,各封板加装有误防护等级满足技术要求柜内洁净,并无异物,绝缘件表面经酒精冲洗③机械操作对安装在柜内的开关电器及所有手动操作部件,如主开关等,均操作5次,其机构动作应可靠,正常。
变压机构符合要求同类手车互换性好,识别装置正确有效。
④母线检查母线规格合乎技术建议母线表面处理符合要求,搭接面有防电化腐蚀措施母线相序恰当、漆色光滑、恰当、整齐母线联接正确,螺栓规格、数量、紧固力符合要求避免构成滑动磁通电路措施符合要求接地线连接部位截面、位置正确接点并无额外形变⑤绝缘检查主回路、辅助回路绝缘距离及爬距符合要求主电路对地工频耐压正常(2500v,1s)主回路每个极与接地的所有其它极之间耐压正常(2500v,1s)辅助电路对地工频耐压正常(2320v,1s)带电部件和用金属箔裹缠的绝缘操作手柄之间(3750v,1s)相对地绝缘电阻≥1kω/v⑥二次检查模拟动作试验正确导线规格符合要求铜接头牢固可靠,羊眼形接头方向、垫圈正确元件标签恰当、整齐、稳固导线穿越金属隔板有防护措施⑦维护电路有效性检查加装支架与主中剧排在间接地电阻(≤100mω)柜后门与主接地排间接地电阻(≤100mω)端子架与主中剧排在间接地电阻(≤100mω)功能单元仪表门与主接地排间接地电阻(≤100mω)⑧其它项目铭牌项目齐全,内容与技术建议一致。
漏电保护器使用与维护
(1)停送电操作应按倒闸操作程序及有关安全操作规程进行, 特殊情况例外。
(2)下班停止工作时, 必须将班后不用的配电装置拉闸断电, 并由专人负责开启和关闭上锁。
(3)开关箱、漏电保安器应定期检查, 每月至少一次专人检查并做好记录。
检查内容包括外观、试验装置、接线检查、进出线是否承受外力等。
(4)漏电保安器投入运行后, 每月需在通电状态下, 按动试验按钮, 检查漏电保安器动作是否可靠。
雷雨季节应增加试验次数。
(5)配电箱、开关箱内不能放置任何杂物, 并应经常保持清洁。
(6)电源系统的专责管理人员,必须做到持证上岗;主要负责接、拆电源和日常检查维护工作并做好相关记录。
安装日期型号
责任人检查人
1月2月3月4月5月6月7月8月9月10月11月12月2016年
检查合格,在表格中打“√”即可。
漏电保护器使用与维护
(1)停送电操作应按倒闸操作程序及有关安全操作规程进行, 特殊情况例外。
(2)下班停止工作时, 必须将班后不用的配电装置拉闸断电, 并由专人负责开启和关闭上锁。
(3)开关箱、漏电保安器应定期检查, 每月至少一次专人检查并做好记录。
检查内容包括外观、试验装置、接线检查、进出线是否承受外力等。
(4)漏电保安器投入运行后, 每月需在通电状态下, 按动试验按钮, 检查漏电保安器动作是否可靠。
雷雨季节应增加试验次数。
(5)配电箱、开关箱内不能放置任何杂物, 并应经常保持清洁。
(6)电源系统的专责管理人员,必须做到持证上岗;主要负责接、拆电源和日常检查维护工作并做好相关记录。
安装日期型号
责任人检查人
1 2 3 4 5 6 7 8 9 10 11 12 2011年
(月)
检查合格,在表格中打“√”即可。
漏电保护器使用与维护
(1)停送电操作应按倒闸操作程序及有关安全操作规程进行, 特殊情况例外。
(2)下班停止工作时, 必须将班后不用的配电装置拉闸断电, 并由专人负责开启和关闭上锁。
(3)开关箱、漏电保安器应定期检查, 每月至少一次专人检查并做好记录。
检查内容包括外观、试验装置、接线检查、进出线是否承受外力等。
(4)漏电保安器投入运行后, 每月需在通电状态下, 按动试验按钮, 检查漏电保安器动作是否可靠。
雷雨季节应增加试验次数。
(5)配电箱、开关箱内不能放置任何杂物, 并应经常保持清洁。
(6)电源系统的专责管理人员,必须做到持证上岗;主要负责接、拆电源和日常检查维护工作并做好相关记录。
安装日期型号
责任人检查人
1 2 3 4 5 6 7 8 9 10 11 12 2011年
(月)
检查合格,在表格中打“√”即可。
漏电保护器使用与维护
(1)停送电操作应按倒闸操作程序及有关安全操作规程进行, 特殊情况例外。
(2)下班停止工作时, 必须将班后不用的配电装置拉闸断电, 并由专人负责开启和关闭上锁。
(3)开关箱、漏电保安器应定期检查, 每月至少一次专人检查并做好记录。
检查内容包括外观、试验装置、接线检查、进出线是否承受外力等。
(4)漏电保安器投入运行后, 每月需在通电状态下, 按动试验按钮, 检查漏电保安器动作是否可靠。
雷雨季节应增加试验次数。
(5)配电箱、开关箱内不能放置任何杂物, 并应经常保持清洁。
(6)电源系统的专责管理人员,必须做到持证上岗;主要负责接、拆电源和日常检查维护工作并做好相关记录。
安装日期型号
责任人检查人
1 2 3 4 5 6 7 8 9 10 11 12 2011年
(月)
检查合格,在表格中打“√”即可。