万科轻质隔墙板施工介绍
- 格式:ppt
- 大小:7.99 MB
- 文档页数:23
轻质隔墙板施工方案轻质隔墙板又称轻质隔墙层板,是一种以轻质骨料、普通水泥、石膏、适量的粘结材料和各种特种外加剂为原料,通过施工现场需要用的水掺和搅拌均匀,倒入模具中进行振动和压实而成的墙板。
轻质隔墙板具有防火、隔热、隔音、保温等优点,可以广泛应用于建筑工程中的内墙、隔墙和吊顶等部位。
下面是轻质隔墙板的施工方案。
1.材料准备:-轻质隔墙板:按照需要施工的墙板面积和尺寸进行购买。
-隔墙板用的胶粘剂:根据墙板的材质和施工需要选择合适的胶粘剂。
-砂浆:使用适量的砂浆用于墙壁表面的处理。
-需要的工具:切割机、磁力钢、橡皮锤、泥板、刷子、油漆刷等。
2.墙壁表面处理:-将墙壁表面清洁干净,去除表面上的灰尘和杂物。
-使用刷子将砂浆均匀地涂抹在墙壁表面上,使其平整。
3.划线定位:-根据设计图纸和实际需求,在墙壁上使用刷子和线锤进行划线定位,确定轻质隔墙板的施工位置。
4.墙板切割:-根据墙面尺寸和设计要求,使用切割机将轻质隔墙板切割成合适的尺寸。
5.涂胶贴板:-将胶粘剂均匀地涂抹在轻质隔墙板的背面。
-将胶涂抹的一面贴在墙壁上,用手按压使其牢固粘贴。
6.轻质隔墙板拼接:-将下一块墙板的背面涂上胶粘剂,将其与前一块墙板的边缘对齐,按压使其粘贴在一起。
-确保墙板之间的接缝平整,并使用磁力钢进行固定。
7.轻质隔墙板收口处理:-在轻质隔墙板安装完毕后,使用切割机将多余的墙板切割掉。
-用橡皮锤轻敲墙板表面,使其平整。
8.墙板面处理:-使用泥板将墙板表面的凹凸不平的地方抹平。
-使用砂纸打磨墙板的表面,使其更加平滑。
9.油漆喷涂:-根据设计要求,使用油漆刷或喷枪将轻质隔墙板涂上所需的颜色和效果。
10.收尾工作:-打扫施工现场,清理垃圾和杂物。
-对轻质隔墙板进行质量检查,确保安装质量合格。
轻质隔墙板安装施工工艺一、(一)无机胶凝材料、添加剂等为辅助材料,比。
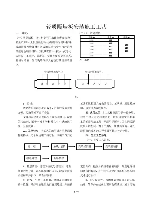
1、基层清理:清理隔墙板与楼顶面、地面、墙面的结合部:凡凸出墙面的砂浆、混凝土块等必须剔除并扫净,结合部找平。
2、放线、分档:在地面、墙面及顶面根据设计位置,弹好隔墙边线及门窗洞边线,并按板定位分档。
根据分档线准备隔墙板,尽量选择相同规格的板块,当不符合模数时可现场按照实际尺寸进行制作。
3、安装锚固件:锚固件必须提前进行防腐处理,简单的直接在上面刷防腐油漆,或者用镀为保证强度满足设计要求,应按设计规范要求用U 形钢板卡固定条板的顶端,间距500mm 。
图3 安装墙板侧面的边龙骨锚固件安装好以后要进行检查其垂直度,无误后方可进行下道工序的施工。
五、安装隔墙板:(一)墙面安装:根据放线时划好的分档线,正确选用标准规格轻质隔墙板块,并按照顺序安装,如上图。
先将隔墙板上端放入U 型卡中后沿着墙体方向慢慢推,到位后下面用木楔子垫起,用靠尺校正其垂直度及平整度,达到标准后与U 型卡及边龙骨可靠连接固定。
安装指示:填塞,强度上来后将木楔子取出再用细石砼全面塞实。
层刷上粘结剂贴到加强龙骨上,用汽钉钉牢,使表面形成整体,洞口尺寸较窗框大5mm 即可,安装门窗或其它箱体时直接将自攻螺丝攻到龙骨上,然后打上密封胶,不需要抹灰收口。
对于大于1500*2100的洞口,洞口的周边可用角钢加强,将角钢用膨胀螺栓固定与楼板或梁上,板材与角钢之间用专用的腻子灰粘结牢固。
见图:整齐,便于套管箍与板面用螺丝固定连接。
3、墙体圈梁、转角构造柱:(1)圈梁:将角钢与墙(柱)两端的预先用膨胀螺丝固定好的扁铁进行焊接连接,将墙体位置,此处的板块在安装时面层板可先粘贴一面,保留一面的龙骨全部暴露在外面,待管线安装完毕后,将另一面的罩面板粘贴上去。
,再用扁铲扩孔,孔要大小适度,要方正。
孔内清理干净,将接线盒卡在面层板上,边口刷一边密封胶即可。
安水暖、煤气管道卡:按水暖、煤气管道安在以免工序颠倒,再在龙骨上抹强度上来之隔墙板安装后7d以后,检查所有缝隙是否粘结良好,有无裂缝,如出现裂缝,应查明原因后进行修补。
万科轻质隔墙施工方案
包括工程建设准备、外桩设置、操作流程、岩土处理、墙芯组装、外
保温、砌筑、密封、装饰等内容。
一、工程建设准备
1、确定物料管理方案,实施物料管理工作,保证施工现场材料齐备;
2、准备机械设备,检查合格后投入施工;
3、对施工现场进行地形测量,确定每块水泥板的位置,以便精确安装;
4、依据施工图纸及技术规范,准备施工用水,并开展供水管道的安装;
5、建立安全管理规程,指导施工人员更好地实施安全施工。
二、外桩设置
1、准备桩木,按技术要求标定桩木长度;
2、进行桩木的钉定,把桩木与铺设区域的地面进行连接,将铺设区
域形成桩木框架;
3、在框架内部垫以沙子或土,起到保护框架的作用,使砌砖更容易
安装;
4、按图纸要求,将设定砖安装在框架中,安装完毕后,用水洗涤,
使砖表面干净。
三、操作流程
1、购买合乎技术规范的轻质隔墙建材,检验其质量、尺寸及规格;
2、对每块砖进行堆砌,根据图纸要求准确安装,并与邻近结构牢固拼合;
3、维护材料的湿度,完成隔墙的砌筑;
4、安装垫层、保温材料,打磨棱角及表面,完成外表面的装饰。
轻质隔墙施工方案(1)一、引言在建筑装修中,隔墙是一个非常重要的部分,不仅可以划分空间,还可以起到隔音、隔热的作用。
轻质隔墙作为一种常见的隔墙材料,施工方案的选择对于整个装修效果至关重要。
本文将介绍一种适用于轻质隔墙的施工方案。
二、材料准备1.轻质隔墙板材:选择符合国家标准的轻质隔墙板,保证质量和安全性。
2.金属龙骨:用于支撑隔墙板的结构,选择坚固耐用的材料。
3.连接件:用于连接隔墙板和龙骨的连接件,起到固定作用。
4.隔墙辅料:包括隔墙专用胶、打磨工具等,用于辅助施工。
三、施工步骤1.布局设计:根据设计图纸确定隔墙的位置和尺寸。
2.定位龙骨:根据设计要求,在地面和天花板上确定轻钢龙骨的位置。
3.安装龙骨:将龙骨固定在地面和天花板上,确保水平和垂直度。
4.安装隔墙板:将轻质隔墙板按照设计要求固定在龙骨上,注意板材之间的缝隙要保持一致。
5.处理接缝:使用隔墙专用胶对板材接缝进行填充和处理,保证隔墙的整体性和平整度。
6.打磨处理:对隔墙板进行打磨处理,使表面光滑平整。
7.清理整理:清理施工现场,确保隔墙施工完工后整体效果干净整洁。
四、注意事项1.施工前检查:确认材料齐全,工具完备,施工前进行全面检查。
2.施工质量:严格按照设计要求进行施工,保证隔墙的质量和稳固性。
3.安全施工:施工过程中要注意安全措施,避免发生意外事故。
4.节约材料:合理使用材料,做到节约环保。
5.整体效果:隔墙施工完成后,要检查整体效果,确保符合设计要求。
五、总结轻质隔墙施工是建筑装修中一个重要且复杂的环节,选择合适的施工方案对于整体装修效果至关重要。
通过对材料准备、施工步骤、注意事项等方面的详细介绍,相信能够为轻质隔墙施工提供一定的参考和指导,帮助装修者顺利完成隔墙施工工作。
轻质内墙隔板施工方案随着建筑技术的不断进步,轻质内墙隔板作为一种新型的材料在内墙隔断领域得到了广泛的应用。
轻质内墙隔板具有重量轻、强度高、施工简便等优点,成为了现代建筑中内部隔断的首选材料。
本文将针对轻质内墙隔板的施工方案进行详细介绍。
一、施工前准备工作1.阅读施工图纸:了解施工图纸的隔板尺寸、数量、位置等信息,明确施工要求。
2.准备材料和工具:购买所需的轻质内墙隔板材料,包括轻质隔板、螺丝、封边条等。
同时准备施工工具,如电钻、横切锯、尺子等。
3.确定施工工期和人员:根据隔板数量和施工工艺,合理确定施工工期,并组织相应的施工人员。
二、施工工序1.实测尺寸和布线墙面:根据施工图纸上的尺寸要求,使用尺子和墨线对墙面进行实测,并在墙面上标记出隔板的位置。
2. 安装隔板龙骨:根据布线墙面上隔板位置的标记点,使用螺丝将隔板龙骨固定在墙面上。
隔板龙骨之间的横向距离一般控制在600mm以内。
3.安装隔板:将轻质隔板放置在安装好的龙骨上,用螺丝将隔板固定在龙骨上。
螺丝的位置一般设置在隔板的四个角落和中间位置,确保隔板的固定牢固。
4.补充龙骨和加固隔板:根据施工图纸的要求,在需要的位置上加装龙骨,并使用螺丝将其固定在墙面上。
同时,在隔板的边缘处利用封边条固定隔板,增加隔板的稳定性。
5.粉刷和装饰:隔板安装完成后,进行粉刷处理,使其与周围墙面相协调。
根据设计要求,可以在隔板上加装装饰材料,如墙纸、瓷砖等。
6.清理和验收:清理施工现场,处理好施工中产生的垃圾和残余材料。
进行隔板工程的验收工作,确保施工质量符合要求。
三、施工注意事项1.施工前要进行充分的技术交底和安全交底,保证施工人员的安全意识和操作规范。
2.施工现场要保持整洁,加强材料和工具的管理。
3.进行垂直度和水平度的检查,保证隔板的垂直度和墙面的平整度。
4.在安装隔板时,要注意隔板的边缘与龙骨的紧密贴合,确保隔板牢固。
5.在施工中要注意施工的顺序,避免遗漏关键节点和重要工序。
施工方案-轻质隔墙板轻质隔墙板施工方案一、施工准备1.物资准备:轻质隔墙板、龙骨、螺丝、膨胀螺栓、抗裂胶、地脚螺丝等。
2.工具准备:电锤、电钻、螺丝刀、手摇钻、刷子、刮刀等。
3.施工前的准备工作:(1)施工地面清理,确保地面干燥、平整。
(2)布置好施工现场,保证施工区域通风顺畅。
(3)依据设计图纸在施工墙体上刷好水泥浆。
(4)确认墙面的水平线,确定好各个位置的水平。
(5)将轻质隔墙板按照施工需求切割好,使其符合实际需要。
二、施工步骤1.安装龙骨:(1)根据设计图纸和施工要求,在地面上确定墙体位置和尺寸。
(2)使用电钻和螺丝刀将龙骨固定在地面上,确保其水平。
(3)根据设计要求确定龙骨的间距和高度,并在墙体上标明。
2.固定轻质隔墙板:(1)将切割好的轻质隔墙板放置在龙骨上,确保其垂直。
(2)用螺丝将轻质隔墙板固定在龙骨上,保持每个板材之间的间距均匀。
(3)使用螺丝刀将螺丝拧紧,确保固定牢固。
3.填充缝隙:(1)使用抗裂胶将轻质隔墙板之间的缝隙填充,确保牢固连接。
(2)用刮刀将抗裂胶刮平,使墙面光滑。
4.安装门窗洞口:(1)根据设计要求,在墙面上划定门窗洞口的位置和尺寸。
(2)使用电锤和手摇钻将门窗洞口挖掘出来。
(3)根据门窗洞口的尺寸和墙体材料的厚度,选择合适的地脚螺丝进行固定。
(4)根据需要,使用木料或金属材料加固门窗洞口的边缘。
5.整理墙面:(1)使用刷子将墙面上的灰尘、杂物清理干净。
(2)使用镘刀刮平墙面,确保墙面平整。
(3)根据需要,进行喷涂或贴瓷砖等装饰性处理。
三、施工注意事项1.施工期间需保持施工现场的通风,确保工人的健康和安全。
2.施工过程中要注意对设计图纸的要求,准确设置墙体尺寸和位置,避免施工误差。
3.应注意墙体与地面的连接,确保墙体的稳定性和牢固度。
4.施工时要注意保护好轻质隔墙板,避免刮碰、磕碰等损坏。
5.施工完成后,应及时清理施工现场,保持环境整洁。
总结:轻质隔墙板施工方案是保证隔墙板工程质量的重要工作,合理的施工步骤和注意事项能够确保施工质量,避免出现安全隐患。
轻质隔墙板施工工艺讲解一、施工工艺二、施工工艺1、清理基面(墙面、顶面、地面)上的凸出的部位的砂浆、混凝土及杂物,进行找平处理。
先在地面弹出轻板安装的位置线进行排板。
2、根据排板安装图,当第一块板安装好后,在轻板拼缝处的上端预先用射钉枪或用Φ6胀管螺丝将U型钢卡固定在结构上,以满足相邻两块条板由一个U型钢卡固定住。
将L型钢卡固定在结构墙面上来固定第一块板。
3、清除板的侧面企口处浮灰,应刷一遍界面剂在板的两侧企口上及顶端上满刮胶粘剂。
根据排板图从结构墙的结合处一头开始依次顺序安装。
若自门窗口洞口,应从门窗洞口向两侧开始。
4、将板的下端对准安装墨线,用撬棍在板下端将板轻轻撬起用木楔子背紧使板上端顶紧,下面用木楔顶紧轻板底部。
然后在板的侧面企口处涂抹胶粘剂,另一块板也如此安装。
不仅板顶部挤实顶紧,两板间用粘结剂粘牢挤实。
然后用腻子刀将挤出板面的胶粘剂刮平。
如此反复操作,每块板的下端均用木楔挤实靠紧。
在安装过程中随时用2m靠尺及塞尺检查安装后墙面的平整度和垂直度。
5、一面隔墙安装完毕,经检查合格后,在24h左右用C20干硬性豆石混凝土将板的底部填塞密实待7天后,混凝土强度达到10Mpa 以上时,撤出木楔等用同等强度的细石混凝土将木楔留下的空洞填实。
6、铺设电线管和接电线盒。
按电气安装图找准位置,划出定位线,铺设电线管,移接电线盒。
要安装的电线管应顺条板的板孔铺设,不得横向或斜向铺设。
7、板缝处理“上述工序完成后,在板缝企口相连处满刮涂一层嵌缝剂,厚度宜为2mm~3mm。
同时将嵌缝带、粘结到板缝间,用抹子将嵌缝带压入到嵌缝剂中。
最后用嵌缝剂同板面找平。
板间的板缝采用100mm宽的网格布,板与主体结构墙面或门窗洞口连接处应采用加宽的200nn。
一周后,检查所有的板缝和其他板与主体结构连接的缝隙是否良好。
若有裂缝出现,要进行修补。
尤其在阴角和阳角处更要仔细观察和处理。
8、板面处理:为了保护板面和装修的便利,宜在板安装干燥后对板面整体进行处理。
轻质墙板施工方案1. 简介轻质墙板,也称作隔墙板,是一种轻质建筑材料,由轻质矿渣、水泥、硅灰等原料制成。
它具有重量轻、隔音、隔热、阻燃等特点,广泛应用于住宅、商业建筑、工业厂房的隔墙、隔音、隔热等方面。
本文将介绍轻质墙板的施工方案,包括准备工作、施工过程和施工注意事项等内容。
2. 准备工作施工前,需要进行一些准备工作,以确保施工的顺利进行。
2.1 材料准备首先,要准备好施工所需的材料。
主要材料包括轻质墙板、水泥、石膏粉、固化剂、防水涂料等。
2.2 工具准备除了材料外,还需要准备施工所需的工具。
主要工具包括龙骨支架、电钻、电锯、水平仪、刮板、批刀等。
2.3 基础处理在施工前,需要对基础进行处理。
清除基础表面的灰尘、油污等杂质,确保基础表面平整、干燥,并进行必要的防水处理。
3. 施工过程3.1 安装龙骨支架首先,在墙面上安装龙骨支架。
龙骨支架的间距一般为600mm,可根据实际情况进行调整。
使用电钻和膨胀螺丝将龙骨支架固定在墙面上。
3.2 制作轻质砂浆将轻质墙板预先浸水2-3小时,然后将水泥、石膏粉、固化剂等材料按一定比例混合制作轻质砂浆。
将混合好的轻质砂浆倒入搅拌机中,搅拌均匀,直至砂浆呈现出均匀细腻的状态。
3.3 安装轻质墙板将制作好的轻质砂浆均匀涂抹在墙板与龙骨之间,然后将轻质墙板放置在涂抹好砂浆的位置上,并用力按压,确保墙板与龙骨之间形成牢固的粘合。
墙板之间的缝隙用砂浆填充平整。
3.4 防水处理轻质墙板施工完成后,对墙面进行防水处理。
使用刮板将防水涂料均匀涂抹在墙面上,并确保涂料的密封性和均匀性。
3.5 表面处理待防水涂料干透后,对墙面进行表面处理。
使用刮板将墙面上的凹凸不平处进行修整,然后用批刀将墙面进行腻子处理,使墙面表面平整光滑。
4. 施工注意事项•在施工过程中,要注意保持施工现场的整洁,及时清理施工过程中产生的垃圾和杂物。
•各个施工环节要与相关施工规范保持一致,确保施工质量。
•施工过程中要注意安全,佩戴好工程安全帽、安全眼镜等个人防护装备。
第一章工程概况及特点万科第五城二期工程项目是由成都万润锦置业有限公司投资建设,建设地点为成都市双流九江地块;该项目由筑博设计有限公司成都分公司设计,建筑结构类型为框架结构,建筑分类为多层住宅,建筑总层数27层,抗震设防烈度为7度,设计使用年限为50年。
轻质隔墙施工范围为楼梯间、走道隔墙,卫生间、厨房隔墙以及分户墙和分室隔墙,均采用90型陶粒混凝土轻质隔墙板;规格为3000*600*90mm 我公司负责每栋楼1-27层范围内90型陶粒混凝土轻质隔墙板的供应及安装,立面面积约80000川。
第二章编制依据一、编制依据1、《建筑装饰装修工程质量验收规范》(GB50210-2011 ;2、《灰渣混凝土空心隔墙板》(JBT23449--2009);L —3、《建筑轻质条板隔墙技术规程》(JGJ/T157 —2014);4、国家建筑标准设计图集《内隔墙--轻质条板(一)(10J113-1);5、万科住宅建筑构造图集《预制内墙板工艺工法》(13VKJ-131);6、《建筑用轻质隔墙条板》(GB/T23451- 2009);7、总包方项目部提供的图纸。
二、质量、安全、文明施工目标结合本工程的实际情况,我公司的质量目标为成都市合格工程。
严格遵守国家、住建部、省市县颁布的安全生产有关规定,加强安全管理与教育,严格执行有关防火、施工安全规定,安全控制目标为无死亡事故和重伤事故。
无火灾事故、无中毒、无重大设备事故;轻伤负伤率控制在0.15%以内。
贯彻住建部《建筑工程施工现场管理规定》,遵守成都市建委有关文明施工的规定,强化现场文明施工管理工作。
本工程文明施工目标为安全文明施工合格工地。
第三章施工部署和施工准备第一节施工现场部署1、结合本项目体量大,工期随建设进度穿插施工,工序要求严格的特点,我公司决定成立万科第五城陶粒混凝土轻质墙板安装工程项目部,统一指挥、协调阶段和工序的人员组织安排和材料供应,人员架构组织如下:生产经理:技术负责人:施工员:安全员:(兼职)2、现场负责做好工程工作任务的具体安排和组织管理,确保每道工序皆符合方案和规范的要求,保证工程质量达到预期的目标。
轻质隔墙板的施工方法轻质隔墙板安装前,场地可得收拾好呢。
把地面打扫得干干净净的,可不能有那些个小石子或者杂物啥的,不然隔墙板放上去都不平坦,就像人站在坑洼的地上,多难受呀。
咱再说这隔墙板的搬运。
这可不能太粗暴啦,要轻拿轻放。
就像对待小宝贝一样,要是磕着碰着了,可能就会影响它的质量呢。
开始安装的时候呀,要先确定好位置。
就跟咱找房子住一样,得找个合适的地儿。
用墨斗线弹好线,这线就像导航一样,给隔墙板指明方向。
沿着线来安装,保证隔墙板排得整整齐齐的。
在安装过程中,得用到一些粘结材料。
这就好比是给隔墙板和墙面之间牵红线呢。
把粘结材料均匀地涂抹上,可不能这儿厚那儿薄的,不然有的地方粘得牢,有的地方就容易出问题。
就像两个人交朋友,要是对一个热情对一个冷淡,这友谊可长久不了。
两块隔墙板拼接的时候呀,要严丝合缝。
就像拼图一样,一块挨着一块,中间不能留太大的缝隙。
要是有缝隙,不仅不美观,还可能影响隔音啥的功能呢。
还有呀,安装的时候要注意垂直度。
要是隔墙板歪歪斜斜的,那可太难看啦,整个屋子的感觉都被破坏了。
这就好比一个人站得歪歪扭扭的,看着就不精神。
固定隔墙板的时候,该用钉子用钉子,该用卡件用卡件。
就像给它穿上小铠甲一样,让它稳稳当当的。
不过钉子也不能乱钉,要按照规定的位置来,不然可能会把隔墙板弄坏呢。
等安装完了呀,咱们还得检查检查。
看看有没有不牢固的地方,有没有缝隙没处理好的。
这就像做完一件事要检查检查有没有小错误一样,可不能马虎哦。
轻质隔墙板的施工其实也不是特别难,只要咱细心一点,按照这些小方法来,就能把隔墙板安装得又好又漂亮啦。
宝子们要是自己动手,一定要加油哦。
轻质隔墙板施工方案一、引言轻质隔墙板广泛应用于现代建筑中,其具有轻便、方便安装、防火、隔音等特点,成为建筑行业中常用的隔墙材料。
本文将介绍轻质隔墙板施工的步骤和注意事项,以帮助施工人员顺利完成施工任务。
二、准备工作在施工开始之前,需要进行一些准备工作,以确保施工的顺利进行。
1.材料准备•轻质隔墙板:根据需求选择规格和厚度合适的轻质隔墙板,确保材料的质量符合标准。
•墙面龙骨:选择适合的墙面龙骨,常用的有金属龙骨和木质龙骨两种。
•混凝土钉:用于固定龙骨和隔墙板的连接。
•隔墙螺丝:用于固定隔墙板之间的连接。
2.工具准备•水平仪:用于检测墙体和龙骨的水平度。
•手电钻:用于固定龙骨和隔墙板。
•手锯或电锯:根据需要选择合适的锯具。
•起子:用于拆卸和固定螺丝。
•测量工具:如卷尺、量角器等。
3.施工计划在施工前,将施工范围进行清理,并制定详细的施工计划。
确定好施工的先后顺序,将施工过程分阶段进行,确保施工的连贯性和高效性。
三、施工步骤1.测量和标记首先,根据设计要求,使用测量工具对墙体进行测量,确定隔墙板的布局和位置。
在墙面上进行标记,以便后续施工。
2.安装墙面龙骨根据标记的位置,使用手电钻将墙面龙骨固定在墙上。
使用水平仪检测其水平度,并使用混凝土钉固定。
3.安装底部轻质隔墙板将底部轻质隔墙板放在墙面龙骨上,与地板保持一定的间隙,使用隔墙螺丝将其固定在墙面龙骨上。
确保底部隔墙板的水平度。
4.安装中间轻质隔墙板依次将中间的轻质隔墙板放在底部隔墙板之上,使用隔墙螺丝将其固定在墙面龙骨上。
确保中间隔墙板之间的连接紧密且水平。
5.安装顶部轻质隔墙板将顶部轻质隔墙板放在中间隔墙板之上,使用隔墙螺丝将其固定在墙面龙骨上。
确保顶部隔墙板的水平度。
6.填充隔墙板空隙使用轻质隔墙板填充剂填充隔墙板之间的空隙,确保整个隔墙表面平整。
7.表面处理根据需求,对轻质隔墙板进行表面处理,可以选择进行涂料、贴瓷砖、壁纸等装饰。
四、注意事项•施工前务必进行充分的准备工作,材料和工具要齐全,并做好施工计划。
轻质隔墙板施工方案一、引言轻质隔墙板是一种用于室内隔断的新型建筑材料,其具有质轻、环保、隔声隔热效果好等优点,因此在建筑行业中得到了广泛的应用。
本文将介绍轻质隔墙板的施工方案,包括施工材料、施工步骤和注意事项。
二、施工材料1. 轻质隔墙板:选用高质量的轻质隔墙板,确保其质量可靠。
2. 铁制支架:用于支撑隔墙板的结构,选择坚固耐用、质量可靠的铁制支架。
3. 水泥砂浆:用于粘贴轻质隔墙板的材料,选择强度高、粘接力好的水泥砂浆。
4. 支撑和固定材料:包括螺钉、膨胀螺丝、镙丝等,用于固定轻质隔墙板和支撑铁制支架。
5. 抹灰材料:用于修补隔墙板与墙体之间的缝隙,选择粘结力强、防裂性好的抹灰材料。
三、施工步骤1. 准备工作:(1) 清理施工现场,确保工作区域清洁整齐。
(2) 根据设计图纸确定轻质隔墙板的定位和尺寸。
(3) 根据设计要求选择铁制支架,并按照墙体的尺寸预先加工。
(4) 检查施工所需材料是否齐全并质量可靠。
2. 铁制支架安装:(1) 根据设计图纸确定每块隔墙板之间的间距,并在墙体上做好标记。
(2) 根据标记线安装铁制支架,确保支架水平牢固。
(3) 安装好铁制支架后,使用水平仪进行验证,保证支架的平整度。
(4) 检查铁制支架的固定性和稳定性,确保能够承受轻质隔墙板的重量。
3. 轻质隔墙板安装:(1) 根据设计要求,将轻质隔墙板切割成合适的尺寸,以适应墙体的高度。
(2) 使用水泥砂浆将轻质隔墙板粘贴在铁制支架上,确保各个板材之间的间隙均匀。
(3) 按照设计要求进行固定,使用螺钉或膨胀螺丝将轻质隔墙板牢固地固定在铁制支架上。
(4) 安装完一块轻质隔墙板后,用水平仪对其进行调整,确保板材的垂直度和平衡度。
然后继续安装下一块隔墙板,直至完成整个隔墙的安装。
4. 缝隙处理:(1) 使用抹灰材料对轻质隔墙板与墙体之间的缝隙进行修补,保证隔墙的整体性和美观度。
(2) 在抹灰材料干燥后,进行打磨,并检查修补部分的平整度和一致性。
轻质隔墙安装施工方案1. 简介轻质隔墙是一种常用于办公室、商店和住宅等建筑中的隔断墙体。
相比传统的砖墙,轻质隔墙具有重量轻、施工速度快、环保节能等优点,因此越来越受到人们的青睐。
本文将详细介绍轻质隔墙的安装施工方案,并提供一些注意事项和施工要点,帮助读者更好地理解和掌握轻质隔墙的安装技巧。
2. 施工前准备在进行轻质隔墙的安装之前,需要进行一些施工前的准备工作:•评估工程需求:根据实际需求,确定隔墙所要达到的高度、长度、宽度以及所需的装修材料,为后续的施工提供依据。
•准备材料和工具:根据实际需要准备轻质隔墙所需的板材、型材、螺丝等材料,以及施工所需的工具,如电钻、尺子、锯子等。
3. 施工步骤步骤一:确定隔墙的位置和尺寸在施工现场,根据设计方案确定隔墙的位置和尺寸,并使用水平仪和铅垂线对准确位置进行标记。
步骤二:安装横、竖槽1.首先,在地面上划出轻质隔墙的轨道线,并使用电钻在地板上打孔,然后安装横槽。
2.接下来,在天花板上划出轻质隔墙的轨道线,并使用电钻在天花板上打孔,然后安装竖槽。
步骤三:安装隔墙板1.根据测量好的尺寸,将轻质隔墙板锯成相应的大小。
2.将隔墙板放置在横、竖槽中,用螺丝将其固定。
步骤四:处理连接处1.在隔墙板的连接处,使用隔板接头连接板与板之间的接缝,使其更加稳固。
2.在与地面及天花板的连接处,使用踢脚线和顶线进行装饰和固定。
4. 注意事项•在进行施工之前,要确保施工现场的空气流通良好,尽量避免粉尘和噪音对周围环境的影响。
•施工人员应佩戴好安全帽、防护手套等,确保施工过程中的人身安全。
•在切割材料时,应注意安全,避免意外伤害。
5. 施工要点•在进行轻质隔墙施工时,要保证板与板之间的接缝平整、紧密。
可以使用尺子或水平仪进行调整,确保隔墙的垂直度和平直度。
•在使用电钻进行装饰板的固定时,要掌握合适的力度,避免损坏板材。
•在施工过程中,要随时检查隔墙的稳定性,并及时进行处理,确保隔墙的安全使用。
北京公司轻型条板隔墙施工指引(稿)编制目的:1、为提高施工工效,拟在北京公司项目推广使用轻型条板隔墙。
2、为预防和控制轻型条板隔墙在施工过程中出现的质量通病,保证施工质量,特编制本指引。
编制依据:1、中华人民共和国行业标准《建筑轻型条板隔墙技术规程》—JGJ/T157—20082、中华人民共和国行业标准《建筑隔墙用轻质条板》—JG/T169—20053、北京市地方标准《轻骨料混凝土隔墙板施工技术规程》—DB11//T491-20074、北京市地方标准《轻质隔墙条板质量检验评定标准》—DBJ01-29专项说明:1、本指引中轻型条板隔墙指户内分室隔墙,厚度分90mm、120mm两种。
具体选用应根据工程设计要求。
2、本指引中轻型条板隔墙使用的轻型条板暂指钢丝或钢网架增强轻骨料混凝土空心条板(以下简称“轻型条板”)。
3、标准轻型条板的宽度为595mm,长度≤3000mm。
异型轻型条板:如门(窗)框板、门(窗)上板、窗下板等尺寸按工程设计要求确定。
4、北京地区为抗震设防区,根据《建筑轻型条板隔墙技术规程》—JGJ/T157—2008第4.2.10条的规定,轻型条板的连接件应采用镀锌钢板卡件,并使用胀管螺钉、射钉固定。
5、本指引中要求嵌缝带材料为聚酯无纺布。
6、有防水要求的房间使用轻型条板隔墙时,隔墙板下应做150mm高C20细石混凝土墙垫,宽度同墙厚。
内配48通长钢筋,箍筋6@200。
对于申报“长城杯”的工程,墙垫的高度应符合相应的要求。
一、一般规定1、轻型条板隔墙安装前,施工单位应编制轻型条板隔墙专项施工方案。
并应符合下列规定:绘制轻型条板隔墙排版图(平面、立面)。
图中应标明轻型条板种类、规格尺寸;门(窗)洞口的位置、尺寸;预埋管线、插座、开关盒的位置、尺寸、数量;预埋件及U型镀锌钢板卡的位置、数量、规格种类等。
编制轻型条板隔墙安装构造图及相关技术资料,应包括轻型条板与轻型条板间的连接构造,轻型条板与楼板(梁)顶面、楼(地)面、墙垫(有防水要求的房间)以及主体结构墙(柱)的连接做法,轻型条板门窗洞口的构造做法,U型、H型镀锌钢板卡件、预埋件做法,轻型条板隔墙内暗埋管线及吊挂重物的加固构造和修补措施,门洞口防撞保护措施等。
轻质隔墙板施工方案轻质隔墙板施工方案隔墙板是一种轻质隔墙材料,具有隔音、隔热、防火等优点,广泛应用于室内装修中的隔断墙工程。
以下是一种常见的轻质隔墙板施工方案:材料准备:1. 轻质隔墙板:选择优质的轻质隔墙板材料,尺寸根据实际需求定制。
2. 铝合金或钢材金属龙骨:作为隔墙板的支撑结构,确保隔墙板的稳固性。
3. U型型钢或木龙骨:用于墙角和门洞处的固定和支撑。
4. 涂料:用于粘贴隔墙板和涂饰表面。
5. 固定件:如螺丝、铆钉等,用于固定隔墙板和龙骨。
施工步骤:1. 测量和规划:根据实际需求,测量出墙体的具体尺寸,并进行排线和规划。
确定隔墙板和龙骨的安装位置。
2. 安装金属龙骨:根据规划的位置,用螺丝固定金属龙骨,确保其牢固性和稳定性。
留出适当的距离和间隙以便将隔墙板安装在上面。
3. 安装木龙骨:根据规划的位置,用螺丝固定木龙骨在墙角和门洞处,起到支撑和固定的作用。
4. 安装轻质隔墙板:将轻质隔墙板按照规定的尺寸剪裁成合适的大小,用螺丝或铆钉固定在金属龙骨上。
保持隔墙板之间的间隙均匀,以便后续工序的进行。
5. 补充固定和调整:检查隔墙板的固定情况,并根据需要进行调整。
确保隔墙板的安装牢固和水平。
6. 填平缝隙和抹灰:将隔墙板之间的缝隙填平,可以采用胶水或填缝剂。
之后进行抹灰,使整个隔墙表面平整光滑。
7. 涂饰和装饰:等待墙面抹灰干燥后,可以进行涂饰和装饰,如刷漆、贴壁纸等。
注意事项:1. 施工过程中应注意安全,佩戴好安全防护用品,如手套、眼镜等。
2. 在安装隔墙板之前,检查墙体平整度和垂直度,必要时进行修整和调整。
3. 按照厂家提供的安装指南进行施工,不可随意更改和省略步骤。
4. 施工前应多次检查和确认尺寸和位置,避免出现错误。
5. 在施工过程中及时清理工地,保持整洁,并及时处理施工中出现的问题。
6. 如有需要,可根据具体情况添加其他支撑和固定措施,以提高隔墙板的稳定性和牢固性。
以上是一种常见的轻质隔墙板施工方案,施工顺序和步骤可根据实际情况灵活调整和变化。
轻质隔墙板施工方案一、方案介绍轻质隔墙板是一种运用于室内隔板施工的新型建筑材料。
它由轻质骨料、水泥、石膏和黏结材料等经过一系列工艺制作而成。
因其重量轻、施工方便、隔音隔热效果好等优点,被广泛应用于商业、住宅和办公场所的隔墙装修中。
本文将介绍轻质隔墙板的施工方案,帮助您了解其施工流程和注意事项。
二、施工准备在开始施工轻质隔墙板之前,需进行以下准备工作:1.材料准备:准备好轻质隔墙板、胶粉、扣板和螺丝等施工所需材料。
2.工具准备:准备好电钻、木工锯、水平仪、螺丝刀、橡皮锤等施工所需工具。
3.平整墙面:确保施工墙面平整、无明显凹凸。
4.规划布线:根据所需功能规划好电线和插座的位置。
三、施工步骤1.标线:根据需要将隔墙板的位置和大小标在墙面上。
2.切割隔墙板:使用木工锯将隔墙板按照标线的尺寸切割成合适的大小。
3.测量:使用水平仪和尺寸工具测量隔墙板和墙面的垂直度和水平度。
4.混合胶粉:按照说明书比例将胶粉和水混合均匀,制作成糊状。
5.涂胶:用刮板将胶粉均匀地涂抹在隔墙板的边缘上。
6.贴板:将涂抹了胶粉的边缘对准标线,将隔墙板贴在墙面上。
7.压实:用橡皮锤轻轻敲击隔墙板,使其与墙面紧密贴合。
8.固定:使用螺丝刀和螺丝将隔墙板固定在墙面上,确保其稳固。
9.接缝处理:使用胶粉将隔墙板之间的接缝填平,使其表面平整。
10.粉刷:等隔墙板完全干燥后,使用刷子或辊筒对其进行粉刷,使其与周围墙面颜色一致。
11.安装电线和插座:根据规划好的布线位置,进行电线和插座的安装。
12.清理:清理施工现场,清除杂物和垃圾。
四、施工注意事项在进行轻质隔墙板施工时,需要注意以下事项:1.安全第一:在施工过程中,确保使用合适的个人防护设备,如手套、护目镜等。
2.施工布局:合理规划隔墙板的位置和数量,确保布局美观、功能合理。
3.施工顺序:按照从上到下、从左到右的顺序进行施工,以保证施工效率和质量。
4.墙面处理:在施工前应仔细检查墙面,如有质量问题需进行修复和处理。