小清河干流水环境容量的计算
- 格式:pdf
- 大小:150.70 KB
- 文档页数:3
济南市小清河水质评价及环境需水量研究的开题报告
一、研究背景及意义
小清河是济南市的一条重要河流,发源于平阴县,流经历城、历下、市中、槐荫四区,最终汇入黄河。
随着济南市城市化进程的加快,城市生活和工业用水需求不断增加,小清河的水质状况和环境需水量已经成为关注的焦点。
为了保护小清河的水资源和环境,有必要对其水质进行评价和环境需水量进行研究,为科学有效地开展小清河水资源管理和保护工作提供科学依据。
二、研究目的
1.评价小清河的水质状况,分析其水质污染现状和来源特征,并提出相应的防治措施。
2.研究小清河的环境需水量,分析其地表水资源的开发利用情况,并探讨如何合理利用和保护小清河地表水资源。
三、研究内容和方法
1.水质评价:对小清河流域内的水环境质量进行采样分析,建立水质评价指标体系,利用统计方法对采样结果进行分析和综合评价。
2.环境需水量估计:基于Small和Wang公式,结合小清河流域的气候和地形条件,计算小清河的环境需水量和实际供水量,并分析其供需状况。
3.措施建议:根据研究结果,提出小清河水质改善和地表水资源合理利用的措施建议。
四、研究进度安排
1.文献调研和问题提出:2周
2.水质采样和分析:2周
3.环境需水量计算:2周
4.数据处理和分析:2周
5.撰写开题报告和论文:2周
五、预期研究成果
1.小清河水质评价报告。
2.小清河环境需水量研究报告。
3.提出小清河水资源管理和保护的科学建议。
山东省中小河流治理工程初步设计设计洪水计算指导意见设计洪水成果是影响治理工程规模和投资的重要因素,客观、科学、合理地确定设计洪水成果尤为重要。
由于我省众多的中小河流缺乏实测洪水流量系列资料,其设计洪水多采用由暴雨资料间接推求的办法,因该办法中的降雨产流关系是上世纪七十年代初期根据当时的情况拟定的,经过近40年的水利及农业生产等人类活动的影响,下垫面发生了很大变化,使产流汇流条件发生了较大变化,采用原产流关系计算的设计洪水成果明显偏大。
为了较为客观、科学、合理地确定设计洪水成果,特提出以下指导意见。
一、依据1.《水利水电工程设计洪水计算规范》SL 44-2006;2.《堤防工程设计规范》GB 50286-983.《山东省大、中型水库防洪安全复核设计洪水计算办法》。
4.河道治理工程设计标准:1)《防洪标准》GB 50201-942)《水利水电工程等级划分及洪水标准》SL 44-2000 3)山东省中小河流治理工程一般防洪设计标准为20年一遇;排涝设计标准为5年一遇;涵洞的排水标准10年一遇;比较重要的河段防洪标准为50年一遇;鲁北地区设计标准为典型年法,采用“61年雨型”防洪,“64年雨型”排涝。
二、适用范围适用于流域面积200~3000km2的中小河流。
三、基本资料的搜集和整理1. 应详细说明治理河流所处地理位置、所属水系,流域面积、河道长度、流域形状、支流分布、河网密度;流域内地形、地貌、植被及水土保持等自然地理概况;该河流所处市(县、区)境内流域面积、河道长度;治理河段以上流域面积(其中山丘区、平原区面积各占比重)、河道长度,并注明桩号。
2. 应说明流域内水文气象概况,包括××年~××年多年平均降水量,汛期降水量,降雨量的年内、年际分布特点;多年平均年径流量,径流量的年内、年际分布特点;多年平均水面蒸发量;多年平均风速、最大风速及风向等有关水文、气象概述。
水环境容量计算模型1)河流水环境容量模型水环境容量是在水资源利用水域内,在给定的水质目标、设计流量和水质条件的情况下,水体所能容纳污染物的最大数量。
按照污染物降解机理,水环境容量W 可划分为稀释容量W 稀释和自净容量W 自净两部分,即:W W W =+稀释自净稀释容量是指在给定水域的来水污染物浓度低于出水水质目标时,依靠稀释作用达到水质目标所能承纳的污染物量。
自净容量是指由于沉降、生化、吸附等物理、化学和生物作用,给定水域达到水质目标所能自净的污染物量。
河段污染物混合概化图如图11。
4—1。
根据水环境容量定义,可以给出该河段水环境容量的计算公式:图11.4—1 完全混合型河段概化图0()i si i i W Q C C =-稀释i i si i W K V C =⋅⋅自净即:0()i i si i i i si W Q C C K V C =-+⋅⋅考虑量纲时,上式整理成:086.4()0.001i i si i i i si W Q C C K V C =-+⋅⋅其中:当上方河段水质目标要求低于本河段时:0i si C C =当上方河段水质目标要求高于或等于本河段时:00i i C C =式中:i W -第i 河段水环境容量(kg/d );i Q -第i 河段设计流量(m 3/s );i V —第i 河段设计水体体积(m 3);i K —第i 河段污染物降解系数(d -1);si C —第i 河段所在水功能区水质目标值(mg/L );0i C —第i 河段上方河段所在水功能区水质背景值(mg/L ),取上游来水浓度。
若所研究水功能区被划分为n 个河段,则该水功能区的水环境容量是n 个河段水环境容量的叠加,即:1ni i W W ==∑01131.536()0.000365n ni si i i i i i i W Q C C K V C ===-+⋅⋅∑∑式中:W —水功能区水环境容量(t/a);其他符合意义和量纲同上.2)湖泊、水库水环境容量计算模型有机物COD 、氨氮的水环境容量模型:在目前国内外的研究中,多采用完全均匀混合箱体水质模型来预测水库水体长期的动态变化,即将水库视为一个完全混合反应器时,有机物的容量计算模型可以用水体质量平衡基本方程计算。
基于管理目标的东营市小清河区生态环境需水量研究的开题报告一、研究背景和意义随着我国经济社会的发展和城市化进程的加快,城市用水量不断增加,给水资源供需矛盾日益加剧。
生态环境需水量是城市水资源管理和规划的重要依据,对保障城市生态环境的健康发展、维护生态平衡具有重要意义。
东营市小清河区作为一个经济发达的城市区域,经济社会发展迅速,城市建设不断扩张,生态环境的保护和改善已成为当前的热点和难点问题。
因此,研究东营市小清河区生态环境需水量,厘清相关因素对水资源的影响及其管理方法,有助于科学规划城市用水量,实现生态环境保护与经济社会发展的平衡发展。
二、研究内容和方法本研究拟通过对东营市小清河区生态环境需水量的研究,分析生态环境需水量的形成和演化过程,研究各种因素对生态环境需水量的影响,制定科学合理的水资源管理措施。
1.生态环境需水量的形成和演化过程研究。
通过归纳整理相关文献,探究生态环境需水量的概念、测算方法及其演化过程,使研究者对生态环境需水量的形成和演化有深刻的认识。
2.生态环境需水量的影响因素研究。
通过分析气候、土地利用、植被覆盖度等各种因素,探究这些因素对生态环境需水量的影响规律及相互关系。
3.水资源管理对生态环境的影响研究。
通过分析当前东营市小清河区水资源的利用现状、管理政策和管理措施,探讨这些因素对生态环境需水量的影响,并提出相应的管理建议。
三、预期结果和研究意义本研究通过对东营市小清河区生态环境需水量的研究,得出以下预期的研究结果:1.生态环境需水量的演化过程和变化规律得出。
通过对生态环境需水量的研究,分析其形成过程、演化趋势,了解生态环境需水量的总量和构成,以便科学制定生态环境资源利用和管理政策。
2.各种因素对生态环境需水量的影响及其相互作用得出。
通过对气候、土地利用、植被覆盖度等因素的分析和比较,探究各种因素对生态环境需水量的影响规律及其相互关系,为水资源管理提供依据。
3.提出针对东营市小清河区生态环境需水量的管理建议。
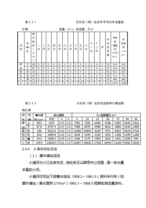
表2.4.1 引水坝(闸)址多年平均月年流量统计表流量:m3/s;径流量:万m3表2.4.2 引水坝(闸)址年径流频率计算成果统计表2.4.4 小清河坝址径流(1)犀牛塘站径流小清河为小江左岸支流,地处拱王山降雨中心范围,是一条水量丰富的小河。
小清河仅坝址下游箐水地站1958.3~1961.5(资料未刊布)和犀牛塘站(集水面积217km2)1963.1~1966.5短期实测流量资料。
小清河径流仅只能依据犀牛塘站这一短期与小江站同步流量相关推求。
犀牛塘站以上是雨量高值区,水量大,小江站以上流域范围降雨虽有一致性,但降雨量大小有一定差别。
小江站面雨量大而小清河不大,相反小清河雨量大而面雨量不大,使之犀牛塘与小江站流量大小不相应。
两站月平均流量相关点分布较散乱,个别相关点偏离较大,相关线拟定难以考虑这些突出点,相关线当小江月平均流量在18.5m3/s以下的相关点为另一分布系统,表明小江站地下径流量补给丰富,以此在小江流量18.5m3/s上下分别拟定两条相关线,据此插补犀牛塘1954~1957.12、1965~1989年12月径流量与实测流量组成1954~1989年36年径流系列。
(2)小清河坝址径流小清河坝址径流由犀牛塘站径流系列按面积比的一次方推算。
从地形对降雨量影响分析,小清河上、中、下游的降雨量大小是不一样的,由此推算的坝址径流需乘以不同的雨量修正系数,以上换算的径流即为小清河坝址所推算的径流。
坝址多年平均月流量见表2.4.1。
坝址年平均流量4.64m3/s,年平均径流量14628万m3,年径流模数139.4万m3/km2,为诸条引水河流之首。
6~11月占年水量的88.6%,6月流量为5月流量的6.46倍,汛初水量增加也较其他河流为盛,8月流量最大,4月流量最小,两者之比为19.2倍。
最大年平均流量为1968年的8.67 m3/s,最小年平均2.6.3 小清河坝址泥沙小清河无泥沙观测资料,与邻近的小江站以上流域自然地理概况有较大的差异,产沙情况不一样,难以利用小江站泥沙资料估算。
小清河水环境治理方案的若干构想本文主要论述了小清河水污染的成因,并从截污治污、生态清淤、生物治污、生态补水、雨洪利用、利用信息技术、管理体制改革等方面,综合分析了治理小清河水环境的方案。
标签:截污;补水;清淤1 小清河水环境现状小清河发源于济南市泉群,是济南城区唯一的排洪河道,自西向东流经济南市槐荫区、天桥区、历城区、章丘市,境内长度70.5km,流域面积2792km2。
共有大小支流28条,多数支流位于右岸,流经城区工商业发达及人口稠密的地区。
在城市工业化之前,小清河是一条水质清澈的河流。
上世纪70年代以来,随着济南市工业的发展、城市的扩张、人口的增加,产生的工业及生活污水也大量增加,远远超出河流自净能力,大量废水都通过支流注入了小清河,导致小清河水质严重恶化,水体黑臭、鱼虾绝迹、垃圾漂浮、蚊蝇滋生,两岸居民深受其害。
2007年,济南市启动了小清河综合治理工程,工程共分两期,一期工程治理从林家桥至济青高速公路桥,于2009年全运会前基本完成,二期工程从林家桥到源头睦里闸,于2012年基本完工。
工程完工后,河底挖深,河槽拓宽,防洪能力有明显增强。
同时,小清河综合治理后,直排入河的污水口大幅减少,大部分污水可以经几个污水处理厂处理后排放,水质比综合治理前有所改善。
但是,由于污水处理能力尚存在缺口,部分污水得不到处理,根据2014年的数据,每天仍有5万吨污水直排小清河,同时,污水处理厂的现有设备的处理能力也无法满足要求,经处理后排入小清河的污水,虽然水质比处理前有所改善,但出水口检测结果仍然是劣V类。
目前,小清河部分河段黑臭的现象没有解决,尤其是汛期停止补源与蓄水、支流大量污水随雨水排入干流时,问题更加严重。
2 改善小清河水质的工程措施2.1 截污治污截污目的是实现清污分流。
目前小清河的污水主要来自两方面,一是通过涵管直接排入干流,这种情况在综合治理之后,较少发生;二是排入支流后进入干流;三是,应对措施一是全部封闭干流所有污水管,二是对支流进行综合治理,通过埋设污水管将污水收集后进入污水管网。
小清河流域水生态状况评价及生态修复研究张晓瑾;矫桂丽;吕绍娟;韩晓;曾骥;王立萍;曲玲【期刊名称】《治淮》【年(卷),期】2016(000)001【总页数】2页(P55-56)【作者】张晓瑾;矫桂丽;吕绍娟;韩晓;曾骥;王立萍;曲玲【作者单位】山东省水文局 250000;山东省水文局 250000;山东省水文局 250000;山东省水文局 250000;山东省水文局 250000;山东省水文局 250000;山东省水文局 250000【正文语种】中文小清河干流发源于济南市区四大泉群,自西向东流经济南、淄博、滨州、东营、潍坊5市的18个县、市、区,于寿光市羊口镇汇入渤海莱州湾。
小清河干流河道长237km,支流湖泊众多,主要有孝庄河、绣江河、漯河、淄河、全福河、大明湖、马踏湖等。
小清河流域人口1123.1万人,工业主导行业以化工、石油加工、建材、纺织、造纸等为主。
小清河干流河道具有海河联运、农田灌溉、水产养殖等功能,是山东省重点河道之一,也是沿岸城市重要的排水河道,因此对小清河流域水生态状况及保护措施研究具有重要意义。
水生态评价指标包括水资源开发利用程度、流量变异程度、水功能区水质达标率、湖库富营养化指数、纵向连通性、重要湿地保留率、鱼类生境状况、景观保护程度和生态基流满足程度,评价指标及评价标准见表1和表2。
生态基流是指为维持河流基本形态和基本生态功能的河道内最小流量。
结合山东河流流量季节分配不均的实际情况,拟采用非汛期年均天然径流量的3%核算非汛期生态基流、采用汛期年均天然径流量的5%核算汛期生态基流。
小清河流域水生态状况评价河流长度375.4km、湖泊面积50km2,涉及济南、淄博、滨州及潍坊共4个地市。
评价范围及评价结果见表3。
1.水资源开发利用程度水资源开发利用程度为优良的河长为304.2km,占评价河长的81%,水资源开发利用程度为差的河流长度为71.2km,占评价河长的19%。
评价湖泊水资源开发利用程度为优。
山东省小清河流域水污染物综合排放标准前言本标准的全部技术内容为强制性。
为实现小清河流域水质目标,确保流域水环境安全,保障人体健康,维护生态平衡,促进经济、社会和环境协调发展,根据《中华人民共和国环境保护法》、《中华人民共和国水污染防治法》、《山东省环境保护条例》、《山东省水污染防治条例》的规定,结合山东省小清河流域实际,特制定本标准。
本标准的附录A为规范性附录。
本标准由山东省环境保护局提出并负责解释。
本标准起草单位为山东省环境规划研究院。
本标准主要起草人:张波、沈浩松、史会剑、谢刚、张亚峰、王秀刚、董超本标准于2006年12月首次发布。
山东省小清河流域水污染物综合排放标准1 范围本标准规定了向小清河干流汇水的区域内69种水污染物排放限值。
本标准适用于向小清河干流汇水的区域内一切排污单位水污染物的排放管理、建设项目的环境影响评价、建设项目环境保护设施设计、竣工验收及其投产后的排放管理。
2 规范性引用文件下列文件中的条款通过本标准的引用而成为本标准的条款。
凡是注日期的引用文件,其随后所有的修改单(不包括勘误的内容)或修订版均不适用于本标准,然而,鼓励根据本标准达成协议的各方研究是否可使用这些文件的最新版本。
凡是不注日期的引用文件,其最新版本适用于本标准。
GB 3838-2002 地表水环境质量标准GB 8978-1996 污水综合排放标准GB/T 5750-1985 生活饮用水标准检验法GB 18871-2002 电离辐射防护与辐射源安全基本标准GB 18918-2002 城镇污水处理厂污染物排放标准GB/T 7468 水质总汞的测定冷原子吸收分光光度法GB/T 14204 水质烷基汞的测定气相色谱法GB/T 7466 水质总铬的测定GB/T 7467 水质六价铬的测定高锰酸钾氧化-二苯碳酰二肼分光光度法GB/T 7475 水质铜、锌、铅、镉的测定原子吸收分光光度法GB/T 7472 水质锌的测定双硫腙分光光度法GB/T 7474 水质铜的测定二乙基二硫代氨基甲酸钠分光光度法GB/T 7485 水质总砷的测定二乙基二硫代氨基甲酸银分光光度法GB/T 11910 水质镍的测定丁二酮肟分光光度法GB/T 11912 水质镍的测定火焰原子吸收分光光度法GB/T 11895 水质苯并(α)芘的测定乙酰化滤纸层析荧光分光光度法GB/T 13198 水质苯并(a)芘的测定高效液相色谱法GB/T 11907 水质银的测定火焰原子吸收分光光度法GB/T 6920水质pH值的测定玻璃电极法GB/T 11903 水质色度的测定GB/T 11901 水质悬浮物的测定重量法GB/T 7488 水质五日生化需氧量(BOD5)的测定稀释与接种法GB/T 11914 水质化学需氧量的测定重铬酸盐法GB/T 16488 水质石油类和动植物油的测定红外光度法GB/T 7490 水质挥发酚的测定蒸馏后4-氨基安替比林分光光度法GB/T 7486 水质氰化物的测定第1部分:总氰化物的测定GB/T 16489 水质硫化物的测定亚甲基蓝分光光度法GB/T 7478 水质铵的测定蒸馏和滴定法GB/T 7484 水质氟化物的测定离子选择电极法GB/T 11893-1989 水质总磷的测定钼酸铵分光光度法GB/T 13197 水质甲醛的测定乙酰丙酮分光光度法GB/T 11889-1989 水质苯胺类化合物的测定N-(1-萘基)乙二胺偶氮分光光度法GB/T 13194-1991 水质硝基苯、硝基甲苯、硝基氯苯、二硝基甲苯的测定气相色谱法GB/T 7494 水质阴离子表面活性剂的测定亚甲蓝分光光度法GB/T 11911-1989 水质铁、锰的测定火焰原子吸收分光光度法GB/T 11906 水质锰的测定高碘酸钾分光光度法GB/T 13192-1991 水质有机磷农药的测定气相色谱法GB/T 8972 水质五氯酚的测定气相色谱法GB/T 9803 水质五氯酚的测定藏红T分光光度法GB/T 15959 水质可吸附有机卤素(AOX)的测定微库仑法GB/T 17130-1997 水质挥发性卤代烃的测定顶空气相色谱法GB/T 17131-1997 水质1,2-二氯苯、1,4-二氯苯、1,2,4-三氯苯的测定气相色谱法GB/T 11890-1989 水质苯系物的测定气相色谱法GB/T 11898-1989 水质游离氯和总氯的测定N,N-二乙基-1,4-苯二胺分光光度法HJ/T 72-2001 水质邻苯二甲酸二甲(甲基二丁、二辛)酯的测定液相色谱法HJ/T 73水质丙烯腈的测定气相色谱法GB/T 11902 水质硒的测定2,3-二氨基萘荧光法GB/T 13193 水质总有机碳(TOC)的测定非色散红外线吸收法HJ/T 74水质氯苯的测定气相色谱法GB 12997-1991 水质采样方案设计技术规定GB 12998-1991 水质采样技术指导GB 12999-91 水质采样样品的保存和管理技术规定HJ/T 91-2002 地表水和污水监测技术规范建设项目环境保护设施竣工验收监测技术要求(试行)3 术语和定义下列术语和定义适用于本标准:3.1污水waste water在生产与生活活动中排放的废水的总称。
水环境容量计算方法中国环境规划院李云生2004.5•基本涵义•计算模型•计算步骤•校核方法第一部分水环境容量的基本涵义容量涵义技术指南中的概念定义•在给定水域范围和水文条件,规定排污方式和水质目标的前提下,单位时间内该水域最大允许纳污量,称作水环境容量。
•从上述定义可知,水环境容量主要决定于三个要素:水资源量、水环境功能区划和排污方式。
要素之一:水资源量•从某种意义上讲,水资源量是水环境容量基础;•为了确保用水安全,水环境容量计算采用的是较高保证率的水文设计条件;•并不是所有的水资源量都用来计算环境容量。
要素之二:水环境功能区•水环境功能区划体现人们对水环境质量的需求,反映了人们对水资源的态度:开发、利用或保护。
•已划分水环境功能区的水域,要从时间、空间两个方面规范功能区达标标准;•未划分水环境功能区的水域可不进行容量计算;若考虑计算,按较高功能标准进行(II类)。
要素之三:排污方式•排污口沿河(或其他水体)位置布设,对河流整体水环境容量影响较大;•排污口排放方式(岸边或中心,浅水或深水),对局部的污染物稀释混合影响很大;••第二部分水环境容量的计算模型•1、流域概化模型•2、水动力学模型•3、污染源概化模型•4、水质模型1、流域概化•将天然水域(河流、湖泊水库)概化成计算水域,例如天然河道可概化成顺直河道,复杂的河道地形可进行简化处理,非稳态水流可简化为稳态水流等。
水域概化的结果,就是能够利用简单的数学模型来描述水质变化规律。
同时,支流、排污口、取水口等影响水环境的因素也要进行相应概化。
若排污口距离较近,可把多个排污口简化成集中的排污口。
2、水动力学模型•最枯月设计条件•1、满足节点平衡方程•2、满足沿程连续方程河流径流量沿程概化河流流速沿程概化3、污染源概化模型• 污染源沿程位置概化 • 污染源源强概化• 1、若排污口距离较近,可把多个排污口简化成集中的排污口。
•• 2、距离较远并且排污量均比较小的分散排污口,可概化为非点源入河,仅影响水域水质本底值,不参与排污口优化分配计算。
水环境容量计算方法总结目录水环境容量计算方法总结 (1)目录 (1)一、一维模型 (1)二、二维模型 (4)三、感潮河段零维模型 (6)四、湖库模型 (6)一、一维模型1、适用范围:全国水环境容量核定技术指南1)宽浅河段;2)污染物在较短的时间内基本能混合均匀;3)污染物浓度在断面横向方向变化不大,横向和垂向的污染物浓度梯度可以忽略;4)一般情况下适用于河宽小于200m的河流,但注意利用不均匀系数对其容量进行修正。
2、一维衰减公式:排污口、支流排入断面完全混合模型:EP E E P P Q Q Q C Q C C ++= 式中:C 为断面混合后的水质浓度值;C P 为排污口排出的污水的水质浓度值;Q P 为排污口废水排放量;C E 为河水的水质浓度值;Q E 为河水流量。
3、算例:假设该河段水环境功能区目标为III 类,假设该河段上边界COD 来水控制目标为20mg/L ,90%最枯月保证率流量为20m³/s ,该河段平均流速为0.2m/s ,COD降解系数约0.1/d,概化排污口流量为1m³/s,COD浓度90mg/L,支流流量5m³/s,COD浓度为25mg/L。
C 目=Q∗C∗exp(−k∗X186400u)+q∗c+WQ+qexp(−kX286400u)通过上游来水衰减,区间内中间混合后衰减等于水质目标,可以反推出区间内水环境容量,注意公式中的单位,通过上述公式算出的W单位为g/s。
Q:m³/s、C:mg/L、u:m/s、K:1/d、x:m。
(1)上边界→节点1(混合前浓度):C2=C1*exp( kx/u)=20*exp( 0.1*20000/86400/0.2)=18.875mg/L(2)概化排污口汇入混合:C3=(c1*q1+C2*Q1)/(q1+ Q1)=(90*1+18.875*20)/(20+1)=22.262mg/L(3)节点1→节点2:C4= C3*exp( kx/u)=22.262*exp( 0.1*5000/86400/0.2)=21.627mg/L(超标)(4)节点2→节点3(混合前浓度):C5= C4*exp( kx/u)=21.627*exp( 0.1*20000/86400/0.2)=19.264mg/L(5)支流汇入混合:C6=(c2*q2+C5*Q2)/(q2+ Q2)=(25*5+19.264*21)/(5+21)=20.367mg/L(6)节点3→节点4:C7= C6*exp( kx/u)=20.367*exp( 0.1*5000/86400/0.2)=19.786mg/L(7)节点4→控制断面:C8= C7*exp( kx/u)=19.786*exp( 0.1*8000/86400/0.2)=18.891mg/L可见,该河段在现状排污情况下水质能达到地表水III类,但河段允许排放量根据实际情况分配不均匀,上游计算断面1存在超标情况,下游容量仍有富裕,在因此需进一步通过试算的方法,削减概化排污口排污量,此外可根据实际情况对下游支流水质目标进行适当调整,将容量进行合理分配。
摘要近年来,随着济南市建设的高速发展,小清河水环境污染日渐恶化,严重影响了其景观娱乐功能,因此想要实现水资源可持续利用科学管理水资源,必须进行水资源评价,这是水资源优化配置和水资源综合规划的一项重要的前期工作。
水环境质量评价中,涉及到大量的复杂现象和多种因素的相互作用,而且评价中存在大量的模糊现象和模糊概念,因此依据模糊数学原理,采用模糊综合评价模型和模糊模式识别模型两种方法对小清河水环境质量进行评价。
在查阅已有资料的基础上,整理出小清河的基本概况,根据小清河主要污染物,确定了以NH3-N、COD、BOD、挥发酚四个评价指标为评价标准,同时根据收集到的小清河监测数据,选择2004年睦里庄、马鞍山、五柳闸、还乡店、四个检测断面的原始数据作为研究对象。
在运用模糊综合评价模型和模糊模式识别模型两种方法进行水环境计算时,其中在确定评价因子权重时,综合考虑评价因子的贡献和指标的竞争程度,最后将“超标法”和“嫡权法”相结合,确定环境评价的综合权重,根据最大隶属度原则确定水环境质量等级。
对小清河水环境质量等级进行评价后,发现两种方法的评价结果均为:睦吸庄水质为111级、马鞍山水质为V级、五柳闸水质为V级、还乡店水质为V 级,故本文对小清河水环境质量评价合理。
第一章绪论1.1研究背景和意义水资源是重要的自然资源,更是自然环境的重要组成部分,是人类赖以生存和发展的不可或缺的宝贵自然资源。
我国是13个贫水国家之一,水资源己经成为制约社会经济发展的重要因素。
虽然水资源总量在世界6 中排第六名,可是人均占有量却仅仅相当于世界人均占有量的22%。
在全国669个城市中,缺水城市高达400多个,更令人不可思议的是,其中严重缺水的城市高达114个。
据统计调查,我国日缺水量为1600万吨,严重威胁到社会经济的发展,单单是因为缺水每年造成的直接经济损失便达达2000亿元左右。
随着近年来国内GDP的高速增长,社会经济和人民生活水平的迅猛发展,水环境问题更加尖锐,其中水环境的恶化是我国水环境变化最直接、最主要的表现之一,目前,我国水环境面临着三大问题[1]: 一是江河湖泊普遍遭受污染。
山东省小清河流域水污染物综合排放标准(DB37/656-2006)前言本标准的全部技术内容为强制性。
为实现小清河流域水质目标,确保流域水环境安全,保障人体健康,维护生态平衡,促进经济、社会和环境协调发展,根据《中华人民共和国环境保护法》、《中华人民共和国水污染防治法》、《山东省环境保护条例》、《山东省水污染防治条例》的规定,结合山东省小清河流域实际,特制定本标准。
本标准的附录A为规范性附录。
本标准由山东省环境保护局提出并负责解释。
本标准起草单位为山东省环境规划研究院。
本标准主要起草人:张波、沈浩松、史会剑、谢刚、张亚峰、王秀刚、董超本标准于2006年12月首次发布。
山东省小清河流域水污染物综合排放标准1 范围本标准规定了向小清河干流汇水的区域内69种水污染物排放限值。
本标准适用于向小清河干流汇水的区域内一切排污单位水污染物的排放管理、建设项目的环境影响评价、建设项目环境保护设施设计、竣工验收及其投产后的排放管理。
2 规范性引用文件下列文件中的条款通过本标准的引用而成为本标准的条款。
凡是注日期的引用文件,其随后所有的修改单(不包括勘误的内容)或修订版均不适用于本标准,然而,鼓励根据本标准达成协议的各方研究是否可使用这些文件的最新版本。
凡是不注日期的引用文件,其最新版本适用于本标准。
GB 3838-2002 地表水环境质量标准GB 8978-1996 污水综合排放标准GB/T 5750-1985 生活饮用水标准检验法GB 18871-2002 电离辐射防护与辐射源安全基本标准GB 18918-2002 城镇污水处理厂污染物排放标准GB/T 7468 水质总汞的测定冷原子吸收分光光度法GB/T 14204 水质烷基汞的测定气相色谱法GB/T 7466 水质总铬的测定GB/T 7467 水质六价铬的测定高锰酸钾氧化-二苯碳酰二肼分光光度法GB/T 7475 水质铜、锌、铅、镉的测定原子吸收分光光度法GB/T 7472 水质锌的测定双硫腙分光光度法GB/T 7474 水质铜的测定二乙基二硫代氨基甲酸钠分光光度法GB/T 7485 水质总砷的测定二乙基二硫代氨基甲酸银分光光度法GB/T 11910 水质镍的测定丁二酮肟分光光度法GB/T 11912 水质镍的测定火焰原子吸收分光光度法GB/T 11895 水质苯并(α)芘的测定乙酰化滤纸层析荧光分光光度法GB/T 13198 水质苯并(a)芘的测定高效液相色谱法GB/T 11907 水质银的测定火焰原子吸收分光光度法GB/T 6920水质 pH值的测定玻璃电极法GB/T 11903 水质色度的测定GB/T 11901 水质悬浮物的测定重量法GB/T 7488 水质五日生化需氧量(BOD5)的测定稀释与接种法GB/T 11914 水质化学需氧量的测定重铬酸盐法GB/T 16488 水质石油类和动植物油的测定红外光度法GB/T 7490 水质挥发酚的测定蒸馏后4-氨基安替比林分光光度法GB/T 7486 水质氰化物的测定第1部分:总氰化物的测定GB/T 16489 水质硫化物的测定亚甲基蓝分光光度法GB/T 7478 水质铵的测定蒸馏和滴定法GB/T 7484 水质氟化物的测定离子选择电极法GB/T 11893-1989 水质总磷的测定钼酸铵分光光度法GB/T 13197 水质甲醛的测定乙酰丙酮分光光度法GB/T 11889-1989 水质苯胺类化合物的测定 N-(1-萘基)乙二胺偶氮分光光度法GB/T 13194-1991 水质硝基苯、硝基甲苯、硝基氯苯、二硝基甲苯的测定气相色谱法GB/T 7494 水质阴离子表面活性剂的测定亚甲蓝分光光度法GB/T 11911-1989 水质铁、锰的测定火焰原子吸收分光光度法GB/T 11906 水质锰的测定高碘酸钾分光光度法GB/T 13192-1991 水质有机磷农药的测定气相色谱法GB/T 8972 水质五氯酚的测定气相色谱法GB/T 9803 水质五氯酚的测定藏红T分光光度法GB/T 15959 水质可吸附有机卤素(AOX)的测定微库仑法GB/T 17130-1997 水质挥发性卤代烃的测定顶空气相色谱法GB/T 17131-1997 水质 1,2-二氯苯、1,4-二氯苯、1,2,4-三氯苯的测定气相色谱法GB/T 11890-1989 水质苯系物的测定气相色谱法GB/T 11898-1989 水质游离氯和总氯的测定 N,N-二乙基-1,4-苯二胺分光光度法HJ/T 72-2001 水质邻苯二甲酸二甲(甲基二丁、二辛)酯的测定液相色谱法HJ/T 73水质丙烯腈的测定气相色谱法GB/T 11902 水质硒的测定 2,3-二氨基萘荧光法GB/T 13193 水质总有机碳(TOC)的测定非色散红外线吸收法HJ/T 74水质氯苯的测定气相色谱法GB 12997-1991 水质采样方案设计技术规定GB 12998-1991 水质采样技术指导GB 12999-91 水质采样样品的保存和管理技术规定HJ/T 91-2002 地表水和污水监测技术规范建设项目环境保护设施竣工验收监测技术要求(试行)3 术语和定义下列术语和定义适用于本标准:3.1污水 waste water在生产与生活活动中排放的废水的总称。
区域环评中北方河流水环境容量计算方法研究
王忠训;曹华英;孙娟;曹大勇
【期刊名称】《中国环境管理干部学院学报》
【年(卷),期】2009(019)003
【摘要】考虑北方河流枯水期流量较小,污水处理厂排水形成的流量不可忽略的实际情况,对全国地表水环境容量基于环境容量定义及基于一维模型的水环境容量计算公式进行修正;实例计算结果表明:用该方法计算的环境容量与污染物预测结果具有非常好的拟合性.文中水环境容量计算公式中相关参数的选取原则及修正公式,可为北方区域开发项目水环境剩余容量的计算提供借鉴.
【总页数】5页(P22-26)
【作者】王忠训;曹华英;孙娟;曹大勇
【作者单位】山东省环境保护科学研究设计院,山东,济南,250013;山东省环境保护科学研究设计院,山东,济南,250013;山东省环境保护科学研究设计院,山东,济南,250013;山东省环境保护科学研究设计院,山东,济南,250013
【正文语种】中文
【中图分类】X82
【相关文献】
1.河流水环境容量计算中设计流量的合理性探讨 [J], 潘迎春;尤爱菊;韩曾萃;孙毛明;张舒羽
2.规划环评中水环境容量计算和总量控制指标分析 [J], 刘爽;周尚龙;刘旭
3.规划环评中水环境容量计算参数取值的探讨 [J], 尹真真
4.规划环评中水环境容量计算参数取值的探讨 [J], 尹真真
5.区域规划中纳污海域海洋环境容量计算方法研究 [J], 郑洪波;刘素玲;陈郁;崔荣因版权原因,仅展示原文概要,查看原文内容请购买。
1 流域概况清河为汉江一级支流,发源于河南省淅川县,由红水河、排子河在湖北省襄阳市襄州区黄茅山汇合而成,经襄阳市樊城区清河口入汉江,全长123km,集水面积1960km2。
清河上游支流西排子河建有西排子河水库,为大(二)型。
西支红水河上建有红水河水库,也为大(二)型。
上游还建有柳堰河、马张河等6座中型水库。
2 水文气象清河干流设有黄茅山水文站,地处湖北省襄阳市襄州区龙王镇王庄村,东经111°59′,北纬32°11′,控制流域面积1355km2,占全流域面积的69.1%,1959年1月由湖北省水利厅设立,观测水位、流量、降水等项目。
因受水利工程影响,1977年1月断面下迁350m,改名为黄茅山(二)站,流量停测,为水位站。
最高洪水位为82.03 m,实测最大流量1580m3/s,发生在1964年7月27日;最低水位为73.55 m,发生在1967年6月7日。
本流域属亚热带季风气候区。
年平均降雨量748.2㎜,多年平均水面蒸发量1457㎜。
3 河道演变清河出口与唐白河出口汇合于汉江中游,历史上汉江、唐白河和清河水沙共同作用形成的鱼梁洲。
由于三条河流流域形状、集水面积、产汇流条件以及流域受人类活动影响存在着很大差异,导致水沙条件存在有差异,清河水情变化十分复杂。
河道演变是指河流的边界在自然情况下或人工建筑物干拢时所发生的变化。
这种变化是水流和河床相互作用的结果,水流促使河床变化,河床影响水流结构,二者处于运动和发展的过程中。
经多年的监测和分析计算:(1)江中游河道演变已进入冲淤平衡期。
丹江口水库和下游支流南河一批梯级电站拦截了大量泥沙。
(2)因汉江来沙量锐减,加之汉江泥沙作为优质建筑材料开挖量不断增加和清河公路、铁路桥梁的相继建成,使得河流产生了一般冲刷,近20年来,冲刷达1.5~2.0 m,但中泓未发生变化。
(3)汉江鱼梁洲下崔家营航电工程蓄水运用后,清河受回水影响,流速减小,洪水期将有大量泥沙沉淀。