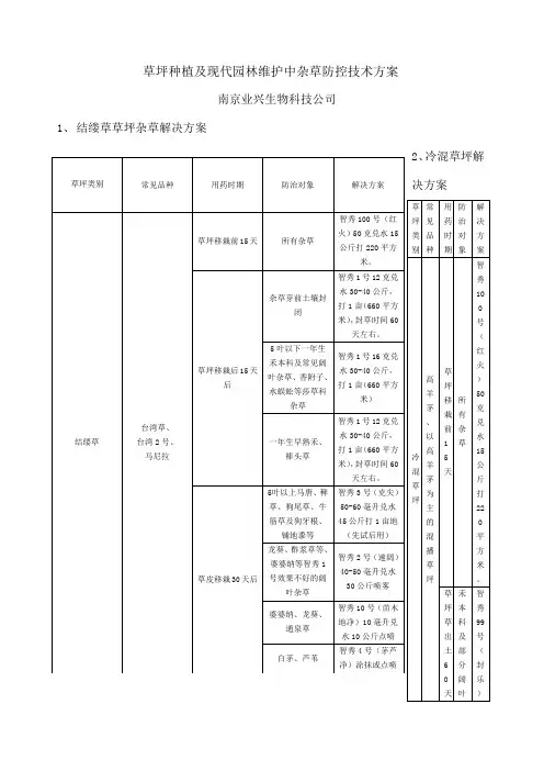
讲义3-讲义2:草坪杂草完全解决方案
- 格式:ppt
- 大小:625.00 KB
- 文档页数:45
草坪杂草及其防治一、草坪杂草的含义草坪杂草:出现在草坪中起着破坏景观、降低草坪品质、影响使用价值的草本植物。
如果草坪中有其他种植物生长和存在,很可能会影响草坪的颜色、质地和密度,进而影响草坪的正常使用。
但杂草有一定的时空性。
与所有植物一样,草坪中的杂草为了存在和生长要有最低限度的需求。
草坪草在最适宜的生长条件下是出色的竞争者,为了必需的资源,它们常常战胜杂草。
二、杂草对草坪的危害1.破坏草坪的美观和均一性,影响草坪坪观质量。
一是降低环境美观程度,二是引起草坪退化。
2.与草坪草争光、争营养、争空间,影响草坪草生长发育。
马唐、狗尾草、车前等与草坪草竞争,若不加以管理,2-3年内草坪即会完全被杂草侵占。
运动场草坪质量受杂草的影响也很严重。
一些杂草如马唐、狗尾草等不耐践踏,但它们对草坪草的抗性非常强。
有些杂草如荠菜、反枝苋等,在同样的水分和温度条件下,其春季萌发和生长速度快于草坪草,如果春季建植草坪,一旦杂草管理滞后,即会造成建植失败。
3.成为病虫害的寄宿地。
草坪杂草的地上部分是一些病虫的寄生地。
病虫利用杂草越冬、繁殖,草坪草生长季节被感染,从而造成草坪草生长缓慢或死亡。
如地老虎常在灰菜、车前、刺儿菜等杂草上越冬、繁殖,次年在草坪中造成虫害。
4.影响人畜安全草坪是人类休闲的地方中,一旦有杂草侵入,而且是有毒和有害的杂草,将威胁到人们的安全,造成外伤和诱发疾病。
如乳汁或气味有毒的杂草如打碗花、龙葵、曼陀罗、酢浆草等,或者如白茅、针茅等的芒是细而尖的利器,能钻入人的皮下组织中。
三、草坪杂草的分类草坪中的杂草种类繁多,据调查发现在我国草坪杂草有近450种,分属45科,127属。
草坪杂草因种类多,分类方法也不尽相同。
按防治目的,杂草可以分为三个基本类型:一年生禾草、多年生禾草和阔叶杂草。
在进行防治过程中,通常采取这种分类方法。
一年生禾草类杂草:如牛筋草、马唐、香附子、狗尾草、稗草、一年生早熟禾等。
多年生禾草类杂草:如匍匐冰草、多花雀稗等。
草坪花卉篇草坪杂草完全解决方案草坪杂草完全解决方案对于广大草坪管理人员来说,能够使用草坪专用除草剂是好事情,不但提高了除草效率,还大幅度降低了除草成本。
但作为一种特殊的商品,除草剂严格的施药技术又使不少草坪管理人员抱有疑虑,多持观望态度。
他们往往发出这样的疑问,使用除草剂会不会伤及本草?怎样才能安全使用除草剂?草坪里的杂草是不是多大都能防除?草坪里是不是什么杂草都能防除?禾本科草坪里马唐、牛筋草、狗尾草、稗草等多种禾本科杂草能够防除吗?这种种疑虑的根源,在于不少草坪管理人员植保知识的匮乏。
一、几个关于化学除草的关键词播后苗前:即草坪草播种以后,在草坪草和杂草出土以前。
幼坪期:指禾本科草坪草四叶一心(5叶)以前,阔叶草坪草3片复叶以前(草坪草出苗后45天以前)。
成坪期:指禾本科草坪草四叶一心(5叶)以后,阔叶草坪草3片复叶以后(草坪草出苗后45天以前后)。
茎叶处理剂:指将除草剂溶解在水中后,对已长出的杂草进行叶片喷施,通过杂草叶片吸收,才能起到杀死杂草的除草剂;一般该类除草剂对未出土的杂草无效。
土壤封闭除草剂:指将除草剂溶解在水中后,在杂草未出土之前,对地面进行喷雾,在地表形成0.5—1cm厚的药膜,有效杀死萌发的多种杂草幼芽。
“一杀一封”:即使用相应的茎叶处理剂杀死现有的杂草,在新的杂草出土之前,使用相应的土壤封闭处理剂进行土壤封闭,可以有效控制草坪中多种杂草达2-3个月。
二、选用除草剂的原则和注意事项:1、草坪防除杂草选用除草剂要坚持三个原则:对草坪草安全;有效防除主要杂草;低毒,环保,无异味。
2、选用除草剂的注意事项:(1)、杂草的不同生育期,草坪的不同生育期,所选用的除草剂种类不一样。
(2)、不同杂草,要选用有针对性除草效果的除草剂。
各地应根据当地最多的杂草种类选择对路有效的除草剂。
(3)、不同草坪,所选择的除草剂要有很强的选择性。
(4)、注意除草剂本身的特性。
如杀草谱的宽窄,除草剂是否漂移、熏蒸,除草剂的残留期长短,除草剂的毒性要低,没有异味等等。
草坪中杂草防治方法汇报人:2023-12-19•草坪杂草概述•草坪杂草的识别•草坪杂草的防治方法目录•草坪杂草的预防措施•草坪杂草防治的实践案例•草坪杂草防治的未来展望01草坪杂草概述在草坪中生长的非原生草本植物,通常对草坪的外观、质量和生态平衡产生负面影响。
草坪杂草包括一年生、二年生和多年生杂草,如马唐、狗尾草、苋菜等。
杂草种类通过风、水、动物等自然途径传播到草坪中。
自然入侵人为带入机械带入在草坪建植过程中,由于种子、土壤或其他介质带入杂草种子。
草坪修剪、灌溉等管理过程中,通过机械传播杂草种子。
030201杂草的生长会破坏草坪的整齐度和美观度。
杂草与草坪草争夺水分、养分和阳光,影响草坪草的生长。
杂草可能成为病虫害的传播媒介,增加草坪养护的难度。
某些杂草可能含有有毒物质,对人类健康造成威胁。
破坏草坪景观争夺养分传播病虫害影响人类健康02草坪杂草的识别杂草能够在各种不同的生长环境下生存,如草坪、花坛、公园等。
适应性强杂草能够在恶劣的环境条件下生长,如干旱、高温、低温等。
抗逆性强杂草能够通过种子、地下茎、根茎等多种方式进行繁殖,难以根除。
繁殖能力强杂草的叶片形态通常与草坪的叶片形态不同,可以根据叶片的大小、形状、颜色等方面进行识别。
叶片形态杂草的生长速度通常比草坪快,可以在短时间内迅速覆盖整个草坪。
生长速度杂草的株高通常比草坪高,可以在草坪中显得格外突出。
株高生长期杂草的生长期通常比草坪长,可以在一年中的多个季节进行生长。
果期杂草的果期通常比草坪早,可以在草坪还没有完全覆盖前就已经结出果实。
休眠期杂草的休眠期通常比草坪短,可以在短时间内恢复生长。
03草坪杂草的防治方法拔除技巧拔除杂草时,应连根拔起,避免留下残株。
定期检查定期对草坪进行检查,发现杂草及时拔除。
注意事项拔除杂草时应注意不要损伤草坪草,同时保持草坪整洁。
人工拔除根据草坪草和杂草的种类选择合适的除草剂。
选择合适的除草剂根据草坪草的生长情况和杂草的发生情况掌握用药时机。
草坪杂草的综合防除措施作者:王俊国来源:《现代园艺》2011年第04期草坪杂草与草坪争肥、争水、争光,易造成草荒,影响草坪的生长与观赏;有些杂草还是一些病虫害的转主寄主或越冬寄主,草害发生严重时,使得草坪退化甚至死亡,造成经济损失。
科学的防除措施能有效地防除草坪杂草。
1加强植物检疫在草坪引种时,以避免带进大量的杂草种子,做好杂草检疫工作是防止杂草远途传播行之有效的方法之一。
2栽培措施清除路边杂草,可防止杂草的种子、地下根茎等向栽培草坪地扩散蔓延。
3诱杀杂草杂草种子的生活力和适应性都很强,遇到适合的条件,即萌发生长,在生产上可利用这一特点诱发杂草萌芽,然后加以消灭。
4园艺栽培措施进行合理的肥水管理,促进草坪草的长势,增强草坪与杂草的竞争能力,并通过良好的刈剪措施,抑制杂草发生和防止杂草种子的产生。
对于一年生禾本科杂草,在较寒冷地区,当马唐等的生长结束时,对草坪进行更新和施肥,在此基础上,于春夏季进行高位刈剪,可抑制杂草弱苗的早期生长;在较温暖地区,可进行早期施肥,促使草坪在一年生禾木科杂草开始生长之前旺盛生长;在生长季节的早期,进行高刈剪,可有效抑制和防止杂草幼苗的生长,同时要减少夏季的草坪施肥量和在霜期前进行高位刈剪。
5化学除治5.1一年生禾本科杂草的除治芽前处理,在马店等杂草种子发芽产生幼苗前大约2周施用除草剂,常用的除草剂有草坪净1号、绿茵1号,氟草胺、地散磷,敌草索、环草隆、芽眠灵等;芽后处理,在禾本科杂草幼苗3~5叶期施用,每2周重复1次,常用除草剂有草坪宁2号、绿茵1号、甲肿钠等。
5.2冷季一年生禾本科杂草的防除此类杂草生长在草坪部分或全部休眠的时期,可以强烈地侵占草坪,用化学防除效果较好,对卷耳类杂草可用麦草畏或2,4-D,最好在秋季根据杂草幼苗生长的情况作一次性防治,到次年春季开花结籽之前再重复处理1次;对一年生早熟禾,使用地散磷,于夏季或初秋种子产生大量幼苗时施用,早春再重复喷药以除掉剩余植株。
在草坪的建植及养护管理中,清除杂草是一项艰巨而长期的任务。
草坪草种落地后,发生同步杂草危害,要想彻底清除杂草则非常麻烦。
因此,在建坪之前,预防和清除杂草对今后的草坪维护工作可收到事半功倍的效果。
这就要求综合应用各种清除杂草的技术,在草坪种子播种以前,尽量使土壤内的杂草种子、根茎萌发,并加以清除。
由于杂草的生长具有季节性变化,应多次清除.同时,还要尽量预防新的杂草种子侵入。
清除杂草的技术通常采用人工除草和化学除草。
化学除草应用高效、低毒、残效期短的灭生性除草剂;另外,用药还需注意主要防除对象,不同的杂草用不同的除草剂。
1 草坪的杂草防除方式(1)人工除草:在草坪地面积小的情况下,可采用人工除草。
在草坪草生长早期,即分孽或分枝以前,因杂草苗小,可实行人工除草.(2)化学防除:在草坪地面积大的情况下,采用人工除草费工、费时,且清除不彻底,应采用化学除草剂除草。
(3)适时播种:提前或推后播种草坪种子,避开靠自然条件生长的杂草发芽期,以减少杂草的危害。
(4)适时适度修剪:一般杂草在自然条件下生长,早期竞争能力强。
但遇到人为的干预,尤其是对草坪草的高强度刈割,其生长就会受到明显的抑制,经一定时间后杂草逐渐减少以至从草坪中消失。
(5)灌水:在播草坪种子之前,提前对土壤进行灌水处理。
一是使土壤中的杂草种子提前萌发,有利于人工或化学防除;二是使土地沉降,有利于土地的进一步平整。
2 草坪前期化学除草技术土壤中由于杂草种类多,特别是以多年生杂草为主,包括部分藤本、灌丛及木本植物.要彻底清除这些杂草,目前虽有长效除草剂(如用于森林地的威尔柏、森磺),但施药后药残效期长,很长时间不能播种草坪草种。
较常用的办法是:使用草甘膦或克无踪等除草剂。
草甘膦一般用药2~3次,即第一次每1000平方米用10%草甘膦18~30kg,兑水600~900kg喷雾,施药后35~40天杀死部分或新生出部分。
第二次每1000平方米用11.25~18kg,兑水370~600kg喷雾。
第三章草坪杂草第一节草坪杂草的特性与分类一、草坪杂草的生物学特性草坪杂草的生物学特性是指杂草与环境条件之间相互作用的表现。
了解草坪杂草的生物学特性,就可以掌握草坪草坪杂草的发生和危害规律,从而采取有效的防除措施,减少杂草对草坪的危害。
1.惊人的多实性草坪杂草与栽培作物相比,具有惊人的结实力。
一株杂草往往能结成千上万粒细小的种子。
据报道,稗草平均每株能产生7160粒种子,皱叶酸模每株产生的种子数为29500粒,马齿笕为52300粒,反枝苋为117400粒,荠菜为38500粒,马唐为5000粒。
这种大量结实的能力,是杂草在长期竞争中处于优势的重要原因。
2.繁殖方式的多样性杂草除了能用种子繁殖外,还可以进行无性繁殖,尤其是多年生杂草,具有很强的营养繁殖和再生能力。
如狗牙根的地下茎,每一节都可发芽,生根向四方伸展。
据统计,在一亩地中其根茎的总长可达60KM,有近30万个芽。
香附子的地下部有贮藏养分的块茎,还有向四面扩张的地下匍匐茎,新芽出土形成新的植株时,它的下端又渐渐形成新的块茎,从块茎上又发出匍匐茎,以致在地面上成片发生。
很多多年生杂草的根茎和块茎的再生能力很强。
白茅的根茎挖出风干后,再埋入土中仍能发芽生长。
10CM长的蒲公英直根,埋在5-20CM的土层中,成活率科高达80%。
人工拔除的稗草,只要有一定的水分,节上不定根能继续生长。
茎叶肥厚的马齿苋拔起后,即使晒至干瘪,在适宜的条件下仍能死而复生。
3.传播途径的广泛性杂草的种子或果实有容易脱落的特性。
有些杂草具有适应于散布的结构或附属物,借助外力可以向远处传播,分部很广。
如菊科杂草的种子上有冠毛,可随风飘扬,牛毛草,水苋菜等种子小而轻,可随水漂流,苍耳等杂草种子有刺毛,可附着于它物传播。
此外,草坪种子,有机肥料中往往混有大量的杂草种子,可由交通工具或被动物携带而传播。
4.强大的生命力许多杂草种子埋藏于土壤中,多年后仍能保持生命力。
如荠菜种子在土壤中可存活6年,马苋齿等,通过牲畜的消化道排出以后,仍然有一部分可发芽。