包装件跌落测试方法规定
- 格式:doc
- 大小:37.50 KB
- 文档页数:2
产品包装跌落测试标准ISTA 1A跌落的测试方法:步骤一.称重:测量包装后产品重量(单位:kg);步骤二.记录尺寸:测量包装后纸箱的外尺寸,长×宽×高(单位:mm);步骤三.记录瓦楞型式:单瓦、双瓦或多层瓦楞;步骤四.选夹角:选择纸箱最薄弱的顶角,作好标记;步骤五.根据重量选择跌落测试标准和跌落高度(见表一跌落测试标准);步骤六.对纸箱进行拍照,做好跌落前的纸箱状态记录;步骤七. 将做好标记的顶角升到标准规定的高度后让纸箱进行自由落体跌落(跌落参照面为钢板面或水泥地面);步骤八.以标记的顶角为顶点出发,将纸箱升到标准规定的高度,跌落边长最短的一条棱;步骤九.以标记的顶角为顶点出发,将纸箱升到标准规定的高度,跌落边长中等的一条棱;步骤十.以标记的顶角为顶点出发,将纸箱升到标准规定的高度,跌落边长最长的一条棱;步骤十一.以标记的顶角为顶点出发,将纸箱升到标准规定的高度,跌落面积最小的一平面;步骤十二.将纸箱升到标准规定的高度,跌落与最小面相对的面;步骤十三.以标记的顶角为顶点出发,将纸箱升到标准规定的高度,跌落面积中等的一平面;步骤十四.将纸箱升到标准规定的高度,跌落与中等面相对的面;步骤十五.以标记的顶角为顶点出发,将纸箱升到标准规定的高度,跌落面积最大的一平面;步骤十六.将纸箱升到标准规定的高度,跌落与最大面相对的;步骤十七.对跌落后的纸箱进行拍照,然后开箱。
对开箱后的产品状态进行拍照,每取出一个零件均需拍照,做好记录。
步骤十八.判定:跌落后,如果包装的产品完整无损,没有任何损伤或缺陷,即为试验通过。
ISTA 1B跌落的测试方法:除了步骤四、七、八、九不做,其他测试步骤同ISTA 1A。
表一跌落测试标准ISTA 1A (重量不大于68Kg) ISTA 1B(重量大于68Kg)重量kg 跌落高度mm 重量kg 跌落高度mm0~10 760 大于68Kg 15510~19 61019~28 46028~45 31045~68 200摩擦测试步骤:1.从纸箱彩画上剪取两块规格100×100mm的纸板;2.将两块纸板的彩画面相对,然后施加4磅的力,以每分钟106次的频率往复循环摩擦100次;3.判定:摩擦后,彩画表面没有颜色脱落的现象,即为测试通过。
包装运输包装件跌落试验方法
跌落试验是包装行业常用的一种测试方法,用于评估包装件在运输过程中的耐冲击性能。
下面是一种常见的跌落试验方法:
1.准备工作:
- 确定所需跌落高度和跌落角度,根据实际情况选择合适的数值。
- 准备测试包装件和跌落测试设备。
2.测试步骤:
- 将测试包装件按照规定的方式装箱,并严密封好。
- 将箱子置于跌落测试设备的平台上。
- 调整测试设备,使得箱子的底部与地面平行。
- 将测试设备控制器设置为所需的跌落高度和跌落角度。
- 打开测试设备,并观察箱子的跌落过程。
3.观察和评估:
- 在箱子跌落后,检查包装件是否有破损、变形或其他缺陷。
- 如有需要,可以进一步进行各项物理性能测试,如包装件的
破裂强度、抗挤压试验等。
- 根据测试结果,评估包装件的跌落耐受能力,以确定是否符
合相关标准和要求。
需要注意的是,不同的产品和包装件可能有不同的跌落试验方法和标准,具体的测试方法应根据实际情况和相关标准来确定。
包装设计跌落测试标准-GB/T 2423.8—19952007-09-14 13:02GB/T 2423.8—1995前言本标准等同采用国际电工委员会标准IEC 68-2-32(1975年第二版)《基本环境试验规程第2部分:试验方法试验Ed:自由跌落》、1982年的第一次修改和1990年的第二次修改。
这样,使这项国家标准与国际标准相同,以适应国际贸易、技术和经济交流的需要。
本标准代替GB 2423.8—81《电工电子产品基本环境试验规程试验Ed:自由跌落试验方法》和GB 2424.6—81《电工电子产品基本环境试验规程自由跌落试验导则》。
GB 2423.8—81和GB 2424.6—81是参照IEC 68-2-32(1975年第二版)《基本环境试验规程第2部分:试验方法试验Ed:自由跌落》起草的。
本标准在技术内容、编写格式和规则上都与IEC 68-2-32(1975)、1982年的第一次修改文本,1990年的第二次修改文本完全相同。
本标准与前版的主要区别在于:──将GB 2423.8和GB 2424.6两个标准合并成一个标准GB/T 2423.8;──按IEC 68-2-32,1982年和1990年的两次修改,对方法二和附录A作了修改,补充了附录B。
下列四项标准与本标准均属撞击试验范畴,有关规范应根据产品的使用和运输的具体情况选择合适的试验方法(见附录B)。
──GB/T 2423.5—1995 电工电子产品环境试验第2部分:试验方法试验Ea和导则:冲击;──GB/T 2423.6—1995 电工电子产品环境试验第2部分:试验方法试验Eb和导则:碰撞;──GB/T 2423.7—1995 电工电子产品环境试验第2部分:试验方法试验Ec和导则:倾跌与翻倒(主要用于设备型样品);──GB 2423.39—90 电工电子产品基本环境试验规程试验Ee:弹跳试验方法。
本标准的附录A、附录B是标准的附录。
本标准由中华人民共和国电子工业部提出。
跌落试验的国际标准:ISO2248-1985(包装完整、满装的运输包装件垂直冲跌落试验):1. 主题内容与适用范围2. 本标准规定了对运输包装件进行垂直冲击试验时所用试验设备的主要性能要求、试验程序及试验报告的内容3. 本标准适用于评定运输包装件在受到垂直冲击时的耐冲击强度度及包装对内装物的保护能力。
它既可以作为单项试验,也可以作为一系列试验的组成部分。
4. 2. 引用标准5. gb/t4857.1包装运输包装件各部位的标示方法gb/y4857.2包装运输包装件温湿度调节处理6. gb/t4857.17包装运输包装件编制性能试验大纲的一般原理gb/t4857.1包装运输包装件编制性能试验大纲的定量数据7. 3. 试验原理8. 提起试验样品至预定高度,然后使期按预定状态自由落下,与冲击台面相撞9. 4. 试验设备10. 4.1冲击台11. 冲击台面为水平平面,试验时不移动、不变形,并满足下列要求12. A、为整块物体,质量至少为试验样品质量的50倍13. B、要有足够大的面积,以保证试验样品完全落在冲击台面上14. C、在冲击台上任意两点的水平高度不得超过2mm15. D、冲击台面上任何100mm2的面积上承受10kg的静负荷时,其变形量不得超过0.1mm 4.2提升装置16. 在提升或下降过程中,不应损坏试验样品17. 4.3支撑装置18. 支撑试验样品的装置在释放前应能使试验样品处于所发求的预定状态19. 4.4释放装置20. 在释放试验样品跌落过程中,应使试验样品不碰到装置的任何部件,保证其自由跌落21. 5. 试验步骤22. 提起试验样品至所需的跌落高度位置,并按预定状态将其支撑住。
其直起高度与预定之差不得超过预定高度的±2%。
跌落高度是指准备释放时试验样品是最低点与冲击台面之间的距离23. 按下列预定状态,释放试验样品24. 面跌落时,使试验样品的跌落面与水平面之间的夹角最大不超过2°25. 棱跌落时,使跌落的棱与水平面这间的夹角最大不超过2°试验样品上规定面与冲击台面夹角的误差不大于±5°或夹角的10%(以较大的数值为准),使试验样品的重力线通过被跌落的角。
ista 2a跌落测试标准
ISTA的跌落测试标准是当今物流行业内广泛使用的一种标准,它被用于测试包装产品在长途运输时的耐久性和稳定性。
首先,我们来看一下ISTA的测试流程。
测试流程主要分为两部分:前期测试和跌落测试。
前期测试是用来检测包装件本身的质量和特性的。
这一部分测试
包括环境试验和运输模拟试验。
环境试验主要是用来模拟包装件在运
输途中所遇到的各种不同环境,如高温、低温、高湿度、低湿度等等。
而运输模拟试验则是用来模拟运输过程中包装件所经历的障碍和挑战,如震动、振荡、压缩、跌落等等。
在完成前期测试后,就可以进行跌落测试了。
跌落测试是指将包
装件从一定高度摔落到坚硬的地面上,测试包装件是否能承受跌落所
经历的冲击力和重力。
根据ISTA标准,测试使用装有相应重量物品的
包装件。
包装件从一定高度(ISTA 1A为30英寸、ISTA2A为48英寸)的高度坠落,重复落地3次,观察包装件是否有破损等质量问题。
因此,跌落测试主要是用来测试包装件的抗冲击性、抗振动性、
抗压装性、抗挤压性和稳定性等方面。
通过这些测试,我们可以了解
包装件在运输和储存过程中的耐久性和稳定性,从而保证产品的安全
运输和完整性。
总体来说,ISTA的跌落测试标准是物流行业内广泛使用的标准,能够有效测试包装件在运输途中的稳定性和耐久性,从而保证产品能
够安全到达终端用户手中。
希望本篇文章能够帮助您了解ISTA标准跌
落测试的相关知识。
跌落测试的标准及判定准则跌落测试是指在特定条件下对产品或设备进行跌落试验,以评估其在意外跌落时的耐用性和安全性。
该测试通常用于评估产品或设备的结构强度、功能完整性、零部件可靠性和防护措施等方面。
下面是有关跌落测试的标准和判定准则的相关参考内容。
1. 测试标准跌落测试的标准可以根据不同行业和产品的特点和需求来制定。
一些常见的跌落测试标准包括:- ISO 2248: 1985《包装-包装完整性测试-冲击跌落试验》:主要用于评估包装材料、容器和包装系统在运输和搬运过程中的耐用性。
- ISTA(国际运输包装协会)标准:该标准提供了一系列用于测试不同类型和尺寸的产品和包装的跌落试验方法。
根据产品的特点,可以选择适当的ISTA标准进行测试。
- MIL-STD-810G:该标准由美国国防部制定,用于测试军用设备的抗跌落性能。
它包括了不同方面的跌落试验方法,如跌落高度、跌落角度和跌落表面等。
2. 跌落测试的判定准则跌落测试的判定准则可以根据产品的设计和使用需求来确定。
在一般情况下,以下几个方面可以作为判定跌落测试结果的准则:- 结构完整性:检查产品在跌落过程中是否出现破损、碎裂、变形等结构性损坏。
对于不同材料和产品,可以根据其设计强度和耐久性要求来确定评估等级。
- 功能完整性:测试产品在经历跌落后是否仍然可以正常工作和完成其预期功能。
例如,对于电子设备,可以检查其电源、屏幕、按键等元件是否正常工作。
- 零部件可靠性:检查产品的零部件在跌落后是否松动、脱落或损坏。
特别是对于关键部件,如连接器、开关等,应该保持其稳定性和可靠性。
- 防护措施:对于需要在特定环境中使用的产品,如防爆设备、防水仪器等,跌落测试还应该考虑其防护措施的功能性。
例如,防水产品经过跌落测试后应该保持防水性能。
除了上述准则之外,有些行业和产品还可能有特定的要求和标准。
例如,对于医疗设备,除了上述准则外,还需要考虑其对患者的安全性和舒适性。
因此,在进行跌落测试之前,应该根据产品的特点和需求,确定适用的标准和判定准则。
包装跌落测试标准包装在产品运输和储存过程中起着非常重要的作用,它不仅可以保护产品的完整性和质量,还可以提升产品的形象和市场竞争力。
然而,包装在运输过程中常常会遭受跌落、挤压等外部力量的影响,因此包装的跌落测试标准显得尤为重要。
跌落测试是指通过模拟真实的运输环境,对包装进行跌落实验,以评估包装在运输途中受到外部冲击时的抗压能力和保护性能。
跌落测试标准的制定和执行对于保障产品运输安全和质量稳定具有重要意义。
首先,包装跌落测试标准应当明确包装的跌落测试方法和要求。
跌落测试方法可以包括自由跌落测试、模拟运输跌落测试等,要求包装在跌落过程中不得破裂、变形、漏漆等,以确保产品在运输过程中不受损坏。
其次,包装跌落测试标准应当规定测试的环境条件和参数。
例如,测试时的温度、湿度、跌落高度、跌落次数等参数都应当在标准中有所规定,以保证测试结果的准确性和可比性。
另外,包装跌落测试标准还应当明确测试结果的评定标准和等级划分。
根据测试结果,可以将包装的跌落性能划分为不同等级,以便用户和生产厂家能够清晰地了解包装的跌落性能和适用范围。
在执行包装跌落测试标准时,需要严格按照标准要求进行操作,确保测试结果的可靠性和准确性。
同时,还需要对测试设备进行定期检测和校准,以保证测试设备的精度和稳定性。
总之,包装跌落测试标准的制定和执行对于保障产品运输安全和质量稳定具有重要意义。
只有通过科学合理的跌落测试,才能有效评估包装的抗压能力和保护性能,为产品运输提供有力的保障。
希望各相关行业单位能够重视包装跌落测试标准,加强包装质量管理,提高产品的市场竞争力。
试高度浙江XX休闲用品有限公司
跌落测试标准
文件编号:WI-QC-10
二、
范围:工
厂包装成
品的测
试;
三、
职责:
浙江红果村休闲用品有限公司
跌落测试标准
四、 抽样标准:
由于该测试为破坏性测试, 因此,抽样数为1箱。
五、试摔次(点)数要求:
3.1检验员工进行包装成品的抽样检验;
3.2质检主管进行复核;
一、 目的:为了测试包装件在受到垂直冲击时的耐冲击强度及包装对内装物的保护能 特制定以下规定;
文件编号:HGC-QC-10
1、如客
人有特殊
要求,则
按客人要
求进行。
2、无特
殊要求则
按一点三
线六面进
行。
一
角:即三
条相联系
梭边交汇
处一角。
三
梭:即试
摔那一角
的三条相
梭边。
六
面:外箱
的六个正
面。
六、判定
标准:
1、外箱、保利龙等包装材料允许出现破损情况为正常。
(有特殊要求的除外)
2、产品各部件出现松脱、损坏、损伤、碎屑等为不合格。
3、产品功能应与试验前保持一致。
包装跌落测试检验标准嘿,咱今儿就来聊聊包装跌落测试检验标准这档子事儿。
你说这包装啊,就好比是产品的保护壳,要是这保护壳不结实,那里面的宝贝不就遭殃啦!想象一下,一个产品就像一个要去闯荡江湖的侠客,那包装就是侠客的盔甲呀!这跌落测试呢,就是检验这盔甲够不够硬的关卡。
要是在这关卡上掉了链子,那可不行嘞!咱先说说这跌落的高度吧。
总不能随随便便找个高度就扔下去吧,那多不严谨呐!得根据产品的实际情况来定。
比如说,要是个易碎的玻璃制品,那高度肯定不能太高咯,不然“啪”的一声,全碎啦!可要是个皮糙肉厚的家伙,那高度就得往上提一提,不然怎么能检验出它的真本事呢。
还有这跌落的次数,也不能马虎呀!一次就够啦?那可不行,得多来几次,看看它能不能经得住反复的折腾。
就像咱人一样,偶尔摔一跤可能没啥,但要是经常摔,那可就不一定能吃得消喽。
再讲讲这跌落的姿势。
嘿,你可别小瞧了这姿势,那也是有讲究的嘞!不能随随便便一扔就完事儿,得按照规定的姿势来。
正面朝下?侧面朝下?还是角先着地?这都关系到产品能不能在各种情况下安然无恙。
咱举个例子哈,要是个手机包装,你总不能让它躺着跌下去吧,那万一正好屏幕着地,那不就悲剧啦!得让它各个角度都试试,这样才能全面检验嘛。
这包装跌落测试检验标准啊,真的是很重要的嘞!它就像是一道防线,保护着我们的产品。
要是没有它,那产品在运输过程中多容易受损呀!那到了消费者手里,不就成了残次品啦?这可不行,咱得对消费者负责呀!你想想看,要是你买了个东西,打开一看,碎的碎,坏的坏,你心里啥滋味?肯定不爽嘛!所以说呀,这包装跌落测试检验标准可不能马虎,得认真对待。
咱做这一切都是为了啥?不就是为了让产品能安全到达消费者手中嘛!让消费者用得放心,用得舒心。
这可不是一件小事儿啊,这关系到企业的信誉,关系到消费者的满意度。
所以啊,大家都要重视起来,严格按照标准来执行,别敷衍了事。
只有这样,我们的产品才能在市场上立足,才能赢得消费者的信赖和喜爱。
跌落试验指导书1目的用来测试、评估产品在生产、使用、存贮、运输过程中可能遇到的意外跌落、冲击压力及震动时现时包装方法及材料能否提供有效保护、及验证产品各结构或部件的耐冲击强度。
2范围2.1 适用于本公司内所有毛重在30公斤以内的包装成品。
各部门若有需要时均可委托品质部试验室进行测试。
2.2 各类型产品第一次生产或包装材料、方法有更改时须做此测试.当产品零部件更改时视乎必要做此项测试。
2.3 客户无特别要求时,按此作业指引测试产品包装可靠性.若客户有特别要求时则按客户标准或规范要求进行测试。
3 职责品质部负责测试包装之可靠性.4 定义若客户对包装可靠性测试无明文规定,将釆用垂直冲击跌落方法.5 程序5.1 垂直冲击跌落试验方法:5.1.1 试验前样板的准备5.1.1.1 试验前须测试产品的功能、安全及外观检查,确定正常之后方可进行跌落试验.5.1.1.2 须按规定的方法包装样品(参照生产指令或规格书),且配件不可漏放.5.1.1.3 若客户对封箱有特别要求(如打带)则按客户要求进行,若客户无特别要求则:包盒用2寸透明胶纸封箱,外卡通箱用3寸透明胶纸封箱.5.1.1.4 测试样品不可少于2整箱或4PCS成品.5.1.2 跌落顺序5.1.2.1 接缝边之底角.5.1.2.2 “1”角三边中最短的边。
5.1.2.3 “1”角三边中次短的边。
5.1.2.4 “1”角三边中最长的边。
5.1.2.5 “1”角邻近最小的面。
5.1.2.6 另一最小面。
5.1.2.7 “1”角邻近的中等面。
5.1.2.8 另一中等面。
5.1.2.9 “1”角邻近最大的面“9”。
5.1.2.10 另一最大面。
5.1.3 跌落要求:5.1.3.1 样品在跌落过程中,不可碰到任何物体而自由跌落。
5.1.3.2 冲击面应为水平面。
5.1.4 跌落高度之确定:5.1.4.1 跌落高度指提起样品后,样品最低点与冲击面的垂直距离.5.1.4.2 跌落高度根据样品毛重参照客户测试规范标准(若客户有特别要求时)或ISO2248标准(详见下表):5.1.5跌落后可接受的范围:5.1.5.1 样品性能及安全测试须通过。
文_中国包装科研测试中心张卫红陈志强魏群峰运输包装件跌落试验标准探讨对于包装设计者而言,跌落试验是一个非常重要的试验手段,可以用于验证包装设计的可靠性。
依靠正确的标准,可以判断出包装设计是过度包装还是不足包装。
本文,笔者将对运输包装件的不同跌落试验标准进行探讨。
运输包装件跌落试验标准1.国家标准对于各行业产品的运输包装件,可以按照GB/T 4857.5-1992规定的跌落试验方法,也可以在GB/T 4857.17-2017中查到其他相关试验标准参数。
对于电工电子类产品运输包装件的跌落试验标准,可以参考GB/ T 2423.8-1995的规定,详见表1。
在进行跌落试验严酷等级选择时,如有可能,应考虑包装件可能经受到的搬运和运输条件。
但要求所有运输包装件都要经受到实际环境中可能会受到的最严酷的搬运条件(例如从飞机的装卸平台上或从起重机上跌落下来),既不实际,又不经济。
对要求验证其耐用性的运输包装件进行试验时,跌落高度的选择应考虑到实施的可能性、可容许的损坏程度,以及操作使用、运输和贮存的条件。
选取合适的跌落试验严酷等级,应考虑样品的质量、搬运方式,以及试验是用于未包装的样品,还是用于装卸,抑或用于装在完整运输箱中运输的样品。
2.国军标准GJB 150.18A规定了程序II——需包装的装备、程序III——易损性和程序IV——运输跌落。
程序II用于需要集装箱运输的装备。
它将最小临界抗冲击能力规定为装卸跌落高度,为包装设计人员提供设计依据。
该程序不能用于极易损坏装备的试验。
对特别易损的装备,其抗冲击能力的量化应考虑采用程序III。
程序III用于确定装备的易损性量级,为装备包装设计或重新设计装备提供依据,以满足运输或搬运要求。
该程序用于确定装备的临界冲击条件,在临界冲击条件下装备的结构和功能有可能降级。
如果要获得更实际的极限能力,该程序应在极限环境温度下进行。
程序I V用于确定装备能否经受住正常装卸所引起的冲击,这些装备通常搬入或搬出运输箱或组合箱内外,或供外场使用(靠人力、卡车、火车等运到战场)。
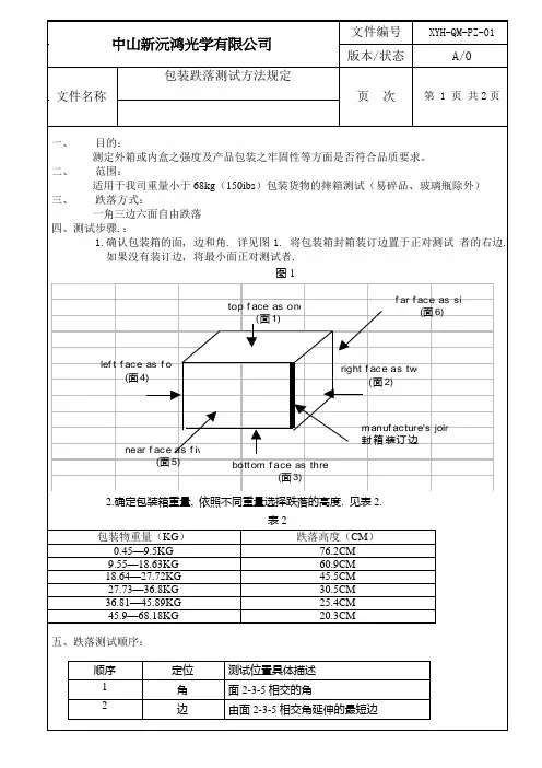
包装件跌落测试方法规定
1 主题内容与适用范围
本方法规定了对运输包装跌落测试时所用测试设备的主要性能要求、试验程序及试验报告的内容。
本方法适用于评定运输包装件在受到垂直冲击时的耐冲击强度及包装对内装物的保护能力。
它既可以作为单项试验,也可以作为一系列试验的组成部分。
2 试验原理
提起试验样品至预定高度,然后使其按预定状态自由落下,与冲击台面相撞。
3 试验设备
3.1 冲击台
冲击台面为水平平面(包括钢板,水泥地板,和木版),测量重的物品用钢板平面,一般重量采用水泥地板和木版.
试验时不移动,不变形,并满足下列要求:
a. 为整块物体,质量至少为试验样品质量的50倍;
b. 要有足够大的面积,以保证试验样品完全落在冲击台面上;
c. 在冲击台面上任意两点的水平高度差不得超过2mm;
d. 冲击面上任何100mm2的面积上承受10Kg的静负荷时,其变形时不得超过0.1mm.
4 试验程序
4.1 试验样品的准备
4.2 试验样品各部位的编号
单件产品重量(lbs)跌落高度(IN)
W<20 =9.072kgs 30=76.2cm
20<W<40= 18.144kgs 24=60.96cm
40<W<60=27.216kgs 18=45.72cm
60<W<100=45.36kgs 12=30.48cm
100<W 1 2
当样品特别重(重量超过上述表所示范围)时,顶面和侧面跌落的可能性相对较小,所以跌落选定1底角、4底棱、1底面的跌落部位,跌落高度可以选择200mm。
4.3 试验步聚
4.3.1 提起试验样品至所需的跌落位置,并按预定状态将期支撑住。
其提起高度与预定高度之差不得超过预定高度的±2%。
跌落高度是指准备释放时试验样品的最低点与冲击台面之间的距离。
4.3.2 按下列预定状态,释放试验样品:
a. 面跌落时,使试验样品的跌落面与水平面之间的夹角最大不超过2°;
b. 角跌落时,试验样品上规定面与冲击台面之间的夹角误差不大于±5°或此夹角的10%(以较大数值为准),使试验样品的重力线通过被跌落的角;
c. 棱跌落时,使跌落的棱与水面之间的夹角最大不超过2°,试验样品上规定面与冲击台面夹角的误差不大于±5°或夹角的10%(以较大的数值为准),使试验样品的重力线通过被跌落的棱;
d. 无论何种状态和形状和试验样品,都应使试验样品的重力线通过被跌落的面、线、点。
4.3.3 实际冲击速度与自由跌落时的冲击速度之差不超过自由跌落时的±1%。
4.3.4 试验后按有关标准或规定检查包装及内装物的损坏情况。
并分析试验结果。
5 报告
应在质量报告中Drop栏注明下列内容:
a. 内装物的名称、规格、型号、数量等;
b. 试验样品的数量;
c. 详细说明:包装容器的名称、尺寸、结构和材料规格;支撑物、固定方法、封口、捆扎状态,以及其他防护措施;
d. 试验样品和内装物的质量,按千克计;
e. 详细说明试验时试验样品的放置状态(图片说明);
f. 试验样品的跌落顺序、跌落次数(产品表示);
g. 试验样品的跌落高度,以厘米计(图片说明);。