塔吊基础钢筋安装检验批
- 格式:xls
- 大小:18.00 KB
- 文档页数:1
A-12
工程报验单
附注:
1. 各分部、分项的工程验收,应由质检员提前24小时(特殊情况不得少于12小时)签发本通知单,报送专业监理工程师。
2. 地基与基础工程:主体结构中间验收应由质检员提前二天签发本通知单,报送监理工程师。
3. 所报工程检验不符合要求,监理工程师签发整改通知单(B-03)。
钢筋工程(原材料、加工)检验批质量验收记录
钢筋工程(连接、安装)检验批质量验收记录
归档编号:C2-5-1-5
钢筋隐蔽工程检查验收记录
工程名称:沈阳多维新型建筑板材-研发中心建设单位:沈阳多维新型板材有限公司
隐蔽部位:塔吊基础施工单位:辽宁金帝建工集团隐蔽日期:年月日
单位工程技术负责人:质量检查员:填表人:注:本表适用于砼、钢筋、埋地工程、砌体埋筋、屋面、回填土等工程隐蔽用。
工程名称:芦溪湾住宅小区工程编号:
致:芦溪湾住宅小区工程监理部(项目监理机构)
我方已完成 9#楼塔吊基础钢筋加工、连接、安装检验批工作,经自检合格,现将有关资料报上,请予以审查或验收。
附: 1、钢筋加工检验批质量验收记录
2、钢筋连接检验批质量验收记录
3、钢筋安装检验批质量验收记录
施工项目经理部(盖章)
项目经理(签字)
年月日
审查或验收意见:
项目监理机构(盖章)
专业监理工程师(签字)
年月日
填报说明:本表一式二份,项目监理机构、施工单位各一份。
工程名称:芦溪湾住宅小区工程编号:
致:芦溪湾住宅小区工程监理部(项目监理机构)
我方已完成 9#楼基础承台、柱钢筋加工、连接、安装检验批工作,经自检合格,现将有关资料报上,请予以审查或验收。
附: 1、钢筋加工检验批质量验收记录
2、钢筋连接检验批质量验收记录
3、钢筋安装检验批质量验收记录
施工项目经理部(盖章)
项目经理(签字)
年月日
审查或验收意见:
项目监理机构(盖章)
专业监理工程师(签字)
年月日
填报说明:本表一式二份,项目监理机构、施工单位各一份。
钢筋验收检验批钢筋是建筑工程中常用的构件材料之一,其质量直接关系到建筑物的安全性和稳定性。
为了确保钢筋的质量符合要求,需要进行验收检验批。
一、验收前的准备工作在进行钢筋验收检验批之前,需要进行一系列的准备工作。
首先,要对钢筋的材质、规格、型号进行核对,确保与设计文件一致。
其次,要对钢筋的数量进行计算,以确保工程需要的钢筋数量充足。
同时,还要对钢筋的外观进行检查,是否有明显的损伤或锈蚀等情况。
二、验收检验批的方法和标准钢筋的验收检验批主要包括外观检查、尺寸检查、化学成分分析、力学性能检测等几个方面。
首先,外观检查主要是对钢筋的表面是否平整、无明显缺陷进行检查。
其次,尺寸检查主要是对钢筋的长度、直径、弯曲度等进行测量,以确保符合设计要求。
化学成分分析主要是对钢筋中的主要元素进行检测,以确保符合相关标准。
力学性能检测主要是对钢筋的抗拉强度、屈服强度等进行测试,以确保其满足设计要求。
三、验收检验批的结果判定在进行钢筋验收检验批之后,需要对结果进行判定。
一般来说,验收结果分为合格和不合格两种情况。
如果钢筋的外观、尺寸、化学成分和力学性能等均符合相关标准和设计要求,则判定为合格;反之,则判定为不合格。
对于不合格的钢筋,需要及时采取措施进行处理,以确保工程的质量和安全。
四、验收检验批的重要性和意义钢筋验收检验批的进行对于保障建筑工程质量具有重要的意义和作用。
首先,钢筋作为建筑工程中的重要构件材料,其质量直接关系到建筑物的安全性和稳定性。
通过进行验收检验批,可以确保钢筋的质量符合设计要求,从而提高建筑物的安全性。
其次,钢筋验收检验批可以避免使用低质量的钢筋,减少工程质量隐患,同时也保护了建筑工程从业人员的安全。
此外,钢筋验收检验批还可以提高建筑工程的质量,确保建筑物的使用寿命和性能。
钢筋验收检验批是建筑工程中不可或缺的环节。
通过对钢筋的外观、尺寸、化学成分和力学性能等进行检验,可以确保钢筋的质量符合设计要求,提高建筑物的安全性和稳定性。
塔式起重机基础验收表
塔式起重机第页
塔式起重机安装调试记录
AQ.6.3.5
注:本表适用于施工现场各种型号的塔式起重机安装调试记录。
塔式起重机安装验收记录
AQ6。
3。
7
注:本表适用于施工现场各种型号的塔式起重机安装验收记录
塔式起重机顶升锚固验收记录
注:本表适用于施工现场各种塔式起重机的顶升锚固验收记录。
起重吊装机具验收记录
注:1、本表适用于施工现场所采用的各类起重吊装机械,起重扒杆及机具进行吊唁装作业用验收记录。
2、表中验收情况栏内填写时应与前项施工方案要求内容相对应,用文字和数据表述。
3、此表为验收结论性表格,应与部份检查标准相应的表格配套使用。
塔吊基础钢筋验收注意事项1.引言1.1 概述塔吊基础钢筋验收是施工过程中的一个重要环节,其目的是确保塔吊基础的钢筋质量符合规范要求,为塔吊的安全使用提供保障。
本文结合实际情况,对塔吊基础钢筋验收的注意事项进行了整理和总结。
在进行塔吊基础钢筋验收时,需要关注以下几个方面:首先,要确保钢筋的规格、型号、数量和材质等达到设计要求。
钢筋的规格和型号应与设计图纸一致,数量要与设计需求相对应,材质应符合相关标准。
其次,要注意钢筋的加工、保护和存放情况。
钢筋的加工应符合施工工序要求,严禁出现裂纹、弯曲和锈蚀等情况。
在保护和存放方面,钢筋应远离水源、酸碱等腐蚀物,并妥善覆盖保护,以防止损坏和锈蚀。
此外,钢筋的连接方式也需要进行验收。
连接件的选择应符合设计要求,并采用可靠的连接方式,如焊接、扣件连接等。
连接部位应无明显破损、开裂和变形等缺陷,并经过必要的正确处理。
另外,还要对钢筋的间距、叠放情况和固定方式进行检查。
钢筋的间距应符合设计要求,叠放应整齐有序,固定方式应牢固可靠。
此外,验收过程中还要关注钢筋的验收记录和验收报告。
验收记录应详细描述每一项验收内容和结果,并附上验收标准和图纸等相关资料。
验收报告应准确反映钢筋验收的情况和结果,以供后续施工参考。
通过对塔吊基础钢筋验收的概述,我们可以看出其重要性和必要性。
只有严格按照标准进行钢筋验收,才能保证塔吊基础的安全可靠,为后续施工提供保障。
因此,在工程实施中,各相关方应高度重视塔吊基础钢筋验收,确保验收工作的准确性和有效性。
1.2 文章结构文章结构部分:本篇长文的结构包括引言、正文和结论三个部分。
在引言部分,首先概述了塔吊基础钢筋验收的重要性,接着介绍了本文的结构和目的。
这部分旨在给读者提供对整篇文章的整体了解,为后续内容的阐述做好铺垫。
在正文部分,主要分为两个小节,分别是钢筋验收的重要性和基本要求。
钢筋验收的重要性一节重点强调了钢筋验收工作在塔吊基础施工中的重要性。
起重机安装检验批质量检验记录一、检验项目及标准1. 起重机安装基坑混凝土浇筑:根据《起重机安装技术规范》(GB/T 5031)要求,基坑混凝土浇筑应达到设计要求的强度,无明显的裂缝和空鼓,并且保持水平度符合规范要求。
2. 起重机支座基础固定检验:根据《起重机安装技术规范》(GB/T 5031)要求,起重机支座基础固定应采用专用金属制品或钢筋混凝土,在安装后应进行质量检验,确保固定牢固可靠。
3. 起重机安全防护装置检验:根据《起重机安装技术规范》(GB/T 5031)要求,起重机安装必须配备完整的安全防护装置,如限位器、安全锁等,并进行质量检验,确保起重机安全可靠。
4. 起重机电气系统接地检验:根据《起重机安装技术规范》(GB/T 5031)要求,起重机电气系统应采用有效的接地措施,确保电气系统安全可靠,并且进行检验,确保接地电阻符合规范要求。
5. 起重机操纵机构检验:根据《起重机安装技术规范》(GB/T 5031)要求,起重机操纵机构应灵活、可靠,并且进行质量检验,确保操纵机构满足使用要求。
二、检验记录日期:____年____月____日检验单位:______检验人员:______1. 起重机安装基坑混凝土浇筑检验记录:检验结果:合格/不合格检验说明:______2. 起重机支座基础固定检验记录:检验结果:合格/不合格检验说明:______3. 起重机安全防护装置检验记录:检验结果:合格/不合格检验说明:______4. 起重机电气系统接地检验记录:检验结果:合格/不合格检验说明:______5. 起重机操纵机构检验记录:检验结果:合格/不合格检验说明:______三、检验结论根据以上检验结果,起重机安装检验批质量检验记录如下:1. 合格项:______项2. 不合格项:______项3. 处理结果:______项(如进行重新安装、更换零部件等)四、检验人员签名:检验人员1:______ 检验人员2:______五、附件无六、备注______(如果有需要,可在此处记录一些其他需要说明的内容)以上为起重机安装检验批质量检验记录,检验结果表明起重机安装达到了规范要求,并且符合使用的安全标准。
土方开挖报验申请表工程名称:武汉地铁七号线一标段编号:致:福建工程建设监理公司(监理单位)我单位已完成了塔吊基础土方开挖工作,现报上该工程报验申请表,请予以审查和验收。
附件:土方开挖工程检验批质量验收记录承包单位(章)项目经理日期2010-7-12审查意见:监理单位(章)专业监理工程师日期土方开挖工程检验批质量验收记录表GB50202-2002010101单位(子单位)工程名称 武汉地铁七号线一标段 分部(子分部)工程名称 基础验收部位 塔吊基础 施工单位 福建省闽南建筑工程有限公司 项目经理 王国连 分包单位/分包项目经理/施工执行标准名称及编号GB50202-2002施工质量验收规范的规定施工单位检查评定记录 监理(建设)单位验收记录 项目允许偏差或允许值(mm )柱基基坑基槽 挖方场 地平整 管沟 地(路)面基层人工 机械主控项目1 标高 -50±30 ±50 -50 -50 √2 长度、宽度(由设计中心)线向两边量)+200-50 +300 -100 +500 -150 +100—√3 边坡 设计要求 √ 一般项目1 表面平整度 2020502020√2基底土性设计要求√施工单位检查评定结果专业工长(施工员)施工班组长主控项目符合要求,一般项目检查评定合格项目专业质量检查员: 2010年07月12日监理(建设)单位验收结论□同意验收,□不同意验收专业监理工程师: (建设单位项目专业技术负责人): 年 月 日模板安装报验申请表工程名称:武汉地铁七号线一标段编号:致:福建工程建设监理公司(监理单位)我单位已完成了塔吊基础模板安装工作,现报上该工程报验申请表,请予以审查和验收。
附件:模板安装工程检验批质量验收记录承包单位(章)项目经理日期2010-07-15审查意见:监理单位(章)专业监理工程师日期模板安装工程检验批质量验收记录(Ⅰ)单位(子单位)工程名称武汉地铁七号线一标段分部(子分部)工程名称基础分部验收部位塔吊基础施工单位福建省闽南建筑工程有限公司项目经理王国连分包单位/分包项目经理/施工执行标准名称及编号混凝土结构工程施工质量验收规范(GB50204-2002)施工质量验收规范的规定施工单位检查评定记录监理(建设)单位验收记录主控项目1 模板支撑、立柱位置和垫板第4.2.1条√2 避免隔离剂沾污第4.2.2条√一般项目1 模板安装的一般要求第4.2.3条√2 用作模板的地坪、胎模质量第4.2.4条/3 模板起拱高度第4.2.5条√4预埋件、预留孔洞允许偏差预埋钢板中心线位置3mm预埋管、预留孔中心线位置3mm插筋中心线位置5mm外露长度+10,0mm预埋螺栓中心线位置2mm外露长度+10,0mm预留洞中心线位置10mm尺寸+10,0mm5模板安装允许偏差轴线位置5mm 2 4 2 2 4底模上表面标高±5mm -2 4 3 4 1 截面内部尺寸基础±10mm 4 3 5 6 5柱、墙、梁+4,-5mm层高垂直度不大于5m 6mm 5 4 2 4 6大于5m 8mm相邻两板表面高低差2mm 1 2 0 0 1表面平整度5mm 4 4 3 3 1施工单位检查评定结果专业工长(施工员)施工班组长主控项目合格,一般项目符合要求。
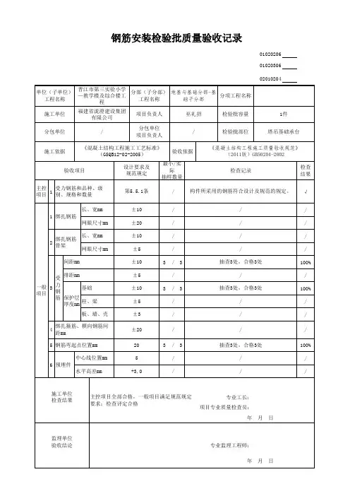
钢筋安装检验批
填写说明
一、填写依据
1 《混凝土结构工程施工质量验收规范》GB50204-2015。
2 《建筑工程施工质量验收统一标准》GB50300-2013。
二、检验批划分
混凝土结构工程采用的材料、构配件、器具及半成品应按进场批次进行检验。
属于同一工程项目且同期施工的多个单位工程,对同一厂家生产的同批材料、构配件、器具及半成品,可统一划分检验批进行验收。
如:钢筋安装,可按楼层施工段或伸缩缝划分,基础可按照一个楼层计。
三、GB50204-2015规范摘要
主控项目
5.5.1 钢筋安装时,受力钢筋的牌号、规格和数量必须符合设计要求。
检查数量:全数检查。
检验方法:观察,尺量。
5.5.2 受力钢筋的安装位置、锚固方式应符合设计要求。
检查数量:全数检查。
检验方法:观察,尺量。
一般项目
5.5.3 钢筋安装偏差及检验方法应符合表5.5.3的规定。
梁板类构件上部受力钢筋保护层厚度的合格点率应达到90%及以上,且不得有超过表中数值1.5倍的尺寸偏差。
检查数量:在同一检验批内,对梁、柱和独立基础,应抽查构件数量的10%,且不应少于3件;对墙和板,应按有代表性的自然间抽查10%,且不应少于3间;对大空间结构,墙可按相邻轴线间高度5m 左右划分检查面,板可按纵、横轴线划分检查面,抽查10%,且均不
应少于3面。
表5.5.3 钢筋安装允许偏差和检验方法。