贝尔吉比特无源光网络介绍品-精
- 格式:ppt
- 大小:1.69 MB
- 文档页数:30
吉比特无源光网--GPON
雷振洲
【期刊名称】《电信工程技术与标准化》
【年(卷),期】2004(000)001
【摘要】本文简述了POS技术发展过程和特点,着重介绍了GPON的优点.【总页数】5页(P10-14)
【作者】雷振洲
【作者单位】信息产业部电信研究院,北京,100083
【正文语种】中文
【中图分类】TN92
【相关文献】
1.无源光网络GPON在通信网络中的应用探讨 [J], 王建业
2.光纤接入的无源光网络EPON和GPON融合的意义 [J], 杜伟华
3.新建校园网络中EPON或GPON无源光网技术的选择分析 [J], 周岩;杜健持
4.新建校园网络中EPON或GPON无源光网技术的选择分析 [J], 周岩;杜健持
5.飞思卡尔吉比特无源光网解决方案助力实现三网合一 [J],
因版权原因,仅展示原文概要,查看原文内容请购买。
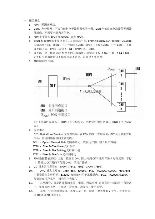
一、相关概念1、PON:无源光网络。
2、ODN:光分配网,不含有任何电子器件及电子电源,ODN全部由光分路器等无源器件组成,不需要电源为其供电。
3、PON主要分为EPON和GPON,合称XPON。
4、EPON和GPON的主要区别有:国际标准不同:EPON(IEEE802.3ah)GPON(ITUG.984);传输速率不同:EPON(上下行均为1.25G)GPON(上行1.25G,下行2.5G);下挂分光比不同:EPON(最多1:64)GPON(1:128);5、分光器:将一路光分成N路光的无源器件。
通常有1:8,1:16,1:32,1:64,1:128 。
如1:8 分光器就是讲1路光分成8路光,可提供8条光路。
6、PON的网络结构:OLT(机房终端设备),ODN(光分配单元,包括光纤和分光器),ONU(用户端设备)7、专业术语:OLT:Optical Line Terminal光线路终端。
在PON的统一管理方面,OLT是主要的管理中心,实现网络管理的主要功能。
ONU :Optical Network Unit光网络单元。
放在用户侧,接入用户终端。
FTTH :Fiber To The Home光纤到户。
FTTB :Fiber To The Building光纤到大楼。
FTTC :Fiber To The Curb光纤到路边。
8、PON数据传输原理:上行(数据从ONU测上传到OLT)采用TDMA时分复用,下行(数据从OLT测向下传到ONU)采用广播式。
9、OLT设备常用型号有:EPON(7342、7302)GPON(7360)10、ONU设备主要有:7330,7353,E16160,E420,RG200O,RG200A。
7330,7353,主要安装在室外机柜,E16160安装在小区单元楼道内,E420,RG200O,RG200A主要安装在用户家里,相当于“光猫”。
11、三网融合:就是讲分散的宽带,电话,网络电视融合在同一线路同一台设备上,实现同时上网,打电话,看电视。
19科技资讯 S CI EN CE & T EC HNO LO GY I NF OR MA TI ON 信 息 技 术我国目前的主流有线宽带接入技术主要包括A D S L 、F T T B +L A N 、F T T x 等,其中光纤接入(FTT x)技术是今后一定时期内的发展方向,它主要通过无源光网络(P O N )技术实现。
1 光纤传输的优势光纤传输具有带宽高、线路直径小且重量轻、传输质量高和成本低等优势。
如今光纤的带宽理论上已经超过10GHz,每公里衰减小于0.3d b ,随着技术的发展,未来10~100Gb/s的传输也将成为可能;光纤即便包裹着保护套,也比同等的铜线尺寸小重量轻;更为突出的是,光纤传输抗干扰能力强,几乎可以忽略附近各种电子噪声源的干扰;此外,传输途中的低损耗可以增加中继器间的距离,因此减少了外部设备的成本,降低了维护运行费用。
2 无源光网络(PON)的组成与分类无源光网络(P O N )系统由局端设备(O LT )、用户端设备(O NU /O NT )和光分配网(ODN)组成。
所谓“无源”,是指ODN全部由无源光分路器和光纤等无源器件组成,不包括任何有源器件。
PON技术采用点到多点的拓扑结构,下行和上行分别采用时分复用(TDM)的广播方式和时分多址(TDMA)方式传输数据。
PON技术可以细分为很多种,目前常见的有APON (ATM PON)、EPON (Ethernet PON)和GPON (Gigabit PON),它们的主要区别体现在数据链路层和物理层的不同。
其中,A P O N 以A T M 作为数据链路层;EPON使用以太网作为数据链路层,并扩充以太网使之具有点到多点的通信能力;G P O N 则结合了A P O N 和E P O N 的优点,使用A T M /G E M 作为数据链路层,能够对多种业务提供良好支持,同时引入了更多的来自电信业的网络管理和运行维护思想。
吉比特无源光纤说明书
吉比特无源光纤接入用户端设备G-140W-C使用说明书:
用光电转换设备(或光纤模块)与机柜交换机连接;到办公室所在建筑后用光电转换设备(或光纤模块)与交换机连接。
再用网线连不同办公地点,连接设备可以选择千兆或百兆速率的,足够满足办公要求;光纤性能比普通网线版好,普通网线比光纤造价低,但不能直接拉300米,需要中权间插入中继设备。
吉比特无源光网络基于ITU-TG.984.x标准的最新一代宽带无源光综合接入标准,具有高带宽,高效率,大覆盖范围,用户接口丰富等众多优点,被大多数运营商视为实现接入网业务宽带化,综合化改造的理想技术。
扩展资料:
在多模光纤中,芯的直径是50μm和62.5μm两种,大致与人的头发的粗细相当。
而单模光纤芯的直径为8μm~10μm,常用的是9/125μm。
说明:9/125μm指光纤的纤核为9μm,包层为125μm,9/125μm是单模光纤的一个重要的特征,50/125μm指光纤的纤核为50μ
m,包层为125μm,50/125μm是多模光纤的一个重要的特征。
其中金砖国家光缆计划是直接连通5个金砖国家的海底光缆项目,将于2014年初开工,2015年中启用。
该项目总长3.4万千米,其中直接连通5个金砖国家的海底光缆长约2.4万千米。
019002005吉比特无源光纤接入设备(GPON)标准文件2.2◆发布日期: 2009-12-14◆实施日期: 2009-12-14目录一、设备名称 (1)二、检验依据 (1)三、检测项目一览表 (1)四、测试项目 (3)第一部分:网络信息安全 (3)1IP地址管理和身份认证(YD/T 1949.1-2009 9.1.3) (3)2通信安全(YD/T 1949.1-2009 9.2) (3)4安全网管(YD/T 1949.1-2009 13.5) (4)第二部分:性能要求 (5)1PON接口测试(YDT 1949.2-2009) (5)1.1OLT侧PON接口测试 (5)1.2ONU侧PON接口测试 (5)2SNI接口测试 (6)2.11000Base-LX光接口测试(YD/T 1156-2009) (6)2.21000Base-SX光接口测试(YD/T 1156-2009) (6)2.31000Base-T电接口测试(YD/T 1156-2009) (7)2.4STM-1接口(YD/T 1250-2003) (7)2.5E1接口(YD/T 1250-2003) (8)3UNI接口测试 (8)3.110/100Base-T电接口测试(YD/T 1250-2003) (8)3.2E1接口(YD/T 1250-2003) (9)3.3 ADSL2+接口测试(YD/T 1949.1-2009 8.2.8) (9)3.41000Base-T电接口测试(可选)(YD/T 1156-2009) (10)4ODN特性测试(YDT 1949.1 6.3) (10)5性能测试(YDT 1949.1-2009 12) (11)5.1业务支持能力 (11)5.2IP性能测试 (11)5.32048kbit/s通路性能 (12)5.4 ADSL2+传输性能测试(YD/T 1949.1-2009 8.2.8) (13)76功能测试 (15)7网管功能测试(YDT 1949.1-2009) (17)8环境测试(YDT 1949.1-2009 14.1) (18)8.1光纤温度交变测试 (18)8.2低温环境测试 (18)8.3高温环境测试 (19)8.4高温高湿环境测试 (19)9电源安全性测试(YD/T 965-1998) (20)10电源线防雷击测试(YD/T 993-1998) (20)五、判定原则 (21)六、更新说明 (21)吉比特无源光纤接入设备(GPON)标准文件一、设备名称设备名称:吉比特无源光纤接入设备(GPON)二、检验依据YDT 1949.1-2009 《接入网技术要求——吉比特的无源光网络(GPON)第1部分:总体要求》YDT 1949.2-2009 《接入网技术要求——吉比特的无源光网络(GPON)第2部分:物理媒质相关(PMD)层要求》YD/T 1250-2003 《接入网设备测试方法——基于ATM的无源光网络(A-PON)》YD/T 1156-2009 《路由器设备测试规范——核心路由器》YD/T 965-1998 《电信终端设备的安全要求和试验方法》YD/T 993-1998 《电信终端设备防雷技术要求及实验方法》三、检测项目一览表四、测试项目第一部分:网络信息安全1 IP地址管理和身份认证(YD/T 1949.1-2009 9.1.3)2 通信安全(YD/T 1949.1-2009 9.2)3 安全网管(YD/T 1949.1-2009 13.5)第二部分:性能要求1 PON接口测试(YDT 1949.2-2009)1.1 OLT侧PON接口测试说明:OLT侧PON接口线路速率是2.488Gbit/s。
IP/以太网Broadcast HE 软交换(语音)7342 ISAM FTTU 光终端室内型ONU
室外型ONU
商用型ONU
线路卡、上连卡等模块,最高可7342 ISAM FTTx Meta
的功能和QoS保证,支持
图表 2 7342 OLTS-M主机架结构7.1.1.7342 OLT顶部子架单元TRU:
图表 4 OLTS-M子框和物理尺寸信息7342 OLT中,OLTS-M子架满配置为1块
图表7 7342 OLT软件结构如图7所示,7342 ISAM软件模块可分为五个部分:平台和管理协议、封装、应用和管理协议。
图表 4 7342 ISAM FTTU网络拓扑结构
在网络侧,7342 ISAM FTTU终结GE和10GE链路。
如果在7342
NSP 1NSP 2NSP 3NSP1NSP2NSP3图表Residential bridging VLAN 使用不同的VLAN 同时连接到Provider-VLAN(P_IP-VLAN). 7342 ISAM FTTU P_IP-VLAN. 如果一个到同一个P_IP-VLAN.
7342 ISAM FTTU1
不允许的配置7342 ISAM FTTU2
图表
NSP 1
NSP 2
NSP 3
图
8.1.3.VLAN的划分
7342 GPON系统可以
根据用户划分
根据业务划分VLAN (VLAN per Service)
图:ISAM 7342 QoS示意图:
图表8 7342 ISAM FTTU的网络管理
图表9 ISAM 7342 FTTU管理拓扑7342 ISAM FTTU的图形化管理
7342 ISAM FTTU系统提供远程管理接口,可以使用。
吉比特无源光网络:吉比特无源光网络,是基于ITU-TG.984.x标准的最新一代宽带无源光综合接入标准,具有高带宽,高效率,大覆盖范围,用户接口丰富等众多优点,被大多数运营商视为实现接入网业务宽带化,综合化改造的理想技术。
GPON最早由FSAN组织于2002年9月提出,ITU-T在此基础上于2003年3月完成了ITU-T G.984.1 和G.984.2的制定,2004年2月和6月完成了G.984.3的标准化。
从而最终形成了GPON的标准族。
介绍:GPON技术起源于1995年开始逐渐形成的ATMPON技术标准,PON是英文“无源光网络”的缩写。
而GPON最早由FSAN组织于2002年9月提出,ITU-T在此基础上于2003年3月完成了ITU-T G.984.1 和G.984.2的制定,2004年2月和6月完成了G.984.3的标准化。
从而最终形成了GPON的标准族。
基于GPON技术的设备基本结构与已有的PON类似,也是由局端的OLT(光线路终端),用户端的ONT/ONU(光网络终端或称作光网络单元),连接前两种设备由单模光纤(SM fiber)和无源分光器(Splitter)组成的ODN(光分配网络)以及网管系统组成。
特点:GPON的技术特点是在二层借鉴了ITU-T定义的GFP(Generic Framing Procedure,通用成帧规程)技术,扩展支持GEM(General Encapsulation Methods)封装格式,将任何类型和任何速率的业务经过重组后由PON传输,而且GFM帧头包含帧长度指示字节,可用于可变长度数据包的传递,提高了传输效率,因此能更简单、通用、高效地支持全业务。
具体如下:1、前所未有的高带宽。
GPON速率高达2 .5 Gbps, 能提供足够大的带宽以满足未来网络日益增长的对高带宽的需求, 同时非对称特性更能适应宽带数据业务市场。
2、QoS 保证的全业务接入。
GPON 能够同时承载ATM信元和/ 或GEM 帧, 有很好的提供服务等级、支持QoS 保证和全业务接入的能力。
吉比特无源光网络论文:GPON网络管理系统关键技术的研究和实现吉比特无源光网络论文:GPON网络管理系统关键技术的研究和实现【中文摘要】随着网络用户的急剧增加,高带宽业务的不断出现,宽带光纤接入网技术显得越来越重要,尤其是PON技术。
目前比较流行的PON技术标准有APON、EPON和GPON标准。
他们各自有着其优缺点。
但APON和EPON在承载业务上的能力上与GPON相比有一定的不足,GPON系统具有天然的承载TDM业务能力,能够高效、透明地完成各种业务的传送,因此,未来的FTTP/FTTH领域中解决方案,GPON技术将成为重要的一部分。
本文首先介绍了目前流行的各种接入网技术以及PON的发展和分类,并对PON技术进行了比较,阐述了GPON系统的组成、工作原理和GPON网管系统组成和工作原理。
在此基础上提出了整个GPON网管系统实现的关键技术点,主要是对管理者站端与OLT的AGENT代理端的信息交互的设计于实现,以及SNMP协议与OMCI协议两者协议转换之间的实现,以及OLT的OMCI代理端与ONU从代理端信息交互的实现。
重点是在根据G.984.4协议设计的基础上,利用嵌入式Linux系统和开发板实现了网管的功能,并且优化设计了相关功能。
本文研究设计的网络设备信息交互的实现方法对促进GPON网管系统的实现有着重要的理论和现实意义。
【英文摘要】With Internet users dramatic increasing andhigh-bandwidth services emerging, broadband Optical AccessNetwork technology is becoming important, especially in PONtechnology.At present; the popular PON techniques are APON, EPON and GPON. And they each have their advantages and pared with GPON system, APON and EPON have disadvantages in the capacity of carrying business. GPON system can load TDM service inartificially,transmit all kinds of services efficiently and transparentlly. GPON technology will become an important part in future FTTP/FTTH solution area.This article first introduces some popular network access techniques and the development and classification of PON technology. It describes the composing, working theory of GPON system and GPON netwotk mangenment system. Then, the article puts forward the key technology points of GPON network. It is emphasis on the interaction implemention between management statio n and OLT’s agent, and protocol conversion implemention between OMCI protocol and SNMP protocol, and information exchange implemention between OLT’s OMCI agent and ONU.According to G.984.X, the article implements GPON network managment by using embedded Linux development board, and optimizes the related function.In this paper, the realization of design method of network device information exchange will promote the implemention of GPON network mangament system.it has important values in theoretical and practical area.【关键词】吉比特无源光网络 SNMP 嵌入式Linux S3C2440 OMCI【英文关键词】gpon embed linux s3c2410s3c2440 omci【备注】索购全文在线加好友:1.3.9.9.3.8848同时提供论文写作一对一指导和论文发表委托服务【目录】GPON网络管理系统关键技术的研究和实现摘要5-6 ABSTRACT 6 第一章绪论 9-15 1.1 问题的提出 10-12 1.2 国内外研究现状及趋势 12 1.3 研究的目的和意义 12-13 1.4 本课题所做的工作 13-14 1.5 论文的安排 14-15 第二章 PON 系统及其网管系统概述15-24 2.1 PON 技术 15-19 2.1.1 PON 技术的发展15-16 2.1.2 几种PON 技术介绍 16-17 2.1.3 GPON 与其他PON 技术比较17-19 2.2 GPON 系统组成及工作原理19-21 2.2.1 系统组成 19-20 2.2.2 工作原理20-21 2.3 GPON 网络管理系统组成和工作原理21-24 2.3.1 网管系统简介 21 2.3.2 系统组成21-22 2.3.3 工作原理 22-24 第三章管理站和 OLT 代理站信息交互的实现24-32 3.1 管理站和OLT 代理站信息交互整体框架设计 24-25 3.2 SNMP 协议 25-26 3.2.1 NET-SNMP 开源代理包简介 25 3.2.2 管理信息结构25-26 3.2.3 管理信息库 26 3.3 SNMP 代理的实现和优化 26-32 3.3.1 扩展管理信息库的实现 26 3.3.2 扩展代理端的实现 26-31 3.3.3 扩展代理端的优化31-32 第四章 SNMP 协议与 OMCI 协议转换器的实现32-37 4.1 UNIX 进程间通信简介 32 4.2 协议转化器32-34 4.2.1 进程间通信方式选择的研究 32-33 4.2.2协议转化器的研究 33-34 4.3 协议转换器的实现和优化34-37 4.3.1 协议转换器的实现 34-35 4.3.2 协议转换器的优化 35-37 第五章 OLT 代理站与 ONU 从代理站信息交互的实现 37-49 5.1 OMCI 协议研究与实现37-41 5.1.1 OMCI 协议功能介绍 37-38 5.1.2 OMCI 协议的研究 38-395.1.3 OMCI 帧的介绍 39-40 5.1.4OMCI 协议的实现 40-41 5.2 OMCI 帧处理的优化41-45 5.2.1 单帧处理的缺点 41 5.2.2 并行OMCI 帧处理的设计 41-425.2.3 并行OMCI 帧处理的实现42-45 5.3 组播通信的设计与带外实现 45-49 5.3.1网络编程简介 45 5.3.2 IP 组播与GPON 网络组播的区别45 5.3.3 GPON 网管组播的设计 45-46 5.3.4 GPON 网管组播的带外实现 46-49 第六章 GPON 网管系统的优化设计49-51 6.1 现有网管系统的缺点 49 6.2 分布式网管系统的初步设计 49-51 第七章总结与展望 51-53 参考文献 53-55 附录 ?MCI 主要帧的涵义 55-59 致谢59-60 攻读学位期间发表的学术论文目录 60。
专利名称:吉比特无源光网络系统中支持虚拟私有局域网业务的方法
专利类型:发明专利
发明人:张海林
申请号:CN200710163409.5
申请日:20071022
公开号:CN101420353A
公开日:
20090429
专利内容由知识产权出版社提供
摘要:本发明公开了一种吉比特无源光网络系统中支持虚拟私有局域网上行业务的方法,以实现为GPON系统实现虚拟私有局域网业务提供支持。
该方法包括:光网络单元将接收到的业务数据流映射到封装端口进行封装,并按照虚拟局域网标签适配到适配端口,传输给光线路终端;所述光线路终端拆离接收到的业务数据流的封装模式,恢复出业务数据流,并在业务数据流上添加服务供应商虚拟局域网标签,将业务数据流映射到相应的服务商虚拟局域网进行封装,发送给所述光线路终端所连接的上层网络设备。
本发明方法为GPON系统提供了一种支持虚拟私有局域网业务的方法。
申请人:中兴通讯股份有限公司
地址:518057 广东省深圳市南山区高新技术产业园科技南路中兴通讯大厦法律部
国籍:CN
代理机构:北京安信方达知识产权代理有限公司
更多信息请下载全文后查看。