大客户电力负荷管理系统之通讯规约(doc 61页)(正式版)
- 格式:doc
- 大小:1.09 MB
- 文档页数:58
电力通信规约电力通信规约是指在电力系统中用于传输和交换数据信息的标准化规范。
它是电力通信领域的重要组成部分,能够确保电力系统的安全、稳定运行。
本文将从电力通信规约的基本概念、分类、应用以及未来发展等方面进行探讨。
一、基本概念电力通信规约是指在电力系统中,为了实现电力设备之间的数据传输和通信交互,所制定的一系列标准和协议。
它规定了数据传输的格式、通信协议、通信接口等内容,确保了电力设备之间的信息交换的准确性和可靠性。
二、分类根据通信方式的不同,电力通信规约可以分为有线通信和无线通信两大类。
1. 有线通信有线通信是指通过电缆、光纤等有线介质进行数据传输和通信的一种方式。
有线通信具有传输速度快、抗干扰能力强等优点,可以满足电力系统对数据传输的高要求。
常见的有线通信规约有Modbus、IEC 61850等。
2. 无线通信无线通信是指通过无线信号进行数据传输和通信的一种方式。
由于无线通信不需要布设电缆等设备,因此具有灵活性高、安装维护成本低等优点。
无线通信广泛应用于电力系统中的远程监测、无人值守等场景。
常见的无线通信规约有ZigBee、LoRa等。
三、应用电力通信规约在电力系统中有广泛的应用,主要包括以下几个方面。
1. 数据采集与监测电力通信规约可以实现电力设备的数据采集与监测,实时获取电力系统各个节点的运行状态、电量消耗等数据。
通过数据采集与监测,可以及时发现电力系统中存在的问题并进行处理,保证电力系统的正常运行。
2. 远程控制与调度电力通信规约可以实现电力设备的远程控制与调度,通过远程通信控制电力设备的开关、调整负荷等参数,实现对电力系统的智能化管理。
远程控制与调度不仅提高了电力系统的运行效率,还能够减少人工干预,降低了操作风险。
3. 故障诊断与维护电力通信规约可以实现电力设备的故障诊断与维护,通过实时监测设备状态、收集故障信息等,快速定位故障位置并进行维修。
故障诊断与维护能够提高电力系统的可靠性和稳定性,减少故障对系统运行的影响。
2024年电力系统通讯规约协议书范文甲方:_____________________乙方:_____________________鉴于甲方为电力系统运营商,乙方为电力系统通讯服务提供商,双方本着平等互利的原则,就电力系统通讯规约事宜达成如下协议:第一条定义1.1 “通讯规约”指为确保电力系统稳定、安全、高效运行而制定的一系列技术规范和操作标准。
1.2 “服务”指乙方根据本协议向甲方提供的电力系统通讯服务。
1.3 “协议书”指本协议书以及双方就本协议书内容所达成的所有书面补充协议。
第二条服务内容2.1 乙方应按照甲方的要求,提供电力系统通讯规约服务,包括但不限于数据传输、信号处理、系统监控等。
2.2 乙方应确保所提供的服务符合甲方的技术标准和操作规范。
第三条服务标准3.1 乙方应保证服务的稳定性和可靠性,确保通讯规约的执行不出现中断。
3.2 乙方应保证服务的安全性,采取必要措施防止数据泄露、篡改或丢失。
第四条服务期限4.1 本协议书的服务期限自____年____月____日起至____年____月____日止。
4.2 如双方同意,服务期限可以续签。
第五条费用及支付5.1 甲方应按照本协议书约定的标准向乙方支付服务费用。
5.2 服务费用的具体数额、支付方式和支付时间由双方另行商定。
第六条保密条款6.1 双方应对在本协议书履行过程中知悉的对方商业秘密和技术秘密负有保密义务。
6.2 保密期限为自本协议书签订之日起至服务期限届满后五年。
第七条违约责任7.1 如任何一方违反本协议书的约定,应承担违约责任,并赔偿对方因此遭受的损失。
7.2 违约责任的具体承担方式由双方协商确定。
第八条争议解决8.1 双方因履行本协议书所发生的任何争议,应首先通过友好协商解决。
8.2 协商不成时,任何一方均可向甲方所在地有管辖权的人民法院提起诉讼。
第九条其他9.1 本协议书的任何修改、补充均需双方书面确认。
9.2 本协议书一式两份,甲乙双方各执一份,具有同等法律效力。
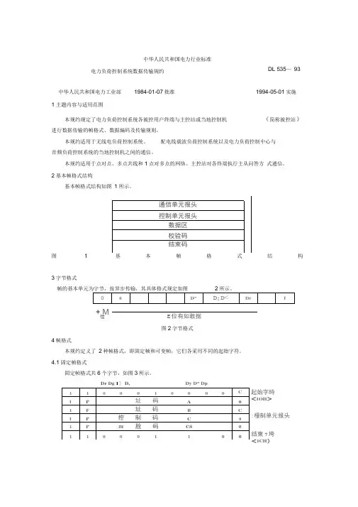
中华人民共和国电力行业标准电力负荷控制系统数据传输规约中华人民共和国电力工业部 1984-01-07批准 1994-05-01实施1主题内容与适用范围本规约规定了电力负荷控制系统各被控用户终端与主控站或当地控制机 (简称被控站)进行数据传输的帧格式、数据编码及传输规则。
本规约适用于无线电负荷控制系统、 配电线载波负荷控制系统以及电力负荷控制中心与音频负荷控制系统的当地控制机之间的通信。
本规约适用于点对点、多点共线和1点对多点的网络。
主控站对各终端执行主从问答方 式通信。
2基本帧格式结构基本帧格式结构如图 1所示。
图1结构3字节格式图2字节格式4帧格式本规约定义了 2种帧格式,即固定帧和可变帧,它们各采用不同的起始字符。
4.1固定帧格式固定帧格式共6个字节,如图3所示。
结東7垮<1CH )起始字時<1OH >:檯制单元报头 Dy D* DpDr Dg 1〕 D,DL 535— 93图3固定帧格式4.1.1传输规则4.1.1.1在发送信息之前,先发连续空闲位二进制“1”,长度不少于11个,使接收机做好稳定接收准备。
4.1.1.2帧间至少要插入 33个空闲位。
4.1.1.3校验码是由控制单元报头数据位组相加的算术和舍去8位以上的进位位形成的。
4.1.1.4接收端的校验规则:每个字节应分别校验其起始、停止位和偶校验位;每帧都应校核其起始、结束字符和帧校验码CS 的正确性。
以上任何一项出错,则该帧拒收。
4.2可变帧格式可变帧格式如图4所示。
82图4可变帧格式4.2.1传输规则4.2.1.1在发送信息之前,先发连续空闲位二进制“1”,长度不少于11个,使接收机做好稳定接收准备。
4.2.1.2帧间至少要插入33个空闲位。
4.2.1.3校验码是由信息数据位组相加的算术和舍去8位以上的进位位形成的。
4.2.1.4接收端的校验规则:每个字节应分别校验其起始、结束和偶校验位,每帧检查2个起始字符应正确和2个L 字节应相同,被接收的字节总数应等于 L+6,检查校验码和结束字符的正确性。
电力通讯规约
《电力通讯规约》
第一章总则
第一条为了维护电力系统电力通讯系统的安全、可靠运行,特制定本规约。
第二条本规约适用于电力系统采用的电力通讯系统,包括宽带和狭带通讯系统,以及使用无线电和其他非电缆的通讯系统。
第二章通用要求
第三条各种电力通讯系统的设计、运行必须符合电力系统电力通讯要求,并遵守有关技术标准。
第四条各种电力通讯系统设计时,应确保它们可以抵抗外部干扰,保障数据的完整传输。
第五条电力通讯系统运行中必须实行针对安全的专门控制,并有效地防止误操作、误信息与其他恶意行为。
第六条处于故障状态的电力通讯系统必须采取恢复措施,保障电力系统正常运行。
第七条需要实行的检修工作,应当重视安全,防止运行中出现安全事故及其他不良后果。
第三章其他要求
第八条电力通讯系统运行时需要实时监测,以有效节省电力消耗。
第九条电力通讯系统运行时必须可靠,并采用灵活的管理方式,
以保障安全和可靠运行。
第十条电力系统采用的电力通讯系统应当符合国家有关电力通讯安全标准和规约的要求。
第四章实施
第十一条本规约由国家电力行政部门负责解释和实施。
第十二条本规约自公布之日起施行。
电力系统常用通信规约简介电力系统通信规约是指为了实现电力系统中各个设备之间的信息传输而制定的一系列规则和标准。
这些规约发挥了重要的作用,使得电力系统能够进行高效、可靠的信息传输,为电力系统的运行与管理提供了有力的支持。
本文将介绍电力系统中常见的通信规约及其特点。
1. Modbus通信协议Modbus通信协议是一种常见的工业通信协议,广泛应用于电力系统中各类自动化设备之间的通信。
Modbus通信协议具有简单易用、性能稳定等特点。
它定义了数据通信规约、数据传输方式、信息检验、网络传输容错处理等内容,通过网络传输数据实现设备之间的通信。
Modbus通信协议中包括了从机地址、功能码、寄存器地址、数据类型、数据长度等要素。
其中,从机地址和功能码用于识别被访问的设备及其数据类型,寄存器地址用于定位数据存储位置,数据类型和数据长度用于确定数据格式和数据长度。
Modbus通信协议可以基于串口、以太网等多种通信介质。
2. IEC 61850通信规约IEC 61850通信规约是指基于MMS(Manufacturing Message Specification,制造业信息规范)的一种通信规约,用于电力设备之间的通信。
IEC 61850通信规约标准化、模块化、灵活性高,可以实现快速、可靠的信息传输。
IEC 61850通信规约包括了各种功能模块,如GOOSE(Generic Object Oriented Substation Event,通用面向对象的变电站事件)和SV(Sampled Value,采样值)等。
其中,GOOSE是用于信息传递所需时间非常短的应用程序序列,主要负责保护数据传输。
SV则用于传输在每个采样周期内的电压、电流值等实时数据。
IEC 61850通信规约的优点在于可以实现快速、可靠的信息传输,从而提高了电力系统的可靠性和稳定性,减少了对设备维护的需求。
3. DNP3通信规约DNP3通信规约是DesignaNet协议的简称,是一个可靠性高、安全性强的通信协议,主要用于智能配电网、远程自动化和监控等领域。
电力负荷管理系统数据传输规约综述电力负荷管理系统数据传输规约综述随着人类社会的不断发展,电力已成为现代人生活和工作的必需品。
为了保证电力系统的稳定和安全运行,需要对电力负荷进行实时监测和管理。
电力负荷管理系统是实现电力负荷监测和管理的关键系统之一。
在电力负荷管理系统当中,数据传输是保证监测和管理的关键环节。
本文将对电力负荷管理系统数据传输规约进行综述。
一、数据传输数据传输是数据交换的一种方式,是指将数据从发送端传输到接收端的过程。
数据传输需要遵循一定的规定和约定,以保证数据传输的稳定和可靠。
数据传输可以通过各种网络、传输介质和协议来实现。
二、电力负荷管理系统电力负荷管理系统是一种用于监测、管理和调节电力系统负荷的系统。
电力负荷管理系统的主要任务包括:实时监测电力系统负荷状况,采集负荷数据,进行负荷分析和预测,为电力系统提供负荷平衡、安全、稳定的运行环境。
三、数据传输规约数据传输规约是指数据传输过程中,发送方和接收方遵循的一系列规定和约定,以确保数据传输的正确性、完整性和可靠性。
数据传输规约可以包括以下内容:1、数据格式数据格式是指数据在传输过程中的组织方式和表现形式。
数据格式可以分为二进制格式、ASCII格式、XML格式等等。
对于电力负荷管理系统,常用的数据格式为XML格式,因为XML格式具有良好的可读性和可扩展性。
2、数据协议数据协议是指在数据传输过程中,发送方和接收方之间的数据交换方式和控制策略。
数据协议通常包括通信协议和控制协议。
通信协议主要指数据传输的方式,包括TCP/IP、UDP、HTTP等。
控制协议主要指控制数据传输的策略,包括心跳包机制、错误纠正机制、帧校验机制等。
3、数据传输机制数据传输机制是指数据在网络之间传输的过程中所采用的传输方式和协议。
数据传输机制可以分为点对点传输和广播传输。
点对点传输在每个数据传输时建立一个独立的连接,广播传输则是将数据同时发送到多个接收方。
四、总结与展望电力负荷管理系统是保障电力系统安全、稳定运行的重要组成部分。
101通信规约第一部分基本定义一、适用范围1、网络拓扑结构本规约适用的网络拓扑结构为点对点、多点对点、多点共线、多点环形、多点星形等,通道可以是全双工或半双工的情况。
2、传输方式传输方式分为非平衡方式和平衡方式传输两种。
非平衡方式传输:只有主站启动各种链路传输服务,子站只有当主站请求时才传输。
这种传输方式对于所有网络结构都可适用。
但是在点对点和多点对点的网络结构中,非平衡方式传输没有充分发挥这种网络的内在潜力。
平衡方式传输:主站和子站可以同时启动链路传输服务,所以必须有一对全双工的通道。
这里规定对于点对点和多点对点的网络结构采用平衡方式传输,对于多点共线、多点环形和多点星形的网络结构采用非平衡方式传输。
二、帧格式本规约采用的帧格式为FT1.2异步式字节传输帧格式1、FT1.2可变帧长帧格式其具体格式如下传输规定:(1)线路空闲状态为1(2)每个字符有1位启动位(0),8位数据位,1位偶校验位,1位停止位(1)(3)每个字符间无需线路空闲间隔。
(4)两帧之间的线路空闲间隔最少为33位(5)帧长度L包括控制域、地址域、用户数据的字节总数,L最大为250(6)帧校验和为控制域、地址域、用户数据中所有字节的算术和(不考虑溢出)(7)接收校验●由串行接口芯片检查每个字符的启动位、停止位、偶校验位●校验两个启动字符应一致、两个L值应一致,接收字符数L+6、帧校验和、结束字符无差错则数据有效。
●在校验中,若检出一个差错,则舍弃此帧数据。
2、FT1.2固定帧长帧格式具体格式如下:传输规定:(1)线路空闲状态为1(2)每个字符有1位启动位(0),8位数据位,1位偶校验位,1位停止位(1)(3)每个字符间无需线路空闲间隔。
(4)两帧之间的线路空闲间隔最少为33位(5)无帧长度L(6)帧校验和为控制域、地址域中所有字节的算术和(不考虑溢出)(7)接收校验●由串行接口芯片检查每个字符的启动位、停止位、偶校验位●检查启动字符、结束字符以确定此帧长度是否正确●检查校验和●在校验中,若检出一个差错,则舍弃此帧数据。
综合漏保通信规约1 说明本办议适用于综合漏电保护相关终端产品与监测设备(或远程控制平台)之间的通讯,本协议内有数据包采用串口(偶校验,8,1)通讯模式,初始速率:1200bps。
本通信规约是参照《中华人民共和国电力行业标准(DL/T645——1997)》多功能电能表通信规约而制定的。
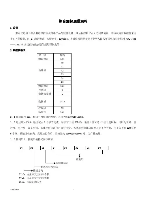
2 数据帧格式2.1帧起始符68H:标识一帧信息的开始,其值为68H=01101000B。
2.2地址域A0~A5:地址域由6个字节构成,每字节2位BCD码。
地址长度可达12位十进制数,可以为表号、资产号、用户号、设备号等。
具体使用可由用户自行决定。
当使用的地址码长度不足6字节时,用十六进制AAH补足6字节。
低地址位在先,高地址位在后。
当地址为999999999999H时,为广播地址。
2.3控制码C:控制码的格式如下所示。
D7=0:由主站发出的命令帧D7=1:由从站发出的应答帧D6=0:从站正确应答D6=1:从站对异常信息的应答D5=0:无后续数据帧D5=1:有后续数据帧D4∽D0:请求及应答功能码00000:保留00001:读数据00010:读后续数据00011:重读数据00100:写数据01000:广播校时*01010:写设备地址*01100:更改通信速率*01111:修改密码*10000:最大需量清零*2.4数据长度L:L为数据域的字节数。
2.5数据域DATA:数据域包括数据标识和数据、密码等,其结构随控制码的功能而改变。
传输时发送方按字节进行加33H处理,接收方按字节进行减33H处理。
2.6校验码CS:从帧起始符开始到校验码之前的所有各字节的模256的和,即各字节二制算术和,不计超过256的溢出值。
2.7结束符16H:标识一帧信息的结束,其值为16H=00010110B。
2. 8前导字节:在主站发送帧信息之前,先发4个字节FEH,以唤醒接收方。
3、应用3.1.1读数据功能:请求读数据控制码:C=01H数据长度:L=02H帧格式:3.1.2从站正常应答功能:从站正常应答控制码:C=81H数据长度:L=02H+1+m(数据长度)3.1.3从站异常应答功能:从站收到非法的数据请求或无此数据控制码:C=C1H数据长度:L=02H帧格式:ERR=01 非法数据请求 ERR=02 无此数据3.2.1写数据功能:主站向从站请求设置数据(或编程)控制码:C=04H数据长度:L=02H+m(数据长度)3.2.2从站正常应答功能:将请求命令执行的结果告知主站控制码:C=84H数据长度:L=02H+15(数据长度)帧格式:3.2.3从站异常应答帧(同读数据异常应答,除控制码外)3.2.4写设备地址功能:设置某从站的地址码控制码:C=0AH地址域:999999999999H数据长度:L=06H注:本请求命令采用广播地址发布,要求被设置的从站有相应的按键(开关)与该命令配合,在命令发布的全部时间内按下按键者响应,其它不响应。
电力系统通信管理规程1 总则1.1 电力系统通信网电力系统通信网是国家专用通信网之一,是电力系统不可缺少的重要组成部分,是电网调度自动化和管理现代化的基础,是确保电网安全、稳定、经济运行的重要手段。
为进一步加强通信网管理,充分发挥电力系统专用通信网的作用,更好地为电力生产服务,特制定本规程。
1.2 电力系统通信电力系统通信为电力调度、水库调度、燃料调度、继电保护、安全自动装置、远动、计算机通信、生产管理等提供多种信息通道并进行信息交换。
电力系统通信主要为电力生产服务,同时也为基建、防汛、行政管理等服务。
1.3 通信技术政策要点遵照国家“通信技术政策要点”精神,根据电力生产的特点,电力系统通信网应力争在本世纪末,将主干网路基本建成与电力系统相适应的、能传送多种信息的综合数字网(IDN)。
电力系统通信主干网路应以数字微波为主,积极推广和采用数字光纤电路,优先采用数字程控交换技术,因地制宜地发展移动通信、卫星通信、散射通信、特高频等多种通信方式,最终实现综合业务数字通信网(ISDN)。
电力线载波是电力系统特有的一种通信方式,仍是电力系统的主要通信手段之一,应予以充分利用。
1.4 制定本规程的目的制定本规程的目的,在于阐述电力系统通信的作用、服务范畴,电力系统专用通信网的发展目标及发展电力系统通信的技术政策要点,明确各级通信机构的职责,采用专业技术手段实施科学管理,不断提高通信质量和服务水平。
1.5 全国电力系统通信网的运行实行统一调度,分级管理的原则。
在现有条件下,通信网分设五级调度,即国电通信中心调度,网局通信调度、省(自治区、直辖市)局通信调度、地区(市)局通信调度和县局通信调度。
并由国电通信中心负责全国电力通信网调度业务的归口管理。
1.6 本规程适用范围本规程适用于电力系统各级通信部门,是电力工业规程的一部分,各级电业部门均须遵照执行。
2 通信机构与职责2.1 机构设置原则2.1.1 电力系统通信网是一个整体,在专业技术管理方面必须实行部、网局、省(自治区、直辖市,以下均简称省)局、地区局、县局(所)分级管理的原则。
大客户电力负荷管理系统通讯规约试行I. 介绍在现代电力系统中,大客户(如工厂、商铺等)对电力的需求是不可忽视的。
为了更好地管理大客户负荷,提高电力系统效率和稳定性,电力公司已经开发并试行了大客户电力负荷管理系统通讯规约。
II. 通讯规约的定义和作用通讯规约是指大客户与电力公司之间通讯和信息交换的一套标准化协议。
它主要定义了大客户向电力公司报告负荷信息、电力公司控制大客户负荷等相关流程和格式。
通讯规约是确保大客户和电力公司之间信息准确、高效、安全传递的关键。
III. 试行结果大客户电力负荷管理系统通讯规约试行自推出以来,在全国各地试点运营,效果显著。
根据电力公司的统计数据,试行后,大客户每日平均停机时间缩短10%以上,电力保障水平和可靠性显著提高。
具体来说,试行的通讯规约实现了以下目标:1. 支持多种报文格式:通讯规约支持多种数据格式,包括XML、JSON等,这使得大客户和电力公司之间的信息交互更加灵活多样化。
2. 实现实时管理:通过通讯规约,电力公司可以实时掌控大客户用电情况,并及时调整电力供应和消耗策略。
3. 提高安全性:通讯规约通过数据加密和身份验证等机制,确保大客户和电力公司之间的信息安全。
IV. 实践经验大客户电力负荷管理系统通讯规约试行中,电力公司积累了一些实践经验。
以下是一些值得借鉴的经验:1. 多方沟通:在开发通讯规约前,电力公司需要和大客户充分沟通,了解大客户需求和痛点,然后针对性的制定规约。
2. 规范化管理:在规约的制定、实施和维护过程中,要尽可能规范化管理,明确责任和流程,以保证规约的稳定性和可靠性。
3. 持续优化:通讯规约也需要不断优化,根据实际使用情况,及时修订和更新规约,以适应不断变化的需求。
V. 结论大客户电力负荷管理系统通讯规约试行的成功经验告诉我们,标准化、开放式、实时化和安全可靠是信息通讯规约的重要特点。
这样的规约不仅可以提高电力系统的效率和稳定性,也有助于企业(大客户)降低用电成本,提高生产效率和竞争力。
- -23 - - 第4章 网络通讯4.1 功能概述网络通讯模块是系统信息交换的通讯基础,采用TCP/IP 协议进行各工作站之间、各进程之间的通讯。
主要功能包括管理本机进程,通讯报文转发,系统消息传递等。
在启动其它需要进行信息交换的模块(如中心控制、负荷控制管理系统、变电站管理系统、前置机、定时任务等)之前,必须首先运行网络通讯模块。
4.2 具体操作从系统导航中点击网络模块图标,网络模块运行后会自动缩小成一个图标显示在任务栏托盘中,每1.5秒交替变换图标显示其运行正常(如图4-1)。
图 4-1 网络模块小图标具体操作如下:1. 鼠标左键双击图4-1所示网络模块小图标显示其运行窗口(如图4-2)。
在窗口标题栏上显示本机状态是“主机、工作站”还是“主机+工作站”,“主机、工作站”指前置机和采集模块在多个计算机上分别运行,“主机+工作站” 指同一计算机上运行。
图 4-2 网络模块通讯服务器 2. 报文显示:鼠标左键双击发送报文显示区或接收报文显示区来开启或停止报文显示。
蓝色“发送”、“接收”字样表示停止显示报文(如图4-2),红色的“发送”、“接收”字样表示接收报文显示区- - 24 - - 显示报文(如图4-3)。
3. 报文清除:鼠标左键点击发送报文显示区或接收报文显示区后,按“DEL ”键可清除报文显示。
图 4-3 红色的“发送”、“接收”字样表示显示报文4. 菜单使用:单击选中主菜单 “功能”下的“总在最前面”菜单,使窗口浮在其它窗口上,不被其它窗口覆盖,便于调试。
当不需要其浮在其它窗口上时,再次点击主菜单“功能”下的“总在最前面”菜单即可(如图4-4)。
图 4-4 功能菜单5. 退出:由于网络模块的重要性,退出会使其它需要进行信息交换的模块也会被迫退出,因此退出网络模块只有从主菜单的“功能”子菜单中选择“退出”来使网络模块退出运行。
广东省大用户电力负荷管理系统之通讯规约Communication Protocol华立科技2005年3月广东省广电集团有限公司广东省大客户电力负荷管理系统通信规约(试行稿)2004年9月10日发布2004年10月1日实施广东省广电集团有限公司发布目录1概述本规约规定了大客户电力负荷管理系统终端与前置机、厂商分析程序、应用服务器的通讯规约。
本规约适用于大客户电力负荷管理系统。
本规约参考了DL-535-96《电力负荷控制系统数据传输规约》,DL/T 645-1997《多功能电能表通信规约》。
考虑到应用的特殊性和支持多种通讯方式,特别是新出现的GPRS、短信等方式(没有对应的标准规约可以参照),所以规定了本通讯规约。
大客户电力负荷管理系统的整体构架如下图所示:如上图所示,系统由应用服务器、数据库服务器、前置机和终端组成,其中应用服务器、数据库服务器和前置机构成了主站;前置机由对外通讯部分、厂家解析分析部分与前置机通讯服务程序组成。
对于上行信息,通过前置机的对外通讯部分接收后,进行通讯层的解码,得到规约的应用层报文,然后根据应用层报文的类型作如下处理:标准报文交给主站现场应用服务程序进行解释处理,同时传送给厂商解码分析程序;非标准报文按照不同的厂商提交相应的厂商解码分析程序。
厂商解码分析程序可以以上行报文的形式将分析结果按照标准报文格式送给前置机通讯服务程序,通讯服务收到后转发给应用服务器;厂商解码分析程序也可以以下行报文的形式将召测命令发送给前置机通讯服务程序,通讯服务程序收到后转发给终端。
由应用服务器发起的通讯一律通过标准报文下发。
在本规定中,已对具体帧结构中的数据传输顺序表述的,以该表述顺序传输;对于数据项字节数≥2的,以低字节在前高字节在后的顺序传输。
2术语2.1大客户电力负荷管理系统 Load management system大客户电力负荷管理系统是集现代数字通信技术、计算机软硬件技术、电能计量技术和电力营销技术为一体的用电需求侧综合性的实时信息采集与分析处理系统。
它以公共的移动通信网络为主要通讯载体,以无线、公用电话网、光纤网为辅助通讯载体,通过多种通讯方式实现系统主站和现场终端之间的数据通讯,具有远程抄表、用电异常信息报警、电能质量检测、线损分析、无功电压管理和负荷管理等功能。
2.2主站 master station具有选择终端并与终端进行信息交换功能的设备。
在大客户电力负荷管理系统中,主站包括前置机、应用服务器和数据库服务器三个部分,而前置机则是直接和终端进行通讯的部分。
2.3前置机 front end processor负责通过各种通讯介质和终端进行通讯的前置设备,并能在与主站其它部分脱离联系后(通讯部分还正常),维持系统运行的设备。
2.4客户现场终端 field agent安装于电力客户现场的用于现场服务与管理的设备。
简称终端。
2.5应用层 application layer独立于通讯层的,在主站和终端之间传输信息的协议部分。
2.6通讯接口层 communication-interface layer规定了应用层协议如何在不同的下层通讯协议上实现。
2.7负荷管理应用层协议(LMAL)load management application layer独立于通讯层的,在大客户电力负荷管理系统主站内部之间以及主站与终端之间传输信息的协议2.8标准报文 standard packet指本规约的应用层规约制定的非用户自定义部分的报文2.9非标准报文 nonstandard packet指本规约的应用层规约制定的用户自定义部分的报文2.10测量点measured point指采用某种装置可以在一个特定的时间点测量出唯一的一组量值的电气连接点,这组量值以某种方式被传递到终端。
当物理上相同的一个电气连接点被多个装置所测量,或者被一个装置所测量但通过多种方式被传递到终端时,按照多个测量点计。
2.11中继命令 forward command终端将收到的中继命令中的命令内容不做任何解释发给下属设备,然后将下属设备返回的结果不加任何解释封装到中继命令返回结构中的数据域。
2.12任务 scheduled task规定终端在指定时间或条件下所需执行的操作。
2.13中继任务 forward task规定终端在指定时间执行的中继命令,命令在任务中指定,结果由终端保存后返回到主站。
3通讯规约3.1协议层次描述本规约主要详细描述了应用层的协议,该应用层协议可以基于多种不同的下层协议实现,包括:TCP/UDP、GPRS、短信(PDU)、红外、串口、电话拨号数据通讯等。
层次结构如下:3.2应用层(LMAL)3.2.1帧格式3.2.1.1帧格式概述帧是传送信息的基本单元,每帧由帧起始符标志域,控制域,数据长度域,数据域,帧信息纵向校验域及帧结束域等6个域组成。
每个域由若干字节组成。
帧格式如表格 1所示:表格 1 帧格式3.2.1.2标识一帧信息的开始,其值为68H=01101000B;3.2.1.3终端逻辑地址为标识通讯的最终发起端和接收端,定义主站和终端逻辑地址。
1终端逻辑地址在通讯时用来唯一识别一个通讯的最终发起端和接收端。
包括地市区码和终端地址码两部分。
如:表格 2 终端逻辑地址其中:当此通讯的最终发起端和接收端为终端时,A1A2为地市区县码,表示终端所属的地市和区县。
A1地市码用于区分不同的地市分公司。
参考编码▼省公司80▼广州81▼深圳82▼东莞83▼佛山84▼江门85▼惠州86▼珠海87▼中山88▼肇庆891更好的办法是使用源地址和目的地址,地址统一编号,但是由于主站设备很少,占用4字节地址对于帧的利用率有较大影响,所以本规约利用传送方向标识(见控制码C)和主站、终端地址来实现相同的功能。
▼云浮8A▼韶关8B▼清远8C▼湛江8D▼茂名8E▼阳江8F▼汕头90▼揭阳91▼潮州92▼汕尾93▼梅县94▼河源95A2 区县码,用于区分不同地市下的区县分公司,A2 = 0保留给主站通讯 A2 = FFH用于对终端广播B1 B2共同构成终端地址。
B1B2各位全1,表示广播。
系统广播遵循:●A2=FFH B1B2=FFFFH 表示地市系统内所有终端广播●A2等于某个区县分公司代码 B1B2=FFFFH 表示该区县分公司下的所有终端广播●不能出现A2=FFH,但是B1B2不等于FFFFH的情况●终端逻辑地址传输时按照A1 A2 B1 B2次序传输。
表格 3 终端地址B1B2当通讯的最终发起端和接收端为主站时,A1仍为地市码,而A2 = 0,B1 B2的D5-D0表示主站地址,参见MSTA的说明。
3.2.1.4主站地址与命令序号主站地址在通讯时用来唯一识别通讯的主站端对象(如应用服务器、厂商分析模块、前置机等)。
命令序号用于在异步通讯过程中,区分发送和应答的对应关系。
表格4主站地址与命令序号MS1MS2其中:MSTA:主站地址(D5-D0),编号0作为终端主动上报标志,其余编号为1-63。
如下:表格 5 主站编号方案前置机通信模块根据通信方式不同,分为不同的信道,编号如下:●短信31●GPRS 32●DTMF 33●CSD 34●Ethernet 35●保留36-49厂商分析模编号另文规定。
主站地址和终端逻辑地址填写规则:●主站→终端,主站地址表示发送该帧的主站编号,主站指应用服务器或者厂商分析模块。
终端地址填写对应的接收命令的终端的逻辑地址或者为广播地址。
●终端→主站,终端地址为发起通讯的终端逻辑地址,主站地址有两种情况:⏹终端应答主站:表示为本次响应的主站编号。
⏹终端主动上报:填写为0●通讯的最终接收端和发起端均为主站端对象时,主站地址为通讯的发起端,而ISEQ:帧内序号(D15-D13),如果由于长度限制,无法一帧内传送数据,需要分成多帧传送的,此序号从1-6递增,7表示最后一帧;如果填写为0表示为单帧传送,没有后继帧。
FSEQ:帧序号(D12-D6),用以区分不同的命令,发送方自行循环编号,而应答方填写对应的发送帧的帧序号,其规则如下:●主站→终端⏹主站下发命令:为流水号01H~07FH,递增循环使用⏹主站应答终端:被响应的终端上送数据的帧序号。
●终端→主站⏹终端应答主站:表示为本次响应的主站帧的帧序号。
⏹终端主动上报:为流水号01H~07FH,递增循环使用●厂商分析模块→主站:表示为转换的对应的非标准报文的终端上行帧中的帧序号。
●主站(应用服务器和厂商分析模块)⇔前置机:为流水号01H~07FH,递增循环使用2。
3.2.1.5控制码C控制码表示要求执行的操作,格式如下:2此处仅指主站对象内部的通信,不包括应用服务器和厂商分析模块通过前置机和终端的通讯。
图表 1 控制码格式D7:传送方向当通讯为主站系统与终端通讯时:⏹0:由主站发出的命令帧;⏹1:由终端发出的应答帧。
当通讯为主站系统对象间通讯时:⏹0:主站编号小的对象发出⏹1:主站编号大的对象发出D6:异常标志⏹0:确认帧;⏹1:否定帧。
D5~ D0:功能码⏹000000B(00H):中继⏹000001B(01H):读当前数据⏹000010B(02H):读任务数据⏹000100B(04H):读编程日志⏹000111B(07H):实时写对象参数⏹001000B(08H):写对象参数⏹001001B(09H):异常告警⏹001010B(0AH):告警确认⏹001111B(0FH):用户自定义数据当功能码为厂家自定义数据时,其数据域中第一个字节表示厂商编号,其后内容可采用完全自定义的格式。
⏹100001B(21H):登录⏹100010B(22H):登录退出⏹100100B(24H):心跳检验⏹101000B(28H):请求发送短信⏹101001B(29H):收到短信上报3.2.1.6数据长度LL为数据域的字节数,十六进制编码,低字节在前,高字节在后。
3.2.1.7数据域DATA数据域包括测量点号(TN)、数据标识(DI)、数据区(DATA)和密码(PW)等,其结构随控制码的功能而改变。
●测量点号TN(1个字节):0固定为终端,1为电表1,2为电表2,如此类推;FEH表示所有测量点;FFH表示终端和所有测量点。
●数据标识DI:由两个字节组成,其值兼容DL/T-645规约3.2.1.8校验码CS从帧起始符开始到校验码之前的所有各字节的和模256的余。
即各字节二进制算术和,不计超过256的溢出值。
3.2.1.9结束符标识一帧信息的结束,其值为16H=00010110B3.2.1.10帧拆分原则对于召测命令的返回,如果一个数据帧无法容纳所有数据,那么可以将其拆成多个数据帧应答,后续帧可以紧接着前一帧上送而无需主站的请求后续帧命令;除了中继命令和非标准报文外,拆分后的每一帧都是自描述的,其时间、点数、数据标识等仅对本帧数据有效。