声屏障设计计算..
- 格式:doc
- 大小:218.00 KB
- 文档页数:19
Road & Bridge Technology162高速公路声屏障的声学设计梁少东(长沙中路虎臣工程技术咨询有限公司,湖南 长沙 410219)摘要:以高速公路声屏障增设工程为背景,根据噪声敏感点所处位置的地形条件和分布情况,对声屏障工程进行声学设计,以噪声敏感点为保护区域,沿高速公路路侧设置声屏障,以达到降低交通噪声影响,保障高速公路沿线居民正常生活的需求。
关键词:高速公路;声屏障;声学设计高速公路的交通噪声污染一般是通过在高速公路与噪声敏感点之间设置声屏障的方式进行处治。
由于过去高速公路建设对环保工程的重视程度不够,很少对声屏障的参数进行计算和分析,仅凭经验和主观判断来设置,往往达不到预期处治目标。
本文通过G60沪昆高速公路娄底段声屏障增设工程中关于声学计算的一些理论分析和计算方法,来阐述声屏障声学设计的要点和难点,为高速公路的设计和管理工作者提供一些参考和帮助。
1 工程概况G60沪昆高速公路娄底段K1156-K1194段为双向四车道高速公路,路基宽度26m,设计速度100km/h,于2002年12月26日建成通车。
该路段自通车运营以来,交通量逐年快速增加,且交通构成中大型车辆占比较高,交通噪声污染较严重。
该路段内有多处噪声敏感点,距沪昆高速的用地红线在30m之内,均为乡村民房。
依据有关规范,交通干线两侧边界线50m±5m 范围内的住宅按4a类声环境功能区考虑[1],噪声限值为昼间70dB、夜间55dB[2]。
选取2处噪声敏感点进行现场调查和测量,检测结果如下。
表1 噪声敏感点现场调查情况表序号 测量位置 距红线(m) 距路肩(m) 距路面高差(m) 声环境功能区 测量时段 噪音实测值(dB) 噪音限值(dB)备注昼 66.2 70 未超标 1 K1173+740 右幅 17 23 -2 4a夜 60.3 55 超标昼 66.8 70 未超标 2 K1173+950 右幅 6 12 -3 4a夜 60.5 55 超标从检测结果来看,虽然两处噪声敏感点的夜间噪声已超过规范允许的上限值,需要进行处治。
声屏障高度计算公式H = 20 * log10(D) + 8其中,H代表声屏障的高度(单位:米),D代表声源到声屏障的距离(单位:米)。
这个公式是根据声学原理推导出来的,通过计算声源到声屏障的距离来确定声屏障的最佳高度。
在进行声屏障高度计算时,首先需要确定声源到声屏障的距离D。
这个距离通常需要根据实际情况进行测量或估算。
例如,在高速公路旁建设声屏障时,可以通过测量车流量和车速来估算声源到声屏障的距离。
在工业区建设声屏障时,可以通过测量工厂噪音的传播距离来确定声源到声屏障的距离。
确定了声源到声屏障的距离后,就可以使用上述的计算公式来计算声屏障的最佳高度。
该公式中的log10函数代表以10为底的对数运算,可以使用计算器或专业软件进行计算。
根据计算结果,可以确定合适的声屏障高度。
需要注意的是,声屏障高度计算公式是基于理想条件下的计算结果。
在实际应用中,还需要考虑其他因素对声音传播的影响,如地形、建筑物、环境等。
因此,在具体的工程设计中,需要综合考虑这些因素,并进行相应的修正和调整,以确保声屏障的隔音效果达到预期要求。
除了声屏障高度的计算,声屏障的设计和建造还需要考虑其他因素。
例如,声屏障的材料选择、结构设计、施工工艺等都会对隔音效果产生影响。
在实际工程中,需要根据具体的要求和条件进行综合考虑,以确保声屏障的设计和建造达到预期的效果。
声屏障高度的计算是声学工程中的重要环节之一。
通过合理计算声屏障的高度,可以有效减少环境噪声对人们生活和工作的影响,提高居住和工作环境的舒适度。
在实际工程中,除了声屏障高度的计算,还需要综合考虑其他因素,以确保声屏障的设计和建造达到预期的隔音效果。
通过科学的设计和合理的施工,声屏障可以为人们创造一个更加安静和舒适的生活环境。
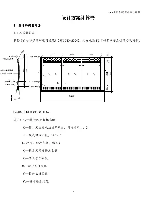
设计方案计算书1、隔音屏荷载计算1.1风荷载计算根据《公路桥涵设计通用规范》(JTG D60-2004),按重现期50年计算单根立柱所受风荷载。
Fwb=Ko×K1×K3×Wd×Awh—横向风荷载标准值其中:Fwb—设计风速重现期换算系数,高标准取1。
0KoK—风载阻力系数,取1。
31-地形、地理条件,取1.3K3K—梯度风高度修正系数2—阵风修正系数K5—设计基准风压WdV—设计基准风速d—设计基本风速V10γ—空气重力密度,0。
012KN/㎡Aw—迎风面积查得:K2=1,K5=1.70,V10=32.8m/sVd =K2×K5×V10,Vd=1×1。
70×35。
4=55.76m/sWd=γVd²/2g,Wd=0。
012×60.2²/(2×9。
81)=1.9KN/㎡Fwb=1×1。
3×1。
3×1。
9×2×3.5=22。
47KN立柱底部弯矩:M=Fwb×H/2=22.47×1.75=39.32KN·m隔音屏自重:G=8KN2、隔音屏立柱截面强度计算在风荷载产生的弯矩和屏体自重作用下对隔音屏钢立柱的截面强度进行验算,钢立柱截面见下图:钢立柱轴心压弯构件Ix=1660cm4 ,Wx=221cm3。
最大拉应力бmax1=M/Wx—G/A=39。
32×103/221×10—6—8×103/40.55×10-4=177。
73MPa〈f f=215MPa最大压应力бmax2=M/Wx+G/A=178。
11MPa<ff=215MPa剪应力:τ=F/A=22。
47×103/40.55×10—4=5。
5Mpa〈fv=125Mpa3、声屏障与底部钢板的焊接验算声屏障的H型钢焊接在下部钢板上,焊缝高度按8mm,焊缝布置如下图:4隔音屏与防撞墙的连接H型钢与防撞强的连接具体如下:螺栓采用M24刚强度螺杆单个螺栓受剪承载力设计值为Nv =nvπd²fv=85.9KN单个螺栓抗拉承载力设计值为Nt =Aft=74.03KN对每个螺栓的剪力为:Nv’=22。
第一章概述1.1呼和浩特市外环线噪声污染状况呼和浩特市外环线全长约50KM,环绕整个市区,双向八车道,设计车速为80〜100KM/h,拟投入运行。
预测高峰期车流量约为800辆/h,大型车辆居多,道路边线处的噪声高达80〜85DB,在本次设计中取83分贝为研究量。
由于噪声源位于小区居民住宅区附近,严重影响到居民的正常生活状况。
又因无法对车辆进行降噪处理,所以需要对居民区进行保护。
1.2课程设计的主要内容和要求1.2.1相关内容小区居民住宅区位于呼和浩特市外环线东北方向48米处,路面为沥青路面,小区住宅区共6层楼,高约18米。
车流量为大约800辆/h,大型车与小型车比例为8: 2,车速限制为80〜100KM/h。
根据道路交通噪声预测方法和区域环境噪声测量方法,计算该区域的噪声值。
测量点s1、s2、S3距路面中心线距离73.08米,73.62米,74.62米。
如简图1-1所.S3- 53■S1n -----------图1-1屏障位置简图表-1:噪声计算值1.2.2.设计内容及要求a结合我国相关标准,设计一声屏障,保障绕城路的通行不影响该小区居民的生活;a隔声材料的选择应符合交通噪声特性;a确定声屏障的结构线型;a完成噪声声屏障设计和计算,除了达到预期的降噪指标外,还应符合景观、结构、造价和养护等方面的要;a编写设计说明书a绘制声屏障结构图第二章降噪处理措施的选择2.1控制小区居民住宅楼交通噪声的措施2.1.1低噪声路面对于中小型汽车,随着行驶速度的提高,轮胎噪声在汽车产生噪声中的比例越来越大,因此修筑低噪声路面对于控制交通噪声具有重要的实际意义。
所谓低噪声路面,也称多空隙沥青路面,又称为透水(或排水)沥青路面。
它是在普通的沥青路面或水泥混凝土路面结构层上铺筑一层具有很高空隙率的沥青混合料,其空隙率通常在15% —25%之间,有的甚至高达30%。
国外研究资料表明,根据表面层厚度、使用时间、使用条件及养护状况的不同,与普通的沥青混凝土路面相比,此种路面可降低交通噪声3—8dB。
声屏障设计Document number:NOCG-YUNOO-BUYTT-UU986-1986UT`目录第一章总论设计目的设计任务和内容设计内容本道声屏障主要是保护某小学以及周边居民正常的生活,消减交通噪声对其的干扰影响。
关键受声点选择该小学第一排教学房窗户前一米处为关键受声点。
噪声现场测量值73—75dB,频率为500Hz。
该小学所处路段声环境敏感点现状见表1-1。
表1-1 小学所处路段高速公路重要敏感点一览表设计要求(1)结合我国《声环境质量标准》(GB3096-2008),设计一生态声屏障;(2)完成噪声敏感建筑物有关参数和使用标准的确定;根据降噪量设计声屏障尺寸、选择声屏障类型、确定声屏障结构及材料;确定两座建筑物及声屏障之间的相对位置;声屏障的设计除了达到预期的降噪指标外,还应符合景观、结构、造价和养护等方面的要求。
(3)编写设计说明书;(4)绘制声屏障结构尺寸简图及受声点、声源点及声屏障相对位置图。
设计和计算声屏障结构、材料及在两座建筑物之间的相对位置;声屏障的设计除了达到预期的降噪指标外,还应符合景观、结构、造价和养护等方面的要求。
设计原则(1)科学性:首先应正确分析发生机理和声源特性。
是空气动力学噪声、机械噪声或电磁噪声、还是高频噪声或中低频噪声。
然后确定针对性的相应措施。
(2)控制技术的先进性:这是设计追求的重要目标,但应建立在有可能实施的基础上。
控制技术不能影响原有设备的技术性能或工艺要求。
(3)经济性:经济上的合理性也是设计追求的目标之一。
噪声污染属物理性污染即声能量污染,控制目标为达到允许的标准值,但国家制定标准有其阶段性,必须考虑当时在经济上的承受能力。
设计依据(1)《中华人民共和国环境保护法》,2015年1月1日;(2)《中华人民共和国环境影响评价法》,2016年9月1日;(3)《中华人民共和国环境噪声污染防治法》,1996年10月29日;(4)《声环境质量标准》(GB3096-2008);噪声基本知识噪声来源噪声因其产生的条件不同而分为很多种类,既有来源于自然界的(如火山爆发、地震、潮汐和刮风等自然现象所产生的空气声、地声、水声和风声等),又有来源于人类活动的(如交通运输、工业生产、建筑施工、社会活动等)。
声屏障声学设计和测量规范Norm on Acoustical Design and Measurement of Noise Barriers目次前言1.主题内容与适用范围 (1)2.规范性引用文件 (1)3.名词术语 (1)4.声屏障的声学设计 (3)5.声屏障声学性能的测量方法 (13)6.声屏障工程的环保验收 (20)附录A(规范性附录)反射声修正量△Lr的计算 (22)附录B(规范性附录)等效频率fe的计算 (26)附录C(资料性附录)参考文献 (27)前言为了贯彻执行《中华人民共和国环境噪声污染防治法》第36条“建设经过已有的噪声敏感建筑物集中区域的高速公路和城市高架、轻轨道路,有可能造成环境污染的,应当设置声屏障或者采取其他有效的控制环境噪声污染的措施”,制订本规范。
本规范规定了声屏障的声学设计和声学性能的测量方法。
本规范的附录A、B是规范性附录。
附录C是资料性附录。
本规范由国家环境保护总局科技标准司提出并归口。
本规范起草单位:中国科学院声学研究所、同济大学声学研究所、北京市劳动保护科学研究所、福建省环境监测中心。
参加单位:青岛海洋大学物理系、北京市环境监测中心、上海市环境科学研究院、天津市环境监测中心、上海申华声学装备有限公司、上海市环保科技咨询服务中心、宜兴南方吸音器材厂、北京市政工程机械厂。
本规范由国家环境保护总局负责解释。
本规范2004年10月1日起实施。
1 主题内容与适用范围1.1 本规范规定了声屏障的声学设计和声学性能的测量方法。
1.2本规范主要适用于城市道路与轨道交通等工程,公路、铁路等其他户外场所的声屏障也可参照本规范。
2 规范性引用文件下列标准和规范中的条款通过在本规范中引用而构成本规范的条款,与本规范同效。
GBJ005--96 公路建设项目环境影响评价规范GBJ47--83 混响室法--吸声系数的测量方法GBJ75--84 建筑隔声测量规范GB3096--93 城市区域环境噪声标准GB3785--83 声级计GB/T3947--1996 声学名词术语GB/T14623--93 城市区域环境噪声测量方法GB/T15173--94 声校准器GB/T17181--1999 积分平均声级计HJ/T2.4-- 95 环境影响评价技术导则--声环境当上述标准和规范被修订时,应使用其最新版本。
设计方案计算书1、隔音屏荷载计算1.1风荷载计算根据《公路桥涵设计通用规范》(JTG D60-2004),按重现期50年计算单根立柱所受风荷载。
Fwb=Ko×K1×K3×Wd×Awh其中:Fwb—横向风荷载标准值Ko—设计风速重现期换算系数,高标准取1.0K1—风载阻力系数,取1.3K3—地形、地理条件,取1.3K2—梯度风高度修正系数K5—阵风修正系数Wd—设计基准风压Vd—设计基准风速V10—设计基本风速γ—空气重力密度,0.012KN/㎡Aw—迎风面积查得:K2=1,K5=1.70,V10=32.8m/sV d =K2×K5×V10,Vd=1×1.70×35.4=55.76m/sWd=γVd²/2g,Wd=0.012×60.2²/(2×9.81)=1.9KN/㎡Fwb=1×1.3×1.3×1.9×2×3.5=22.47KN立柱底部弯矩:M=Fwb×H/2=22.47×1.75=39.32KN·m隔音屏自重:G=8KN2、隔音屏立柱截面强度计算在风荷载产生的弯矩和屏体自重作用下对隔音屏钢立柱的截面强度进行验算,钢立柱截面见下图:钢立柱轴心压弯构件Ix=1660cm4 ,Wx=221cm3。
最大拉应力бmax1=M/Wx-G/A=39.32×103/221×10-6-8×103/40.55×10-4=177.73MPa<f f=215MPa最大压应力бmax2=M/Wx+G/A=178.11MPa<ff=215MPa剪应力:τ=F/A=22.47×103/40.55×10-4=5.5Mpa<fv=125Mpa3、声屏障与底部钢板的焊接验算声屏障的H型钢焊接在下部钢板上,焊缝高度按8mm,焊缝布置如下图:。
声屏障屏体计算公式声屏障屏体计算公式是用来计算声屏障屏体的声学性能的公式,它是声学工程中非常重要的一部分。
声屏障屏体是一种用来减少噪音传播的设备,它可以有效地阻挡声波的传播,从而降低噪音对周围环境的影响。
声屏障屏体的设计和计算是声学工程中的重要内容,而声屏障屏体计算公式则是用来帮助工程师们进行声屏障屏体设计和计算的重要工具。
声屏障屏体计算公式的基本原理是根据声学原理和声波传播规律,通过一系列的数学模型和公式来描述声波在声屏障屏体上的传播和衰减过程。
通过这些公式,工程师们可以计算出声屏障屏体的声学性能参数,如声障效能、声透射损失、声反射系数等,从而为声屏障屏体的设计和选择提供科学依据。
声屏障屏体计算公式的具体内容包括了声波在声屏障屏体上的传播模型、声波的传播损失模型、声波的反射和透射模型等。
这些模型和公式是通过实验和理论分析得出的,它们可以较为准确地描述声波在声屏障屏体上的传播和衰减过程,为声屏障屏体的设计和计算提供了重要的理论依据。
在声屏障屏体的设计和选择过程中,声屏障屏体计算公式是非常重要的工具。
通过这些公式,工程师们可以对不同类型和结构的声屏障屏体进行声学性能参数的计算和比较,从而选择出最适合具体工程环境的声屏障屏体。
同时,声屏障屏体计算公式也可以用来指导声屏障屏体的优化设计,帮助工程师们提高声屏障屏体的声学性能,减少噪音对周围环境的影响。
除此之外,声屏障屏体计算公式还可以用来指导声屏障屏体的施工和安装。
通过对声屏障屏体的声学性能参数进行计算和分析,工程师们可以为声屏障屏体的施工和安装提供科学依据,保证声屏障屏体的声学性能达到设计要求,从而有效地减少周围环境的噪音污染。
总之,声屏障屏体计算公式是声学工程中非常重要的工具,它可以帮助工程师们进行声屏障屏体的设计、选择、优化、施工和安装,从而有效地减少噪音对周围环境的影响,保护人们的健康和生活质量。
在未来的声学工程中,声屏障屏体计算公式将会继续发挥重要作用,为声学工程的发展和进步做出更大的贡献。
声屏障声学设计和测量规范Norm on Acoustical Design and Measurement of Noise Barriers目次前言1.主题内容与适用范围 (1)2.规范性引用文件 (1)3.名词术语 (1)4.声屏障的声学设计 (3)5.声屏障声学性能的测量方法 (13)6.声屏障工程的环保验收 (20)附录A(规范性附录)反射声修正量△Lr的计算 (22)附录B(规范性附录)等效频率fe的计算 (26)附录C(资料性附录)参考文献 (27)前言为了贯彻执行《中华人民共和国环境噪声污染防治法》第36条“建设经过已有的噪声敏感建筑物集中区域的高速公路和城市高架、轻轨道路,有可能造成环境污染的,应当设置声屏障或者采取其他有效的控制环境噪声污染的措施”,制订本规范。
本规范规定了声屏障的声学设计和声学性能的测量方法。
本规范的附录A、B是规范性附录。
附录C是资料性附录。
本规范由国家环境保护总局科技标准司提出并归口。
本规范起草单位:中国科学院声学研究所、同济大学声学研究所、北京市劳动保护科学研究所、福建省环境监测中心。
参加单位:青岛海洋大学物理系、北京市环境监测中心、上海市环境科学研究院、天津市环境监测中心、上海申华声学装备有限公司、上海市环保科技咨询服务中心、宜兴南方吸音器材厂、北京市政工程机械厂。
本规范由国家环境保护总局负责解释。
本规范2004年10月1日起实施。
1 主题内容与适用范围1.1 本规范规定了声屏障的声学设计和声学性能的测量方法。
1.2本规范主要适用于城市道路与轨道交通等工程,公路、铁路等其他户外场所的声屏障也可参照本规范。
2 规范性引用文件下列标准和规范中的条款通过在本规范中引用而构成本规范的条款,与本规范同效。
GBJ005--96 公路建设项目环境影响评价规范GBJ47--83 混响室法--吸声系数的测量方法GBJ75--84 建筑隔声测量规范GB3096--93 城市区域环境噪声标准GB3785--83 声级计GB/T3947--1996 声学名词术语GB/T14623--93 城市区域环境噪声测量方法GB/T15173--94 声校准器GB/T17181--1999 积分平均声级计HJ/T2.4-- 95 环境影响评价技术导则--声环境当上述标准和规范被修订时,应使用其最新版本。
声屏障声学设计和测量规范
声屏障声学设计与测量规范
一、适用范围
本规范适用于各种声屏障声学设计与测量,涵盖选择噪声源、测量设备、测量位置、估算声屏障声学参数等内容。
二、定义
1、声屏障:是一种用多层构件合成的、具有吸收损耗和反射损耗的声学结构,用以减弱或影响传播的环境噪声的结构。
2、声屏障声学参数:是声屏障在不同频率下有反射损耗和吸收损耗等特性值。
三、噪声源
1、采样噪声源需有国家标准认证,使用实际噪声源时应校验反射值与厂家提供的声功率之比。
2、测试噪声源使用前应校准,确保测试结果准确。
四、测量装置
1、测量装置可采用频率响应范围较宽的话筒,灵敏度、最低动态范围符合国际标准要求;
2、将话筒与记录仪连接,用同步信号把记录仪和噪声源联系起来;
3、记录仪采用24bit以上的多段式数模转换器,且频率响应可达
25kHz以上。
五、测量位置
1、测试前,应确定妥善安装放置测试装置,并校准保证测试结果准确;
2、在测量点放置有效接受点话筒,1m处记录噪声振幅,定位不允许
偏差超过10cm;
3、减少测量环境中其它干扰源,在测量前测试话筒是否受干扰。
六、估算声屏障声学参数
1、按照不同频带,测量来源和反射源噪声的声压,计算声屏障的反射
系数;
2、测量每个频段的声吸收系数,使用拟合公式计算声屏障的吸收损耗;
3、计算声屏障的吸收峰值和吸收带宽,通过多个实测频点来确定其参数;
4、将计算得到的参数存入计算机,并进行多次测试以进行验证。
声屏障混凝土计算公式声屏障混凝土是一种用于降低噪音的建筑材料,其设计和计算需要考虑多种因素。
声屏障混凝土的计算公式是其设计的重要基础,通过合理的计算公式可以确保声屏障混凝土的结构稳定和噪音隔离效果。
声屏障混凝土的计算公式通常包括以下几个方面,结构强度计算、声学性能计算和材料消耗计算。
首先,结构强度计算是声屏障混凝土设计的基础。
声屏障混凝土需要能够承受风载和自重等外部荷载,同时还要保证在地震等自然灾害发生时具有一定的抗震性能。
结构强度计算的公式包括混凝土和钢筋的受力计算,以及整体结构的稳定性分析。
通过这些公式可以确定声屏障混凝土的结构设计参数,确保其在使用过程中不会发生结构破坏。
其次,声学性能计算是声屏障混凝土设计的关键。
声屏障混凝土需要具有良好的隔音效果,能够有效地隔离来自道路和铁路等交通噪音。
声学性能计算的公式包括声波在混凝土中的传播特性以及声屏障结构对声波的反射和吸收能力。
通过这些公式可以确定声屏障混凝土的声学设计参数,确保其在实际使用中能够达到预期的隔音效果。
最后,材料消耗计算是声屏障混凝土设计的经济基础。
声屏障混凝土的设计需要考虑材料的消耗情况,以确保在满足结构强度和声学性能的前提下尽量减少材料的使用。
材料消耗计算的公式包括混凝土、钢筋和其他辅助材料的需求量计算,以及材料的成本分析。
通过这些公式可以确定声屏障混凝土的材料使用量和成本,为工程的经济性提供依据。
除了上述几个方面的计算公式,声屏障混凝土的设计还需要考虑其他因素,如施工工艺、环境保护和使用寿命等。
在实际设计中,工程师需要综合考虑各种因素,通过科学的计算和分析确定最佳的声屏障混凝土设计方案。
总的来说,声屏障混凝土的计算公式是其设计的重要基础,通过合理的计算公式可以确保声屏障混凝土在结构强度、声学性能和材料消耗等方面达到预期的设计要求。
随着科学技术的不断进步,声屏障混凝土的设计和计算方法也在不断完善,相信未来会有更多更科学的计算公式出现,为声屏障混凝土的设计提供更多的技术支持。
Xx车间声屏障设计计算书郑州宏利环化设备有限公司2015.06一、任务来源Xx企业厂房噪声超标、扰民二、设计依据1、《工业企业厂界环境噪声排放标准》GB12348-2008,2、《声环境质量标准》 ( GB3096-2008 )3、《声屏障声学设计和测量规范》(HJ/T 90—2004)4、《道路声屏障结构技术规范》(DG/TJ08-2086-2011)三、设计计算按《声环境质量标准》(GB3096-2008)的有关条文,本区声环境分类应为3类,即功能区质量标准为昼间65dB、夜间55dB;按《工业企业厂界环境噪声排放标准》(GB12348-2008)排放标准,厂界值按时段为昼间65dB、夜间55dB。
本计算由于无监测(倍频程)资料,计算取经验值500、1000HZ两个频率、声屏障取6.5米高阻性材料(要求TL≥35dB)、声屏障据声源以5米计,分别计算40米和80米处绕射声衰减△Ld (声屏障插入损失)、核算对声影区的影响。
1.确定声屏障设计目标值(1)噪声保护对象的确定附近村庄(2)代表性受声点的确定代表性受声点通常选择噪声最严重的敏感点(40、80米处),代表性受声点处插入损失能满足要求,则该区域的插入损失亦能满足要求。
(3)声屏障设计目标值的确定声屏障建造前背景噪声值的确定:代表性受声点的背景噪声值可由现场实测得到。
若现场测量不能将背景噪声值和车间噪声区分开,则可测量现场的环境噪声值(它包括车间噪声和背景噪声),然后减去车间噪声值得到。
声屏障设计目标值的确定与受声点处的车间噪声值(实测或予测的)、受声点的背景噪声值以及环境噪声标准值的大小有关。
如果受声点的背景噪声值等于或低于功能区的环境噪声标准值时,则设计目标值可以由车间噪声值(实测或预测的)减去环境噪声标准值来确定。
当采用声屏障技术不能达到环境噪声标准或背景噪声值时,设计目标值也可在考虑其它降噪措施的同时(如建筑物隔声),根据实际情况确定。
声屏障设计说明一、声屏障设计:1.声学设计以敏感点营运中期超标噪声值作为声屏障的最低降噪值要求,并考虑一定的富余量,进行声屏障几何尺寸的设计。
声屏障几何尺寸采用试算法,利用Cadna/A软件进行声场模拟,确定能够实现有效降噪的声屏障几何尺寸,具体详见表1。
2.声屏障结构设计声屏障的结构设计计算主要包括:荷载的计算和组合;立柱的设计、强度及变形验算;螺栓的设计和强度验算;基础的设计与验算:声屏障结构的抗倾覆计算。
声屏障均采取2m—个单元,以立柱和桩基础为中心取一个单元进行计算。
按照0.35kN/m2基本风压对立柱抗弯强度、立柱挠度、钢结构整体稳定性、柱脚强度、焊缝强度、螺栓强度、桩基承载力、基础抗倾覆等以上各项指标进行验算,均满足相关规范要求。
在桥梁混凝土防撞护栏上设置2m高轻型声屏障,基础采用锚栓植筋方式固定在混凝土护栏上。
以2m的间距设立H型钢支柱,支柱之间安插透明隔声屏+吸声板复合式屏体。
声屏障单元长度2m,声屏障立面高度为2m,结合护栏有效高度达到3m,采用直立型断面结构。
吸声板采用100mm厚开百叶孔金属吸声板,内填60mm厚聚酶纤维吸声棉,透明隔声屏采用12mm厚加筋亚克力板。
亚克力板采用防脱落装置与H型钢连接,防止声屏障受冲击后亚克力板碎落伤人。
金属吸声屏和透明屏窗框采用钢丝绳防坠索串联后与H型钢连接,防止声屏障受冲击后屏体脱落坠物伤人。
声屏障主要材料技术性能如下:(1)金属吸声屏声屏障金属吸声屏采用开百叶孔铝合金面板,内填聚醋纤维吸声棉,使用厂家生产的成品板。
表面静电喷塑(灰色哑光漆)。
要求表面光沽,无划痕、皱皮、流坠、气泡、变色、和色泽不均等缺陷。
金属吸声屏应具有防腐蚀,抗冻融、防老化、防冲击、防潮、防虫和防紫外线等功能。
表2金属服声屏性能指标(2)亚克力透明板声屏障透明隔音板采用12mm厚加筋亚克力透明板。
板材需满足《声屏障结构技术标准》(GB/T51335-2018)和《公路声屏障第4部分:声学材料技术要求及检测方法》(JT/T646.4-2016中对于板材物理化学性能和声学指标的要求。
精心整理声屏障声学设计和测量规范NormonAcousticalDesignandMeasurementofNoiseBarriers目次前言123456附录附录附录为了贯彻执行《中华人民共和国环境噪声污染防治法》第36条“建设经过已有的噪声敏感建筑物集中区域的高速公路和城市高架、轻轨道路,有可能造成环境污染的,应当设置声屏障或者采取其他有效的控制环境噪声污染的措施”,制订本规范。
本规范规定了声屏障的声学设计和声学性能的测量方法。
本规范的附录A、B是规范性附录。
附录C是资料性附录。
本规范由国家环境保护总局科技标准司提出并归口。
本规范起草单位:中国科学院声学研究所、同济大学声学研究所、北京市劳动保护科学研究所、福建省环境监测中心。
参加单位:青岛海洋大学物理系、北京市环境监测中心、上海市环境科学研究院、天津市环境北1.1.GBJ005--96公路建设项目环境影响评价规范GBJ47--83混响室法--吸声系数的测量方法GBJ75--84建筑隔声测量规范GB3096--93城市区域环境噪声标准GB3785--83声级计GB/T3947--1996声学名词术语GB/T14623--93城市区域环境噪声测量方法GB/T15173--94声校准器GB/T17181--1999积分平均声级计HJ/dB(1)3.2 A计权声[压]级(LpA,LA)A-weightedsound[pressure]level用A计权网络测得的声压级。
3.3等效[连续A计权]声[压]级(LAeq,T,Leq)equivalent[A-weightedcontinuous]sound [pressure]level在规定时间内,某一连续稳态声的A[计权]声压,具有与随时间变化的噪声相同的均方A[计权]声压,则这一连续稳态声的声级就是此时变噪声的等效声级,单位为分贝(dB)。
等效声级的公式是dB(2)式中:LAeq,T--等效声级,dBT--指定的测量时间,当A3.1/3一种专门设计的立于噪声源和受声点之间的声学障板,它通常是针对某一特定声源和特定保护位置(或区域)设计的。
赣龙铁路第2合同段声屏障梁现浇桥面板模板支架受力计算书编制:复核:批准:施工单位:中铁大桥局铺架分公司赣龙项目部编制日期:二〇一三年十一月工况一:声屏障梁现浇桥面板模板支架受力计算书(设挑梁)一、设计说明1、主支架设计:采用2根16b槽钢靠背(预留孔宽度大于20mm)作为主支架,中间焊接10mm厚,宽度大于130mm的钢板进行联接,同时在中间加焊肋板(按图设计:一般位置@600mm,支点位置@100mm进行布设)。
主支架每600mm布设一根。
图1 主支架截面(单位:mm)2、吊杆及拉杆设计:吊杆及拉杆材料均采用M20螺杆(附螺帽),长度暂定800mm,根据需要进行调整,但螺帽尾部螺杆必须保证100mm,且螺帽处需加设宽度不小于主支架预留孔的钢垫板,以确保吊杆及拉杆的稳定性。
3、模板按图中进行设计,采用厚度为3mm的钢板,横、竖加筋肋板按@300mm 进行设置,每块模板至少设置4个吊点以确保模板的稳定性。
二、结构受力计算:1、主要材料16b槽钢:A=2515mm2,截面高度h=160mm,截面模量Wx=116813mm ³,回转半径ix=61mm,单位重量g=19.43kg/m。
材料许用应力[σ]=160MPa,[τ]=100MPa钢筋混凝土容重(考虑施工荷载等因素):26KN/m³,模板支架按g=2KN/m。
2、分析支架受力:取悬臂最多(即加宽处),进行主支架截面强度验算。
如下图所示:对主支架进行简化受力分析,如下图所示:图3 主支架受力分析图(单位:mm)3、受力计算:(1)计算吊杆拉力F1混凝土及模板每米重量:G=0.66×26+2=19.16 KN;吊杆拉力F1=0.6G=11.5 KN.(2)计算支点力N对主支架受力分析得:N=F1+F2;(1.88+1.5)F1+1.5N=0 N=(1.88+1.5)F1/1.5=(1.88+1.5)×11.5/1.5=25.9 KNF2=N-F1=25.9-11.5=14.4 KN(3)结构强度验算主支架所受最大弯矩Mmax=1.88F1=21.62 KNm主支架截面模量Wx=2×116813mm³=0.23×10-³m³主支架所受最大剪力Qmax=N=25.9 KN故主支架正应力强度σ=Mmax/Wx=21.62/0.23=94Mpa《[σ]=160Mpa,满足要求。
第一章概述1.1 呼和浩特市外环线噪声污染状况呼和浩特市外环线全长约50KM,环绕整个市区,双向八车道,设计车速为80~100KM/h,拟投入运行。
预测高峰期车流量约为800辆/h,大型车辆居多,道路边线处的噪声高达80~85DB,在本次设计中取83分贝为研究量。
由于噪声源位于小区居民住宅区附近,严重影响到居民的正常生活状况。
又因无法对车辆进行降噪处理,所以需要对居民区进行保护。
1.2 课程设计的主要内容和要求1.2.1相关内容小区居民住宅区位于呼和浩特市外环线东北方向48米处,路面为沥青路面,小区住宅区共6层楼,高约18米。
车流量为大约800辆/h,大型车与小型车比例为8:2,车速限制为80~100KM/h。
根据道路交通噪声预测方法和区域环境噪声测量方法,计算该区域的噪声值。
s距路面中心线距离73.08米,73.62米,74.62米。
如简图1-1所测量点s1 、s2、3图1-1 屏障位置简图表-1:噪声计算值预测点位置预测点高度预测点平均声级1.2.2. 设计内容及要求○1结合我国相关标准,设计一声屏障,保障绕城路的通行不影响该小区居民的生活;○2隔声材料的选择应符合交通噪声特性;○3确定声屏障的结构线型;○4完成噪声声屏障设计和计算,除了达到预期的降噪指标外,还应符合景观、结构﹑造价和养护等方面的要;○5编写设计说明书○6绘制声屏障结构图第二章降噪处理措施的选择2.1 控制小区居民住宅楼交通噪声的措施2.1.1低噪声路面对于中小型汽车,随着行驶速度的提高,轮胎噪声在汽车产生噪声中的比例越来越大,因此修筑低噪声路面对于控制交通噪声具有重要的实际意义。
所谓低噪声路面,也称多空隙沥青路面,又称为透水(或排水)沥青路面。
它是在普通的沥青路面或水泥混凝土路面结构层上铺筑一层具有很高空隙率的沥青混合料,其空隙率通常在15%-25%之间,有的甚至高达30%。
国外研究资料表明,根据表面层厚度、使用时间、使用条件及养护状况的不同,与普通的沥青混凝土路面相比,此种路面可降低交通噪声3-8dB。
该方法的优点是:由于混合料孔隙率高,不但能降低噪声,还能提高排水性能,在雨天能提高行驶的安全性;局限性是:耐久性差,集料、粘结料要求高,使用一段时间后,孔隙易被堵塞。
由于路面孔隙率大、密实度低,其寿命相对缩短等问题未能较好解决,因此,还处于继续对于这种路面结构的研究阶段。
2.1.2 种植降噪绿化林带树木及绿化植物形成的绿带,能有效降低噪声。
在公路两侧植树绿化,是防治交通噪声的有效措施之一。
选择合适树种、植株的密度、植被的宽度,可以达到吸纳声波,降低噪声的作用。
同时绿化林带还可以起到吸收二氧化碳及有害气体、吸附微尘的作用,能改善小气候,防止空气污染,截留公路排水、防眩和美化环境等作用。
根据有关研究资料表明,当绿化林带宽度大于10m时,可降低交通噪声4—5dB。
这是因为投射到植物叶片上的声能74%被反射到各个方向,26%被叶片的微震所消耗。
噪声的降低与林带的宽度、高度、位置、配置方式以及植物种类都有密切关系。
该方法的优点是:生态效益明显;局限性是:占地较多,早期降噪效果不显著。
2.1.3 建造声屏障在声源与接收点之间设置隔板,阻断声音的直接传播,以降低噪声,这样的结构叫做声屏障。
它是控制交通噪声污染的一种治理措施,一些发达国家从20世纪60年代末就开始了声屏障的研究和应用,近年来,我国一些发达城市和高速公路,铁路业相继建造了声屏障,而且发展很快。
噪声在传播途径中遇到障碍物,若障碍物的尺寸远大于声波波长时,大部分声能备反射和吸收,一部分绕射,于是在障碍物背后一定距离内形成“声影区”,声影区的大小与声音的频率和屏障的高度等有关,频率越高,声影区的范围就越大。
声屏障将声源和保护目标隔开,是保护目标落在屏障的声影区。
采用设置声屏障的方式来降低公路交通噪声是目前应用比较广泛的降噪方式。
声屏障降噪主要是通过声屏障材料对声波进行吸收、反射等一系列物理反应来降低噪音,据测试采用声屏障降噪效果可达10dB以上。
声屏障作为一种通过控制交通噪声传播途径来降低交通噪声的措旋,由于其简单、实用、可行、有效,成为交通环境保护中的一项重要手段。
特别是在城市的繁华地段两侧,修建专门屏障构造物来减少交通噪声,能对周围的环境起到明显的防护作用。
声屏障的优点是节约土地、降噪明显,同时由于采用拼装式而具有可拆装的优点。
缺点是:声屏障使行车有压抑及单调的感觉,造价较高,如使用透明材料,又易发生眩目和反光现象,同时还要经常清洗。
2.2 本次设计所选方法本次设计采用声屏障技术对该处交通噪声进行降噪处理。
原因如下:噪声控制首先是降低声源的辐射,其次是控制传播途径,最后是保护接受者。
而对于降低声源的噪声辐射,即对车辆本身进行噪声控制,这与制造业的水平有关,而且每降低一定分贝的耗资巨大。
对于近年来国外提出的用低噪声路面来降低公路交通噪声具有经济合理、保持环境原有风貌和行车安全等特性,但尚处于研究发展阶段,在这里显然不可取。
道路交通噪声,从实际情况分析,从声源上降低噪声比较困难的,且对接受者也没有适当的保护措施。
所以,从传播途径减少噪声的传播成为降噪方法的首选。
声屏障是采用吸声材料和隔声材料制造出特殊结构,设置在噪声源与接受点之间的声学屏障。
它能够阻止噪声的传播,从而降低受声点的声能量,使受声点得到保护,一般可降低15—20dB。
它具有降噪效果显著、节约土地、建筑灵活、对周围环境干扰少等优点。
由于城市道路规划已无法更改,住宅区的建筑也已形成,用声屏障降低交通噪声就成为首选方案。
尤其对高速路附近小区的降噪保护尤为适合。
而小区居民住宅楼恰好符合这些特点,所以这里选取声屏障进行降噪。
2.3声屏障降噪原理2.3.1 声学原理当噪声源发出的声波遇到声屏障时,它将沿着三条路径传播(见图2-1.a):一部分越过声屏障顶端绕射到达受声点;一部分穿透声屏障到达受声点;一部分在声屏障壁面上产生反射。
声屏障的插入损失主要取决于声源发出的声波沿这三条路径传播的声能分配。
2.3.2 绕射声源发出的声波透过声屏障传播到受声点的现象。
如图(2-1b)穿透声屏障的声能量取决于声屏障的面密度、入射角及声波的频率。
声屏障隔声的能力用传声损失TL来评价。
TL大,透射的声能小;TL小,则透射的声能大,透射的声能可能减少声屏障的插入损失,透射引起的插入损失的降低量称为透射声修正量。
用符号ΔL t表示。
通常在声学设计时,要求TL—△L d≥10dB,此时透射的声能可以忽略不计,即△L t≈0。
2.3.3 反射当道路两侧均建有声屏障,且声屏障平行时,声波将在声屏障间多次反射,并越过声屏障顶端绕射到受声点,它将会降低声屏障的插入损失(见图2-1c),由反射声波引起的插入损失的降低量称之为反射声修正量,用符号△L r 表示。
为减小反射声,一般在声屏障靠道路一侧附加吸声结构。
反射声能的大小取决于吸声结构的吸声系数α,它是频率的函数,为评价声屏障吸声结构的整体吸声效果,通常采用降噪系数NRC 。
2.3.4 障碍物和地面的声衰减此外,声屏障的衰减还受其周围障碍物和地面吸收等影响。
如果在声屏障修建前,声源和受声点间存在其他屏障或障碍物,则可能产生一定的绕射声衰减,由这些障碍物的声屏蔽产生的声衰减称之为障碍物声衰减,用符号△Ls 表示;如果地面不是刚性的,则会对传播过程中的声波产生一定的吸收,从而会使声波产生一定的衰减。
由地面声吸收产生的声衰减称之为地面吸收声衰减,用符号△LG 来表示。
S R º • (图2-1c) 声波的反射波直达波绕射波第三章声屏障的设计计算3.1 确定声屏障设计目标值3.1.1 噪声保护对象的确定根据声环境评价的要求,确定噪声防护对象,它可以是一个区域,也可以是一个或一群建筑物。
本设计中的噪声保护对象是距高速公路边缘线48m外的居民住宅区。
3.1.2 代表性受声点的确定代表性受声点通常选择噪声最严重的敏感点,它根据道路路段与防护对象相对的位置以及地形地貌来确定,它可以是一个点,或者是一组点。
通常,代表性受声点处插入损失能满足要求,则该区域的插入损失亦能满足要求。
本设计中,考虑外环线高速路段与居民楼的相对位置及其平坦的地形地貌,选择3个敏感点即可,分别是测点S1、S2、S3 ,测点S1为距路面中心线距离为73.08m,高度为4.5m;测点S2为距路面中心线距离为73.62m,高度为10.5m;测点S3为距路面中心线距离为74.63m,高度为16.5m3.1.3 声屏障建造前背景噪声值的确定对现有道路,代表性受声点的背景噪声值可由现场实测得到。
若现场测量不能将背景噪声值和交通噪声区分开,则可测量现场的环境噪声值(它包括交通噪声和背景噪声),然后减去交通噪声值得到。
交通噪声值可由现场直接测量。
设计过程中经现场测量知,预测点交通噪声的最大声压级为72dB。
3.1.4 声屏障设计目标值的确定声屏障设计目标值的确定与受声点处的道路交通噪声值(实测或予测的)、受声点的背景噪声值以及环境噪声标准值的大小有关。
如果受声点的背景噪声值等于或低于功能区的环境噪声标准值时,则设计目标值可以由道路交通噪声值(实测或预测的)减去环境噪声标准值来确定。
本设计中按照外环线的车流量预测数据,该地区的住宅区设计要求降噪量为12dB。
3.2 位置的确定根据道路与防护对象之间的相对位置、周围的地形地貌,应选择最佳的声屏障设置位置。
选择的原则或是声屏障靠近声源,或者靠近受声点,或者可利用的土坡、堤坝等障碍物等,力求以较少的工程量达到设计目标所需的声衰减。
根据以上的选择原则,本设计将声屏障设在车行道向外4m处,即靠近声源线一侧。
外环线到声屏障到小区居民住宅区的距离为48m,则声屏障设置在距公路中心距离为25m处,受声点距公路中心水平距离s为73m。
声屏障位置布置图见附图一。
由于声屏障通常设置在道路一旁,而这些区域的地下通常埋有大量管线,故应该作详细勘察,避免造成破坏。
3.4 几何尺寸的确定根据设计目标值,可以确定几组声屏障的长与高,形成多个组合方案,计算每个方案的插入损失,保留达到设计目标值的方案,并进行比选,选择最优方案。
设计中的目标值为12dB。
声屏障一般的高度为3~7m,经多次计算选取声屏障总高度为7m最为合适,计算如下。
3.5 声屏障插入损失的计算3.5.1 声屏障绕射声衰减的计算声屏障的绕射声衰减可用等效频率f e求得。
通常道路交通噪声的等效频率f e=500Hz,按下面公式计算,则得到近似的声屏障绕射声衰减△L d。
道路交通噪声应看成无限长声源,等效频率为500Hz,此设计中声源至受声点的距离为73m,此声源为无限长线声源及无限长声屏障。
当声源为一无限长不相干线声源时,其绕射声衰减为:1340,)1()1( 4)1(3lg 102≤=⎥⎥⎥⎥⎦⎤⎢⎢⎢⎢⎣⎡+--c f t t t tg arc t δπ =∆d l ( 3-1)1c 3f 40t ,)1t t ln(2)1t (3lg 1022>δ=⎥⎥⎦⎤⎢⎢⎣⎡-+-π式中:f — 声波等效频率,Hzδ= A+B-d 为声程差,md — 声源与受声点间的直线距离,mA — 声源至声屏障顶端的距离,mB — 受声点至声屏障顶端的距离,mc — 声速,340m/s其中声程差辅以图3-1进行计算○1 1s 点绕射声衰减计算:该受声点高度为4.5m ,声源车辆的平均高为1 m ,等效频率为500Hz ,声屏障总高为7 m ,公路宽度为42 m ,声屏障距公路中心线为25 m ,受声点距公路中心水平距离为73 m 。