常用采油管柱图
- 格式:ppt
- 大小:2.12 MB
- 文档页数:43
1、JC支撑防顶堵水管柱主要由KQW封隔器、KNH活门、KPX配产器(或KHT堵水器)、141封隔器和KQW支撑器等井下工具组成。
卡堵层段的管柱丢手在井内,以便各类抽油机械设备在井内安装。
主要优点是在于可进行不压井作业检泵及投捞、验封、找水或堵水等各种工艺措施,卡堵水可靠性高,缺点是施工工序多,难度大,周期长。
一般用于中深井。
(2层)QW防顶器+活门+Y141+KPX配产器+Y141+偏心配产器+撞击筒+QW支撑器+丝堵2、JC井整体堵水管柱主要由Y141封隔器、KPX配产器(或KHT)堵水器等井下工具组成。
卡堵层段的管柱与抽油泵的管柱为一整体,管柱底部支撑井底(或采用KQW支撑器),管柱自重使封隔器处于良好的工作状态。
在该管柱中,抽油泵固定凡尔是可以投捞的,实现了找水、堵水和采油同一管柱。
该管柱结构简单,施工方便;但是由于抽油泵固定凡尔为可投捞的而降低了泵效,检泵作业必须起出堵水管柱,也增加了施工的工作量。
三层:Y141+KPX配产器+Y141+KPX配产器+Y141+KPX配产器+撞击筒+丝堵3、JC井堵底水管柱主要由Y141丢手封隔器等井下工具组成。
丢手封隔器安装于底水层上部,封堵层之间允许工作压差小于15MPa。
下入打捞管柱,上提一定值的张力负荷,封隔器即可解封。
施工成功率高,工作可靠。
Y411封隔器+丝堵4、JC平衡丢手堵水管柱主要由KSQ丢失接头、KNH活门、Y344封隔器、KQS配产器(或KPX配产器、KHT堵水器)等井下工具组成。
该管柱的卡堵段丢手于井内,尾管下至井底。
油层上部2~5m和油层下部2~5m各下一个平衡封隔器,以平衡相邻封隔器间液压产生的作用力,以确保管柱安全可靠的工作。
三层:KSQ丢手接头+活门+Y344+Y344+KQS 配产器+Y344+Y344+丝堵5、JC 井固定堵水管柱主要由KSQ丢失接头、Y443封隔器、Y443密封段、KDK短接和KXM导向头等井下工具组成。
石油油管基本常识一、石油管有关基本知识1、石油管相关专用名词解释API:它是英文American Petroleum Institute的缩写,中文意思为美国石油学会。
OCTG:它是英文Oil Country Tubular Goods的缩写,中文意思为石油专用管材,包括成品油套管、钻杆、钻铤、接箍、短接等。
油管:在油井中用于采油、采气、注水和酸化压裂的管子。
套管:从地表面下入已钻井眼作衬壁,以防止井壁坍塌的管子。
钻杆:用于钻井眼的管子。
管线管:用于输送油、气的管子。
接箍:用于连接两根带螺纹管子并具有内螺纹的圆筒体。
接箍料:用于制造接箍的管子。
API螺纹:API 5B标准规定的管螺纹,包括油管圆螺纹、套管短圆螺纹、套管长圆螺纹、套管偏梯形螺纹、管线管螺纹等。
特殊扣:具有特殊密封性能、连接性能以及其它性能的非API螺纹扣型。
失效:在特定的服役条件下发生变形、断裂、表面损伤而失去原有功能的现象。
油套管失效的主要形式有:挤毁、滑脱、破裂、泄漏、腐蚀、粘结、磨损等。
2、石油相关标准API 5CT:套管和油管规范(目前最新版为第8版)API 5D:钻杆规范(目前最新版为第5版)API 5L:管线钢管规范(目前最新版为第43版)API 5B:套管、油管和管线管螺纹的加工、测量和检验规范GB/T 9711.1-1997:石油天然气工业输送钢管交货技术条件第1部分:A级钢管GB/T9711.2-1999:石油天然气工业输送钢管交货技术条件第2部分:B级钢管GB/T9711.3-2005:石油天然气工业输送钢管交货技术条件第3部分:C级钢管3、英制与米制换算值1英寸(in)=25.4毫米(mm)1英尺(ft)=12英寸(in)=0.3048米(m)1平方英寸(sp.in)=645.16平方毫米(mm2)1磅(lb)=0.45359千克(kg)1磅每英尺(lb/ft)=1.4882千克每米(kg/m)1磅每平方英寸(psi)=6.895千帕斯卡(kPa)=0.006895兆帕(Mpa)1英尺磅(ft-lb)=1.35582焦耳(J)4、油套管管柱结构油套管管柱典型结构示意见图1。
FX Y445-114可捞式防倒灌采油工艺管柱FSG/JS03.247-1一、可捞式防倒灌采油工艺管柱结构及用途:管柱结构:可捞式防倒灌采油工艺管柱是由FXsg-94伸缩管B、FXy445-114空心桥塞B、FSf-104底阀B、FX-114通具B组成。
管柱用途:FXY445-114可捞式防倒灌采油工艺管柱用于5 1/5吋套管的套损井。
(1)井下采油示意图(一)。
1、FXsg-94伸缩管B1)、结构:FXsg-94伸缩管B由内外管、密封段组成。
2)、原理:当管柱重量超过剪钉剪切力时剪断剪钉,伸缩管可以伸缩调整距(伸缩量:1400 mm)。
3)、特点:FXsg-94伸缩管B配合采油工艺管柱使用,易完成开阀、环腔封隔、坐井口,实现管柱双级悬挂,减少抽油泵蠕动,提高泵效;2.可捞式防倒灌采油工艺管柱FXy445-114空心桥塞B1).结构:可捞式防倒灌采油工艺管柱FXy445-114空心桥塞B是由送封工具、封隔、锚定、步进锁定等机构组成。
柱(FXy445-114空心桥塞B、FSf-104底阀B),下井到设计位置,投入Ф45mm钢球注水加压,当压力达到6Mpa时启动活塞右行,推动上锥体右行,将卡瓦胀出,卡瓦锚定于套管内壁,以卡瓦力支撑压缩胶筒,当压力达到16Mpa时,卡瓦锚定牢固,胶筒胀封完成。
当压力达到18Mpa—22Mpa时,送封工具与工具丢开。
3).特点:液压坐封、双向锚定、抗高压差、使用寿命常;胶筒在上卡瓦在下,鱼顶短防砂埋易打捞,分级解封强制回收、解封彻可靠。
3.可捞式免压井采油工艺管柱FSf-104底阀B1)、结构:由阀体、滑套、弹性簧、定位簧等机构组成。
2)、原理:配和管柱下井时FSf-104底阀B环腔处于密封状态,此时FXy445-114空心桥塞B座封后可抗底压差。
当采油时FX-114通具B插入打开定位锁,同时打开旁通阀,使油路畅通。
在起采油管柱时,FX-114通具B提起的同时关闭旁通阀。
孤岛油田油水井作业管柱图例编写:田庆国、孙晋祥、韩学良审核:付继彤、孙宝京批准:刘恩胜孤岛采油厂作业管理中心二零一零年三月前言近年来,孤岛油田在防砂、热采、堵水等采油工艺方面,形成了一整套油水井开采及施工常用管柱。
为了使从事采油、作业的工作人员较为系统地认识和应用,规范管柱结构录入工作,满足生产要求,我们整理完善了“孤岛油田油水井作业管柱图例”。
包括采油管柱、卡封管柱、防砂生产管柱、水井管柱、施工管柱、常用套管结构示意图、工具图例七部分内容,较为详细的介绍了目前孤岛油田油水井管柱结构,可供采油厂从事采油、作业的工人、干部和技术人员使用和参考。
在编写过程中,得到了工艺所史宝光、张德杰,信息中心刘建平、范靖,作业大队(西区)陈良虎、蔡学卫、刘兴山,作业大队(东区)翟省杰、王效雷、刘相奎等单位领导、专家的大力支持,谨此表示感谢。
由于编辑时间紧,水平有限,难免存有错误及不足之处,欢迎广大读者提出宝贵意见,以便进一步修改和完善。
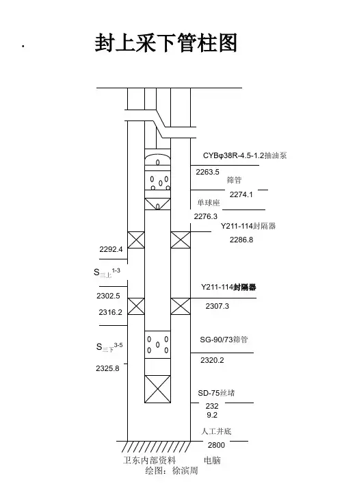
目录一、采油管柱[1] 普通抽油泵生产管柱 (1)[2] 下螺杆泵生产管柱 (3)[3] 下水力喷射泵生产管柱 (5)[4] 下电泵生产管柱 (7)二、卡封管柱[5] 下丢封封下采上生产管柱 (9)[6] 封上采下生产管柱 (11)三、防砂生产管柱[7] 滤砂管防砂生产管柱 (13)[8] 金属滤砂管防砂生产管柱 (15)[9] 绕丝筛管(割缝)防砂生产管柱 (17)[10] 水平井下金属滤生产管柱 (19)四、水井管柱[11] 光油管注水管柱(带喇叭口) (21)[12] 空心分层注水管柱 (23)[13] 偏心分层注水管柱 (25)[14] 单层注聚管柱 (27)[15]双管分层注聚管柱 (29)五、施工管柱[16]腹膜砂、酸化、堵水等光油管施工管柱 (31)[17]分层防砂施工管柱 (33)[18] 注水泥塞施工管柱 (35)[19]分层酸化、堵水、测调施工管柱 (37)[20]压裂施工管柱 (39)[21]绕丝筛管(割缝)正循环充填施工管柱 (41)[22]绕丝筛管(割缝)反循环充填施工管柱 (43)[23]高压充填(绕丝防砂)施工管柱 (45)[24]水平井正充填施工管柱 (47)[25]水平井逆向充填施工管柱 (49)[26]热采注汽施工管柱(带封) (51)[27]热采注汽施工管柱(不带封) (53)[28]验串、封串施工管柱 (55)[29] 双封找漏施工管柱 (57)[30] 冲中心管施工管柱 (59)[31]水平井均匀注汽施工管柱 (61)六、常用套管结构示意图[32]裸眼完井 (63)[33]套管射孔完井 (64)[34]小套管完井 (65)[35]套管补贴完井 (66)[36]割缝衬管完井 (67)[37]水平井筛管完井 (68)七、工具图例 (69)一、采油管柱[1] 普通抽油泵生产管柱- 1 -技术要求:1、尾管深度应距离防砂鱼顶以上5-10m;2、泵的沉没度在200米以上。