水泥混凝土垫层和陶粒混凝土垫层检验批质量验收记录表
- 格式:xls
- 大小:13.00 KB
- 文档页数:1
水泥混凝土垫层和陶粒混凝土垫层检验批质量验收记录一、项目基本信息项目名称:_______工程位置:_______工程单位:_______施工单位:_______检验单位:_______日期:_______二、检验内容1.水泥混凝土垫层检验内容:(1)水泥规格:_______(2)骨料规格:_______(3)掺合料规格:_______(4)配合比:_______(5)坍落度:_______(6)强度等级:_______(7)厚度:_______(8)平整度:_______(9)抗渗性能:_______(10)硬化时间:_______2.陶粒混凝土垫层检验内容:(1)陶粒规格:_______(2)骨料规格:_______(3)掺合料规格:_______(4)配合比:_______(5)坍落度:_______(6)强度等级:_______(7)厚度:_______(8)平整度:_______(9)抗渗性能:_______(10)硬化时间:_______三、检验结果1.水泥混凝土垫层检验结果:(1)水泥规格符合要求:是/否(2)骨料规格符合要求:是/否(3)掺合料规格符合要求:是/否(4)配合比符合要求:是/否(5)坍落度符合要求:是/否(6)强度等级符合要求:是/否(7)厚度符合要求:是/否(8)平整度符合要求:是/否(9)抗渗性能符合要求:是/否(10)硬化时间符合要求:是/否2.陶粒混凝土垫层检验结果:(1)陶粒规格符合要求:是/否(2)骨料规格符合要求:是/否(3)掺合料规格符合要求:是/否(4)配合比符合要求:是/否(5)坍落度符合要求:是/否(6)强度等级符合要求:是/否(7)厚度符合要求:是/否(8)平整度符合要求:是/否(9)抗渗性能符合要求:是/否(10)硬化时间符合要求:是/否四、检验结论1.水泥混凝土垫层检验结论:_______(1)符合设计要求:是/否(2)质量合格:是/否(3)可以使用:是/否2.陶粒混凝土垫层检验结论:_______(1)符合设计要求:是/否(2)质量合格:是/否(3)可以使用:是/否检验单位代表签字:_______施工单位代表签字:_______日期:_______备注:_______以上是对水泥混凝土垫层和陶粒混凝土垫层进行检验批质量验收的记录。
7138水泥混凝土垫层和陶粒混凝土垫层检验批质量验收记录水泥混凝土垫层和陶粒混凝土垫层是建筑工程中常见的地面垫层材料。
为确保工程质量,一般需要进行质量验收。
下面是对水泥混凝土垫层和陶粒混凝土垫层检验批质量验收记录的详细描述。
二、施工单位:xxx建筑工程有限公司三、验收日期:xxxx年xx月xx日四、施工地点:xxxx项目地点五、项目名称:xxxxxx工程六、垫层类型:水泥混凝土垫层和陶粒混凝土垫层水泥混凝土垫层质量验收记录:1.施工工艺:1.1水泥混凝土垫层施工前,确保基层平整、无明显孔洞、坑槽等。
1.2按照设计要求进行配合比,确保水泥、砂、骨料的比例准确。
1.3施工过程中,混凝土浇筑均匀、顺序进行,保证垫层整体性。
1.4控制施工阶段的水泥含水率,确保垫层的强度和抗渗性能。
2.施工质量检验:2.1对水泥混凝土垫层进行抗压强度检测,在浇筑后28天进行试块取样测试,均值应符合设计要求。
2.2检验垫层的厚度是否满足设计要求,测量多个点的厚度,取平均值作为合格标准。
2.3使用金属探测器检测垫层内是否有金属杂质,如有则判定为不合格。
3.检验结果:3.1 水泥混凝土垫层抗压强度达到设计要求,平均值为xx MPa。
3.2 垫层厚度符合设计要求,平均值为xx mm。
3.3无金属杂质。
陶粒混凝土垫层质量验收记录:1.施工工艺:1.1陶粒混凝土垫层施工前,确保基层平整、无明显孔洞、坑槽等。
1.2按照设计要求进行配合比,确保陶粒、水泥、砂、骨料的比例准确。
1.3施工过程中,混凝土浇筑均匀,保证垫层内陶粒分布均匀。
1.4控制施工阶段的水泥含水率,确保垫层的强度和抗渗性能。
2.施工质量检验:2.1对陶粒混凝土垫层进行抗压强度检测,在浇筑后28天进行试块取样测试,均值应符合设计要求。
2.2检验垫层的厚度是否满足设计要求,测量多个点的厚度,取平均值作为合格标准。
2.3检验陶粒混凝土垫层中陶粒的颗粒大小是否符合设计要求,使用筛网进行检测。
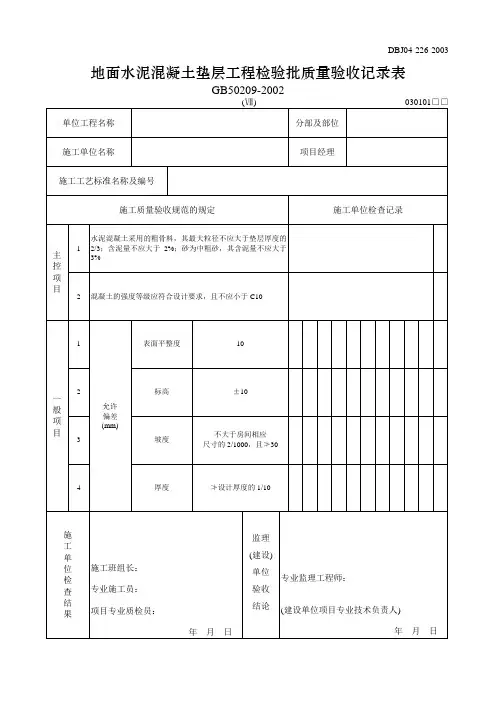
DBJ04-226-2003 地面水泥混凝土垫层工程检验批质量验收记录表
GB50209-2002
DBJ04-226-2003
说明
(Ⅶ)
030101 检验数量:按自然间(或标准间)检验,抽样数量应随机检验不应少于3间;不足3间,应全数检查;其中走廊(过道)应以10延长米为一间,工业厂房(按跨度计)、礼堂、门厅应以两个轴线为一间
计算。
主控项目:
检验方法:1.观察检查和检查材质合格证明文件及检测报告。
2.观察检查和检查配合比通知单及检测报告。
注:混凝土强度试块的组数:按每一层(或检验批)建筑地面工程不应小于一组,且每1000m2做1组试块。
当改变配合比时,亦应相应地制作试块组数。
一般项目:
检验方法:1.用2m靠尺和楔形塞尺检查。
2.用水准仪检查。
3.用坡度尺检查。
4.用钢尺检查。
注:厚度是指个别地方的厚度。
注:水泥混凝土质量检验尚应符合现行国家标准《混凝土结构工程施工质量验收规范》GB50204的有关规定。
水泥混凝土垫层检验批质量验收记录表1. 前言本质量验收记录表适用于水泥混凝土垫层的检验批次。
本表根据相关规范和标准制定,目的是为了保证施工质量,维护工程安全,保证工程可靠。
本文档主要包括垫层混凝土的检验批次、施工质量检查、测试方法、测试结果等内容。
2. 检验批次基本信息检验编号施工单位监理单位工程名称工程位置建设单位001 xxx公司xxx公司xxx工程xx位置xxx公司3. 检查建议本次检查建议对水泥混凝土垫层进行以下方面的检查:1.检查现场混合料比例和质量是否符合要求;2.检查混凝土搅拌是否均匀、浇筑表面是否光滑平坦;3.检查混凝土硬化后的强度是否符合要求;4.检查混凝土抗渗性能;5.检查混凝土密实程度。
4. 施工质量检查4.1 混合料比例检查检验人员在现场使用比例尺对混合料的比例进行测量,同时对混合料进行目测检查,是否混合均匀、无明显分层现象。
4.2 浇筑质量检查检验人员在现场检查混凝土的浇筑表面是否光滑平坦,是否有松动、孔洞、裂纹、颜色不一的现象,同时对混凝土的密实程度进行检查。
4.3 强度检查检验人员现场取样检测混凝土的强度,检测方法可以采用非破坏性检测或者破坏性检测方法。
非破坏性检测方法可以使用超声波检测仪或者钢珠撞击仪等。
4.4 抗渗性能检查检验人员在实验室里根据标准进行混凝土的抗渗性能检测,检测混凝土的抗渗性能是否符合要求。
4.5 密实程度检查检验人员使用密度计或者外形尺对混凝土的密实程度进行检查,检查混凝土的密实程度是否符合要求。
5. 检验结果记录5.1 检验批次信息检验编号施工单位监理单位工程名称工程位置建设单位001 xxx公司xxx公司xxx工程xx位置xxx公司5.2 检验结果汇总检查项目检查标准检查结果备注混合料比例检查要求比例合格无浇筑质量检查表面平整合格无强度检查强度标准不合格等待强度恢复抗渗性能检查抗渗标准合格无密实程度检查密实标准合格无6.本次混凝土垫层检验批次,混合料比例合格,浇筑质量合格,抗渗性能合格,密实程度合格,但强度不合格,需等待混凝土的强度恢复后进行重新检测,需要重新纠正,还需现场施工人员认真负责,完善现场管理,提高质量意识,最终保证工程质量地完成。
混凝土垫层工程检验批质量验收记录表精心整理混凝土垫层工程检验批质量验收记录表
工程名称:濉溪县开发区王引河路污水管网对接工程
施工单位:XXX
单位工程名称:道路工程
分项工程名称:混凝土垫层
项目经理:XXX
质量检验员:XXX
技术负责人:XXX
施工班组长:XXX
验收部位:W4-W13路基
工程数量:100
检验日期:2016年7月26日
主控项目:
1.路基压实度
2.原材质量
设计要求:
1.路基压实度偏差≤5mm
2.原材质量符合第10.8.1.1条规定允许偏差:
1.路基压实度偏差≤5mm
2.原材质量符合第11.
3.1.3条规定施工单位检查评定记录:
1.路基压实度符合要求
2.原材质量符合要求
3.外观质量符合设计要求
4.混凝土强度符合设计要求
5.混凝土平整度偏差值≤5mm
6.垫宽度符合设计要求
7.横坡偏差符合设计要求
8.反坡差符合设计要求
9.厚度符合设计要求
10.外观质量符合设计要求
应测点数:10
合格点数:9
合格率:90%
检验结论:合格
平均合格率:97%
施工单位检查评定结果:符合要求专业工长:(施工员)
施工班组长:
项目专业质量检查员:
年月日
专业监理工程师:(建设单位项目专业技术负责人)年月日
监理(建设)单位。
水泥混凝土垫层检验批质
量验收记录表
The following text is amended on 12 November 2020.
水泥混凝土垫层检验批质量验收记录表
水泥混凝土垫层报验申请表
工程名称:顺德区均安镇永安路2号地商住小区4区GD2202004□□□
水泥混凝土垫层检验批质量验收记录表
水泥混凝土垫层报验申请表
工程名称:顺德区均安镇永安路2号地商住小区4区GD2202004□□□
水泥混凝土垫层检验批质量验收记录表GB50209-2002(Ⅶ)
水泥混凝土垫层报验申请表
工程名称:顺德区均安镇永安路2号地商住小区4区GD2202004□□□
水泥混凝土垫层检验批质量验收记录表GB50209-2002(Ⅶ)
水泥混凝土垫层报验申请表
工程名称:顺德区均安镇永安路2号地商住小区4区GD2202004□□□
水泥混凝土垫层检验批质量验收记录表GB50209-2002(Ⅶ)。
水泥混凝土垫层和陶粒混凝土垫层检验批质量验收记录水泥混凝土垫层和陶粒混凝土垫层检验批质量验收记录注:本表内容的填写需依据《现场验收检验批检查原始记录》。
本检验批质量验收的规范依据见本页背面。
填写说明一、填写依据1 《建筑地面工程施工质量验收规范》GB50209-2010。
2 《建筑工程施工质量验收统一标准》GB50300-2013。
二、检验批划分基层(各构造层)和各类面层的分项工程的施工质量验收应按每一层次或每层施工段(或变形缝)划分检验批,高层建筑的标准层可按每三层(不足三层按三层计)划分检验批。
三、GB50209-2010规范摘要主控项目4.8.8 水泥混凝土垫层和陶粒混凝土垫层采用的粗骨料,其最大粒径不应大于垫层厚度的2/3,含泥量不应大于3%;砂为中粗砂,其含泥量不应大于3%。
陶粒中粒径小于5mm的颗粒含量应小于10%;粉煤灰陶粒中大于15mm 的颗粒含量不应大于5%;陶粒中不得混夹杂物或粘土块。
陶粒宜选用粉煤灰陶粒、页岩陶粒等。
检验方法:观察检查和检查质量合格证明文件。
检查数量:同一工程、同一强度等级、同一配合比检查一次。
4.8.9 水泥混凝土和陶粒混凝土的强度等级应符合设计要求。
陶粒混凝土的密度应在800kg/~1400kg/之间。
检验方法:检查配合比试验报告和强度等级检测报告。
检查数量:配合比试验报告按同一工程、同一强度等级、同一配合比检查一次;强度等级检测报告按本规范第3.0.19条的规定检查。
一般项目4.8.10 水泥混凝土垫层和陶粒混凝土垫层表面的允许偏差应符合本规范表4.1.7的规定。
检验方法:按本规范4.1.7中的检验方法检验。
检查数量:按本规范第3.0.21条规定的检验批和第3.0.22条的规定检查。