深圳市工程设计岩土工程勘察收费标准
- 格式:doc
- 大小:190.00 KB
- 文档页数:11
工程勘察设计收费标准(2002年修订本)工程勘察收费标准1总则1。
0.1工程勘察收费是指勘察人根据发包人的委托,收集已有资料、现场踏勘、制订勘察纲要,进行测绘、勘探、取样、试验、测试、检测、监测等勘察作业,以及编制工程勘察文件和岩土工程设计文件等收取的费用。
1。
0。
2工程勘察收费标准分为通用工程勘察收费标准和专业工程勘察收费标准。
1通用工程勘察收费标准适用于工程测量、岩土工程勘察、岩土工程设计与检测监测、水文地质勘察、工程水文气象勘察、工程物探、室内试验等工程勘察的收费。
2专业工程勘察收费标准分别适用于煤炭、水利水电、电力、长输管道、铁路、公路、通信、海洋工程等工程勘察的收费。
专业工程勘察中的一些项目可以执行通用工程勘察收费标准.1.0.3通用工程勘察收费采取实物工作量定额计费方法计算,由实物工作收费和技术工作收费两部分组成。
专业工程勘察收费方法和标准,分别在煤炭、水利水电、电力、长输管道、铁路、公路、通信、海洋工程等章节中规定。
1。
0。
4通用工程勘察收费按照下列公式计算1工程勘察收费=工程勘察收费基准价×(1±浮动幅度值)2工程勘察收费基准价=工程勘察实物工作收费+工程勘察技术工作收费3工程勘察实物工作收费=工程勘察实物工作收费基价×实物工作量×附加调整系数4工程勘察技术工作收费=工程勘察实物工作收费×技术工作收费比例1.0.5工程勘察收费基准价工程勘察收费基准价是按照本收费标准计算出的工程勘察基准收费额,发包人和勘察人可以根据实际情况在规定的浮动幅度内协商确定工程勘察收费合同额。
1。
0.6工程勘察实物工作收费基价工程勘察实物工作收费基价是完成每单位工程勘察实物工作内容的基本价格。
工程勘察实物工作收费基价在相关章节的《实物工作收费基价表》中查找确定。
1.0。
7实物工作量实物工作量由勘察人按照工程勘察规范、规程的规定和勘察作业实际情况在勘察纲要中提出,经发包人同意后,在工程勘察合同中约定.1。
岩土工程施工设计费用明细一、岩土工程勘测费用1. 钻探费用:其中包括钻进费、机动费、安车费等费用,根据钻孔深度和钻孔直径的不同,费用也会有所不同。
2. 试坑费用:包括开挖试坑、测量试坑尺寸、分析试坑土样等费用。
3. 岩土物理勘察费用:包括地震勘察、料孔法、声波勘探等费用。
4. 岩土地质勘察费用:包括野外地质调查、室内地质分析等费用。
二、岩土工程设计费用1. 计算书费用:包括岩土工程计算书的编制费用。
2. 设计图纸费用:包括岩土工程设计图纸的编制费用。
3. 技术交底费用:包括设计人员对设计成果进行的技术交底费用。
4. 设计报告费用:包括岩土工程设计报告的编制费用。
5. 现场勘查费用:包括设计人员对现场情况进行勘查的费用。
6. 立项报批费用:包括岩土工程设计方案向相关部门进行立项报批的费用。
7. 设计修改费用:在设计过程中需要进行修改的部分,会有相应的费用。
8. 设计审查费用:包括设计方案向相关部门进行审查的费用。
9. 隐蔽工程检测费用:包括设计方案中要求进行的隐蔽工程检测费用。
10. 设计变更费用:在设计过程中需要进行变更的部分,会有相应的费用。
11. 工程经济分析费用:包括对岩土工程整体经济效益进行分析的费用。
12. 深基坑支护设计费用:包括深基坑支护设计所需费用。
13. 施工监理费用:包括设计人员对施工现场的监理费用。
14. 施工组织设计费用:包括对施工组织进行设计的费用。
15. 运输费用:设计文件的运输费用。
16. 其他费用:设计过程中出现的其他费用。
三、岩土工程施工费用1. 岩土工程施工监理费用:包括施工监理人员的工资及相关费用。
2. 岩土工程材料费用:包括所需的岩土工程材料费用。
3. 人工费用:包括所需的劳动力费用。
4. 设备费用:包括所需的施工设备费用。
5. 水电费用:包括所需的水电费用。
6. 安全文明施工费用:包括施工过程中的安全及文明施工费用。
7. 工程保险费用:包括岩土工程施工过程中的保险费用。
1 总则1.0.1工程勘察收费是指勘察人根据发包人的委托,收集已有资料、现场踏勘、制订勘察纲要,进行测绘、勘探、取样、试验、测试、检测、监测等勘察作业,以及编制工程勘察文件和岩土工程设计文件等收取的费用。
1.0.2工程勘察收费标准分为通用工程勘察收费标准和专业工程勘察收费标准。
1 通用工程勘察收费标准适用于工程测量、岩土工程勘察、岩土工程设计与检测监测、水文地质勘察、工程水文气象勘察、工程物探、室内试验等工程勘察的收费。
2 专业工程勘察收费标准分别适用于煤炭、水利水电、电力、长输管道、铁路、公路、通信、海洋工程等工程勘察的收费。
专业工程勘察中的一些项目可以执行通用工程勘察收费标准。
1.0.3通用工程勘察收费采取实物工作量定额计费方法计算,由实物工作收费和技术工作收费两部分组成。
专业工程勘察收费方法和标准,分别在煤炭、水利水电、电力、长输管道、铁路、公路、通信、海洋工程等章节中规定。
1.0.4通用工程勘察收费按照下列公式计算1 工程勘察收费=工程勘察收费基准价×(1±浮动幅度值)2 工程勘察收费基准价=工程勘察实物工作收费+工程勘察技术工作收费3 工程勘察实物工作收费=工程勘察实物工作收费基价×实物工作量×附加调整系数4 工程勘察技术工作收费、工程勘察实物工作收费×技术工作收费比例1.0.5工程勘察收费基准价工程勘察收费基准价是按照本收费标准计算出的工程勘察基准收费额,发包人和勘察人可以根据实际情况在规定的浮动幅度内协商确定工程勘察收费合同额。
1.0.6工程勘察实物工作收费基价工程勘察实物工作收费基价是完成每单位工程勘察实物工作内容的基本价格。
工程勘察实物工作收费基价在相关章节的《实物工作收费基价表》中查找确定。
1.0.7实物工作量实物工作量由勘察人按照工程勘察规范、规程的规定和勘察作业实际情况在勘察纲要中提出,经发包人同意后,在工程勘察合同中约定。
3 岩土工程勘察3.1 技术工作岩土工程勘察技术工作费收费比例表表3。
1—1注:1、岩土工程勘察等级见国标《岩土工程勘察规范》;2、利用已有勘察资料提出勘察报告的只收取技术工作费,技术工作费的计费基数为所利用勘察资料的实物工作收费额。
3。
2 工程地质测绘工程地质测绘复杂程度表表3。
2—1工程地质测绘实物工作收费基价表表3。
2—23。
3 岩土工程勘探与原位测试岩土工程勘探与原位测试复杂程度表表3。
3—1注:岩土的分类和鉴定见国标《岩土工程勘察规范》。
岩土工程勘探实物工作收费基收表表3.3-2取土、水、石试样实物工作收费基价表表3.3-3原位测试实物工作收费基价表表3.3—4续表3。
3—4续表3.3—4岩土工程勘探与原位测试实物工作收费附加调整系数表表3.3—54 岩土工程设计与检测监测4.1 岩土工程设计4。
1.1 岩土工程设计服务内容根据工程性质和技术要求,现场踏勘,收集分析已有资料,调查周边建筑物及地下管线情况;编制岩土设计文件,绘制施工图,提出试验、检测和监测方案;配合施工,解决施工中的设计问题。
4.1。
2 岩土工程设计收费岩土工程设计复杂程度表表4.1—1岩土工程设计收费基价表表4.1—2注:1、该表采用插入法计算;2、岩土工程设计收费不足0。
5万元,按照0.5万元计算收费;3、岩土工程概算额〉2000万元时,Ⅰ级按照费率3。
5%、Ⅱ级按照费率4.5%、Ⅲ级按照费率5。
0%计算收费;4、岩土工程设计收费基价是完成4。
1.1岩土工程设计服务内容的价格。
4。
2 岩土工程检测监测4.2.1 岩土工程检测监测技术工作岩土工程检测监测技术工作费收费比例为22%。
4。
2。
2 岩土工程检测监测实物工作岩土工程检测实物工作收费基价表表4.2—1续表4.2—1岩土工程监测复杂程度表表4.2—2岩土工程监测实物工作收费基价表表4。
2-3续表4。
2-3。
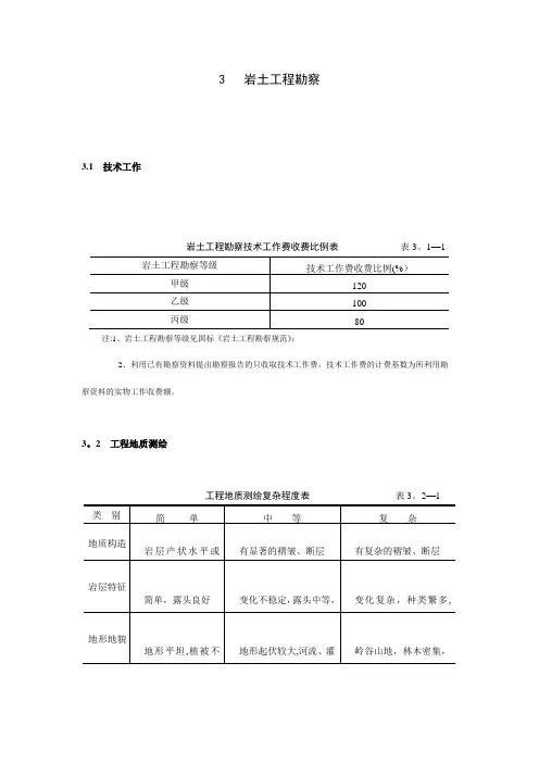
3 岩土工程勘察
3。
1 技术工作
岩土工程勘察技术工作费收费比例表表3.1-1
注:1、岩土工程勘察等级见国标《岩土工程勘察规范》;
2、利用已有勘察资料提出勘察报告的只收取技术工作费,技术工作费的计费基数为所利用勘察资料的实物工作收费额。
3。
2 工程地质测绘
工程地质测绘复杂程度表表3.2-1
工程地质测绘实物工作收费基价表表3。
2—2
3.3 岩土工程勘探与原位测试
岩土工程勘探与原位测试复杂程度表表3。
3—1
注:岩土的分类和鉴定见国标《岩土工程勘察规范》。
岩土工程勘探实物工作收费基收表表3.3—2
取土、水、石试样实物工作收费基价表表3。
3—3
原位测试实物工作收费基价表表3.3-4
续表3。
3—4
续表3.3—4
岩土工程勘探与原位测试实物工作收费附加调整系数表表3。
3-5。
国家计委、建设部关于发布《工程勘察设计收费管理规定》的通知计价格[2002]10号国务院各有关部门,各省、自治区、直辖市计委、物价局,建设厅:为贯彻落实《国务院办公厅转发建设部等部门关于工程勘察设计单位体制改革若干意见的通知》(国办发[1999]101号),调整工程勘察设计收费标准,规范工程勘察设计收费行为,国家计委、建设部制定了《工程勘察设计收费管理规定》(以下简称《规定》),现予发布,自2002年3月1日起施行。
原国家物价局、建设部颁发的《关于发布工程勘察和工程设计收费标准的通知》([1992]价费字375号)及相关附件同时废止。
本《规定》施行前,已完成建设项目工程勘察或者工程设计合同工作量50%以上的,勘察设计收费仍按原合同执行;已完成工程勘察或者工程设计合同工作量不足50%的,未完成部分的勘察设计收费由发包人与勘察人、设计人参照本《规定》协商确定。
二○○二年一月七日工程勘察设计收费管理规定计价格[2002]10号第一条为了规范工程勘察设计收费行为,维护发包人和勘察人、设计人的合法权益,根据《中华人民共和国价格法》以及有关法律、法规,制定本规定及《工程勘察收费标准》和《工程设计收费标准》。
第二条本规定及《工程勘察收费标准》和《工程设计收费标准》,适用于中华人民共和国境内建设项目的工程勘察和工程设计收费。
第三条工程勘察设计的发包与承包应当遵循公开、公平、公正、自愿和诚实信用的原则。
依据《中华人民共和国招标投标法》和《建设工程勘察设计管理条例》,发包人有权自主选择勘察人、设计人、勘察人、设计人自主决定是否接受委托。
第四条发包人和勘察人、设计人应当遵守国家有关价格法律、法规的规定,维护正常的价格秩序,接受政府主管部门的监督、管理。
第五条工程勘察和工程设计收费根据建设项目投资额的不同情况,分别实行政府指导价和市场调节价。
建设项目总投资估算额500万元及以上的工程勘察和工程设计收费实行政府指导价;建设项目总投资估算额500万元以下的工程勘察和工程设计收费实行市场调节价。
一、工程勘察设计收费标准1总则1.0.1工程勘察收费是指勘察人根据发包人的委托,收集已有资料、现场踏勘、制订勘察纲要,进行测绘、勘探、取样、试验、测试、检测、监测等勘察作业,以及编制工程勘察文件和岩土工程设计文件等收取的费用。
1.0.2工程勘察收费标准分为通用工程勘察收费标准和专业工程勘察收费标准。
1通用工程勘察收费标准适用于工程测量、岩土工程勘察、岩土工程设计与检测监测、水文地质勘察、工程水文气象勘察、工程物探、室内试验等工程勘察的收费。
2专业工程勘察收费标准分别适用于煤炭、水利水电、电力、长输管道、铁路、公路、通信、海洋工程等工程勘察的收费。
专业工程勘察中的一些项目可以执行通用工程勘察收费标准。
1.0.3通用工程勘察收费采取实物工作量定额计费方法计算,由实物工作收费和技术工作收费两部分组成。
专业工程勘察收费方法和标准,分别在煤炭、水利水电、电力、长输管道、铁路、公路、通信、海洋工程等章节中规定。
1.0.4通用工程勘察收费按照下列公式计算 1工程勘察收费=工程勘察收费基准价×(1±浮动幅度值) 2工程勘察收费基准价=工程勘察实物工作收费+工程勘察技术工作收费 3工程勘察实物工作收费=工程勘察实物工作收费基价×实物工作量×附加调整系数 4工程勘察技术工作收费=工程勘察实物工作收费×技术工作收费比例1.0.5工程勘察收费基准价 工程勘察收费基准价是按照本收费标准计算出的工程勘察基准收费额,发包人和勘察人可以根据实际情况在规定的浮动幅度内协商确定工程勘察收费合同额。
1.0.6工程勘察实物工作收费基价 工程勘察实物工作收费基价是完成每单位工程勘察实物工作内容的基本价格。
工程勘察实物工作收费基价在相关章节的《实物工作收费基价表》中查找确定。
1.0.7实物工作量 实物工作量由勘察人按照工程勘察规范、规程的规定和勘察作业实际情况在勘察纲要中提出,经发包人同意后,在工程勘察合同中约定。
4 岩土工程设计与检测监测
4.1 岩土工程设计
4。
1。
1 岩土工程设计服务内容
根据工程性质和技术要求,现场踏勘,收集分析已有资料,调查周边建筑物及地下管线情况;编制岩土设计文件,绘制施工图,提出试验、检测和监测方案;配合施工,解决施工中的设计问题.
4.1.2 岩土工程设计收费
岩土工程设计复杂程度表表4.1—1
岩土工程设计收费基价表表4.1—2
注:1、该表采用插入法计算;
2、岩土工程设计收费不足0。
5万元,按照0.5万元计算收费;
3、岩土工程概算额>2000万元时,Ⅰ级按照费率3.5%、Ⅱ级按照费率4。
5%、Ⅲ级按照费率5.0%
计算收费;
4、岩土工程设计收费基价是完成4.1。
1岩土工程设计服务内容的价格.
4。
2 岩土工程检测监测
4。
2.1 岩土工程检测监测技术工作
岩土工程检测监测技术工作费收费比例为22%。
4.2。
2 岩土工程检测监测实物工作
岩土工程检测实物工作收费基价表表4。
2—1
续表4.2—1
岩土工程监测复杂程度表表4.2—2
岩土工程监测实物工作收费基价表表4.2—3
续表4.2—3。
深圳市工程设计、岩土工程勘察收费标准(99年修订版深圳市勘察设计协会)总说明4. 设计内容包括:方案设计初步设计(含概算)、施工图设计(含技术交底、施工配合及竣工验收)、复用工程设计图及建设项目前期工作咨询及其其他技术服务。
5. 工程设计费是指完成上述内容时,按工程设计总概算造价的百分率计算的设计费。
6. 业主要求编制施工图预算时,按设计费的10%收取。
8. 设计费收取方法按深圳市工程设计合同管理的规定,可采用一次性收取或依设计进度收取的两种方式。
一次性付款方式在合同生效后,一次性结清合同款。
分期付款方式,在合同签定时受取总设计费的20%为定金;提供方案设计或提供初步设计时收取的设计费应不低于按概算造价的百分率收取总设计费的50%,提供施工图设计成果时应收取总设计费达80%。
9. 对于其他技术服务,如编制设计任务书,可行性研究报告、工程咨询策划、招投标书、厂址选择、规划调研、科学试验、环境预评价、数据测试、特殊的电算和模型以及技术10. 施工图设计提供8份、初步设计及其他的委托工作均提供6份(含装订成册用于报建份数)业主要求增加份数,费用另计。
国家及地方标准图由业主自行向有关标准站购买。
第一章工程设计收费标准1.1房屋建筑工程设计收费标准三级3%)×特区系数1.3,再×抗震系数1.1方案设计,从第三个方案起,每增加一个方案,增收方案设计费50%。
如果甲方委托设计条件变更,再做方案设计时,另行收取方案设计费。
1.1.17 关于设计过程中修改设计的收费标准是指已有明确的设计任务书(或行政主管部门批准过的设计要点、业主的设计要求)在进行设计并完成一定中间成果(当超过各设计阶段内容的20%)的过程中,因原定的设计任务书(或或行政主管部门批准过的设计要点、业主的设计要求)发生变更而引致设计必须修改,造成返工、应视工作量的多少和其复杂情况决定:当设计工作完成20%~50%的工作量报废、按原设计费20~40%增收;当设计工作完成50%以上的工作量报废、按原设计费60~100%增收;当设计修改工作量很大,有方案性变化时,要结清该阶段设计收费,另按当前要求重新开始,按本标准计收设计费。
岩土工程勘察设计收费标准20021 总则1.0.1 工程勘察收费是指勘察人根据发包人的委托,收集已有资料、现场踏勘、制订勘察纲要,进行测绘、勘探、取样、试验、测试、检测、监测等勘察作业,以及编制工程勘察文件和岩土工程设计文件等收取的费用。
1.0.2 工程勘察收费标准分为通用工程勘察收费标准和专业工程勘察收费标准。
1 通用工程勘察收费标准适用于工程测量、岩土工程勘察、岩土工程设计与检测监测、水文地质勘察、工程水文气象勘察、工程物探、室内试验等工程勘察的收费。
2 专业工程勘察收费标准分别适用于煤炭、水利水电、电力、长输管道、铁路、公路、通信、海洋工程等工程勘察的收费。
专业工程勘察中的一些项目可以执行通用工程勘察收费标准。
1.0.3 通用工程勘察收费采取实物工作量定额计费方法计算,由实物工作收费和技术工作收费两部分组成。
专业工程勘察收费方法和标准,分别在煤炭、水利水电、电力、长输管道、铁路、公路、通信、海洋工程等章节中规定。
1.0.4 通用工程勘察收费按照下列公式计算1 工程勘察收费=工程勘察收费基准价×(1±浮动幅度值)2 工程勘察收费基准价=工程勘察实物工作收费+工程勘察技术工作收费3 工程勘察实物工作收费=工程勘察实物工作收费基价×实物工作量×附加调整系数4 工程勘察技术工作收费、工程勘察实物工作收费×技术工作收费比例1.0.5 工程勘察收费基准价工程勘察收费基准价是按照本收费标准计算出的工程勘察基准收费额,发包人和勘察人可以根据实际情况在规定的浮动幅度内协商确定工程勘察收费合同额。
1.0.6 工程勘察实物工作收费基价工程勘察实物工作收费基价是完成每单位工程勘察实物工作内容的基本价格。
工程勘察实物工作收费基价在相关章节的《实物工作收费基价表》中查找确定。
1.0.7 实物工作量实物工作量由勘察人按照工程勘察规范、规程的规定和勘察作业实际情况在勘察纲要中提出,经发包人同意后,在工程勘察合同中约定。
3 岩土工程勘察3.1技术工作岩土工程勘察技术工作费收费比例表表2、利用已有勘察资料提岀勘察报告的只收取技术工作费,技术工作费的计费基数为所利用勘察资料的实物工作收费额。
3.2工程地质测绘工程地质测绘复杂程度表表不发育,易于通行灌木较多,通行较困难水网杂稻田现沼泽,通行困难3.3岩土工程勘探与原位测试岩土工程勘探与原位测试复杂程度表表含量>粘性土,密实塑、可塑粘砾石,混<50mm 100mm、续表3.3 —4序号项目计费 单位收费基价(元)测试项目测试深度In |皿V VD (m)Comment [dxl]:页:4取土、水、石试样实物工作收费基价表 表 3.3 —34k il !'序号项目 计费 单位收费基价(元)测试项目测试深度 InIVV标准贯入——Dpxip)20——80108 144120<D <50次120 162 216试验D>50144194259原位测试实物工作收费基价表表 3.3 —4D w10 342 456八、、岩土工程勘探与原位测试实物工作收费附加调整系数表表4岩土工程设计与检测监测4.1 岩土工程设计4.1.1岩土工程设计服务内容根据工程性质和技术要求,现场踏勘,收集分析已有资料,调查周边建筑物及地下管线情况;编制岩土设计文件,绘制施工图,提出试验、检测和监测方案;配合施工,解决施工中的设计问题。
4.1.2岩土工程设计收费岩土工程设计复杂程度表表、岩土工程概算额10 50 100 500 1000 2000收费基价(万元)复杂程度(万元I 级 0.64 2.8 5.4 23 43 78 n 级0.75 3.3 6.3 27 50 92 川级0.863.87.231581062、岩土工程设计收费不足 0.5万元,按照0.5万元计算收费;3、 岩土工程概算额>2000万元时,1级按照费率 3.5%、U 级按照费率4.5%、山级按照费率5.0%计算收费;4、岩土工程设计收费基价是完成4.1.1岩土工程设计服务内容的价格。
.深圳市工程设计、岩土工程勘察收费标准(99年修订版深圳市勘察设计协会)总说明4. 设计内容包括:方案设计初步设计(含概算)、施工图设计(含技术交底、施工配合及竣工验收)、复用工程设计图及建设项目前期工作咨询及其其他技术服务。
5. 工程设计费是指完成上述内容时,按工程设计总概算造价的百分率计算的设计费。
6. 业主要求编制施工图预算时,按设计费的10%收取。
8. 设计费收取方法按深圳市工程设计合同管理的规定,可采用一次性收取或依设计进度收取的两种方式。
一次性付款方式在合同生效后,一次性结清合同款。
分期付款方式,在合同签定时受取总设计费的20%为定金;提供方案设计或提供初步设计时收取的设计费应不低于按概算造价的百分率收取总设计费的50%,提供施工图设计成果时应收取总设计费达80%。
9. 对于其他技术服务,如编制设计任务书,可行性研究报告、工程咨询策划、招投标书、厂址选择、规划调研、科学试验、环境预评价、数据测试、特殊的电算和模型以及技术考察、对外谈判等收费,一般以工作日计算:初级技术职称人员300元/工日600~中级技术职称人员800元/工日800高级技术职称人员~1000元/工日1000~1200元/工日高级专家份(含装订成册用于报份、初步设计及其他的委托工作均提供施工图设计提供10. 86建份数)业主要求增加份数,费用另计。
国家及地方标准图由业主自行向有关标准站购买。
第一章工程设计收费标准1.1房屋建筑工程设计收费标准教育资料..1.1.2房屋建筑(含工业厂房仓库)工程等级分类表教育资料..1.1.3 房屋建筑工程设计收费标准[方案(含初设)及施工图全套]注:民用建筑工程设计收费标准基础上(含应增加方案费:特级及一级10%,二级6%,三级3%)×特区系数1.3,再×抗震系数1.11.1.4 房屋建筑工程中做方案或方案批准后的初步设计收费标准注:为全过程设计收费的30%。
按甲方委托要求,可做两个比选方案,若甲方要求增加方案设计,从第三个方案起,每增加一个方案,增收方案设计费50%。
3 岩土工程勘察
3.1 技术工作
岩土工程勘察技术工作费收费比例表表3.1—1
注:1、岩土工程勘察等级见国标《岩土工程勘察规范》;
2、利用已有勘察资料提出勘察报告的只收取技术工作费,技术工作费的计费基数为所利用勘察资料的实物工作收费额。
3.2 工程地质测绘
工程地质测绘复杂程度表表3.2—1
3.3 岩土工程勘探与原位测试
岩土工程勘探与原位测试复杂程度表表3.3—1
注:岩土的分类和鉴定见国标《岩土工程勘察规范》。
岩土工程勘探实物工作收费基收表表3.3—2
取土、水、石试样实物工作收费基价表表3.3—3
原位测试实物工作收费基价表表3.3—4
续表3.3—4
续表3.3—4
3.3—5
岩土工程勘探与原位测试实物工作收费附加调整系数表表。
3 岩土工程勘察
3.1 技术工作
2、利用已有勘察资料提岀勘察报告的只收取技术工作费,技术工作费的计费基数为所利用勘察资料的实物工作收费额。
3.2工程地质测绘
3.3岩土工程勘探与原位测试
序 号
项
目
计费 单位
收费基价
取样深度 < 30m
(元)
取样深
1
取
土
锤击法厚壁取土器 试
样 规
格
①=80 〜100mm
件
40 50
静压法厚壁取土器
①=80 〜100mm
65
95
敞口或自由活塞薄壁取土器
①=75mm
310
460
水压固定活塞薄壁取土器
①=75mm
420
620
固定活塞薄壁取土器
①=75mm
360
560
束节式取土器
①=75mm
150
240
黄土取土器
①=120mm
80
120
回转型单动、双动三重管取 土器
①=75mm
310 460 探井取土 100
150
扰动取土
15 2 取
石 取岩芯样 25 人工取样
200 3 取土
40
D (m )
项
目 测试项目
测试深度
收费基价(元)
IV
原位测试实物工作收费基价表
表 3.3—4
计费 单位
序号。
工程勘察设计收费标准(2002年修订本)工程勘察收费标准1总则1.0.1工程勘察收费是指勘察人根据发包人的委托,收集已有资料、现场踏勘、制订勘察纲要,进行测绘、勘探、取样、试验、测试、检测、监测等勘察作业,以及编制工程勘察文件和岩土工程设计文件等收取的费用。
1。
0。
2工程勘察收费标准分为通用工程勘察收费标准和专业工程勘察收费标准。
1通用工程勘察收费标准适用于工程测量、岩土工程勘察、岩土工程设计与检测监测、水文地质勘察、工程水文气象勘察、工程物探、室内试验等工程勘察的收费。
2专业工程勘察收费标准分别适用于煤炭、水利水电、电力、长输管道、铁路、公路、通信、海洋工程等工程勘察的收费。
专业工程勘察中的一些项目可以执行通用工程勘察收费标准。
1.0。
3通用工程勘察收费采取实物工作量定额计费方法计算,由实物工作收费和技术工作收费两部分组成。
专业工程勘察收费方法和标准,分别在煤炭、水利水电、电力、长输管道、铁路、公路、通信、海洋工程等章节中规定。
1。
0.4通用工程勘察收费按照下列公式计算1工程勘察收费=工程勘察收费基准价×(1±浮动幅度值)2工程勘察收费基准价=工程勘察实物工作收费+工程勘察技术工作收费3工程勘察实物工作收费=工程勘察实物工作收费基价×实物工作量×附加调整系数4工程勘察技术工作收费=工程勘察实物工作收费×技术工作收费比例1.0.5工程勘察收费基准价工程勘察收费基准价是按照本收费标准计算出的工程勘察基准收费额,发包人和勘察人可以根据实际情况在规定的浮动幅度内协商确定工程勘察收费合同额。
1。
0。
6工程勘察实物工作收费基价工程勘察实物工作收费基价是完成每单位工程勘察实物工作内容的基本价格。
工程勘察实物工作收费基价在相关章节的《实物工作收费基价表》中查找确定。
1.0.7实物工作量实物工作量由勘察人按照工程勘察规范、规程的规定和勘察作业实际情况在勘察纲要中提出,经发包人同意后,在工程勘察合同中约定。
岩土工程勘察设计收费标准20021总则1.0.1 工程勘察收费是指勘察人根据发包人的委托,收集已有资料、现场踏勘、制订勘察纲要,进行测绘、勘探、取样、试验、测试、检测、监测等勘察作业,以及编制工程勘察文件和岩土工程设计文件等收取的费用。
1.0.2工程勘察收费标准分为通用工程勘察收费标准和专业工程勘察收费标准。
1通用工程勘察收费标准适用于工程测量、岩土工程勘察、岩土工程设计与检测监测、水文地质勘察、工程水文气象勘察、工程物探、室内试验等工程勘察的收费。
2专业工程勘察收费标准分别适用于煤炭、水利水电、电力、长输管道、铁路、公路、通信、海洋工程等工程勘察的收费。
专业工程勘察中的一些项目可以执行通用工程勘察收费标准。
1.0.3通用工程勘察收费采取实物工作量定额计费方法计算,由实物工作收费和技术工作收费两部分组成。
专业工程勘察收费方法和标准,分别在煤炭、水利水电、电力、长输管道、铁路、公路、通信、海洋工程等章节中规定。
1.0.4通用工程勘察收费按照下列公式计算1 工程勘察收费=工程勘察收费基准价×(1 ±浮动幅度值±浮动幅度值)2 工程勘察收费基准价工程勘察收费基准价 =工程勘察实物工作收费+工程勘察技术工作收费3 工程勘察实物工作收费=工程勘察实物工作收费基价×实物工作量×附加调整系数4工程勘察技术工作收费、工程勘察实物工作收费×技术工作收费比工程勘察技术工作收费、工程勘察实物工作收费×技术工作收费比例1.0.5工程勘察收费基准价工程勘察收费基准价是按照本收费标准计算出的工程勘察基准收费额,发包人和勘察人可以根据实际情况在规定的浮动幅度内协商确定工程勘察收费合同额。
1.0.6工程勘察实物工作收费基价工程勘察实物工作收费基价是完成每单位工程勘察实物工作内容的基本价格。
工程勘察实物工作收费基价在相关章节的《实物工作收费基价表》中查找确定。
《工程勘察设计收费标准》(2002年修订本)(计价格[2002]10...《工程勘察设计收费标准》(2002年修订本)(计价格[2002]10)1.概述本《工程勘察设计收费标准》(以下简称标准)按照国家有关规定制定,是从事工程勘察设计业务的单位及人员收费的基准,也是有关部门审批工程勘察设计文件费用的依据。
本标准包括工程勘察、工程设计、勘察设计综合收费标准。
2.工程勘察收费标准工程勘察收费标准包括地质勘察、地形测量、工程地质、水文地质、岩土工程、工程地下水等专业2.1 地质勘察注:工程地质勘察是特殊勘察,应按照特殊勘察的规定收费。
2.2 地形测量注:地形测量范围根据工程调查情况而定。
3.工程设计收费标准注:工程设计综合收费标准以分别计价。
3.1建造设计注:建造外工程设计范围根据工程调查情况而定。
3.2市政工程设计注:水文计算根据实际情况而定。
4.勘察设计综合收费标准注:如勘察设计范围超过本标准规定范围的其他勘察设计项目,应参照本标准中同类项目的收费标准并适当调整。
5.合用范围本标准合用于从事工程勘察设计业务的单位及人员的收费。
6.其他规定注:如非征收“依据”,对不宜征收费用的规定,本标准中未作出相关规定。
7.附表无以下为简要注释:地质勘察:指根据勘查目的及要求,对地质条件和地质环境进行调查和研究的工程技术活动。
地形测量:是测量地球表面地形的一种测量手段。
工程地质:是研究岩土体在工程中的物理力学及工程特性和规律的学科。
水文地质:是研究地下水和水文地质相互作用的地理学分支科学。
岩土工程:是研究岩石、土壤等岩土体在工程中的物理力学及工程特性和规律的学科。
工程地下水:指在建造物、水利建造物、交通运输设施等工程建设中,地下水对工程建设的不利影响以及工程建设对地下水环境的影响等方面的问题。
建造设计:指按照建设工程施工和使用的需求,通过构思、绘制图样、制定规划等科学技术手段对建造物的构造、功能、形态、美学、经济等进行的设计。
深圳市工程设计、岩土工程勘察收费标准
(99年修订版深圳市勘察设计协会)
总说明
4. 设计内容包括:方案设计初步设计(含概算)、施工图设计(含技术交底、施工配合及竣工验收)、复用工程设计图及建设项目前期工作咨询及其其他技术服务。
5. 工程设计费是指完成上述内容时,按工程设计总概算造价的百分率计算的设计费。
6. 业主要求编制施工图预算时,按设计费的10%收取。
8. 设计费收取方法按深圳市工程设计合同管理的规定,可采用一次性收取或依设计进度收取的两种方式。
一次性付款方式在合同生效后,一次性结清合同款。
分期付款方式,在合同签定时受取总设计费的20%为定金;提供方案设计或提供初步设计时收取的设计费应不低于按概算造价的百分率收取总设计费的50%,提供施工图设计成果时应收取总设计费达80%。
9. 对于其他技术服务,如编制设计任务书,可行性研究报告、工程咨询策划、招投标书、厂址选择、规划调研、科学试验、环境预评价、数据测试、特殊的电算和模型以及技术
10. 施工图设计提供8份、初步设计及其他的委托工作均提供6份(含装订成册用于报建份数)业主要求增加份数,费用另计。
国家及地方标准图由业主自行向有关标准站购买。
第一章工程设计收费标准
1.1房屋建筑工程设计收费标准
三级3%)×特区系数1.3,再×抗震系数1.1
方案设计,从第三个方案起,每增加一个方案,增收方案设计费50%。
如果甲方委托设计条件变更,再做方案设计时,另行收取方案设计费。
1.1.17 关于设计过程中修改设计的收费标准
是指已有明确的设计任务书(或行政主管部门批准过的设计要点、业主的设计要求)在进行设计并完成一定中间成果(当超过各设计阶段内容的20%)的过程中,因原定的设计任务书(或或行政主管部门批准过的设计要点、业主的设计要求)发生变更而引致设计必须修改,造成返工、应视工作量的多少和其复杂情况决定:
当设计工作完成20%~50%的工作量报废、按原设计费20~40%增收;
当设计工作完成50%以上的工作量报废、按原设计费60~100%增收;
当设计修改工作量很大,有方案性变化时,要结清该阶段设计收费,另按当前要求重新开始,按本标准计收设计费。
1.2市政工程设计收费标准
1.2.1.1本标准适用于深圳市内的城市道路、桥梁、公路、桥涵、给水、雨水、污水、防洪、煤气、热力环卫及污水处理等市政设计收费
1.2.5 城市桥梁工程设计收费标准
第二章岩土工程勘察及测试收费标准1.1房屋建筑工程设计收费标准
2.9 触探测试收费标准
4. 海上+200%;河、江、湖+100%;塘、沼泽地+40%;水田+30%
注:1. 试坑开挖、疏干排水及沉桩、锚桩费另计;
2. 试验设备的搬迁、加荷体的运输及吊装费另计算;
3. 推桩与拔桩试验的收费标准同桩荷载试验;
4. 水下载荷试验按上表相应设备安装与拆卸增加10%计费。
2.11
2. 当压应力超过500kPa时,每增加一级荷重按上表的收费标准+20%计费;
3. 水下剪切和浸水饱和剪切按上表的收费标准+20%计费。
2.18 桩基抽芯检验收费标准
(二)检测收费
现场取试样:20元/件
试样切磨:18元/件
试样检压:20元/件
2.30 岩土工程设计收费标准
(一)岩土工程设计是风险性较大的一项工作,根据“深圳地区建筑深基坑支护技术规范SJG05-96”的有关条款规定,将岩土工程设计难度风险等级分为三级。
岩土工程设计收费按收费率计算后再分别×难度风险系数及安全等级系数。
岩土工程设计费=(岩土工程施工投资总额×收费率)×风险系数×安全系数(三)支护工程按其损坏造成破坏后果(危及人的生命、造成经济损失和损坏后的社会影响)的严重性,和工程的复杂程度分为三个安全等级,设计时可根据工程具体情况按下表选定
第三章测绘收费标准3.3.2 工程测量收费标准
深圳罗湖车站地铁安全线及皮带走廊工程工地杂记:
地质钻机引孔:150~160元/米锚杆钻机引孔:70元/米左右
人工挖孔桩:50~60元/m3每天2方,3人一组
钢筋绑扎每吨可以净赚1000元左右,商品混凝土浇筑几乎无赚
旋喷桩止水效果:在中风化岩层中欠佳,需要在外面再注浆。
桩径600mm的旋喷桩,其地质引孔孔径110mm
钢筋连接采用机械连接可以避免电弧焊烧穿防水层:成本14元/个
大体积混凝土浇筑:后浇带宽800mm,每≤12m一道,最好不超过16m 细石混凝土C20顶板,C15底板。