高考地理复习 地质构造图专题练习
- 格式:doc
- 大小:1.82 MB
- 文档页数:9
地球的历史及地球的圈层结构考点(2021·江苏高三零模)下图示意横跨帕米尔高原主体、阿莱谷地、西天山、费尔干纳盆地等主要构造单元及对应的莫霍面分布,据此完成下面小题。
1.图中地壳厚度最大处为()A.费尔干纳盆地B.西天山C.阿莱谷地D.中帕米尔2.图示剖面断层发育的根本原因是()A.地壳垂直运动B.地壳扩张运动C.岩浆活动D.地壳挤压运动【答案】1.D2.D【分析】1.图中莫霍界面以上的部分为地壳,图中莫霍面与地表起伏线之间的间隔即是地壳厚度,读图可知,选项四个地区相比而言,中帕米尔两者之间间隔最宽,地壳厚度最大,故选D。
2.该区域位于帕米尔地区,岩层受地壳挤压,当内力挤压超过岩层的承受能力,岩层破裂并沿破裂面发生位移,形成断层,主要受地壳水平挤压运动形成,D正确,AB错;与岩浆活动无关,C错。
故选D。
(2021·北京海淀区·人大附中高三三模)下图示意北京时间2021年5月21~22日世界上发生的三次震级较高地震的位置,下表为三次地震的相关信息。
据此完成下面小题。
3.乙地发生地震时,震中所在地的区时是()A.5月21日20:02B.5月22日03:02C.5月21日21:02D.5月22日09:024.据图表信息推测()A.三地震源都位于岩石圈内B.甲地震中位于板块生长边界C.乙地地震可能诱发风暴潮D.丙地地震烈度大,破坏最强【答案】3.C4.A【分析】3.乙地发生地震的北京时间为22 日00:02,震中经度为68.20°E,位于东5区,比东8区晚3小时,所以此时震中所在地的区时是21日21:02,故选C。
4.三地震源深度小于等于10km,都位于岩石圈内(岩石圈:地壳+上地幔顶部),A正确;甲地震中位于亚欧板块与印度洋板块的消亡边界附近,B错;风暴潮多是由强风和气压骤变(通常指台风和温带气旋等灾害性天气系统)导致的海水异常升降,与地震关系不大,海底地震易诱发海啸,C错;丙地地震震级大,但震中深居海洋,周边人口密度小,对人类财产等破坏不大,D错。
高考地理知识点复习《地质构造和构造地貌》十年真题汇总(2023·全国乙卷)新西兰南岛上的南阿尔卑斯山脉(约42°S-45°S)位于板块边界附近,呈东北—西南走向,其形态受板块运动和以流水为主的外力作用共同影响。
某科研团队对该山脉东西向剖面形态进行研究,观测到目前该山脉仍在升高并向西扩展;模拟研究表明未来该山脉升高速度逐渐放缓,高度将趋于稳定。
据此完成下面小题。
1.推测目前该山脉仍在升高并向西扩展是由于()A.板块挤压B.火山不断喷发C.板块张裂D.岩浆持续侵入2.假设不受内力作用,在外力作用下,该山脉()A.西坡侵蚀强烈,山脊线东移B.西坡侵蚀强烈,山脊线稳定C.东坡侵蚀强烈,山脊线西移D.东坡侵蚀强烈,山脊线稳定3.未来该山脉高度将趋于稳定,是由于随山体升高()A.板块运动逐渐加强B.板块运动逐渐减弱C.外力作用逐渐加强D.外力作用逐渐减弱【答案】1.A 2.A 3.C【解析】1.由材料并结合所学知识可知,该山脉位于太平洋板块和印度洋板块的消亡边界,受板块挤压影响,山脉高度会持续升高,A正确,C错误;从材料信息中为获取该山脉有火山持续喷发的相关信息,B错误;岩浆侵入不会对地表形态产生直接影响,D错误。
所以选A。
2.根据该山脉的纬度范围可知,该地常年受盛行西风控制,西风挟带的来自海洋的水汽在西坡地形抬升影响下易形成降水,山脉西坡的侵蚀作用比东坡更强烈,如果不考虑内力作用,西坡遭受强烈侵蚀后,山脊线会向东移动,A正确,B错误;东坡为盛行西风背风坡,降水较少,侵蚀作用较弱,CD错误。
所以选A。
3.地貌的演化是内外力共同作用的结果,内力使该地山脉持续隆升,地表起伏增大,地表受流水侵蚀作用增强。
根据材料可知,目前山脉高度持续增加,说明内力作用强度大于外力作用,而未来该山脉高度将趋于稳定,是因为随着山体升高,高差增大,对盛行西风的阻挡加强,降水增多,流水作用逐渐加强,内外力作用趋于平衡,使山脉高度将趋于稳定,故C 正确,ABD错误。
2024届高考地理考法训练:地质构造与地貌典例剖析形成玄武岩的岩浆流动性好,喷出冷凝后,形成平坦的地形单元。
如图6所示,某海拔500米左右的玄武岩台地上,有较多海拔700米左右的玄武岩平顶山,及少量海拔900米左右的玄武岩尖顶山。
调查发现,构成台地、平顶山、尖顶山的玄武岩分别形成于不同喷发时期,且时间越来越古老。
据此完成1-3题。
1.形成玄武岩尖顶山的最初地貌形态是()A.圆锥形火山B.河谷地形C.玄武岩台地 D.玄武岩平顶山2.和平顶山相比,尖顶山海拔更高是因为()A.受侵蚀作用弱B.岩浆喷发量更大C.岩浆喷发时间早D.岩石更坚硬3.仅考虑外力作用,推断该地的地貌即将演化为()A.尖顶山演化为平顶山B.山地被侵蚀为台地C.山地间的台地被填平D.出现更多的山地【答案】1.C 2.B 3.D【解析】1.形成玄武岩的岩浆流动性好,喷出冷凝后,形成平坦的地形单元,即玄武岩台地,台地受侵蚀形成平顶山,继续受侵蚀形成尖顶山,所以形成玄武岩尖顶山的最初地貌形态是玄武岩台地。
故选C。
2.尖顶山处岩浆喷发量更大,所以海拔更高。
和平顶山相比,尖顶山受侵蚀作用更强。
岩浆喷发时早晚与地表形态有关,与山的高度关系不大。
岩石坚硬程度与山的海拔高度无关。
故选B。
3.仅考虑外力作用,台地会被流水侵蚀、切割,起伏加大,面积变小,出现更多的山。
故选D。
考点分析一、褶皱与断层1.常见地质构造对地貌的影响2.主要地质构造的实践意义考法训练读图,完成1-2题。
1.图示地区地质地貌演化的顺序是()A.甲乙丁丙 B.乙丙丁甲 C.丙丁甲乙 D.丁乙丙甲2.甲图中,形成最晚的是()A.①B.②C.③D.④岩层是指两个平行或近于平行的界面所限制的由同一岩性岩石组成的地质体,是沉积圈的基本地层单位和岩性单位,其上下界面称为层面,上为顶面或上层面,下为底面或下层面。
下图为我国南方某地区地质剖面示意图,该地区的地层里有许多鱼类化石。
据此完成3-4题。
高考地理二轮复习专项训练—地质演化过程(含答案解析)下图为希尔绍夫海岭地质构造剖面图,两侧覆盖了中新世以来未变形的沉积岩。
据此完成下面小题。
1.图中地层由老到新排列顺序正确的是()A.②①④⑤③B.②①③④⑤C.③④⑤②①D.③②①④⑤2.希尔绍夫海岭()A.形成年代晚于中新世B.洋壳断裂抬升形成C.两侧沉积岩厚度一致D.呈东南—西北走向四川西部地质构造复杂,断裂发育且规模巨大。
图a为四川西南某地地质剖面图,图b为地壳物质循环简图。
据此完成下面小题。
图a图b3.①处岩石类型对应图b中的()A.甲B.乙C.丙D.丁4.影响当地地表起伏的主要因素是()A.风蚀与水蚀B.断层与岩性C.向斜与背斜D.地堑与地垒5.该地经历的地质作用过程最可能是()A.外力作用→岩浆活动→变质作用→地壳运动→外力作用B.地壳运动→外力作用→岩浆活动→变质作用→地壳运动C.外力作用→地壳运动→外力作用→岩浆活动→变质作用D.岩浆活动→外力作用→地壳运动→变质作用→外力作用岩层的空间方位通常用倾角和倾向来描述。
下图中50°表示岩层与水平面成50°夹角且向东倾斜。
读图,完成下面小题。
6.AB 沿线的地形地质剖面图是()A BC D7.下列描述正确的是()A.甲地以垂直运动为主B.乙地以水平扩张为主C.甲地是良好的储油构造D.乙地适宜开垦为梯田乌鲁木齐河发源于天山主脉某冰川,某河段因河流下切侵蚀山前冲积扇从而在河流东西两岸发育了多级河流阶地。
下图示意该河段地质构造剖面及阶地分布。
读图,完成下面小题。
8.与阶地T2相比,阶地T4()①形成年代更晚②形成时地壳稳定时间更长③地表沟壑更多④形成时地壳抬升时间更长A.①②B.①④C.②③D.③④9.T5、T7处阶地面上的黄土或黄土状沉积物可能来自于()A.基岩风化B.山地崩塌C.流水沉积D.风力堆积岩层和地质构造是地壳运动的证据。
如果两组岩层之间出现沉积间断或地层缺失,则称为地层不连续。
2022届新高考地理第一轮复习强化训练地质剖面图的判读一、选择题下图为“某地区地质剖面图”。
据此完成1~3题。
1.地质历史时期,图示区域曾经是( )A.高原地形,沉积物深厚B.由海变陆,海岸线进退频繁C.浅海环境,气候温暖湿润D.位于大陆中心,泥沙来源丰富2.图示地区曾经发生过地壳运动,其判断依据是( )A.花岗岩侵入地壳的上部B.上覆沉积物形成较晚C.各种岩石沉积厚薄不一D.岩层倾斜、断裂错位3.图示岩石的形成年代,由老到新的排序是( )A.①②③④ B.②③④①C.③④①② D.①③④②答案 1.C 2.D 3.B解析:第1题,图中③为石灰岩,而石灰岩形成于温暖广阔的浅海环境,C对,D错;高原地形因地势高,不利于接纳沉积物,A错;图中岩层信息中不能表明当地海岸线进退频繁,B错。
第2题,花岗岩侵入地壳的上部属于岩浆活动,A错;上覆岩层形成较晚,指的是岩石形成的年代,B错;各种岩石沉积厚薄不一,与地形、地势和泥沙来源等因素有很大关系,不一定是地壳运动的结果,C错;地壳运动会引起岩层的弯曲变形和断裂错位,图中②附近岩层出现不连续断裂错位的现象,图中沉积岩层发生了明显的倾斜,由此证明图示地区曾经有地壳运动的发生,选D。
第3题,图中②③④三个沉积岩层中,②位于最下,应最先形成,岩石最老,从老到新排列顺序是②③④。
图中①岩石为花岗岩,该侵入岩侵入到②③④岩层中,说明该岩石形成于④岩层之后。
选B。
下图为“某地区地质构造示意图”。
读图,完成4~5题。
4.图中( )A.断层①形成时间早于岩层⑥B.岩层②断裂之后相对下降C.形成③④的内力作用不同D.⑤处物质主要来源于地壳5.图中区域( )A.a处适宜开凿隧道可防水渗漏B.b处的花岗岩可用作优质石材C.c处有河流流经,适宜建坝蓄水D.d区地质构造具有良好储水条件答案 4.C 5.A解析:第4题,从图中看,岩层⑥被断层①切断,故断层①形成时间晚于岩层⑥,A错。
从图中的断裂处看,岩层②断裂之后左侧相对上升,右侧相对下降,B错。
高考地理《构造地貌的形成》练习题含答案选择题[2023·北京高三一模]下图为学生绘制的某区域地质剖面示意图。
读图,完成1~2题。
1.图中()A.甲为背斜山B.乙断层形成早于褶皱C.丙为火山岛D.丁由板块碰撞形成2.图中①岩石()A.经冷却凝固形成B.为沉积岩C.由变质作用形成D.有气孔[2022·6月浙江卷,11~12]下图为世界局部图。
据此完成3~4题。
3.图中海沟的成因是()A.欧亚板块张裂B.美洲板块抬升C.太平洋板块张裂D.太平洋板块俯冲4.与海沟相伴的宏观地形有()①海岭②裂谷③山脉④岛弧A.①②B.②③C.③④D.①④[2023·浙江高三一模]太平洋板块的最显著特征之一是广泛发育海山链(海底山脉)或孤立海山(即图中洋底火山)。
1963年,地质学家约翰·威尔逊为夏威夷—天皇海山链的起源提出假说,认为它们是在太平洋板块漂移时,由一个静止不动的火山活动热点顺次形成的。
下图为太平洋夏威夷—皇帝海山链位置及火山年龄分布图(1Ma:1百万年)。
据此完成5~6题。
5.根据图中信息判断,近3 000万年,该区域太平洋板块主体的移动方向是()A.西南方向B.西北方向C.东北方向D.东南方向6.根据该假说,以下推测,最可信的是()A.8 000万年前,板块俯冲形成阿留申海沟B.4 700万年前,太平洋板块移动方向改变C.夏威夷岛链是太平洋大洋地壳诞生处D.皇帝海山链表层岩石组成多为花岗岩[2023·浙江宁波市高三二模]珠峰大本营是指观看珠峰核心区环境而设立的生活地带。
下图是通往珠峰大本营的一段公路,该公路由多段大致平行的弯道连接,形成连续的“之”字形路段,弯道弯曲度较大。
据此完成7~8题。
7.该公路修建成“之”字形的目的是()A.降低爬坡难度B.缩短道路长度C.减少工程投资D.避开落石地段8.甲路段,与上行线相比,下行线()A.路面坡度更大B.观光视野更好C.道路维护较易D.阳光照射较弱参考答案:1.D甲处为向斜成山,向斜槽部受到挤压,岩性坚硬,不易被侵蚀,形成山地,A错误;弯曲的岩层发生了断裂错动,说明乙断层形成晚于褶皱,B错误;丙处和陆地连为一体,是大陆岛,大洋板块向大陆板块俯冲,大陆板块被挤压抬升,再加上海峡处断裂下陷,形成岛屿,C错误;丁位于大洋板块和大陆板块的消亡边界,板块碰撞挤压,大洋板块向大陆板块俯冲形成沟状地貌,即海沟,D正确。
图表解读专项练二地质剖面图的判读(20分钟50分)一、选择题(每小题4分,共32分)(2020·华中师大附中模拟)下图示意某地垂直于构造线(区域性构造在地面上的延伸线,如大的断层线等)方向所作的地质剖面,图中数字为岩层编号。
读图完成1~3题。
1.图中a、b、c三处( )A.a、c两处地质构造线都呈东南—西北走向B.a处背斜岩层受到水平挤压成山C.b处附近多泉水出露,不宜建设大坝D.c处向斜上覆岩层受外力侵蚀成谷2.⑥可能是( )A.喷出岩B.变质岩C.沉积岩D.侵入岩3.图中地质构造的形成过程中,最早发生的地质作用是( )A.岩浆侵入B.断层C.沉积作用D.褶皱隆起【解析】1选C,2选B,3选C。
第1题,b处位于断层附近,为地下水出露地带,岩层不稳,不宜筑坝;a处岩层中间新两翼老,为向斜构造;c处岩层中间老两翼新,为背斜构造,a、c两处地质构造线垂直于图示剖面方向,故呈东北—西南走向。
a处是向斜槽部,受挤压变得坚硬,难以被侵蚀,形成山岭。
c处为背斜顶部,因受X力岩石破碎,易被侵蚀成谷。
第2题,⑥位于侵入岩和沉积岩接触带,是沉积岩在岩浆侵入过程中受高温高压变质而成的。
第3题,图示地区的地质作用过程是沉积作用→水平挤压→褶皱隆起→岩浆侵入→侵入接触带岩石变质作用→断层。
(2020·某某八校联考)地层接触关系是指新老地层或岩石在空间上的相互叠置状态,常见的接触关系有:整合接触、不整合接触。
整合接触是指上、下地层之间没有发生过长时间沉积中断或地层缺失;不整合接触是指上、下地层间的层序发生间断。
下图为某地地层分布俯视图。
据此回答4~6题。
4.图示河流东岸地层接触关系及运动情况是( )A.整合接触,先上升后下降B.整合接触,先下降后上升C.不整合接触,先上升后下降D.不整合接触,先下降后上升5.地层T3、T4、T5年龄大小排序最可能为( )A.T3>T4>T5B.T4>T3>T5C.T3>T5>T4D.T5>T4>T36.若地层年龄T3>T2>T1,则该地有可能是( )A.向斜谷B.背斜山C.背斜谷D.向斜山【解析】4选D,5选A,6选A。
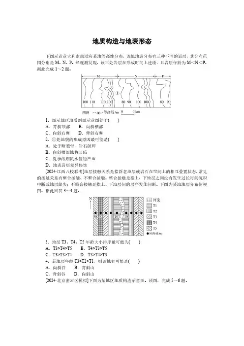
地质构造与地表形态下图示意意大利南部沿海某地等高线分布,该地地表分布有三种不同的岩层,其分布范围分别是M、N、P。
经观测发现,该三处岩层在形成时间上连续,且岩层年龄为M<N<P。
据此完成1~2题。
1.图示地区地质剖面示意图处于()A.背斜顶部B.向斜槽部C.向斜右翼D.背斜右翼2.①处地貌的形成原因最可能是()A.处于断裂带,岩石破碎B.向斜槽部地势凹陷C.夏季汛期流水侵蚀严重D.地表岩层差异侵蚀[2024·江西八校联考]地层接触关系是指新老地层或岩石在空间上的相互叠置状态,常见的接触关系有整合接触、不整合接触。
整合接触是指上、下地层之间没有发生过长时间沉积中断或地层缺失;不整合接触是指上、下地层间的层序发生间断。
下图为某地地层分布俯视图。
据此回答3~4题。
3.地层T3、T4、T5年龄大小排序最可能为()A.T3>T4>T5B.T4>T3>T5C.T3>T5>T4D.T5>T4>T34.若地层年龄T3>T2>T1,则该地有可能是()A.向斜谷B.背斜山C.背斜谷D.向斜山[2024·北京密云区模拟]下图为某地区地质构造示意图。
读图,完成5~6题。
5.图中()A.断层①形成时间早于岩层⑥B.岩层②断裂之后相对下降C.形成岩层③④的内力作用不同D.⑤处物质主要来源于地壳6.下列关于图中区域的说法正确的是()A.a处适宜开凿隧道B.b处的花岗岩可用作优质石材C.c处有河流流经,适宜建坝蓄水D.d处地质构造具有良好的储水条件地球内、外力作用共同塑造和改造着地表形态,其相对强弱制约着地貌的发展方向。
实地调查研究表明,下图剖面所在地区的地貌形成演化过程中,内力作用明显强于外力作用。
据此完成7~8题。
7.该构造区富含油气资源,甲、乙、丙、丁中最有利的钻探部位是()A.甲B.乙C.丙D.丁8.推测丁处山体高耸的原因是()①丁处所在岩层断裂上升,地势较高②丁为背斜构造,岩层不易被风化侵蚀③内力作用占主导,外力作用较微弱④丁处岩石的性质与其他地方不同A.①②B.①③C.③④D.②③1~2.解析:第1题,岩层年龄为M<N<P,右侧岩层老,左侧岩层新,结合背斜、向斜岩层弯曲特点,可以判断地质剖面示意图位于向斜右翼或背斜左翼,故C正确。
读图专项练(四) 地质剖面图的判读[2023·山东菏泽模拟]下图示意我国某地区地质剖面。
据此完成1~3题。
1.造成图中岩层弯曲变形的主要地质作用是( )A.岩浆活动 B.变质作用C.地壳运动 D.外力作用2.下列关于图中①②两处地质构造及地貌的叙述,正确的是( )A.①处位于向斜顶部,岩层受张力作用,被侵蚀成谷地B.②处位于背斜槽部,岩层受挤压,不易被侵蚀,形成山岭C.①处地质构造为背斜,岩层中间新、两翼老D.②处地质构造为向斜,岩层中间新、两翼老3.若在该地区修建一条隧道,则应选择的隧道位置与走向正确的是( )A.M处东西方向 B.M处南北方向C.N处南北方向 D.N处东西方向[2023·浙江杭州模拟]下图为某地地形剖面图。
据此完成4~5题。
4.由图可知,图中区域的形成顺序由早到晚排列可能正确的是( )A.ABDC B.CABD C.ACBD D.ADBC5.结合材料,下列说法正确的是( )①甲处海拔较高,应为断块山②断层处可能会形成泉水③B岩层周围可能发现变质岩④河流流向为自西向东流A.①②B.②③ C.①④D.③④读某地地质构造示意图,回答6~7题。
6.下列关于图示①②③处的叙述,正确的是( )A.①处属于向斜构造,适宜建设隧道B.②处岩石坚硬,地壳稳定C.③处属于背斜构造,在内力作用下可以形成山谷D.①处的岩层可能含有丰富的地下水7.下列关于图中地理事件发生顺序的判断,正确的是( )A.③处侵蚀晚于②处构造的出现B.①处和③处构造同时形成C.②处构造形成早于④处岩层D.②处构造形成早于①处构造[2023·湖南五市十校模拟]大多数地质学家认为油气是地质时期有机物通过漫长的沉积压缩和加热后逐渐形成的,形成之后会渗透到附近的岩层中,在良好的储油气构造中形成油气矿藏地。
位于东非大裂谷的来湖盆地层下层以湖泊相夹砂岩泥页岩为主,是油气生成的主要岩石,上层为三角洲相砂岩和湖泊相泥页岩互层分布。
2025届高考地理一轮复习:地形变化的原因专题练习题汇编一、单选题和田玉是白云岩在岩浆侵入后经过一系列的变质作用形成的。
下图为某区域地质剖面图,O—K为沉积岩。
据此完成下面小题。
1.图示可能找到和田玉的区域是( )A.①B.②C.③D.④2.④处的新老地层形成期间,该地( )A.发生过地壳抬升、地面侵蚀、地壳下沉B.未发生过地面侵蚀,但有过沉积间断C.地壳稳定下沉,沉积从未间断D.发生过褶皱运动,但无地壳升降运动下图为某地区地质剖面示意图。
读图,完成下面小题。
3.图中( )A.甲处的物质来源于地壳B.乙处构造由变质作用形成C.丙处岩层含有大量化石D.丁处的构造地貌为背斜谷4.图中地质现象发生的先后顺序是( )A.褶皱—岩浆侵入—断裂—岩浆喷出B.褶皱—断裂—岩浆侵入—岩浆喷出C.岩浆侵入—褶皱—断裂—岩浆喷出D.断裂—褶皱—岩浆喷出—岩浆侵入青田石主要产于浙江青田县,是由中酸性火山岩在漫长地质时期,经部分或全部脱硅、去杂质、物质成分重新组合等过程而形成,是中国篆刻印材主角,是我国传统的“四大印章石之一”,青田石质地坚实细密,温润凝腻,色彩丰富,花纹奇特,易于篆刻。
下图为岩石圈物质循环示意图。
据此完成下面小题。
5.青田石属于图中的( )A.甲B.乙C.丙D.丁6.关于图中的描述,正确的是( )A.甲类岩石具有明显的气孔构造B.乙类岩石代表性岩石是花岗岩C.丙类岩石中可能含有化石D.丁类岩石中可能埋藏石油夏威夷群岛位于太平洋中部,持续不断的火山喷发和板块移动造就了今天的夏威夷群岛,其东南部的普纳鲁黑色沙滩,是夏威夷岛最著名的景点之一。
图是夏威夷群岛的岩石年龄分布图。
完成下面小题。
7.该区域板块的运动方向为( )A.自西北向东南B.自东北向西南C.自东南向西北D.自西南向东北8.夏威夷岛火山喷发出的火山灰主要飘向( )A.东南方向B.西南方向C.东北方向D.西北方向9.关于夏威夷普纳鲁黑色沙滩的形成过程正确的是( )A.岩浆喷出——海水侵蚀——海水堆积B.海水侵蚀——岩浆喷出——海水堆积C.岩浆喷出——海水堆积——海水侵蚀D.海水侵蚀——海水堆积——岩浆喷出地球表面的风、流水、冰川、生物等也可以引起地表形态的变化,它们被统称为外力作用。
通用版2023届高考地理一轮复习夯基固本练专题:山地的形成1.读某地区地质构造剖面示意图,完成下面小题。
(1)若该地区石油资源丰富,则甲、乙、丙、丁四处最易找到石油的是()A.甲处B.乙处C.丙处D.丁处(2)下列有关图示地区的说法,正确的是()A.该地区表层岩石都为沉积岩B.②处岩石年龄较①处岩石老C.断层形成于褶皱运动之前D.①所在岩层易出现地下暗河2.下图为某地区地质构造示意图,数字序号代表不同岩层。
读图,据此完成下面小题。
(1)下列有关图中地质作用的说法,正确的是()A.断层E形成时间早于岩层⑤B.形成②③的内力作用相同C.①受堆积作用形成山地D.岩层④断裂且发生明显位移(2)下列有关图中地质构造对生产实践的意义,正确的是()A.a地的地质构造具有良好的储油、储气条件B.b地的花岗岩可用作优质石材C.c地适宜建坝蓄水,开发河流水能D.d地有丰富的地表水可供开发3.下图为某地质剖面示意图。
在外力长期作用下,该地出现地形倒置现象。
读图,据此完成下面小题。
(1)图中地层最新的是()A.甲B.乙C.丙D.丁(2)图中()A.①地易发现油气资源B.②地受侵蚀作用明显C.③地隆起由向斜形成D.褶皱与断层同时发生4.图为某地区地质构造示意图。
据此完成下题。
(1)图中()A.断层①形成时间早于地层②B.形成③④的内力作用相同C.⑤受到挤压后隆起形成山地D.岩层⑥因地壳运动而倾斜(2)图中a、b、c、d ()A.a地质构造具有储油气的条件B.b处的岩石致密坚硬C.c处有河流流经,宜建坝蓄水D.d处地貌为角峰冰斗5.中国台湾省以东约12千米波涛汹涌的西太平洋上,有一座酷似乌龟的小岛,被人们称为龟山岛。
岛屿西部有一条由安山岩和砾石所组成的条带向西北伸出,酷似“龟尾”,会随季节发生摆动。
岛屿东南部的山峰上有时还会冒出一股烟雾,直到半空才消散,远远望去,好像“乌龟”头部在冒烟。
岛上有多处硫黄及海底热泉。
如图示意龟山岛区位。
地质构造图的判读后典例在线下图为某地区地质构造示意图。
读图回答1—2题。
abedI I «11.图中A.断层①形成时间早于地层②C.⑤受到挤压后隆起形成山地2.图中区域A.a处地质构造具有良好储水条件C. c处有河流流经,适宜建坝蓄水B.形成③④的内力作用相同D.岩层⑥断裂之后相对下降B.b处的花岗岩可用作优质石材D. d区的石灰岩形成喀斯特地貌【参考答案】1 . D 2 . D【禅弹强析】L根据国于信息,断息①与亢叶目电于电后②;悠或③④的内力作见分别是变质作更和滑第活动;⑤是岩浆喷发彩成的山地:岩芯⑥是断裂之后相对下海的部分工L a处为背斜,具有艮好询油条件;匕虻为啧山岩,高孔;圄,不是住瞠石材:c处宥河流流经,但处于断层任里,不适宜建填裔水;d 区的石灰岩广右,可以电成本航林地貌.三知识必备地质构造与地质构造图丽;加;而]龈而潇露“蕊;”上照」由里」;疆融犒1.常见的地质构造褶皱断层背斜向斜从形态上 石层般向上拱起岩层一般1可卜弯曲岩层受力断裂并沿断裂面后明显的相对位移从岩层 的新老 关系上中心部分岩层较老,两翼岩层较新中心部分岩层较新,两翼岩层较老图示A1疗科门房①一:㈤瞌新到老2.地质构造对地表形态的影响地质 构造 褶皱断层背斜 向斜未侵蚀地貌常形成山岭 常形成谷地或盆地大断层,常形成裂谷或陡崖,如 东非大裂谷。
断层侧相对上升 的岩体,常成为块状山或高地, 如华山、庐山、泰山;另一侧相 对下降的岩体,常形成谷地或低 地,侵蚀后地貌背斜顶部受张力,常被侵蚀成谷地向斜槽部受挤压,不易 被侵蚀,常形成山岭.显的维梅「位,如 :修④-察列法箱的背斜和向斜「披状空商):- 构成格情 :山*h 地&向: 上四届 :77^1.……⑤i谷他:地卷向 下有明:他就足丽G 百友成品尼忌: ........ 二项…/ 6 JF ■■ ■ V _H f ■. ——■■■■=" -地质构造与构造地貌示意图■览主型曲r3.研究地质构造的实践意义地质构造在工程选址、找水、找矿等方面具有重要的实践意义,可通过下图进行理解。
高考地理专题练习——地质构造图一、单项选择题读地质剖面图,完成1—5题1.最有可能有泉水出露的位置是:A.①B. ②C.③D.④2.图中形成年代最晚的是:A.岩层B.向斜C.背斜D.断层读图7,回答23—25题。
3.甲、乙两地都是河流的同一作用形成,乙地最适合发展A .种植业B .林业C .牧业D .渔业4.正常情况下,丙处地质构造应为A .断层B .背斜C .向斜D .地垒5.下列结论不可能的是A .乙地地貌一般分布在河流中下游地区B .沿河道可找到丰富的地下水C .河流的走向受到了地质构造的影响D .乙地地势高于甲地右图为某地质构造示意图,读图回答6—8题:6、图中岩层,最晚形成的是A 、①②B 、②③C 、①⑤D 、④⑥7、如果④是石灰岩,则⑤为A 、花岗岩B 、砂岩C 、大理岩D 、板岩8、岩石①在地表的部分常具有的特征是A 、含有生物化石B 、有较多的气孔C 、有方解石组成D 、有明显的层理读图9,完成9~10题。
9.图中代号所对应的地质构造正确的是A .①是背斜,④是地垒B .①是地堑,③是地垒C .②是断层,④是地堑D .①是向斜,③是背斜10.若甲、乙两处都有地下水,有关叙述正确的是A . 按埋藏条件,甲处为承压水B . 甲处地下水运动可能由低处向高处渗流C . 乙处的直接补给水源是大气降水D . 水量较稳定、水质较好的是乙处图—2是某处地层未曾倒置的地质剖面图,其中①—④代表所在地层的成岩作用。
回答11—13题。
11、下列关于该地地质事件发生的先后顺序,最正确是A ①③A .甲乙丙B .甲丙乙C .乙丙甲D .丙乙甲12、侵入丙的岩脉应为何种岩石BA .沉积岩B .岩浆岩C .变质岩D .资料不足,无法判读。
13、图中⑤处岩石发生了变质,形成的岩石最有可能是BA .石灰岩B .大理岩C .花岗岩D .玄武岩在地质年代较老的褶皱构造地区常出现背斜成谷、向斜成山的“地形倒置”现象。
高考地理复习地质剖面图的判读同步训练题下图为某河谷地质、地貌剖面图,图中地层年代由①到③变老。
图中阶地(用T表示,数字下标表示阶地的级数)指由河流作用形成的高出洪水位的阶梯状地貌。
此河段阶地主要由于地壳抬升形成。
完成1~2题。
1.对河谷处的地质构造类型和两侧地壳抬升幅度的判断,正确的是( )A.向斜东侧大B.背斜东侧小C.向斜西侧大D.背斜西侧小2.矿产调查发现,在此河段的河床沙中有某种贵重金属矿产,但由于河水深不易开采。
图中所示地点可能找到这种贵重金属矿物的是 ( )A.甲B.乙C.丙D.丁[解析] 1.C 2.B 第1题,本题主要考查地质构造的判断。
材料提示图中地层年代由①到③变老,图中显示从谷底向东、西两侧地层由新变老,即中间新、两翼老,可判断河谷处地质构造为向斜。
由于此河段阶地主要由地壳抬升形成,河谷西侧阶地较东侧阶地陡,且同一阶地(如T2)西侧分布海拔高,所以西侧地壳抬升幅度大。
第2题,本题主要考查流水的沉积作用。
该种贵重金属矿物主要分布在河床沙中,河床泥沙是由流水沉积作用形成的。
图示四地中乙地所在阶地面积最大,沙、卵石的沉积厚度大,因此最有可能找到这种贵重金属矿物。
下图为某地区地质剖面示意图。
读图完成3~4题。
3.有关该地区岩层形成顺序的判断,正确的是( )A.甲在乙之前形成B.丙形成时间最早C.丁形成时间最晚D.戊在乙之前形成4.①②两地 ( )A.所处地质构造相同B.可能蕴藏丰富的油气资源C.岩层破碎程度相似D.目前主要受外力作用影响[解析] 3.C 4.D 第3题,读图知,甲和乙岩层均在戊岩层下面,形成年代较戊岩层的早,但甲、乙两岩层的形成年代早晚不能确定。
同理,不能确定丙岩层形成在甲岩层之前还是之后。
图中丁岩层位于所有岩层最上层,形成年代最晚。
戊在乙上面,戊岩层形成年代较晚。
第4题,读图可知,①地岩层发生断裂,地质构造为断层;②地岩层中间向下凹陷,为向斜构造。
油气资源主要分布在背斜地区,①②两地分别为断层和向斜构造,不会存储油气。
地质构造与地貌(2023·江西省部分学校联考)如图是“湖南省境内的一处背斜地质剖面示意图”,背斜形成后长期遭受外力侵蚀。
据此完成1~3题。
1.影响该背斜的外力,作用最强的季节是()A.春季B.夏季C.秋季D.冬季2.组成图示沉积岩的沉积物,形成时间()A.①②相同B.③④相同C.①先于②D.④先于③3.②③两地的形成是因为其遭受到的侵蚀程度不同,②地比③地()A.受到的侵蚀力更强B.受到的侵蚀力更弱C.地层的抗蚀力更强D.地层的抗蚀力更弱(2024·山东济南模拟)某校地理研究性学习小组到我国东南沿海某地区进行野外地质考察,下图为该小组学生绘制的“该地区地质剖面示意图”。
读图,回答4~6题。
4.该地区经历的地质过程依次是()A.岩浆侵入—岩层弯曲—岩层断裂B.岩浆侵入—岩层断裂—岩层弯曲C.岩层弯曲—岩浆侵入—岩层断裂D.岩层断裂—岩层弯曲—岩浆侵入5.图中()A.甲处的地质构造为向斜B.乙处适合修建大型水坝C.丙处易发现地下水资源D.丁处河流左岸侵蚀明显6.图中()A.①处可能找到化石B.②处易形成喀斯特地貌C.③岩层比②岩层老D.④处的物质来自地幔(2023·浙江杭州模拟)秦岭山地是古老的褶皱断层山地。
北秦岭早在4亿年前就已上升为陆地,遭受剥蚀,山脉主脊偏于北侧,河流深切,形成许多峡谷。
南秦岭却淹于海水中,接受沉积,而后南秦岭隆起,露出海面。
下图示意秦岭地质历史时期构造。
完成7~8题。
7.秦岭的主要成因是()A.华北板块向扬子板块俯冲,地壳隆起B.扬子板块断裂下陷,南秦岭形成地垒C.位于板块张裂地带,海底火山灰堆积D.陆地多河流发育,泥沙在半深海沉积8.图示地质历史时期,与南秦岭相比,北秦岭()A.煤炭资源更丰富B.植被种类更少C.岩层中化石更多D.山坡短且陡峭9.(2023·广东五地模拟)阅读图文资料,完成下列要求。
(18分)盐岩的流动性和塑性较其他岩石更强,且密度相对较低。
高考地理复习地质作用与地质构造同步训练题图3为某水平面上不同岩层分布示意图(a→h代表的地层由老到新)。
读图,完成1~2题。
图31.图示区域地质构造是 ( )A.背斜B.向斜C.褶皱D.断层2.图4中①~④四幅地质剖面图,与甲—乙线状况相符的是 ( )图4A.①B.②C.③D.④[解析] 1.C 2.B 第1题,由图示信息知,该区域岩层发生了连续的弯曲变形,形成褶皱构造。
第2题,甲处水平方向上岩层中间老、两翼新,为背斜,且背斜岩层弯曲最大处非常接近甲地;乙处水平方向上岩层中间新、两翼老,为向斜。
据此判断正确选项。
图5为某地区地质剖面示意图。
读图,完成3~4题。
图53.有关该地岩层形成顺序的判断,正确的是( )A.甲在乙之前形成B.丙形成时间最早C.丁形成时间最晚D.戊在乙之前形成4.①②两地( )A.所处地质构造相同B.可能蕴藏丰富的油气资源C.岩石破碎程度相似D.目前主要受外力作用影响[解析] 3.C 4.D 第3题,读图知,岩层由老到新:丙、乙、戊、丁,甲、戊、丁。
未知岩层早晚:甲在丙、乙之前,还是之后,因两组岩层无相接处,无法判断。
第4题,读图可知,②处是向斜,①处不是,A错;向斜不是储油气构造,B错;向斜岩石不易破碎,①处岩石破碎,C错;①②出露地表,目前以外力作用为主,D对。
暑期某地质考察队对江南丘陵一区域进行考察。
在图6中a—d沿线考察时发现,a、d两处岩石相同,年代较新;b、c两处岩石相同,但年代较老。
据此,回答5~6题。
图65.考察队在考察期间,图中最佳的宿营地是( )A.①B.②C.③D.④6.下列能正确表示a—d沿线地质剖面的是( )A BC D图7[解析] 5.B 6.D 第5题,最佳的宿营地是地形开阔、坡度适宜的地方,所以B 正确。
第6题,在a—d沿线考察时发现,a、d两处岩石相同,年代较新;b、c两处岩石相同,但年代较老,为背斜。
b、c、d海拔依次为250米、200米、350米,a 海拔300~350米。
2009年高考地理复习 地质构造图专题练习一、单项选择题读地质剖面图,完成1—5题 1. 最有可能有泉水出露的位置是: A. ① B. ② C. ③ D. ④ 2.图中形成年代最晚的是:A.岩层B.向斜C.背斜D.断层 读图7,回答23—25题。
3.甲、乙两地都是河流的同一作用形成,乙地最适合发展 A .种植业 B .林业 C .牧业 D .渔业 4.正常情况下,丙处地质构造应为A .断层B .背斜C .向斜D .地垒 5.下列结论不可能的是A .乙地地貌一般分布在河流中下游地区B .沿河道可找到丰富的地下水C .河流的走向受到了地质构造的影响D .乙地地势高于甲地右图为某地质构造示意图,读图回答6—8题: 6、图中岩层,最晚形成的是A 、①②B 、②③C 、①⑤D 、④⑥ 7、如果④是石灰岩,则⑤为A 、花岗岩B 、砂岩C 、大理岩D 、板岩 8、岩石①在地表的部分常具有的特征是 A 、含有生物化石 B 、有较多的气孔 C 、有方解石组成 D 、有明显的层理 读图9,完成9~10题。
9.图中代号所对应的地质构造正确的是A .①是背斜,④是地垒B .①是地堑,③是地垒C .②是断层,④是地堑D .①是向斜,③是背斜 10.若甲、乙两处都有地下水,有关叙述正确的是 A . 按埋藏条件,甲处为承压水B . 甲处地下水运动可能由低处向高处渗流①④③C.乙处的直接补给水源是大气降水D.水量较稳定、水质较好的是乙处图—2是某处地层未曾倒置的地质剖面图,其中①—④代表所在地层的成岩作用。
回答11—13题。
11、下列关于该地地质事件发生的先后顺序,最正确是AA.甲乙丙B.甲丙乙C.乙丙甲D.丙乙甲12、侵入丙的岩脉应为何种岩石BA.沉积岩B.岩浆岩图2C.变质岩D.资料不足,无法判读。
13、图中⑤处岩石发生了变质,形成的岩石最有可能是BA.石灰岩B.大理岩C.花岗岩D.玄武岩在地质年代较老的褶皱构造地区常出现背斜成谷、向斜成山的“地形倒置”现象。
下图为地形倒置形成过程示意图,读图完成14-15题。
14.按地形倒置形成的时间顺序,下列排序正确的是A.①②③④ B.①④②③ C.③②④① D.①④③②15.下列叙述正确的是A.图中地形是内外力综合作用的结果B.岩层弯曲变形越强烈越不利于地形倒置的形成C.岩层的抗风化能力越低越不利于地形倒置的形成D.背斜顶部受挤压作用,物质坚实,不易被侵蚀读“地质构造图”,分析回答16—17题。
16.下列有关甲处的说法,正确的有A.甲村可能面临的地质灾害是滑坡和火山B.在甲村地层中能找到大理石矿床C.甲村可能有温泉D.甲村的地层中不能找到化石17.下列地点中可能依次钻探到石油和承压水的是A.A和B处B.B和A处C.甲和B处D.A和甲处18.我国庐山的地质构造属于下图中的.①B.②C.③D.④读图,回答19~21题。
19.图中山岭是A.因槽部坚实抗侵蚀而成的向斜山B.因顶部坚实抗侵蚀而成的背斜山C.沿顶部裂隙侵蚀而成的向斜山D.沿槽部裂隙侵蚀而成的背斜山20.图中E处的井属于A.潜水井B.自流井C.承压井D.枯井21.若图中的隔水层由页岩组成。
按成因分类,下列岩石中与页岩属于同一类型的是A.花岗岩B.大理岩C.石灰岩D.玄武,岩读下图,回答22—23题。
22.图中甲山地的地质构造属于A.背斜构造B.向斜构造C.断层构造D.板块构造23.图中乙处河谷的形成的主要原因是A.流水侵蚀作用 B.风力侵蚀作用 C.流水沉积作用 D.风化作用二、双项选择题读地质构造剖面图,分析回答24题。
24、下列叙述可能成立的是A.假设C处是休眠火山,这里可能找到的有用矿物是硫磺B.喜马拉雅山的成因与图中C山的成因相同C.假设D处发生5.4级地震,A、B、C、D相比,感觉最明显的地点可能是AD .假设C 地处我国的华北平原东部,那么C 处可能是泰山 读某地地质剖面图,据此回答25—27题。
25.关于图示各处物质的判断,正确的是A .①一沉积岩B .②一喷出岩C .④一变质岩D .⑤一岩浆26.图中各种岩石和岩浆之间的转换过程能正确反映地壳物质循环的是 A .③→②→④→③ B .③→⑤→①→④→③ C .③→①→④→③ D .②→④→①→⑤27.从地质构造和埋藏条件看,下列各处可能形成 的相应矿床是A .①一天然气B .②一煤炭C .④一大理石D .②一石油读等温线及地质剖面图(图2—6),回答28~30题。
28.Q 处的地下水 A.属于潜水 B.属于承压水 C.一旦遭受污染很难恢复 D.循环周期短29.该处的地形及地质构造是 A.山地 B.盆地 C.背斜D.向斜30.该岩层的沉积先后顺序是 A.中心先沉积,两边后沉积 B.两边先沉积,中心后沉积 C.上部先沉积,下部后沉积D.下部先沉积,上部后沉积三、综合题31.读图,回答下列问题:(1)图中甲所示的地质构造顶部地层缺失的原因是 。
(2)据探测,该区域埋藏有丰富的石油、天然气资源,适宜开采的地点可能有 、 等。
(3)图中A 、B 、C 三地中,可能分布有锰结核的是 地,渔业资源丰富的是 。
(4)图中所示的水循环是 。
箭头D 表示的环节是 。
(5)沿海国家除 海里的领海外,其管辖海域面积可外延至 海里作为专属经济区。
(6)若全球变暖,海平面将 ,其变暖原因有二:一是 ,二是 。
(1)背斜顶部易受外力的侵蚀作用而形成谷地(2)E A (3)C A (4)海陆间大循环 海水蒸发(5)12 200(6)上升 燃烧矿物燃料向大气排放大量的二氧化碳 毁林,特别是热带森林的破坏,使森林吸收、固定的二氧化碳迅速减少 32.读下图,回答问题。
(1)在图中各横线处加绘箭头,完成 水循环,其中D 、E 分别表示 , 。
(2)甲处的地质构造是 ,其 形成原因是 。
(3)甲处的地表形态(地貌)是 , 其形成原因是 。
(4)如果开采地下水,应选择在 (甲、乙)处。
(5)如想找化石,在a 、b 两处 处可能找到。
(6)甲、乙之间植树造林所起的作用主要是 。
(7)目前,我国正在进行的南水北调工程与哪一个环节关系最密切? 。
(填字母) (8)最能代表我国夏季东南风的环节是 。
(9)水循环的主要地理意义有 。
(10)若此图表示台湾岛的东岸,则海洋处的洋流名称是 ,洋流性质是 。
(11)若此图表示中低纬度的北美大陆东岸,则海洋处的洋流名称是 ,洋流流向是 。
(12)若此图表示中低纬度的南太平洋西岸,则海洋处的洋流名称是 ,洋流流向是 。
⑴逆时针画(全对2分,部分对不给分) D —水汽输送(1分) E —地表径流(1分) ⑵背斜(1分)岩层受到强大的挤压作用中间向上隆起而成(1分) (3)谷地(1分)背斜顶部受张力作用易被侵蚀(1分) (4)乙(1分) (5)b (1分) (6)涵养水源、保持水土(2分) (7)E (1分) (8)D (1分) (9)①维护全球水量平衡,使陆地淡水资源不断更新;②联系四大圈层,并在它们之间进行能量的交换和物质的迁移;③不断图6图7 a海洋塑造着地表的形态;④影响着全球的气候和生态(共3分,答其中三点即可得满分)(10)日本暖流(1分)暖流(1分)(11)墨西哥湾暖流(1分)南→北(1分)(12)东澳大利亚暖流(1分)北→南(1分)33.读下图回答:(1)从图中岩层形态看,A处地质构造为,它是良好的储构造。
从地形上看,A处为,其成因是:a ;b 。
(2)图中所示水循环类型为,在其参与下,①处的岩石可转化为③处的岩石。
(3)从图中看,B处地质构造为,此处容易形成的地质灾害是,这种地质灾害又有可能促使、等地质灾害的发生。
(4)②处地层中常含有丰富的等矿产资源,其上覆水域往往是资源集中分布区。
(5)图中所示的M、N两个专属经济区的范围是正确的。
在专属经济区,该国享有的主权。
.(1)向斜水山岭向斜底部受到挤压、岩性坚硬不易被侵蚀,反而成为山岭断块相对上升(2)海陆间水循环岩浆岩沉积岩地震滑坡泥石流(4)石油、天然气以及煤、硫、磷海洋生物(5)M 勘探、开发、利用、保护、管理海床上覆水域及底土自然资源34.读下图分析回答的依据是。
(2)图中B处在地质构造上为。
如果在此处钻探,能否打出石油? 。
为什么? 。
(3)C处在地质构造上为,如陕西的平原。
(4)D处在地质构造上是,如我国五岳中的。
35.读图,回答:200 300 400 500(m )600(m )新 老(1)该图是我国亚热带地区的一幅地质图,图中所示地质的构造为 ,理由是。
(2)该地区的地形为,形成原因是。
(3)图中甲乙丙三村中,村有可能是旅游胜地,因为这里有地貌,风景优美。
若在此村修建公路,要注意等问题。
(4)如果要寻找化石,只能到 村或村去寻找,原因是。
(5)三个村庄若都发现了矿产,矿产种类是否相同?,原因是。
(1)向斜 中心部分岩层新,两翼岩层老(2分)(2)山地向斜部受到挤压,物质坚实不易被侵蚀(2分)(3)丙喀斯特(岩溶)塌方渗漏(3分)(4)乙 丙 乙丙村岩石为沉积岩,可能有化石;而甲村为岩浆岩,不会有化石(3分) (5)不相同 沉积岩和岩浆形成不同的矿床,前者为外生矿床,后者为内生矿床,所以,矿产也不会相同(2分)36.右下为岩层地质界线和等高线示意图,读图回答: (1)该图,从地貌形态来看,属于 ;从地质构造角度来看属于 。
(2)这种地貌类型的形成与地质构造有什么关系?(1)山脊 向斜 (4分)(2)向斜部位受挤压,岩石坚硬,不易被侵蚀,所以成为山脊(或山)。
(4分)37.甲、乙两地区的地质剖面图,分析下列问题:→北(1)根据甲图信息,可以判断该区域的岩石属于三大类岩石中的 岩,原因是 。
(2)地点3缺失地层B ,其原因可能是 (3)若乙图中C 、D 、E 三处均出现煤层的露头,那么,在A 、B 两处分别打钻井,何处地下能打到煤层? ,原因是 。
(并在乙图上绘图说明)(4) 乙地区要开凿一条东西方向的地下隧道,是在B 地还是在A 地下较为合适? 为什么? (1)沉积岩(2分) 地层中含有化石 (2分)(2)该地区形成B 岩层时,地点3隆起,未曾接受B 地层积物;(2分)地点3原先接受了B 地层沉积物,后因地壳上升被侵蚀了。
(2分)(3)A,根据岩层新老关系,判断A 处为向斜,岩层不缺失.(3分)(4)B 从工程安全性,稳定性,地下水运动考虑,B 处(背斜)地下修建较适宜.背斜处岩层向上拱起,重力作用点在两侧,上部岩层重力不会对隧道安全,稳定产生威胁;同时背斜有利地下水沿岩层两翼向下渗流,不会在隧道内积存.(3分)甲 乙38.读图回答下列问题:(1)图中地质构造是,其中A为,B为。
(2)甲、乙两处的山地都是在(流水、风力)的(侵蚀、沉积)作用下形成的。