钢材见证取样送检委托单a1
- 格式:doc
- 大小:205.50 KB
- 文档页数:15
钢结构原材见证送样委托单委托单位:地址:联系人:联系电话:被委托单位:地址:联系人:联系电话:委托事项:钢结构原材见证送样1. 委托说明根据《建筑物结构设计验收规范》(GB 50224-2018)的要求,为确保钢结构材料质量,委托单位特向被委托单位发出此送样委托单,委托被委托单位进行钢结构原材料的见证取样工作。
2. 见证取样内容委托单位要求被委托单位进行以下钢结构原材料的见证取样工作: - 钢材- 锚栓- 焊材- 螺栓- 钢筋混凝土构件用钢筋- 其他相关材料3. 见证取样要求3.1 见证取样时间和地点被委托单位应根据委托单位提出的要求,在委托开始后5个工作日内确定见证取样的时间和地点,并及时通知委托单位。
3.2 见证人员资质要求被委托单位负责人应组织具备相关资质和经验的见证人员进行见证取样工作,确保见证取样的公正、准确。
3.3 见证取样程序被委托单位应按照相关规范和标准的要求,进行见证取样工作。
见证人员应在取样现场进行监督和确认,确保取样过程的规范和可追溯性。
3.4 取样数量和包装取样数量应符合相关规范和标准的要求,确保样品的代表性。
被委托单位应在取样后妥善包装,防止样品的损坏和污染。
4. 分析检测要求委托单位要求被委托单位对取样的钢结构原材料进行分析检测,确保其符合相应的技术要求和标准规范。
分析检测包括以下项目(不限于):- 化学成分分析- 机械性能测试- 金相组织观察- 表面处理效果检验- 其他相关项目5. 报告要求被委托单位应对分析检测结果进行准确记录,并出具相应的检测报告。
检测报告应包括以下内容:- 委托单位和被委托单位的名称、地址、联系人、联系电话- 检测样品的标识信息- 检测项目和方法- 检测结果和评定- 签发日期和编制单位6. 结束和提交被委托单位完成见证取样和分析检测后,应及时通知委托单位,并按约定的时间提交检测报告和相关样品。
7. 其他事项7.1 委托单位和被委托单位应保持合作,及时沟通,确保委托事项的顺利进行。
电土委托表006、007
钢筋(材)检验/试验委托单
NO:委托单位内蒙古送变电有限责任公司南方分公司
钢筋种类牌号HRB335
强度等级代号级别、外形Ⅱ级螺纹圆钢
生产厂家公称直径
(mm)
Φ16
炉批号
质保书编号
供货单位到货数量60T 进场时间取样地点施工现场取样日期
取样数量(根)拉伸2根弯曲2根其它
备注
见证单位:见证人:
取样人:送样人:委托日期:年月日收件人:接收日期:年月日
土委托表006、007
NO:委托单位内蒙古送变电有限责任公司南方分公司
钢筋种类牌号HPB235
强度等级代号级别、外形I级圆钢
生产厂家公称直径(mm)
Φ8
炉批号
质保书编号
供货单位到货数量60T 进场时间取样地点施工现场取样日期
取样数量(根)拉伸2根弯曲2根其它
备注
见证单位:见证人:
取样人:送样人:委托日期:年月日收件人:接收日期:年月日
NO:委托单位内蒙古送变电有限责任公司南方分公司
钢筋种类牌号HPB235
强度等级代号级别、外形I级圆钢
生产厂家公称直径(mm)
Φ6
炉批号
质保书编号
供货单位到货数量60T 进场时间取样地点施工现场取样日期
取样数量(根)拉伸2根弯曲2根其它
备注
见证单位:见证人:
取样人:送样人:委托日期:年月日收件人:接收日期:年月日。
钢筋送检委托单(总18页) -本页仅作为预览文档封面,使用时请删除本页-见证送检委托单(钢筋物理性能)注:1、此表一式二份,施工单位和检测单位各执一份;见证送检委托单(钢筋物理性能)注:1、此表一式二份,施工单位和检测单位各执一份;委托编号25检测编号委托单位哈尔滨市第二市政工程公司委托日期2014年9月1日工程名称哈尔滨市黄家崴子道路工程施工第三合同标段-宾成铁路公铁立交桥出厂日期2014年5月29日使用部位桩、墩柱品种规格25材料名称钢筋牌号等级HRB400E生产厂家黑龙江建龙钢铁有限公司样品数量7根代表批量炉批(罐)号1Y823项目编号检测项目项目编号检测项目1拉伸62弯曲73849510备注:监理单位全称:黑龙江中铁建设监理有限责任公司取样员联系电话:监理单位(章):见证员(签字/盖章):见证员编号:黑0009委托单位(章):取样员(签字/盖章):取样员编号:黑0232检测单位(章):接样员(签字):见证送检委托单(钢筋物理性能)委托编号25检测编号委托单位哈尔滨市第二市政工程公司委托日期2014年9月1日工程名称哈尔滨市黄家崴子道路工程施工第三合同标段-宾成铁路公铁立交桥出厂日期2014年2月16日使用部位桩基础品种规格28材料名称钢筋牌号等级HRB400E生产厂家西林钢铁集团有限公司样品数量7根代表批量炉批(罐)号4002436项目编号检测项目项目编号检测项目1拉伸62弯曲73849510备注:监理单位全称:黑龙江中铁建设监理有限责任公司取样员联系电话:监理单位(章):见证员(签字/盖章):见证员编号:黑0009委托单位(章):取样员(签字/盖章):取样员编号:黑0232检测单位(章):接样员(签字):日期:注:1、此表一式二份,施工单位和检测单位各执一份;见证送检委托单(钢筋焊接)注:1、此表一式二份,施工单位和检测单位各执一份; 2、“√”为必填项目;3、表格除签字可手写,其余一律机打,不允许涂改;4、焊件的工艺检验加三根原材;5、“代表批量”≤300件。
委托编号:受控编号:GCJK-001见证取样试验委托单
第1页共1页
委托编号:受控编号:GCJK-001见证取样试验委托单
第1页共1页
委托编号:受控编号:GCJK-001见证取样试验委托单
第1页共1页
委托编号:受控编号:GCJK-001
见证取样试验委托单
收样人:委托人:
第1页共1页
见证取样试验委托单
收样人:委托人:
第1页共1页
见证取样试验委托单
收样人:委托人:
第1页共1页
委托编号:受控编号:GCJK-001见证取样试验委托单
收样人:委托人:
第1页共1页
委托编号:受控编号:GCJK-001
见证取样试验委托单
收样人:委托人:
第1页共1页
见证取样试验委托单
收样人:委托人:
第1页共1页
见证取样试验委托单
收样人:委托人:
第1页共1页
委托编号:受控编号:GCJK-001见证取样试验委托单
收样人:委托人:
第1页共1页
委托单
收样人:委托人:
第1页共1页
委托单
收样人:委托人:
第1页共1页
委托编号:受控编号:GCJK-001见证取样试验委托单
收样人:委托人:
第1页共1页
委托编号:受控编号:GCJK-001
见证取样试验委托单
收样人:委托人:
第1页共1页。
钢筋取样委托书
委托人信息
•委托单位:[委托单位名称]
•地址:[地址]
•联系人:[联系人姓名]
•联系方式:[联系方式]
受托单位信息
•受托单位:[受托单位名称]
•地址:[地址]
•联系人:[联系人姓名]
•联系方式:[联系方式]
委托内容
根据双方协商的要求及相关标准,委托人委托受托单位进行钢筋取样工作,具体要求如下: 1. 取样对象:钢筋 2. 取样地点:施工现场 3. 取样数量:根据需要进行取样 4. 取样时间:双方协商确定
委托责任
1.受托单位应按照相关标准和要求进行取样工作,确保取样的准确性和
可靠性。
2.委托人应提供必要的协助和支持,确保取样工作顺利进行。
委托费用
1.取样费用由委托人支付。
2.其他费用根据实际情况另行协商确定。
法律责任
受托单位在取样过程中如发生任何违法违规行为或造成损失的,应承担相应的法律责任。
合同生效
双方签字或盖章后,本委托书生效,自委托单位签署之日起生效。
以上内容经双方确认无误,特此委托。
委托人签名(盖章):___________________ 日期:___________________
受托人签名(盖章):___________________ 日期:___________________。
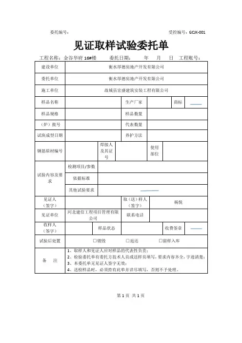
委托编号:受控编号:GCJK-001 见证取样试验委托单工程名称:金谷华府16#楼委托日期:年月日工程账号:第1页共1页委托编号:受控编号:GCJK-001见证取样试验委托单工程名称:金谷华府16#楼委托日期:年月日工程账号:第1页共1页委托编号:受控编号:GCJK-001 见证取样试验委托单工程名称:星河湾花园3#楼委托日期:年月日工程账号:第1页共1页委托编号:受控编号:GCJK-001见证取样试验委托单工程名称:星河湾花园2#楼委托日期:年月日工程账号:收样人:委托人:第1页共1页委托编号:受控编号:GCJK-001 见证取样试验委托单工程名称:星河湾花园3#楼委托日期:年月日工程账号:收样人:委托人:第1页共1页委托编号:受控编号:GCJK-001 见证取样试验委托单工程名称:星河湾花园3#楼委托日期:年月日工程账号:收样人:委托人:第1页共1页委托编号:受控编号:GCJK-001工程名称:星河湾花园26#楼委托日期:2015年10月26日工程账号:收样人:委托人:第1页共1页委托编号:受控编号:GCJK-001工程名称:金谷华府17#楼委托日期:2015年9月8日工程账号:收样人:委托人:第1页共1页委托编号:受控编号:GCJK-001工程名称:星河湾花园27#楼委托日期:2015年7月21日工程账号:收样人:委托人:第1页共1页委托编号:受控编号:GCJK-001 见证取样试验委托单工程名称:明珠7#楼委托日期:2015年8月7日工程账号:收样人:委托人:第1页共1页委托编号:受控编号:GCJK-001 见证取样试验委托单工程名称:金湖宾馆委托日期:2015 年9月8日工程账号:收样人:委托人:第1页共1页委托单工程名称:星河湾花园1#楼委托日期:年月日工程账号:收样人:委托人:第1页共1页委托单工程名称:委托日期:年月日工程账号:收样人:委托人:第1页共1页委托编号:受控编号:GCJK-001 见证取样试验委托单工程名称:星河湾花园3#楼委托日期:2015 年9月18日工程账号:收样人:委托人:第1页共1页委托编号:受控编号:GCJK-001见证取样试验委托单工程名称:星河湾花园#楼委托日期:年月日工程账号:收样人:委托人:第1页共1页。
(砂)注:1、此表一式二份,施工单位和检测单位各执一份;2、“√”为必填项目;3、表格除签字可手写,其余一律机打,不允许涂改。
(灌砂筒)注:1、此表一式二份,施工单位和检测单位各执一份;2、“√”为必填项目;3、表格除签字可手写,其余一律机打,不允许涂改。
(环刀)注:1、此表一式二份,施工单位和检测单位各执一份;2、“√”为必填项目;3、表格除签字可手写,其余一律机打,不允许涂改。
(级配碎石试配)2、“√”为必填项目;3、表格除签字可手写,其余一律机打,不允许涂改;4、委托级配碎石试配前必须先分别委托各原材常规试验;5、样品名称只可填写公称粒径:5-10mm(0.5cm)、10-20mm(1-2cm)、16-31.5mm(1-3cm)、20-40mm(2-4cm)。
(级配碎石)2、“√”为必填项目;3、表格除签字可手写,其余一律机打,不允许涂改;4、委托单位需提供配好的混合料。
(水泥)2、“√”为必填项目;3、表格除签字可手写,其余一律机打,不允许涂改;4、P.O42.5、P.O52.5务必提供合格证复印件;5、“代表批量”:袋装200t,散装500t。
(砂浆配合比)2、“√”为必填项目;3、表格除签字可手写,其余一律机打,不允许涂改;4、含外加剂的务必提供外加剂合格证复印件;5、M15以上(不含M15)强度等级水泥砂浆,水泥强度等级为P.O42.5。
(干拌砂配合比)2、“√”为必填项目;3、表格除签字可手写,其余一律机打,不允许涂改;4、含外加剂的务必提供外加剂合格证复印件。
(砂浆抗压强度)注:1、此表一式二份,施工单位和检测单位各执一份;2、“√”为必填项目;3、表格除签字可手写,其余一律机打,不允许涂改;4、“龄期”:最多不可超过33天,最少不可少于28天;5、样品数量:3块/ 组。
(钢筋物理性能)2、“√”为必填项目;3、表格除签字可手写,其余一律机打,不允许涂改;4、当钢筋原材超过60t时,同一炉批号每增加40t(或不足40t的余数),增加一个弯曲试验试样。
钢材见证取样送检委托单
委托单位盖章:送样人:接样人:接样日期:年月日
砼试块见证取样送检委托单
委托单位盖章:送样人:接样人:接样日期:年月日
砂浆试块见证取样送检委托单
委托单位盖章:送样人:接样人:接样日期:年月日
砂、石见证取样送检委托单
委托单位盖章:送样人:接样人:接样日期:年月日
水泥见证取样送检委托单
委托单位盖章:送样人:接样人:接样日期:年月日
粘土砖、小型砌块见证取样送检委托单
委托单位盖章:送样人:接样人:接样日期年月日
试验委托单
委托单位盖章:送样人:接样人:接样日期年月日
防水材料见证取样送检委托单
委托单位盖章:送样人:接样人:接样日期年月日
钢材焊件见证取样送检委托单
委托单位盖章:送样人:接样人:接样日期年月日
混凝土(砂浆) 配合比试验委托单
委托单位盖章:送样人:接样人:接样日期年月日
外加剂见证取样送检委托单
委托单位盖章:送样人:接样人:接样日期:年月日
沥青砂浆配合比试验委托单
委托单位盖章:送样人:接样人:接样日期2006 年月日
钢筋位置测定委托单
委托单位盖章:检测日期年月日
沥青检验委托单
委托单位盖章:取样日期:年月日
土壤试验委托单
委托单位盖章:委托人: 接样人:取样日期:年月日。