网络摄像机监控系统安装图样分析
- 格式:doc
- 大小:181.72 KB
- 文档页数:10
监控系统连接图监控系统连接图一、引言监控系统连接图用于展示监控摄像头、监控设备等在一个系统中的连接方式。
本文档将详细描述监控系统连接图的编制步骤及相关要点。
二、连接图示例下面是一个监控系统连接图的示例,图中展示了监控摄像头、监控设备、服务器等的连接方式。
(在此处插入连接图示例,并进行详细的标注解释,包括每个设备的名称、连接线路及方式等)三、连接图细化1·监控摄像头连接a)每个监控摄像头应与监控设备或服务器直接相连,可以使用电缆线进行连接。
b)摄像头与监控设备或服务器连接时应确保连接稳定可靠,避免信号干扰或断线等问题。
2·监控设备连接a)监控设备应与服务器进行连接,以实现数据传输和图像显示等功能。
b)连接方式可以使用网线或无线传输等方式,具体根据系统需求和设备规格确定。
3·服务器连接a)服务器是监控系统的核心部分,需要与各个监控设备进行连接,以接收和处理监控数据。
b)服务器连接方式应根据系统规模和数据传输需求进行灵活布局,确保系统运行稳定。
四、附件本文档相关附件如下:1·连接图示例:附件12·监控系统连线表:附件2附件1:连接图示例(在此处插入附件1的连接图示例,可为图片或PDF格式)附件2:监控系统连线表(在此处插入附件2的监控系统连线表,可为表格形式)五、法律名词及注释本文档涉及的法律名词及其注释如下:1·监控系统:根据《中华人民共和国监察法》的定义,监控系统是指用于监视、控制和记录特定区域或场所活动的设施和设备。
六、总结通过本文档,我们详细描述了监控系统连接图的编制步骤及相关要点。
合理规划和设计监控系统的连接方式,能够确保系统的运行稳定和监控效果的达到预期。
一、网络监控常用设备网络摄像机、硬盘录像机NVR(或者普通pc机加客户端,适合家有台式电脑的普通用户少量安装)、交换机(需根据摄像头数量和码率进行调节,可采用供货商的建议)硬盘、显示器、网线、电源护套线、电源适配器(或12V直流开关电源)、摄像机支架、网线水晶头等。
二、摄像机安装方式前端摄像机在供电正常运行的状态下,通过网线和交换机将捕捉到的视频信号传到后台的硬盘录像机就行预览和存储。
针对监控系统点数的不同具体的连接方式有差异,具体连接图可看下面第三步。
安装步骤第一步:确定摄像机的安装位置和监控区域,将摄像机通过摄像机支架固定到建筑物或监控立杆上。
第二步:确定后台设备(硬盘录像机和显示器)的摆放位置,硬盘录像机安装好硬盘并摆放好,并为后台设备准备好电源插排。
第三步:前后端都完成好后,就需要布线(如果前期做好规划或方案,这一步其实是优先进行的,特别是在准备装修的环境下,管线是需要预埋好的),线路分两部分:首先,确认好交换机的位置,需通过网线将每个摄像机连接到交换机,还需要将网络硬盘录像机(NVR)跟交换机接通,本着方便走线和美观、安全的原则走线,并在每根网线两头做好水晶头;其次,摄像机电源供电线布线,每个摄像机都需要一个12V/1A或2A的电源适配器,看施工环境或成本要求,可以用开关电源代替(建议一个12V/10A的开关电源不要带超过10个摄像头,以此类推),需另配电源插头。
如图所示:如果摄像机POE供电的话,只需要敷设一根网线就可以,有POE交换机给摄像机供电。
如图所示:另外,根据监控系统的点数不同,所采用的连接方式也不同。
架构一:1-8个点的小型工程针对于1-8个点的小型工程,可以直接采用普通百兆交换机实现网络环境搭建。
假如采用200万像素IPC,码流以6Mbps计算,8台摄像机占用带宽为8*6=48M,而百兆交换机实际使用率为50%-70%,即50-70M,完全可以满足8台IPC的传输要求。
室内与室外监控如何一步步安装?这些安装图详细告诉你安防监控工程中,现在绝大多数场景都用的是网络摄像机。
网络摄像机简称IPC,由其英文名IP Camera得来,是在传统的摄像机上加上网络编码模块组合而来,同时把模拟信号压缩成数字信号,用网线进行传输,从而可以直接当成网络设备节点来使用,能直接接入网络交换机或者路由器。
室内摄像机安装室内摄像机安装高度为2.5—5米,摄像机安装可根据摄像机重量选用膨胀螺s栓或塑料膨胀管和螺钉。
室外摄像机安装方式室内监控安装一般比较简单,这里就不多说了。
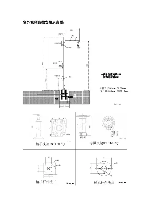
项目示例:电梯监控系统图室外摄像机安装一室外监控安装图1、球机安装二一室外监控安装要求1、基础安装1.1.没有特殊情况所有监控立杆预埋件混凝土为C25砼,所配钢筋符合国标及受风要求。
其中水泥为425号普通硅酸盐水泥。
混凝土的配比和最小水泥用量应符合GBJ204-83的规定;预埋件地脚螺栓法兰盘以上的螺纹包扎良好以防损坏螺纹。
根据预埋件安装图正确放置监控立杆预埋件,保证支臂杆的伸出。
1.2.监控立杆基础的混凝土浇注面平整度小于5mm/m尽量保持立杆预埋件水平。
预埋件法兰盘低出周围地面20~30 mm ,再用C25细石砼把加强肋盖住,以防止积水。
2、注意避雷2.1.前端设备如摄像头应置于接闪器(避雷针或其它接闪导体)有效保护范围之内。
当摄像机独立架设时,避雷针最好距摄像机 3-4 米的距离。
如有困难避雷针也可以架设在摄像机的支撑杆上,引下线可直接利用金属杆本身或选用Φ8 的镀锌圆钢。
为防止电磁感应,沿杆引上摄像机的电源线和信号线应穿金属管屏蔽。
2.2.为防止雷电波沿线路侵入前端设备,应在设备前的每条线路上加装合适的避雷器,如电源线(AC220V 或 DC12V)、网线、控制线、开关线。
2.3.摄像机的电源一般使用AC220V 或 DC12V。
摄像机由直流变压器供电的,单相电源避雷器应串联或并联在直流变压器前端,如直流电源传输距离大于 15 米,则摄像机端还应串接低压直流避雷器。
网络视频监控系统拓扑图大全!收藏起来,除了中午,早晚你
会用到
关于监控各类项目如何组网,心中有几张经典的监控系统图,了解组网系统图后,做监控项目的各个环节才能了然于胸,随时能够拿出解决方案,今天我们一起来了解下关于监控常见项目的组网。
网络摄像机在工程实施中有三个步骤:
一是布线,利用网络布线来传输图像;二是互联网接入,实现远程监控;三是参数设置,主要涉及到一些网络参数。
(1)布线
安装网络摄像机要充分利用建筑内外已有的网线架构,首先考察监控现场的环境,选择安装点,然后铺设一条从安装点到最近网络接入点的网线,采用RJ45接口。
网络摄像机到最近网络接入点的距离控制在90m左右。
在布网线同时,还要考虑安装点的供电。
(2)互联网接入
网络摄像机要通过互联网进行远程监控,这就需要在被监控的现场有一条上网线,比如ADSL,还需要一个互联网接入设备,比如宽带路由器或防火墙。
多个网络半球摄像机可以共用一条上网线,一般1条512K ADSL可以带4~8路网络半球摄像机,当然远程的效果不如在局域网上流畅。
(3)参数设置
网络摄像机要设置IP地址、授权帐户和视频参数等等,按照菜单设置。
用IE浏览器来设置网络摄像机,网络摄像机出厂时都有一个默认IP地址和管理帐户。
如果要在本地进行监控录像,这就需要1台电脑和1套专门的软件,可以进行24小时监控录像。
电脑可使用普通办公用的电脑,需要录像就要多配硬盘,一般一路视频图像每小时所需存储量按压缩格式不同自150~500MB不等。
监控录像软件由网络半球摄像机厂家提供,可设置定时录像、侦测录像等等。
今天写这个教程也非常简单,其中的报警部分已被我去除了。
主要讲下解码器,在一般的监控安装中。
下面的图中以数字监控主机为中心分为三部分。
一、外围监控摄像头冲部分。
这个没什么说的。
视频线和电源线过去接上就可以了。
主要讲下摄像球(图中最下面的摄像头)。
它有一个解码器,解码器是用来做什么用的呢。
它有两个作用:接受控制信号和发送控制信号。
从DRV监控主机过来的是两芯线。
接入解码器后,解码器进行解码并送出控制信号给摄像机和云台。
云台接收到控制信号进行相应的转动。
摄像机接收到信号进行拉近/运或调整焦距。
这就是整个控制过程。
那么解码器如何与主机进行通信的呢,这个不用管,只要会接就行了。
双芯线是有极性的,注意不能乱接。
解码器和主机后面都有说明。
按说明接就没错。
硬件就这些。
现在要进行控制还不行。
因为主机还不能识别到是哪个解码器需要进行控制,所以要在解码器上进行编码,在解码器的右下方有一排八位开关。
看下图蓝色的就是。
这一组开关是用来编码的。
就是要主机能找到它。
如何编码。
随便编码,当然,你要知道,随便编码后是表示什么意思。
这里详细讲下吧。
开关表示二进制,以图中为例:图中的以开关向上表示1,向下表示0那么就是0000 1000好,这就是表示一组二时制编码了。
要换算成十进制。
因为在主机上对应的通道上填写这组编码才能进行控制。
主机编码是十进制,那么这组编码换算成十进制就是04,好了,解码器这边是二进制00001000也就是十进制的04,在主机对应的通道也写04,那么主机就能找到这个摄像头的解码器了,也就能控制这个摄像头了。
大家懂了吗?~-~其它的,我觉的没什么要讲的二、显示部分主机----视频分配器---切换矩阵---电视三、网络远程监控部分。
下一课,我给大家讲下如何远程查看监控。
也就是从任何一台能上网的电脑上就可以看到你的主机里的所有监控录像。
还有它是如何实现的。
需要哪些设备。
要做哪些准备?多谢大家对运城监控网的支持,运城监控网为大家提供更多更好的。
网络视频监控系统安装图一、网络监控常用设备网络摄像机、硬盘录像机NVR(或者普通pc机加客户端,适合家有台式电脑的普通用户少量安装)、交换机(需根据摄像头数量和码率进行调节,可采用供货商的建议)硬盘、显示器、网线、电源护套线、电源适配器(或12V直流开关电源)、摄像机支架、网线水晶头等。
二、摄像机安装方式前端摄像机在供电正常运行的状态下,通过网线和交换机将捕捉到的视频信号传到后台的硬盘录像机就行预览和存储。
针对监控系统点数的不同具体的连接方式有差异,具体连接图可看下面第三步。
第一步:确定摄像机的安装位置和监控区域,将摄像机通过摄像机支架固定到建筑物或监控立杆上。
第二步:确定后台设备(硬盘录像机和显示器)的摆放位置,硬盘录像机安装好硬盘并摆放好,并为后台设备准备好电源插排。
第三步:前后端都完成好后,就需要布线(如果前期做好规划或方案,这一步其实是优先进行的,特别是在准备装修的环境下,管线是需要预埋好的),线路分两部分:首先,确认好交换机的位置,需通过网线将每个摄像机连接到交换机,还需要将网络硬盘录像机(NVR)跟交换机接通,本着方便走线和美观、安全的原则走线,并在每根网线两头做好水晶头;其次,摄像机电源供电线布线,每个摄像机都需要一个12V/1A或2A的电源适配器,看施工环境或成本要求,可以用开关电源代替(建议一个12V/10A的开关电源不要带超过10个摄像头,以此类推),需另配电源插头。
如图所示:如果摄像机POE供电的话,只需要敷设一根网线就可以,有POE交换机给摄像机供电。
如图所示:另外,根据监控系统的点数不同,所采用的连接方式也不同。
架构一:1-8个点的小型工程针对于1-8个点的小型工程,可以直接采用普通百兆交换机实现网络环境搭建。
假如采用200万像素IPC,码流以6Mbps计算,8台摄像机占用带宽为8*6=48M,而百兆交换机实际使用率为50%-70%,即50-70M,完全可以满足8台IPC的传输要求。
前言:
视频监控系统分为数字监控和模拟监控,有粉丝留言要视频监控方面的图纸,薛哥整理了一些标准的图纸分享大家,数字和模拟都有,多看图纸,可以学到很多东西,弱电这块学习图纸很重要,收藏几个标准的图纸来学习,加上一些实践,你很快就能精通视频监控系统!
正文:
本文的图纸都比较有代表性,我们不光要看懂图纸,还要学习其中的设计奥秘,比如摄像机的编号,摄像机区域划分,接入层交换机的设置,电梯监控的安装方式等等!我们要学习我们没有的见过的东西,才能进步!。
网络摄像机安装与远程图解:
支持1080P高清预览;
采用嵌入式硬件和嵌入式Linux系统;
可接驳第三方(SAMSUNG、Panasonic、SONY、Bosch、Arecont、AXIS、Honeywell、LG、Vivotek、SANYO、景阳)等50多个品牌IPC;
支持标准ONVIF、PSIA协议;
支持VGA、HDMI同步输出;
支持VGA、HDMI最大分辨率达1920×1080;
支持高清预览,所有通道解主码流;
支持智能行为分析扩展;
采用Dahua云台控制协议时,可以通过鼠标实现三维智能定位功能;
支持预览图像与回放图像的电子放大;
支持按事件查询、回放、备份录像文件,支持图片本地回放与查询;
支持录像回放时智能搜索功能;
支持数字水印;
支持一键开启录像功能;
支持即时回放,在预览画面下回放指定通道的录像;
支持重要录像文件锁定功能;
支持大华DDNS域名解析系统;
支持网络检测(网络流量监控、网络抓包、网络通畅)功能;
最大支持8路D1或4路720P同步回放;
支持盘组管理、录像定向存储;
支持1个SATA接口;
支持IPv4、IPv6、HTTP、UPnP、SNMP、NTP、SADP、SMTP、PPPoE、DDNS、FTP、ONVIF。
网络监控摄像机安装教程四种方法分步阅读在监控系统工程安装实践中,我们需要根据环境的不同,客户的要求不同来制定监控设计方案,只有完备合适的监控方案才能保证监控系统的稳定性,经济性,效率性。
今天就来说说几种网络监控系统安装的几种传输方式.方法/步骤第一种:传统方式,由网络摄像机+电源+网线组成在综合布线的时候,同时要布电源线和网线,电源也可以就近取220V交流电,这样节省电源线材,这里暂不讨论它的利弊。
给每个网络摄像机提供电源。
再有一路网线传输网络数据到网络硬盘录像机NVR。
如下图(图片收集于网络)第二种:POE供电方式,有网络摄像机+POE交换机这样就比前面一种方式节省一条电源线,一台网络摄像机只要一根网线作为传输信号的介质就可以,不再用到电源线了。
网线用非屏蔽超五类双绞线就可以了,传输距离100米没有任何问题。
连接方式如下图:第三种:远距离的情况下,网络摄像机+光纤+收发器,可以传输距离更远!刚才前面我们说了,网线传输正常100米以内,那么超过100米的情况,我们一般考虑用光纤传输了,光纤不但传输距离远(可以传输20公里)而且效果稳定。
我们都知道,光纤传输数据的时候,把数据信号转换成光信号传输,再把光信号转换成数据信号,这样我们使用光纤收发器配合来完成工作。
如图:第四种:无线传输方式,摄像机+无线网桥。
在具体监控系统实施环境中,如果布线困难碰到天然屏障或者不可逾越的障碍的时候,我们可以使用无线传输方式,这样就用到无线网桥了。
在比如,已经硬化路面的小区,电梯,已经建好的工厂,距离较远的空旷地带,野外等等这些环境都适用无线传输方式。
无线网桥,可以将网络信号转换成无线电波进行点对点的传输。
成对使用。
由于点对点定向传输,可以实现远距离的无线传输,从几百米到几十公里。
使用无线网桥的施工注意点:在发射和接收端之间不能有遮挡,不能有障碍。
这样信号传输才会稳定。
EN注意事项为什么现在主流用PoE交换机做网络监控系统,有下面几个优点:1,节省线材,节省布线时间,节省布线人工,提供工程施工效率。
监控四大网络拓扑图1、小型监控组网拓扑图
这类监控组网最常见,由接入层-核心层组网,适合于中小规模监控项目。
2、中大型监控组网拓扑图
该监控拓扑图,适合于中大型监控项目,由接入层-汇聚层-核心层组成,后端会有管理服务器、存储服务器、综合管理平台等设备,以应对多路数监控项目管理。
3、多地监控组网集中显示拓扑图
园区多地监控统一管理,通过监控专网,集中到管理中心,园区内道路、办公、周界、电梯等等,实现全面覆盖,统一管理。
4、全光网监控组网拓扑图
全光网监控现在的应用也非常广,园区、酒店、校园都有应用,组网拓扑如下:。
网络摄像机监控系统安装图解
什么是网络监控摄像头?
图1
网络摄像头简称WEBCAM ,英文全称为WEB CAMERA,是一种结合传统摄像机与网络技术所产生的新一代摄像机,它可以将影像透过网络传至地球另一端,且远端的浏览者不需用任何专业软件,只要标准的网络浏览器(如"Microsoft IE 或Netscape), 即可监视其影像。
网络摄像头是传统摄像机与网络视频技术相结合的新一代产品,除了具备一般传统摄像机所有的图像捕捉功能外,机内还内置了数字化压缩控制器和基于WEB的操作系统,使得视频数据经压缩加密后,通过局域网,internet或无线网络送至终端用户。
远端用户可在PC上使用标准的网络浏览器,根据网络摄像机的IP 地址,对网络摄像机进行访问,实时监控目标现场的情况,并可对图像资料实时编辑和存储,同时还可以控制摄像机的云台和镜头,进行全方位地监控。
网络监控摄像头安装
图2
步骤一:摄像机的位置需求
对于监控摄像机来说,所处位置的好坏直接关系着设备的成像效果。
因此,不少用户将监控的效果视为监控摄像机安装位置的首要参考。
不过,他们却忽视了十分重要的一点:监控摄像机并非万能,在安装位置的选择上,它同样有着自己的要求。
图3
首先就是在安装的位置上,为了能够使摄像机避免周围环境的干扰,实现一个更佳的拍照和生存效果。
图4
在室内环境安装时,我们要尽可能的保证设备的高度不低于2.5米,而在室外环境中,我们也要将监控设备置身于距离地面3米半以上的高度。
否则,无论是从摄像机自我保护,还是设备监控角度来说,都会产生不少负面的效应。
只有考虑到了这些最基本的问题之后,角
度才是我们考虑的方面。
确定摄像机的安装位置和监控区域,将摄像机通过摄像机支架固定到建筑物或杆架上。
确定后台设备(硬盘录像机和显示器)的摆放位置,硬盘录像机安装好硬盘并摆放好,并为后台设备准备好电源插排。
步骤二:摄像机的布线需求
对于网络摄像机来说,它的线路架设方式显然要比传统的模拟设备更为丰富。
不过,无论是采用哪种的传输方式,干扰都是我们不得不注意的问题之一。
尤其对于有线传输的视频信号来说,信号线与大功率电线的同向传输无疑是架线过程中的大忌,更不可为了施工的方便而将二者放在相同的传输线管内。
即使受到环境的限制,实在无法将二者分离开来的话,也要保证至少半米的间隔距离。
只有这样的规划,才能更好的避免强磁干扰对于视频传输的影响。
而对于采用无线信号传输的设备来说,虽然在线路的限制上更少一些。
但是摄像机本身也要避开周边的强磁干扰源。
同时保证摄像机与地面的绝缘隔离。
此外,我们也要注意避免线路对于云台工作的影响和阻碍。
前后端都完成好后,就需要布线(如果前期做好规划或方案,这一步其实是优先进行的,特别是在准备装修的环境下,管线是需要预埋好的),线路分两部分:首先,确认好交换机的位置,需通过网线将每个摄像机连接到交换机,还需要将网络硬盘录像机(NVR)跟交换机接通,本着方便走线和美观、安全的原则走线,并在每根网线两头做好水晶头;其次,摄像机电源供电线布线,每个摄像机都需要一
个12V/1A或2A的电源适配器,看施工环境或成本要求,可以用开关电源代替(建议一个12V/10A的开关电源不要带超过10个摄像头,以此类推),需另配电源插头。
另外,根据监控系统的点数不同,所采用的连接方式也不同。
架构一:1-8个点的小型工程
针对于1-8个点的小型工程,可以直接采用普通百兆交换机实现网络环境搭建。
假如采用200万像素IPC,码流以6Mbps计算,8台摄像机占用带宽为8*6=48M,而百兆交换机实际使用率为50%-70%,即50-70M,完全可以满足8台IPC的传输要求。
图5
架构二:9-50个点的中小型工程
针对于9-50个点的中小型工程,仅仅采用百兆交换机是远远不够的,需要更高性能的二层全千兆交换机作为汇聚,才能保证视频信息的流畅传输。
图6
架构三:50个点以上的中大型工程
针对于50个点以上的中大型工程,需要采用三层网络架构:接入层、汇聚层、核心层。
同时由于点位较多,对核心层交换机的性能要求较高,一般这种情况下需选择华为或华三等知名厂家的三层全千兆核心交换机。
图7
步骤三:调试摄像机
调试摄像机,在安装完成,并接通所有线路之后,为摄像机送上电源,需在网络硬盘录像机(NVR)上进行相关网络设置,添加分配网络摄像机(不同厂家的配置方法有差异),这样添加完所有摄像机后,就会看到图像,可以对摄像机的角度、可调焦镜头等进行调试到合适的效果即可。
步骤四:照明环境的需求
夜晚使用监控摄影机时,为了避免反射和阴影,通常需要照明设备,可以使用红外线照明灯代替普通灯泡。
不过用户必须使用黑白监
控摄影机和带有红外线照明设备的网路监控影像伺服器,因为黑白监控摄影机对红外线感光较为灵敏,而彩色监控摄影机则无法发挥红外线功能。
图8
如今,已经有不少的摄像机都开始采用宽动态的功能,提升自己在逆光环境下的成像能力。
但是,这并非就意味着摄像机可以在强光的环境下持续的完成工作。
因为在强光的照耀下,直射的强光容易造成摄像机难以正常的定位准确的图像,最终造成感测器晶片上的彩色滤光器永久性脱色,使摄像机在监控影像中出现条纹。
因此,如果可以的话,我们尽可能的使摄像机处于一种"顺光"的模式,但是无论如何,我们都要避免强光长时间对摄像机镜头的直接刺激。
步骤五:高性能终端不可或缺
一直以来,带宽的限制是网络监控难以扩展的重要原因之一。
也
正是因为这个因素,造成了网络用户长期以来的两级分化。
有实力的采用自建网络,而没有实力的用户要么只能忍受缓慢的传输,要不就另寻出路了。
不过,随着压缩技术的不断完善,以及网络环境的优化。
网络监控的生存环境也日益变得好转起来。
但是,如果要想实现一般公网用户能够更好的完成网络监控的话,一台性能先进的处理终端显然也是不可或缺的。
在系统性能上,我们应该尽量采用linux或者win7等当前最先进的处理系统,而且拥有着先进的CPU,相对大容量的内存和显卡等,才能够让我们的设备将成像的效果发挥得更全面。
此外,如果在我们的系统中还有其他的辅助报警设施的话,注重他们与系统的兼容性,注重设备自身在当前环境下工作的稳定性,也是我们在架设设备时需要重点关注和调试的。