安防系统常见拓扑图
- 格式:doc
- 大小:1005.50 KB
- 文档页数:16
安防监控系统原理图安防监控系统是指利用各种技术手段进行安全监控和防范的系统。
它可以通过视频监控、门禁系统、报警系统等多种设备来实现对特定区域的实时监控和管理。
在现代社会,安防监控系统已经成为了各种场所和领域中不可或缺的一部分,如家庭、商业、工业、交通等领域。
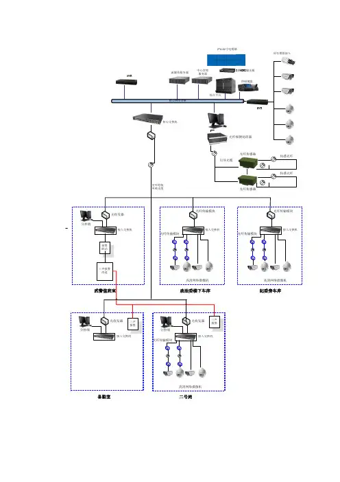
安防监控系统的原理图主要包括以下几个部分,监控摄像头、监控主机、传输线路、显示设备、报警设备等。
首先,监控摄像头是安防监控系统中最基本的设备之一。
它通过摄像头的镜头和传感器来实现对监控区域的实时拍摄和录像。
监控摄像头可以分为有线和无线两种,有线摄像头需要通过传输线路连接到监控主机,而无线摄像头则通过无线网络进行数据传输。
其次,监控主机是安防监控系统的核心设备,它接收监控摄像头传来的视频信号,并进行处理和存储。
监控主机通常配备有硬盘,可以将监控画面录制下来,以备日后查看。
同时,监控主机还可以连接到报警设备,当监控区域出现异常情况时,可以及时触发报警。
再者,传输线路是监控系统中至关重要的一环。
它承担着监控摄像头和监控主机之间的视频信号传输任务,传输线路的质量直接关系到监控画面的清晰度和稳定性。
目前,常用的传输线路有网线、同轴电缆、光纤等,不同的传输线路适用于不同的监控环境和距离要求。
最后,显示设备是监控系统中用来实时显示监控画面的设备,常见的有监控显示器、电视墙等。
通过显示设备,监控人员可以实时观察监控区域的情况,对异常情况进行及时处理。
总的来说,安防监控系统原理图包括监控摄像头、监控主机、传输线路、显示设备和报警设备等多个部分,通过这些部分的协同工作,可以实现对特定区域的全方位监控和管理。
在实际应用中,安防监控系统的原理图可以根据具体的监控需求和环境特点进行定制,以达到最佳的监控效果。
在不断发展和创新的今天,安防监控系统的原理图也在不断完善和更新,新的监控技术和设备不断涌现,为安全监控领域带来了更多的可能性和机遇。
相信随着科技的不断进步,安防监控系统将会在未来发展出更加智能和高效的原理图,为人们的生活和工作带来更多的便利和安全保障。
核心网络交换
原有模拟接入
NVR
接入交换机
核心交换机
室外铠装单模光缆
流媒体服务器
中心管理服务器
综合平台
DVR
传感光纤
光纤传感器
光纤传感器
引导光缆
光纤探测处理器
8路HDMI 输出板
控制键盘
传感光纤
光纤传输模块
高清网络摄像机
光纤传输模块
纪委旁车库
接入交换机
光纤传输模块
高清网络摄像机
光收发器
二号岗
三声报警
接入交换机
光收发器
武警值班室三声报警改造
报警联动
分控端
分控端
接入交换机光收发器
备勤室分控端
三声报警
接入交换机
光纤传输模块高清网络摄像机光纤传输模块
政法委楼下车库2*4-42寸电视墙。
百万高清小型监控系统拓扑图
普通监控系统拓扑图
百万高清大型监控系统拓扑图(远距离光纤收发器)
高速公路监控系统拓扑图(远程监控)
公交车调度联网监控系统拓扑图(远程监控)
视频监控/环境监管系统拓扑图(远程)
网络高清连锁店监控系统拓扑图(远程监控)
网络高清解码矩阵视频监控系统拓扑图
多区域分中心集中监控管理平台系统拓扑图
幼儿园网络监控管理平台系统拓扑图
天网智能化社区集中监控管理平台系统拓扑图
视频行业存储解决方案系统拓扑图
明厨亮灶监控系统网络直播系统拓扑图
平安城市车道监控系统拓扑图
城区高空瞭望监控管理平台系统拓扑图
数字广播系统拓扑图
小区数字广播系统拓扑图
门禁系统拓扑图
小区周界防范系统拓扑图
智能小区系统拓扑图
智能家居系统拓扑图
智慧社区混合高清监控系统拓扑图
电子围栏系统拓扑图。
网络视频监控系统拓扑图大全!收藏起来,除了中午,早晚你
会用到
关于监控各类项目如何组网,心中有几张经典的监控系统图,了解组网系统图后,做监控项目的各个环节才能了然于胸,随时能够拿出解决方案,今天我们一起来了解下关于监控常见项目的组网。
网络摄像机在工程实施中有三个步骤:
一是布线,利用网络布线来传输图像;二是互联网接入,实现远程监控;三是参数设置,主要涉及到一些网络参数。
(1)布线
安装网络摄像机要充分利用建筑内外已有的网线架构,首先考察监控现场的环境,选择安装点,然后铺设一条从安装点到最近网络接入点的网线,采用RJ45接口。
网络摄像机到最近网络接入点的距离控制在90m左右。
在布网线同时,还要考虑安装点的供电。
(2)互联网接入
网络摄像机要通过互联网进行远程监控,这就需要在被监控的现场有一条上网线,比如ADSL,还需要一个互联网接入设备,比如宽带路由器或防火墙。
多个网络半球摄像机可以共用一条上网线,一般1条512K ADSL可以带4~8路网络半球摄像机,当然远程的效果不如在局域网上流畅。
(3)参数设置
网络摄像机要设置IP地址、授权帐户和视频参数等等,按照菜单设置。
用IE浏览器来设置网络摄像机,网络摄像机出厂时都有一个默认IP地址和管理帐户。
如果要在本地进行监控录像,这就需要1台电脑和1套专门的软件,可以进行24小时监控录像。
电脑可使用普通办公用的电脑,需要录像就要多配硬盘,一般一路视频图像每小时所需存储量按压缩格式不同自150~500MB不等。
监控录像软件由网络半球摄像机厂家提供,可设置定时录像、侦测录像等等。
网络监控系统拓扑图
网络监控系统拓扑图通常由以下几个主要组件组成:
1. 网络设备:包括路由器、交换机、防火墙等,用于在网络中传输数据和控制网络流量。
2. 监控服务器:用于接收、处理和存储来自监控设备的数据。
监控服务器通常运行监控软件来实时监测和分析网络状态。
3. 监控代理:安装在需要监控的设备上,用于收集设备的性能数据和状态信息,并将其发送给监控服务器。
4. 监控控制台:用于可视化显示网络状态和报警信息,并提供管理员操作和配置监控系统的界面。
5. 监控数据库:用于存储监控系统收集的数据,包括设备的性能指标、事件日志等。
6. 报警通知系统:用于实时通知管理员有关网络问题和故
障的警报,通常通过电子邮件、短信或其他通信渠道发送。
拓扑图中,这些组件通常以图形符号表示,并通过不同的
连接线表示它们之间的关系和通信方式。
例如,监控服务
器和监控代理之间的连接线表示数据的传输和通信。
网络视频监控系统拓扑图大全!收藏起来,除了中午,早晚你会用到一、前言随着技术的不断发展和进步,网络视频监控系统已经逐渐成为了各大企业、学校、政府机构等公共场所的必要设备之一,也是许多家庭安防的重要组成部分。
其作用是通过网络监控设备、网络传输设备、服务器等设备的联合协作,将监控视频信号传输给用户终端,实现对被监控区域的实时监控、视频录制、报警等功能。
本文将就网络视频监控系统拓扑图进行详细介绍,希望对大家有所帮助。
二、网络视频监控系统模块介绍1.监控设备监控设备主要包括网络摄像机、模拟摄像机等,是监控系统中最基础的设备。
网络摄像机是监控系统中使用最广泛的设备之一,其通过网络连接监控主机,可以传输高清、稳定的视频信号。
而模拟摄像机则通过模拟传输方式将视频信号传输给调节卡,再通过调节卡将信号传输给监控主机。
2.网络传输设备网络传输设备包括光纤、网线、无线网络设备等,用于传输监控视频信号。
传输方式分为有线和无线两种,选择哪种传输方式可以根据实际情况来决定。
3.监控主机监控主机是网络视频监控系统的核心控制设备,其由硬件、操作系统、监控软件组成。
监控主机的主要作用是接收和存储监控设备传输过来的监控视频信号,并提供实时监控、视频录制、视频回放、报警等功能。
4.服务器服务器一般安装在监控室内,用于接收监控主机传输过来的视频信号并进行录制、存储、备份等操作。
服务器的配置要求较高,需要有较大的存储空间、较快的数据传输速度、较稳定的系统运行环境等。
5.显示设备显示设备用于显示监控视频信号,目前常见的显示设备有显示器、电视、投影仪等。
选择显示设备时要根据实际需求来选择,如需要实时查看监控画面,可以选择显示器;如果需要在大范围内进行视频展示,可以选择投影仪。
6.报警设备报警设备主要包括烟感探头、红外线探头、门禁系统等,通过设置监控主机的报警参数,当监控画面中出现异常情况时,会触发报警设备,及时进行警报。
报警设备对于保护监控设备和监控区域的安全非常重要。
普通监控系统拓扑图
百万高清大型监控系统拓扑图(远距离光纤收发器)
公交车调度联网监控系统拓扑图(远程监控)
视频监控/环境监管系统拓扑图(远程)
网络高清解码矩阵视频监控系统拓扑图
幼儿园网络监控管理平台系统拓扑图
视频行业存储解决方案系统拓扑图
明厨亮灶监控系统网络直播系统拓扑图
平安城市车道监控系统拓扑图
城区高空瞭望监控管理平台系统拓扑图
数字广播系统拓扑图
小区数字广播系统拓扑图
门禁系统拓扑图
小区周界防范系统拓扑图
智能小区系统拓扑图
智能家居系统拓扑图
智慧社区混合高清监控系统拓扑图
电子围栏系统拓扑图
感谢下载!
欢迎您的下载,资料仅供参考。
安防总平面布置图1.安防总平面布置思路1.1.门卫、门禁系统、施工出入口布置思路根据总平面布置图整体布置思路,拟在本标段施工区域共设置6个施工出入口大门。
综合考虑作业区与生活区的距离,将4#出入口布置为综合出入口(人流及车辆出入口),在出入口布置8m宽车辆入口、冲洗设备、门禁系统、视频监控室、岗亭及门卫;将1、2、3、5、6#出入口布置为车辆出入口,在出入口布置8m宽车辆入口及门卫。
1.2.视频监控系统布置思路(1)根据总平面布置整体思路,为实现全场区可视化视频监控,拟将施工区域视频监控划分为两大监控体系:1)沿标段内大门口、材料验收区、钢筋堆场及加工车间、围挡及现场施工主要交通道路布置的高清网络枪机;2)在现场塔吊上安装的网络高清全方位球机。
(2)根据类似项目视频监控系统供应商提供的设备参数,为保证监控视频的清晰度及监控质量。
考虑高清网络枪机布置距离不大于60m,以保证对场区围挡及场内道路全覆盖;考虑网络高清全方位球机距离不大于70m,网络高清全方位球机均布置在塔吊上,本标段左上角质子中心为二期开发楼栋,本期工程中不考虑布置塔吊,考虑在该位置布置立柱式网络高清全方位球机,以保证作业区域视频监控全覆盖。
(3)监控主要设备配置表高清网络枪机布置距离均不大于60m,对全场区围挡、大门、围挡侧材料堆场、验收区全面覆盖;网络高清全方位球机均以塔吊位置定位,塔吊臂长均不大于70m,对作业区材料堆场、作业区等全面覆盖;做到了施工现场全程可视化施工、施工全过程视频监控。
1.3.现场巡更巡检部署思路本标段施工现场占地面积15.8万m2,占地面积较大、周转材料、建筑主材、分包单位较多、靠近城市主干道,安防管理难度大,且任务重。
我司入场后与长期合作的物业管理签订项目物业管理协议,制定全场区物业管理规划。
根据工程特点,拟派3个物业管理团队分别对办公区、生活区、施工场区进行管理。
由于办公区、生活区物业管理工作相对容易拟分别配备6、8人,共计12人进行两班制轮换管理;施工场区配备24人,分成3个小组,每组8人两班制进行现场轮换管理。
百万高清小型监控系统拓扑图
普通监控系统拓扑图
百万高清大型监控系统拓扑图(远距离光纤收发器)
高速公路监控系统拓扑图(远程监控)
公交车调度联网监控系统拓扑图(远程监控)
视频监控/环境监管系统拓扑图(远程)
网络高清连锁店监控系统拓扑图(远程监控)
网络高清解码矩阵视频监控系统拓扑图
多区域分中心集中监控管理平台系统拓扑图
幼儿园网络监控管理平台系统拓扑图
天网智能化社区集中监控管理平台系统拓扑图
视频行业存储解决方案系统拓扑图
明厨亮灶监控系统网络直播系统拓扑图
平安城市车道监控系统拓扑图
城区高空瞭望监控管理平台系统拓扑图
数字广播系统拓扑图
小区数字广播系统拓扑图
门禁系统拓扑图
小区周界防范系统拓扑图
智能小区系统拓扑图
智能家居系统拓扑图
智慧社区混合高清监控系统拓扑图
电子围栏系统拓扑图。