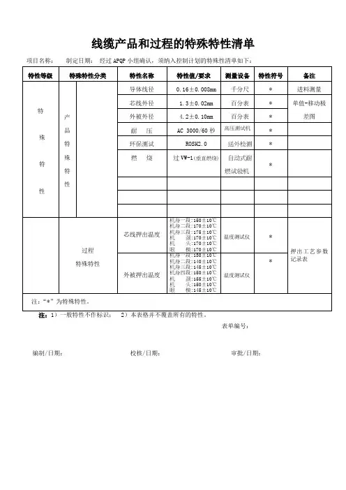
产品特性清单
- 格式:xls
- 大小:21.00 KB
- 文档页数:1
产品和过程特殊特性清单一、产品特殊特性清单:1.创新性:产品具有创新性特点,能够解决市场中的新问题或满足用户对新产品的需求。
2.可靠性:产品在使用过程中能够持续稳定地工作,减少故障和维修次数。
3.安全性:产品设计符合安全标准和法规要求,能够保护用户的安全和健康。
4.耐久性:产品寿命长,能够经受长时间使用和各种环境条件的考验。
5.环保性:产品设计符合环境保护要求,能够减少对环境的污染和资源的消耗。
6.可维护性:产品易于维护和修理,减少维修时间和成本。
7.灵活性:产品具有多种用途和适应不同环境的能力,能够满足用户的不同需求和偏好。
8.个性化:产品能够根据用户的需求进行定制和个性化设计。
9.可升级性:产品具有可升级的特点,能够随着技术的发展和用户需求的变化进行升级和改变。
10.品质保证:产品具有高品质和可靠性,能够满足用户对产品质量的要求和期望。
二、过程特殊特性清单:1.效率:过程能够高效地完成任务,减少时间和资源的浪费。
2.精确性:过程能够准确地执行任务,避免错误和失误。
3.灵活性:过程能够适应不同的需求和变化,灵活调整和改变。
4.可控性:过程能够被有效地监控和控制,减少风险和不确定性。
5.自动化:过程能够通过自动化技术和系统来实现自动化执行和管理。
6.标准化:过程具有标准化和规范化的特点,能够保证过程的一致性和质量。
7.透明度:过程的执行和结果能够被清晰地展示和理解,方便监督和评估。
8.协同性:过程能够促进不同部门和人员之间的有效协作和沟通。
9.持续改进:过程能够不断地进行改进和优化,提高效率和质量。
10.风险管理:过程能够有效地识别和管理风险,减少潜在的损失和影响。
总结:产品和过程的特殊特性对于企业和组织来说至关重要。
这些特性能够赋予产品和过程独特的竞争力和价值,帮助企业在市场中取得优势地位。
因此,企业和组织应该充分认识和理解这些特性,并努力将其应用于产品和过程的设计和实施中,以提高竞争力和市场份额。
注:1、关键特性符号按Q/DFLCJ 1445-2、来源包括:过程3、不纳入三级稽查的项目,须说明4.1关键特性定义:不满足设计规范将危及人身、车辆安全或造成火灾,影响法规(强制性标准)符合性关键特性的单个零件为关键件,如用于转向、制动或燃油系统组件。
4.2对关键特性的理解:①直接影响车内人员保护/转向控制/制动特性的;②直接影响产品的安全/法规特性的。
5、重要特性的定义:5.1重要特性定义及理解:不满足设计规范将导致整车丧失行驶功能并造成主要总成损坏,或严重影响车身 含有重要特性但不含关键特性的单个零件为重要件。
重要件必须在设计文件中指定重要项,但不能指定5.2对重要特性的理解:①间接影响产品的配合/功能/安装/外观特性;②间接影响产品的安全/法规特性;③用户对产品质量缺陷有较大抱怨的。
6、范围:a. 与顾客、法规、强制性标准有关的特性,——法规、强制性标准要求,顾客的特殊要求。
b. 与产品制造和装配过程有关的特性,——尺寸公差、形位公差和表面粗糙度;——零件热处公差、安装极限位置及极限偏差;——总成校准、调整、密封、润滑要求;——对装配间隙、力c. 与外观质量有关的特性,——车身面漆要求;——车身覆盖件装配调整要求;——车身内饰d. 与原材料有关的特性,——材料性能(材质或规格);——特殊材料或材料的特殊要求。
e. 与外购产品有关的特性,——货源鉴定要求;——采购产品性能、可靠性检验试验要求。
f. 与储运、使用、维修有关的特性,——包装、防护及储运要求;——使用、维修及互换性方附件18 产品及过程关键特性/重要特性控制清单4、关重特性定义及理解:或造成火灾,影响法规(强制性标准)符合性的产品特性。
行驶功能并造成主要总成损坏,或严重影响车身及内饰外观质量,以及应特殊顾客要求需要特别控制的产品特性。
件必须在设计文件中指定重要项,但不能指定关键项。
重要特性(重要件与重要项)。
、强制性标准要求,顾客的特殊要求。
×××公司质量标准Q/CV A701-2020机动车产品关键质量特性清单(第一部分:整车及发动机)2020年6月35日编制2020年7月8日发布×××工厂质量管理部发布更改记录目次1.主题内容与适用范围 (5)2.引用文件 (5)3.术语与定义 (6)4.内容 (7)5.附录 (7)附录A 机动车关键质量特性清单(整车) (8)附录B 机动车关键质量特性清单(发动机系统) (14)前言为提高机动车产品质量,保证整车从产品设计、零部件采购、生产制造到质量检验等各环节的评价尺度保持一致,特依据相关国家强制性标准和企业标准编制此文件。
本标准由×××工厂质量管理部门提出并归口。
本标准起草单位:质量管理部本标准主要起草人:机动车产品关键质量特性清单(第一部分:整车及发动机)1.主题内容与适用范围本标准规定了机动车产品关键质量特性技术要求的执行单位和验证方式。
本标准适用于×××公司生产的机动车产品的设计和开发、零部件采购、生产制造和整车产品的质量检验等。
2.引用文件下列文件中的条款通过本标准的引用而成为本标准的条款。
所有引用文件,其最新版本适用于本标准。
GB 7258 机动车运行安全技术条件GB/T 18411机动车产品标牌GB 16735道路车辆车辆识别代号(VIN)GB 13392道路运输危险货物车辆标志GB 1589 汽车、挂车及汽车列车外廓尺寸、轴荷及质量限值GB/T 12428客车装载质量计算方法GB 4094汽车操纵件、指示器及信号装置的标志GB 4785汽车及挂车外部照明和光信号装置的安装规定GB/T13594 机动车和挂车防抱制动性能和试验方法GB 17675汽车转向系基本要求GB 21670乘用车制动系统技术要求及试验方法GB 12676商用车辆和挂车制动系统技术要求及试验方法GB 11566乘用车外部凸出物GB 20182商用车驾驶室外部凸出物GB 11552乘用车内部凸出物GB 11551 汽车正面碰撞的乘员保护GB 20071汽车侧面碰撞的乘员保护GB 26134乘用车顶部抗压强度GB 26512商用车驾驶室乘员保护GB 20072 乘用车后碰撞燃油系统安全要求GB 11555汽车风窗玻璃除霜和除雾系统的性能和试验方法GB 4094汽车操纵件、指示器及信号装置的标志GB 15741汽车和挂车号牌板(架)及其位置GB 15740汽车防盗装置GB 30509车辆及部件识别标记GB 18352.5轻型汽车污染物排放限值及测量方法(中国第五阶段)GB 18352.6轻型汽车污染物排放限值及测量方法(中国第六阶段)GB 18285点燃式发动机汽车排气污染物排放限值及测量方法(双怠速法及简易工况法)GB 11340装用点燃式发动机重型汽车曲轴箱污染物排放限值及测量方法GB 14763装用点燃式发动机重型汽车燃油蒸发污染物排放限值及测量方法(收集法)GB 3847柴油车污染物排放限值及测量方法(自由加速法及加载减速法)GB 1495 汽车加速行驶车外噪声GB 16170 汽车定置噪声限值GB/T 25982客车车内噪声限值及测量方法GB/T 17676天然气汽车和液化石油气汽车标志3.术语与定义3.1机动车由动力装置驱动或牵引、在道路上行驶的、供乘用或(和)运送物品或进行专项作业的轮式车辆,包括汽车及汽车列车、摩托车及轻便摩托车、拖拉机运输机组、轮式专用机械车和挂车等,但不包括任何在轨道上运行的车辆。
产品和过程特殊特性初始清单产品和过程特殊特性(special product and process characteristics)是指在产品或过程中具有特殊的性能、功能或质量要求的特性。
这些特性可以是与设计、生产或使用相关的,对于实现产品或过程的成功至关重要。
下面是一个产品和过程特殊特性的初始清单,帮助企业和团队在项目开始阶段识别和设定关键的特性。
1. 可靠性(Reliability):产品或过程的可靠性是指其正常运行的能力,可以通过各种性能指标进行衡量,如故障率、寿命等。
2. 可维护性(Maintainability):产品或过程的可维护性是指对于故障或损坏的修复和保养的难易程度,可以考虑易于替换的零部件、维修指南等。
3. 安全性(Safety):产品或过程的安全性是指确保使用或操作过程中没有危险或伤害的能力,可以考虑加入安全设备或警示标识、采用安全操作规程等。
4. 可用性(Availability):产品或过程的可用性是指其在需要时可立即使用或操作的程度,可以考虑避免使用单点故障、提供备用设备等。
5. 效率(Efficiency):产品或过程的效率是指实现预期功能或结果所需的资源使用程度,可以考虑提高产能、降低耗能等。
6. 精度(Accuracy):产品或过程的精度是指其对于指定要求的正确性或准确性,可以通过精密测量或校准等手段进行验证。
7. 可操作性(Operability):产品或过程的可操作性是指其易于使用和操作的程度,可以考虑简化操作界面、提供操作指南等。
8. 适应性(Adaptability):产品或过程的适应性是指其适应不同环境或需求的能力,可以考虑加入可调节的参数或模块化结构等。
9. 可扩展性(Scalability):产品或过程的可扩展性是指其能够在需求增加时无缝扩展的能力,可以考虑模块化设计、可选功能等。
10. 可靠性(Robustness):产品或过程的可靠性是指其对于异常情况的抵抗力,可以考虑加入错误检测和修复机制、容错设计等。