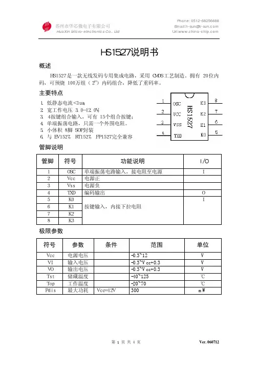
HS系列使用说明书
- 格式:doc
- 大小:1.26 MB
- 文档页数:2
智慧软水机使用说明书HS13-JR(WH)U1使用注意事项注意事项本软水机只可使用220V电源。
在操作和维护期间,请遵循有关电器操作的一切安全注意事项。
如果本软水机电源线受到损坏,必须由制造商或授权服务中心进行处理。
使用注意事项设备管路是否有漏、渗水,如有请联系服务商。
溢流管是否堵塞,如有请及时清除。
盐井是否垂直,请及时扶正。
本系统使用的环境温度为4~40℃,桶体内装载的离子交换树脂容易冻裂破损,请注意防冻,以免树脂失效。
设备在运行中应防止水锤现象发生,如尽量避免快速全开或全关阀门及急停水泵等。
切勿对机器施加外力,并避免日光直晒和其它热源的辐射。
请定期检查软水机,检查内容有:再生期间的出水是未经软化的,且软水机再生时用水会影响其再生效果,建议此时不要用水。
软水机在停止工作一段时间后,重新使用前应手动增加一次再 生操作,以保证产水水质。
在软水机使用期间,不要切断电源,以避免软水机上的时钟误 差,从而影响到软水机原设置的再生启动时间,使用户可能误 用未经软化的水。
若用水量俱增(相对正常使用量)或原水硬度升高,应相应缩短 再生周期或设置原水硬度,增加再生次数。
由于热水会对软水机的内部处理系统造成严重损坏,需在软水 机后面连接采暖热水锅炉或热水器的用户,请确保软水机的出 水口与热水器的入水口之间至少有3米以上的连接管。
如无法 保持3米的连接管路,建议在软水机与热水锅炉之间安装一个 止回阀。
为确保使用安全,本设备安装时,必须安装溢流管。
本软水机仅用于过滤预先处理的市政自来水。
不能用于过滤微生物状况不明的水。
本软水机的水不能直饮,请勿直接饮用。
请勿将本软水机浸入水中。
请勿将本软水机的溢流管和排污管堵塞。
请勿将本软水机顶部放置任何物体。
请勿将本机器放置在室外及阳光直射的地方使用。
本软水机的进水温度不得大于38℃。
产品型号及技术规格产品名称型号额定电压额定功率环境湿度环境温度适用水质适用水压适用水温防触电类型再生耗盐量净水流量额定总净水量再生周期制水量出水水质执行标准卫生批准文号220V 18W ≤90%4℃~40℃市政自来水0.1M P a~0.4MPa 5℃~38℃II 类268mm522mm453mmHS13-JR(WH)U1海尔牌HS13-JR(WH)U1型软水机1.3m1.1m 3000m 1.2kg -1.4kg (具体与使用水质有关,仅供参考)3/h 3家用软水机Q/0281 HSW 006-20193符合《生活饮用水水质处理器卫生安全与功能评价规范-一般水质处理器》(2001)的要求浙(04)卫水字(2021)第0414号产品部件名称全自动多路控制阀1) 采用高强度工程塑料(食品级)制造,可靠、 耐用2) 耐腐蚀,免生锈3) 设计科学,结构精良合成材料桶体1) 高级合成材料(食品级)制造2) 轻巧,承压力强3) 耐腐蚀,免生锈软化材料高级离子交换树脂(食品级)产品功能及特点1) 全自动运行①内置时间控制器,二十四小时时间控制,按照设定的树脂容量、原水硬度和再生系数自动计算得到可再生水量,当剩余制水量为0且时间到了设定的再生引发时间(默认时间为凌晨两点)进行再生。
Specifications - Installation and Operating Instructions DESCRIPTIONPARAMETERSDescription Units RangeSP Set point%r1 to r2r0Differential or Hysteresis% 1 to 99r1Lower Value Set Point%0 to r2r2Higher Value Set Point%r1 to 100d0Heating or Cooling Control Option Hu/dHc0Min. stop time for Load Minutes0 to 59 min.c1Continuous Cycle Time Hours0 to 24 hrsLc HR Value for 4 mA Input%0 to 100Hc HR Value for 20 mA Input%50 to 100P1Probe Adjustment (shifting)%0 to 10P5Probe Type Range0-1 V, 0-3 V, 4-20 mA H5Parameter Access code Numeric0 to 99(SET AT 0 FROM FACTORY) PARAMETER DESCRIPTIONSSP= Set Point- Desired Regulation Temperaturer0=Differential or Hysteresisr1=Lower Set Point Limitr2=Higher Set Point Limitd0=Humidifying/Dehumidifying Control-Humidifying:To choose Humidifying Control: Set d0=HuThe output is activated when the relative humidityis less than the Set Point (SP)-r0 and disconnected if therelative humidity is >=SP.Dehumidifying:To choose Dehumidifying Control: Setd0=dH Theoutput is activated when the relative humidity is >SP+r0 and disconnected when the relative humidity is<=SP.c0=Minimum Time Between Start and Stop.c1=Continuous Cycle Time.The time the load is connected when a continuous cycle is activated. To view theprogrammed cycle time from the display, press the downarrow button for 8 seconds. The display will blink asindication. The output will be connected during the number of hours indicated by the c) parameter. To cancel thecontinuous cycle, press and hold the down arrow buttonagain for 8 seconds.Lc=RH value for 4mA input. Parameter for use with 4 to 20 mA output probe.Hc=RH value for 20mA input. Parameter for use with 4 to 20 mA output probe.P1=Probe Adjustment. Offset degrees to adjust probe. If the probe is not placed in the exact point that is to bemeasured, use a standard hygrometer and adjust thedifference with this parameter.P5=Probe Type. (Set from the factory.) DO NOTADJUST.H5=Access to Probe Parameters. (The code is set to 0 from the factory.)PARAMETER PROGRAMMINGSet Point (SP) is the only parameter the user can access without code protection.•Press SET. SP text will appear on the display.•Press SET again. The real value is shown on the display.•The value can be modified with the UP and DOWN arrows.•Press SET to enter any new values.•Press SET and DOWN at the same time to quitprogramming or wait one minute and the display willautomatically exit programming mode.*The keyboard code can be reset to ZERO by turningoff the controller and turning it on again whilekeeping the SET key depressed.Access to all code protected parameters.•Press SET for 8 seconds. The access code value 00 is shown on the display. (Unit comes with code set at 00from factory).•With the UP and DOWN arrows, code can be set to user needs.•Press SET to enter the code. If code is correct, the first parameter label is shown on the display (SP).•Move to the desired parameter with the UP and DOWN keys.•Press SET to view the value on the display.•The value can be modified with the UP and DOWN arrows.•Press SET to enter the value and exit to text parameter.•Repeat until all necessary parameters are modified.•Press SET and DOWN at the same time to quitprogramming or wait one minute and the display willautomatically exit programming mode.LED INDICATIONSOUT This indicates the load is connected. The system waits for the programmed minimum stop time ofthe load.DISPLAY MESSAGESIn normal operation, the humidity will be shown on the display. In case of alarm or error, the following messages will be shown:•Er=Memory Error•--= Short-Circuit Probe Error.•oo= Open Probe Error.In the event an error occurs, the unit follows a fixed working cycle which connects the load for 5 minutes and then disconnects the load for 5 minutes alternately.MAINTENANCE/REPAIRA fter final installation of the HS Series Digital Humidity Switch, no routine maintenance is required. A periodic check of system calibration is recommended. The devices are not field repairable and should be returned to the factory if recalibration or other service is required. After first obtaining a Returned Goods Authorization (RGA) number, send the material, freight prepaid, to the following address. Please include a clear description of the problem plus any application informationavailable.Dwyer InstrumentsAttn: Repair Department102 Highway 212Michigan City, IN 46360 U.S.ACopyright 2003 Dwyer Instruments, Inc.Printed in the U.S.A. 11/2003 L O V E C O N T R O L S DIVISIONDWYER INSTRUMENTS, INC.Phone: 219/879-8000 P.O. BOX 338 • MICHIGAN CITY, INDIANA 46361, U.S.A. Fax:219/872-9057e-mail: love @。
HS经济型系列红外温度传感器使用说明书一、概述台湾LETON雷特科技HS经济型系列在线式红外温度传感器为一体化、集成式红外温度传感器,具有实时响应时间快、灵敏度高、非接触式、使用安全及寿命长等优点。
光学系统与电子线路共同集成在不锈钢外壳内。
壳体上的标准螺纹可与固定安装部位快速连接,便于安装。
同时还可加装各种选件(如气管吹扫器、独立安装支架、可调安装支架、防尘防水保护罩、冷却装置等)以满足各种工况场合的特殊环境要求。
二、主要应该范围主要应用于石油化工、科学实验、印刷造纸食品加工、干燥、纺织、制药、配电柜、耐火材料包装、滚筒覆膜机、电机等难以直接接触危险或快速移动物体的测温。
本系列红外温度传感器对光亮或抛光金属物体测温效果不佳,金属表面需有涂层或粘贴耐高温胶带方可达到准确的测量效果。
三、红外测温原理红外线是一种电磁波,波长在0.76~100μm之间,一切温度高于绝对零度(-273.16℃)的物体都在不停地向周围空间发出红外辐射能量,物体的红外辐射能量的大小及其波长的分布与它的表面温度有着密切的关系。
因此,通过对物体自身辐射的红外能量的测量,便能准确地测定它的表面温度,这是红外辐射测温所依据的基础。
红外温度传感器是一种热电子传感器,红外温度传感器主要由以下部件组成:———光学系统(透镜/光谱滤波器)———光电探测器———电子放大器———信号处理辐射体发出的红外辐射,进入光学系统,经调制器把红外辐射调制成交变辐射,由探测器和电子线路将红外辐射的功率能量转变成为相应的电信号。
四、HS系列主要特点1、高精度:测量值±1%或±2℃(取大值)2、快速响应时间:300ms的快速响应速度3、距离系数比:D:S=25:14、抗干扰性高:电源、模拟输出相互隔离,具有较强的抗电源电磁干扰功能5、坚固的不锈钢外壳,具有耐腐蚀功能6、测温范围广:0~1300℃7、多种输出方式可选:4~20mA(二线制)或0~5VDC(四线制)(0~10VDC输出需定制)8、具有信号短路和电源接反自我保护功能五、光路图(D :S=25:1)及外观尺寸图六、技术参数 七、电气安装接线1、4~20mA 二线制电流输出型:2、0~5VDC 四线制电压输出型:八、质量保证每台仪器出厂都经过合格的质量检验程序,如果使用过程发生任何问题,请立即联系服务商。
雅麦柯变频器HS3000说明书1. 引言本文档是针对雅麦柯变频器HS3000的详细说明书。
本产品是一种高性能的变频器,可广泛应用于工业自动化控制系统中。
本说明书旨在帮助用户了解如何正确安装、操作和维护雅麦柯变频器HS3000。
2. 产品概述雅麦柯变频器HS3000是一种采用先进的电子技术和控制算法设计的设备,用于调节电机的转速和输出功率。
它具有高效、稳定、可靠的特点,能够满足各种工业应用需求。
主要特点: - 多种工作模式:恒定转速控制、恒定扭矩控制、速度闭环控制等;- 宽电压输入范围:适用于不同国家和地区的电源标准; - 多重保护功能:过流保护、过载保护、短路保护等; - 高效节能:通过精确调整电机转速,降低能源消耗; - 易于安装和调试:提供全面的安装指南和调试手册。
3. 安全注意事项在安装、操作和维护雅麦柯变频器HS3000时,请务必遵守以下安全注意事项: 1. 在进行任何操作前,确保断开电源并等待足够的冷却时间。
2. 使用正确的工具和设备进行安装和维护,确保工作环境干燥、通风良好。
3. 严禁在潮湿或易燃易爆的环境中使用变频器。
4. 避免将金属物体放置在变频器上,以防触电或引起故障。
5. 请勿随意更改变频器的参数设置,以免影响正常运行。
6. 定期检查电缆连接是否松动,并及时修复或更换损坏的部件。
4. 安装步骤正确的安装过程对于保证雅麦柯变频器HS3000的正常运行至关重要。
下面是一些基本的安装步骤:步骤1:准备工作•确保已经断开电源并等待冷却。
•检查包装盒内是否有损坏,如有损坏请联系供应商。
步骤2:选择合适的安装位置•选择一个干燥、通风良好的位置,远离水源和易燃物。
•确保变频器与电机之间的距离不超过规定范围。
步骤3:安装电机和变频器•根据电机和变频器的安装指南,正确连接电缆和接线端子。
•严格按照接线图和标识进行连接,确保接线正确无误。
步骤4:接通电源并调试•确保所有连接已经牢固并紧固。
HS 401 定位仪使用说明书目录注意事项 (4)特别提醒/电源 (4)电气指标 (4)一、操作界面 (6)打开电源 (6)使用功能键 (6)定位程序工具条 (8)程序复位 (9)关闭电源 (9)二、定位过程 (10)准备工作 (10)开始定位 (10)偏差补偿 (13)测量后倾角 (17)调整并打印输出 (20)三、其他功能介绍 (22)补偿方式 (22)滚动补偿 (22)举升补偿 (22)车辆规格 (23)数据库更新 (23)手动输入车型数据 (23)保存规格值 (25)Webspec方法更新车型数据 (28)其他附加测量 (32)转向提前角 (32)最大转向角 (34)框架角度测量 (35)对称角\退缩角测量 (36)底盘高度测量 (38)轮胎状态 (39)轮胎信息 (40)工作单管理 (40)保存工作单 (40)查看工作单 (41)WINTOE 前束调整系统 (44)车轴举升调整 (45)定位仪设置 (45)四、维护和清洁 (50)常规传感器的维护和清洁 (50)目标板维护和清洁 (50)摄像头维护 (50)操作打印机 (51)更换墨盒 (51)电子密码锁 (51)定位仪的标定 (52)五、其他信息 (53)定位类型 (53)几何中心定位 (53)推进线定位 (53)四轮定位 (54)定位角度和测量 (54)外倾角 (55)后倾角 (55)框架角 (56)几何中心线 (56)包容角(I.A.) (56)单前束 (57)底盘高度 (58)退缩角 (58)内倾角(S.A.I.) (59)推进线和推进角 (59)总前束 (60)转向角差 (60)附录 (61)定位仪标定指导 (61)1 1.标定检查方法 (61)2 2.定位仪标定方法 (66)注意事项阅读并遵循设备和工具上贴的所有提醒和警告标签。
设备的错误使用可能造成人身伤害,并缩短定位仪的使用寿命。
在车辆开上举升机后,一定要在左侧后轮前后垫上挡块。
HS SERIES MANUAL惠威HS系列室内/室外扬声器配件--阻抗匹配音量控制器:注:3种配件有各种不同的功率选择,在本手册中只做了一个通用性的安装介绍,具体的功率选择请根据您的需要向我们订安装及连接3. 请勿将产品安装过于靠近热源(如火炉,散热器或其他的散热设备)。
4. 对于室外安装,接好线后,请用绝缘胶布包住接线柱,以避免雨水造成的不良影响。
警告:用户未经生产商许可对此产品所作的一切修改与操作都是无效且未经授权的。
我们不承担任何责任。
2欧姆1X1X2X2X4X 4X4X4X4X8X8X8X8X8X8X8X8欧姆6欧姆4欧姆功放最小负载阻抗2欧姆8欧姆6欧姆4欧姆2欧姆8欧姆6欧姆4欧姆功放最小负载阻抗功放最小负载阻抗1X 2X 4X 4X 4X8X 8X 8X 8X 8X 16X 16X 16X 16X 16X 16X 123456789101112131415162X 4X 8X 8X 16X 16X 16X 16X 16X 8X 16X 16X 16X 16X 2X 4X 4X 8X 8X 8X 8X 16X 16X 16X 16X 16X 16X 16X 16X 16X 16X 16X 1234567891011121314151612345678910111213141516对于8Ω扬声器的跳线设置/扬声器的数量(对)对于6Ω扬声器的跳线设置/扬声器的数量(对)对于4Ω扬声器的跳线设置/扬声器的数量(对)2X 4X 4X 4X 8X 8X 8X 16X 16X 16X 16X 16X 16X 16X 16X 16X 1X 2X 4X 4X 4X 8X 8X 8X 8X 8X 16X 16X 16X 16X 16X 16X 1X 2X 2X 4X 4X 4X 4X 8X 8X 8X 8X 8X 16X 16X 16X 16X 1X 1X 1X 1X2X2X 4X 4X 4X 4X 4X 4X 8X 8X 8X 8X 1X 2X 4X 4X 4X 8X 8X 8X 8X 8X 16X 16X 16X 16X 16X 16X 1X 2X 4X 4X 4X 4X 8X 8X 8X 8X 8X 16X 16X 16X 16X 16X 1X 1X 2X 2X 4X 4X 4X 4X 4X 8X 8X 8X 8X 8X 8X 8X 1X1X1X1X2X2X 2X 2X 4X 4X 4X 4X 4X 4X 4X 4X图2附录 A阻抗匹配音量控制器的使用:阻抗匹配音量控制器的用途就是补偿由于多个喇叭和一个功放连接所造成的阻抗减少。
目录1. 前言2. 汽轮机的技术规范及结构说明2.1 技术规范2.2 机组结构及布置说明2.3 汽水系统2.4调节和控制系统2.5 供油系统3. 汽轮机组的安装3.1 安装前的准备工作3.2 汽轮机的安装4. 起动和运行4.1 起动前的准备4.2 起动4.3 停机5. 运行维护及停机保养6.505程序使用卡(0-0350-3320-220)1. 前言本说明书向用户简单介绍汽轮机的结构及其一般特性,帮助用户了解该机组的性能和结构特点,用户和安装单位在编制详细的安装和操作规程时可作为参考。
本型号汽轮机为中压背压式汽轮机。
汽轮机排汽可供热用户工业用汽需要。
广泛适用于化工、冶金、轻工等工矿企业。
本机组采用WOODWARD 505数字电子调节器,并配有必要的保安装置,以确保机组安全运行。
多种监视仪表及保安信号集中在仪表柜上,以方便维护和监视。
启动和停机都编制了程序,可在控制系统的前面板上直接操作。
因此,本机组具有安全可靠、结构紧凑、操作维护简单和自动化程度较高等一系列优点。
机组的布置为双层式,运行层平台高度由用户确定。
机组出厂时,我公司随机提供一套汽机易损件备件,其品种和数量详见备品备件清单,用户另有特殊要求时,可随时向我公司订购备件。
2. 汽轮机的技术规范及结构说明2.1 技术规范型号:B3-3.53/0.59型式:单缸直联背压式额定功率:3000kW汽机额定转速:3000r/min压缩机额定转速:375r/min转向:顺汽流方向看为顺时针进汽压力:3.53+0.3-0.2MPa(a)进汽温度:435+10-15℃排汽压力:0.59 +0.2-0.1MPa(a)振动:正常运转时,最大允许振动值30μm。
汽轮机本体:转子重:3170 kg上盖起吊重:7200 kg本体部分重:19200 kg本体外形尺寸(长×宽×高):3200×3300×3500调节系统:压力电调输入信号4~20mA:保安系统:危急遮断器动作转速:3270~3330 r/min轴向位移保护动作间隙:报警:0.4mm停机:0.6mm辅助油泵连锁:启动:压力油油压:≤0.6 MPa油路系统:调节油压:0.85 MPa 润滑油压:0.25 MPa 油箱:容积:6.3 m3双联冷油器:冷却面积:2×45 m2冷却水量:2×56 t/h润滑油滤油器滤油精度: 20 μm流量: 60 m3/h控制油滤油器滤油精度: 10 μm流量: 30 m3/h电动油泵(主、辅助泵):型号:100YL-100型式:离心、立式电压:380 V功率:55 Kw电动油泵(事故泵):型号:YLB-300型式:离心、立式电压:380 V功率:11 Kw2.2 机组结构及布置说明(参见我公司提供的汽轮机总布置图及有关部套图)汽轮机通流部分由一个双列调节级和四个压力级组成,汽轮机汽缸上、下分缸,由水平中分面螺栓联接,汽缸选用耐热耐压铬钼合金铸钢材料。
SOE测试信号发生器HS-256应用介绍北京华箭英泰电子科技有限公司一、HS-256测试信号发生器技术条件1-1、电气参数输出通道数: 256接点特性:无极性光电隔离(100V50mA)触发方式:顺序触发、组群触发、脉冲触发触发间隔:0.1~5ms (以0.1mS为单位任意可调).精度:≤3us工作电源:AC220V工作温度:-10~55℃产品寿命:10万小时输出模拟接点特性:开路电压:≥300V(D C)电流容量:≥100mA隔离特性:≥1000V(任意通道之间,通道和输入电源之间)设备外型:便携手提箱 500*400*200mm重量:8.0KG模拟触发接点特性项目单位规范测试条件注释最小典型最大开路耐压V 80 100 Is=0.5uA 图1-3 导通压降V 2.4 2.6 If=100mA 图1-4 电流容量mA 50 Vs=2.4V 图1-4 隔离特性MΩ10 Vce=300V 图1-5 注:测试装置断电时所有接点为开路状态1-2、系统连接方式见附图二1-3、外形及安装尺寸见附图三1-4、设备成套性1-4-1、SOE测试信号发生器主机1-4-2、DB37转接专用测试电缆线1-4-3、AC电源线1-4-4、使用说明书二、使用说明2-1、系统连接2-1-1、HS-256的面板布局如下图所示。
T1H-T8L为DB37连接器插座。
其中每个插座含16个输出通道。
触发输出顺序按T1H-T8L,而每个输出插座内是按1-16(指示灯为0-F)顺序触发的。
这样,一共有256个输出通道,任意相邻通道之间的触发间隔时间是严格一致的。
2-1-2、输出插座(DB37)上的接线排列如下线号1,20 2,21 3,22 4,23 5,24 6,25 7,26 8,27通道Q1 Q2 Q3 Q4 Q5 Q6 Q7 Q8线号9,28 10,29 11,30 12,31 13,32 14,33 15,34 16,35通道Q9 Q10 Q11 Q12 Q13 Q14 Q15 Q162-1-3、根据不同SOE系统类型,HS-256的输出接线方式有两种。
273 Branchport AvenueLong Branch, NJ 07740 Thank you for using our products.(800) 631-2148 INSTALLATION INSTRUCTIONSHS-24 APPLIANCEUse this product according to this instruction manual. Please keep this instruction manual for future reference.GENERAL:The HS-24 Appliance can be field set to provide either Continuous Horn or Code 3 Horn. It can provide a continuous horn tone when connected directly to the Fire Alarm Control Panel (FACP), or synchronized Code 3 Horn when used in conjunction with the Sync Module (SM), Dual Sync Module (DSM) or Wheelock’s Power Supplies. Audible Horn Appliance can be field set to provide either High (HI) dBA, Medium (MED) dBA or Low (LO) dBA sound output and can be used on coded systems in which the applied voltage is cycled on and off. The HS-24 Appliance is UL Listed under Standard 464 for Audible Signal Appliances and also ULC Listed under Standard CAN/ULC-S525-99 for Audible Signaling Appliances for Fire Alarm Systems. It is listed for indoor use only and can be mounted to double-gang, 4” backbox, 100mm European backbox or SHBB surface backbox (See Mounting Options).The HS-24 is designed for use with either filtered DC or unfiltered Full-Wave-Rectified (FWR) input voltage. All inputs are polarized for compatibility with standard reverse polarity supervision of circuit wiring by a Fire Alarm Control Panel (FACP).NOTE: All CAUTIONS and WARNINGSFAILURE TO COMPLY WITH ANY OF THE FOLLOWING INSTRUCTIONS, CAUTIONS AND WARNINGS COULD RESULT IN IMPROPER APPLICATION, CANDELA SETTING, INSTALLATION AND/OR OPERATION OF THESE PRODUCTS IN AN EMERGENCY SITUATION, WHICH COULD RESULT IN PROPERTY DAMAGE AND SERIOUS INJURY OR DEATH TO YOU AND/OR OTHERS.SPECIFICATIONS:Table 1: UL Listed Models and RatingsMaximum RMS Current (AMPS) Model Regulated Voltage (VDC/VRMS)Voltage Range Limit Per UL 464 Lo Med Hi DC 16-33VDC 0.027 0.068 0.110 HS-24 24 FWR 16-33VRMS 0.041 0.050 0.094Table 1A: ULC Current Ratings (AMPS) Lo Med Hi ModelULC Voltage MEAN RMS MEAN RMS MEAN RMS 20.0VDC 0.014 0.018 0.020 0.033 0.035 0.067 24.0VDC 0.017 0.024 0.026 0.052 0.055 0.098 31.0VDC 0.021 0.027 0.035 0.068 0.069 0.11020.0VRMS ------ 0.016 ------ 0.028 ------ 0.05224.0VRMS ------ 0.031 ------ 0.043 ------ 0.075HS-24 31.0VRMS ------ 0.041 ------ 0.050 ------ 0.094Copyright 2005 Wheelock, Inc. All rights reserved.Table 2: dBA Sound Output for 24VDC ModelsDescription Volume Reverberant Per UL 464Anechoic dBA @ 10 Feet16.0VD C 24VDC 33.0VD C 20.0VD C 24VDC 31.0VDCLow 80 83 86 86 90 92 Medium 85 88 91 91 9598 Continuous Horn High 88 91 93 95 99101Low 75 79 82 86 9092Code 3 Horn Medium 80 84 86 91 95 98High 84 87 89 95 99 101BATTERY AND SUBTRACT THE VOLTAGE DROP FROM THE CIRCUIT WIRING RESISTANCE TO DETERMINE THE APPPLIED VOLTAGE TO THE APPLIANCES.Figure 1: ULC Directional Characteristics81dB 95dB85dB-3dB -3dB-6dB 95dB-6dBNOTES:1. The HS-24 is UL Listed for indoor use with a temperature range of +32°F to +120°F (0°C to +49°C) and maximumhumidity of 93% ± 2% RH.LIMITS OF 16-33 VOLTS USING FILTERED (DC) OR UNFILTERED FULL-WAVE-RECTIFIED (FWR). DO NOT APPLY 80% AND 110% OF THESE VOLTAGE VALUES FOR SYSTEM OPERATION.LIMITS OF 20-31 VOLTS USING FILTERED (DC) OR UNFILTERED FULL-WAVE-RECTIFIED (FWR). APPLY 80% AND 110% OF THESE VOLTAGE VALUES FOR SYSTEM OPERATION.REQUIRED BY ALL APPLIANCES THAT ARE CONNECTED TO THE SYSTEM’S PRIMARY AND SECONDARY POWER SOURCES, SIGNALING CIRCUITS, SM, DSM SYNC MODULES AND WHEELOCK’S POWER SUPPLIES DO NOT EXCEED THE POWER SOURCES’ RATED CAPACITY OR THE CURRENT RATINGS OF ANY FUSES ON THE CIRCUITS TO WHICH THIS APPLIANCE IS WIRED. OVERLOADING POWER SOURCES OR EXCEEDING FUSE RATINGS COULD RESULT IN LOSS OF POWER AND FAILURE TO ALERT OCCUPANTS DURING AN EMERGENCY, WHICH COULD RESULT IN PROPERTY DAMAGE AND SERIOUS INJURY OR DEATH TO YOU AND/OR OTHERS.When calculating the total currents: Use Table 1/1A to determine the highest value of “RMS Current” or “Average Current” for an individual horn (across the expected operating voltage range of the horn), then multiply these values by the total number of horns; be sure to add the currents for any other appliances, including audible signaling appliances, powered by the same source and include any required safety factors.If the peak current exceeds the power supplies’ peak capacity, the output voltage provided by the power supplies may drop below the listed voltage range of the appliances connected to the supply and the voltage may not recover in some types of power supplies. For example, an auxiliary power supply that lacks filtering at its output stage (either via lack of capacitance and/or lack of battery backup across the output) may exhibit this characteristic.OUTPUT LEVEL BEFORE IT IS INSTALLED. THIS IS DONE BY PROPERLY INSERTING JUMPER PLUGS IN ACCORDANCE WITH THESE INSTRUCTIONS. INCORRECT SETTINGS WILL RESULT IN IMPROPER PERFORMANCE, WHICH COULD RESULT IN PROPERTY DAMAGE AND SERIOUS INJURY OR DEATH TO YOU AND/OR OTHERS.SOUND OUTPUT (SPL) SETTINGS:NOTE: The Code 3 Horn incorporates the temporal pattern (1/2 second on, 1/2 second off, 1/2 second on, 1/2 second off, 1/2 second on, 1-1/2 off and repeat) specified by ANSI/NFPA for standard emergency evacuation signaling. The Code 3 Horn should be used only for fire evacuation signaling and not for any other purpose.Figure 2: Showing Location of Jumper PlugsFactory setting is on Medium dB and Code 3.Figure 3: Jumper Plug Settings for High, Medium, Low dB, Code 3 Horn and Continuous Horn Setting. HIGH LOW H 33SETTING HORN SETTING HORN J2J2J2M L MEDIUM SETTING HORN CODE 3SETTING HORN CONTINUOUS SETTING* HORN(Use needle nose pliers to pull and properly insert the jumper plug.)No jumper plug is needed for continuous horn setting. However, it is recommended that the jumper plug be retained in the unit for future use (if needed) as shown in Figure 3.NOTE: The HS-24 must be set for Code 3 horn when used with the sync module. Refer to Sync Module Installation Instruction sheets SM (P83123), DSM (P83177) and Wheelock’s Power Supplies for additional information. If the HS-24 is connected to a coded system the continuous horn setting must be usedFigure 3:1.HS-24 Appliance has in-out wiring terminals that accept two #12 to #18 American Wire Gauge(AWG) wires at each screw terminal. Strip leads 3/8” inches for connection to screw terminals.2.Break all in-out wire runs on supervised circuits or circuits in which supervision is used as shownin Figure 3. The polarity shown in the wiring diagrams is for the operation of the appliances. Thepolarity is reversed by the FACP during supervision.MOUNTING OPTIONS:The following figures show the maximum number of field wires (conductors) that can enter the backbox used with each mounting option. If these limits are exceeded, there may be insufficient space in the backbox to accommodate the field wires and stresses from the wires could damage the product.Although the limits shown for each mounting option comply with the National Electrical Code (NEC), Wheelock recommends use of the largest backbox option shown and the use of approved stranded field wires, whenever possible, to provide additional wiring room for easy installation and minimum stress on the product from wiring.MOUNTING PROCEDURES:Use this mounting procedure to position the field wires in the backbox so that they use minimum space and produce minimum stress on the product. This is especially important for stiff, heavy gauge wires and wires with thick insulation or sheathing.1.Connect field wires to the HS-24 terminal block (polarity must be observed).2.Bend the field wires up 90° at the connection to the terminal block.3.Carefully push the field wires into the backbox by hand.4.Carefully press the HS-24 to the backbox, verifying that the HS-24 is seated and aligned correctly.5.Screw the HS-24 to the backbox using the screws supplied. Refer to Mounting Options for screw size.MOUNTING NOTES:Check that the installed product will have sufficient clearance and wiring room prior to installing backboxes and conduit, especially if sheathed multiconductor cable or 3/4" conduit fittings are used.1. Conduit entrances to the backbox should be selected to provide sufficient wiring clearance for the installed product.2.When terminating field wires, do not use more lead length than required. Excess lead length could result in insufficientwiring space for the signaling appliance.3.Do not pass additional wires (used for other than the signaling appliance) through the backbox. Such additional wires couldresult in insufficient wiring space for the signaling appliance.If these appliances are operated within 15 inches of a person's ear, they can produce a sound pressure level that exceeds the maximum 120dBA permitted by ADA and OSHA rules. Exposure to such sound levels can result in damage to a person's hearing.This appliance can produce a distinctive three pulse Temporal Pattern Fire Alarm Evacuation Signal (for total evacuation) inCheck the installation instructions of the manufacturers of other equipment used in the system for any guidelines or restrictions on wiring and/or locating Notification Appliance Circuits (NAC) and notification appliances. Some system communication circuits and/or audio circuits, for example, may require special precautions to assure electrical noise immunity (e.g. audio crosstalk).NOTE: This equipment has been tested and found to comply with the limits for a Class B digital appliance, pursuant to Part 15 of the FCC Rules. These limits are designed to provide reasonable protection against harmful interference in residential installation. This equipment generates, uses and can radiate radio frequency energy and, if not installed and used in accordance with the instructions, may cause harmful interference to radio communications. However, there is no guarantee that interference will not occur in a particular installation. If this equipment does cause harmful interference to radio or television reception, which can be determined by turning the equipment off and on, the user is encouraged to try to correct the interference by one or more of the following measures: 1) Reorient or relocate the receiving antenna, 2) Increase the separation between the equipment and receiver, 3) Connect the equipment into an outlet on a circuit different from that to which the receiver is connected, and 4) Consult the dealer or an experienced radio/TV technician for help.The HS-24 and these instructions are copyrighted by Wheelock and the HS-24 contain proprietary, confidential and trade secrets of Wheelock. No part of the HS-24 product and these instructions may be photocopied, printed or reproduced in any form or modified, adapted, changed or enhanced, or converted to another programming language, or used to create updated, related or derivative works, without the prior written consent of Wheelock. No part of the HS Series products shall be decomposed, disassembled or reverse engineered.ANY MATERIAL EXTRAPOLATED FROM THIS DOCUMENT OR FROM WHEELOCK MANUALS OR OTHER DOCUMENTS DESCRIBING THE PRODUCT FOR USE IN PROMOTIONAL OR ADVERTISING CLAIMS, OR FOR ANY OTHER USE, INCLUDING DESCRIPTION OF THE PRODUCT'S APPLICATION, OPERATION, INSTALLATION AND TESTING IS USED AT THE SOLE RISK OF THE USER AND WHEELOCK WILL NOT HAVE ANY LIABILITY FOR SUCH USE.IMPORTANT: READ SEPARATE "GENERAL INFORMATION" SHEET FOR INFORMATION ON THE PLACEMENT, LIMITATIONS, INSTALLATION, FINAL CHECKOUT, AND PERIODIC TESTING OF NOTIFICATION APPLIANCES.Limited WarrantyWheelock products must be used within their published specifications and must be PROPERLY specified, applied, installed, operated, maintained and operationally tested in accordance with these instructions at the time of installation and at least twice a year or more often and in accordance with local, state and federal codes, regulations and laws. Specification, application, installation, operation, maintenance and testing must be performed by qualified personnel for proper operation in accordance with all of the latest National Fire Protection Association (NFPA), Underwriters' Laboratories (UL), Underwriters’ Laboratories of Canada (ULC), National Electrical Code (NEC), Occupational Safety and Health Administration (OSHA), local, state, county, province, district, federal and other applicable building and fire standards, guidelines, regulations, laws and codes including, but not limited to, all appendices and amendments and the requirements of the local authority having jurisdiction (AHJ). Wheelock products when properly specified, applied, installed, operated, maintained and operationally tested as provided above are warranted against mechanical and electrical defects for a period of three years from date of manufacture (as determined by date code). Correction of defects by repair or replacement shall be at Wheelock's sole discretion and shall constitute fulfillment of all obligations under this warranty. THE FOREGOING LIMITED WARRANTY SHALL IMMEDIATELY TERMINATE IN THE EVENT ANY PART NOT FURNISHED BY WHEELOCK IS INSTALLED IN THE PRODUCT. THE FOREGOING LIMITED WARRANTY SPECIFICALLY EXCLUDES ANY SOFTWARE REQUIRED FOR THE OPERATION OF OR INCLUDED IN A PRODUCT. WHEELOCK MAKES NO REPRESENTATION OR WARRANTY OF ANY OTHER KIND, EXPRESS, IMPLIED OR STATUTORY WHETHER AS TO MERCHANTABILITY, FITNESS FOR A PARTICULAR PURPOSE OR ANY OTHER MATTER.USERS ARE SOLELY RESPONSIBLE FOR DETERMINING WHETHER A PRODUCT IS SUITABLE FOR THE USER'S PURPOSES, OR WHETHER IT WILL ACHIEVE THE USER'S INTENDED RESULTS. THERE IS NO WARRANTY AGAINST DAMAGE RESULTING FROM MISAPPLICATION, IMPROPER SPECIFICATION, ABUSE, ACCIDENT OR OTHER OPERATING CONDITIONS BEYOND WHEELOCK'S CONTROL.SOME WHEELOCK PRODUCTS CONTAIN SOFTWARE. WITH RESPECT TO THOSE PRODUCTS, WHEELOCK DOES NOT WARRANTY THAT THE OPERATION OF THE SOFTWARE WILL BE UNINTERRUPTED OR ERROR-FREE OR THAT THE SOFTWARE WILL MEET ANY OTHER STANDARD OF PERFORMANCE, OR THAT THE FUNCTIONS OR PERFORMANCE OF THE SOFTWARE WILL MEET THE USER'S REQUIREMENTS. WHEELOCK SHALL NOT BE LIABLE FOR ANY DELAYS, BREAKDOWNS, INTERRUPTIONS, LOSS, DESTRUCTION, ALTERATION, OR OTHER PROBLEMS IN THE USE OF A PRODUCT ARISING OUT OF OR CAUSED BY THE SOFTWARE.THE LIABILITY OF WHEELOCK ARISING OUT OF THE SUPPLYING OF A PRODUCT, OR ITS USE, WHETHER ON WARRANTIES, NEGLIGENCE, OR OTHERWISE, SHALL NOT IN ANY CASE EXCEED THE COST OF CORRECTING DEFECTS AS STATED IN THE LIMITED WARRANTY AND UPON EXPIRATION OF THE WARRANTY PERIOD ALL SUCH LIABILITY SHALL TERMINATE. WHEELOCK IS NOT LIABLE FOR LABOR COSTS INCURRED IN REMOVAL, REINSTALLATION OR REPAIR OF THE PRODUCT BY ANYONE OTHER THAN WHEELOCK OR FOR DAMAGE OF ANY TYPE WHATSOEVER, INCLUDING BUT NOT LIMITED TO, LOSS OF PROFIT OR INCIDENTAL OR CONSEQUENTIAL DAMAGES. THE FOREGOING SHALL CONSTITUTE THE SOLE REMEDY OF THE PURCHASER AND THE EXCLUSIVE LIABILITY OF WHEELOCK.IN NO CASE WILL WHEELOCK'S LIABILITY EXCEED THE PURCHASE PRICE PAID FOR A PRODUCT.Limitation of LiabilityWHEELOCK'S LIABILITY ON ANY CLAIM OF ANY KIND, INCLUDING NEGLIGENCE AND BREACH OF WARRANTY, FOR ANY LOSS OR DAMAGE RESULTING FROM, ARISING OUT OF, OR CONNECTED WITH THIS CONTRACT, OR FROM THE MANUFACTURE, SALE, DELIVERY, RESALE, REPAIR OR USE OF ANY PRODUCT COVERED BY THIS ORDER SHALL BE LIMITED TO THE PRICE APPLICABLE TO THE PRODUCT OR PART THEREOF WHICH GIVES RISE TO THE CLAIM. WHEELOCK'S LIABILITY ON ANY CLAIM OF ANY KIND SHALL CEASE IMMEDIATELY UPON THE INSTALLATION IN THE PRODUCT OF ANY PART NOT FURNISHED BY WHEELOCK. IN NO EVENT SHALL WHEELOCK BE LIABLE FOR ANY CLAIM OF ANY KIND UNLESS IT IS PROVEN THAT OUR PRODUCT WAS A DIRECT CAUSE OF SUCH CLAIM. FURTHER, IN NO EVENT, INCLUDING IN THE CASE OF A CLAIM OF NEGLIGENCE, SHALL WHEELOCK BE LIABLE FOR INCIDENTAL OR CONSEQUENTIAL DAMAGES. SOME STATES DO NOT ALLOW THE EXCLUSION OR LIMITATION OF INCIDENTAL OR CONSEQUENTIAL DAMAGES, SO THE PRECEDING LIMITATION MAY NOT APPLY TO ALL PURCHASERS.5/05。
科视ChristieHS 系列性能卓越的1DLP 激光投影机礼堂企业场所和会议室娱乐景点行业宗教场所酒店现场活动和会议租赁和舞台贸易展全能型产品超群实力,任你享有11DWU1612 和 DWU2022暂无Twist和Mystique功能HS 系列是科视Christie 研发的高性能1DLP® 激光投影机,几乎可为所有常用应用提供强大、 可靠、经济的解决方案。
科视Christie BoldColor 技术让色彩看起来更加逼真自然。
HS 系列树立了亮度、色彩精度、功率和体积的新标准,揭开了 1DLP 技术的新篇章。
1技术规格科视Christie 4K10-HS 科视Christie 4K7-HS 图像亮度(ISO 21118)• 11,000 流明• 7,600 流明色轮• 4 段(RGBY) :2X 速度对比度(标称化)• 全开、关( 启用科视Christie RealBlack™):2,000,000:1 • 动态对比度 5,000:1• 全开、关( 禁用科视Christie RealBlack™):1,100:1 • ANSI 250:1显示技术类型• 1 x 0.66" DMD 分辨率• 4K UHD (3840 x 2160,8.3MP)照明类型• 带科视Christie BoldColor技术的激光荧光体典型寿命• 20,000 小时信号输入标准• HDMI x 2 (HDCP 2.1 兼容)• DVI-D x 1 (仅数字)• DisplayPort x 1 (1.2 版)• USB x 1 (A 型)• HDBaseT (RJ45 x 1) 标配于 4K10-HS 及选配于 4K7-HS选配• Terra SDVoE ( 选配输入卡)• 3GSDI x 1 (BNC)• Wi-Fi 接收器• USB host 2.0• HDBaseT (RJ45 x 1) (4K7-HS可选)• 注:HDBaseT 标配于 4K10-HS及选配于 4K7-HS,但占用 2 个输入插槽中一个信号• 标准视频信号,高达 4096 x 2160 @ 60Hz (单根电缆;HDMI 2.0 或 DP 1.2)• 保持纵横比不变,水平和垂直缩放( 全输入)3D • HDMI 1.4,HDBaseT – 可堆叠、上下、并排(最高 120Hz 输入)• 可选信号输入通过 HDMI,DP and DVI 传输高达 1920x1080 @120Hz • 3D 同步输入( BNC)– 同步锁定投影机• 3D 同步输入( BNC)– 同步锁定或控制发射器或偏光器像素时钟• 最大输入像素速率 594 Mpix/s (支持 4096 x 2160 @ 60Hz / 3840 x 2160 @ 60Hz,通过 HDMI 和 DP 传输)• 最低输入像素速率 27 Mpix/s ( 支持 480i @ 60Hz & 576i @ 50Hz)扫描速率• 水平: 15-91kHz • 垂直: 24-120Hz 信号输出监控输出 (环路)• 3GSDI x 1 (BNC)(选配)• HDMI x 1 (HDMI 输出)控制和联网• RS232 输入 • HDBaseT 控制 • 以太网 (10/100) RJ45• 内置背光键盘 • 有线遥控器 (3.5mm立体声)•菊花链环通输出变形和融合标准• 科视Christie Twist 选配• 科视Christie Twist Premium 和 Twist Pro • 科视Christie Mystique 基于相机自动校准镜头安装架• 孔径可调 • 机动水平和垂直镜头偏移( 记忆功能)• 电动变焦、聚焦( ILS 全套镜头带记忆功能)镜头选项• 0.38:1 超短焦镜头 • 0.85-1.02:1 变焦镜头 • 1.2-1.73:1 变焦镜头• 1.7-2.21:1 变焦镜头( 全套 ILS)• 2.12-2.83:1 变焦镜头( 全套 ILS)• 2.83-5.66:1 变焦镜头( 全套 ILS)• 5.66-10.18:1 变焦镜头( 全套 ILS)全套ILS镜头偏移• ±140% 垂直• ±60% 水平0.38:1 超短焦镜头偏移• ±135% 垂直 • ±60% 水平0.85-1.02:1 偏移• ±140% 垂直 • ±59% 水平1.2-1.73:1 偏移• ±140% 垂直 • ±60% 水平附件标准• 红外遥控器,带有线红外插孔( 不包括线缆) • 投影机交流电线 • 产品安全指南选配• 科视Christie One Mount Plus (140-117100-XX)• One Mount 延展杆 (121-125109-XX)• One Mount 吊装组 (用于 One Mount, One Mount Plus 延展杆) (121-126100-XX)• WiFi 连接 (133-113106-XX)• 扩展卡• HDBaseT (140-138103-XX)• SDVoE (140-139104-XX)• 3G-SDI (140-140106-XX)• 烟雾过滤器盒 (003-006596-XX)• 烟雾过滤器组件 (003-005715-XX)电源要求工作电压• 正常模式:100-240 VAC @ 50/60Hz (16A 保险丝)功耗• 最大功耗:1250W • 节能模式:630W 工作电流• 正常模式:12A (100-240 VAC) • 正常模式:8.5A (100-240 VAC) 散热• 正常模式:4265 BTU/hr • 节能模式:2150 BTU/hr • 正常模式:2900 BTU/hr • 节能模式:1587 BTU/hr可听噪音• 正常模式: 39dBA • 节能模式: 36dBA• 正常模式:36dBA • 节能模式:33dBA 物理尺寸• (长x宽x高) 600 x 520 x 214mm (23.6 x 20.5 x 8.4") 不包括脚垫交货尺寸• (长x宽x高) 1,005 x 860 x 365mm (39.6 x 33.9 x 14.4")重量 (不包括镜头)• 34kg (74.96lb.) 交货重量• 46.2kg (101.85 lb.)工作环境温度• 0-40°C (32-104°F)湿度• 10-85% (非冷凝)法定认证• RoHS, REACH, WEEE • CCC, CEL, CECP 质保• 投影机三年质保 • 发光系统三年或 1.5 万小时1• 请联系科视授权代表,了解有限质保的详细情况。
H D、H S系列开启式刀开关符合标准:GB/T 14048.3产品安装使用前,请仔细阅读使用说明书,并妥善保管,以备查阅。
警告1、不带灭弧室开关不能带负载操作,带有灭弧室的开关可分断相应的额定电流;若使用不带灭弧室的开关分断额定电流,因为没有灭弧装置, 开关在分断过程中所产生的拉弧现象无法避免,很可能会出现灼伤人、引起火灾、短路等危险。
对有灭弧室的刀开关在分断相应的额定电流时,严禁湿手操作开关,否则可能发生电 击事故。
2、不得将触头歪斜的产品投入使用 ;由于触头位置不正,触刀的接触面达 不到规定要求,若强行投入使用,产品触头温度会急剧升高而引起火灾等 危险。
注意1、刀开关安装场所应无爆炸危险、无腐蚀性气体,并应注意防潮、防尘、防 震动。
2、绝缘测试本刀开关出厂前已按标准规定进行绝缘测试,安装前如进行复测,必须按如下步骤:a) 在-5℃ ~ +40℃进行测量绝缘电阻;b) 用1000V兆欧表;c) 工频耐压施加部位;主触头处于闭合位置时:1)各极电器连接在一起与开关底板接地之间;2)每一极与相邻的极之间。
主触头处于断开位置时:1)连在一起的各极所有带电部分与开关底板接地之间;2)进线端各极连接在一起与出线端各级相连之间。
3)试验过程中不应发生绝缘击穿或闪络现象(泄漏电流不大于100mA)。
4)绝缘电阻应不小于10兆欧。
1 适用范围 HD开启式刀开关、HS刀形转换开关(以下简称刀开关),其额定工作频率为50Hz,额定工作电压交流400V,额定电流至3000A,在工业企业的配电设备中,用来接通及分断额定电流的交流电路或作隔离开关用(若接通和分断直流电路,用户与制造厂协商)。
其中:1.1 HD(HS)11中央手柄式的开关主要用于动力站, 不能用来断开带电的电路, 作为电气隔离之用。
1.2 HD(HS)12侧方正面杠杆操作机构式开关主要用于正面操作、前面维修的开关柜中,操作机构可以在柜的两侧安装。
1.3 HD(HS)13中央正面杠杆操作机构式开关主要用于正面操作、后面维修的开关柜中,操作机构装在正前方。
HS19264-1液晶模块使用说明书感谢您关注和使用我们的液晶产品。
如果您在使用中有任何疑问,请拨打我们的联系电话寻求技术支持和获取相关资料,我们竭诚为您服务。
您可以登录我们的网站了解最新产品信息。
或者您可以在我公司网站的留言簿栏目留下您宝贵的意见。
深圳汉昇实业有限公司SHENZHEN HANSHENG INDUSTRIAL CO.,LTD地址:深圳市南山区西丽镇牛成村208栋亿莱工业大厦5楼邮编:518055公司主页:联系电话:传真:一、 HS19264-1产品主要特性● 8位并行数据接口,适配M6800系列时序。
● 拥有64×64位(512字节)的显示存储器,其数据直接作为显示驱动信号。
● 简单的操作指令。
● 低功耗(具体参数见各款产品外形文件)二、 产品外形SCALE:A0.4580.4580.050.051.6BALED B/L TYPE 8.2MAX 12.5EL B/L TYPE NO B/L TYPE5.4MAX 10.0B A项 目 标 准 尺 寸 单位 模块体积 130.0×65.0×12.5maxmm 定位尺寸 121.0×53.0 mm 视 域 104.0×39.0 mm 点 阵 192×64 位 点 距 离 0.508×0.508 mm 点 大 小0.458×0.458mm三、 接口顺序序号符号功能说明1 VSS 电源地2 VDD 电源输入(+5V )3 V0 LCD 驱动电压输入端(对比度调节)4 RS 寄存器选择端 H :数据寄存器;L :命令寄存器5 R/W 读/写信号6 E 使能信号 7-14 DB0-DB7 数据总线15 /CS1 片选信号1,低有效,选择左屏16 /RST 复位信号,低有效17 /CS2 片选信号2,低有效,选择中屏 18 /CS3 片选信号3,低有效,选择右屏 19 VOUT 负压输入输出端 20 LEDA 背光正极四、 原理简图VDDV0LEDA LEDKCS1CS2CS319264点阵系列3片选模块原理框图五、 电气特性(测试条件 Ta=25,Vdd=5.0+/-0.25V)1. 逻辑工作电压(Vcc): 4.5~5.5V2. 电源地(GND): 0V3. 输入电压: 0~Vcc4. 输入高电平(Vih): 2.0~Vcc5. 输入低电平(Vil): 0~0.8V6. 输出高电平(Voh): 2.4min7. 输出低电平(Vol): 0~0.4V8. 模块工作电流: 见相关产品外形文件 9. 白侧光工作电流: 见相关产品外形文件 10. 底黄绿光工作电流: 见相关产品外形文件 11. 工作频率: 0.4~5.5MHz六、 工作时序图KS0108的操作时序图D0-D7(WRITE)D0-D7(READ)R/W /CS1 /CS2 CS3 D/IE时序参数表(Vdd=2.7~5.5V ,Vss=0V Ta= -20℃~+75℃)项目符号最小值最大值单位E 周期时间 Tcyc 1000 - nS E 高电平宽度 Pweh 450 - nS E 低电平宽度 Pwel 450 - nS E 上升时间 Tr - 25 nS E 下降时间 Tf - 25 nS 地址建立时间 Tas 140 - nS地址保持时间 Tah 10 - nS 数据建立时间 Tdsw 200 - Ns 数据延时时间 Tddr - 320 Ns 数据保持时间(写) Tdhw 10 - nS 数据保持时间(读) Tdhr 20 - Ns七、 指令说明指令名称 控制状态 指令代码 RS R/W D7D6D5 D4 D3 D2 D1D0显示开关设置 0 0 0 0 1 1 1 1 1 D 显示起始行设置 0 0 1 1 L5 L4 L3 L2 L1L0页面地址设置 0 0 1 0 1 1 1 P2 P1P0列地址设置 0 0 0 1 C5 C4 C3 C2 C1C0读取状态字 0 1 BUSY 0ON/OFF RESET0 0 0 0写显示数据 1 0 数 据 读显示数据1 1数 据指令功能详解下面是KS0108指令写入的流程图:1. 读状态字(read status )格式 BUSY 0NO/OFF RESER 0 0 0 01) BUSY=1表示KS0108正在处理计算机发来的指令或数据。
HS经济型系列
红外温度传感器使用说明书
一、概述
台湾LETON雷特科技HS经济型系列在线
式红外温度传感器为一体化、集成式红外温度传
感器,具有实时响应时间快、灵敏度高、非接触
式、使用安全及寿命长等优点。
光学系统与电子
线路共同集成在不锈钢外壳内。
壳体上的标准螺
纹可与固定安装部位快速连接,便于安装。
同时
还可加装各种选件(如气管吹扫器、独立安装支
架、可调安装支架、防尘防水保护罩、冷却装置
等)以满足各种工况场合的特殊环境要求。
二、主要应该范围
主要应用于石油化工、科学实验、印刷造纸
食品加工、干燥、纺织、制药、配电柜、耐火材料
包装、滚筒覆膜机、电机等难以直接接触危险或快
速移动物体的测温。
本系列红外温度传感器对光亮
或抛光金属物体测温效果不佳,金属表面需有涂层
或粘贴耐高温胶带方可达到准确的测量效果。
三、红外测温原理
红外线是一种电磁波,波长在0.76~100μm之间,一切温度高于绝对零度(-273.16℃)的物体都在不停地向周围空间发出红外辐射能量,物体的红外辐射能量的大小及其波长的分布与它的表面温度有着密切的关系。
因此,通过对物体自身辐射的红外能量的测量,便能准确地测定它的表面温度,这是红外辐射测温所依据的基础。
红外温度传感器是一种热电子传感器,红外温度传感器主要由以下部件组成:
———光学系统(透镜/光谱滤波器)
———光电探测器
———电子放大器
———信号处理
辐射体发出的红外辐射,进入光学系统,经调制器把红外辐射调制成交变辐射,由探测器和电子线路将红外辐射的功率能量转变成为相应的电信号。
四、HS系列主要特点
1、高精度:测量值±1%或±2℃(取大值)
2、快速响应时间:300ms的快速响应速度
3、距离系数比:D:S=25:1
4、抗干扰性高:电源、模拟输出相互隔离,具有较强的抗电源电磁干扰功能
5、坚固的不锈钢外壳,具有耐腐蚀功能
6、测温范围广:0~1300℃
7、多种输出方式可选:4~20mA(二线制)或0~5VDC(四线制)(0~10VDC输出需定制)
8、具有信号短路和电源接反自我保护功能
五、光路图(D :S=25:1)及外观尺寸图
六、技术参数 七、电气安装接线
1、4~20mA 二线制电流输出型:
2、0~5VDC 四线制电压输出型:
八、质量保证
每台仪器出厂都经过合格的质量检验程序,如
果使用过程发生任何问题,请立即联系服务商。
仪 器从销售之日起保质十二个月。
因使用不当或私自
拆卸造成的损坏不在保修范围内。
规格型号 4~20mA 输出 0~5VDC 输出
温度范围 HS 系列 测温范围 0~1300℃ (可定制)
HS-100A HS-100V 0~100℃ HS-200A HS-200V
0~200℃ HS-500A HS-500V 0~500℃ HS-600A 0~600℃ HS-800A 0~800℃ HS-1000A 0~1000℃ HS-1200A 0~1200℃ HS-1300A
0~1300℃
光谱范围 8-14μm 距离系数 D :S=25:1 响应时间 300ms
测量精度 ±1%或±2℃ (取大值) 重复精度 ±0.5%或±1℃ (取大值)
发射率 0.95固定(0.100~1.000调节可选) 工作电源 24V DC (最大电流50mA) 输出方式 4~20mA 或0~5V DC (可特殊定制) 防护等级 IP65(NEMA-4) 环境温度 0~60℃ 存储温度 -20~80℃
相对湿度 10~95%(不结露) 外型材料
不锈钢304
电缆长度 1.5M 标配,特殊规格长度可定制
外观尺寸 M18×1,长度106mm
引线颜色 功能
红色 电源DC24V+ 蓝色 4~20mA 信号输出+ 裸线
屏蔽
引线颜色 功能
红色 电源DC24V+ 黑色 电源DC24V - 白色 0~5VDC 输出+ 蓝色 0~5VDC 输出- 裸线
屏蔽。