正丁醇理化特性表(格式规范)
- 格式:doc
- 大小:28.50 KB
- 文档页数:2
食品安全国家标准食品添加剂正丁醇1 范围本标准适用于用发酵法或以乙烯或丙烯为原料经化学反应制得的食品添加剂正丁醇(食品用香料)。
2 化学名称、分子式、结构式和相对分子质量2.1 化学名称正丁醇2.2 分子式C4H10O2.3 结构式OH2.4 相对分子质量74.12(按2007年国际相对原子质量)3 技术要求3.1 感官要求感官要求应符合表1的规定。
表1 感官要求3.2 理化指标理化指标应符合表2的规定。
表2 理化指标附录A正丁醇含量的测定A.1 仪器和设备A.1.1 色谱仪:按GB/T 11538—2006中第5章的规定。
A.1.2 柱:毛细管柱。
A.1.3 检测器:氢火焰离子化检测器。
A.2 测定方法面积归一化法:按GB/T 11538—2006中10.4测定含量。
A.3 重复性及结果表示按GB/T 11538—2006中11.4规定进行,应符合要求。
食品添加剂正丁醇气相色谱图及操作条件参见附录B。
附录B食品添加剂正丁醇气相色谱图及操作条件(面积归一化法)B.1食品添加剂正丁醇气相色谱图食品添加剂正丁醇气相色谱图见图B.1。
图 B.1 食品添加剂正丁醇气相色谱图B.2操作条件B.2.1 柱:毛细管柱,长30 m,内径0.32 mm。
B.2.2 固定相:(5%苯基)-甲基聚硅氧烷。
B.2.3 膜厚:0.25 μm。
B.2.4 色谱炉温度:100 ℃恒温。
B.2.5 进样口温度:200 ℃。
B.2.6 检测器温度:250 ℃。
B.2.7 检测器:氢火焰离子化检测器。
B.2.8 载气:氮气。
B.2.9 柱前压:50 kPa。
B.2.10 进样量:0.2 μL。
B.2.11 分流比:75:1。
正丁醇1. 化学品及企业标识化学品中文名称:正丁醇化学品英文名称:n-butyl alcohol中文名称2:丁醇英文名称2:1-butanol主要用途:用于制取酯类、塑料增塑剂、医药、喷漆,以及用作溶剂。
2. 危险性概述2.1 危险性类别:易燃液体。
2.2侵入途径:吸入、食入、经皮吸收。
2.3健康危害:本品具有刺激和麻醉作用。
主要症状为眼、鼻、喉部刺激,头痛、头晕、嗜睡、共济失调、精神错乱、谵妄、昏迷。
液体对眼和皮肤有刺激性。
2.4环境危害:对水体和土壤可造成污染。
2.5燃爆危险:易燃,其蒸气与空气混合,能形成爆炸性混合物。
3. 成分/组成信息纯品■混合物□主要成分CAS RN 含量(%)正丁醇71-36-3 99.54. 急救措施4.1 皮肤接触:脱去污染的衣着,用肥皂水和清水彻底冲洗皮肤。
如有不适感,就医。
4.2眼睛接触:立即提起眼睑,用大量流动清水或生理盐水彻底冲洗10~15 分钟。
如有不适感,就医。
4.3吸入:迅速脱离现场至空气新鲜处。
保持呼吸道通畅。
如呼吸困难,给输氧。
呼吸、心跳停止,立即进行心肺复苏术。
就医。
4.4食入:饮足量温水,催吐。
就医。
5. 消防措施5.1 危险特性:易燃,其蒸气与空气可形成爆炸性混合物,遇明火、高热能引起燃烧爆炸。
与氧化剂接触猛烈反应。
在火场中,受热的容器有爆炸危险。
5.2有害燃烧产物:一氧化碳。
5.3灭火方法:用泡沫、干粉、二氧化碳、雾状水、1211 灭火剂、砂土灭火。
5.4灭火注意事项及措施:消防人员须佩戴防毒面具、穿全身消防服,在上风向灭火。
尽可能将容器从火场移至空旷处。
喷水保持火场容器冷却,直至灭火结束。
处在火场中的容器若已变色或从安全泄压装置中产生声音,必须马上撤离。
6. 泄漏应急措施应急处理:消除所有点火源。
根据液体流动和蒸气扩散的影响区域划定警戒区,无关人员从侧风、上风向撤离至安全区。
建议应急处理人员戴正压自给式呼吸器,穿防静电服。
作业时使用的所有设备应接地。
正丁醇危害防护措施正丁醇危害防护措施之相关制度和职责,一、理化性质1、外观与性状:无色透亮液体,具有特别气味。2、分子式:C4H10O;分子量:74.12。3、熔点:-88.9℃;沸点:117.5℃。4、相对密度(水≈1)0.81;(空气≈1)2.555、临界温度:287℃。 6...一、理化性质1、外观与性状:无色透亮液体,具有特别气味。2、分子式:C4H10O;分子量:74.12。3、熔点:-88.9℃;沸点:117.5℃。4、相对密度(水≈1)0.81;(空气≈1)2.555、临界温度:287℃。6、溶解性:微溶于水,溶于乙醇,乙醚,多数有机溶剂。7、禁忌物:强酸,酰基氯,酸酐,强氧化剂。8、主要用途:用于制取酯类,塑料增塑剂、医药、喷漆、以及用作溶剂、9、危急特性:易燃,其蒸气与空气可形成爆炸性混合物,遇明火、高热能引起燃烧爆炸。与氧化剂接触猛烈反应。在火场中,受热的容器有爆炸危急。二、危急性概述1、健康危害:本品具有刺激和麻痹作用。主要症状为眼、鼻、喉部刺激,在角膜浅层形成半透亮的空泡,头痛、头晕和嗜睡,手部可接触性皮炎。2、急救措施(1) 皮肤接触:脱去污染的衣着,用肥皂水和清水彻底冲洗皮肤。(2) 眼睛接触:立即提起眼睑,用大量的流淌清水或生理盐水冲洗至少15分钟。就医。(3)吸入:脱离现场至空气新颖处。如呼吸困难,给输氧。就医。如呼吸停止,立即进行人工呼吸,就医。(4)食入:饮足量温水,催吐,就医。3、防护措施(1)呼吸系统防护:一般不需求特别防护,高浓度接触时刻佩戴自吸过滤式防毒面具(半面罩)。(2)眼睛防护:戴平安防护眼镜。(3)身体防护:穿防静电工作服。(4)手防护:戴一般作业防护手套。(5)其他防护:工作现场严禁吸烟,保持良好的卫生习惯。三、泄露应急措施快速撤离泄露污染区人员至平安区,并进行隔离,严格限制出入。切断火源。建议应急处理人员戴自给式呼吸器,穿防静电工作服。尽可能切断泄漏源。防止流入下水道,排洪沟等限制性空间。小量泄露:用活性炭或其他惰性材料吸取。也可以用大量水冲洗,洗水稀释后放入废水系统。大量泄露:构筑围堤或挖坑收容。用泡沫掩盖,降低蒸气损害。用防爆泵转移至槽车或专用收集器内,回收或运至废物处理场所处置。宣扬部职责办公室职责 班干部职责团支书职责总经理职责董事长职责。
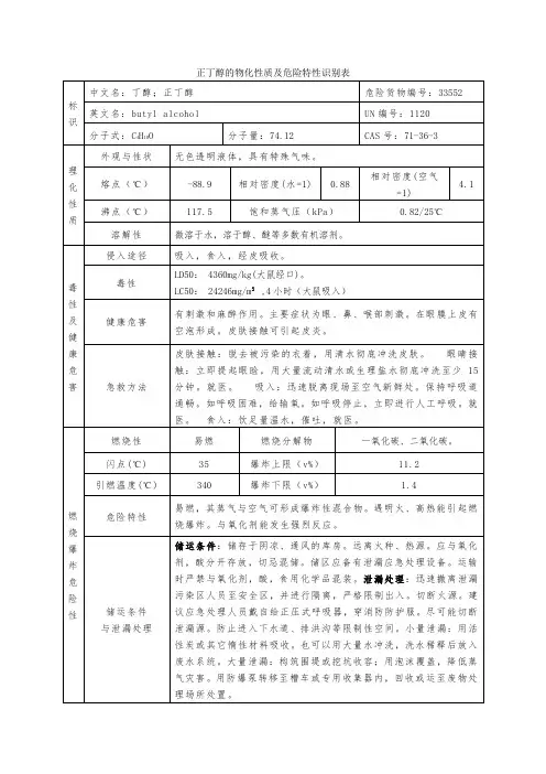
危险化学品档案33552:正丁醇(酪醇;丙原醇;丁醇)1.物质的理化常数:2.对环境的影响:一、健康危害侵入途径:吸入、食入、经皮吸收。
健康危害:本品具有刺激和麻醉作用。
主要症状为眼、鼻、喉部刺激,在角膜浅层形成半透明的空泡,头痛,头晕和嗜睡,手部可以生接触性皮炎。
二、毒理学资料及环境行为毒性:属低毒类。
急性毒性:LD504360mg/kg(大鼠经口);3400mg/kg(兔经皮);LC5024240mg/m3,4小时(大鼠吸入)亚急性毒性:大鼠、小鼠吸入0.8mg/m3,24小时/周,4个月,肝皮肤功能异常;人吸入303×mg/m×10年,粘膜刺激,嗅觉减退;人吸入606mg/m3×10年,红细胞数减少,偶见眼刺激症状;人吸入150~780mg/m3×10年,眼有灼痛感,全身不适,角膜炎。
危险特性:易燃,其蒸气与空气可形成爆炸性混合物。
遇明火、高热能引起燃烧爆炸。
与氧化剂接触会猛烈反应。
在火场中,受热的容器有爆炸危险。
燃烧(分解)产物:一氧化碳、二氧化碳。
3.现场应急监测方法:直接进水样气相色谱法4.实验室监测方法:气相色谱法《空气中有害物质的测定方法》(第二版),杭士平主编高锰酸钾法《化工企业空气中有害物质测定方法》,化学工业出版社5.环境标准:6.应急处理处置方法:一、泄漏应急处理迅速撤离泄漏污染区人员至安全区,并进行隔离,严格限制出入。
切断火源。
建议应急处理人员戴自给正压式呼吸器,穿消防防护服。
尽可能切断泄漏源。
防止进入下水道、排洪沟等限制性空间。
小量泄漏:用活性炭或其它惰性材料吸收。
也可以用大量水冲洗,洗水稀释后放入废水系统。
大量泄漏:构筑围堤或挖坑收容;用泡沫覆盖,降低蒸气灾害。
用防爆泵转至槽车或专用收集器内,回收或运至废物处理场所处置。
二、防护措施呼吸系统防护:一般不需要特殊防护,高浓度环境中可佩戴自吸过滤式防毒面具(半面罩)。
眼睛防护:戴安全防护眼镜。