五轴焊锡机系统-手持版说明书V7
- 格式:doc
- 大小:5.67 MB
- 文档页数:28
HC-S5机械手控制系统操作手册V3.1版本河北神州自动化设备科技有限公司目录1 系统配置及安装 (1)1.1 基本配置 (1)1.2 系统的安装 (1)2 操作面板 (2)2.1 外观及说明 (2)2.2 主画面及轴定义 (3)2.2.1 主画面说明 (3)2.2.2 机械手轴定义 (3)3 运行模式 (4)3.1 原点复归 (4)3.2 手动操作 (4)3.2.1 轴的手动操作 (5)3.2.2 夹具的手动操作 (6)3.2.3 吸盘的手动操作 (7)3.2.3 辅助设备的手动操作 (8)3.2.4 预留动作的手动操作 (9)3.3自动运行 (10)3.3.1 自动运行数据的监视 (10)3.3.2 自动运行时参数的修改 (11)3.3.3 单步运行 (11)3.3.4 单循环运行 (11)3.3.4 自动运行时速度的调节 (11)4 程序的管理 (12)4.1 程序载入和创建 (12)4.2 程序教导 (13)4.2.1 轴动作的教导 (14)4.2.2 程序起始点的教导 (15)4.2.3 堆叠的教导 (16)4.2.4 吸盘/夹具的教导 (17)4.2.5 注塑机信号的教导 (19)4.2.6 辅助设备的教导 (20)4.2.7 预留的教导 (21)4.2.8 等待信号的教导 (22)4.2.9 序列动作的教导 (23)4.2.10 条件的教导 (24)4.2.11 程序参数的修改 (25)4.3 程序快速设定 (26)4.4 教导选择 (30)4.5 教导程序举例 (32)4.5.1 程序要求 (32)4.5.2 程序过程 (32)4.5.3 教导程序 (32)5 功能设定 (33)5.1 信号检测 (34)5.2 产品设定 (36)5.3 运行参数 (37)5.4 安全点设定 (38)5.5 产品堆叠 (44)5.6 系统设定 (46)5.6.1系统设定 (47)5.6.2权限管理 (48)5.6.3 备份/还原 (49)5.6.4 机械参数 (50)5.7 机器参数 (51)5.7.1 机器结构 (51)5.7.2 机器时间 (54)5.8 维护 (55)6 I/O监视与报警记录 (56)6.1 I/O监视 (56)6.2 报警记录 (57)6.3 报警信息及报警原因 (58)7 电路板端口定义 (62)7.1 主控制板端口定义 (62)7.2 I/O板的端口定义 (63)7.3 伺服驱动接口定义 (64)8 接线图 (65)8.1主控制板与I/O板的接线图 (65)8.2 操作面板与主控制板的接线图 (66)8.3 伺服连线及参数设定 (67)8.3.1松下伺服电机使用范例 (67)8.3.2三菱伺服电机使用范例 (68)8.4 机械手与注塑机的连接 (69)9 电路板安装尺寸图 (71)9.1 主控板安装尺寸 (71)9.2 I/O板安装尺寸 (72)1 系统配置及安装1.1 基本配置1、8寸真彩触摸屏2、五轴伺服控制板3、I/O板4、电源部分(2个电源供应器)5、通讯线1.2 系统的安装1、配线作业必须由专业电工进行。
人人小站/314design1 绪论1.1 工业机器人简介]1[早在20世纪初,随着机床、汽车等制造业的发展就出现了机械手。
1913年美国福特汽车工业公司安装了第一条汽车零件加工自动线,为了解决自动线、自动机的上下料与工件的传送,采用了专用机械手代替人工上下料及传送工件。
可见专用机械手就是作为自动机、自动线的附属装置出现的。
“工业机器人”这种自动化装置出现的比较晚。
但是自从世界上第一台工业机器人问世之后,不同功能的机器人也相继出现并且活跃在不同的领域,从天上到地下,从工业拓广到农业、林、牧、渔,甚至进入寻常百姓家。
机器人的种类之多,应用之广,影响之深,是我们始料未及的。
本课题所指的工业机器人,或称机器人操作臂、机器人臂、机械手等。
从外形来看,它和人的手臂相似,是由一系列刚性连杆通过一系列柔性关节交替连接而成的开式链。
这些连杆就像人的骨架,分别类似于胸,上臂和下臂,工业机器人的关节相当于人的肩关节、肘关节和腕关节。
操作臂的前端装有末端执行器或相应的工具,也常称为手或手爪。
手爪是由两个或多个手指所组成,手指可以“开”与“合”,实现抓去动作和细微操作。
手臂的动作幅度一般较大,通常实现宏观操作。
工业机器人由主体、驱动系统和控制系统三个基本部分组成。
主体即机座和执行机构,包括臂部、腕部和手部,有的机器人还有行走机构。
大多数工业机器人有3~6个运动自由度,其中腕部通常有1~3个运动自由度;驱动系统包括动力装置和传动机构,用以使执行机构产生相应的动作;圆柱坐标型工业机器人示意图控制系统是按照输入的程序对驱动系统和执行机构发出指令信号,并进行控制。
由于工业机器人具有一定的通用性和适应性,能适应多品种中、小批量的生产,70年代起,常与数字控制机床结合在一起,成为柔性制造单元或柔性制造系统的组成部分。
在工业生产中能代替人做某些单调、频繁和重复的长时间作业,或是危险、恶劣环境下的作业,例如在冲压、压力铸造、热处理、焊接、涂装、塑料制品成形、机械加工和简单装配等工序上,以及在原子能工业等部门中,完成对人体有害物料的搬运或工艺操作。
自动焊锡机简介和使用说明书焊锡机器人应用于电子制造业,主要针对回流焊、波峰焊等生产设备很难达到的工艺制程,特别适用于混装电路板、热敏感元器件、SMT后段工序中敏感器件的焊接。
焊锡机器人代替人工焊接,提高工作效率,改善焊接质量。
一、自动焊锡机功能简介1. 用于焊接各类电子元件和线材,具有点焊和拖焊功能。
2. 海量存储,满足所有需求,可存储9999个型号,每个型号可以设定999步。
3. 具有4轴位置移动加1轴自动出锡功能。
4. 密码保护功能确保系统和型号参数安全可靠。
5. 单步和试步功能方便用于调机测试。
6. 校准功能用于不同机器的参数复制后的位置校准。
7. 具有中文和英文版本供客户选择。
8. 具有多种灵活的型号调试和编辑方法。
9. 自动清洗焊头功能。
10. 可根据客户需要定制功能。
二、硬件安装要求1. 外接220V/50Hz市制交流电。
2. 确保机箱外接地线,以确保机器稳定运行和保护PCB版。
3. 清洗功能需要配置压缩气体。
工作温度:max:500*c额定功率:150W主要特点:采用手柄遥控与触摸屏直观按键编写程式轻松简单,可以选择999个程序,出现紧急情况时停止运行机器人或从运行状态转至示教状态,输入设定参数更安全快捷方便.机器替代手工效力更高,焊点更均匀一致质量更稳定自动气压式喷嘴,送锡速度,锡点大小可调。
锡线径0.3--1.2选择。
三、美兰达自动焊锡机产品优势◆室温至设定温度仅需6秒。
华唯自动焊锡机高效可靠。
◆可使用低温焊接,防止助焊剂快速燃烧及对精密电子零件造成不良影响。
◆自动焊锡机的动作十分简单,有别于自动涂胶机的繁复动作,自动焊锡机的动作只有点焊以及拉焊二种,控制焊锡成果重要的元素有,温度控制、烙铁头的选择、送锡的速度、预热的时间、清洁烙铁头的时机及方式、锡丝的选择、材料的吸热程度………◆使用RTC温度控制,能够在较低温下焊接,让您的PC板或是零件不会因为温度太高而损伤。
◆焊锡控制器具有多组焊接条件记忆可根据不同大小的焊接作设定。
全自动焊锡机控制系统用户手册版权说明本手册未经本公司书面许可,任何人或组织不得翻印、翻译和抄袭。
本手册中的信息资料仅供参考。
由于改进设计和功能等原因,本公司保留对本资料的最终解释权,内容如有更改,恕不另行通知。
调试设备要注意安全!用户必须在设备中设计有效的安全保护装置,否则所造成的损失,本公司没有义务或责任负责。
目录系统概述 (3)一.欢迎界面 (3)二.主界面 (3)三.手动操作 (8)四.I/O调测 (9)五.参数设置 (10)5.1速度设置 (11)5.2限位设置 (12)5.3零点设置 (13)5.4其它设置 (13)5.5当量设置 (15)5.6密码设置 (15)5.7复位设置 (16)5.8工艺设置 (17)六.档案管理 (18)七.档案编程 (21)7.1空移 (23)7.2点焊 (23)7.3侧焊 (25)7.4焊接起点 (26)7.5拖焊 (27)7.6等待输入 (28)7.7输出 (28)7.8暂停 (29)7.7延时 (30)7.8旋转定位 (31)7.9循环 (32)7.10条件跳转 (34)7.11输出等待 (35)7.13矩阵 (36)7.14档案调用 (37)7.15程序结束 (37)八.报警 (38)九.调机指引 (42)步骤 (42)系统概述本系统适用于各类焊锡机,具有自动送锡功能,可扩展至双工位。
一.欢迎界面见图1.1。
触摸该界面可以进入主界面。
图1.1二.主界面进入到系统主界面,见图2.1。
主界面用于自动加工时的界面显示以及待机模式下档案操作和设备调试。
图2.11,格式为:当前档案号/总档案数,当前档案号表示正在执行的档案,总档案数表示系统中存在的总档案个数。
当前档案号可以直接输入选择档案。
2,档案名称对应当前档案号,选择当前档案号后,档案名称将自动更新显示。
3,格式为:当前步序/总步序数,当前步序为当前档案正在执行或将要执行的步序,总步序数为当前档案总的步序数。
本焊锡机器人的五轴全部采用先进的驱动及运动控制算法,能有效地提升运动末端的定位精度和重复精度,整机完全采用计算机控制,通过手持盒可直接数字输入或者示教再现焊点位置坐标。
焊锡方式多种多样,全部工艺参数可由客户自行设置,以适应各种高难度的焊锡作业和微焊锡工艺。
使用本产品能有效地提高焊锡工艺品质,实现了焊锡过程的自动化与智能化。
产品规格:1、型号(Models)2、机器行程X/Y/Z/R(mm) 280X380X1003、有效加工范围X/Y(mm) 270X360X904、重复精度 0.01mm5、解析能力 0.01mm6、文件存储容量可存储100文件、单文件765个控制点7、文件储存方式内存存储8、显示模式视教盒(240*160液晶屏)9、控制方式运动卡10、编程方式手持式示教编程器11、温控系统功率、温度范围 150W 50度-550度12、锡丝直径范围∮0.5∽∮1.2mm13、送锡速度 10mm/s14、烙铁头清洗系统吹气式清洗15、输入电源 220V16、工作环境温度 10-50℃17、工作环境湿度 30%-90%18、机器尺寸W×D×H(mm) 450x430x78019、机器重量 55KG20、动作速度:XY轴 5-500mm/ses 丝杆+伺服Z轴 2.5-60mm/ses 丝杆+步进R轴(旋转) 0.3-6圈/ses 步进U轴(送锡) 10mm/s 步进XYZ轴插补 0.1-500mm/ses21、耗电量最高320W22、焊锡参数可按需求调节23、温度设定范围 50℃-550℃24、锡丝送锡位置自动送锡产品特征:1、示教编程控制卡采用DSP和FPGA技术,实现5轴的连续轨迹插补运动,通过路径试教的方式编辑程序文件,下载到控制卡后,控制卡可自动执行程序文件,完成工件加工。
2、快速回温烙铁头内置芯片,智能恒温焊台、端对端的导热方式,极大提高了导热能力及回温速度,15秒内升350度;贵金属材质制作的发热体,极大提高了温度补偿能力套筒式设计的烙铁头可快速更换并且方便容易。
五轴智能焊锡机控制系统QZ-SMC1305(手持盒版)V6.6说明书苏州琼宇电子科技有限公司目录1.产品介绍 (2)1.1产品概述 (2)1.2功能简介 (3)1.3功能特性 (3)1.4产品列表 (4)2.接线说明图 (5)2.1 控制系统按线示意图 (5)2.2 安装尺寸.......................................................................................................... .. (6)3.按键说明 (7)3.1手持盒按键图 (7)3.2手持盒按键说明 (8)4.手持盒操作说明 (10)4.1开机画面介绍 (10)4.2主菜单功能介绍 (12)4.3新增功能操作 (16)4.4删除指令操作 (19)4.5复制指令操作 (19)4.6阵列复制操作 (19)4.7偏移操作 (20)4.8批量修改 (20)4.9类型批量修改 (20)4.10插入指令 (21)4.11系统 (21)4.12执行方式操作 (22)4.13复位方式操作 (23)4.14产量设定 (23)4.15默认参数 (24)4.16停机位置 (25)4.17焊接工艺 (25)4.18清洗功能 (25)4.19空移速度 (26)4.20对位操作 (26)4.21MARK点对位操作 (26)5.注意事项 (27)5.1装机事项 (27)5.2常见问题说明与故障排除 (37)1.产品介绍1.1产品概述QZ-SMC1305是由本公司专业数控团队为焊锡机行业量身定做的低成本、高浓缩、高集成度的智能焊锡机控制系统。
完善的焊锡工艺设置,满足不同的加工需求,广泛应用在多轴全自动焬锡机领域。
1.2功能简介1、显示屏采用320*240高分辨率彩屏、全中文操作界面,易学易用。
2、完善的焊锡工艺设置,具有点焊与拖焊等焊接;供锡速度可根据工作速度自动调整。
FIDIA五轴加工中心基础操作目录一、机床概述二、操作面板三、CNC的编程第一章机床概述名称:五轴高速数控铣床型号:Y2K411厂家:fidiaS.P.A主要技术参数:主轴转速:24000rpm主轴功率:27KWX2数控系统:FIDIAC20工件台面尺寸:5000×2200MM工作台最大载重:20000KG实际加工尺寸:X轴4200mm、Y轴110mm、Z轴1000mm A轴(主机床)95°~-110°(附机床)-95°~110°C轴±180°第二章操作面板一、启动和关闭1、启动:打开主机电源后进入windows见面,点击“开始”选择“程序”再选择FidiaUtility文件,然后点击Userinterface进入用户界面。
2、关闭:从File菜单上选择关闭Exit,关闭CNC的命令页面(其它相关的系统界面先关闭,主界面才会关闭)。
最后关闭电脑再关闭总电源。
二、应用窗口界面在CNC命令界面被执行后,在显示器上显示出一个窗口,它占有了整个桌面,其组成如下:A菜单条B显示和工作区域陈列,取决于上下文,位置值,对话窗口,图,目录以及使用者输入值或其它数据的参数或命令窗口C一个按时间顺序显示CNC信息的盒子D垂向软件键条E横向软件键条F日期和时刻1、横向软件键条:RES T·RESTCNC:机床恢复ZERO·RQ:各轴自动顺序回机床零点(Z、A、C、Y、X)·X、Y、Z、A、C:单独轴选择回零点SETCOMMAND:设置命令屏幕显示:F进给S转速UNIT公/英制单位RCTP(五轴连动)OF/ONTOOLCOORD刀具坐标轴OF/ONROTO当前原点坐标的旋转角度SETCOMMAND·SETORIGIN:设置加工原点坐标(1-10个)机床的原点为零号坐标系,是不能更改的。
·SAVEORIGIN:记录坐标数据·RSETORIGIN:恢复坐标数据·CQAHADWH:手轮调节偏移量OF/ONSAVERESTORE:SAVE记录·TOOLTABLE刀具表RESTORE恢复·TOOLTABLE刀具表2、竖向软件键条:CNC环境·PARCNC(参数)·SWITCH使能/禁止阅读被编程的功能·AXIS各轴开关·FSC各轴镜像·MDCNC选择零件程序的执行模式·CQA各轴偏移量·ROTANG·ROTANG以坐标系旋转·ROTCEN以中心旋转·PROGLIM程序限位·AXISLIM轴限位·SAFETYLIM安全限位·TOOLTABLE:刀具表(0号为当前主轴无刀,1-41号为可自动/手动换刀,42号为测头专用刀位,43-100号为自定义刀号)Type1–圆柱平刀具Type2–圆柱圆角刀具Type3–球状刀具Type4–球状刀具,带一个圆周嵌入件Type5–圆柱圆角刀具,带两个圆周嵌入件Type6–圆柱圆角刀具,带两个方嵌入件Type7–锥状刀具,带平刀尖Type8–锥状刀具,带圆角刀尖Type9–镗刀Type10–带刀尖的刀具类型1圆柱体刀具类型2复合型刀具类型3球头刀具类型4带一个嵌入件的球头刀具类型5带两个圆形嵌入件的复合型刀具类型6带方形嵌入件的复合型刀具类型7带平端头的锥体刀具类型8带复合型端头的锥体刀具CNC环境·EXECUTE执行窗口·EXECUTEFILE执行一个零件程序。
设备操作說明書仪器名称 自動焊接機 功 能 焊接 文件编号 仪器型号AHD100-4W厂 商版 本A0一﹑面板介紹﹕1:停止開關(手動狀態下無用,自動狀態下并為啟動‘送錫’,啟動狀態下為‘停止’) 2:啟動開關(手動狀態下為‘微調’,自動狀態下為‘啟動’) 3:方向鍵;前(治具焊盤) 4:方向鍵;左(烙鐵)5:功能鍵;按下后方向鍵前變上、后變下、左變左旋轉、右變右旋轉 6:方向鍵;后(治具焊盤) 7:方向鍵;右(烙鐵) 8:電源開關 9:復位鍵10:停止開關(和“1”一樣) 11:啟動開關(和“2”一樣)核 准 审 核 制 作 日 期176 543 21110 98设备操作說明書仪器名称自動焊接機功能焊接文件编号仪器型号AHD100-4W 厂商版本A0二﹑設置資料﹕1.清洗烙鐵頭;1.1、打開電源開關后進入圖1畫面,用手指點下‘Sys’進入圖2畫面,1.2、用方向鍵調試烙鐵頭到氣槍前,保證氣槍可以吹到烙鐵頭上的錫絲。
設置清洗角度、清洗高度、吹氣時間。
1.3、設置好后點下圖2中的‘清洗’,看下是否能洗到烙鐵頭,完成后點‘保存’按鍵。
圖1 圖22.拖焊;2.1、在圖1中點‘設定’按鍵進入圖3.2.2、在圖3中先設置步驟,剛清洗是步驟1,到現在是步驟2。
用手點數字‘2’然後在點‘’鍵。
2.3、設置‘類型’,‘類型1’為清洗、‘類型2’為拖焊、‘類型3’結束、‘類型4’點焊、‘類型5’氣缸、‘類型6’跳過。
2.4、用方向鍵調試烙鐵到產品左邊如圖4按‘起點存’鍵0.2秒保圖3存當前所調試烙鐵所在的位置。
核准审核制作日期設備操作說明書仪器名称自動焊接機功能焊接文件编号仪器型号AHD100-4W 厂商版本A02.5、用方向鍵調試烙鐵到產品右邊,確保烙鐵由左拖到右的過程中每個產品都能鍍到錫。
如圖5按‘終點存’鍵0.2秒保存當前所調試烙鐵所在的位置。
2.6、按‘起點存’后的A鍵,烙鐵自動回到產品的左邊,用方向鍵調試烙鐵到產品的第二排,在設置提升H(烙鐵提升的高度)、拖焊S(烙鐵由左拖焊到右的速度)、送錫S(烙鐵由左拖焊到右送錫的速度)。
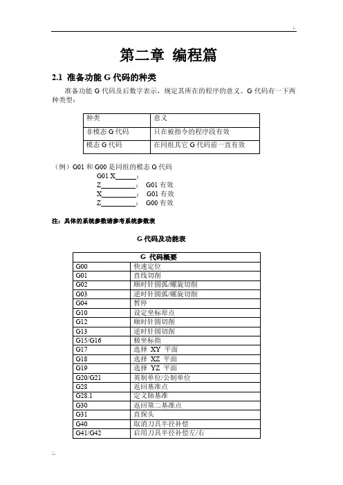
第二章编程篇2.1 准备功能G代码的种类准备功能G代码及后数字表示,规定其所在的程序的意义。
G代码有一下两种类型:(例)G01和G00是同组的模态G代码G01 X______;Z__________;G01有效X__________;G01有效Z__________;G00有效注:具体的系统参数请参考系统参数表G代码及功能表U、V、W分别和A、B、C 同义,同时使用A 和U 或B 和V 等会产生错误(也就是一行中用了两次A)。
在U、V、W 代码的描述中没有指定它们在同一程序行使用的次数,但A、B、C 代码的描述决定了他们只能使用一次。
2.1.1快速直线移动- G00(1)对于快速直线移动,程序G00 X__ Y__ Z__ A__ C__ 中的所有功能字,除了至少选用其中的一个外其它都为可选,如果当前移动模式为G00那么G00也是可选的,刀具可以以协调线性移动的方式以最大进给到达目的点,执行G00命令不会有切削动作发生。
(2)如果执行了G16命令设置了极坐标原点,在极坐标中使用半径和角度表示目的地,也可以使用G00 X__ Y__控制快速直线移动,X__是目的地相对于极坐标原点的半径,Y__则是目的地与极坐标原点连线与3点钟方向逆时针方向的夹角(也就是通常用的四象限标准)。
执行G16 时的当前点坐标就是极坐标原点。
如果在程序中省略了所有的轴功能字将会产生错误。
如果启用了刀具半径补偿,刀具的移动将与上面所描述的不同(见刀具补偿)。
如果程序在同一行有G53 命令,刀具的移动也同与上述不同(见绝对坐标系)。
2.1.2 以进给直线切削– G01(1)对于以进给直线切削来说,程序G01 X__ Y__ Z__ A__ C__中的所有功能字,除了必须至少使用的之外其它的轴功能字都为可选。
如果当前移动模式为G01,那么G01也是可选的,刀具将以协调线形移动的方式以当前进给移动到目的地。
(2)如果执行了G16命令设置了极坐标原点,在极坐标中使用半径和角度表示目的地,也可以使用G00 X__ Y__控制快速直线移动,X__是目的地相对于极坐标原点的半径,Y__则是目的地与极坐标原点连线与3点钟方向逆时针方向的夹角(也就是通常用的四象限标准)。
五轴智能焊锡机控制系统QZ-SMC1305(手持盒版)V6.6说明书苏州琼宇电子科技有限公司目录1.产品介绍 (2)1.1产品概述 (2)1.2功能简介 (3)1.3功能特性 (3)1.4产品列表 (4)2.接线说明图 (5)2.1 控制系统按线示意图 (5)2.2 安装尺寸.......................................................................................................... .. (6)3.按键说明 (7)3.1手持盒按键图 (7)3.2手持盒按键说明 (8)4.手持盒操作说明 (10)4.1开机画面介绍 (10)4.2主菜单功能介绍 (12)4.3新增功能操作 (16)4.4删除指令操作 (19)4.5复制指令操作 (19)4.6阵列复制操作 (19)4.7偏移操作 (20)4.8批量修改 (20)4.9类型批量修改 (20)4.10插入指令 (21)4.11系统 (21)4.12执行方式操作 (22)4.13复位方式操作 (23)4.14产量设定 (23)4.15默认参数 (24)4.16停机位置 (25)4.17焊接工艺 (25)4.18清洗功能 (25)4.19空移速度 (26)4.20对位操作 (26)4.21MARK点对位操作 (26)5.注意事项 (27)5.1装机事项 (27)5.2常见问题说明与故障排除 (37)1.产品介绍1.1产品概述QZ-SMC1305是由本公司专业数控团队为焊锡机行业量身定做的低成本、高浓缩、高集成度的智能焊锡机控制系统。
完善的焊锡工艺设置,满足不同的加工需求,广泛应用在多轴全自动焬锡机领域。
1.2功能简介1、显示屏采用320*240高分辨率彩屏、全中文操作界面,易学易用。
2、完善的焊锡工艺设置,具有点焊与拖焊等焊接;供锡速度可根据工作速度自动调整。
五轴车床触摸屏说明书北京京联发数控科技有限公司2009年5月目录手动运行 (3)自动运行 (7)编辑程序 (8)参数设定 (11)注意事项 (12)触摸屏使用说明手动运行时黄灯亮,自动时绿灯亮,有报警时红灯亮。
手动运行:手动运行由以下几部分构成:锁定:禁止/允许对屏幕的触摸操作。
当程序自动运行时须按下此键!!!用于防止误碰触摸屏引起误动作。
运动状态显示部分:用于显示当前各轴位置,单位毫米,速度,各轴限位状态。
控制状态显示部分:用于显示当前运动对应的G指令。
变频器部分:控制主轴的运动。
点动增量:设定各轴的点动时运动步长。
速度控制:设定各轴的运动速度。
运动控制部分:用于控制各轴的运动,如点动、连续运动、回原点、设原点等。
1)显示部分:状态指示灯:绿色表示该轴没有碰到限位和行程开关。
(以X1轴为例)X1+/X1-正常时时绿色,当X轴碰到正/负限位时,X+/X-会变成红色运行OK灯:显示各轴伺服驱动器运行OK输入点的状态。
(红为故障,绿为正常)如果为红色,请先按运动控制区域中的“报警清除”按钮,此时运行OK灯变绿,然后再试。
(OK灯变红系统将认为没有准备好,且对其他运动操作不做响应)如仍变红,请先排除故障。
位置显示:显示当前各轴位置。
(单位毫米)速度显示:运动时,显示当前运动轴速度。
单位:米/分钟锁定:禁止/允许对屏幕的触摸操作。
点击【锁定】按钮:屏幕四周将变红,此时不接受任何除【锁定】按钮外的触摸和操作。
再次点击【锁定】按钮,则解除禁止操作状态。
2)点动增量,速度设定部分:点动距离设定:点击“DS”按钮或点击距离显示区域,都可弹出一个计算器,用于该值的设定,在计算器中按“=”按钮,将把数值填到显示区域内。
速度设定:点击“F”按钮或点击距离显示区域,都可弹出一个计算器,用于该值的设定,在计算器中按“=”按钮,将把数值填到显示区域内。
当输入的速度大于加工限速时,系统将默认填入加工限速。
3)运动控制:当某轴被按下时,以下操作都是对该轴的操作回参考点:点击“回参考点”使当前轴回到设定的参考点。
五轴智能焊锡平台控制系统示教盒版使用说明书目录1.产品介绍 (3)1.1产品概述 (3)1.2功能简介 (3)1.3产品列表 (3)1.4外观尺寸 (4)2.示教盒说明 (5)2.1示教盒按键图 (5)2.2示教盒按键介绍 (5)3.示教盒操作说明 (7)3.1开机画面介绍 (7)3.2主菜单功能介绍 (8)4.其他指令说明 (12)4.1删除指令操作 (12)4.2复制指令操作 (12)4.3阵列复制操作 (13)4.4偏移操作 (13)4.5单点调整 (14)4.6插入指令 (14)4.7复位指令 (14)5.注意事项 (15)5.1装机事项 (15)5.2常见问题说明与故障排除 (16)1.产品介绍1.1产品概述本产品是由本公司为焊锡机行业量身定做的高精准、易操作、高集成度的智能焊锡平台控制系统。
完善的焊接工艺设置,满足不同的加工需求,广泛应用在多轴全自动焬锡机领域。
1.2功能简介1、显示屏采用320*240高分辨率彩屏、全中文操作界面,易学易用。
2、完善的焊锡工艺设置,具有点焊与拖焊等焊接;供锡速度可根据工作速度自动调整。
3、点位参数可以用示教盒编程,具有简单易学、操作便捷等特点。
3、具有区域阵列复制,平移运算,批量编辑,单步、全自动及循环运行,I/O输入输出等功能。
4、具有自动执行功能、自动复位、产量计算、加工时间计时器等功能,满足不同应用需求。
5、动作参数编辑完毕,通过串口将动作参数下载到控制器中,即可脱机、独立运行;也可将动作参数保存到示教盒的SD卡中,方便调用;并能进行设备间的参数拷贝及保存。
6、示教盒配备2G的SD卡,可存储数千个加工文件,每个文件可支持8000条指令,使用时调出来即可。
7、硬件上具备4个枪通道控制、4路通用输出、8路输入、12路高速脉冲输出。
1.3产品列表1.4 外部尺寸2.示教盒说明2.1示教按键图2.2示教盒按键说明3.示教盒操作说明3.1 开机画面介绍上电后示教盒自动跳转自开机画面-当前工作画面,如下图所示:加工文件:指加工文件名;工作状态:指机器的当前工作状态;分为“停机、暂停、运行”三种状态;加工数量:指机器运行已完成的产量;工作速度:指设备运行过程的速度。
JDPaint V5.5 多轴加工方法(版本0.01)北京精雕科技有限公司2007.08前言本文档从多轴基本知识、控制系统及控制软件(EN3D)设定及加工、JDPAINT5.5五轴编程模块等方面介绍一些常用的多轴加工技术,用以帮助使用者了解多轴加工操作和设定,减少多轴路径编程时间,改善多轴刀具路径质量。
本文档主要以实例的方式来介绍多轴编程加工,在阅读时可以结合实例来学习,可以达到更好的效果。
不同的人有不同的思路,因此请不要把本文档中介绍的一些技术视为多轴加工的基本原理,多轴加工技术内容相当丰富,不是薄薄一本手册可以覆盖的。
同时需要进行大量的实际加工,从中体会多轴加工的不同之处,灵活运用我们现有的编程功能,才能对五轴加工有一定的领悟。
阅读文档的读者应具备以下几方面的背景知识:1、对三轴精雕机有一定了解;2、具备一些模型的三轴加工经验;3、具备一些三维建模(或者曲面造型)经验者更佳。
第一章绪论在过去模具加工很少使用五轴加工,问题在于多轴机床的价格昂贵及人员培训与技术上的困难,大家皆敬而远之。
近年来因模具交期紧迫及价格压缩,五轴机床标准化产量,价格逐年下降,使五轴加工渐渐的受到模具业重视,多轴机床将是继高速加工机后另一个有效的加工工具。
1.1 五轴加工与三轴加工比较五轴加工与三轴加工比较,有以下几方面的优点:1) 减少工件非加工时间,可以提高加工效率五轴加工的一个主要优点是仅需经过一次装夹即可完成复杂形状零件的加工。
和多次装夹相比,它可极大地提高加工和生产能力,显著缩短产品加工周期及加工成本,并且提高了加工精度。
2) 刀具可以摆到更好的位置来加工曲面五轴加工完成一些三轴加工无法完成的加工,比如有负角的曲面零件加工,刀具可以摆到更好的位置来加工曲面,如图1-1所示。
图1-1 刀具可以摆到更好的位置来加工曲面图1-2 缩短加工时间, 改善表面加工质量3) 可以缩短曲面加工时间,改善曲面表面的加工质量五轴加工可通过将刀具倾斜一定角度,例如用铣刀侧刃进行铣削等,缩短加工时间;另外路径间距相同的情况下,用五轴加工工件表面的残留量要比三轴加工小得多,有利于改善加工曲面的表面光洁度,如图1-2所示。
自动焊锡使用手册操作前请仔细阅读本操作手册(以免因操作失误给机器与个人带来的损害)瑞安市鼎昆自动化科技有限公司目录第一章概述 (6)1.1 硬件 (6)1.2 软件 (7)第二章主界面及按键说明 (8)2.1 主界面说明 (8)2.2 手持编程器按键说明 (9)2.3 程序选择及对针按键说明 (12)第三章编程的基本方法说明 (12)3.1 单位符号解释 (12)3.2 焊锡加工程序结束的约定 (13)3.3 焊锡程序运行方式 (13)第四章菜单 1 (13)4.1 第1 页1.文件名编辑 (14)4.2 第1 页2.生成默认焊锡参数 (14)4.3 第1 页3.编辑多个编程点 (14)4.4 第1 页4.设置标号 (15)4.5 第1 页5.阵列焊锡 (16)4.6 第1 页6.阵列展开操作 (16)4.7 第1 页7.调用子程序 (16)4.9 第1 页9.程序跳转 (16)4.10 第2 页1.有限次数循环 (17)4.11 第2 页2.程序结束或返回 (17)4.12 第2 页3.延时 (17)4.13 第2 页4.暂停 (17)4.14 第2 页5.输入信号编程 (17)4.15 第2 页6.输出信号编程 (17)4.16 第3 页1.工件计数器 (18)4.17 第3 页2.回空闲停留位置 (18)4.18 第3 页3.回原点 (18)第五章菜单2........................................................................................................................ (18)5.1 第1 页1.手动校准参考点设置 (19)5.2 第1 页2.校准对针点 (19)5.3 第1 页3.Z轴下移限制值设置 (19)5.4 第1 页4.空闲停留点坐标设置 (19)5.5 第1 页5.完成提起高度设置 (19)5.6 第1 页6.空移速度设置 (20)5.7 第1 页7.送锡与退锡参数设置 (20)5.8 第1 页8.拖焊速度设置 (20)5.9 第1 页9. 接触焊点动作设置 (20)5.10 第2 页1.烙铁头清洗动作设置 (21)5.11 第2 页2.烙铁头清理位置设置 (21)5.12 第2 页3.烙铁温度设置 (21)5.13 第2 页4.急停时输出信号设置 (21)5.14 第2 页5. 输出信号初始化设置 (22)5.15 第2 页6.匀速调试速度设置 (22)5.16 第2 页7.工件计数器设置 (22)第六章菜单3 (23)6.1 第1 页1.针头移动到指定坐标 (23)6.2 第1 页2.焊锡文件复制 (23)6.3 第1 页3.DXF文件转换 (24)6.4 第1 页4.对当前文件锁定/解锁 (24)6.5 第1 页5.对机器高级锁定/解锁 (24)6.6 第1 页6.当前文件锁定密码设置 (24)6.7 第1 页7.机器高级锁定密码设置 (24)6.8 第1 页8.输入口名称编程 (24)6.9 第1 页9.输出口名称编程 (25)6.10 第2 页1.按键声音设置 (25)6.11 第2 页2.速度优先等级设置 (25)6.12 第2 页3.小键盘锁定/解锁 (25)6.13 第2 页4.浏览文件名 (25)6.14 第2 页5.设备信息 (25)6.15 第2 页6.程序版本信息 (25)6.16 第2 页7.更新应用程序 (25)6.17 第2 页8.更新驱动程序 (26)6.18 第2 页9.更新DSP程序 (26)6.19 第3 页1.查看输入信号状态 (26)瑞安市鼎昆自动化科技有限公司△!警告◆本机器所使用的电源电压220V,50~60Hz ,触摸电源会产生致命事故◆本机器应放置在室内使用。
五轴智能焊锡机控制系统QZ-SMC1305(手持盒版)V7说明书深圳市瑞德鑫自动化有限公司目录1.产品介绍 (2)1.1产品概述 (2)1.2功能简介 (3)1.3功能特性 (3)1.4产品列表 (4)2.接线说明图 (5)2.1 控制系统按线示意图 (5)2.2 安装尺寸.......................................................................................................... .. (6)3.按键说明 (7)3.1手持盒按键图 (7)3.2手持盒按键说明 (8)4.手持盒操作说明 (10)4.1开机画面介绍 (10)4.2主菜单功能介绍 (12)4.3新增功能操作 (16)4.4删除指令操作 (19)4.5复制指令操作 (19)4.6阵列复制操作 (19)4.7偏移操作 (20)4.8批量修改 (20)4.9类型批量修改 (20)4.10插入指令 (21)4.11系统 (21)4.12执行方式操作 (22)4.13复位方式操作 (23)4.14产量设定 (23)4.15默认参数 (24)4.16停机位置 (25)4.17焊接工艺 (25)4.18清洗功能 (25)4.19空移速度 (26)4.20对位操作 (26)4.21MARK点对位操作 (26)5.注意事项 (27)5.1装机事项 (27)5.2常见问题说明与故障排除 (37)1.产品介绍1.1产品概述QZ-SMC1305是由本公司专业数控团队为焊锡机行业量身定做的低成本、高浓缩、高集成度的智能焊锡机控制系统。
完善的焊锡工艺设置,满足不同的加工需求,广泛应用在多轴全自动焬锡机领域。
1.2功能简介1、显示屏采用320*240高分辨率彩屏、全中文操作界面,易学易用。
2、完善的焊锡工艺设置,具有点焊与拖焊等焊接;供锡速度可根据工作速度自动调整。
3、具有斜角进枪功能,可任意设置进枪角度。
4、具有抖锡功能(水平,垂直),提高焊接品质。
5、完善的清洗功能,包括定次清洗或指定位置清洗,清洗完毕后可设置锡量补偿。
6、支持双MARK点对位功能,用来修正工件因摆放的角度和位置偏差而引起的误差。
7、具有跳选功能,能同时选中不连续的多条指令。
8、具有指令移动功能,能将已编辑的指令移到目标位置。
9、具有区域阵列复制,平移运算,批量编辑,单步、全自动及循环运行,I/O输入输出等功能。
10、具有自动执行功能、自动复位、产量设定、加工时间计时器等功能,满足不同应用需求。
11、动作参数编辑完毕,通过串口将动作参数下载到控制器中,即可脱机、独立运行;也可将动作参数保存到手持盒中,方便调用;并能进行设备间的图形拷贝及保存。
12、手持盒可存储数百个加工文件,每个文件可支持8000条指令,使用时调出即可。
13、硬件上具备4个枪通道控制、4路通用输出、8路输入、12路高速脉冲输出。
14、每条动作指令都有独立的出锡时间、回锡时间、上抬高度,灵活的批量修改等功能,能快速提高编辑效率。
1.3功能特性1.3.1控制器硬件特性电机轴数:5轴(XYZRB)脉冲频率:200KIO口数量:8路专用输入(XYZR原点、启动/暂停、暂停、复位/急停按钮),4路专用胶枪输出(4个胶枪开关控制,直接驱动电磁阀,驱动电流2A)。
4路通用I /O输出,4路通用I /O输入,12路高速“NPN集电极开路”5-24VDC输出,额定电流0.5A。
IO输入类型:光藕隔离输入。
存储容量:16M接口方式:DB44接口工作电压:24V DC,工作温度:-10-60℃储存温度:-40℃-70℃工作湿度:40%-80%储存湿度:0%-95%1.3.2 手持盒硬件特性接口方式:配备USB接口和串口,USB口用于连接电脑,此功能暂时保留。
串口用来连接手持盒。
存储方式:FLASH芯片。
显示配置:分辨率320*240,3.2寸彩色液晶屏。
1.4产品列表2.接线说明图2.2 安装尺寸19.271∅3.按键说明3.1手持盒按键图3.2手持盒按键说明警告 操作本手持盒时,必须在断电的情况下插拔串口线,以免烧坏控制器和手持盒。
连接!4.手持盒操作说明4.1 开机画面介绍上电后手持盒自动跳转自开机画面-当前工作画面,如下图所示:加工文件:指加工文件名;工作状态:指机器的当前工作状态;分为“停机、暂停、运行”三种状态; 工作方式:指机器的运行方式;分为“手动运行、自动循环运行”两种模式;加工数量:指机器运行已完成的产量;当加工数量=设定产量时,表示机器已完成加工数量,并停机; 设定产量:指机器运行预设产量;工作速度:指设备运行过程的速度,即涂胶的轨迹速度。
此速度为指令编辑时设定速度的百分比,范围在0~100%;在此画面下直接按方向键“Y ”键可提高或降低工作速度百分比,按“Z ”键则以10为单位提高或降低工作速度百分比。
但不可实时修改工作速度,修改此速度后,第二次运行才有效。
X :指机器X 轴的当前坐标; Y :指机器Y 轴的当前坐标; Z :指机器Z 轴的当前坐标; F1~F4:为快捷操作。
按“菜单”进入“主菜单”面画。
详见4.2介绍。
按“移动”可直接移动设备;如图所示:按“编辑”进入指令示教对话框(注:1、如手持盒中无文件,按“编辑”则是新建文件,操作方法同新建文件一样。
2、如手持盒中已有文件,按“编辑”则是进入指令列表对话框,可查看及编辑指令。
);1、 当控制器中没有文件时,按“编辑”是新建一个文件;系统会自动提示以下对话框:“左功能键”为是,“右功能键”为否;选择后系统会自动弹出文件保存对话框,输入文件名按保存后会进入指令示教编辑对话框(“#”键为数字和字母切换键。
),在此画面示教的指令会自动保存在刚刚输入的文件下。
如图所示:在指令列表对话框下,按数字键1~5可编辑图中对应的图形元素,更多图形选择按数字键6进入。
如下图所示:2、当控制器中有文件时,按“编辑”则是进入指令列表对话框,以便修改及编辑参数等操作。
如图所示:键盘左键“X键”可跳至当前列表的第一条指令,右键“X键”可跳至当前列表的最后一条指令;键盘上键“Y键”可上移当前指令,下键“Y键”可下移当前指令;多选时,Y键为选中指令方向键。
键盘上键“Z键”可翻页至上一页指令列表,下键“Z键”可翻页至下一页指令列表;键盘上键“R键”可放大图形文件,下键“R键”可缩小图形文件;“CLR”键可清除列表中选中的指令;键盘“MOVE”键可直接对选中的指令坐标进行编辑与修改(不自动定位到选中的指令坐标);键盘“#”键则是用于对选中的点进行对针操作,对针编移后此文件所有的指令都作相应偏移。
在此画面下:“F1”为跳选功能,可选择不连续的指令(间断的指令)进行参数编辑。
方法:选中一条目标指令,然后按F1,该条指令的序号位置变色即选中成功,选中第二条目标指令,然后按F1,依此方法,即可跳动选择所有目标指令进行参数编辑。
取消跳选可以F1(单条取消)或F4(全部取消)“F3”为选择所有指令(即全选),“F4”为选择某一段指令(即多选),有光标提示。
然后按“操作”可对选择的指令进行复制指令、阵列复制、偏移操作、批量修改、自动圆角等操作。
1. 复制指令:是指复制选中的指令;2. 阵列复制:是指用于矩阵复制选中的指令;3. 偏移操作:是指偏移选中的动作指令,把坐标偏移指定的数值;4. 批量修改:是指批量修改某项参数,提高编辑效率;5. 类型批量修改:是指对一个文件下的同一指令类型进行批量修改;6. 插入指令:是指在选中的指令前面插入指令;在此画面下,当光标只选中一条指令时,接“参数编辑”进入如下对话框,即可对当前指令进行参数修改,当改变任何一个或几个参数后,会自动弹出“保存”键,保存后则参数修改成功。
如图所示:“预热出锡”:指预先出锡到烙铁头上; “二段送锡”:指第二段的送锡量;(通常拖焊时会用到第二段送锡,点焊时第二段可设为0)。
“三段送锡”:指第三段的送锡量;(通常指速段拖焊时的用锡量,点焊时指点焊的锡量)。
“预热时间”:指烙铁头接触被焊点后延时的时间。
“二段延时”:指第二段出锡之后在当前位置等待的时间。
“三段延时”:指第三段出锡之后在当前位置等待的时间。
“进枪高度”:指斜着进枪时焊枪与焊点之间的工作距离。
“上抬高度”:指焊接完毕后焊枪上抬的高度。
“预热速度”:指预热出锡时的速度。
“二段速度”:指第二段出锡时的速度。
“三段速度”:指第三段出锡时的速度。
“抖锡工艺”:有两种选择:水平抖动和垂直抖动。
当光标选中两条及两条以上的指令时(即多选或全选时),“参数编辑”会变为“批量修改”,可对选中的多条指令进行快速批量修改。
如图所示:4.2 主菜单功能介绍按菜单键进入“主菜单”画面,如下图所示:4.2.1“打开文件”菜单指打开SD卡里现有的动作文件;按“选择或确认”键即可打开当前选择的文件列表,如下图打开文件所示:选择打开文件时,会提示是否下载程序,“下载”表示将此文件指令下载到控制器中。
如图所示:选择“是”,下载完成后会直接跳至开机画面下;选择“否”,会跳至指令列表对话框下,即显示该文件中的所有指令,如图所示:4.2.2“新建文件”菜单指新建一个动作文件;按“确认键”后提示“是否复位设备”,选择是否复位后会提示文件保存对话框,输入文件名后则进入指令编辑对话框,如下图所示:在此面面下可新增需要的图形指令,按数字键1~5可编辑图中对应的图形元素,更多图形选择按数字键6进入。
操作同4.1介绍。
4.2.3“编辑文件”菜单指对控制器中已打开的文件进行编辑操作,同4.1介绍。
如图所示:4.2.4“另存文件”菜单将已打开的文件另存一个文件,输入文件名后,按“确认”键即文件保存成功;文件名可为数字和英文,“#”键可切换输入法,如下图所示:4.2.5“删除文件”菜单删除已存在的文件名,按“选择”或“确认”键即文件删除成功;如下图所示:选择要删除的文件名,按“选择”或“确认”键即文件删除成功。
4.2.6“下载数据”菜单指下载文件到设备的控制器中;如下图所示:4.2.7“上传数据”菜单指从设备的控制器读取文件到手持盒中;4.2.8“系统”菜单指设备参数;包括:复位速度、最高速度、加速度、拐角加速度、用户密码、开机复位、手动加速度、手动速度、空移顺滑度、X轴脉冲当量、Y轴脉冲当量、Z轴脉冲当量、R轴脉冲当量、B轴脉冲当量、X轴行程、Y轴行程、Z轴行程、R轴行程、B轴行程、设备原点方向设置。
详见4.11介绍4.2.9“选项”菜单指调节机器的工作模式;包括:执行方式、复位方式、产量设定、默认参数、停机位置、清洗功能、空移速度等;详见4.12-4.19介绍。
4.2.10“帮助”菜单指控制器的版本型号,以及检测控制器的IO口状态,恢复默认参数设置。