实验一 门电路逻辑功能及测试
- 格式:doc
- 大小:295.50 KB
- 文档页数:6
实验一门电路逻辑功能及测试一、实验目的1.熟悉门电路逻辑功能并掌握常用的逻辑电路功能测试方法。
2.熟悉RXB-1B数字电路实验箱及V252示波器使用方法。
二、实验仪器及材料1.V252双踪示波器2.RXB-1B数字电路实验箱3.万用表4.器件74LS00四2输入与非门1片74LS86四2输入异或门1片三、实验任务任务一:异或门逻辑功能测试集成电路74LS86是一片四2输入异或门电路,逻辑关系式为1Y=1A⊕1B,2Y=2A⊕2B,3Y=3A⊕3B,4Y=4A⊕4B,其外引线排列图如下图。
它的1、2、4、5、9、10、12、13号引脚为输入端1A、1B、2A、2B、3A、3B、4A、4B,3、6、8、11号引脚为输出端1Y、2Y、3Y、4Y,7号引脚为地,14号引脚为电源+5V。
〔1〕将一片四2输入异或门芯片74LS86插入RXB-1B数字电路实验箱的任意14引脚的IC空插座中。
〔2〕按图接线测试其逻辑功能。
芯片74LS86的输入端1、2、4、5号引脚分别接至数字电路实验箱的任意4个电平开关的插孔,输出端3、6、8分别接至数字电路实验箱的电平显示器的任意3个发光二极管的插孔。
14号引脚+5V接至数字电路实验箱的+5V电源的“+5V〞插孔,7号引脚接至数字电路实验箱的+5V电源的“⊥〞插孔。
〔3〕将电平开关按表设置,观察输出端A、B、Y所连接的电平显示器的发光二极管的状态,测量输出端Y的电压值。
发光二极管亮表示输出为高电平〔H〕,发光二极管不亮表示输出为低电平〔L〕。
把实验结果填入表中。
图 四2输入异或门74LS86外引线排列图图 异或门逻辑功能测试连接图表 异或门逻辑功能测试的实验数据将表中的实验结果与异或门的真值表比照,判断74LS86是否实现了异或逻辑功能。
根据测量的V Z 电压值,写出逻辑电平0和1的电压范围。
任务二:利用与非门控制输出1A 1B 1Y 2A 2B 2YV CC 4B 4A 4Y 3B 4A 3YY选一片四2输入与非门电路74LS00,按图接线。
实验一逻辑门电路的逻辑功能及测试一.实验目的1.掌握了解TTL系列、CMOS系列外形及逻辑功能。
2.熟悉各种门电路参数的测试方法。
3. 熟悉集成电路的引脚排列,如何在实验箱上接线,接线时应注意什么。
二、实验仪器及材料a)数电实验箱、双踪示波器、数字万用表。
b)1)CMOS器件:CC4011 二输入端四与非门 1 片 CC4071 二输入端四或门 1片2)TTL器件:74LS86 二输入端四异或门 1 片 74LS02 二输入端四或非门 1 片74LS00 二输入端四与非门 1片 74ls125 三态门 1片74ls04 反向器材 1片三.预习要求和思考题:1.预习要求:1)复习门电路工作原理及相应逻辑表达式。
2)常用TTL门电路和CMOS门电路的功能、特点。
4)熟悉所用集成电路的引线位置及各引线用途。
2.思考题1)TTL门电路和CMOS门电路有什么区别?2)用与非门实现其他逻辑功能的方法步骤是什么?四.实验原理1.本实验所用到的集成电路的引脚功能图见附录。
2.门电路是最基本的逻辑元件,它能实现最基本的逻辑功能,即其输入与输出之间存在一定的逻辑关系。
TTL集成门电路的工作电压为“5V±10%”。
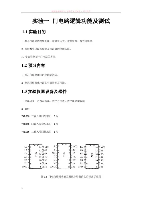
本实验中使用的TTL集成门电路是双列直插型的集成电路,其管脚识别方法:将TTL集成门电路正面(印有集成门电路型号标记)正对自己,有缺口或有圆点的一端置向左方,左下方第一管脚即为管脚“1”,按逆时针方向数,依次为1、2、3、4············。
如图1—1所示。
具体的各个管脚的功能可通过查找相关手册得知,本书实验所使用的器件均已提供其功能。
图1—13.图1—2分别为基本门电路各逻辑功能的测试方法。
4.图1-3是为了理解TTL逻辑门电路多余端的处理方法。
五.实验内容及步骤选择实验用的集成电路,按自己设计的实验接线图接好连线,特别注意Vcc及GND不能连接错。
实验一门电路逻辑功能及测试1.1 实验目的1. 熟悉门电路的逻辑功能、逻辑表达式、逻辑符号、等效逻辑图。
2. 掌握数字电路实验箱及示波器的使用方法。
3、学会检测基本门电路的方法。
1.2 预习内容1. 预习门电路相应的逻辑表达式。
2. 熟悉所用集成电路的引脚排列及用途。
1.3 实验仪器设备及器件1. 仪器设备:双踪示波器、数字万用表、数字电路实验箱2. 器件:74LS00 二输入端四与非门2片74LS20 四输入端双与非门1片74LS86 二输入端四异或门1片图1.1 门电路逻辑功能及测试中用到的芯片管角示意图1.4 实验原理和内容及步骤实验前按数字电路实验箱使用说明书先检查电源是否正常,然后选择实验用的集成块芯片插入实验箱中对应的IC座,按自己设计的实验接线图接好连线。
注意集成块芯片不能插反。
线接好后经实验指导教师检查无误方可通电实验。
实验中改动接线须先断开电源,接好线后再通电实验。
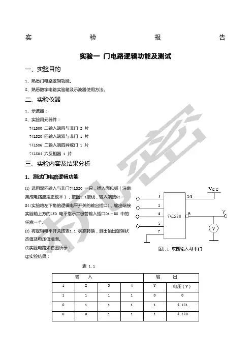
1.与非门电路逻辑功能的测试(1)选用双四输入与非门74LS20一片,插入数字电路实验箱中对应的IC座,按图1.2接线、输入端1、2、4、5、分别接到K1~K4的逻辑开关输出插口,输出端接电平显示发光二极管D1~D4任意一个。
图1.2 与非门电路连线示意图(2)将逻辑开关按表1.1的状态,分别测输出电压及逻辑状态。
表1.1 与非门电路逻辑功能测试表输入输出1(k1) 2(k2) 4(k3) 5(k4) Y 电压值(V)H H H HL H H HL L H HL L L HL L L L2. 异或门逻辑功能的测试(1)选二输入四异或门电路74LS86,按图1.3接线,输入端1、2、4、5接逻辑开关(K1~K4),输出端A、B、Y接电平显示发光二极管。
图 1.3 异或门电路连线示意图(2)将逻辑开关按表1.2的状态,将结果填入表1.2中。
表1.2 异或门逻辑功能测试表输入输出1(K1)2(K2) 4(K3) 5(K4)A B Y 电压(V)L H H H H L LLHHHHLLLHHLLLLLHH3. 逻辑电路的逻辑关系测试(1)用74LS00,按图1.4和1.5接线,将输入输出逻辑关系分别填入表1.3和表1.4中。
实验报告
实验一门电路逻辑功能及测试
一、实验目的
1、熟悉门电路逻辑功能。
2、熟悉数字电路实验箱及示波器使用方法。
1
2
1
⑴
S4(
⑵
表 1.1
1.1所
1,输出为
2
⑴ 1.3 中。
⑵
图
图
①实验电路如图所示:
②实验结果如下表所示:
对照表1.4的实验结果可知,用与非门组成其他电路,满足逻辑电路的逻辑表达式的结果。
⑵ 组成异或门:
① 将异或门表达式转化为与非门表达式; ②画出逻辑电路图; ③ 测试并填表1.5。
①实验电路图如下所示: L
10
5
②实验结果如图表1.5所示:
表 1.4 表 1.5
结果分
1.5的
果可
与非门
他电
足逻辑
A、B、
出接入电源,故我们以为不用接电源就可以,但是做了半天也没有做出来。
这个是个常识问题,有源器件使用时,都要接入电源。
另外在第四部分,要求自己画出逻辑电路图,我们画的电路图上看去是正确的,但是也是怎么都得不到正确的结果。
询问老师后,才知道引脚都是成组发挥功能的。
②实验的结果与理论分析结果比较:
如果不考虑误差的存在,本次试验的结果与理论分析结果一致。
③实验任务完成情况:
第一次试验,我们做了一上午,因为一些基础知识不是很清楚,加上准备工作也没有做的非常好,所以这次做的很慢。
但是我们保证质量的完成了此次试验。
⑤思考题:。
实验一逻辑门电路的逻辑功能及测试逻辑门电路是数字电子电路中常用的一种电路,用于实现逻辑运算。
逻辑门电路由逻辑门和逻辑门之间的连接组成。
不同的逻辑门具有不同的逻辑功能,如与门、或门、非门等。
下面将对常见的逻辑门电路的逻辑功能和测试方法进行详细介绍。
一、与门(AND Gate)与门是最基本的逻辑门之一,它的逻辑功能是输入信号同时为高电平时输出高电平,否则输出低电平。
与门的通用符号是一个带有两个输入引脚和一个输出引脚的长方形。
常用的与门有两输入与门、三输入与门等。
测试方法:1.连接电路:将与门的输入引脚与一个电源和一个接地电路连接,将输出引脚连接到一个LED灯。
2.输入测试:将输入引脚分别连接到电源和接地,检查LED灯的亮灭情况。
当输入引脚都为高电平时,LED灯应该亮起;否则,LED灯应该熄灭。
二、或门(OR Gate)或门是另一种常见的逻辑门,它的逻辑功能是只要有一个输入信号为高电平,输出就为高电平;只有所有输入信号都为低电平时,输出才为低电平。
或门的通用符号也是一个带有两个输入引脚和一个输出引脚的长方形。
测试方法:1.连接电路:将或门的输入引脚与一个电源和一个接地电路连接,将输出引脚连接到一个LED灯。
2.输入测试:将输入引脚分别连接到电源和接地,检查LED灯的亮灭情况。
当任意一个输入引脚为高电平时,LED灯应该亮起;否则,LED灯应该熄灭。
三、非门(NOT Gate)非门是较为简单的逻辑门之一,它的逻辑功能是输出与输入相反的电平信号。
非门的通用符号是一个带有一个输入引脚和一个输出引脚的长方形。
测试方法:1.连接电路:将非门的输入引脚与一个电源和一个接地电路连接,将输出引脚连接到一个LED灯。
2.输入测试:将输入引脚分别连接到电源和接地,检查LED灯的亮灭情况。
当输入引脚为高电平时,LED灯应该熄灭;否则,LED灯应该亮起。
以上是常见的逻辑门电路的逻辑功能及测试方法。
通过对逻辑门的测试,可以确保电路正常工作并实现所需的逻辑功能。
门电路逻辑功能及其测试实验报告一、实验目的1、掌握门电路的逻辑功能。
2、学会使用实验仪器对门电路进行逻辑功能测试。
3、深入理解逻辑运算的基本原理和应用。
二、实验设备1、数字电路实验箱。
2、示波器。
3、集成电路芯片:74LS00(四 2 输入与非门)、74LS04(六反相器)、74LS08(四 2 输入与门)、74LS32(四 2 输入或门)等。
4、若干导线。
三、实验原理门电路是数字电路的基本单元,具有实现逻辑运算的功能。
常见的门电路有与门、或门、非门、与非门、或非门等。
与门的逻辑功能是:当且仅当所有输入都为高电平时,输出才为高电平;否则,输出为低电平。
或门的逻辑功能是:只要有一个输入为高电平,输出就为高电平;只有当所有输入都为低电平时,输出才为低电平。
非门的逻辑功能是:输入为高电平时,输出为低电平;输入为低电平时,输出为高电平。
与非门的逻辑功能是:先进行与运算,然后将结果取反。
或非门的逻辑功能是:先进行或运算,然后将结果取反。
四、实验内容及步骤1、测试与门(74LS08)的逻辑功能将 74LS08 芯片插入实验箱的插座中。
用导线将两个输入引脚分别连接到逻辑电平开关,输出引脚连接到逻辑电平指示灯。
改变输入电平的组合(00、01、10、11),观察并记录输出电平的状态。
2、测试或门(74LS32)的逻辑功能按照与测试与门相同的方法,将 74LS32 芯片插入插座并连接好线路。
改变输入电平,记录输出电平。
3、测试非门(74LS04)的逻辑功能插入 74LS04 芯片,连接线路。
改变输入电平,观察输出。
4、测试与非门(74LS00)的逻辑功能重复上述步骤,测试 74LS00 的逻辑功能。
5、用示波器观察门电路的输入输出波形将示波器的探头分别连接到门电路的输入和输出引脚。
改变输入信号的频率和幅度,观察输入输出波形的变化。
五、实验数据及分析1、与门(74LS08)|输入 A |输入 B |输出 Y |||||| 0 | 0 | 0 || 0 | 1 | 0 || 1 | 0 | 0 || 1 | 1 | 1 |从数据可以看出,与门只有在两个输入都为 1 时,输出才为 1,符合与门的逻辑功能。
实验一逻辑门电路的基本参数及逻辑功能测试一、实验目的1、了解TTL与非门各参数的意义。
2、掌握TTL与非门的主要参数的测试方法。
3、掌握基本逻辑门的功能及验证方法。
4、学习TTL基本门电路的实际应用。
5、了解CMOS基本门电路的功能。
6、掌握逻辑门多余输入端的处理方法。
二、实验仪器三、实验原理(一) 逻辑门电路的基本参数用万用表鉴别门电路质量的方法:利用门的逻辑功能判断,根据有关资料掌握电路组件管脚排列,尤其是电源的两个脚。
按资料规定的电源电压值接好(5V±10%)。
在对TTL与非门判断时,输入端全悬空,即全“1”,则输出端用万用表测应为以下,即逻辑“0”。
若将其中一输入端接地,输出端应在左右(逻辑“1”),此门为合格门。
按国家标准的数据手册所示电参数进行测试:现以手册中74LS20二-4输入与非门电参数规范为例,说明参数规范值和测试条件。
TTL与非门的主要参数空载导通电源电流ICCL (或对应的空载导通功耗PON)与非门处于不同的工作状态,电源提供的电流是不同的。
ICCL是指输入端全部悬空(相当于输入全1),与非门处于导通状态,输出端空载时,电源提供的电流。
将空载导通电源电流ICCL乘以电源电压就得到空载导通功耗PON ,即 PON= ICCL×VCC。
测试条件:输入端悬空,输出空载,VCC=5V。
通常对典型与非门要求PON<50mW,其典型值为三十几毫瓦。
2、空载截止电源电流ICCh (或对应的空载截止功耗POFF)ICCh是指输入端接低电平,输出端开路时电源提供的电流。
空载截止功耗POFF为空载截止电源电流ICCH 与电源电压之积,即 POFF= ICCh×VCC。
注意该片的另外一个门的输入也要接地。
测试条件: VCC =5V,Vin=0,空载。
对典型与非门要求POFF<25mW。
通常人们希望器件的功耗越小越好,速度越快越好,但往往速度高的门电路功耗也较大。
3、输出高电平VOH输出高电平是指与非门有一个以上输入端接地或接低电平的输出电平。
实验一门电路逻辑功能及测试一、实验目的1. 熟悉门电路的逻辑功能、逻辑表达式、逻辑符号、等效逻辑图。
2. 掌握数字电路实验箱及示波器的使用方法。
3、学会检测基本门电路的方法。
二、实验仪器及材料1、仪器设备:双踪示波器、数字万用表、数字电路实验箱2. 器件:74LS00 二输入端四与非门2片74LS20 四输入端双与非门1片74LS86 二输入端四异或门1片三、预习要求1. 预习门电路相应的逻辑表达式。
2. 熟悉所用集成电路的引脚排列及用途。
四、实验内容及步骤实验前按数字电路实验箱使用说明书先检查电源是否正常,然后选择实验用的集成块芯片插入实验箱中对应的IC座,按自己设计的实验接线图接好连线。
注意集成块芯片不能插反。
线接好后经实验指导教师检查无误方可通电实验。
实验中改动接线须先断开电源,接好线后再通电实验。
1.与非门电路逻辑功能的测试(1)选用双四输入与非门74LS20一片,插入数字电路实验箱中对应的IC座,按图1.1接线、输入端1、2、4、5、分别接到K1~K4的逻辑开关输出插口,输出端接电平显示发光二极管D1~D4任意一个。
(2)将逻辑开关按表1.1的状态,分别测输出电压及逻辑状态。
图 1.1表1.1图 1.3图 1.4H HL H2. 图 1.2(1)选二输入四异或门电路74LS86,按图1.2接线,输入端1、2、4、5接逻辑开关(K 1~K 4),输出端A 、B 、Y 接电平显示发光二极管。
(2)将逻辑开关按表1.2的状态,将结果填入表中。
表1.23. (1)用74LS00、按图1.3,1.4接线,将输入输出逻辑关系分别填入表1.3、表1.4中。
(2)写出上面两个电路逻辑表达式,并画出等效逻辑图。
4. 利用与非门控制输出(选做)用一片74LS00按图1.5接线,S 控制作用。
5. 用与非门组成其它逻辑门电路,并验证其逻辑功能。
(1)组成与门电路图1.5A·得知,可以用两个与非门组成与门,其中由与门的逻辑表达式Z=A·B= B一个与非门用作反相器。
实验一门电路逻辑功能及测试一.实验目的1.熟悉门电路逻辑功能。
2.熟悉数字电路实验装置及示波器的使用方法。
二.实验仪器及器件1.数字实验台;数字万用表;数字示波器2.器件: 74LS00 二输入端四与非门 2片74LS20 四输入端双与非门 1片74LS86 二输入端四异或门 1片三.预习要求1.复习门电路逻辑功能2.熟悉所用集成电路各引脚的用途3.了解双踪示波器使用方法四.实验内容检查实验台电源是否正常,选择实验用集成电路。
按自己设计好的电路接线,经指导教师检查后方可通电实验。
注意,在改动接线时要先断开电源。
1.与非门逻辑功能测试(1)选74LS00一只,按图1-1接线。
输入端分别接电平开关,输出端接电平显示发光二极管。
(2)将电平开关按表1-1置位,分别测出输出电压值,并将其逻辑状态结果填入表1-1中。
图1-1表1-12.异或门逻辑功能测试(1)选74LS86一只,按图1-2接线。
输入端分别接电平开关,输出端A,B,Y接电平显示发光二极管。
图1-2(2)将电平开关按表1-2置位,分别测出输出电压值,并将其逻辑状态填入表1-2中。
表1-23.逻辑电路的逻辑关系(1)用74LS00,按图1-3和1-4接线,将输入和输出的逻辑关系分别填入表1-3和1-4中。
(2)写出上面两个电路的逻辑表达式。
图1-3A Y B图1-4表1-3表1-44.用与非门实现其它门电路(1)用与非门组成或门用74LS00组成或门F==画出电路图,测试并填表1-5。
+ABAB表1-5(2)用与非门组成异或门用74LS00组成异或门,写出表达式画出电路图,测试并填表1-6。
表1-6五、实验报告1.按各步骤填写表格2.回答问题:怎样判断门电路逻辑功能是否正常?。
门电路逻辑功能及测试实验报告一、实验目的本次实验旨在深入理解门电路的逻辑功能,并通过实际测试掌握其工作特性和应用。
具体目标包括:1、熟悉与门、或门、非门、与非门、或非门和异或门等基本门电路的逻辑表达式和真值表。
2、学会使用实验仪器对门电路进行逻辑功能测试。
3、培养实验操作能力、数据分析能力和逻辑思维能力。
二、实验原理1、门电路的基本概念门电路是实现基本逻辑运算的电子电路,包括与门、或门、非门等。
与门的逻辑功能是只有当所有输入都为高电平时,输出才为高电平;或门只要有一个输入为高电平,输出就为高电平;非门则是输入与输出相反。
2、逻辑表达式和真值表与门:Y = A·B或门:Y = A + B非门:Y = A'与非门:Y =(A·B)'或非门:Y =(A + B)'异或门:Y = A ⊕ B通过真值表可以清晰地看到输入与输出之间的对应关系。
3、实验仪器数字电路实验箱、示波器、数字万用表、逻辑电平测试笔等。
三、实验内容与步骤1、与门逻辑功能测试(1)在实验箱上选取与门芯片(如 74LS08),按照芯片引脚图正确连接电路。
(2)将两个输入分别接逻辑电平开关,输出接逻辑电平指示灯。
(3)改变输入电平的组合(00、01、10、11),观察并记录输出电平的状态。
2、或门逻辑功能测试(1)选取或门芯片(如 74LS32),按照引脚图连接电路。
(2)同样将输入接逻辑电平开关,输出接指示灯,改变输入电平组合进行测试并记录。
3、非门逻辑功能测试(1)使用非门芯片(如 74LS04)进行连接。
(2)输入接电平开关,输出接指示灯,测试并记录。
4、与非门逻辑功能测试(1)选择与非门芯片(如 74LS00)进行电路连接。
(2)设置输入电平,观察并记录输出。
5、或非门逻辑功能测试(1)采用或非门芯片(如 74LS02)搭建电路。
(2)改变输入电平,记录输出结果。
6、异或门逻辑功能测试(1)找到异或门芯片(如 74LS86)并连接电路。
实验一 门电路逻辑功能与测试一、实验目的1、掌握TTL 集成门的逻辑功能2、进一步熟悉常用电子仪器以及数字电路实验装置的结构,基本功能和使用方法 二、实验原理1、本实验采用四输入双与非门74LS20,即在一块集成块内含有两个互相独立的与非门,每个与非门有四个输入端。
其逻辑框图、符号及引脚排列如图4-1(a)、(b)、(c)所示。
1、与非门的逻辑功能与非门的逻辑功能是:当输入端中有一个或一个以上是低电平时,输出端为高电平;只有当输入端全部为高电平时,输出端才是低电平(即有“0”得“1”,全“1”得“0”。
)其逻辑表达式B A Y ⋅= 2、TTL 与非门的主要参数(1)低电平输出电源电流ICCL 和高电平输出电源电流ICCH与非门处于不同的工作状态,电源提供的电流是不同的。
ICCL 是指所有输入端悬空,输出端空载时,电源提供器件的电流。
ICCH 是指输出端空截,每个门各有一个以上的输入端接地,其余输入端悬空,电源提供给器件的电流。
通常ICCL >ICCH ,它们的大小标志着器件静态功耗的大小。
器件的最大功耗为PCCL =VCCICCL 。
手册中提供的电源电流和功耗值是指整个器件总的电源电流和总的功耗。
ICCL和ICCH测试电路如图4-2(a)、(b)所示。
[注意]:TTL电路对电源电压要求较严,电源电压VCC只允许在+5V±10%的范围内工作,超过5.5V将损坏器件;低于4.5V器件的逻辑功能将不正常。
(2)低电平输入电流IiL和高电平输入电流IiH。
IiL是指被测输入端接地,其余输入端悬空,输出端空载时,由被测输入端流出的电流值。
在多级门电路中,IiL相当于前级门输出低电平时,后级向前级门灌入的电流,因此它关系到前级门的灌电流负载能力,即直接影响前级门电路带负载的个数,因此希望IiL小些。
IiH是指被测输入端接高电平,其余输入端接地,输出端空载时,流入被测输入端的电流值。
在多级门电路中,它相当于前级门输出高电平时,前级门的拉电流负载,其大小关系到前级门的拉电流负载能力,希望IiH小些。
实验01门电路逻辑功能及参数测试实验01门电路逻辑功能及参数测试是一种常见的数字电路实验,旨在了解门电路的逻辑功能和参数测试方法。
本实验主要涉及与门、非门、或门、异或门以及与非门电路的测试。
下面将对每个门电路的逻辑功能和参数测试进行详细介绍。
一、与门(AND gate)与门是最常见的逻辑门之一,它具有两个输入和一个输出。
当两个输入同时为高电平(1)时,输出为高电平;否则,输出为低电平(0)。
逻辑功能测试:1.输入全为0,验证输出是否为0。
2.输入全为1,验证输出是否为13.输入一个为0,一个为1,验证输出是否为0。
参数测试:1.输入电压的最小值测试:逐渐减小输入电压,观察输出是否保持为低电平。
2.输入电压的最大值测试:逐渐增大输入电压,观察输出是否保持为高电平。
3.输入电流的最小值测试:逐渐减小输入电流,观察输出电压的变化。
4.输入电流的最大值测试:逐渐增大输入电流,观察输出电压的变化。
二、非门(NOT gate)非门也叫反相器,只有一个输入和一个输出。
当输入为高电平时,输出为低电平;当输入为低电平时,输出为高电平。
逻辑功能测试:1.输入为0,验证输出是否为12.输入为1,验证输出是否为0。
参数测试:1.输入电压的最小值测试:逐渐减小输入电压,观察输出是否保持为高电平。
2.输入电压的最大值测试:逐渐增大输入电压,观察输出是否保持为低电平。
3.输入电流的最小值测试:逐渐减小输入电流,观察输出电压的变化。
4.输入电流的最大值测试:逐渐增大输入电流,观察输出电压的变化。
三、或门(OR gate)或门具有两个输入和一个输出。
当两个输入中至少有一个为高电平时,输出为高电平;否则,输出为低电平。
逻辑功能测试:1.输入全为0,验证输出是否为0。
2.输入全为1,验证输出是否为13.输入一个为0,一个为1,验证输出是否为1参数测试:1.输入电压的最小值测试:逐渐减小输入电压,观察输出是否保持为低电平。
2.输入电压的最大值测试:逐渐增大输入电压,观察输出是否保持为高电平。
实验一门电路逻辑功能与测试一、实验目的:1.了解与熟悉基本门电路逻辑功能;2.掌握门电路逻辑功能的测试方法,验证与加深对门电路逻辑功能的认识;3.熟悉门电路的外形和管脚排列,以及其使用方法。
二、实验仪器、设备、元器件:1.智能数字逻辑实验仪DE2-115 1台2.四2输入与门74LS08芯片 1片3.四2输入或门74LS32芯片 1片4.六反向器74LS04芯片 1片5.四2输入与非门74LS00芯片 1片6.四2输入或非门74LS02芯片 1片7.四2输入异或门74LS86芯片 1片8.万用表、逻辑笔9.导线若干三、预习要求:1.了解数字电路实验箱的结构和使用方法;2.复习门电路工作原理及相应逻辑表达式;3.熟悉所用门电路的管脚排列及相应管脚的功能;4.熟悉数字万用表、逻辑笔的使用方法。
5.使用Proteus软件对上述门电路进行设计。
四、实验内容和步骤:实验前按实验仪使用说明检查实验仪是否正常。
然后选择实验用的IC,按设计的实验接线图接好线,特别注意Vcc及地线不能接错。
线接好后仔细检查无误后方可通电实验。
实验中需要改动接线时,必须先断开电源,接好后再通电实验。
1、与门、或门、非门的逻辑功能测试(任选一个逻辑门)①与门的逻辑功能测试按图1.1所示要求连接电路,输入端接逻辑开关A、B,输出端接指示器。
改变输入状态的高低电平,将A、B输入端依次接成0-0,0-1,1-0,1-1状态,进行电路仿真,观察输出端电平指示器的显示状态(亮为“1”,灭为“0”),并填写实验结果。
实验结果填入表1.1的逻辑真值表中,并写出输出端Y的逻辑表达式和电路的逻辑功能。
图1.1 电路与仿真表1.1 逻辑真值表输入输出A B Y0 00 11 01 1逻辑表达式Y =______________逻辑功能:_______________②或门的逻辑功能测试按图1.2所示要求连接电路,将A、B输入端依次接成0-0,0-1,1-0,1-1状态,观察输出端电平指示器的显示状态(亮为“1”,灭为“0”),并填写实验结果。
实验一门电路逻辑功能及测试
一.实验目的
1.熟悉门电路逻辑功能。
2.熟悉数字电路实验装置及示波器的使用方法。
二.实验仪器及器件
1.数字实验台;数字万用表;数字示波器
2.器件: 74LS00 二输入端四与非门 2片
74LS20 四输入端双与非门 1片
74LS86 二输入端四异或门 1片
三.预习要求
1.复习门电路逻辑功能
2.熟悉所用集成电路各引脚的用途
3.了解双踪示波器使用方法
四.实验内容
检查实验台电源是否正常,选择实验用集成电路。
按自己设计好的电路接线,经指导教师检查后方可通电实验。
注意,在改动接线时要先断开电源。
1.与非门逻辑功能测试
(1)选74LS00一只,按图1-1接线。
输入端分别接电平开关,输出端接电平显示发光二极管。
(2)将电平开关按表1-1置位,分别测出输出电压值,并将其逻辑状态结果填入表1-1中。
图1-1
表1-1
2.异或门逻辑功能测试
(1)选74LS86一只,按图1-2接线。
输入端分别接电平开关,输出端A,B,Y接电平显示发光二极管。
图1-2
(2)将电平开关按表1-2置位,分别测出输出电压值,并将其逻辑状态填入表1-2中。
表1-2
3.逻辑电路的逻辑关系
(1)用74LS00,按图1-3和1-4接线,将输入和输出的逻辑关系分别填入表1-3和1-4中。
(2)写出上面两个电路的逻辑表达式。
图1-3
A Y B
图1-4
表1-3
输入输出
A B Y
L L
L H
H L
H H
表1-4
4.用与非门实现其它门电路
(1)用与非门组成或门
用74LS00组成或门
F=
=画出电路图,测试并填表1-5。
+
A
B
A
B
表1-5
(2)用与非门组成异或门
用74LS00组成异或门,写出表达式
画出电路图,测试并填表1-6。
表1-6
输入输出
A B F
L L
L H
H L
H H
五、实验报告
1.按各步骤填写表格
2.回答问题:
怎样判断门电路逻辑功能是否正常?。